Investigation of Gold Gilding Materials and Techniques Applied in the Murals of Kizil Grottoes, Xinjiang, China
Abstract
1. Introduction
2. Materials and Methods
2.1. Information of Gilding Samples
2.2. Methods
2.2.1. Optical Microscopy (OM) and UV Fluorescence Microscopy Observation
2.2.2. SEM–EDX
2.2.3. Micro-Raman Spectroscopy (μ-RS)
2.2.4. Py-GC/MS
3. Results
3.1. Inorganic Pigment Analysis
3.1.1. OM Observation and SEM–EDX
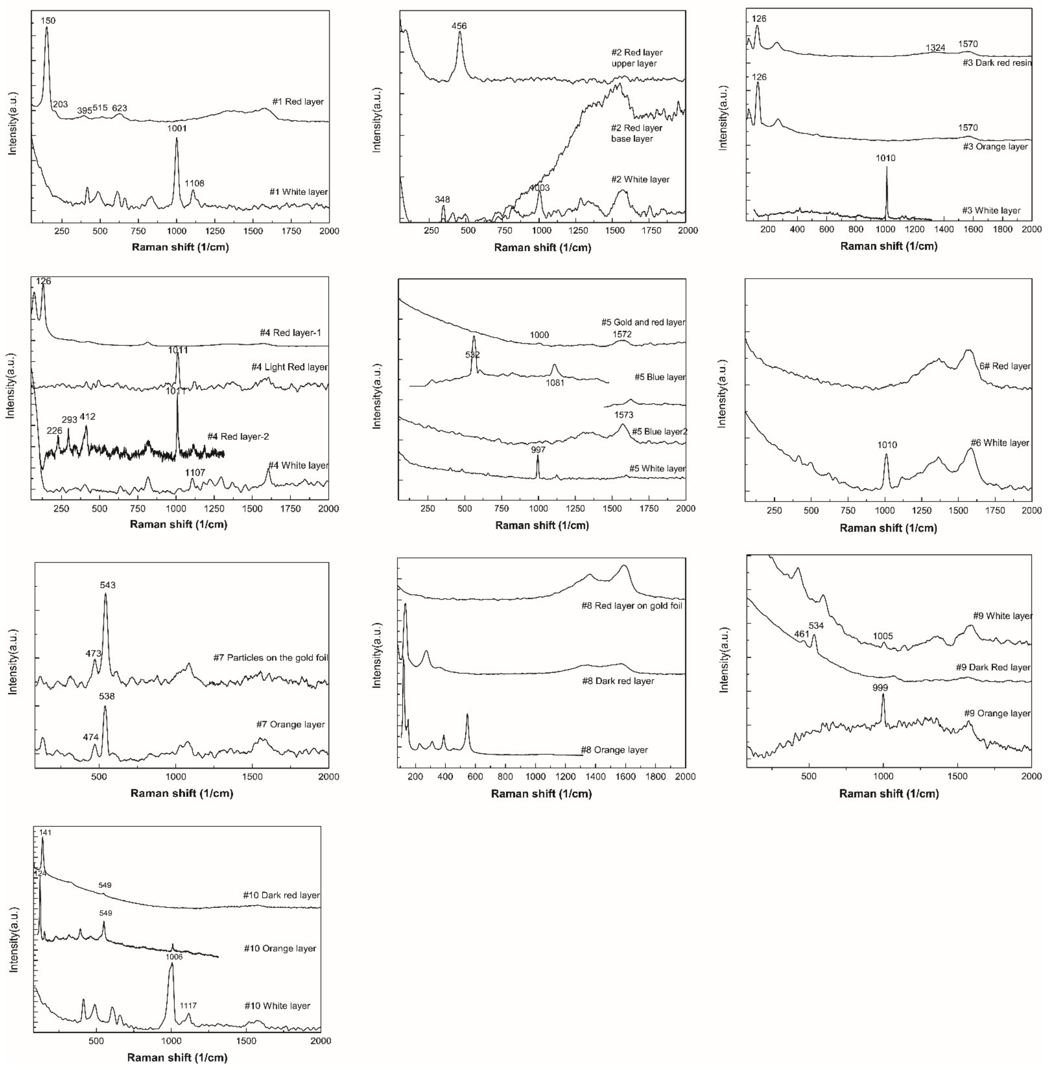
3.1.2. Raman Spectroscopy Analysis
3.2. Organic Pigment Analysis
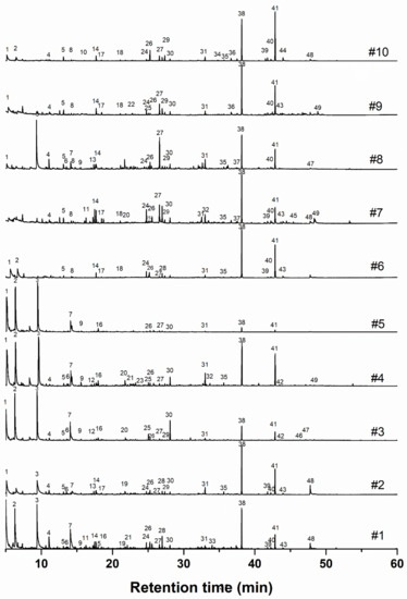
3.2.1. Py-GC/MS
3.2.2. Fluorescence Microscopy Observation
4. Discussion
5. Conclusions
- (1)
- The gilding of the Kizil Grottoes could be divided into two categories: powdered gold and foil gold, with the latter predominating.
- (2)
- There were two types of gold foil mordant: oil-based and oil-based + lac resin, with the latter representing a novel and unique application.
- (3)
- The Kizil Cave mural was decorated with gold not only as a decoration, but also as a ground layer for various red colorants.
Author Contributions
Funding
Data Availability Statement
Acknowledgments
Conflicts of Interest
Appendix A






References
- Huo, X.; Zhao, L.; Peng, J. The Grottoes of Kizil and the History of Buddhism; Xinjiang People Publishing House: Urumqi, China, 2016. [Google Scholar]
- Jin, W. The style and achievements of Kucha art. West Reg. Stud. 1997, 3, 1–9. [Google Scholar]
- The Kucha Academy Of Xinjiang. Kizil Grottoes; Shanghai People’s Fine Arts Publishing House: Shanghai, China, 1993. [Google Scholar]
- Schmidt, B.A.; Ziemann, M.A.; Pentzien, S.; Gabsch, T.; Koch, W.; Krüger, J. Technical analysis of a Central Asian wall painting detached from a Buddhist cave temple on the northern Silk Road. Stud. Conserv. 2016, 61, 113–122. [Google Scholar] [CrossRef][Green Version]
- Liu, L.; He, J.; Ye, M.; Zhu, Z.; Zhong, Q.; Yang, J. Spectral Characterization of Pigment from the No. 1 Cave, Kizil Cave-Temple Complex. J. Spectrosc. 2019, 2019, 8502524. [Google Scholar] [CrossRef]
- Su, B.; Tetuo, S.; Hu, Z.; Li, Z. HPLC Analysis of Binding Medium of Pigment of Wall-Painting at Kizil Grottoes. Dunhuang Res. 2005, 92, 75–82. [Google Scholar]
- Zhou, Z.; Shen, L.; Wang, N.; Ren, X.; Yang, J.; Shi, Y.; Zhang, H. Identification of Organic Materials Used in Gilding Technique in Wall Paintings of Kizil Grottoes. Chem. Sel. 2020, 5, 818–822. [Google Scholar] [CrossRef]
- Zhou, Z.; Shen, L.; Li, C.; Wang, N.; Chen, X.; Yang, J.; Zhang, H. Investigation of gilding materials and techniques in wall paintings of Kizil Grottoes. Microchem. J. 2020, 154, 104548. [Google Scholar] [CrossRef]
- Cotte, M.; Susini, J.; Solé, V.A.; Taniguchi, Y.; Chillida, J.; Checroun, E.; Walter, P. Applications of synchrotron-based micro-imaging techniques to the chemical analysis of ancient paintings. J. Anal. Atom. Spectrom. 2008, 23, 820–828. [Google Scholar] [CrossRef]
- van der Werf, I.D.; Gnisci, R.; Marano, D.; De Benedetto, G.E.; Laviano, R.; Pellerano, D.; Vona, F.; Pellegrino, F.; Andriani, E.; Catalano, I.M.; et al. San Francesco d’Assisi (Apulia, South Italy): Study of a manipulated 13th century panel painting by complementary diagnostic techniques. J. Cult. Herit. 2008, 9, 162–171. [Google Scholar] [CrossRef]
- Salvadó, N.; Butí, S.; Clemente, C.; Beltran, V.; Cinque, G.; Juanhuix, J.; Pradell, T. Microanalytical study of luster glazed gilding and silvering from Baroque altarpieces. Pure Appl. Chem. 2018, 90, 477–492. [Google Scholar] [CrossRef]
- Costantini, I.; Lottici, P.P.; Castro, K.; Madariaga, J.M. Use of Temperature Controlled Stage Confocal Raman Microscopy to Study Phase Transition of Lead Dioxide (Plattnerite). Minerals 2020, 10, 468. [Google Scholar] [CrossRef]
- Litharge R060959. Available online: https://rruff.info/chem=Pb,%20O/display=default/R060959 (accessed on 21 August 2022).
- Tomasini, E.P.; Cárcamo, J.; Castellanos Rodríguez, D.M.; Careaga, V.; Gutiérrez, S.; Rúa Landa, C.; Sepúlveda, M.; Guzman, F.; Pereira, M.; Siracusano, G.; et al. Characterization of pigments and binders in a mural painting from the Andean church of San Andrés de Pachama (northernmost of Chile). Herit. Sci. 2018, 6, 1–12. [Google Scholar] [CrossRef]
- Orsini, S.; Parlanti, F.; Bonaduce, I. Analytical pyrolysis of proteins in samples from artistic and archaeological objects. J. Anal. Appl. Pyrol. 2017, 124, 643–657. [Google Scholar] [CrossRef]
- Bonaduce, I.; Andreotti, A. Organic Mass Spectrometry in Art and Archaeology; Colombini, M.P., Modugno, F., Eds.; John Wiley & Sons: Hoboke, NJ, USA, 2009; Chapter 11; pp. 303–326. [Google Scholar]
- Wang, N.; He, L.; Zhao, X.; Simon, S. Comparative analysis of eastern and western drying-oil binding media used in polychromic artworks by pyrolysis–gas chromatography/mass spectrometry under the influence of pigments. Microchem. J. 2015, 123, 201–210. [Google Scholar] [CrossRef]
- Andreotti, A.; Bonaduce, I.; Colombini, M.P.; Gautier, G.; Modugno, F.; Ribechini, E. Combined GC/MS Analytical Procedure for the Characterization of Glycerolipid, Waxy, Resinous, and Proteinaceous Materials in a Unique Paint Microsample. Anal. Chem. 2006, 78, 4490–4500. [Google Scholar] [CrossRef]
- Manzano, E.; Rodriguez-Simón, L.R.; Navas, N.; Checa-Moreno, R.; Romero-Gámez, M.; Capitan-Vallvey, L.F. Study of the GC–MS determination of the palmitic–stearic acid ratio for the characterisation of drying oil in painting: La Encarnación by Alonso Cano as a case study. Talanta 2011, 84, 1148–1154. [Google Scholar] [CrossRef]
- Sutherland, K.; Del Río, J.C. Characterisation and discrimination of various types of lac resin using gas chromatography mass spectrometry techniques with quaternary ammonium reagents. J. Chromatogr. A 2014, 1338, 149–163. [Google Scholar] [CrossRef]
- Wang, L.; Ishida, Y.; Ohtani, H.; Tsuge, S.; Nakayama, T. Characterization of Natural Resin Shellac by Reactive Pyrolysis−Gas Chromatography in the Presence of Organic Alkali. Anal. Chem. 1999, 71, 1316–1322. [Google Scholar] [CrossRef]
- Kuckova, S.; Sandu, I.C.A.; Crhova, M.; Hynek, R.; Fogas, I.; Schafer, S. Protein identification and localization using mass spectrometry and staining tests in cross-sections of polychrome samples. J. Cult. Herit. 2013, 14, 31–37. [Google Scholar] [CrossRef]
- Bulk, S. Cross-Section Paint Microscopy Report Green-Painted Table Enfield Shaker Village Enfield, New Hampshire, USA. 27 February 2014; 1–20. [Google Scholar]
- Bulk, S. How Architectural Paint Analysis Techniques Have Contrubited to The Qianlong Garden Conservation Project in The Palace Museum. Palace Mus. J. 2018, 197, 143–149. [Google Scholar]
- Taniguchi, Y.; Kitagawa, M.; Murofushi, M.; Yang, J.; Shimadzu, Y.; Sato, I. Lac Resin Organic Red Colourant in Ancient Period. In Proceedings of the 31st Annual Congress of Japan Society for Scientific Studies on Cultural Properties, Nara, Japan, 4–5 July 2014; pp. 60–61. [Google Scholar]
- Bayerová, T. Buddhist Wall Paintings at Nako Monastery, North India: Changing of the Technology Throughout Centuries. Stud. Conserv. 2018, 63, 171–188. [Google Scholar] [CrossRef]
- Yajie, Z.; Kangning, Z. On the Booming of Embossed Painting and Gilding Craft in Temple Murals of Song and Jin Dynasties in Shanxi. Shanxi Arch. 2012, 19–21. [Google Scholar] [CrossRef]
- Mastrotheodoros, G.P.; Beltsios, K.G.; Bassiakos, Y.; Papadopoulou, V. On the Metal-Leaf Decorations of Post-Byzantine Greek Icons. Archaeometry 2018, 60, 269–289. [Google Scholar] [CrossRef]
- Lluveras-Tenorio, A.; Bonaduce, I.; Sabatini, F.; Degano, I.; Blaensdorf, C.; Pouyet, E.; Cotte, M.; Ma, L.; Colombini, M.P. The organic materials in the Five Northern Provinces’ Assembly Hall: Disclosing the painting technique of the Qing dynasty painters in civil buildings. Appl. Phys. A 2015, 121, 879–889. [Google Scholar] [CrossRef]
- Dongpo, H.; Tiening, X.; Jinhua, W.; Hongyan, Z. An analytical study of gilding and adhensive materials on One-thousand-hand Buddha at Dazu Grotto, Baoding Mountain, Chongqing. Sci. Conserv. Archaeol. 2008, 20, 44–51. [Google Scholar]
- Duran, A.; Perez-Rodriguez, J.L.; Jimenez De Haro, M.C. Study of the gilding technique used in polychromed stones and ceramics by dedicated laboratory-made micro X-ray diffraction and complementary techniques. Anal. Bioanal. Chem. 2009, 394, 1671–1677. [Google Scholar] [CrossRef]
- Mazzeo, R.; Baraldi, P.; Lujàn, R.; Fagnano, C. Characterization of mural painting pigments from the Thubchen Lakhang temple in Lo Manthang, Nepal. J. Raman Spectrosc. 2004, 35, 678–685. [Google Scholar] [CrossRef]
- Okada, K.; Watanbnabe, M.; Tababayashi, H.; Su, B.; Cui, Q. Investigation of the Coloring Materials and the Techniques for Painting Buddha Images on the East Wall of Cave 285, Mogao Grottoes, Dunhuang. Conserv. Sci. 2016, 55, 139–149. [Google Scholar]
- Imms, A.D. The lac and shellac industry in India. Nature 1921, 107, 797. [Google Scholar] [CrossRef]
- Cooksey, C.J. The red insect dyes: Carminic, kermesic and laccaic acids and their derivatives. Biotech. Histochem. 2019, 94, 100–107. [Google Scholar] [CrossRef]






| # | Location (German Name) | Time | Appearance |
|---|---|---|---|
| 1 | No. 4 Cave (Kaminhöhle A), west wall in main chamber | 7th C | Thick gray foil |
| 2 | No. 38 Cave (Höhle mit dem Musikerchor), west wall in main chamber | 4th C | Purple |
| 3 | No. 47 Cave (-), east corridor | 4th C | Purple |
| 4 | No. 47 Cave (-), Nirvana terrace in north chamber | 4th C | Red and brown |
| 5 | No. 48 Cave (-), west corridor | 4th C | Red and purple |
| 6 | No. 69 Cave (-), east wall in main chamber | 7th C | Gray |
| 7 | No. 172 Cave (-), east wall in main chamber | 5th C | Black |
| 8 | No. 163 Cave (-), east wall in main chamber | 6th C | Purple |
| 9 | No. 175 Cave (Versuchungs Höhle), Nirvana terrace in north chamber | 6th C | Black |
| 10 | No. 175 Cave (Versuchungs Höhle), east wall in main chamber | 6th C | Red purple |
| # | Layer Structure | Characteristic Element | Characteristic Raman Peak | Possible Substance |
|---|---|---|---|---|
| 1 | Red layer-1 | Pb, Au | 150 vs., 203, 395, 514, 628 | Litharge + plattnerite |
| Red layer-2 | Ca, S | 1001 vs., 1108, 620, 483 | Gypsum | |
| Red layer-3 | Pb, Au | (Same as Red layer1) | Litharge + plattnerite | |
| 2 | Red layer over foil | Si, Fe | 456 | Hematite? |
| Gold foil | Au, Ag (little) | Gold | ||
| Red layer base | 348 vs., 305, 1577, 1383 | Carbon-based material | ||
| Purple-white layer | Ca, S | 1003 vs., 1284, 1570 | Gypsum + dye | |
| 3 | Gold foil | Au | Gold | |
| Dark-red resin | Pb (little) | 126 vs., 261, 1324, 1570 | Minimum + carbon-based material | |
| Orange layer | Pb | 70, 126 vs., 267, 537,1570 | Minium | |
| White layer | Ca | 1010 vs., 1116, 1180, | Gypsum | |
| 4 | Red layer-1 | Pb, As | 70, 126 vs., 265, 529. | Minimum + carbon-based material |
| Light-red layer | Ca, As | 1011 vs., 1122, 1605 | Gypsum + dye | |
| Red layer-2 | Ca Fe | 1011 vs., 412, 293 | Gypsum + hematite | |
| White layer | Ca | 1107, 817, 1295 | Gypsum? | |
| 5 | Gold and red layer | Ca, S, Au | 1000, 814, 1365, 1572, 1758 | Gypsum + dye + carbon-based material |
| Gold layer | Au | Gold | ||
| Blue layer | Na, Al, Si | 532 vs., 1081, 1632 | Lapis lazurite | |
| Blue layer-2 | Ca | 1573 vs., 1367, 1309, 1 | Gypsum + indigo | |
| White layer | Ca, | 997 vs., 1124, 402, 480 | Gypsum | |
| 6 | Gold layer | Au, Ag (little) | Gold | |
| Red layer | - | 1555, 1369 | Carbon-based material | |
| White layer | Ca | 1010 vs., 616, 493, 413 | Gypsum | |
| 7 | Particle on the gold foil | Pb, Ca, Si, Al | 152, 543 vs., 473, 1088 | Minium |
| Gold layer | Au | Gold | ||
| Orange layer | Pb | 134, 538 vs., 474, 1077 | Minium | |
| 8 | Red layer on gold foil | Pb, Al, Au | 1587, 1364 | Carbon-based material |
| Gold foil | Au, Ag | Gold + silver | ||
| Dark red layer | Pb | 1570, 1328, 355,273, 133 vs. | Minimum + carbon-based material | |
| Orange layer | Pb | 122 vs., 151, 226,314,389, 545 | Minium | |
| 9 | Orange layer on gold | Ca, Pb, Au | 999 vs., 1108 | Gypsum |
| Gold foil | Au | Gold | ||
| Dark-red layer | Pb | 534, 461, 1076 | Minimum + dye | |
| White layer | Ca | 1005, 567, 427, 180 | Gypsum | |
| 10 | Gold foil | Au | Gold | |
| Dark-red layer | Pb (little) | 77, 141vs., 332, 549 | Minium | |
| Orange layer | Pb | 124 vs., 153, 229,319, 392, | Minium | |
| White layer | Ca | 414, 470, 606, 666, 1006, 1117 | Gypsum |
| Pyrolysis Products Identified | No. | Retention Time | #1 | #2 | #3 | #4 | #5 | #6 | #7 | #8 | #9 | #10 |
|---|---|---|---|---|---|---|---|---|---|---|---|---|
| Glycine | 1 | 5.02 | + | + | + | + | + | + | + | + | + | |
| 2-[2,N,N-Trimethyl-2-aminoethyl]benzofuran | 2 | 6.28 | + | + | + | + | + | |||||
| 1,3,5-Triazine | 3 | 9.50 | + | + | + | + | + | + | ||||
| Butanedioic acid | 4 | 11.03 | + | + | + | + | + | + | + | + | ||
| Benzoic acid | 5 | 13.11 | + | + | + | + | + | + | + | + | + | |
| Oxalic acid | 6 | 13.54 | + | + | + | + | ||||||
| Methyl-1-methylpyrrole-2-carboxylate | 7 | 14.09 | + | + | + | + | + | + | ||||
| Octanoic acid | 8 | 14.16 | + | + | + | + | + | |||||
| Sarcosine | 9 | 15.50 | + | + | + | + | + | |||||
| Pyrrolidine | 10 | 15.99 | + | |||||||||
| Pentanedioic acid | 11 | 16.25 | + | + | ||||||||
| DL-Alanine | 12 | 17.06 | + | + | ||||||||
| 3,5-Dimethylpyrimidine-2,4(1H,3H)-dione | 13 | 17.37 | + | + | ||||||||
| Nonanoic acid | 14 | 17.67 | + | + | + | + | + | + | + | |||
| Imidazole-4-carboxylic acid | 15 | 17.76 | + | |||||||||
| L-Aspartic acid | 16 | 18.00 | + | + | + | + | ||||||
| Hexanedioic acid | 17 | 18.43 | + | + | + | + | + | |||||
| Methyl-8-methyl-nonanoate | 18 | 21.07 | + | + | + | + | ||||||
| Prido[2,3-d]pyrimidine-2,4(1H,3H)-dione | 19 | 21.75 | + | + | ||||||||
| Heptanedioic acid | 20 | 21.81 | + | + | + | |||||||
| Pyrrolizin-1,7-dione-6-carboxylic acid | 21 | 22.15 | + | + | ||||||||
| Biphenyl | 22 | 22.79 | + | |||||||||
| L-Proline | 23 | 22.90 | + | |||||||||
| Phenol | 24 | 24.75 | + | + | + | + | + | + | + | |||
| Octanedioic acid | 25 | 25.05 | + | + | + | + | + | |||||
| Dimethyl phthalate | 26 | 25.25 | + | + | + | + | + | + | + | + | + | + |
| 1,4-Benzenedicarboxylic acid | 27 | 26.60 | + | + | + | + | + | + | + | + | + | + |
| 2,4-di-tert-butylphenol | 28 | 26.95 | + | + | + | + | + | |||||
| Dodecanoic acid | 29 | 27.35 | + | + | + | + | + | + | ||||
| Nonanedioic acid | 30 | 28.05 | + | + | + | + | + | + | + | + | + | |
| Methyl tetradecanoate | 31 | 32.97 | + | + | + | + | + | + | + | + | + | + |
| Undecanedioic acid | 32 | 33.67 | + | + | ||||||||
| 3,5-di-tert-Butyl-4-hydroxyphenylpropionic acid | 33 | 33.99 | + | |||||||||
| 1-Hexadecanol- | 34 | 34.80 | + | |||||||||
| Pentadecanoic acid | 35 | 35.63 | + | + | + | + | + | + | ||||
| Hexadecanenitrile | 36 | 37.50 | + | + | ||||||||
| Pyrrolizin-1,7-dione-6-carboxylic acid | 37 | 37.53 | + | + | + | |||||||
| Hexadecanoic acid | 38 | 38.15 | + | + | + | + | + | + | + | + | + | + |
| 9-Octadecenenitrile | 39 | 41.85 | + | + | + | + | + | |||||
| 13-Octadecenoic acid | 40 | 42.25 | + | + | + | + | + | + | + | |||
| Methyl stearate | 41 | 42.85 | + | + | + | + | + | + | + | + | + | + |
| N,N’-Pentamethylenebis[s-3-aminopropyl thiosulfuric acid | 42 | 43.44 | + | + | ||||||||
| Deoxyspergualin | 43 | 43.95 | + | + | + | + | + | + | ||||
| Nonadecanamide | 44 | 44.20 | + | |||||||||
| Shellolic acid | 45 | 45.40 | + | |||||||||
| Phorbol | 46 | 46.35 | + | |||||||||
| Methyl 18-methylnonadecanoate | 47 | 47.15 | + | + | ||||||||
| 9-Octadecenamide | 48 | 47.90 | + | + | + | + | ||||||
| Aleuritic acid | 49 | 48.38 | + | + | + | + | ||||||
| A/P | 0.10 | 0.06 | 1.43 | 0.20 | 0.13 | 0.05 | 0.13 | 0.18 | 0.08 | 0.05 | ||
| P/S | 2.66 | 1.83 | 1.63 | 1.47 | 2.05 | 1.38 | 2.45 | 1.65 | 1.57 | 0.83 |
| # | Layer Structure | No + UV Light | RhOB + UV Light | FITC + UV Light | Probable Organic Material |
|---|---|---|---|---|---|
| 1 | Red layer-1/2/3 | − | − | + | Protein |
| 2 | Red layer over foil | − | − | + | Protein |
| Gold foil | − | − | − | - | |
| Red layer | + | ++ | − | Oil | |
| Purple-white layer | − | − | − | ? | |
| 3 | Gold foil | − | − | − | - |
| Dark-red resin1 | +++ | ++ | +++ | Oil | |
| Dark-red resin2 | +++ | +++ | +++ | Lac resin | |
| Orange layer | − | − | − | Protein? | |
| 4 | Red layer-1 | + | ++ | + | Oil |
| Light-red layer | − | − | − | ? | |
| Red layer-2 | − | − | + | Protein | |
| 5 | Gold and red layer | − | − | ++ | Protein |
| Gold layer | − | − | − | - | |
| Blue layer | − | − | + | Protein | |
| Blue layer-2 | − | − | − | Protein? + Indigo | |
| 6 | Red layer over foil | ++ | − | + | Lac resin |
| Gold layer | − | − | − | - | |
| White layer | − | ++ | + | Oil | |
| 7 | Particle on the gold foil | − | + | ++ | Protein? |
| Gold layer | − | − | − | - | |
| Dark-red layer | ++ | − | + | Lac resin | |
| Orange layer | + | ++ | + | Oil | |
| 8 | Red layer on gold foil | − | − | + | Protein |
| Gold foil | − | − | − | - | |
| Dark-red layer | + | − | − | Lac resin | |
| Orange layer-1 | + | + | − | Oil | |
| Orange layer-2 | + | ++ | + | Oil | |
| 9 | Orange layer on gold | + | ++ | − | Oil |
| Gold foil | − | − | − | - | |
| Dark-red layer | + | − | + | Lac resin + protein? | |
| 10 | Gold foil | − | − | − | - |
| Dark-red layer | ++ | ++ | − | Oil | |
| Orange layer | + | ++ | ++ | Oil + Protein |
Publisher’s Note: MDPI stays neutral with regard to jurisdictional claims in published maps and institutional affiliations. |
© 2022 by the authors. Licensee MDPI, Basel, Switzerland. This article is an open access article distributed under the terms and conditions of the Creative Commons Attribution (CC BY) license (https://creativecommons.org/licenses/by/4.0/).
Share and Cite
Yang, J.; Zhou, Z.; Lu, T.; Shen, L. Investigation of Gold Gilding Materials and Techniques Applied in the Murals of Kizil Grottoes, Xinjiang, China. Appl. Sci. 2022, 12, 11202. https://doi.org/10.3390/app122111202
Yang J, Zhou Z, Lu T, Shen L. Investigation of Gold Gilding Materials and Techniques Applied in the Murals of Kizil Grottoes, Xinjiang, China. Applied Sciences. 2022; 12(21):11202. https://doi.org/10.3390/app122111202
Chicago/Turabian StyleYang, Jie, Zhibo Zhou, Tianji Lu, and Ling Shen. 2022. "Investigation of Gold Gilding Materials and Techniques Applied in the Murals of Kizil Grottoes, Xinjiang, China" Applied Sciences 12, no. 21: 11202. https://doi.org/10.3390/app122111202
APA StyleYang, J., Zhou, Z., Lu, T., & Shen, L. (2022). Investigation of Gold Gilding Materials and Techniques Applied in the Murals of Kizil Grottoes, Xinjiang, China. Applied Sciences, 12(21), 11202. https://doi.org/10.3390/app122111202
