Abstract
This paper presents a new holistic approach that combines solutions for the future power systems. It describes clearly how solar energy is definitely the best outlet for a clean and sustainable planet, either due to their use in both vertical (V) or horizontal (H) forms such as: hydroelectric V&H, wind V&H, thermo-oceanic V&H, water movement sea V&H (tides and waves), solar thermoelectric, PV, and surface geothermal energy. New points of view and simple formulas are suggested to calculate the best characteristic intensity, storage means and frequency for specific places and how to manage the most well-known renewable sources of energy. Future renewables-based power system requires a huge amount of flexibility from different type and size of controllable energy resources. These flexible energy resources can be used in an aggregated manner to provide different ancillary services for the distribution and transmission network. In addition, flexible energy resources and renewable generation can be utilized in different kinds of energy communities and smart cities to benefit all stakeholders and society at the same time with future-proof market structures, new business models and management schemes enabling increased utilization of flexible energy resources. Many of the flexible energy resources and renewable-based generation units are also inverter-interfaced and therefore the authors present future power converter systems for energy sources as well as the latest age of multilevel converters.
1. Introduction
In order to approach how renewable energy sources are essential to human life, it is important to consider what people need to survive. These needs are related to air (pure), water (clean), food (healthy and nutritious), space (comfortable to live), limited reproduction (to guarantee the continuity of the species), and the amount of energy required per capita (preferably renewable in order to maintain sustainable conditions) [1,2,3]. If any of these items are missing, the human being does not survive, which means that climate change threatens our existence. According to World Wild Life (WWF), some of the long-term effects of global climate change are temperature rise, frost-free season lengthen, change in precipitation patterns, droughts and heatwaves, hurricanes, sea-level rise, and arctic ice-free. Recent events such as the COVID-19 pandemic, fires in Australia and gas shortage in Texas uncovered the need to bolster resilience through sustainable development.
In 2015, the Paris Agreement was a landmark in which 196 countries committed to lower their greenhouse gas emissions in order to limit global warming to 1.5 °C [4,5]. Since then, the number of private companies publicly committing to reduce their carbon footprint is rising. According to the Science-Based Targets initiative (SBTi), 1494 companies are taking climate action, 744 with science-based targets and 589 committed to limiting climate change to 1.5 °C [4]. Therefore, it can be inferred that, besides threatening humans’ existence, climate changes are affecting the global economy.
Climate change has a direct relationship with carbon dioxide concentrations. The amount of CO2 in the atmosphere has increased along with the consumption of energy from fossil fuels and it was accelerated by the Industrial Revolution. Although the energy matrix has been transitioning from a relatively homogeneous to a diverse range of sources in the past years, fossil fuels are still the planet’s main energy source [6]. Thus, prioritizing technologies that accelerate the energy transition from sources coming from the sun instead of those coming from the earth (uranium, petrol, and coal) is essential to guarantee a sustainable planet.
According to the United Nations, in order to achieve Sustainable Development it is necessary to work on climate action (Goal 13), to prioritize clean and affordable energy (Goal 7) and to build sustainable cities and communities (Goal 11) [7]. Therefore, greater focus should be given on the importance of the rational local use of energy sources. The local resources can fall into three categories: those coming from the sun, those coming from the earth, and ambiguous ones. Those coming from the sun are welcome, as that is the case with hydroelectric, wind, photovoltaic, thermocouples, tides, sea waves, magneto-hydrodynamics, and others such thermosolars and piezoelectric. Those coming from the earth, such as fossils (oil, gas and coal) and uranium are not welcome because they are polluting and they are limited resources. Ambiguous energies are those that can be welcomed or not, depending on how they are used, but all of them, welcome, not welcome, and ambiguous, depend on good management.
In a changing world impacted by global warming, reducing our carbon footprint and consuming renewable energy is not enough. It is definitely necessary to build a resilient system to guarantee energy supply and, consequently, sustainable cities and communities. However, because of the energy landscape’s transformation, in which the world is transitioning from centralized to distributed energy resources (DER), it is necessary to improve the current power systems. This paper discusses new aspects of the managing technologies in order to guarantee system efficiency, public satisfaction, and reliability under renewable sources to mitigate climate changes. These managerial solutions are provided from different aspects, as follows:
- Solutions related to the management of the types of future energy resources including those coming from the sun, earth, and ambiguous ones.
- Solutions related to advanced, flexible, and cutting-edge power electronic interfaces that connect renewable resources to the main grid.
- Solutions related to the management of flexible energy resources, to deal with the high share of renewables in the future.
- Solutions related to the management of future prosumers and consumers, individually, or in a form of energy communities.
To the best of the authors’ knowledge, the previous similar literature discussing the solutions to future renewable-based power systems did not consider all the above-mentioned aspects. Table 1 reviews some similar papers that discussed the solutions to the renewable energy communities based flexible power systems.
Table 1.
Some existing works discussing solutions for future power systems.
For example, ref. [8] reviews the state-of-the-art literature that captures CO2 with a focus on the integration of different energy resources. Reference [9] reviews the recent advanced technologies that help demand-side management in the smart grid environment while [10] discusses the proposed approaches to implement demand response programs in the future grid. An open-source model for the active contribution of prosumers to energy provision and in the future power system was provided by [11]. Ref. [12] analyzes the integration of some types of future renewable sources such as wind and PV that are supported by an energy storage system through power-electronic converters. A comprehensive study was conducted on the power electronic devices and their future directions and applications by [13]. Renewable energy communities and their applications in the future power system were also studied and analyzed in [14]. In another work [15], the authors studied the impacts of high PV penetration on future power systems and reviewed the potential solutions to mitigate these impacts. However, the solutions were not assessed fully to consider all of the aspects, compared to our paper. The authors or [16,17,18,19] tried to discuss solutions to increase the flexibility of power systems and introduce new sources of flexibility. However, they mainly focus on demand-side resources and do not consider different types of energy for future systems. Finally, the solution provided by [20] was from a power electronic point of view, trying to control multilevel converters which act as an interface between a renewable resource and the grid.
However, this paper presents a holistic approach by combining four different solutions to pave the way towards future renewable-based and flexible power systems. The proposed approach combines the solutions related to the appropriate types of future energy, advanced power-electronic-based devices, and tools that connect these resources to the grid in a flexible way, the future sources of flexibility as well as the prosumers’ and consumers’ adaptive management to adopt the maximum available flexibility.
2. Management of Energy Resources
For a better understanding of how the management of energy sources is important, it is essential to clarify that there are conventional or traditional sources, which are hydraulics, fossils, and nuclear sources. They are considered so for their long history of large-scale use. In turn, alternative sources are the primary sources of unconventional energy in their origin, means of extraction, recovery cycle, and forms of use.
Finally, non-renewable sources are those found in finite quantities in natural deposits or mines, such as oil, uranium, and coal (which have a long recovery cycle). All these sources are renewable only if the period of time is considered; they need to recompose themselves in days or millions of years, see Figure 1. Nevertheless, not all sources can be used in a city for practical reasons as presented in this paper.
Figure 1.
Energy depletion curves.
As the access to alternative sources increases along with the demand for electrical energy, its historical value chain is transitioning to a new energy landscape, here introduced in the concept of Smart-Cities. The definition of Smart-City refers to an urban area able to manage its connected electric devices with resilience, robustness, and affordable cost. The use of such devices means that the distributed energy resources are based on renewable energy, energy storages, electric vehicles, smart-meters, and centralized controllers. Therefore, these devices must be equipped with Internet-of-Things technology. A condition to realize Smart-Cities is that residences, buildings, and industries should also be smart in a sense [6].
It is important to state at this point that, different from conventional energy sources, renewable energy such as photovoltaic and wind power have very specific generation periods and cannot be activated just on demand. Therefore, the intermittent behavior of the primary source of DG as well as the power mismatch between photovoltaic and wind power systems (PV and WP) and loads are challenges faced by the creators of Renewable Energy Communities and eventually Smart-Cities. In this context, means of energy storage such as Battery-Based Storage Systems (BSS) appear as prominent candidates to ensure energy supply in moments of low solar irradiance. In these cases, the use of large hydropower plants, coal, public network, and fuel as storage means rather than ordinary power generation should be considered. As a result, buildings with PV systems and BSS may maximize the usage of solar energy, reducing the emission of polluting gases [1].
Flexible electrical power systems require battery storage systems to perform functions other than its basics, known as ancillary services. Some examples are the reduction of power distribution losses, operation at minimum costs, improvement of stability and improvement of power quality. To perform ancillary services, in general, the BSS does not have its storage energy compromised. In other words, the BSS does not process active power during execution of ancillary services, except the losses. Therefore, conceiving of an interactive storage structure is very important for the realization of renewable energy communities.
In addition to contributing to an electric network in a smart city, in order to make the energy source and supply more stable, uninterrupted, and reliable, an interactive storage structure can reduce energy costs [21]. An energy management system allows the prosumer to have the flexibility to use its own power during peak periods when energy rates are high, or to sell it to the grid whenever is most advantageous. Another example is the use of the BSS to supply energy temporarily to neighbors during high consumption of energy. This decision would be taken by a central controller to avoid electric energy travelling long distances, since the residence is usually far from the main power plants. Consequently, there is a reduction in distributed power losses. Therefore, it is important to have an integrated energy system capable of reducing energy costs by ensuring an efficient process and easy access to reliable energy.
The main objectives of an energy management system is to minimize the electricity bill, to guarantee a reliable energy supply, to distribute the demand, and to reduce the number of storage means of charging/discharging cycles. As an example, let us assume that in a particular case, it has to be taken decisions about the need for charging and discharging in storage batteries that has to be made every three hours based on averaged measurements for one hour. Minimizing the electrical bill would be achieved by maximizing the power coming from the source or the one stored in a battery set:
where
| grid power | |
| load power | |
| PV power | |
| battery power | |
| means battery charging | |
| means battery discharging | |
| power losses |
In addition, the state of charge is defined as:
where Q is the capacity of the battery and i(t) denotes the charging/discharging current According to (2), if the battery is fully charged at t = 0, and there is no charging/discharging current injected/consumed to/from the battery (i.e., i(t) = 0), then SOC = 1. When the battery is discharging, then i(t) < 0, which will in turn reduce the SOC based on the discharging current. In contrast, if the battery is charging, then i(t) > 0, which will increase the battery SOC.
Let us suppose a small village with data and characteristics due to 24 h of an electrical demand for 30 residences, 15 shops, and 5 factories. Thus, there are 8760 h of solar energy data, where 8760 is the number of hours in one year. Assume that the daily load demand for this district repeats itself every day, during 365 days (one whole year). In a real project, it is necessary data for 8760 h of load, but this is a simplified case study. If the system could capture all the solar energy during the day and use fuel cell during the night, a simple energy balance equation would be [22]:
In mathematical terms:
where:
| solar irradiation intensity | |
| total PV conversion efficiency |
Equation (3) can be integrated over different periods of time, for example, one day, one month, or one season. Based on the solar energy density (solar radiation), let us specify the area for the PV array. Further development of Equation (3) could include a diesel generator or fuel cell storage for critical cases. The diesel generator can be assumed to maintain a constant power supply. Sizing this system for a whole year of operation, and carefully describing any possible constraints, also has to be foreseen for emergency needs. Of course, developing a Matlab-based script for this case can be modified for other scenarios.
Assuming a larger load and a diverse generation matrix availability, further development of Equation (3) may include other sustainable sorts of generation such as wind VPPAs, gas to power and heat facilities, and biodiesel backup generator as depicted in Figure 2.
Figure 2.
Energy management system example.
In addition, developing algorithms considering weather forecast, energy market prices, and historical load profile could decrease the carbon footprint, increase efficiency by avoiding consumption from the grid, ensure energy supply, and reduce costs while boosting the system resilience. In order to achieve this goal, it is necessary to design an integrated management system. The realization of Smart-Cities depends on how residences, buildings, and industries are equipped with interactive devices able to operate them in a coordinated manner. The interaction of these devices is mainly defined as information exchange, learning from dynamic scenarios and taking or obeying decisions from an agent with superior hierarchy.
2.1. PV Model
The output PV power is considered as the basis of a maximum power point tracking (MPPT) output with a Gaussian function, as indicated in Figure 3. However, the output PV power is averaged for control and energy management purposes and the resulting PV power curve would be as the discretized version in Figure 3. Such a staircase is on each hour step, so the reading is also equivalent to energy in kW/-hour. Such solar power density is used for the simulation of a maximum peak power tracking (MPPT) of the solar array.
Figure 3.
Solar power density, continuous, and discretized model.
2.2. Tariff Model
In this aspect of energy management case study, the dynamic pricing is included in the energy management algorithm. Figure 4 shows how the electricity price changes throughout the day. The highest price corresponds to the highest demand or to the peak of demand. Including this type of pricing allows the energy management system to adapt itself to future technologies introduced by the utility. The price model can be seen in the dynamic pricing chart. The energy price varies along with energy consumption, in which higher prices represent peak demand. Once this variable is considered in the algorithm, it is possible to choose someone using the consumer’s own energy when the energy price from the grid is higher. Therefore, energy management systems can reduce energy costs.
Figure 4.
Dynamic pricing of kWh.
3. Power Converter Systems for Energy Sources
In smart grids, power electronics-based power conversion systems (PCSs) play a vital role to realize the commands ordered by upper-level controllers. In order to develop a PCS for an Energy Source (ES) or an Energy Storage System (ESS), different factors must be considered:
- (1)
- The input voltage, which could be regulated/unregulated DC or AC;
- (2)
- The quality of the drawn current from the input;
- (3)
- The type and value of the output voltage;
- (4)
- The efficiency;
- (5)
- The size and volume;
- (6)
- The cost.
Considering the input and output voltages, single-stage and multi-stage PCSs can be employed. Typically, the efficiency/cost of single-stage PCS is higher/lower than multi-stage PCS. However, multi-stage PCS offers more options such as controlling the quality of input current, higher voltage gain, increasing the system reliability with paralleling input side and output side converters.
Figure 5 shows the practical structures of PCSs. According to Figure 5a, single-stage PCSs are employed in case of having a common DC bus. On the other hand, two-stage PCSs must be used for the common AC bus to handle the requirements of the source and the AC bus side at the same time (Figure 5b). As an example, a combination of a DC/DC converter and an inverter is normally used to connect a PV system to the grid. The DC/DC converter can be as a buck or boost converter depending on the required voltage gain which is used to perform the maximum power point tracking (MPPT). Besides, the inverter injects power to the grid with standard AC current in terms of total harmonic distortion (THD) and power factor.
Figure 5.
Practical power conversion system, (a) DC bus based, (b) AC bus based.
New architectures must be used for complex electric systems such as smart grids, microgrids, and hybrid energy systems. In general, three types of architectures can be used to interlink the components: (1) AC link, (2) DC link, and or (3) Hybrid AC/DC link. The AC architecture depicted in Figure 6 has been used as the primary solution to perform the combination of these ESs and EESs and connection to conventional power systems (AC). However, the nature of the generation portfolio and the load have been changed over the years. Therefore, other architectures must be developed to provide more hands for power system planners and operators in smart grid technologies. The output voltages of most ESs and ESSs (PVs, fuel cells and batteries) are DC which must be converted to AC by DC/DC converters and additional DC/AC converters in order to integrate into the AC bus. Meantime, many consumers are accepting the AC as well as DC voltage such as electric vehicles (EVs), light-emitting diode (LED) lights, and modern home appliances (e.g., TV, computer, stove, and air conditioner). Therefore, DC distribution systems are recently taken into consideration due to the widespread development and deployment of DC power sources and loads. According to Figure 7, DC architecture has been suggested to reduce the number of PCSs among components in small scale power systems like remote areas, islands, shipboards and electrical vehicles. Conversely, in DC grids, AC sources must be converted to DC for connecting to the DC bus. Furthermore, extra DC/AC converted are demanded to feed classic AC loads. It can be concluded that multiple PCSs are expected in both individual AC or DC systems which may add additional cost and loss to the system.
Figure 6.
AC architecture for smart grids.
Figure 7.
DC architecture for smart grids.
Therefore, it makes sense of employing both hybrid AC and DC buses in the ongoing and future smart grids. Figure 8 displays a typical hybrid microgrid architecture, which is proposed to reduce multiple PCSs in exclusive AC or DC architectures and to promote the connection of various AC/DC sources/loads as a multi-energy career system. In contrast to AC or DC grids, control, system management and operation of a hybrid microgrid are more complex. The following services can be provided by this architecture:
Figure 8.
Hybrid AC-DC architecture for smartgrids.
- (1)
- The hybrid microgrid is able to flexibly supply the electric loads from both DC and AC subgrids, therefore, the system reliability can be improved because of feasible alternative supplies [23].
- (2)
- Each DC source can easily be connected to the DC bus because only need to regulate DC voltage to limit startup current.
- (3)
- The cost and loss of the system are surely decreased since several power conversion stages are eliminated for both DC resource units and end-use customers.
- (4)
- The system can be easier expanded because DC converters can be installed in parallel with the sampler procedure.
Since the portion of DC loads and resources are normally less than AC ones, the servicing capacity of the DC link is smaller than the AC link. Therefore, the AC link might be considered as the main energy carrier of the system and the DC link takes into account a supplemental energy carrier, such a similar operation also happens in shipboard electrical power systems.
4. The Role of Prosumers in Smart Cities
Recent advances in information and communication technology (ICT) have paved the way for small-scale energy end-users to play more active roles in energy sectors [24]. These end-users whose previous roles were limited to energy consumers, are now able to monitor and manage their consumption and produce energy by their own renewable resources. For example, a household can be equipped with a rooftop PV panel integrated with a battery which produces energy. In this way, not only does the end-user fulfil its own electricity need, but it can also sell the surplus energy to the grid and make profits. In fact, the role of this smart end-user changes from a passive consumer to a pro-active consumer or a “prosumer”.
In addition to producing energy, smart prosumers with energy management systems (EMS) can help the grid become more flexible [25]. Smart prosumers have the ability to reshape their consumption based on the grid’s flexibility needs. The grid operator activates the flexibility potential of prosumers using dynamic pricing, or designing different local markets and various programs. These programs are called “demand–response programs”. Demand response programs act as a motivation for small-scale prosumers to reshape their consumption based on the utility and power distribution system requirements.
The recent technologies that are integrated into EMSs enable a smart prosumer to follow certain targets [26]. For example, the prosumer’s targets can be to minimize its electricity costs or maximize the profits obtained from participating in various demand–response programs or marketplaces. EMSs help the prosumers to achieve these objectives. However, they need to consider the comfort level of prosumers along with their economic profits. For instance, the EMSs should manage air conditioning devices so that it does not disturb the thermal comfort of household occupants [27]. Figure 9 shows a smart prosumer equipped with the EMS, as well as the interaction between the EMS and the household appliances; energy management tasks include monitoring uncontrollable devices, controlling household controllable appliances, and forecasting PV generation.
Figure 9.
A smart prosumer in a smart-city.
In general, EMSs coordinate several tasks to manage prosumer’s energy consumption and production. The efficient management procedure requires adequate meters and sensors as well as the bi-directional communication capability between the smart prosumer and the other utilities that request flexibility. A prosumer may have its own EMS and individually manage its consumption and production. On the other hand, prosumers can be aggregated by an aggregator or in an energy community environment. In this way, there is a central EMS that manages the consumption and production of the community’s members to benefit the community as a whole [28].
5. Role of Flexible Energy in Renewable Energy Communities
Energy communities have existed even before the world decided to head towards renewable, sustainable, and decentralized power systems. In remote areas and islands where access to a central grid is not possible, several prosumers joined together and build an energy community to satisfy their electricity need. Currently, achieving the Paris agreement target requires that power systems deal with a larger share of renewables. However, the current power systems are unable to accommodate the high injection of intermittent renewable power into the system. Hence, power systems need to be more flexible and be able to match the high share of intermittent renewable generation with the demand. To this end, energy communities can increase the flexibility of power systems through their energy storage resources and demand response capabilities. They can also produce green energy through their shared resources and contribute to achieving decentralized power systems.
In general, energy communities consist of a group of members including consumers, prosumers or even small-scale enterprises who voluntarily join together to follow a specific objective. They also have some community-level energy resources such as PV panel(s), wind turbine(s), and storage system(s). These assets are shared between the members. The community utilizes the shared assets in order to fulfil its objective.
The objectives of energy communities can be increasing the self-sufficiency of the members, maximizing the profits of the members by selling energy and flexibility to the upstream grid, or any common goals that lead to the members joining together. However, according to regulations set by European Union Renewable Energy Directive and Internal Electricity Market Directive, energy communities need to “provide environmental, economic, or social community benefits for its shareholders or members or for the local areas where it operates, rather than financial profits” [29]. In this way, renewable energy communities not only provide economic benefit for their members, but their renewable and flexible assets also benefit the upstream grid by helping it become more flexible and environmentally friendly.
The flexibility potential of energy communities enhances considerably by adding interconnectivity options [29]. Interconnectivity options allow the integration of various types of energy and connect different sectors within an energy community. Integrated systems can help the community to achieve its objective more efficiently. For example, a community may include district thermal networks that circulate hot water or low-pressure steam around the community’s members. In this way, along with electricity, heat, cold, and steam are distributed between the members [30]. District network heat can be fueled by the energy resources within the community such as the excess energy of wind and PV. The industrial process that produces heat, combined heat and power, geothermal, waste-to-energy resources, biofuels, and biomass are the other examples of the resources used for producing heat. On the other hand, lake cooling water is an example of the resource producing cold. An integrated hybrid system is also able to use the flexibility potential of heat pumps and heat storage technologies. The integration of thermal systems with electricity systems increases the energy efficiency of the community [31]. In addition to thermal systems, transportation systems that include a high number of electric vehicles (EV) are another source of flexibility in the community. In this regard, EVs are charged during a time that is in line with the objective of the community. The community’s central energy management system plays an important role in integrating different networks and sectors within the community.
Figure 10 summarizes the responsibilities of the EMS that aims to operate the energy community with hybrid energy resources. A community needs a central EMS which is responsible for the optimized operation of the energy community [32].
Figure 10.
Energy community management.
It schedules the available resources in order to achieve the community’s objective. For example, if the community’s objective is economic-based, the management system tries to minimize the costs of consuming energy and maximize the revenues obtained from selling energy and flexibility to the upstream grid. The cooperation between various types of energy, electricity, heat, and cold distribution between the members, and the scheduling of demand response resources are the main challenges in the managing process [33]. In addition, an effective schedule cannot be reached without the accurate forecast of renewable energy generation and energy consumption behavior of the community’s members. In this regard, EMS deploys a forecast algorithm to optimally schedule the community’s resources.
6. Flexible Energy Resources
Flexible energy resources aim to increase the flexibility of the power system. A flexible power system is able to host a large share of intermittent renewable resources because it has the ability to continuously adjust its operating point through the use of its flexible energy resources [18]. In general, the community’s flexible energy resources are categorized as follows [34]:
- Atomic loads (shiftable loads) include those loads with a flexible start time. Although atomic load’s start times can be shifted according to grid’s flexibility needs, they cannot be interrupted once they start operating. Wet appliances (such as household washing machines) and some industrial processes fall within “shiftable loads” category.
- Thermostatically controllable loads include loads that are related to the consumers’ thermal needs. Electric heaters, air conditioning systems, water heaters, and heat pumps are some examples. The operation of these devices can change based on the grid’s flexibility needs. However, they should still fulfil the thermal comfort of the customers.
- Curtailable loads consist of those loads which can be curtailed based on the grid’s flexibility needs. However, their curtailment should not have any serious rebound effect. Lightings are an example of curtailable loads.
- Curtailable generation includes those generation units whose production can be reduced or curtailed based on the grid’s flexibility needs. Run-of-river hydropower, wind power, and PV power are some examples falling into this category.
- Storage systems are an important flexible energy resource that is able to both consume and inject power whenever the system needs flexibility. Batteries and pumped hydro are two examples of stationary storage whereas electric vehicles are another example of storage that can be charged at different sites and charging stations.
- Frequency response, frequency control, and voltage regulation capability of distributed power generation systems can enhance the flexibility of power systems [35]. For example, the distributed power generation system in Denmark was able to decrease its generation by 2–12% of the nominal power using some active power control functions [35].
Flexible energy resources are mainly scheduled to fulfil a part of the grid’s flexibility needs. To provide flexibility, they need to participate in different demand–response programs [36] or different flexibility (ancillary) services markets [37].
7. Flexibility and Ancillary Services
The high injection of intermittent renewable power into the power system adversely affects the efficient operation of power systems. Its primary impact is on the system frequency. Renewable generation fluctuates constantly because they are highly affected by environmental condition. For example, wind power is constantly varying according to the wind speed variation. In addition, cloud patterns affect PV generation. Hence, the large share of renewables worsens the mismatch between system generation and demand. In this regard, system operators need more flexible energy resources to control the system frequency. Different levels of frequency deviations require different flexibility services [38]. Small-scale flexible energy resources such as prosumers need to be aggregated by an aggregator or in a form of energy communities to provide frequency control services. Besides, they have to pass some qualification tests before their participation. Figure 11 reviews the potential flexibility services that can be provided in a smart city environment. In addition to frequency, the high injection of renewables and distributed generations (DG) affects the voltage control at different levels of the power system and may cause congestion within feeders.
Figure 11.
Flexibility services that can be provided by an energy community.
As a result, the system needs more flexible energy resources that also provide non-frequency flexibility services such as voltage control and congestion management services [39]. The system operators need to unlock flexibility potential at different nodes and buses to be able to control voltage and avoid congestion.
8. Local Electricity and Flexibility Markets in Smart Cities
Currently, small-scale resources, such as a small energy community or a prosumer, are unable to participate in the wholesale energy and flexibility markets. The existing energy and flexibility markets usually determine a minimum capacity for the participants. Thus, a smart prosumer in the smart city cannot play an active role to sell its production. This may decrease the prosumer’s motivation to become active. Local markets are deployed to solve this issue.
Local markets aim to put small-scale energy and flexibility resources at the heart of energy markets. In local markets, small-scale resources such as communities and prosumers can trade energy and flexibility with each other [28]. An active player in local markets is able to decrease its costs by purchasing cheaper energy when it needs energy and sell its surplus energy and flexibility and make profits accordingly. Figure 12 illustrates a local market within a smart city consisting of energy communities and prosumers. The EMS of a prosumer is in charge of making a bidding strategy for the prosumer to obtain the maximum revenues from participating in the local markets. Regarding the energy community, its central EMS builds its optimum bidding strategy and schedule the available resources accordingly [40].
Figure 12.
An example of a local energy market within a smart-city.
9. Attainability: Welcome, Non-Welcome, and Ambiguous Energy Sources
The networks taking advantages of alternative sources are known as smart grids and virtual power plants (VPP). These sources can manage the generation of energy according to their origin, use and location and they can be welcome, not welcome or ambiguous. Regarding the origins of renewable generation sources, small hydraulics are obtained from the potential or kinetic energy of running waters. Wind power comes from the kinetic energy of the winds. The direct solar energy obtained from sunlight can be converted into either, or both, photovoltaic (electrical energy) or heat (thermosolar). It should be noticed, therefore, that the term “solar” referring only to photovoltaic energy is inaccurate since “solar” could be any source that has the sun as its source.
Direct solar energy can locally generate electricity in PV panels as much as taking advantage of the heat from panels exposed to the sun. This is the case of heat water heating, which results in a much higher total level of energy efficiency. Another interesting observation is that, in absolute terms, the PV plant’s performance is comparable to that of a hydroelectric plant if only the origin and the final product are considered, that is, the Sun as a source and the resulting electricity.
Biomass comes from burning vegetables or decomposing organic matter (biodigestion). A diesel can move combustion and explosion engines. Fuel cells come from electrochemical energy. Geothermal comes from underground thermal energy (superficial or deep). Burning gases or the kinetic energy of gases drives gas turbines and microturbines. Other welcome sources can be supplied with hydrogen, magneto-hydrodynamic, piezoelectric effect, thermocouples, ethanol, methanol, LPG, biodiesel, tides, ocean waves, and thermal gradient, among others.
The storage of welcome, non-welcome, and ambiguous sources can be done using electrical, thermal and/or the AC “battery” phenomena, which is the public network.
A special aspect of a clean energy source is the natural movement of ocean waters. This movement of water depends on the winds and their density, which, in turn, depend on the saline values and temperatures. Such factors create horizontal (H) and/or vertical (V) movements in the water. The movement due to water density usually increases with the depth of the oceans by the weight and temperature of the water itself. With the sun heat and moon proximity, the density on the surface decreases or increases and colder water sinks gravitationally. At the poles, the density of surface water increases by direct cooling or by the formation of ice that constricts the water and increases both salinity and density. Therefore, in Polar Regions the movement of sea water is due to the increase in the density on the surface and the weight of the water causing its sinking. At lower latitudes, in the colder waters, therefore denser and saline, the movement is due to increased evaporation and the intensity of strong winds (see Table 2). The Ocean Thermal Energy Conversion system, known as OTEC, takes advantage of this thermal and density differences to generate electrical energy.
Table 2.
Renewables’ intensity and frequency.
Regarding the ambiguity of the sources, it is necessary to take into account the scenarios in which they can be used. Among these, the most common fuel cell, the Proton Exchange Membrane (PEM), works with hydrogen and oxygen. If the source of the hydrogen used by them comes from petroleum or carbonaceous gases, they are not welcome, because by separating the hydrogen from these materials, carbon monoxide is released into nature, which is a polluting material. However, if hydrogen is obtained directly from the dissociation of water by solar heating using parabolic mirrors, the fuel cell will generate an absolutely clean energy and can be obtained anywhere on the planet. The limit for them today is the unavailability of materials that can withstand the high temperatures necessary to dissociate water in obtaining hydrogen (3200 °C).
Another obstacle is the fact that the current sources of energy are dominated by a few countries with high production capacity and supply of oil. A local production of hydrogen would make these countries lose this hegemony over many sources and their current high investments (for example, ships, distribution networks, supply sources, gas stations, price manipulation, and vehicles powered by oil products). For these reasons, the established countries and owners of these sources have a hard time admitting that hydrogen can be produced in any location, person or country in the world without their participation. Therefore, it is possible that this fact is still blocking the use and development of fuel cells.
The ambiguity of geothermal energy comes from its origin. If it comes from the sun’s warming of the earth’s surface (surface geothermal) it is welcome, universal, and clean, and has been that way for billions of years. The great facility of this surface geothermal source is that it can be obtained in areas such as soccer fields, barracks, parking lots, roads, roadsides, and roofs. However, if the geothermal comes from the depth (d) of the earth (deep geothermal) it is not welcome as it uses boiling water vapor from the magma of the earth’s core to generate energy to drive the turbines and then returns cold water to the center of the earth. This will obviously have a limit [41].
Biogas is composed of a mixture of carbon dioxide and methane resulting from the action of fermenting bacteria on organic matter. The gas is generated by the biological decomposition of this organic matter without the presence of oxygen. The use of organic matter to do that is usually in the form of biogas by burning biogas and biofuels, decomposition, extraction and transformation of vegetables. Fermentation takes place under certain conditions determined by temperature, humidity, and acidity.
The main source of biogas is biomass found in various forms: food waste, wood waste, rice straw, sugarcane bagasse, animal manure, among others. The organic matter for this can come from plantations or from natural vegetation on a cultivated land until its original compounds are exhausted [42]. Then they are exported to other regions of the planet. Therefore, if biogas comes from plantations or plant nature, it cannot be welcomed. The reason for this is that after several harvests, the land on which the raw material is planted can become useless and planters will have to choose another piece of land to repeat production and so on. Of course, this has a limit. However, if biogas is obtained from waste, manure and organic waste material then it is welcome. Table 2 lists the relationships in calculating the natural characteristic intensity and frequency of the renewable sources [25].
10. Cutting-Edge Multilevel Converters Powered Smart Grid Systems
There are tremendous advantages in implementing back-to-back (BTB) multilevel current source converters (MCSCs) as power electronics interfaces for wind energy conversion systems (WECS). BTB MSCSCs are scalable, eliminating the need of parallelizing switches, because the system DC current-source is split among several CSC modules. MCSCs operate at a low switching frequency because they synthesize multilevel current waveforms. Such operation reduces switching losses and increases overall efficiency for WECS.
The MSCSC structure eliminates the need for electrolytic capacitor. It is typically used in voltage-source converters (VSCs). Its well-documented electrolytic capacitors, which are subject to frequent failure, could lower the middle-time between failures (MTBF), increase downtime of wind generation, and rise costs of maintenance. The overall reliability of a BTB MCSC WECS is higher, particularly if several wind turbines are coupled in a wind farm installation at higher sub-transmission utility voltage level.
The most common power electronics interface for wind turbine is the two-level BTB VSC, used by 90% of applications with rated power of 0.75 MW or less [43]. Two VSCs are connected in a back-to-back fashion, as shown in Figure 13, each converter can control active and reactive power independently. The DC bus voltage can be regulated by the grid-side VSC whereas the generator-side VSC has an instantaneous vector control for MPPT of the turbine aerodynamics.
Figure 13.
Grid-connected wind turbine system with a back-to-back (BTB) DC-link double-PWM voltage source converter (VSC).
For higher power applications, Figure 14a shows a parallel connection with two converters on each side of the back-to-back with a common dc-link, while Figure 14b shows BTB VSCs with separate individual dc-links. The advantage of separate individual dc-links is the connection with a utility substation transformer with separated power-flow routing, and the parallel connections might be used for high-reliability applications.

Figure 14.
Multimegawatt wind turbine grid-connected systems with DC link, (a) two BTB-VSC connected in parallel, (b) Back-to-back voltage source converters with separate individual dc-links.
In wind farms, the rated voltage typically ranges from 3 kV to 5 kV, and multilevel converters can be better choices over two-level VSCs, because they minimize the need for connecting transistors in series. By producing multilevel voltage waveforms, the Electromagnetic Interference (EMI) and THD of the voltage and current waveforms are reduced. This reduces the size of the output filter. Currently, the most common multilevel converter-based power electronics interface is the BTB Neutral Point-Clamped (NPC) [43]. It is manufactured in scale by ABB [44] and Ingeteam [45]. Their DC bus composes of two series-connected capacitors where current can flow in or out of the neutral point, depending on the current angle. However, the DC voltage across the capacitors tends to drift away from the nominal value, requiring some balancing. In addition, the switching stress is not split equally across all switches in a single leg, eventually, a higher kVA installation is made with derating in the converter to consider such effects.
To overcome the unbalanced losses and switching stresses in the switches, overheating, and also voltage drifting in the capacitors, the clamping diodes in the NPC can be replaced by active switches. Such a topology is referred to as the Active NPC (ANPC) [46]. It has been reported that replacing an NPC converter by an ANPC converter can increase the power rating of the power electronic interface (PEI) by 32% and the maximum switching frequency by 57% [47]. However, the use of additional active switches increases the cost and size of the PEI.
Another modification to the NPC is to replace the clamping diodes with this topology which is referred to the Flying-Capacitor (FC) converter. Compared to the NPC converter, it is obvious that an FC converter requires more capacitors, which may affect reliability. It also requires external circuitry to pre-charge the capacitors to their nominal voltage values plus an additional control scheme to keep them balanced [48]. FC converters offer redundant switching states and equal switching conduction stress across the switches.
A BTB current source converter (CSC) PEI is shown in Figure 15. The generator-side output is connected to a Current Source Rectifier (CSR) while the grid-side is connected to a Current Source Inverter (CSI). Even though the DC side of the CSR and CSI can be connected through a single inductor/choke, a common-mode choke is used. This prevents any three-phase common-mode currents from flowing between the CSI side and the CSR [49].
Figure 15.
Grid connected wind turbine system with a back-to-back current source converter with multilevel based control.
This feature, along with the voltage boosting ability, makes such power electronics structure very interesting for transformerless motor drive applications, and even better for generators connected to high voltage AC grid. The low cost and high reliability, due to the elimination of electrolytic capacitors, makes this PEI a very promising technology for multi-megawatt wind turbine systems, particularly for grid-connected future energy flexible communities applications.
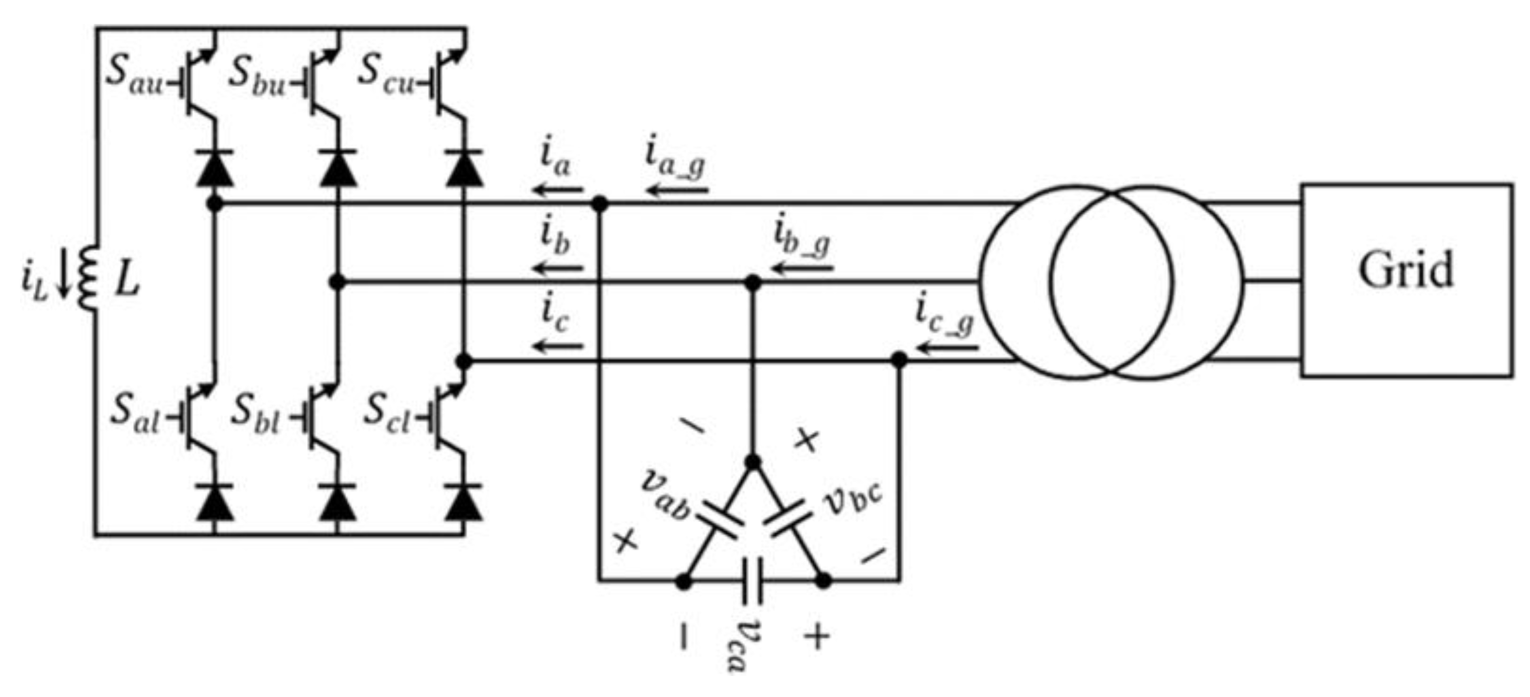
A CSC STATCOM is shown in Figure 16, which is used by utilities to help with compensating voltage fluctuations during renewable energy lack, surplus of generation, load increase, and voltage fluctuations caused by transmission lines with high activity as well as the connection of electric-vehicle plug-ins and battery storage. Figure 16 shows six unidirectional switches, required by any CSC topology, with a DC inductor. Although GTOs or IGCTs can be used as unidirectional switches, monolithic Reverse Blocking IGBTs (RB-IGBTs) or IGBTs connected in series with diodes are preferred due to their higher switching frequency capabilities.
Figure 16.
Grid Current-source based STATCOM for grid-connected utility for flexibility and ancillary services.
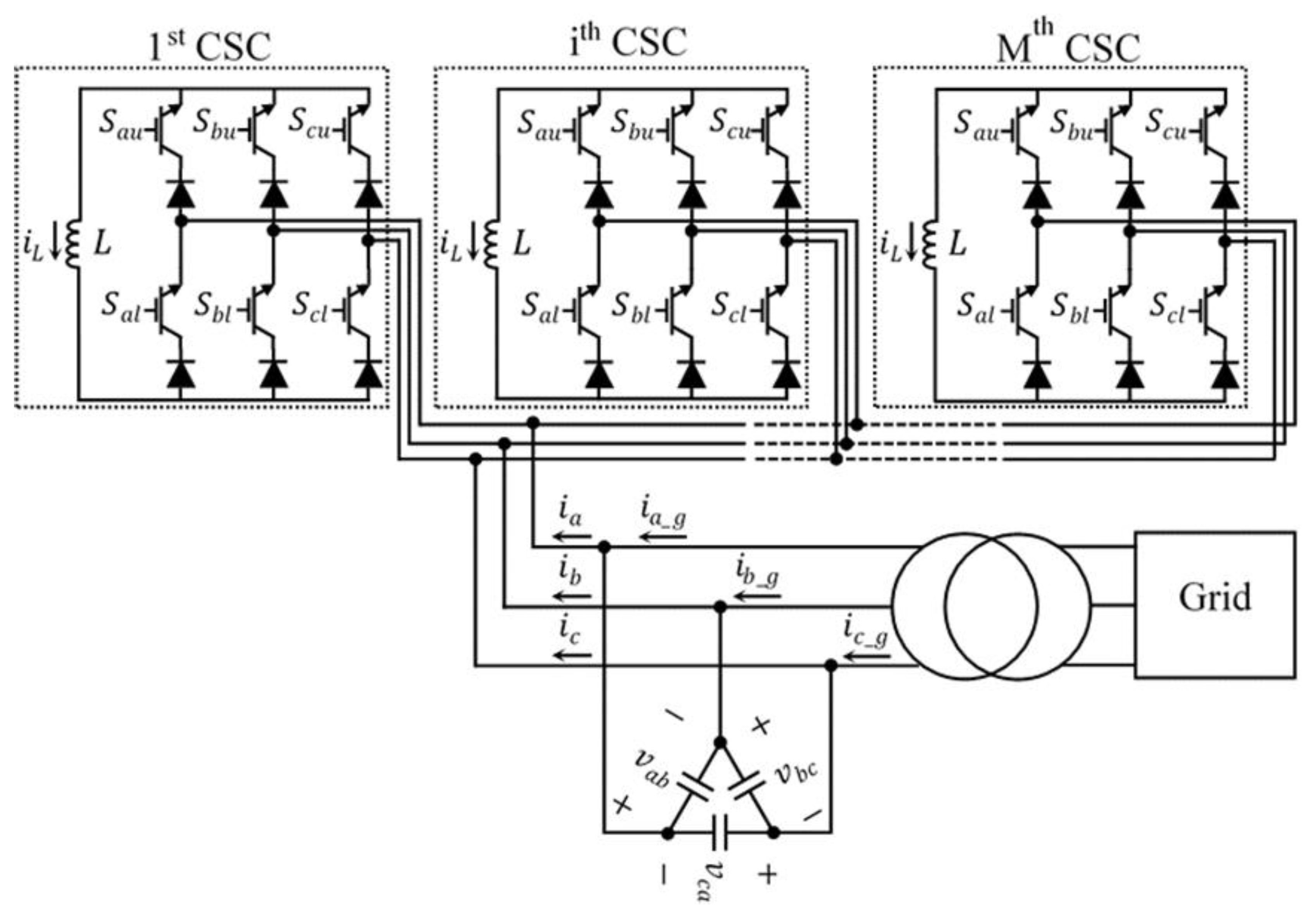
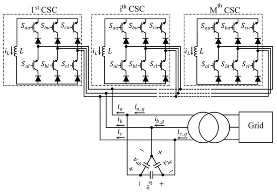
In order to accommodate high current applications, several CSC STATCOM modules can be connected in parallel as portrayed in Figure 17. Using a proper modulation technique, these modules can operate as a Multilevel CSC (MCSC) STATCOM [43]. The number of CSC modules determines the number of levels an MCSC STATCOM can produce at the output. An MCSC STATCOM that has CSCs can produce a waveform that has a levels. The PWM technique used in the individual CSC modules is the same as the so-called “tri-logic” PWM proposed in [50]. To synthesize multilevel waveforms, the Phase-Shifted Carrier PWM (PSC-PWM) is used [51], where the phase-shift between any two adjacent carrier waveforms is set to .
Figure 17.
Parallel connection of CSC STATCOM for grid-connected utility for further flexibility and ancillary services, with multilevel based control.
In [50], the Current-Source Modular Multilevel Converter (CSMMC) is introduced as the current-source dual of the voltage-source Modular Multilevel Converter (MMC). A CSMMC-based STATCOM is studied in detail in [50]. Each phase leg of the CSMMC is split into an upper arm and a lower arm. Each arm has a capacitor connected in parallel to half-bridge inductor Sub-Modules (SMs). The SMs are composed of two unidirectional switches and an inductor. The two switches in the SMs, and , work in a complementary manner to produce current outputs of 0 and . The three-phase CSMMC STATCOM requires submodules, for a level STATCOM, 6 arm capacitors, and a main DC inductor. The main DC inductor should be rated for the full load current. The submodule inductors are sized to accommodate energy variations at the fundamental and double frequencies. Compared to the MCSC STATCOM, the CSMMC STATCOM requires sized inductors and a few more components [50]. Multilevel current source-based converters have many advantages for grid-connected converters at higher voltage sub-transmission levels, and further advances initially made by the authors [50] will be reported in near future.
11. Conclusions
It has been discussed in this paper that the forms of energy originating from the Sun are the best outlets for a clean and sustainable planet. That is due to their use in both their vertical (V) and horizontal (H) forms: hydroelectric V&H, wind V&H, thermo-oceanic V&H, seawater movement V&H (tides and waves), solar thermoelectric, thermoelectric with general heat source, PV, and surface geothermal energy.
Energy sources can be welcomed by the consumer according to the way they are produced and used. The use of hydroelectric plants is still increasing but limited by environmental impacts, distance from consumer centers and the depletion of these sources in reasonable quantities and capacities. The current technology of wind generators can hardly be used inside cities by their uneven surfaces in addition to the production of continued and stressful noise. However, it is a clean and long-lasting energy, though it needs periodic maintenance. Thermosolar sources, thermocouples, tides, waves, magneto-hydrodynamics, thermocouples, piezoelectric, and the like are also welcome. Probably by the year 2050, alternative sources and highly efficient loads will assume the largest part of the world’s energy demand.
Static sources of energy generation, such as photovoltaics and fuel cells, seem to be those of the future. Photovoltaic energy in particular seems to have the best expectation of all, even if it does not yet have a high efficiency and occupies large areas for energy generation. With the increase in efficiency, these areas will be vastly reduced to the same capacity and location for energy generation. In addition, the PV modules can be used on roofs, open areas and walls of buildings. This source has the advantages of being universal, light, silent, clean, renewable, durable, and can work almost free of charge after being installed. The biggest present aspect with photovoltaics is still its low performance and finding a compatible storage form that can maintain the characteristics related to the environment. As a conclusion, renewable sources of energy are currently an important current focus of global research. Beyond that, it should be noticed that increasing the efficiency of sources and loads without better consumer education is unlikely to solve the global energy issue.
In order to deal with the high share of renewable generation, future power systems need to adopt additional sources of flexibility. Demand-side resources including prosumers and consumers are potential resources. They can increase the flexibility of power systems by responding to the operators’ flexibility needs through their flexible and controllable appliances. However, to exploit the flexibility of small-scale prosumers and consumers, future power systems should be decentralized. They need to put small prosumers and consumers at the heart of energy and flexibility markets. They need to give the small-scale participants the opportunity of being active. In this way, the small-scale prosumers and consumers make profits by selling their energy from PV panels as well as selling flexibilities to the operators. They can also decrease their costs as consumers by rescheduling their consumption according to the grid’s needs. On the other hand, system operators benefit from the active participation of prosumers and consumers since they obtain an additional source of flexibility.
Author Contributions
Conceptualization, M.G.S. and F.A.F.; methodology, M.G.S.; software, H.K.; validation, H.L., M.S. and M.G.S.; formal analysis, M.G.S.; investigation, F.A.F.; resources, H.L., M.G.S.; writing—original draft preparation, M.G.S. and F.A.F.; writing—review and editing, F.A.F., M.G.S., H.K., M.S. and H.L.; visualization, F.A.F. and H.L.; supervision, M.G.S.; project administration, M.G.S. and F.A.F.; funding acquisition, F.A.F., M.G.S. and H.L. All authors have read and agreed to the published version of the manuscript.
Funding
This research received no external funding.
Institutional Review Board Statement
Not applicable.
Informed Consent Statement
Not applicable.
Data Availability Statement
Not applicable.
Acknowledgments
The authors are very grateful to the Centro de Excelência em Energia e Sistemas de Potência (CEESP) of Federal University of Santa Maria, for data and resources on alternative sources of energy, and to resources of FREESI Lab in the Electrical Engineering at the School of Technology and Innovations, University of Vaasa.
Conflicts of Interest
The authors declare no conflict of interest.
Abbreviations
| A | Contained area () |
| a | Anemometer mast height () |
| AC | Alternating current |
| BSS | Battery Storage System |
| BTB | Back-to-back |
| CSC | Current Source Converter |
| CSI | Current Source Inverter |
| CSR | Current Source Rectifier |
| CSMMC | Current-Source Modular Multilevel Converter |
| DC | Direct Current |
| DG | Distributed Generation |
| DER | Distributed Energy Resources |
| EMI | Electromagnetic Interference |
| EMS | Energy Management System |
| ES | Energy Source |
| ESS | Energy Storage System |
| EV | Electric Vehicle |
| FC | Flying Capacitor |
| Solar beam radiance () | |
| GTO | Gate Turn-Off thyristor |
| Horizontal | |
| height () | |
| IGBT | Insulated-Gate Bipolar Transistor |
| Adjustment factor | |
| LPG | Liquid Petroleum Gas |
| MCSC | Multilevel Current Source Converter |
| MMC | Modular Multilevel Converter |
| MPPT | Maximum Peak Power Tracking |
| MTBF | Middle-time between failures |
| NPC | Neutral Point-Clamped |
| PCS | Power Conversion System |
| PEI | Power Electronic Interface |
| PEM | Proton Exchange Membrane |
| PV | Photovoltaic |
| PWM | Pulse Width Modulation |
| R | Tidal range () |
| SM | Sub-Module |
| STATCOM | Static Synchronous Compensator |
| STC | Standard Test Conditions (1000 , 25 °C, air mass 1.5 and no wind) |
| Wave period (week) | |
| THD | Total Harmonic Distortion |
| Vertical | |
| Wind speed () | |
| Wind speed at meters from ground | |
| Wind speed at meters from ground | |
| VPP | Virtual Power Plant |
| VSC | Voltage Source Converter |
| WECS | Wind Energy Conversion System |
| WP | Wind Power |
| Nacelle height () | |
| Efficiency (%) | |
| Zenith angle (between the sun’s rays and the earth vertical) (dg) |
References
- Science Based Targets Companies Taking Action. Available online: https://sciencebasedtargets.org/companies-taking-action (accessed on 3 June 2021).
- United Nations Climate Change, 2015, The Paris Agreement. Available online: https://unfccc.int/sites/default/files/english_paris_agreement.pdf (accessed on 3 June 2021).
- Farret, F.A.; Simões, M.G. Integration of Renewable Sources of Energy; John Wiley & Sons: Hoboken, NJ, USA, 2017; ISBN 1119137365. [Google Scholar]
- Vaclav, S. Energy Transitions: Global and National Perspectives. BP Statistical Review of World Energy 2017. Available online: https://www.bp.com/en/global/corporate/energy-economics/statistical-review-of-world-energy.html (accessed on 3 June 2021).
- World Wild Life (WWF). Effects of Climate Change. Available online: https://www.worldwildlife.org/threats/effects-of-climate-change (accessed on 3 June 2021).
- The 17 Goals, Sustainable Development, Department of Economic and Social Affairs, United Nations. Available online: https://sdgs.un.org/goals (accessed on 3 June 2021).
- Ritchie, H.; Roser, M. Energy Published online at OurWorldInData.org. 2020. Available online: https://ourworldindata.org/energy (accessed on 3 June 2021).
- Mikulčić, H.; Skov, I.R.; Dominković, D.F.; Alwi, S.R.W.; Manan, Z.A.; Tan, R.; Duić, N.; Mohamad, S.N.H.; Wang, X. Flexible Carbon Capture and Utilization technologies in future energy systems and the utilization pathways of captured CO2. Renew. Sustain. Energy Rev. 2019, 114, 109338. [Google Scholar] [CrossRef]
- Butt, O.M.; Zulqarnain, M.; Butt, T.M. Recent advancement in smart grid technology: Future prospects in the electrical power network. Ain Shams Eng. J. 2021, 12, 687–695. [Google Scholar] [CrossRef]
- Amini, M.H.; Talari, S.; Arasteh, H.; Mahmoudi, N.; Kazemi, M.; Abdollahi, A.; Bhattacharjee, V.; Shafie-Khah, M.; Siano, P.; Catalão, J.P.S. Demand Response in Future Power Networks: Panorama and State-of-the-Art; Springer: Cham, Switzerland, 2018; pp. 167–191. [Google Scholar] [CrossRef]
- Quoilin, S.; Hidalgo Gonzalez, I.; Zucker, A. Modelling Future Eu Power Systems under High Shares of Renewables: The Dispa-Set 2.1; open-source model, EUR 28427 EN; Publications Office of the European Union: Luxembourg, 2017; ISBN 978-92-79-67952-0. [Google Scholar]
- Muttaqi, K.M.; Islam, R.; Sutanto, D. Future Power Distribution Grids: Integration of Renewable Energy, Energy Storage, Electric Vehicles, Superconductor, and Magnetic Bus. IEEE Trans. Appl. Supercond. 2019, 29, 1–5. [Google Scholar] [CrossRef] [Green Version]
- Kizilyalli, I.C.; Cunningham, D.W.; Manser, J.S.; Carlson, E.P. (Keynote) Current and Future Directions in Power Electronic Devices and Circuits Based on Wide Band-Gap Semiconductors. In Proceedings of the 2017 IEEE 5th Workshop on Wide Bandgap Power Devices and Applications, Santa Ana Pueblo, NM, USA, 30 October–1 November 2017. [Google Scholar] [CrossRef]
- Cielo, A.; Margiaria, P.; Lazzeroni, P.; Mariuzzo, I.; Repetto, M. Renewable Energy Communities business models under the 2020 Italian regulation. J. Clean. Prod. 2021, 316, 128217. [Google Scholar] [CrossRef]
- Kumar, D.S.; Gandhi, O.; Rodríguez-Gallegos, C.D.; Srinivasan, D. Review of power system impacts at high PV penetration Part II: Potential solutions and the way forward. Sol. Energy 2020, 210, 202–221. [Google Scholar] [CrossRef]
- Mohandes, B.; El Moursi, M.S.; Hatziargyriou, N.D.; El Khatib, S. A Review of Power System Flexibility with High Penetration of Renewables. IEEE Trans. Power Syst. 2019, 34, 3140–3155. [Google Scholar] [CrossRef]
- Babatunde, O.; Munda, J.; Hamam, Y. Power system flexibility: A review. Energy Rep. 2020, 6, 101–106. [Google Scholar] [CrossRef]
- Khajeh, H.; Laaksonen, H.; Gazafroudi, A.S.; Shafie-Khah, M. Towards Flexibility Trading at TSO-DSO-Customer Levels: A Review. Energies 2020, 13, 165. [Google Scholar] [CrossRef] [Green Version]
- Laaksonen, H.; Khajeh, H.; Parthasarathy, C.; Shafie-Khah, M.; Hatziargyriou, N. Towards Flexible Distribution Systems: Future Adaptive Management Schemes. Appl. Sci. 2021, 11, 3709. [Google Scholar] [CrossRef]
- Pouresmaeil, M.; Sepehr, A.; Sangrody, R.; Taheri, S.; Pouresmaeil, E. Control of Multilevel Converters for High Penetration of Renewable Energies. In Proceedings of the 2021 IEEE 12th International Symposium on Power Electronics for Distributed Generation Systems (PEDG), Chicago, IL, USA, 27–30 June 2021; pp. 1–5. [Google Scholar]
- AL Shaqsi, A.Z.; Sopian, K.; Al-Hinai, A. Review of energy storage services, applications, limitations, and benefits. Energy Rep. 2020, 6, 288–306. [Google Scholar] [CrossRef]
- Simoes, M.; Lute, C.L.; Alsaleem, A.N.; Brandao, D.; Pomilio, J.A. Bidirectional floating interleaved buck-boost DC-DC converter applied to residential PV power systems. In Proceedings of the 2015 Clemson University Power Systems Conference (PSC), Clemson, SC, USA, 10–13 March 2015; pp. 1–8. [Google Scholar] [CrossRef]
- Xu, Q.; Zhao, T.; Xu, Y.; Xu, Z.; Wang, P.; Blaabjerg, F. A Distributed and Robust Energy Management System for Networked Hybrid AC/DC Microgrids. IEEE Trans. Smart Grid 2019, 11, 3496–3508. [Google Scholar] [CrossRef]
- Refaat, S.S.; Ellabban, O.; Bayhan, S.; Abu-Rub, H.; Blaabjerg, F.; Begovic, M.M. Smart Grid and Enabling Technologies, 1st ed.; Wiley: Hoboken, NJ, USA, 2021; ISBN 978-1-119-42246-4. [Google Scholar]
- Khajeh, H.; Zheng, R.; Firoozi, H.; Laaksonen, H.; Shafie-Khah, M. Role of Smart Homes and Smart Communities in Flexibility Provision. In Flexibility in Electric Power Distribution Networks; CRC Press: Boca Raton, FL, USA, 2021; pp. 21–40. [Google Scholar] [CrossRef]
- Zafar, R.; Mahmood, A.; Razzaq, S.; Ali, W.; Naeem, U.; Shehzad, K. Prosumer based energy management and sharing in smart grid. Renew. Sustain. Energy Rev. 2018, 82, 1675–1684. [Google Scholar] [CrossRef]
- Korkas, C.D.; Baldi, S.; Michailidis, I.; Kosmatopoulos, E.B. Occupancy-based demand response and thermal comfort optimization in microgrids with renewable energy sources and energy storage. Appl. Energy 2016, 163, 93–104. [Google Scholar] [CrossRef]
- Sousa, T.; Soares, T.; Pinson, P.; Moret, F.; Baroche, T.; Sorin, E. Peer-to-peer and community-based markets: A comprehensive review. Renew. Sustain. Energy Rev. 2019, 104, 367–378. [Google Scholar] [CrossRef] [Green Version]
- Lowitzsch, J.; Hoicka, C.E.; Van Tulder, F.J. Renewable Energy Communities under the 2019 European Clean Energy Package–Governance Model for the Energy Clusters of the Future? Renew. Sustain. Energy Rev. 2020, 122, 109489. [Google Scholar] [CrossRef]
- Rezaie, B.; Rosen, M.A. District heating and cooling: Review of technology and potential enhancements. Appl. Energy 2011, 93, 2–10. [Google Scholar] [CrossRef]
- Ren, G.; Wan, J.; Liu, J.; Yu, D. Spatial and temporal assessments of complementarity for renewable energy resources in China. Energy 2019, 177, 262–275. [Google Scholar] [CrossRef]
- Firoozi, H.; Khajeh, H.; Laaksonen, H. Optimized Operation of Local Energy Community Providing Frequency Restoration Reserve. IEEE Access 2020, 8, 180558–180575. [Google Scholar] [CrossRef]
- Wang, D.; Liu, L.; Jia, H.; Wang, W.; Zhi, Y.; Meng, Z.; Zhou, B. Review of key problems related to integrated energy distribution systems. CSEE J. Power Energy Syst. 2018, 4, 130–145. [Google Scholar] [CrossRef]
- DTU, M.D.; Plecas, M.; Jimeno, J.; Marthinsen, H. Aggregation Models: Preliminary Report, SmartNet Project, 2017. Available online: http://smartnet-project.eu/wp-content/uploads/2017/06/D2.3_20170616_V1.0.pdf (accessed on 3 June 2021).
- Blaabjerg, F.; Yang, Y.; Yang, D.; Wang, X. Distributed Power-Generation Systems and Protection. Proc. IEEE 2017, 105, 1311–1331. [Google Scholar] [CrossRef] [Green Version]
- Monfared, H.J.; Ghasemi, A.; Loni, A.; Marzband, M. A hybrid price-based demand response program for the residential micro-grid. Energy 2019, 185, 274–285. [Google Scholar] [CrossRef]
- Padmanabhan, N.; Ahmed, M.H.; Bhattacharya, K. Simultaneous Procurement of Demand Response Provisions in Energy and Spinning Reserve Markets. IEEE Trans. Power Syst. 2018, 33, 4667–4682. [Google Scholar] [CrossRef]
- Laaksonen, H.; Parthasarathy, C.; Khajeh, H.; Shafie-Khah, M.; Hatziargyriou, N. Flexibility Services Provision by Frequency-Dependent Control of On-Load Tap-Changer and Distributed Energy Resources. IEEE Access 2021, 9, 45587–45599. [Google Scholar] [CrossRef]
- Oureilidis, K.; Malamaki, K.-N.; Gallos, K.; Tsitsimelis, A.; Dikaiakos, C.; Gkavanoudis, S.; Cvetkovic, M.; Mauricio, J.M.; Ortega, J.M.M.; Ramos, J.L.M.; et al. Ancillary Services Market Design in Distribution Networks: Review and Identification of Barriers. Energies 2020, 13, 917. [Google Scholar] [CrossRef] [Green Version]
- Verschae, R.; Kato, T.; Matsuyama, T. Energy Management in Prosumer Communities: A Coordinated Approach. Energies 2016, 9, 562. [Google Scholar] [CrossRef]
- EIA, U. US Energy Information Administration Annual Energy Outlook 2020; US Department of Energy: Washington, DC, USA, 2020. [Google Scholar]
- Taherzadeh, M.; Bolton, K.; Wong, J.; Pandey, A. Sustainable Resource Recovery and Zero Waste Approaches; Elsevier: Amsterdam, The Netherlands, 2019; ISBN 978-0-444-64200-4. [Google Scholar]
- Bueno, E.J.; Cóbreces, S.; Rodríguez, F.J.; Hernández, A.; Espinosa, F. Design of a Back-to-Back NPC Converter Interface for Wind Turbines with Squirrel-Cage Induction Generator. IEEE Trans. Energy Convers. 2008, 23, 932–945. [Google Scholar] [CrossRef]
- ABB PCS6000—Medium Voltage Wind Turbine Converter—Utility-Scale Wind Turbine Converters (Wind Turbine Converters). Available online: https://new.abb.com/power-converters-inverters/wind-turbines/utility-scale/pcs6000 (accessed on 3 June 2021).
- Ingeteam #1 Independent Supplier Wind Converters, DFIG & FC. Available online: https://www.ingeteam.com/en-us/sectors/wind-power-energy/p15_23_250_22/dfig-500-5000.aspx (accessed on 3 June 2021).
- Li, J.; Huang, A.Q.; Bhattacharya, S.; Jing, W. Application of Active NPC Converter on Generator Side for MW Direct-Driven Wind Turbine. In Proceedings of the 2010 Twenty-Fifth Annual IEEE Applied Power Electronics Conference and Exposition (APEC), Palm Springs, CA, USA, 21–25 February 2010; pp. 1010–1017. [Google Scholar]
- Zeng, X.; Chen, Z.; Blaabjerg, F. Design and Comparison of Full-Size Converters for Large Variable-Speed Wind Turbines. In Proceedings of the 2007 European Conference on Power Electronics and Applications, Aalborg, Denmark, 2–5 September 2007; pp. 1–10. [Google Scholar]
- Siwakoti, Y.P.; Mahajan, A.; Rogers, D.J.; Blaabjerg, F. A Novel Seven-Level Active Neutral-Point-Clamped Converter with Reduced Active Switching Devices and DC-Link Voltage. IEEE Trans. Power Electron. 2019, 34, 10492–10508. [Google Scholar] [CrossRef]
- Alskran, F.A.; Simoes, M.G. Multilevel Current Source Converter-Based STATCOM Suitable for Medium-Voltage Applications. IEEE Trans. Power Deliv. 2020, 36, 1222–1232. [Google Scholar] [CrossRef]
- Alskran, F.; Simoes, M. Current Balancing Algorithm for Three-Phase Multilevel Current Source Inverters. Energies 2020, 13, 860. [Google Scholar] [CrossRef] [Green Version]
- Lim, Z.; Maswood, A.I.; Ooi, G.H.P.; Ooi, H.P.G. Modular-Cell Inverter Employing Reduced Flying Capacitors with Hybrid Phase-Shifted Carrier Phase-Disposition PWM. IEEE Trans. Ind. Electron. 2015, 62, 4086–4095. [Google Scholar] [CrossRef]
Publisher’s Note: MDPI stays neutral with regard to jurisdictional claims in published maps and institutional affiliations. |
© 2021 by the authors. Licensee MDPI, Basel, Switzerland. This article is an open access article distributed under the terms and conditions of the Creative Commons Attribution (CC BY) license (https://creativecommons.org/licenses/by/4.0/).