Power Quality Issues and Mitigation for Electric Grids with Wind Power Penetration
Abstract
Featured Application
Abstract
1. Introduction
2. Power Quality Issues of WPP Integration
2.1. Harmonic Issues of WPP Integration
2.1.1. Effect of Harmonics in WPP
2.1.2. Types of Harmonics in WPPs
2.1.3. PQ Indices under Harmonic Distortion
2.2. Voltage Issues of WPP Integration
2.2.1. Voltage Sag
2.2.2. Voltage Swell
3. PQ Mitigation Techniques
3.1. Traditional Methods
3.1.1. Harmonic Trap Filters (HTFs)
3.1.2. Active Power Filters (APFs)
3.1.3. Three-Bridge Four Wire (TBFW) Inverter
3.1.4. Dynamic Voltage Restorer
3.1.5. Static Synchronous Compensator
3.2. Future Mitigation Trends
3.2.1. Energy Storage Technology
3.2.2. Transmission Technology
4. Simulation of Voltage Mitigation
4.1. Voltage Mitigation and Control
- (1)
 - the compensation is computed to minimize the deviation between the actual positive sequence and the reference voltage, hence the overall voltage profile could be improved
 - (2)
 - the compensation is computed per phase based on the deviation among the three phases and the reference voltage, hence both the voltage profile and unbalance factor are improved.
 
4.2. Fast Quasi-Static Time Series Analysis
4.2.1. Transmission Systems Tool
4.2.2. Distribution Systems Tool
4.2.3. Overall Simulation Process
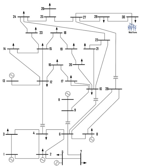
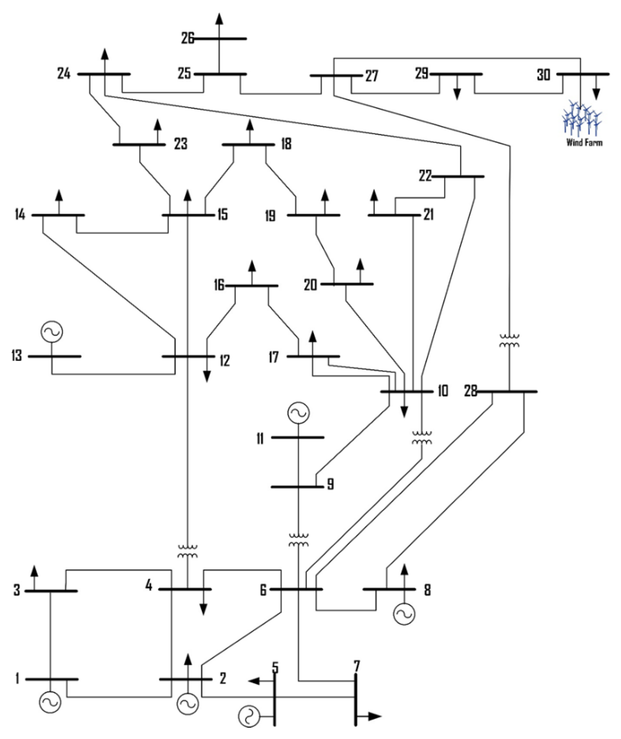
4.3. Results of Selected Case Studies
4.3.1. Transmission System Case Studies
4.3.2. Distribution System Case Studies
5. Conclusions and Future Work
Author Contributions
Funding
Acknowledgments
Conflicts of Interest
Abbreviations
| AC | Alternation Current | 
| APF | Active Power Filter | 
| BSCFD | Billion Standard Cubic Feet per Day | 
| CSC | Current Source Converter | 
| DC | Direct Current | 
| DFIG | Doubly Fed Induction Generators | 
| DMS | Distribution Management Systems | 
| DR | Demand Response | 
| DVR | Dynamic Voltage Restorer | 
| EMI | Electromagnetic Interference | 
| EMT | Electromagnetic Transient | 
| ESS | Energy Storage System | 
| FACTs | Flexible AC Transmission systems | 
| FQSTS | Fast Quasi-static time-series | 
| FSIG | Fixed Speed Induction Generator | 
| HTF | Harmonic Trap Filter | 
| HVAC | High Voltage Alternating Current | 
| HVDC | High Voltage Direct Current | 
| LCC | Line Commutated Current | 
| PCC | Point of Common Coupling | 
| PCU | Power Conditioning Unit | 
| PLC | Power Line Communication | 
| PMS | Root Mean Square | 
| PMSG | Permanent Magnet Synchronous Generator | 
| PQ | Power Quality | 
| PWM | Pulse Width Modulation | 
| PWM | Pulse Width Modulation | 
| RES | Renewable Energy Systems | 
| RLC | Combination of Resistance/Inductor/Capacitor Circuit | 
| STATCOM | Static Synchronous Compensator | 
| TBFW | Three-Bridge Four Wire Inverter | 
| TDD | Total Demand Distortion | 
| THD | Total Harmonic Distortion | 
| VSC | Voltage Source Converter | 
| WF | Wind Farm | 
| WPP | Wind Power Plant | 
| WTG | Wind Turbine Generator | 
| List of Symbols | |
| subscript refers to compensator | |
| subscript refers to final time | |
| subscript refers to generator | |
| current | |
| subscript refers to inverter capacity | |
| nodal current vector | |
| subscripts refers to counter serial | |
| branch current vector | |
| subscript refers to time sample counter | |
| superscript refers phase a, b, and c | |
| total number of a sample | |
| reactive power | |
| phase angle of a nodal voltage | |
| subscript refers to initial time | |
| apparent power | |
| active power | |
| subscript refers to the width of the time sample | |
| time | |
| voltage magnitude of a nodal voltage | |
| refer to impendent variable in Lagrange’s equation | |
| refers to dependent variable in Lagrange’s equation | |
| branch current impedance matrix | |
References
- Saudi Arabia Report; U.S. Energy Information Administration: Washington, DC, USA, 2013.
 - Maqbool, E.A.; Malik, N.H. Demand response in Saudi Arabia. In Proceedings of the International Conference on Electric Power and Energy Conversion Systems, Sharjah, UAE, 15–17 November 2011; pp. 1–6. [Google Scholar]
 - H1 2020 Earnings Conference Call. Saudi Electricity Company. Available online: https://bit.ly/3l40dj9 (accessed on 20 November 2020).
 - Saudi Vision 2030. 2016. Available online: https://vision2030.gov.sa/en (accessed on 20 November 2020).
 - Yamada, M. Vision 2030 and the Birth of Saudi Solar Energy; Middle East Institute: Washington, DC, USA, 2016. [Google Scholar]
 - The Kingdom of Saudi Arabia National Renewable Energy Program. Ministry of Energy. Available online: https://bit.ly/35fmfet (accessed on 20 November 2020).
 - Saudi Arabia National Renewable Energy Program. Ministry of Energy. Available online: https://bit.ly/2ZbZHrp (accessed on 20 November 2020).
 - Mohamed, M.A.; Eltamaly, A.M.; Alolah, A.I. PSO-based smart grid application for sizing and optimization of hybrid renewable energy systems. PLoS ONE 2016, 11, e0159702. [Google Scholar] [CrossRef]
 - Jabir, M.; Azil Illias, H.; Raza, S.; Mokhlis, H. Intermittent smoothing approaches for wind power output: A review. Energies 2017, 10, 1572. [Google Scholar] [CrossRef]
 - Mohod, S.W.; Aware, M.V. A STATCOM-control scheme for grid connected wind energy system for power quality improvement. IEEE Syst. J. 2010, 4, 346–352. [Google Scholar] [CrossRef]
 - Thiringer, T.; Petru, T.; Liljegren, C. Power quality impact of a sea located hybrid wind park. IEEE Trans. Energy Convers. 2001, 16, 123–127. [Google Scholar] [CrossRef]
 - Chen, Z.; Spooner, E. Grid power quality with variable speed wind turbines. IEEE Trans. Energy Convers. 2001, 16, 148–154. [Google Scholar] [CrossRef]
 - British Standards Institution. BS EN 50160: Voltage Characteristics of Electricity Supplied by Public Distribution Networks; British Standards Institution: London, UK, 2007. [Google Scholar]
 - Ayodele, T.R.; Jimoh, A.; Munda, J.L.; Agee, J.T. Challenges of grid integration of wind power on power system grid integrity: A. review. World 2020, 3, 6. [Google Scholar]
 - International Standard. Measurement and Assessment of Power Quality Characteristics of Grid Connected Wind Turbines; IEC 61400-21; CIE/IEC: Geneva, Switzerland, 2001. [Google Scholar]
 - Nassif, A.B.; Xu, W. Passive harmonic filters for medium-voltage industrial systems: Practical considerations and topology analysis. In Proceedings of the 2007 39th North American Power Symposium, Las Cruces, NM, USA, 30 September–2 October 2007; pp. 301–307. [Google Scholar]
 - Salam, Z.; Tan, P.C.; Jusoh, A. Harmonics mitigation using active power filter: A technological review. Elektr. J. Electr. Eng. 2006, 8, 17–26. [Google Scholar]
 - Das, J. Passive filters-potentialities and limitations. IEEE Trans. Ind. Appl. 2004, 40, 232–241. [Google Scholar] [CrossRef]
 - Orchi, T.F.; Hossain, M.J.; Pota, H.R.; Rahman, M.S. Voltage stability and power quality issues of wind farm with series compensation. In Proceedings of the 2013 IEEE Electrical Power & Energy Conference, Vancouver, BC, Canada, 21–25 July 2013; pp. 1–6. [Google Scholar]
 - Dolan, D.S.; Lehn, P.W. Simulation model of wind turbine 3p torque oscillations due to wind shear and tower shadow. IEEE Trans. Energy Convers. 2006, 21, 717–724. [Google Scholar] [CrossRef]
 - Preciado, V.; Madrigal, M.; Muljadi, E.; Gevorgian, V. Harmonics in a wind power plant. In Proceedings of the 2015 IEEE Power & Energy Society General Meeting, Denver, CO, USA, 26–30 July 2015; pp. 1–5. [Google Scholar]
 - Mohod, S.W.; Aware, M.V. Power quality issues and its improvement in wind energy generation interface to grid system. MIT Int. J. Electr. Instrum. Eng. 2011, 1, 116–122. [Google Scholar]
 - Wessels, C.; Fuchs, F.W. Concept and Performance of Voltage Swell Mitigation in Wind Farms with FACTS; Center of Excellence for Wind Energy: Schleswig Holstein, Germany, 2009; Volume 16, p. 2009. [Google Scholar]
 - Shafiullah, G.M.; Oo, A.M.; Ali, A.B.; Stojcevski, A. Influences of wind energy integration into the distribution network. J. Wind Energy 2013, 2013, 1–21. [Google Scholar] [CrossRef]
 - Dugan, R.C.; Mc Granaghan, M.F.; Santoso, S.; Beaty, H.W. Electric Power Systems Quality; McGraw-Hill: New York, NY, USA, 2004. [Google Scholar]
 - Bollen, M.H. What is power quality? Electr. Power Syst. Res. 2003, 66, 5–14. [Google Scholar] [CrossRef]
 - Muljadi, E.; Butterfield, C.P.; Chacon, J.; Romanowitz, H. Power quality aspects in a wind power plant. In Proceedings of the 2006 IEEE Power Engineering Society General Meeting, Montreal, QC, Canada, 18–22 June 2006; p. 8. [Google Scholar]
 - Langella, R.; Testa, A.; Alii, E. IEEE Recommended Practice and Requirements for Harmonic Control in Electric Power Systems; IEEE: New York, NY, USA, 2014. [Google Scholar]
 - Ellis, A.; Muljadi, E.; Sanchez-Gasca, J.; Kazachkov, Y. Generic models for simulation of wind power plants in bulk system planning studies. In Proceedings of the 2011 IEEE Power and Energy Society General Meeting, Detroit, MI, USA, 24–28 July 2011; pp. 1–8. [Google Scholar]
 - Bollen, M.H.; Yao, L.; Rönnberg, S.K.; Wahlberg, M. Harmonic and interharmonic distortion due to a windpark. In Proceedings of the IEEE PES General Meeting, Minneapolis, MN, USA, 25–29 July 2010; pp. 1–6. [Google Scholar]
 - Badrzadeh, B.; Gupta, M.; Singh, N.; Petersson, A.; Max, L.; Høgdahl, M. Power system harmonic analysis in wind power plants—Part I: Study methodology and techniques. In Proceedings of the 2012 IEEE Industry Applications Society Annual Meeting, Las Vegas, NV, USA, 7–11 October 2012; pp. 1–11. [Google Scholar]
 - Yıldız, C.; Keçecioğlu, Ö.F.; Açıkgöz, H.; Gani, A.; Şekkeli, M. Power quality measurement and evaluation of a wind farm connected to distribution grid. Procedia Soc. Behav. Sci. 2015, 195, 2370–2375. [Google Scholar] [CrossRef]
 - Wessels, C.; Gebhardt, F.; Fuchs, F.W. Dynamic voltage restorer to allow LVRT for a DFIG wind turbine. In Proceedings of the 2010 IEEE International Symposium on Industrial Electronics, Bari, Italy, 4–7 July 2010; pp. 803–808. [Google Scholar]
 - Díaz González, F.; Martínez Rojas, M.; Sumper, A.; Gomis Bellmunt, O. Strategies for reactive power control in wind farms with STATCOM. In Proceedings of the EPE Wind Energy Chapter Symposium, Stafford, UK, 15–16 April 2010; pp. 1–10. [Google Scholar]
 - Tascikaraoglu, A.; Uzunoglu, M.; Vural, B.; Erdinc, O. Power quality assessment of wind turbines and comparison with conventional legal regulations: A case study in Turkey. Appl. Energy 2011, 88, 1864–1872, 2011. [Google Scholar] [CrossRef]
 - Shyam, B.; Raj, A.B.; Thomas, P.C. A novel Wind Energy Conversion System with power quality improvement features. In Proceedings of the ISGT2011-India, Bangalore, India, 1–3 December 2011; pp. 84–88. [Google Scholar]
 - Ali, M.H. Wind Energy Systems: Solutions for Power Quality and Stabilization; CRC Press: Boca Raton, FL, USA, 2012. [Google Scholar]
 - Aly, M.M.; Abdel-Akher, M.; Said, S.M.; Senjyu, T. A developed control strategy for mitigating wind power generation transients using superconducting magnetic energy storage with reactive power support. Int. J. Electr. Power Energy Syst. 2016, 83, 485–494. [Google Scholar] [CrossRef]
 - Carrasco, J.M.; Franquelo, L.G.; Bialasiewicz, J.T.; Galván, E.; PortilloGuisado, R.C.; Prats, M.M.; León, J.I.; Moreno-Alfonso, N. Power-electronic systems for the grid integration of renewable energy sources: A survey. IEEE Trans. Ind. Electron. 2006, 53, 1002–1016. [Google Scholar] [CrossRef]
 - Aly, M.M.; Abdel-Akher, M.; Ziadi, Z.; Senjyu, T. Assessment of reactive power contribution of photovoltaic energy systems on voltage profile and stability of distribution systems. Int. J. Electr. Power Energy Syst. 2014, 61, 665–672. [Google Scholar] [CrossRef]
 - Abdel-Warth, M.A.; Abdel-Akher, M.; Aly, M.M. Quasi-Static Time-Series Simulation of Congested Power Systems with Wind Power Plant. In Proceedings of the 17th International Middle-East Power System Conference MEPCON’2015, Al Mansoura, Egypt, 15–17 December 2015. [Google Scholar]
 - Abdel-Warth, M.; Abdel-Akher, M.; Aly, M.M.; Eid, A. Quasi-Static Time-Series Analysis of Congested Transmission Networks with Intermittent Wind Power Penetration. Int. Rev. Electr. Eng. (IREE) 2017, 12, 237–249. [Google Scholar] [CrossRef]
 - Abdel-Warth, M.A.; Abdel-Akher, M.; Eid, A.; Aly, M.M. Deployment and control of PHEVs in electrical power systems with wind power penetration. In Proceedings of the Power Systems Conference (MEPCON), 2016 Eighteenth International Middle East, Cairo, Egypt, 27–29 December 2016; pp. 735–740. [Google Scholar]
 - Abdel-Akher, M.; Selim, A.; Aly, M.M. Initialised load-flow analysis based on Lagrange polynomial approximation for efficient quasi-static time-series simulation. IET Gener. Transm. Distrib. 2015, 9, 2768–2774. [Google Scholar] [CrossRef]
 - Chapra, S.C.; Canale, R.P. Numerical Methods for Engineers; McGraw-Hill: New York, NY, USA, 2012. [Google Scholar]
 - Selim, A.; Abdel-Akher, M.; Kamel, S.; Aly, M.M. A Developed Approach Based on Lagrange Linear Prediction for Time-series Power-flow Simulation. Electr. Power Compon. Syst. 2018, 46, 1312–1320. [Google Scholar] [CrossRef]
 - Selim, A.; Abdel-Akher, M.; Aly, M.M.; Kamel, S.; Senjyu, T. Fast quasi-static time-series analysis and reactive power control of unbalanced distribution systems. Int. Trans. Electr. Energy Syst. 2019, 29, e2673. [Google Scholar] [CrossRef]
 - Abdel-Akher, M. Voltage stability analysis of unbalanced distribution systems using backward/forward sweep load-flow analysis method with secant predictor. IET Gener. Transm. Distrib. 2013, 7, 309–317. [Google Scholar] [CrossRef]
 - Selim, A.; Abdel-Akher, M.; Aly, M.M. Plug-in hybrid electric vehicles aggregation and real-time active power control simulation analysis in distribution systems. In Proceedings of the Power Systems Conference (MEPCON), 2016 Eighteenth International Middle East, Cairo, Egypt, 27–29 December 2016; pp. 723–728. [Google Scholar]
 - Selim, A.; Abdel-Akher, M.; Aly, M.M.; Kamel, S. Efficient time series simulation of distribution systems with voltage regulation and PV penetration. In Proceedings of the Power Systems Conference (MEPCON), 2016 Eighteenth International Middle East, Cairo, Egypt, 27–29 December 2016; pp. 717–722. [Google Scholar]
 - Abdel-Akher, M.; Mahmoud, K. Unbalanced distribution power-flow model and analysis of wind turbine generating systems. Int. Trans. Electr. Energy Syst. 2013, 23, 689–700. [Google Scholar] [CrossRef]
 - Aly, M.M.; Abdel-Akher, M. A robust quasi-direct continuous power-flow analysis using two-bus equivalents for voltage stability analysis of radial distribution systems. Electr. Eng. 2018, 100, 47–57. [Google Scholar] [CrossRef]
 - Aly, M.M.; Abdelkarim, E.; Abdel-Akher, M. Mitigation of photovoltaic power generation fluctuations using plug-in hybrid electric vehicles storage batteries. Int. Trans. Electr. Energy Syst. 2015, 25, 3720–3737. [Google Scholar] [CrossRef]
 - Kersting, W.H. Radial distribution test feeders. In Proceedings of the Power Engineering Society Winter Meeting, Columbus, OH, USA, 28 January–1 February 2001; Volume 2, pp. 908–912. [Google Scholar]
 - Faruqui, A.; Hledik, R.; Wikler, G.; Ghosh, D.; Prijyanonda, J.; Dayal, N. Bringing Demand-Side Management to the Kingdom of Saudi Arabia; The Brattle Group: Boston, MA, USA, 2011. [Google Scholar]
 - Power Flow Test Cases. Available online: https://labs.ece.uw.edu/pstca/ (accessed on 3 December 2020).
 - Cheng, W.; Cheng, R.; Shi, J.; Zhang, C.; Sun, G.; Hua, D. Interval Power Flow Analysis Considering Interval Output of Wind Farms through Affine Arithmetic and Optimizing-Scenarios Method. Energies 2018, 11, 3176. [Google Scholar] [CrossRef]
 
















Publisher’s Note: MDPI stays neutral with regard to jurisdictional claims in published maps and institutional affiliations.  | 
© 2020 by the authors. Licensee MDPI, Basel, Switzerland. This article is an open access article distributed under the terms and conditions of the Creative Commons Attribution (CC BY) license (http://creativecommons.org/licenses/by/4.0/).
Share and Cite
Almohaimeed, S.A.; Abdel-Akher, M. Power Quality Issues and Mitigation for Electric Grids with Wind Power Penetration. Appl. Sci. 2020, 10, 8852. https://doi.org/10.3390/app10248852
Almohaimeed SA, Abdel-Akher M. Power Quality Issues and Mitigation for Electric Grids with Wind Power Penetration. Applied Sciences. 2020; 10(24):8852. https://doi.org/10.3390/app10248852
Chicago/Turabian StyleAlmohaimeed, Sulaiman A., and Mamdouh Abdel-Akher. 2020. "Power Quality Issues and Mitigation for Electric Grids with Wind Power Penetration" Applied Sciences 10, no. 24: 8852. https://doi.org/10.3390/app10248852
APA StyleAlmohaimeed, S. A., & Abdel-Akher, M. (2020). Power Quality Issues and Mitigation for Electric Grids with Wind Power Penetration. Applied Sciences, 10(24), 8852. https://doi.org/10.3390/app10248852
        
