Application of Multiple Unipolar Axial Eddy Current Brakes for Lightweight Electric Vehicle Braking
Abstract
1. Introduction
2. Literature Review
3. Modeling and Methods
3.1. Developed Model
3.2. Governing Equations
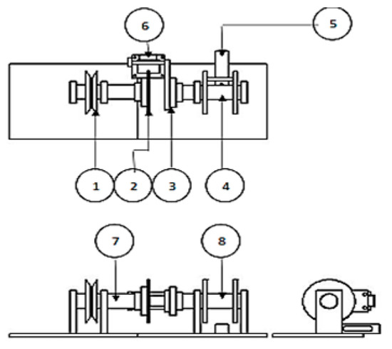
4. Experimental Validation
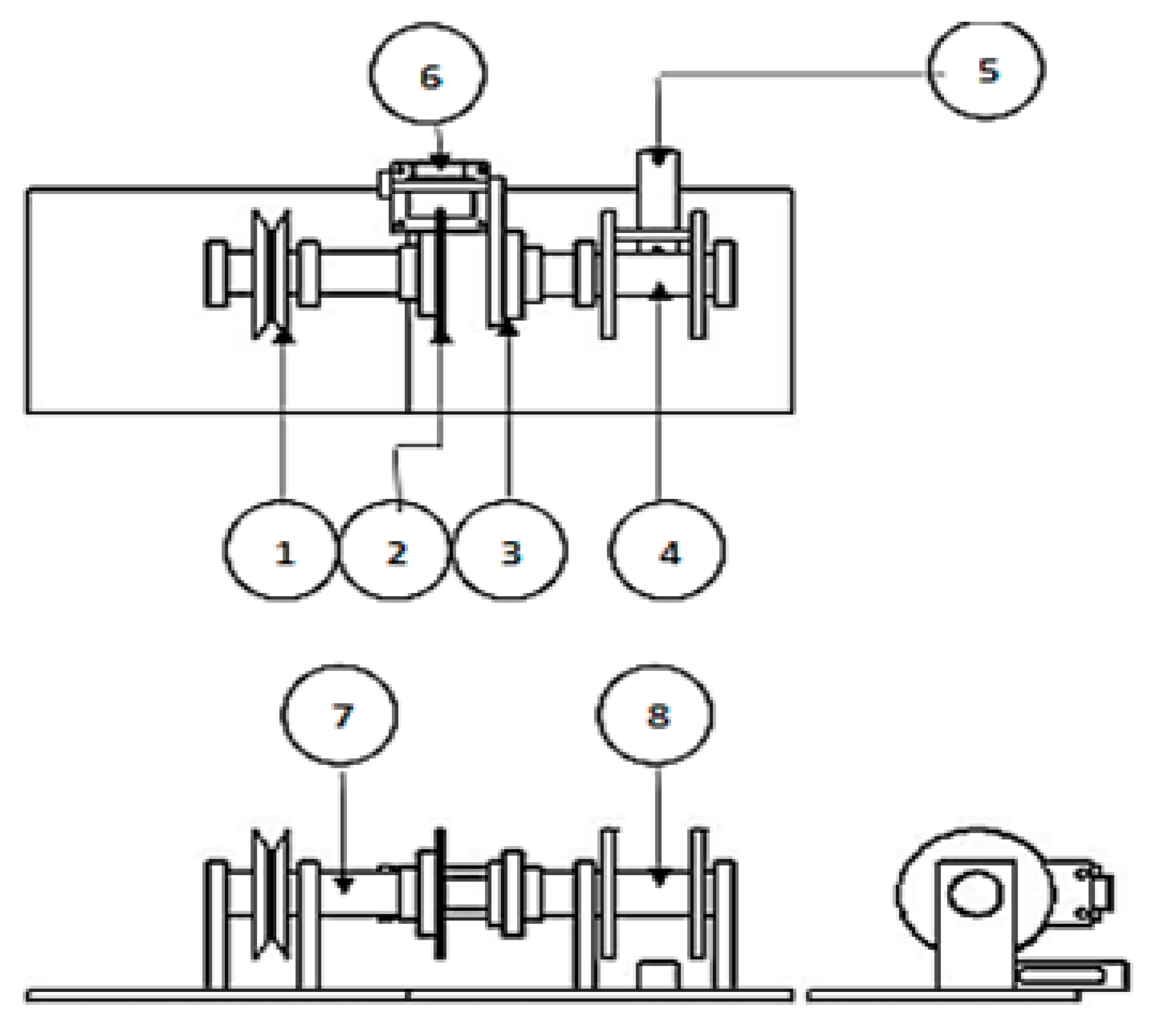
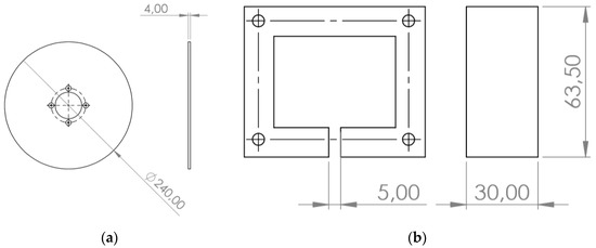
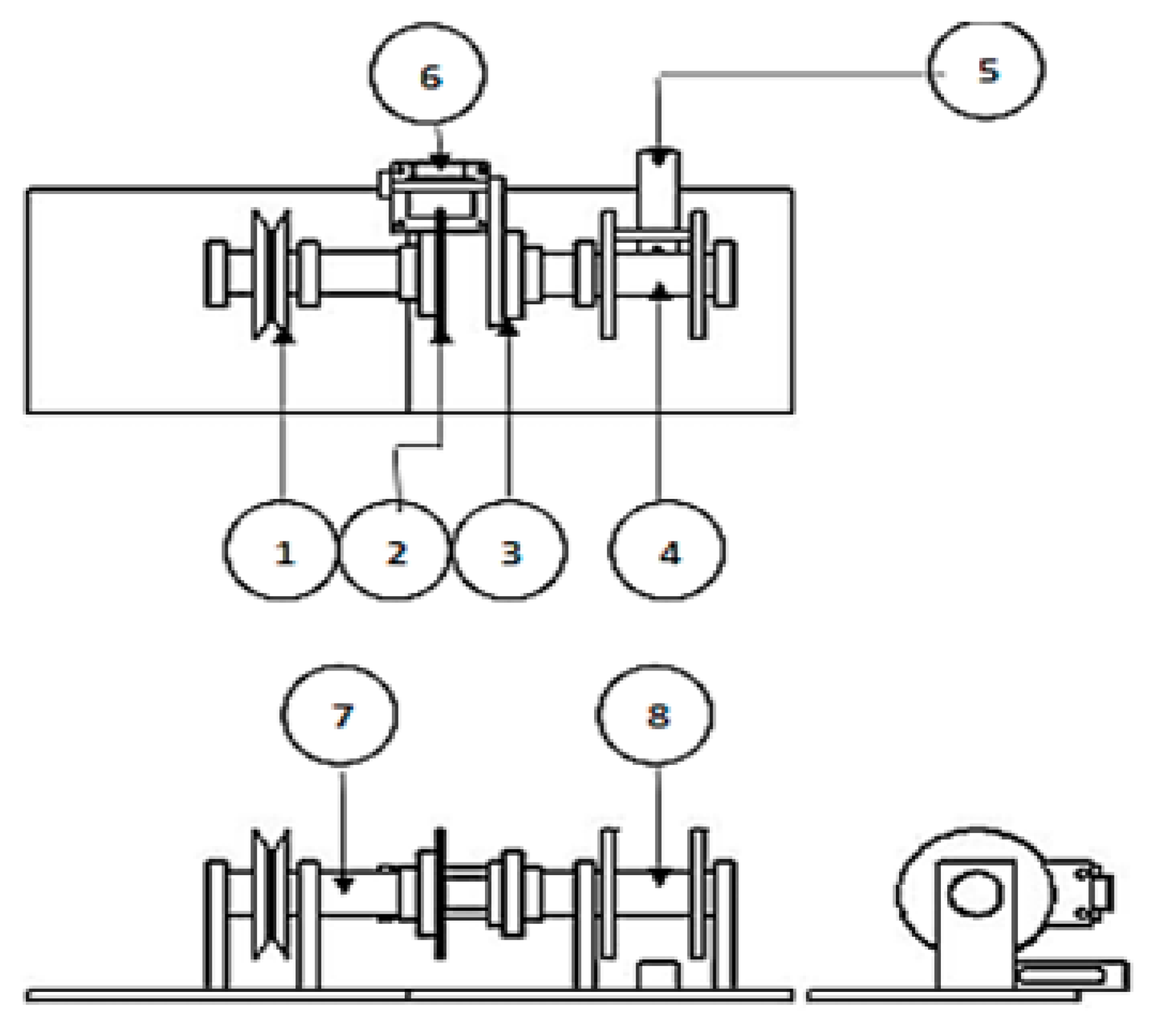
4.1. Configuration of the Test Bed
4.2. Results of Experimental Test
4.2.1. Results of Experiments
4.2.2. Comparison of Experimental Data and Numerical Calculation
5. Calculation Results and Discussion
5.1. Corelation of Braking Torque and Rotation Speed
5.2. Increase in Magnetic Field
6. Conclusions
Author Contributions
Funding
Acknowledgments
Conflicts of Interest
References
- Bae, J.N.; Kim, Y.E.; Son, Y.W.; Moon, H.S.; Yoo, C.H.; Lee, J. Self-Excited Induction Generator as an Auxiliary Brake for Heavy Vehicles and Its Analog Controller. IEEE Trans. Ind. Electron. 2014, 62, 3091–3100. [Google Scholar] [CrossRef]
- Cho, S.; Jeong, T.; Bae, J.; Yoo, C.; Lee, J. Analysis and Performance of the Self Excited Eddy Current Brake. J. Electr. Eng. Technol. 2017, 12, 459–465. [Google Scholar] [CrossRef][Green Version]
- Zou, N.; Wang, Q.; Wang, W.; Zeng, X. Simulation Study of CVT Ratio Control for Engine Braking. In Proceedings of the 2009 International Conference on Measuring Technology and Mechatronics Automation, Zhangjiajie, China, 11–12 April 2009; IEEE: Piscataway, NJ, USA, 2009; pp. 367–370. [Google Scholar] [CrossRef]
- Nizam, M.; Mohamed, A.; Hussain, A. Dynamic voltage collapse prediction on a practical power system using power transfer stability index. In Proceedings of the 2007 5th Student Conference on Research and Development, SCORED, Selangor, Malaysia, 11–12 December 2007; p. 5. [Google Scholar] [CrossRef]
- Sutopo, W.; Astuti, R.W.; Purwanto, A.; Nizam, M. Commercialization model of new technology lithium ion battery: A case study for smart electrical vehicle. In Proceedings of the 2013 Joint International Conference on Rural Information and Communication Technology and Electric-Vehicle Technology, rICT and ICEV-T, Bandung, Indonesia, 26–28 November 2013. [Google Scholar] [CrossRef]
- Choi, J.Y.; Shin, H.J.; Jang, S.M.; Lee, S.H. Torque Analysis and Measurements of Cylindrical Air-Gap Synchronous Permanent Magnet Couplings Based on Analytical Magnetic Field Calculations. IEEE Trans. Magn. 2013, 49, 3921–3924. [Google Scholar] [CrossRef]
- Day, A.J.; Newcomb, T.P. Dissipation of Frictional Energy from the Interface of an Annular Disc Brake. Proc. Inst. Mech. Eng. Part D Transp. Eng. 1984, 198, 201–209. [Google Scholar] [CrossRef]
- Edwards, J.D.; Jayawant, B.V.; Dawson, W.R.C.; Wright, D.T. Permanent-Magnet Linear Eddy-Current Brake with a Non-Magnetic Reaction Plate. IEE Proc. Electr. Power Appl. 1999, 146, 627. [Google Scholar] [CrossRef]
- Yazdanpanah, R.; Mirsalim, M. Design of Robust Speed and Slip Controllers for a Hybrid Electromagnetic Brake System. IET Electr. Power Appl. 2015, 9, 307–318. [Google Scholar] [CrossRef]
- Gulbahce, M.O.; Kocabas, D.A.; Nayman, F. Investigation of the Effect of Pole Shape on Braking Torque for a Low Power Eddy Current Brake by Finite Elements Method. In Proceedings of the 2013 8th International Conference on Electrical and Electronics Engineering (ELECO), Bursa, Turkey, 28–30 November 2013; IEEE: Piscataway, NJ, USA, 2013; pp. 263–267. [Google Scholar] [CrossRef]
- Jang, S.-M.; Lee, S.-H. Comparison of Three Types of Permanent Magnet Linear Eddy-Current Brakes According to Magnetization Pattern. IEEE Trans. Magn. 2003, 39, 3004–3006. [Google Scholar] [CrossRef]
- Jee, I.H.; Nahm, S.Y.; Kang, S.J.; Ryu, K.S. A Magnetic Brake for Small Wind Turbines. J. Magn. 2012, 17, 33–35. [Google Scholar] [CrossRef][Green Version]
- Karakoc, K.; Suleman, A.; Park, E.J. Analytical Modeling of Eddy Current Brakes with the Application of Time Varying Magnetic Fields. Appl. Math. Model. 2016, 40, 1168–1179. [Google Scholar] [CrossRef]
- Kim, Y.S.; Choi, Y.H.; Lee, J.M.; Noh, J.S.; Kim, J.J.; Bien, F. Fabrication of a Novel Contactless Switch Using Eddy Current Displacement Sensor for Safer Vehicle Brake System. IEEE Trans. Veh. Technol. 2011, 60, 1485–1495. [Google Scholar]
- Li, P.; Ma, J.; Fang, Y. Design and Analysis of Hybrid Excitation Rail Eddy Current Brake System of High-Speed Train. In Proceedings of the 2011 IEEE International Conference on Service Operations, Logistics and Informatics, Beijing, China, 10–12 July 2011; IEEE: Piscataway, NJ, USA, 2011. [Google Scholar]
- Obara, T.; Kumagai, N.; Takiguchi, T. Development of Hybrid Rail Brake. Proc. Inst. Mech. Eng. Part F J. Rail Rapid Transit 1995, 209, 61–65. [Google Scholar] [CrossRef]
- Ma, J.E.; Zhang, B.; Huang, X.Y.; Fang, Y.T.; Cao, W.P. Design and Analysis of the Hybrid Excitation Rail Eddy Brake System of High-Speed Trains. J. Zhejiang Univ. Sci. A 2011, 12, 936–944. [Google Scholar] [CrossRef]
- Ryoo, H.J.; Kim, J.S.; Kang, D.H.; Rim, G.H.; Kim, Y.J.; Won, C.Y. Design and Analysis of an Eddy Current Brake for a High-Speed Railway Train with Constant Torque Control; IEEE: Piscataway, NJ, USA, 2000. [Google Scholar]
- Rodrigues, O.; Taskar, O.; Sawardekar, S.; Clemente, H.; Dalvi, G. Design & Fabrication of Eddy Current Braking System. Int. Res. J. Eng. Technol. 2016, 3, 809–815. [Google Scholar]
- Sharif, S.; Faiz, J.; Sharif, K. Performance Analysis of a Cylindrical Eddy Current Brake. IET Electr. Power Appl. 2012, 6, 661. [Google Scholar] [CrossRef]
- Sharif, S.; Sharif, K. Influence of Skin Effect on Torque of Cylindrical Eddy Current Brake. In Proceedings of the 2009 International Conference on Power Engineering, Energy and Electrical Drives, Lisbon, Portugal, 18–20 March 2009; IEEE: Lisbon, Portugal, 2009; pp. 535–539. [Google Scholar] [CrossRef]
- Schieber, D. Unipolar Induction Braking of Thin Metal Sheets. Proc. Inst. Electr. Eng. 1972, 119, 1499. [Google Scholar] [CrossRef]
- Singh, A. Theory of Eddy-Current Brakes with Thick Rotating Disc. Proc. Inst. Electr. Eng. 1977, 124, 373. [Google Scholar] [CrossRef]
- Zhou, S.; Yu, H.; Hu, M.; Huang, L. Design of Permanent Magnet Eddy Current Brake for a Small Scaled Electromagnetic Launch Model. J. Appl. Phys. 2012, 111, 07A738. [Google Scholar] [CrossRef]
- Kim, J.S.; Kim, S.M.; Jeong, J.H.; Jeong, S.C.; Lee, J.W. Effect of Regenerative Braking Energy on Battery Current Balance in a Parallel Hybrid Gasoline-Electric Vehicle under FTP-75 Driving Mode. Int. J. Automot. Technol. 2016, 17, 865–872. [Google Scholar] [CrossRef]
- Luo, L.; Zhai, Q.; Li, W.; Qian, C.; Liu, H. Research on an Integrated Electromagnetic Auxiliary Disc Brake Device for Motor Vehicle. IEEJ Trans. Electr. Electron. Eng. 2017, 12, 434–439. [Google Scholar] [CrossRef]
- Luo, N.; Jiang, J.; Yu, A. Research on the Control Strategy of the Regenerative Braking System. In Proceedings of the 2014 International Conference on Mechatronics and Control (ICMC), Jinzhou, China, 3–5 July 2014; IEEE: Piscataway, NJ, USA, 2014; pp. 2514–2517. [Google Scholar] [CrossRef]
- Meier, S.; Hahn, I. Modeling Single and Double Stator Axial Eddy Current Brakes Considering Current Displacement, Magnetic Leakage, Fringing and Saturation Using Coupled Electric and Magnetic Equivalent Circuits. In Proceedings of the IECON Proceedings (Industrial Electronics Conference), Dallas, TX, USA, 29 October–1 November 2014; IEEE: Piscataway, NJ, USA, 2014; pp. 736–742. [Google Scholar] [CrossRef]
- Shiau, J.K.; Ma, D.M.; Jou, M. Analysis and Experiments of Eddy Current Brakes with Moving Magnets. In Materials Science Forum; Trans Tech Publications Ltd.: Bäch SZ, Switzerland, 2008; Volume 575. [Google Scholar]
- Singh, A.K.; Ibraheem. Model Development of Eddy Current Brakes for Energy Absorbing System. In Proceedings of the 2015 International Conference on Recent Developments in Control, Automation and Power Engineering (RDCAPE), Noida, India, 12–13 March 2015. [Google Scholar]
- Smythe, W.R. On Eddy Currents in a Rotating Disk. Electr. Eng. 1942, 61, 681–684. [Google Scholar] [CrossRef]
- Waloyo, H.T.; Nizam, M.; Putra, M.R.A. Characterization of Pole Location on Unipolar Axial Eddy Current Brake. In Proceedings of the 2019 6th International Conference on Electric Vehicular Technology (ICEVT), Bali, Indonesia, 18–21 November 2019; IEEE: Piscataway, NJ, USA, 2019; pp. 143–145. [Google Scholar] [CrossRef]
- Waloyo, H.T.; Ubaidillah, U.; Tjahjana, D.D.D.P.; Nizam, M.; Koga, T. Mini Review on the Design of Axial Type Eddy Current Braking Technology. Int. J. Power Electron. Drive Syst. 2019, 10, 2198. [Google Scholar] [CrossRef]
- Yazdanpanah, R.; Mojtaba, M. Axial-Flux Wound-Excitation Eddy-Current Brakes: Analytical Study and Parametric Modeling. IEEE Trans. Magn. 2014, 50, 1–10. [Google Scholar] [CrossRef]
- Yazdanpanah, R.; Mirsalim, M. Hybrid Electromagnetic Brakes: Design and Performance Evaluation. IEEE Trans. Energy Convers. 2015, 30, 60–69. [Google Scholar] [CrossRef]
- Jin, Y.; Kou, B.; Zhang, L.; Zhang, H.; Zhang, H. Magnetic and Thermal Analysis of a Halbach Permanent Magnet Eddy Current Brake. In Proceedings of the 19th International Conference on Electrical Machines and Systems (ICEMS), Chiba, Japan, 13–16 November 2016. [Google Scholar]













| Variable | Unit | Value |
|---|---|---|
| Pole shoe length | mm | 30 |
| Pole shoe width | mm | 12.5 |
| The total length of the coil core | mm | 248 |
| Distance of pole shoe to disk center | mm | 83.5 |
| Air gap | mm | 0.5 |
| Disk thickness | mm | 4 |
| Relative permeability of aluminum | - | 1.000022 |
| Relative permeability of steel | - | 400 |
| Conductivity of aluminum | Ωm | 2.06 × 10−7 |
| Parameters | Unit | Values |
|---|---|---|
| Number of coil winding | - | 360, 540, 720 |
| Number of magnet | - | 1, 2, 4 |
| Electrical current | A | 20, 25, 30, 35, 40 |
| Variable | Unit | Value |
|---|---|---|
| Electrical current | A | 20 |
| Number of coil windings | - | 360 |
| Number of magnet | - | 1 |
| Rotation Speed (rpm) | Torque (Nm) | Error Difference % | |
|---|---|---|---|
| Experiment | FEM | ||
| 150 | 7.3 | 6.97 | 4.52 |
| 300 | 10.3 | 10.92 | 6.01 |
| 450 | 11.5 | 12.03 | 4.6 |
| 600 | 12 | 11.67 | 2.75 |
| 750 | 11.2 | 10.69 | 4.5 |
| Average error (%) | 4.476 | ||
© 2020 by the authors. Licensee MDPI, Basel, Switzerland. This article is an open access article distributed under the terms and conditions of the Creative Commons Attribution (CC BY) license (http://creativecommons.org/licenses/by/4.0/).
Share and Cite
Putra, M.R.A.; Nizam, M.; Tjahjana, D.D.D.P.; Aziz, M.; Prabowo, A.R. Application of Multiple Unipolar Axial Eddy Current Brakes for Lightweight Electric Vehicle Braking. Appl. Sci. 2020, 10, 4659. https://doi.org/10.3390/app10134659
Putra MRA, Nizam M, Tjahjana DDDP, Aziz M, Prabowo AR. Application of Multiple Unipolar Axial Eddy Current Brakes for Lightweight Electric Vehicle Braking. Applied Sciences. 2020; 10(13):4659. https://doi.org/10.3390/app10134659
Chicago/Turabian StylePutra, Mufti Reza Aulia, Muhammad Nizam, Dominicus Danardono Dwi Prija Tjahjana, Muhammad Aziz, and Aditya Rio Prabowo. 2020. "Application of Multiple Unipolar Axial Eddy Current Brakes for Lightweight Electric Vehicle Braking" Applied Sciences 10, no. 13: 4659. https://doi.org/10.3390/app10134659
APA StylePutra, M. R. A., Nizam, M., Tjahjana, D. D. D. P., Aziz, M., & Prabowo, A. R. (2020). Application of Multiple Unipolar Axial Eddy Current Brakes for Lightweight Electric Vehicle Braking. Applied Sciences, 10(13), 4659. https://doi.org/10.3390/app10134659

