Next Article in Journal
Central Heating Cost Optimization for Smart-Homes with Fuzzy Logic and a Multi-Agent Architecture
Previous Article in Journal
Assessment of Mechanical Properties of Corroded Prestressing Strands
 
 
Font Type:
Arial Georgia Verdana
Font Size:
Aa Aa Aa
Line Spacing:
Column Width:
Background:
Article

Moment-Curvature Behavior of PP-ECC Bridge Piers under Reversed Cyclic Lateral Loading: An Experimental Study

1
Faculty of Civil Engineering and Mechanics, Kunming University of Science and Technology, Kunming 650500, China
2
Earthquake Engineering Research Center of Yunnan, Kunming 650500, China
3
Department of Building Materials, School of Civil Engineering, Southwest Jiaotong University, Chengdu 610031, China
4
Department of Civil and Environmental Engineering, Washington State University, Pullman, WA 99164, USA
*
Authors to whom correspondence should be addressed.
Appl. Sci. 2020, 10(12), 4056; https://doi.org/10.3390/app10124056
Submission received: 17 April 2020 / Revised: 3 June 2020 / Accepted: 8 June 2020 / Published: 12 June 2020

Abstract

In the study, the moment–curvature relations of bridge piers constructed with polypropylene-fiber-reinforced engineered cementitious composite (PP-ECC) and reinforced concrete (RC) at the potential plastic hinge regions were performed experimentally. The bridge pier specimens were subjected to a combination of constant axial vertical loading and reversed cyclic lateral loading. The test variables include the reinforcement stirrup ratio, axial compression ratio, and height of the PP-ECC regions. Strain gauges were installed at the plastic hinge regions to determine the curvature. PP-ECC and RC bridge piers presented similar shapes of moment–curvature hysteretic curve. Regardless of the concrete type for the pier, the maximum moment and curvature were located near the bottom of the pier, which was consistent with the observed failure patterns. As greater peak moments and larger areas of hysteretic curves were observed for PP-ECC piers, this indicated that the use of PP-ECC at the potential plastic hinge regions significantly improved the deformation capacity and damage tolerance of bridge piers. Regarding the design variables, it was found that the axial loading ratio has a negative effect on enhancing the rotation capacity and plastic deformability, while the height of the PP-ECC portion and the amount of reinforcement stirrups displayed the opposite trend. Moreover, the contribution of stirrups in PP-ECC piers was more significant than that of RC ones.

1. Introduction

Concrete bridges are expected to present excellent seismic performance to assure serviceability and safety [1]. The collapse of concrete bridges is mainly attributed to insufficient lateral deformability, ductility, toughness, and energy dissipation of bridge piers [2]. There are several methods to enhance the deformability and ductility without a significant reduction in the strength of bridge piers. The plastic hinge region of bridge beams and piers have been noted as the weak points and more likely damage locations under impact or earthquake loadings. This is because of the damage accumulation during seismic loadings, eventually leading to the collapse of the whole structure. Increasing the amount of reinforcement stirrups and modifying the form of stirrups in the plastic hinge region are possible approaches, however, the performance enhancement is limited [3,4].
The confinement at the plastic hinge region is one effective way to strengthen and repair bridge piers. Many confinement materials such as steel tube [5], fiber-reinforced polymer (FRP, [6]), engineered cementitious composites (ECC, [7]) and ultra-high-performance concrete (UHPC, [8]) have been explored to provide external constraints. However, it is difficult to repair the reinforced concrete bridges if containing buckled and fractured reinforcement after earthquake exposure [9]. Many other efforts have been made to utilize the superior tensile strength and ductility advanced concretes for segmentally constructed bridge piers. Concretes such as ECC and UHPC are chosen for the plastic hinge region to provide better seismic resistance [10,11,12]. Besides, the design and installment of reinforcement bars can be simplified with these advanced materials. A combination of two or more of the above technologies can better improve the seismic performance of bridge columns [13,14,15,16].
ECC features remarkable higher uniaxial tensile strength as well as tensile strain capacity in the range of 3–5%, compared to 0.01% for ordinary concrete. The excellent tensile characteristics of ECC are attributable to the unique multi-cracking mechanism. With the well-dispersed microfibers in ECC, many evenly spaced microcracks are created under uniaxial tension, rather than a few large macrocracks for ordinary concrete [17]. The composition of ECC is custom-tailored through micromechanics design; only fine particles are used in the mixture to achieve a very dense microstructure. At early developments, polyethylene (PE) and oiled polyvinyl alcohol (PVA) fibers were the two most commonly used polymer fibers for ECC. The initially used high-modulus PE fiber used by Li [18] was very expensive, so that greatly increases the cost. The oiled PVA fiber was approximately 1/8 that of high-modulus PE fiber, but the cost was still very high, compared to ordinary concrete [19]. Later on, many other types of polymer fibers, such as polypropylene (PP) and hydrophilic PVA (HPVA) fibers, were used to make ECC more cost-effective [20].
In this study, domestic PP fiber was used to produce cost-effective ECC. Such a product is called a polypropylene fiber-reinforced engineered cementitious composite (PP-ECC). PP-ECC has been a competent construction material in seismic regions. Previous studies have demonstrated that PP-ECC for beam-column joint connections, columns, beams, and shear walls have significant enhancements of the mechanical performance [21,22,23,24]. Li et al. [25] observed that PP-ECC concrete cylinders exhibited greater compressive strength and better deformability than pure concrete ones. Zhang et al. [21,26] found that PP-ECC was effective in replacing transverse reinforcements, providing sufficient shear strength, and dissipating more seismic energy. Yaw and Han [27] concluded that PP-ECC exhibited enhanced strength and energy dissipation capacity when subjected to reverse cyclic loading. The use of PP-ECC jacket at the plastic hinge region of the bridge column was beneficial to bearing greater plastic deformation and dissipating more seismic energy [28]. Thus, the structural performance of bridge piers with partial PP-ECC reinforcement at the plastic hinge region should be evaluated, especially after significant seismic exposure.
This work aims to evaluate the effect of a sustainable PP-ECC product on the seismic performance of bridge piers, compare to conventional reinforced concrete (RC) ones. A total of eight specimens (two RC and six PP-ECC) are subjected to a combination of constant axial loading and reversed cyclic lateral loading. The reinforcement stirrup ratio, axial compression ratio, and height of the PP-ECC at plastic hinge region are considered factors to better understand their influences on the seismic performance of bridge piers. In a related study, the lateral load-displacement hysteretic curves, loading resistance capacity, ductility, stiffness degradation, energy dissipation, and equivalent viscous damping ratio have been studied [29]. As continued in this study, the observed phenomena, moment–curvature relationships, and reinforcement behaviors during the test are analyzed and reported.

2. Experimental Program and Setup

2.1. Material Properties of Concrete Mixtures

Table 1 summarizes the physical and mechanical properties of polypropylene (PP) fibers. The mixture proportion of PP-ECC used in this study was from a series of trial mixture design, as shown in Table 2 [30]. Ordinary Portland cement, water, fly ash, water reducer, and 2% volume fraction of PP fibers were used to produce PP-ECC. The fly ash accounts for 35% by mass in the cementitious materials. The use of locally available ingredients was significantly beneficial to reducing costs and improving sustainability in the applications of PP-ECC.
Compression tests were performed on 150 mm cubic specimens after 28 days of standard curing. The compressive strengths of RC and PP-ECC were determined to be 27.2 ± 0.6 MPa and 28.6 ± 0.8, respectively. Notably, the elastic moduli of RC and PP-ECC were quite different, 28.5 ± 0.26 GPa and 15.7 ± 0.22 GPa, respectively. The significant difference in elastic modulus is possibly attributed to the fundamental design in the mix proportion of PP-ECC and RC. The elimination of coarse aggregate in ECC usually results in a lower elastic modulus [30].
To investigate the most important tensile properties of PP-ECC, the uniaxial tensile tests were carried out on dog-boned plate specimens. The specimens had similar dimensions to those developed by the Tokyo Institute of Technology research team [21]. Figure 1 shows typical uniaxial tensile stress–strain curves of PP-ECC. All specimens exhibited extremely excellent strain-hardening characteristics after the first crack, and multiple distributed fine-cracks presented after failure. The yield strength of PP-ECC appeared when the first micro-crack formed, at approximately 2.7 MPa for the mixture used in the study. The tensile ultimate strength was defined as the maximum stress point in the uniaxial tensile stress–strain curve. The tensile ultimate strain was defined as when a localized cracking gradually widens, and the testing load decreased significantly. Thus, the uniaxial tensile ultimate strength and strain capacity were determined in the ranges of 3.2–3.6 MPa and 2.6–3.6%, respectively.

2.2. Design and Fabrication of Bridge Piers

In this study, eight specimens of cantilever bridge piers constructed with PP-ECC were fabricated and investigated experimentally. All specimens were designed with the same dimensions. Figure 2 illustrates the geometry and reinforcement details of bridge piers. The total height of bridge piers was 3.1 m, and the effective height was 2.1 m (from the top of the foundation block to the center of loading block). The shear-span ratio is 7.0 to ensure a flexural failure dominated response. At the bottom of the pier, a rigid foundation block with dimensions of 1.4 × 1.4 × 0.7 m is cast and mounted to the laboratory floor with four anchor bolts. The cross-section of piers is 0.3 × 0.3 m. The dimensions of the loading block are 0.6 × 0.6 × 0.6 m for better setup with the MTS actuator.
Table 3 summarizes the design parameters and test variables of eight concrete bridge piers. The main design parameters includes: (a) transverse reinforcement bar (stirrup) (0%, 0.46%, and 0.79% by volume), (b) axial loading ratio (0.1 and 0.3), and (c) height of the PP-ECC (0, 250, and 500 mm), details are presented in Table 3. In each bridge pier, twelve steel rebars with a diameter of 12 mm were used as the longitudinal reinforcement bars. They were symmetrically distributed in the cross-section. The resulting longitudinal reinforcing ratio ρl is 1.51%. The yield strength and ultimate strength of the longitudinal reinforcement bars were 442.5 and 616.8 MPa, respectively. The steel bar with a diameter of 6 mm is selected for the transverse reinforcement. To study the effect of transverse reinforcement ratio at the plastic hinge region on the seismic behavior of specimens, the bar spacing of transverse reinforcement bars was set to 500, 140, 70 mm within the height of 0.5 m from the top of foundation block. The corresponding volume ratios of transverse reinforcement bars ρsi were 0%, 0.46%, and 0.79%. The transverse reinforcement bars with a spacing of 70 mm were maintained the same for the upper portion of piers, that is, the volume ratio ρso is 0.79% for all specimens. The yield strength and ultimate strength of the transverse reinforcement bar were determined as 440.6 and 612.4 MPa, respectively. The concrete cover was 20 mm for all bridge piers.

2.3. Test Setup and Loading Protocol

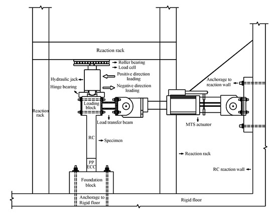
To investigate the seismic performance of bridge piers, the reversed cyclic loading experiments were conducted at the Southwest Jiaotong University in Chengdu, China. Figure 3 illustrates the schematic diagram of the test setup in the study. All the bridge piers were subjected to a combination of constant axial loading and reversed cyclic lateral loading [31,32]. To maintain the constant axial loading applied on the top of the specimen, a hinge bearing, and a roller bearing were installed between the reaction rack and bridge pier. A 3200 kN hydraulic jack was installed between the hinge bearing and roller bearing. The cyclic lateral loading was applied on the loading block using a 1000 kN MTS actuator. The positive and negative loading directions are shown in Figure 3.
Based on the designed axial loading ratio, the vertical loading was first applied to the top of the loading block. Then, the designated cyclic lateral loading was applied on the right side of the loading block. Figure 4 depicts the reversed cyclic lateral loading protocol used in the test [33]. The loading protocol consisted of two steps. Step (1): the initial levels were applied under a load-controlled mode. With one cycle for each loading level, the increment of lateral loading was set to 5 kN. Step (2): After the longitudinal reinforcement of the pier yielded, the loading protocol was changed to the displacement-controlled mode. The increment of displacement Δy was determined as the critical yield displacement in Step (1). The displacement levels were set to Δy, 2Δy, 3Δy, etc. Each displacement level repeated three times. Finally, the experiment was terminated when the active lateral loading had dropped below 85% of the peak value.
Reinforced concrete bridge piers bend and deform under the combined lateral and vertical loadings. The curvature performance is commonly used to evaluate the rotation capacity or the variation of rotation at different heights of the bridge pier. A single or double curvature that strongly depends on the end moments and end forces may be acted in a pier. The curvature of a cross-section can be calculated from the strain on both sides of the member and the distance between two edges. Then, the bending moment-curvature curve of the whole member can be obtained from several sections. Alternatively, the vertical displacements of both sides can also be used to calculate the curvature. As illustrated in Figure 5a, three curvature measurement rods and three pairs of cable-extension transducers were installed at the plastic hinge region. The transducer pairs were 15, 30, and 60 cm from the bottom of the pier, and defined as: (left side) ZL-1, ZL-2, ZL-3 and (right side) BL-1, BL-2, BL-3. Figure 5b shows the schematic diagram of curvature calculation at each cross-section of bridge pier through Equation (1) [34].
φ = θ H = Δ h B H = | h 1 | + | h 2 | B H
In which, φ is the average curvature of pier; θ is the degree of rotation; Δ h is the relative displacement measured from two transducers, i.e., | h 1 | + | h 2 | ; B is the distance between two transducers; and H is the height of the cross-section locates at.
To study the reinforcement bar behavior in the plastic hinge region of the pier, strains in the spiral and longitudinal reinforcement are measured using strain gauges, as depicted in Figure 6. The typical locations of strain gauge sets (10 for longitudinal bars and 6 for stirrups) were installed at 0, 12, and 24 cm from the bottom.

3. Results and Discussion

3.1. Crack Patterns and Failure Modes

Figure 7 illustrates the cracking patterns and typical failure modes of eight pier specimens observed after testing. The failure processes of the PP-ECC and RC piers were carefully monitored and recorded during the test; the details are described as follows.
Six PP-ECC specimens (PP-ECC-1~PP-ECC-6) exhibit some similar failure processes and modes. For example, the scenario of PP-ECC-6 is described here. The first crack usually occurs at approximately 130 mm above the bottom of the pier, while the lateral loading is about 10 kN. As the test loading increases, many tiny transverse cracks and shear oblique cracks are formed in the PP-ECC region. The spacing between adjacent cracks is about 40–60 mm. Before the yielding of longitudinal steel bars, the cracks are able to completely close during unloading, and the residual lateral displacement is almost invisible. Numerous transverse cracks are formed in the PP-ECC region of the pier after the yielding of longitudinal reinforcement bars, while the lateral load is about 37 kN. The PP-fibers in the PP-ECC exhibit tensile failure with a “hissing” sound. When the lateral displacement reaches 80 mm and the lateral load reaches 51.3 kN, a lot of transverse cracks display in the non-PP-ECC region of the pier, and the spacing between the adjacent cracks is about 150 mm. After reaching the peak load, the width of the existing cracks increases and few new cracks form. A large number of vertical cracks occur within the range of 150 mm from the bottom of the pier. In the range of 150–200 mm from the bottom of the pier, the local PP-ECC has bulged outwards under pressure, but no peel off of PP-ECC cover is observed over the test period. When the pier loaded to a lateral displacement of 100 mm, the bearing capacity has dropped to less than 85% of the peak loading, and the longitudinal reinforcement bars are buckled significantly. Because of the fiber bridging effect, it controls the crack development effectively in the PP-ECC pier. The pier remains in good integrity after failure.
For the RC specimens (RC-7 and RC-8) also exhibit similar failure processes and fail in a flexural manner. The scenario of specimen RC-8 is discussed here as an example. It experiences four typical failure stages during the test, including initial crack in concrete, yield of steel bar, spalling of concrete cover, and buckling of longitudinal reinforcement bars. At the beginning of the test, there are no obvious cracks on the concrete surface. The first crack is observed in the plastic hinge region when the test loading is about 20 kN. As the lateral loading keeps increasing, the number and width of cracks both increase. The spacing between adjacent cracks is about 60 mm, and the cracks propagate to both sides. The longitudinal reinforcement bars yield when the lateral load is about 55 kN, and the corresponding lateral displacement is 20 mm. Crack width and length increase with the increasing lateral displacement level, more and more transverse cracks appear in the middle and lower portions of the pier, and the spacing between adjacent cracks is about 100 mm. As the lateral displacement level continues to increase, few new cracks form. However, the previously formed cracks become wider and longer gradually, and four macro cracks form in the plastic hinge region at the lateral displacement of 40 mm. When the displacement reaches 60 mm, the concrete cover is crushed and peeled off from the pier. At the same time, the longitudinal steel bars and stirrups are exposed, and a distinct plastic hinge is generated at the bottom of the pier. The peak load is achieved at the lateral displacement of 80 mm, and the majority of concrete cover at the bottom is crushed and peeled off. The longitudinal reinforcement bars are buckled due to high stress, and the stirrups are pulled outward. The active load then reduces to less than 85% of the peak load, indicating that the RC8 specimen is destroyed.

3.2. Curvature Distribution at the Bottom of the Pier

The curvature distribution along with the height of the bridge pier is a characteristic property to determine the length of the plastic hinge and the resistance to rotation under flexural loading. Figure 8 illustrates the variations between the cycle lateral loading versus vertical displacements of all transducers from the collected data. The testing results of PPECC-1 are chosen as a representative one, while other results with a similar relationship can be found in [35]. The identical vertical displacements ( h 1 and h 2 ) of each cable-extension transducer are extracted from Figure 8, and then the curvature is calculated at each cross-section through Equation (1). Figure 9 depicts the variations in curvature with respect to the height of the pier, where Figure 9a–f are for PP-ECC and Figure 9g,h for RC piers, respectively.
It can be obviously seen from Figure 9, the curvature at the plastic hinge region gradually increases with the increase in cyclic lateral loading/displacement level, regardless of the concrete type for the pier. When reaching the ultimate loading, the curvature also reaches the maximum values in the plastic hinge region. The maximum curvature is usually located at the bottom of the pier. The curvature distribution, along with the height, shows a linear trend within 300 mm from the pier bottom. Under the same displacement level, the rotation and curvature at the plastic hinge region gradually decrease with the height of the cross-section. It is indicated that the upper portion of the pier is still under the elastic stress stage, while the bottom presents plastic deformation. The curvature distribution is consistent with the failure pattern of the pier under seismic loadings.
The axial loading ratio has a significant effect on the curvature distribution along with the height of the pier. Figure 9a,c is the scenario for PP-ECC with the same height of 250 mm but axial loading ratios of 0.1 and 0.3, respectively. The ultimate curvature values of the pier are 0.2852 and 0.2333 1/m. Similarly, Figure 9b,d is the scenarios for PP-ECC with the same height of 500 mm but axial loading ratios of 0.1 and 0.3, respectively. The ultimate curvature values of the pier are 0.3068 and 0.2720 1/m. The curvature increases significantly when a greater axial loading is applied on the top of the pier. It is indicated that a lower axial load tends to improve the resistance to plastic deformation.
Alternatively, by comparing Figure 9a with Figure 9b, or Figure 9c with Figure 9d, where the height of the PP-ECC portion is the only difference, there is also some obvious influence. The curvature increases when the height increases from 250 mm to 500 mm, especially when the axial force ratio is 0.3. This indicates that increasing the height of PP-ECC portion would be beneficial to enhance the rotation capacity and plastic deformability.
The influence of transverse reinforcement in the plastic hinge region can be determined by comparing the results in Figure 9b,e,f. The corresponding volume ratios of transverse reinforcement bars ρsi are 0.79%, 0.46%, and 0%, respectively. The ultimate curvature values of the pier are determined as 0.3068, 0.2511, and 0.2476 1/m. The results indicate that the transverse reinforcement in the plastic hinge region had a positive influence on the curvature of the pier. With denser stirrups, the bridge pier generally exhibits greater curvature and better resistance to plastic deformation and rotation. The volume hoop ratio of the plastic hinge area at the bottom of the pier has a certain influence on the curvature of the pier: the larger the volume hoop ratio, the greater the final curvature of the pier, and the appropriate increase in PP-ECC in the volume hoop ratio of the plastic hinge area of the pier is beneficial to the plastic rotation of the pier, and then the displacement ductility of the pier is improved. Increasing the volume hoop ratio can increase the constraint capacity of the PP-ECC and increase the ultimate compressive strain and rotation capacity of the pier, so it is beneficial to improve the lateral deformation capacity of the pier.
Without the enhancement from PP-ECC in the plastic hinge, relative worse behavior of the RC pier is apparently shown in Figure 9g,h. The ultimate curvature values of the pier are determined as 0.1933 and 0.1297 1/m for RC-7 and RC-8, respectively. These results are much lower than the other six scenarios (0.25~0.30 1/m). Some replacement with PP-ECC in the plastic hinge region can effectively improve the rotation capacity and the resistance to plastic deformation under seismic loading.
Increasing the volume hoop ratio of stirrups in the plastic hinge region can improve the seismic performance of PP-ECC piers. Increasing the height of the PP-ECC area can also improve the seismic performance of PP-ECC piers. Therefore, while ensuring the better seismic performance of the PP-ECC piers, appropriately increasing the volume hoop ratio in the plastic hinge area of the bottom of the pier can reduce the height of the PP-ECC area and reduce the construction cost of the PP-ECC piers.

3.3. Moment-Curvature Behavior

To better understand the relationship between the moment and curvature and classify the advantage of PP-ECC to RC, the moment at the measured cross-section is calculated from the loading and displacement history using Equation. (2) [36]. The moment–curvature relationships are calculated at the location of 15, 30, and 60 cm. Figure 10 illustrates the constructed moment–curvature hysteretic curves for eight bridge piers. The skeleton curve reflects the relationship between the maximum moment and the corresponding curvature of specimens at each loading level. The moment–curvature envelop curves of all specimens obtained from the hysteretic curves are plotted in Figure 11.
M = P · L + N Δ
in which M is the moment, P is the lateral loading, L is the distance between the measured cross-section and the bottom of the pier, N is the axial loading, and Δ is the lateral displacement at the top.
It can be seen from Figure 10 that the shapes of the moment-–curvature hysteretic curves are very similar for all bridge pier specimens, regardless of the concrete type. At the early stage in the loading period, the moment increases linearly with the increase in curvature. Then, it is followed by a strong moment-hardening behavior when the curvature continues increasing. However, the moment exhibits a nonlinear decreasing trend during the unloading period. The maximum moment slightly increases at each loading level and a small residual moment presents after unloading. The shape of hysteresis curves of all specimens is very similar for all loading levels, while the hysteresis loop enlarges with a continuous increase in curvature, especially in the horizontal direction. When comparing the maximum moment at a different measured cross-section, it is observed that it is generally located at the 15 cm one, which is the closest to the bottom of the pier. This explains why pier piers most likely fail near the bottom under seismic activities.
It can be seen that PP-ECC is beneficial to the seismic resistance of bridges piers. PP-ECC-1~PP-ECC-6 specimens have relatively higher peak moments and larger areas of hysteretic curve, when compared to RC-7 and RC-8 specimens. The reductions in moment attenuation are also relatively slower after the peak loading, indicating that the seismic resistance of the PP-ECC piers is better than those of RC piers. It can be contributed to the excellent ductility and energy absorption characteristics associated with PP-ECC piers.
The test variables in the study have different influences on the moment–curvature hysteretic curves of PP-ECC piers. By comparing the hysteretic curves of PP-ECC-2, PP-ECC-5, and PP-ECC-6, it can be seen that the area becomes larger, and the moment capacity increases when more stirrups are used in the plastic hinge region. Apparently, PP-ECC piers exhibit better seismic resistance when the stirrup ratio increases. This is consistent with the effect of stirrup ratio on the seismic behavior of ordinary reinforced concrete pier [18].
The influence of axial loading on the moment–curvature hysteretic curves of PP-ECC piers sheds another light. The area of the hysteretic curves of PP-ECC-1 and PP-ECC-2 are respectively wider than those of PP-ECC-3 and PP-ECC-4 in the horizontal direction (i.e., curvature), but narrower in the vertical direction (i.e., moment). This indicates that piers under lower axial loading exhibit relatively greater curvature but lower moment capacity. The PP-ECC piers with high axial loading ratio have better resistance to plastic deformation but worse resistance to moment under cyclic loadings.
The height of the PP-ECC portion does not show obvious influence on the moment–curvature hysteretic curves of PP-ECC piers, from the comparisons between PP-ECC-1 and PP-ECC-2, or, PP-ECC-3 and PP-ECC-4. When the height of the PP-ECC region increases from 250 to 500 mm, the area of the hysteretic curve of PP-ECC specimens changes slightly. Basically, it is hard to tell which height of the PP-ECC portion has better seismic resistance.

3.4. Reinforcement Bar Behavior

Because there are many reinforcement strain measurement points in each bridge pier (16 points × 8 piers), considering the length limitation, the testing results of PP-ECC-6 pier are only included here, as depicted in Figure 12 and Figure 13. Other related plots for the lateral loading versus transverse reinforcement strain and the lateral loading versus longitudinal reinforcement strain can be found in [35], and are available from the authors by reasonable request. Based on the hysteresis curves of lateral loading versus reinforcement strain, it can be found that:
The longitudinal reinforcement in the bridge pier exhibits an elastic-plastic stress process under the cyclic reversed lateral loading. The hysteresis curve of longitudinal reinforcement strain versus lateral loading hysteresis is quite long but narrow. When the loading level is relatively small at the beginning, the increasing trend of the longitudinal reinforcement strain is slow. However, after the cracks form in the pier, the longitudinal reinforcement strain increases rapidly. After unloading of each cycle, a certain residual strain still exists. As the lateral displacement increases, the residual deformation after unloading keeps increasing, which indicates that the plastic deformation of longitudinal reinforcement also increases gradually.
Under the same loading displacement level, the longitudinal reinforcement strain is smaller when it locates further away from the pier bottom. The maximum longitudinal strain usually presents at the bottom of the pier. There is a very slight difference in longitudinal reinforcement strains between the left and right sets of strain gauges. During the test, the strain gauges near the bottom of the pier are very seriously damaged, resulting in a certain distortion of the strain value for some plots. This is mainly contributed to the reinforcement at the bottom of the pier is more stressed and complicated, so the strain gauge is more prone to damage.
Due to the inhomogeneity of concrete materials and the complexity of stress in the plastic hinge region, the lateral loading-transverse reinforcement strain curves of piers present a certain irregularity. With the increase in loading lever and the increase in lateral displacement, the transverse strain of stirrup in the plastic hinge region increases, and the interlocking between stirrups and concrete is also obviously generated. The stirrups still exhibit some certain residual strains after unloading. The residual strains in stirrups are very small at lower loading levels but become greater when the lateral displacement level increases. Stirrups generally help to hold in place the longitudinal reinforcement bars. Transverse shear and vertical tension are caused by the combined loadings. Stirrups hold the cracked concrete surface together and prevent the pier from buckling. It is shown that stirrups can effectively constrain the lateral deformation of concrete, improving the lateral deformability of concrete. It thus improves the ductility performance and seismic resistance of bridge piers.
When the loading mode changes from the loading control to displacement control, the maximum longitudinal reinforcement strain at the bottom of the pier has exceeded the yield strain of longitudinal reinforcement bars (i.e., about 2212 με for HRB400), which means that the longitudinal reinforcement is yielded. When reaching the ultimate load, the maximum longitudinal reinforcement strain at the bottom of the pier exceeds the ultimate strain of reinforcement bars (i.e., about 3084 με for HRB400). The stirrups are always under tension state during the cyclic reversed lateral loading, and the maximum stirrup strain is about 1500 με. This means that the stirrups in the pier have not yielded during the test. Compared with RC piers, the stirrup strains of PP-ECC piers are generally larger, indicating that the contribution of stirrups in PP-ECC piers is more obvious than that of RC ones. More constraints from stirrup result in larger transverse strains and improving the transverse deformability of the plastic hinge region.
When the pier is loaded nearly to the ultimate load, the longitudinal reinforcement strain of RC piers is generally larger than those of PP-ECC ones. This indicates that the use of PP-ECC in the plastic hinge can reduce the stress carried by the longitudinal reinforcement and result in smaller elongation. During the displacement loading mode, the stirrup strains of PP-ECC piers develop slowly with the increase in displacement level, indicating that the constraint effect of the stirrups in PP-ECC is not that significant. This possibly contributed to the randomly distributed fibers in PP-ECC playing the role of micro-reinforcement that resists the transverse deformation.

4. Conclusions

In this study, the moment-curvature behavior of RC and PP-ECC bridge piers under reversed cyclic loading were experimentally investigated. The affecting factors involved are stirrups ratio, axial compression ratio, and the height of PP-ECC regions. Based on the observations and experimental results, the responses of moment–curvature and reinforcement bars were analyzed accordingly, the following conclusions were drawn:
(1) The use of PP-ECC at potential plastic hinge regions can effectively improve the damage tolerance of bridge piers, owing to its superior ductility and crack development control. Compared to the PP-ECC bridges piers, RC ones presents lower deformation capacity and obvious concrete crushed after failure;
(2) The curvature at the plastic hinge region gradually increases with the increase of cyclic lateral loading/displacement level, regardless of the concrete type for the pier. The maximum curvature usually locates at the bottom of the pier. The curvature distribution along with the height has some linear feature under a certain region above the bottom. The curvature distribution is consistent with the failure pattern of the pier under seismic loadings. Based on the curvature distribution along with the height of the pier, it is found that the axial loading ratio has a negative effect on enhancing the rotation capacity and plastic deformability, while the height of the PP-ECC portion and the amount of transverse reinforcement display the opposite trend;
(3) The moment–curvature hysteretic curves have similar shapes for all piers. With the increase in curvature, the moment increases linearly at first, and is followed by a strong moment-hardening behavior. The maximum moment is observed to locate at the 15 cm from the bottom of pier, so piers most-likely fail near the bottom under seismic activities. It can be obviously seen that PP-ECC is beneficial to the seismic resistance of bridges piers, as greater peak moments and larger areas of hysteretic curves are observed. Based on the moment–curvature analysis, it is observed that PP-ECC piers exhibit better seismic resistance with higher the stirrup ratio or higher axial loading ratio.
(4) Based on the reinforcement strain measurement, the performances of longitudinal bars and transverse bars are analyzed. The maximum longitudinal strain usually presents the bottom. After reaching the ultimate load, the longitudinal reinforcement bars yield, but the stirrups in the pier do not. The stirrups can effectively constrain the lateral deformation of concrete that improves the lateral deformability of the plastic hinge region. When the pier is loaded to the ultimate load, the longitudinal reinforcement strain of RC piers is much larger than those of PP-ECC ones. In addition, the contribution of stirrups in PP-ECC piers is more obvious than that of RC ones.

Author Contributions

Writing—original draft preparation, Y.J., H.S., F.L., and Y.B.; writing—review, revision and editing, Z.L., and Z.Z. All authors have read and agreed to the published version of the manuscript.

Funding

The National Natural Science Foundation of China with Grant No. 53168027, and the Science Research Foundation of Yunnan Education Bureau with Grant No. 2020J0061.

Conflicts of Interest

The authors declare no conflict of interest.

Data Availability Statement

All testing raw data, calculation results and more plots not included in the study are available from the corresponding authors by request (list items: 1. Lateral loading versus displacement history; 2. transducers’ readings h 1 , h 2 ; 3. moment-curvature calculation details; 4. lateral loading versus reinforcement strains).

References

  1. Krish, Z.F.; Kowalsky, M.J.; Nau, J.M.; Seracino, R. Repair of Reinforced Concrete Bridge Columns via Plastic Hinge Relocation Volume 1: Repair Using Conventional Materials; Final Report for the Alaska; Department of Transportation & Public Facilities: Juneau, AK, USA; The Federal Highway Administration: Washington, DC, USA, 2018.
  2. Wardhana, K.; Hadipriono, F.C. Analysis of Recent Bridge Failures in the United States. J. Perform. Constr. Facil. 2003, 17, 144–150. [Google Scholar] [CrossRef]
  3. Lin, S.; Xia, Z.; Xia, J. Seismic Damage Model of Bridge Piers Subjected to Biaxial Loading Considering the Impact of Energy Dissipation. Appl. Sci. 2019, 9, 1481. [Google Scholar] [CrossRef]
  4. Zhang, Y.; Harries, K.A.; Yuan, W. Experimental and numerical investigation of the seismic performance of hollow rectangular bridge piers constructed with and without steel fiber reinforced concrete. Eng. Struct. 2013, 48, 255–265. [Google Scholar] [CrossRef]
  5. Yu, Q.; Tao, Z.; Liu, W.; Chen, Z. Analysis and calculations of steel tube confined concrete (STCC) stub columns. J. Constr. Steel Res. 2010, 66, 53–64. [Google Scholar] [CrossRef]
  6. Youssf, O.; ElGawady, M.A.; Mills, J.E. Displacement and plastic hinge length of FRP-confined circular reinforced concrete columns. Eng. Struct. 2015, 101, 465–476. [Google Scholar] [CrossRef]
  7. Hosseini, F.; Gencturk, B.; Lahpour, S.; Gil, D.I. An experimental investigation of innovative bridge columns with engineered cementitious composites and Cu–Al–Mn super-elastic alloys. Smart Mater. Struct. 2015, 24, 085029. [Google Scholar] [CrossRef]
  8. Farzad, M.; Shafieifar, M.; Azizinamini, A. Retrofitting of Bridge Columns Using UHPC. J. Bridge Eng. 2019, 24, 04019121. [Google Scholar] [CrossRef]
  9. Rutledge, S.T.; Kowalsky, M.; Seracino, R.; Nau, J.M. Repair of Reinforced Concrete Bridge Columns Containing Buckled and Fractured Reinforcement by Plastic Hinge Relocation. J. Bridge Eng. 2014, 19, A4013001. [Google Scholar] [CrossRef]
  10. Mostafa, T.; Saiidi, M.S. Low-Damage Precast Columns for Accelerated Bridge Construction in High Seismic Zones. J. Bridge Eng. 2015, 21, 04015056. [Google Scholar]
  11. Kawashima, K.; Zafra, R.; Sasaki, T.; Kajiwara, K.; Nakayama, M. Effect of polypropylene fiber reinforced cement composite and steel fiber reinforced concrete for enhancing the seismic performance of bridge columns. J. Earthq. Eng. 2011, 15, 1194–1211. [Google Scholar] [CrossRef]
  12. Mohebbi, A.; Saiidi, M.S.; Itani, M.A. Shake Table Studies and Analysis of a PT-UHPC Bridge Column with Pocket Connection. J. Struct. Eng. 2018, 144, 04018021. [Google Scholar] [CrossRef]
  13. Zohrevand, P.; Mirmiran, A. Seismic Response of Ultra-High Performance Concrete-Filled FRP Tube Columns. J. Earthq. Eng. 2013, 17, 155–170. [Google Scholar] [CrossRef]
  14. Hoang, A.L.; Fehling, E. Analysis of circular steel tube confined UHPC stub columns. Steel Compos. Struct. 2017, 23, 669–682. [Google Scholar] [CrossRef]
  15. Yuan, F.; Chen, L.; Chen, M.; Xu, K. Behaviour of Hybrid Steel and FRP-Reinforced Concrete—ECC Composite Columns under Reversed Cyclic Loading. Sensors 2018, 18, 4231. [Google Scholar] [CrossRef] [PubMed]
  16. Wang, Z.; Wang, J.-Q.; Tang, Y.-C.; Liu, T.-X.; Gao, Y.-F.; Zhang, J. Seismic behavior of precast segmental UHPC bridge columns with replaceable external cover plates and internal dissipaters. Eng. Struct. 2018, 177, 540–555. [Google Scholar] [CrossRef]
  17. Li, V.C. Tailoring ECC for Special Attributes: A Review. Int. J. Concr. Struct. Mater. 2012, 6, 135–144. [Google Scholar] [CrossRef]
  18. Li, V.C. Engineered cementitious composites—Tailored composites through micromechanical modeling. In Fiber Reinforced Concrete: Present and the Future; Banthia, N., Bentur, A., Mufri, A., Eds.; Canadian Society for Civil Engineering: Montreal, QC, Canada, 1998; pp. 64–97. [Google Scholar]
  19. Pan, Z.; Wu, C.; Liu, J.; Wang, W.; Liu, J. Study on mechanical properties of cost-effective polyvinyl alcohol engineered cementitious composites (PVA-ECC). Constr. Build. Mater. 2015, 78, 397–404. [Google Scholar] [CrossRef]
  20. Zhang, W.; Yin, C.; Ma, F.; Huang, Z. Mechanical Properties and Carbonation Durability of Engineered Cementitious Composites Reinforced by Polypropylene and Hydrophilic Polyvinyl Alcohol Fibers. Materials 2018, 11, 1147. [Google Scholar] [CrossRef] [PubMed]
  21. Zhang, R.; Matsumoto, K.; Hirata, T.; Ishizeki, Y.; Niwa, J. Application of PP-ECC in beam–column joint connections of rigid-framed railway bridges to reduce transverse reinforcements. Eng. Struct. 2015, 86, 146–156. [Google Scholar] [CrossRef]
  22. Yuan, F.; Pan, J.; Dong, L.; Leung, C.K.Y. Mechanical Behaviors of Steel Reinforced ECC or ECC/Concrete Composite Beams under Reversed Cyclic Loading. J. Mater. Civ. Eng. 2014, 26, 04014047. [Google Scholar] [CrossRef]
  23. Yang, J.; Liang, S.; Zhu, X.; Sun, C.; Guo, Z. Seismic behavior of precast concrete coupled shear walls with engineered cementitious composite (ECC) in the critical cast-in-place regions. Sci. China Technol. Sci. 2017, 60, 1244–1254. [Google Scholar] [CrossRef]
  24. AL-Gemeel, A.N.; Zhuge, Y. Experimental investigation of textile reinforced engineered cementitious composite (ECC) for square concrete column confinement. Constr. Build. Mater. 2018, 174, 594–602. [Google Scholar] [CrossRef]
  25. Li, F.; Feng, Z.; Deng, K.; Yu, Y.; Hu, Z.; Jin, H. Axial behavior of reinforced PP-ECC column and hybrid NSC-ECC column under compression. Eng. Struct. 2019, 195, 223–230. [Google Scholar] [CrossRef]
  26. Zhang, R.; Matsumoto, K.; Hirata, T.; Ishizeki, Y.; Niwa, J. Shear behavior of polypropylene fiber reinforced ECC beams with varying shear reinforcement ratios. J. JSCE 2014, 2, 39–53. [Google Scholar] [CrossRef]
  27. ChiaHwan, Y.; JianBo, H. The Mechanical Behavior of Fiber Reinforced PP ECC Beams under Reverse Cyclic Loading. Adv. Mater. Sci. Eng. 2014, 2014, 9. [Google Scholar] [CrossRef][Green Version]
  28. Zhang, R.; Meng, Q.; Shui, Q.; He, W.; Chen, K.; Liang, M.; Sun, Z. Cyclic response of RC composite bridge columns with precast PP-ECC jackets in the region of plastic hinges. Compos. Struct. 2019, 221, 110844. [Google Scholar] [CrossRef]
  29. Jia, Y.; Zhao, R.; Li, F.; Zhou, Z.; Wang, Y.; Zhan, Y.; Shi, X. Seismic performance of bridge piers constructed with PP-ECC at potential plastic hinge regions. Materials 2020, 13, 1865. [Google Scholar] [CrossRef]
  30. Zhang, R. Application of PP-ECC on Rigid-Framed Bridges for Improving Structural Performance. Ph.D. Thesis, Tokyo Institute of Technology, Tokyo, Japan, 2014. [Google Scholar]
  31. Ma, H.; Xue, J.Y.; Zhang, X.C.; Luo, D.M. Seismic performance of steel-reinforced recycled concrete columns under low cyclic loads. Constr. Build. Mater. 2013, 48, 229–237. [Google Scholar] [CrossRef]
  32. Ma, H.; Xue, J.Y.; Liu, Y.H.; Zhang, X.C. Cyclic loading tests and shear strength of steel reinforced recycled concrete short columns. Eng. Struct. 2015, 92, 55–68. [Google Scholar] [CrossRef]
  33. Wang, D.Y.; Wang, Z.Y.; Smith, S.T.; Yu, T. Seismic performance of CFRP-confined circular high-strength concrete columns with high axial compression ratio. Constr. Build. Mater. 2017, 134, 91–103. [Google Scholar] [CrossRef]
  34. Yuye, Z.; Hongyi, W.; Wancheng, Y. Experimental study on seismic behavior of bridge piers with local application of steel fiber reinforced concrete. J. Vib. Shock 2012, 31, 102–107. [Google Scholar]
  35. Yi, J. Research on Seismic Behavior of Bridge Pier Model with Polypropylene-Engineered Cementitious Composite in Plastic Hinge Regions. Ph.D. Thesis, Southwest Jiaotong University, Chengdu, China, 2019. [Google Scholar]
  36. Tong, X.L.; Fang, Z.; Luo, X. Experimental study on seismic behavior of reactive powder concrete shear walls. J. Build. Struct. 2016, 37, 21–30. [Google Scholar]
Figure 1. Uniaxial tensile stress-strain responses of polypropylene (PP)-ECC.
Figure 1. Uniaxial tensile stress-strain responses of polypropylene (PP)-ECC.
Applsci 10 04056 g001
Figure 2. Geometry and reinforcing details of test piers (unit: mm).
Figure 2. Geometry and reinforcing details of test piers (unit: mm).
Applsci 10 04056 g002
Figure 3. Schematic diagram of the test setup in the study.
Figure 3. Schematic diagram of the test setup in the study.
Applsci 10 04056 g003
Figure 4. Reversed cyclic lateral loading protocol in the study.
Figure 4. Reversed cyclic lateral loading protocol in the study.
Applsci 10 04056 g004
Figure 5. (a) Setup of curvature measurement rod and cable-extension transducer at the plastic hinge; (b) Schematic diagram of curvature calculation.
Figure 5. (a) Setup of curvature measurement rod and cable-extension transducer at the plastic hinge; (b) Schematic diagram of curvature calculation.
Applsci 10 04056 g005
Figure 6. Setup of strain measurement at the plastic hinge region of bridge pier.
Figure 6. Setup of strain measurement at the plastic hinge region of bridge pier.
Applsci 10 04056 g006
Figure 7. Crack patterns and failure modes of specimens.
Figure 7. Crack patterns and failure modes of specimens.
Applsci 10 04056 g007
Figure 8. Variations between the lateral loading versus vertical displacement of PPECC-1. (a) ZL-1 (15 cm); (b) ZL-2 (30 cm); (c) ZL-3 (60 cm); (d) BL-1 (15 cm); (e) BL-2 (30 cm); (f) BL-3 (60 cm).
Figure 8. Variations between the lateral loading versus vertical displacement of PPECC-1. (a) ZL-1 (15 cm); (b) ZL-2 (30 cm); (c) ZL-3 (60 cm); (d) BL-1 (15 cm); (e) BL-2 (30 cm); (f) BL-3 (60 cm).
Applsci 10 04056 g008aApplsci 10 04056 g008b
Figure 9. Curvature distributions along with the height of the pier. (a) PP-ECC-1; (b) PP-ECC-2; (c) PP-ECC-3; (d) PP-ECC-4; (e) PP-ECC-5; (f) PP-ECC-6; (g) RC-7; (h) RC-8.
Figure 9. Curvature distributions along with the height of the pier. (a) PP-ECC-1; (b) PP-ECC-2; (c) PP-ECC-3; (d) PP-ECC-4; (e) PP-ECC-5; (f) PP-ECC-6; (g) RC-7; (h) RC-8.
Applsci 10 04056 g009aApplsci 10 04056 g009b
Figure 10. Moment-curvature hysteretic curves of piers at different cross section.
Figure 10. Moment-curvature hysteretic curves of piers at different cross section.
Applsci 10 04056 g010aApplsci 10 04056 g010b
Figure 11. Moment-curvature skeleton curves of piers.
Figure 11. Moment-curvature skeleton curves of piers.
Applsci 10 04056 g011aApplsci 10 04056 g011b
Figure 12. Lateral load-longitudinal reinforcement strain curves of PP-ECC-6 pier.
Figure 12. Lateral load-longitudinal reinforcement strain curves of PP-ECC-6 pier.
Applsci 10 04056 g012
Figure 13. Lateral load-transverse reinforcement strain curves of PP-ECC-6 pier.
Figure 13. Lateral load-transverse reinforcement strain curves of PP-ECC-6 pier.
Applsci 10 04056 g013
Table 1. Properties of polypropylene fibers for the engineered cementitious composite (ECC).
Table 1. Properties of polypropylene fibers for the engineered cementitious composite (ECC).
Fiber TypeDiameter
(μm)
Length
(mm)
Density
(kg/m3)
Elongation Rate
(%)
Elastic Modulus
(GPa)
Tensile Strength
(MPa)
polypropylene20120.91>155480
Table 2. Mixture proportion of PP-ECC.
Table 2. Mixture proportion of PP-ECC.
Cement
(kg/m3)
Fly Ash
(kg/m3)
Water
(kg/m3)
PP Fiber
(kg/m3)
Water Reducer
(kg/m3)
w/cm
(%)
FA/cm
(%)
82044250518.28.8340.40.35
Notes: w: water; cm: cementitious materials (cement and fly ash); FA: fly ash.
Table 3. Design parameters of specimens.
Table 3. Design parameters of specimens.
SpecimenH (mm)λρl (%)ρso (%)ρsi (%)h (mm)n
PP-ECC-121007.01.510.790.792500.1
PP-ECC-221007.01.510.790.795000.1
PP-ECC-321007.01.510.790.792500.3
PP-ECC-421007.01.510.790.795000.3
PP-ECC-521007.01.510.790.465000.1
PP-ECC-621007.01.510.7905000.1
RC-721007.01.510.790.7900.1
RC-821007.01.510.790.7900.3
Notes: H: height of pier; λ: shear span ratio; ρl: longitudinal reinforcing ratio; ρso: volume ratios of transverse reinforcement bars of non-PP-ECC portion; ρsi: volume ratios of transverse reinforcement bars of PP-ECC portion; h: height of PP-ECC region; n: axial loading ratio.

Share and Cite

MDPI and ACS Style

Jia, Y.; Su, H.; Lai, Z.; Bai, Y.; Li, F.; Zhou, Z. Moment-Curvature Behavior of PP-ECC Bridge Piers under Reversed Cyclic Lateral Loading: An Experimental Study. Appl. Sci. 2020, 10, 4056. https://doi.org/10.3390/app10124056

AMA Style

Jia Y, Su H, Lai Z, Bai Y, Li F, Zhou Z. Moment-Curvature Behavior of PP-ECC Bridge Piers under Reversed Cyclic Lateral Loading: An Experimental Study. Applied Sciences. 2020; 10(12):4056. https://doi.org/10.3390/app10124056

Chicago/Turabian Style

Jia, Yi, Hexian Su, Zhengcong Lai, Yu Bai, Fuhai Li, and Zhidong Zhou. 2020. "Moment-Curvature Behavior of PP-ECC Bridge Piers under Reversed Cyclic Lateral Loading: An Experimental Study" Applied Sciences 10, no. 12: 4056. https://doi.org/10.3390/app10124056

APA Style

Jia, Y., Su, H., Lai, Z., Bai, Y., Li, F., & Zhou, Z. (2020). Moment-Curvature Behavior of PP-ECC Bridge Piers under Reversed Cyclic Lateral Loading: An Experimental Study. Applied Sciences, 10(12), 4056. https://doi.org/10.3390/app10124056

Note that from the first issue of 2016, this journal uses article numbers instead of page numbers. See further details here.

Article Metrics

Back to TopTop