Abstract
In dual-redundancy electro-hydrostatic actuators (EHAs), the dual pumps are mainly designed for safety, where the cylinder is controlled mainly by one pump while the other one is standby for redundancy. However, such a strategy is basically like a single-pump-controlled system, and the flow from the pump may be inaccurate when the cylinder moves slowly, which will affect the motion control performance. A new dual-redundancy EHA is designed, and a series of corresponding operation modes are developed, enabling differential operation of the dual pumps. With the proposed operation modes, the inevitable flow inaccuracy problem of the single pump can be addressed through the coordination control of the dual pumps. In order to achieve better motion tracking performance, a model-based backstepping controller is synthesized, where the nonlinearities and uncertainties of the EHA are handled by model compensation and robust feedback design. Comparative simulations with existing control methods for EHAs are conducted and better motion tracking precision is achieved, especially during low-speed motion.
1. Introduction
Electro-hydrostatic actuators (EHAs) have become increasingly important in aerospace, industrial automation, and military applications because they provide superior system integration and energy efficiency compared to traditional hydraulic systems [1]. EHA systems generally directly drive hydraulic pumps using electric motors, eliminating the need for complex central hydraulic pumps and long pipelines [2,3]. This design maximizes the overall energy efficiency of the system by reducing the weight and space requirements. EHA systems convert electrical energy input directly into hydraulic power by integrating electric motors, hydraulic pumps, cylinders, and controllers, allowing for precise control of cylinder motion and force. Direct control of the pump speed–flow also avoids the energy losses that are typically associated with servo valves in hydraulic actuators [4,5]. EHA systems also enable energy recovery, which further enhances overall system efficiency. In [6], a review of the recent advances and applications in EHA technology with energy recovery is presented, along with an overview of various EHA configurations. The low-complexity hydraulic circuits and reduced weight of these systems make them ideal for applications where space and weight are at a premium, particularly in aerospace systems [7]. Despite these advantages, more advanced control algorithms are undeniably necessary to improve the dynamic response speed and control precision of EHA systems, especially in low-speed or high-precision applications. Although the closed-circuit configuration eliminates the risk of contamination in the hydraulic circuit and improves the reliability and maintenance aspects [8,9,10], it does not fully resolve issues related to the response speed and precision. Yao et al. [11] attempted to address these concerns by developing an EHA system that was equipped with two high-speed on–off valves to improve the accuracy of the system during low-speed pump operation. However, this approach increased costs, added system complexity, and reduced power density. The incorporation of two new components in the context of aerospace systems also has the potential to make the overall system less reliable.
The high standards of safety and reliability in the aerospace sector dictate that active hydraulic actuators should also be equipped with redundant systems to provide fault-tolerant control [12]. Fault-tolerant control in conventional valve-controlled hydraulic actuators is typically achieved through the use of multiple pre-stage servo valves or by the installation of additional hydraulic actuators [13]. However, relying on multiple servo valves offers limited safety in the event of spool valve failure, while adding more actuators increases the system weight and space installation requirements. In contrast, EHA systems can achieve superior redundancy and safety through the addition of one set of motor pumps, without significant increases in weight or space. Dual-redundant EHA systems also meet these needs and further enhance safety and reliability since this design ensures continuous operation even in the event of the failure of any component (including pumps). The pumps in dual-redundant EHA systems typically rotate in the same direction as a fail-safe measure to retain sufficient hydraulic power [14]. However, despite its simplicity and relative ease of control, this configuration has several drawbacks when operating at low speeds. One such drawback is its poor ability to generate low flow rates during high-precision, low-speed control because of the minimum speed limits of the motor pumps [15]. Working at such low speeds, the pumps exhibit nonlinear flow characteristics that are unpredictable and make trajectory tracking and motion control difficult. This nonlinearity results in a slow response and causes vibration and instability, especially under fluctuating loads or complex operation conditions.
The authors in [16] note that the oil film between the slipper and the swash plate is not fully developed within the range of 50–250 rpm, resulting in a higher friction torque. As the speed increases to fall within the range of 250–500 rpm, the friction torque is decreased due to the gradual formation of the oil film. As a result, many pumps require a minimum operating speed of 500 rpm. At low speeds, the pump not only exhibits poor flow characteristics but also wears and generates a lot of heat, which further reduce its lifespan [17]. In this context, this study presents a new operational mode. Unlike conventional configurations where both pumps rotate in the same direction, in this mode, one pump rotates clockwise while the other one rotates counterclockwise, and both pumps rotate above their minimum operational speeds. This allows the flow rates of the two pumps to be subtracted; thus, very small flows can be precisely controlled, greatly improving low-speed performance. This mode effectively addresses the common deficiencies of EHA systems: flow instability, nonlinearity, and unpredictability. This new pump operating principle ensures flow stabilization at low speeds and high-precision trajectory tracking for the enhancement of the dynamic response capabilities of the system.
Another important benefit of the reverse rotation mode is a reduction in mechanical wear and heat generation for the pumps. The low-speed operation in conventional EHA systems usually involves a much lower flow rate through the pumps, which leads to insufficient lubrication and hence severe wear and overheating of the pumps. This problem is alleviated by operating within the optimal linear range of the pump, thus prolonging the pump service life by improving the system reliability and stability in the reverse rotation mode. Much of the research related to EHA systems is focused on further improvement in efficiency and reliability [18,19,20]. Early studies primarily addressed the fundamental design and application of EHA systems, with particular emphasis on improving the power density for aerospace applications [21]. For example, prior work has included optimization studies of motor and hydraulic pump design to achieve higher power output and greater energy efficiency [22].
Although conventional proportional–integral–differential (PID) control is easy to implement and structurally simple, a PID controller typically cannot address the nonlinearity and uncertainty of the complex system of an EHA, leading to performance degradation and potentially instability [23,24,25]. Recently, research interest has targeted the development of new control strategies for EHA systems [26,27]. While model-based control algorithms often require a very large number of state feedbacks from the system, increasing the number and types of sensors increases the complexity and cost of the overall EHA system. In addition, some states in the system are usually difficult to be derived directly from measurements; for this reason, the researchers constructed different types of observers combined with control algorithms to improve the tracking performance of the system [28,29,30]. While fault tolerance and recovery mechanisms for hydraulic systems have been explored by various researchers, they generally have not addressed low-speed control [31]. The reverse rotation pump configuration and adaptive backstepping control strategy proposed in this study represent a novel solution that directly resolves the aforementioned low-speed performance issues. On the other hand, adaptive backstepping control, which adjusts instantaneously based on the system state, greatly increases the control accuracy and system responsiveness. Adaptive backstepping is better suited to addressing the nonlinearities and uncertainties inherent in EHA systems in comparison with classic PID control [32]. This control approach unifies the calculation of the optimal pressure difference, pressure tracking, and motion control into a single framework, enhancing trajectory tracking with greater flexibility in controller design. Adaptive backstepping presents several advantages over other advanced control strategies, such as robust adaptive control and sliding mode control. It ensures high control accuracy while still being computationally efficient and simple, and is suitable for applications requiring real-time performance. Adaptive backstepping is better equipped to manage system parameter variations and external disturbances, yielding improved robustness and stability in comparison with other approaches. This makes it particularly suitable for EHA systems, particularly those that require high precision and reliability.
This work develops a reverse rotation pump setup for the highly flexible control of flow quantity at low speeds that leverages the dual-pump configuration in a dual-redundant EHA system. No redesign of the EHA and no extra component is required. An advanced model-based adaptive backstepping control is then designed and integrated into the system to further improve the system performance. Simulations are carried out to analyze the system performance of trajectory tracking, pressure stability, and robustness. The proposed EHA system, combining this advanced control strategy with an innovative pump operation mode, has shown significant performance improvements in simulations. This study is expected to establish a foundation for the further optimization and expansion of applications involving EHA systems.
2. System Design and Operation
2.1. System Design
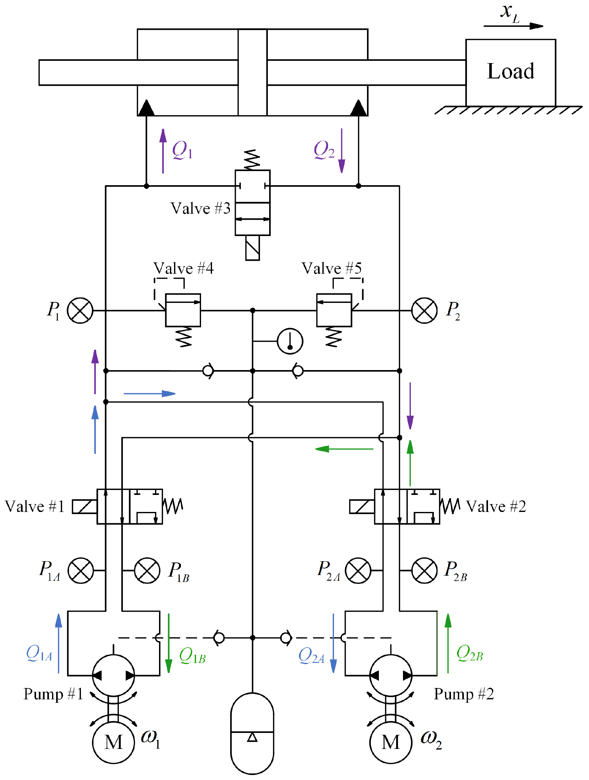
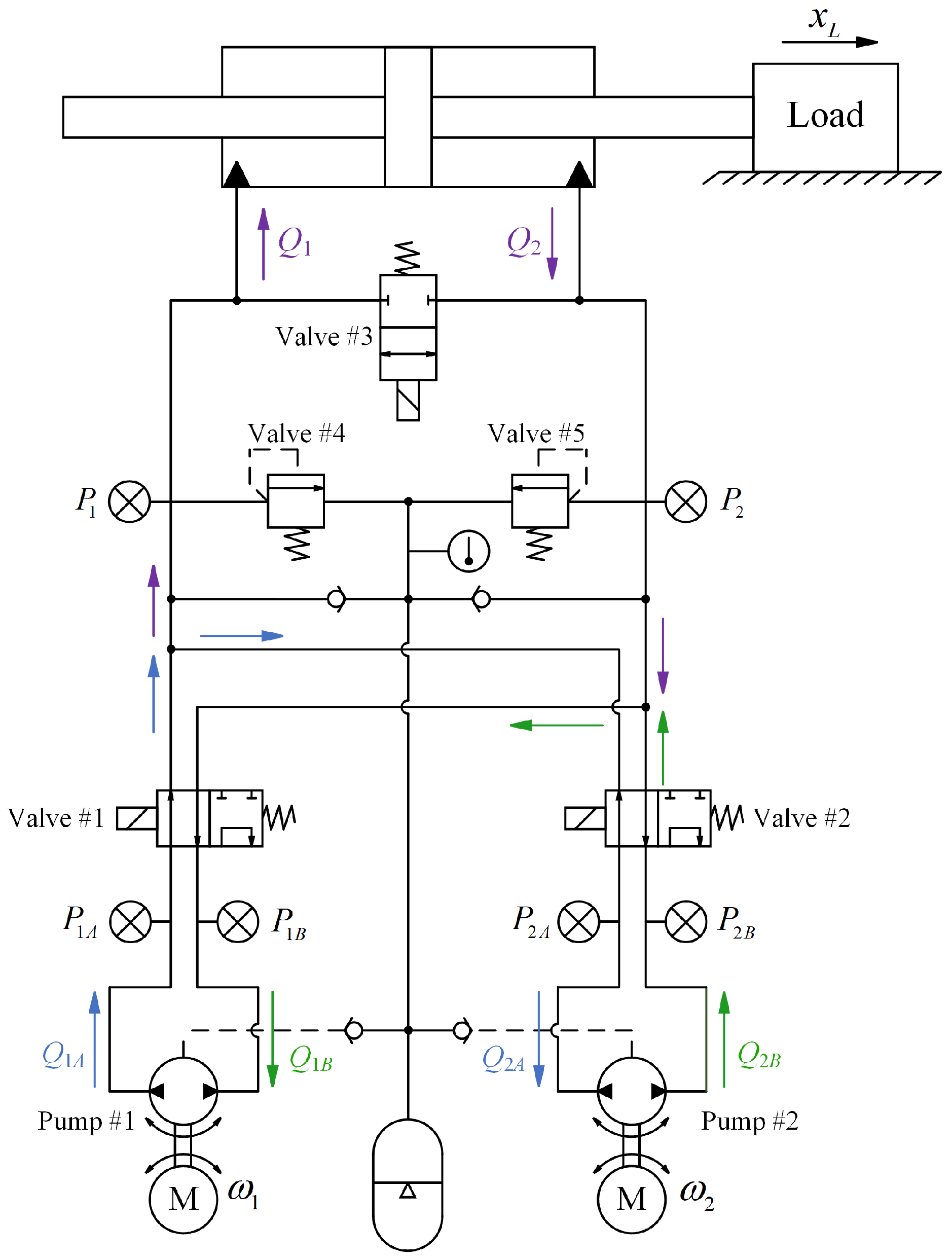
The design and operation mode of a dual-redundancy electro-hydrostatic actuator (EHA) system is introduced. The system is assembled as shown in the model in Figure 1. It includes two identical motor piston pumps, each containing a permanent magnet synchronous motor coupled with a bi-directional axial piston pump. Valves #1 and #2 are solenoid-operated isolation valves that serve to isolate a faulty motor pump and ensure that the system continues to operate even if one motor pump fails. Valve #3 is a bypass valve, which is used to return the actuator to its zero position, isolate it for safety, and facilitate adjustments. Valves #4 and #5 are relief valves that limit the maximum pressure of the system to maintain safety. Pressure sensors are installed in both chambers of the hydraulic cylinder and at the inlets and outlets of the motor pumps to provide real-time system monitoring. The EHA system also includes an accumulator that supplies oil to the low-pressure chambers of the pumps, preventing cavitation and air entrainment.
Figure 1.
Model of proposed dual-redundancy EHA system.
Motor Pumps #1 and #2 are of the same model, and their speeds are controlled by servo drives in a closed-loop configuration. Due to manufacturing and assembly variations in high-speed and small displacement options for motor pumps to improve pump flow resolution, there are slight differences in the performance of Pumps #1 and #2. Individual testing of each pump provides their flow curves, allowing the determination of the optimal linear flow regions and the corresponding motor speeds. The steering of the pumps, the inlet and outlet of the oil, and the working principle of the EHA system are shown in Figure 2, where and represent the flow rate into the two chambers of the hydraulic cylinder; in the operation mode applied in this paper, port A of Pump #1 and port B of Pump #2 are the output ports of the two pumps, while port B of Pump #1 and port A of Pump #2 are the inlet ports of the two pumps, and the flow rates are , , , and , respectively.
Figure 2.
Hydraulic schematic.
In a conventional dual-redundancy EHA mode of operation, the flow into the hydraulic cylinder is usually provided by only one pump, or by making both pumps rotate at the same speed, each providing a half of the flow. In this mode of operation, the pumps need to provide very low flow rates when the desired piston speed is very low. Constrained by minimum speeds, the pumps are often unable to consistently provide a small enough rate of flow and the pumps heat up and wear heavily at low speeds, which greatly reduces system performance and reliability. Compared with the conventional configuration, the novel EHA configurations and operating modes presented in this paper optimize the flow stability and reduce wear of the EHA system at low-speed motion by controlling the speed and steering of the two pumps separately, without adding new hydraulic components. Compared to a conventional dual-redundancy EHA system, the flow to the hydraulic cylinders is not limited by the minimum speed of the pumps, and the flow is more stable and linearly adjustable. At the same time, lubrication is better at both pumps.
2.2. Operation Mode
Table 1 outlines the operating mode of the EHA system. In the table above, and represent the rotation speed of Pump #1 and Pump #2, respectively, which are greater than the minimum rotation speed of each pump, and . Both motor pumps in the energy section rotate in a single direction. Each pump adjusts its rotational speed accordingly, without changing its direction, based on the error and direction of the movement of the piston. The inlet and outlet ports of the pumps during operation are shown in Figure 1.
Table 1.
Operation mode of EHA.
When the piston rod extends, Pump #2 maintains its standby speed, while the rotation speed of Pump #1 is adjusted according to the trajectory tracking error, with its speed exceeding the standby speed. Conversely, when the piston rod retracts, Pump #1 remains at the standby speed, and the controller adjusts the speed of Pump #2 to ensure that the actual and desired trajectories align.
In cases where there is a trajectory tracking error, but the desired trajectory speed is zero, the controller determines whether to engage the extension or retraction mode based on the sign of the error, switching between modes until the trajectory error falls within the acceptable range. When the system is on standby, both pumps maintain their respective standby speeds, which are set at the lowest speed within the linear operating range of the speed–flow relationship pumps. These standby speeds were determined through prior experiments.
During standby, the flow rate at the inlet of Pump #1 matches the flow rate at the outlet of Pump #2, and similarly, the inlet flow at Pump #2 corresponds to the outlet flow of Pump #1, while the piston rod remains stationary. The standby rotation speed of both pumps is maintained above the minimum speeds indicated by their respective linear flow regions.
3. System Modeling
This section provides a detailed explanation of the higher-order dynamic model for the dual-redundancy EHA system. Using the position control of the hydraulic cylinder as an example, we explore motion control methods based on chamber pressure regulation. The mathematical model of the system is established as follows:
where represents the mass of the inertial load, is the position of the actuator, and are the pressures in the left and right chambers of the hydraulic cylinder, denotes the piston area for both chambers, and are the viscous friction coefficient and Coulomb friction coefficient, respectively. The function represents a continuous smoothing function for the switching function , and are the compressible volumes of the two chambers, with Vh1 and Vh2 indicating the initial chamber volumes. is the effective bulk modulus. is the synthesized flow rate into the hydraulic cylinder, the magnitude of which is the difference between the flow rates of the two pumps. All uncertainties and disturbances are aggregated in the terms , , and [33] where in which is the nominal value of the aggregated modeling error, and represents the time-varying component of the error.
The state variables of the EHA system are defined as , and the state-space dynamical model can be formulated as follows:
in this equation, the aggregated modeling error term is assumed to be bounded. The equation shows that the combined flow rate can achieve infinitely small values, allowing for precise motion speed control and error adjustment. Therefore, determining the rotational speed of Pump #1 or Pump #2 under actual operating conditions is crucial. In the subsequent control design, this paper aims to achieve optimal control performance for the EHA system through pressure and flow planning.
4. System Controller Design
In this section, an adaptive backstepping controller is designed and presented to address the challenges associated with accurate motion control in an EHA system operating under extremely low speeds. The design goals for the closed-loop system build on the system model and account for the characteristics of the closed system. There are two key objectives: (1) achieving high-precision trajectory tracking with a reference trajectory, xd, that is at least second-order continuously differentiable; (2) optimizing the two independent control inputs and in the EHA system to enable independent pump speed adjustments, preventing discontinuities in mode switching while achieving a sufficiently low combined flow rate for flexible control.
These objectives are achieved through the system controller, as depicted in the dashed box in Figure 3, which consists of three main components: optimal flow rate calculation, pressure deference tracking, and motion tracking control. The process is as follows: state feedback is used to calculate the optimal pressure difference, , between the two chambers of the hydraulic cylinder from the reference trajectory, . The combined flow rate for the two chambers is then calculated using the motion tracking and pressure tracking controllers. Finally, the rotational speeds of the two pumps, and , are adjusted according to the operating mode, enabling precise tracking of the motion and pressure reference trajectories. The theoretical derivation for each component is detailed in Section 4.1, Section 4.2 and Section 4.3.
Figure 3.
Overall controller structure.
4.1. Calculation of Optimal Pressure Difference
This section focuses on the calculation of the optimal pressure difference () between the two chambers of the hydraulic cylinder to control the load motion tracking of the actuator. The load position tracking error is first defined as , and the sliding mode variable is defined as follows:
here, is a linear gain, and the error transfer function between and is stable. When is very small or approaches zero, will also be small or approach zero. Therefore, the control objective is to minimize . The error dynamics are derived as follows by differentiating Equation (3):
where is the control input. According to adaptive backstepping control theory, the optimal pressure difference, , for load motion tracking is obtained as follows:
where the optimal pressure difference () includes the adaptive model compensation () and the robust feedback term (). represents the estimated value of , which will be provided later, > 0 is the linear feedback gain, and is the nonlinear robust feedback gain, which must satisfy the following robust conditions:
here, is a small design parameter, and is the estimation error of , with .
The error between the actual pressure difference and the optimal pressure difference in the two chambers of the hydraulic cylinder is denoted as . Substituting into Equation (4) yields the error dynamics for :
4.2. Pressure Tracking Control
Next, based on the dynamic model in Equation (5), a flow rate tracking controller is designed to obtain the control flow rate so that the pressure difference, , between the two chambers tracks the optimal pressure difference (). The derivative of yields the following:
where, according to Equation (5), can be expressed as , is the computable term, which can be used for model compensation control, while is the non-computable term, which will be influenced by the robust feedback processor. Both terms can be expressed as follows:
is the control input. According to adaptive backstepping control theory, the control law for can be written as follows:
where the control law includes adaptive model compensation, , and a robust feedback term, . > 0 is the linear feedback gain, and is the nonlinear robust feedback gain, which must satisfy the following robust conditions:
in this equation, is a small design parameter, and is the estimation error of , with .
Substituting the control law from Equation (11) into Equation (8) yields the error dynamics for :
The estimation of the unmodeled disturbance ( and ) occurs online, and is updated instantaneously using an adaptive law with a discontinuous projection:
where is the diagonal matrix of adaptive gains, and the adaptive function is defined by the following:
is a discontinuous projection [34].
4.3. Pump Signal Generation
The operating mode and flow characteristics of the closed system influence the flow rates, and , of two chambers, which can be expressed as follows:
when the EHA system is in operating mode 1, , ; in mode 2, , ; and when the system is in standby, , . Therefore, the flow rates, and , at ports A and B of each pump are represented as follows:
From Equation (16), the inflow and outflow rates for the two chambers of the hydraulic cylinder are derived as , where represents the combined flow rate of the two pumps at the valve block’s inlet and outlet, and and represent the internal leakage factor of the two pumps. The synthesized flow is modeled as follows:
Bringing Equation (10) into Equation (17) yields the rotational speeds of the two pumps:
In practical systems, the pump speed loop is usually closed by a separate servo drive, which drives the pump based on the speed signal received from the controller. In an EHA, the first-order time constant and hysteresis of this link of servomotor speed control are small, and its bandwidth is larger than any other link of the hydraulic system, as well as the dominant pole of the system is not in this part. Therefore, in this study, in the dynamics modeling, the dynamics of the motor are simplified as high-frequency dynamics as in the motion control of most EHA systems, and the pump speed is described as , where is the rpm gain factor and is the control signal.
4.4. Theoretical Results of the Closed-Loop System
Based on the analysis in Section 4.2 regarding pressure differences, the pressure and reference trajectory planned according to the optimal pressure difference between the two chambers is continuously differentiable and is used for tracking the pressure difference. The position reference trajectory, , is twice differentiable and is used to track the position of the actuator. Consequently, the variable in Equation (10) remains continuous, which prevents jumps in the control input that could result from discontinuities in the tracking targets during mode switching.
A Lyapunov function, , is constructed to include the errors and [35] for the system model described in Equation (2) with and as control inputs in Equation (10).
Theorem 1.
With the adaptive backstepping control law Equation (10) and the adaptation law Equation (13), the control performance of the closed-loop dual-redundancy EHA system is stable and the tracking errors are bounded. The final tracking accuracy and the transient performance are quantified by the following:
where , . and are robust parameters mentioned in Equation (6) and Equation (11), respectively.
Proof 1.
According to the Equation (7) and the Lyapunov function above, it is straightforward to illustrate that
It is ensured that this function remains bound. □
Theorem 2.
If, after a finite time, the system is only subject to parametric uncertainties, meaning , in addition to Theorem 1, the closed-loop system will achieve the desired asymptotic tracking performance.
Proof 2.
In order to prove this discontinuous projection-based adaptive backstepping control argument, we define a positive scalar function [15]. We can obtain that as follows:
According to Barbalat theorem [36], it ensures that at , . Note that , using , the final result can be derived from Equations (7) and (12) through the following:
□
5. Simulation Results
5.1. Simulation Setup
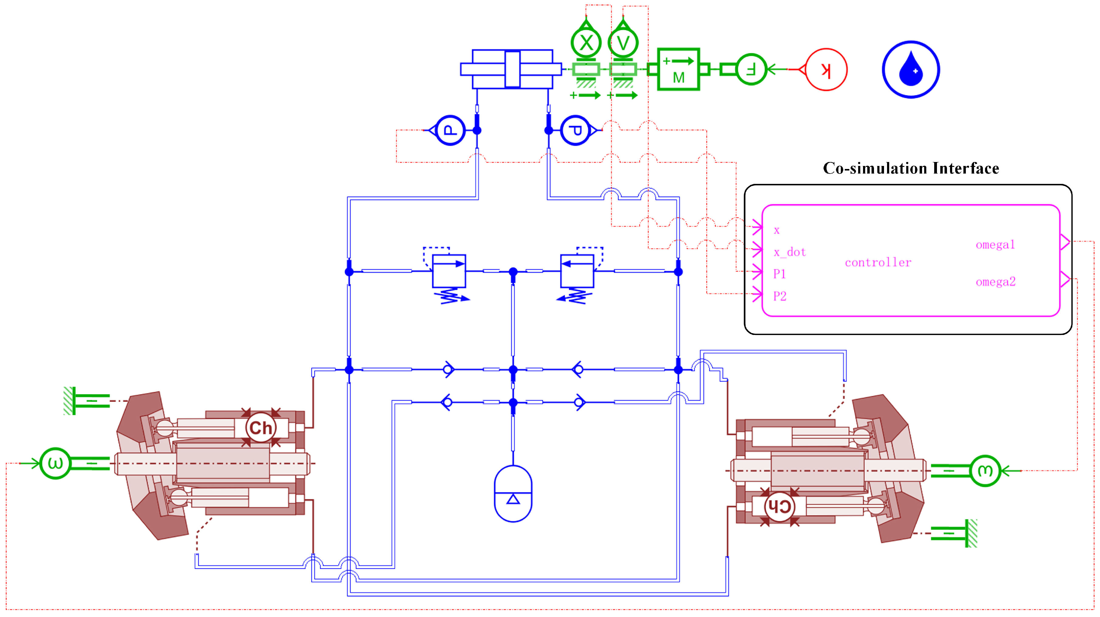
In this research, Siemens AMESim and MATLAB Simulink are used in the setup of a co-simulation to analyze and compare the effects of different control algorithms and operating modes on the performance of the EHA system. The co-simulation interface, illustrated in Figure 4, integrates detailed physical modeling with sophisticated control strategies to provide a comprehensive performance evaluation of the EHA system under various conditions.
Figure 4.
Co-simulation interface.
The first step involves importing the key mechanical and hydraulic components that impact system performance, including plunger pumps, valve blocks, and hydraulic cylinders, into Siemens AMESim as 3D CAD models, as depicted in Figure 1. This ensures high accuracy in simulating the physical behavior of each component, reflecting their real-world dynamic characteristics. These components are then assembled into a full EHA system model in AMESim based on the hydraulic schematic presented in Figure 2.
Meanwhile, an adaptive backstepping control algorithm is established in MATLAB Simulink based on the model and used as a controller in the simulation of the EHA system. The control algorithm can effectively address the inherent nonlinearities in the hydraulic system and ensure accurate motion control under different load and speed conditions. Subsequently, a compiler is used to link the two platforms for real-time data exchange between AMESim and Simulink for co-simulation. In this process, the physical model of the EHA system built in AMESim transmits the displacement, velocity, and pressure data of the two chambers to Simulink as feedback signals, and the control algorithm calculates the required pump speed according to the reference trajectory of the system. Finally, the calculated pump speed is sent back to AMESim so that the hydraulic system can be adjusted instantaneously during the simulation.
The main parameters, such as the load mass (m = 200 kg), piston diameter (63 mm), and piston rod diameter (36 mm), are set to ensure that the simulation more closely approximates real-world operating conditions. The controller parameters are set to deviate from the actual system values, which are used to introduce the modeling error in Equation (1) into this joint simulation. This approach helps to evaluate the robustness of the control algorithm in managing system uncertainties and errors. The sampling frequency of the simulation is set to 1000 Hz, which is very practical in aerospace applications and meets the requirements of high-precision motion control. In [37], the theoretically strict method for selecting the controller parameters is presented. However, this might significantly enhance the complexity of the resultant control law. Consequently, in this research, an alternative method was adopted for gain tuning. Specifically, and were simply chosen to be large enough, without being concerned about the exact values of the nonlinear robust feedbacks in Equations (6) and (11). This approach was also utilized in [15]. Through this, the robust performance conditions in Equations (6) and (11) remained satisfied, at least in the local area around the reference trajectory.
Three control schemes are designed and compared in the simulation to fully evaluate the adaptive backstepping control strategy and the dual-pump operating mode in this paper:
- C1: Dual-pump differential reverse rotation operating mode using an adaptive backstepping control algorithm.
- C2: Dual-pump, synchronized-speed, and same-steering operating mode using an adaptive backstepping control algorithm.
- C3: Dual-pump differential reverse rotation operating mode using a PID controller.
These control schemes are chosen to fully investigate the influence of the operating modes and control algorithms on the overall system performance. The comparison between C1 and C2 aims to demonstrate the advantages of the dual-pump differential backstepping operating mode in reducing the localization error of the steady-state tracking by avoiding the region of high pump-speed flow, nonlinearity, and uncertainty in its operating mode. In contrast, C3 serves as a combination of the conventional PID control with the operating mode in this paper. The comparison of C1 and C3 informs the evaluation of the specific advantages of the adaptive backstepping control algorithm in minimizing the steady-state error and improving the system performance under the same operating conditions.
As shown in Figure 5, the simulation tests the control strategy using a smooth point-to-point S-curve reference trajectory as the desired trajectory in the simulation. The trajectory was designed to have a maximum displacement of 0.5 m, which was used to ensure a thorough evaluation of the ability of the system to track displacement. The maximum velocity of the trajectory is set to 0.04 m/s and the maximum acceleration is set to 0.03 m/s2. This will test the micromotion capability of the EHA system at low-speed operation.
Figure 5.
Reference trajectory used in the simulation.
This detailed co-simulation approach provides valuable insights into the effectiveness of different control algorithms and modes of operation, enabling a comprehensive understanding of the impact of the novel strategy on the overall performance, stability, and accuracy of the EHA system.
5.2. Simulation Results
The simulations compare the effects of three different control algorithms and operating modes on the performance of the EHA system. The results demonstrate the performance of each scheme in terms of the steady-state tracking accuracy, localization error, dynamic response, and system stability. The tracking errors of each scheme are shown in Figure 6, Figure 7 and Figure 8.
Figure 6.
Position tracking error in cases 1–3.
Figure 7.
Rotation speed of pumps #1 and #2 in case 1.
Figure 8.
Rotation speed of pumps #1 and #2 in case 2.
According to the analysis in Section 4.3, is the factor that ultimately affects the true trajectory () of the system. As in other studies [32,38,39], Equation (16) accounts for the variation in the pump leakage in relation to the pressure. However, the ratio of the leakage to the output flow rate of the piston pump at low rotational speeds is also larger at higher pressures. Although this is considered in the literature [40], the effectiveness of the control algorithm is limited by the significant variation in the flow rate. Additionally, the nonlinearity of the flow rate of the piston pump at low motor speeds arises not only from leakage but also from flow pulsation. This periodic dynamic higher-order nonlinearity is related to the number of pressurized liquid positions of the plungers inside the piston pump, the angle of rotation of each plunger with respect to the upper dead center, and the rotational speed [41]. The conditions inside the piston pump are often uncertain; therefore, it is challenging to model the dynamics over time in the controller. As noted in [16], friction inside the plunger pump is highly complex and unpredictable since no oil film lubrication is formed as the system transitions from standstill to startup, as well as at low rotational speeds, which also makes it difficult to model accurately.
C1 (dual-pump differential reverse rotation operating mode using an adaptive backstepping control algorithm) demonstrates clear advantages in steady-state tracking performance. The simulation results show that this innovative mode effectively addresses flow nonlinearity at low pump speeds, avoiding the nonlinear and uncertain regions often encountered under these conditions. As illustrated in Figure 7, both pumps in C1 maintain speeds above the minimum threshold, and instantaneous control adjustments lead to lower steady-state errors at reduced reference trajectory speeds, contributing to stable system operation.
In this paper, in the operating mode, so that the two pumps in standby are maintained at a certain speed, each piston pump only adjusts the speed change, as shown in Figure 7; at this time, the internal parts of the piston pump have generated an oil film, lubrication is good, the friction situation is in line with the modeling of this paper, the pump is more efficient, the flow rate of the piston pump to follow the speed of the change in the linearity is also better, and due to the characteristics of the bi-directional piston pump, the speed interval and the bi-directional flow symmetry of forward and reverse rotation of the piston pump are also higher, so the performance consistency of the actuator in micro-actuation during extension and retraction is also satisfied. As shown in Figure 6, from 6 s to 16 s and from 30 s to 40 s under C1, the actuator operates with minimal error, and the hydraulic cylinder shows no signs of crawling or other undesirable phenomena.
This result demonstrates that, compared with the traditional operating mode, the operating mode in this paper effectively resolves challenges related to flow pulsation, friction, leakage, and flow symmetry in the piston pump, thereby improving performance consistency. As a result, the overall performance of the EHA system has been significantly enhanced.
In contrast, C2 (dual-pump, synchronized-speed, and same-steering operating mode using an adaptive backstepping control algorithm) experiences crawling when the actuator operates at low hydraulic cylinder speeds. This occurs because low pump speeds in the second mode of the EHA lead to greater flow variability and reduced stability. Figure 8 depicts the pump speeds in the C2 mode; both pumps have the same speed and steering, and each carries half of the output flow. Unlike C2, the real-time adaptability of C1 significantly improves the dynamic response and precision. In comparison, the traditional parallel flow mode of C2 performs poorly in the speed–flow nonlinear region, particularly at low actuator speeds, resulting in higher steady-state errors.
C3 (dual-pump differential reverse rotation operating mode using a PID controller) employs the same innovative operating mode as C1, but due to the lack of adaptive capability in the PID controller, its steady-state error is higher than that of C1. The simulation shows that the tracking accuracy of C3 deteriorated during cylinder start–stop operations, highlighting the limitation of traditional PID control in managing dynamic system changes. In contrast, the adaptive backstepping control algorithm in C1 can address dynamic changes more effectively and optimize the control parameters instantaneously to reduce the trajectory tracking error. This further validates the significant performance improvement resulting from combining this innovative pump operating mode with adaptive backstepping control. Although C3 achieves a stable low-flow output by utilizing the dual-pump differential reverse rotation mode, its overall control accuracy is significantly inferior to that of C1 in the management of dynamic variations and nonlinearities with the conventional PID control strategy.
Simulation analysis of the three control schemes shows that C1 (dual-pump differential reverse rotation operating mode using an adaptive backstepping control algorithm) excels in terms of steady-state accuracy, dynamic response, and overall stability. The C1 mode improves the response and accuracy of the system under micro-actuation conditions by effectively avoiding flow nonlinearity at low speeds, thereby preventing the piston pumps from operating in the critical zone where the pump is subjected to greater wear, making it ideal for EHA systems in aerospace applications.
In contrast, although C2 has a parameter-adaptive control strategy and the same robustness as C1, it performs poorly in trajectory tracking in the nonlinear speed–flow region, especially at low speeds with large flow pulsations. Inevitably, crawling occurs, which poses challenges during actuator motion. Meanwhile, C3 struggles to effectively address nonlinearity in the EHA system due to the limitations of PID control, even when the dual pumps provide a stable low flow rate, which results in a larger steady-state error and slower response compared to C1.
6. Conclusions
A novel scheme for the determination of the operating mode and control strategy of a dual-redundant electro-hydraulic actuator (EHA) system is presented in this study. It can fully resolve the inherent problems associated with traditional dual-redundant EHA systems, such as poor low-speed performance, excessive heat generation, and severe wear and tear during low-speed operation. The proposed solution provides a stable and sufficiently low flow rate to the EHA system by utilizing two pumps rotating in opposite directions, without adding new hydraulic components or changing the design of the piston pumps. This enables precise flow control and also effectively reduces heat generation and wear. A model-based adaptive backstepping control algorithm is used in the controller of the EHA system, which significantly outperforms conventional control methods. This state-of-the-art approach improves the accuracy of trajectory tracking and enhances the resilience of the system to higher-order nonlinearities and uncertainties. The simulation results show that the operating modes and control algorithms in this paper not only improve the low-speed performance but also reduce heat generation and wear, thereby increasing system reliability and improving the micromotion capability of the EHA system. This work provides new insights to facilitate the advancement of EHA technology. Future extensions to this research could involve the testing of this control strategy and mode switching in real-world applications and the evaluation of its performance in real systems and extreme environments. Furthermore, future research will focus on how the system conducts fault diagnosis and implements fault-tolerant control in this operational mode. It will also explore whether the system transitions to different modes in response to a fault, and how the observer can facilitate fault-tolerant control during sensor failures, as well as how it can help simplify and reduce the costs associated with the system.
Author Contributions
Conceptualization, H.J.; Funding acquisition, Y.Y. and C.F.; Project administration, S.L. and Y.Y.; Data curation, H.J., R.G. and J.Z.; Formal analysis, H.J.
and R.G.; Methodology, H.J., S.L. and J.Z.; Software, H.J. and R.G.; Writing – Original draft, H.J.; Writing—Review and editing: H.J. and Y.Y. All authors have read and agreed to the published version of the manuscript.
Funding
This research was funded by National Natural Science Foundation of China grant number 52175059.
Data Availability Statement
Dataset available on request from the authors.
Conflicts of Interest
The authors declare no conflict of interest.
References
- Zengguang, L.; Jisu, S.; Daling, Y.; Xiukun, Z.; Hongfei, G.; Ke, F. A review on integral evolution of electro-hydraulic actuation in three momentous domains: Aerospace, engineering machinery, and robotics. In Proceedings of the Fourth International Conference on Mechanical Engineering, Intelligent Manufacturing, and Automation Technology (MEMAT 2023), San Francisco, CA, USA, 27 January–1 February 2024; p. 130820M. [Google Scholar]
- Coskun, M.Y.; Itik, M. Intelligent PID control of an industrial electro-hydraulic system. ISA Trans. 2023, 139, 484–498. [Google Scholar] [CrossRef] [PubMed]
- Sarkar, A.; Dasmahapatra, S.; Chaudhuri, S.; Saha, R.; Mookherjee, S.; Sanyal, D. A novel order-separated generalized feedforward design for motion control in energy-efficient electrohydraulic system with proportional and integral feedback. ISA Trans. 2024, 146, 336–351. [Google Scholar] [CrossRef] [PubMed]
- Liu, J.; Hu, Y.; Zhu, X.; Zhao, X.; Gao, G.; Yao, J. Intelligent fault diagnosis for electro-hydrostatic actuator based on multisource information convolutional residual network. Meas. Sci. Technol. 2024, 35, 066114. [Google Scholar] [CrossRef]
- Nostrani, M.P.; Oliveira e Silva, D.; Lopes Junior, R.S.; Vigolo, V.; Krus, P.; De Negri, V.J.; Amer Soc Mechanical, E. An Analysis Of a Digital Electro Hydrostatic Actuator for Application in Aircraft Flight Control Systems. In Proceedings Of Asme/Bath 2023 Symposium on Fluid Power and Motion Control; FPMC: North Bonneville, WA, USA, 2023. [Google Scholar]
- Du, S.; Zhou, J.; Hong, J.; Zhao, H.; Ma, S. Application and progress of high-efficiency electro-hydrostatic actuator technology with energy recovery: A comprehensive review. Energy Convers. Manag. 2024, 321, 119041. [Google Scholar] [CrossRef]
- Jiao, Z.; Li, Y.; Yu, T.; Jiang, C.; Huang, L.; Shang, Y. Dynamic thermal coupling modeling and analysis of wet electro-hydrostatic actuator. Chin. J. Aeronaut. 2022, 35, 298–311. [Google Scholar] [CrossRef]
- Ma, Z.; Liao, H.; Gao, J.; Nie, S.; Geng, Y. Physics-Informed Machine Learning for Degradation Modeling of an Electro-Hydrostatic Actuator System. Reliab. Eng. Syst. Saf. 2023, 229, 108898. [Google Scholar] [CrossRef]
- Nie, S.; Gao, J.; Ma, Z.; Yin, F.; Ji, H. An online data-driven approach for performance prediction of electro-hydrostatic actuator with thermal-hydraulic modeling. Reliab. Eng. Syst. Saf. 2023, 236, 109289. [Google Scholar] [CrossRef]
- Qu, S.; Fassbender, D.; Vacca, A.; Busquets, E. A high-efficient solution for electro-hydraulic actuators with energy regeneration capability. Energy 2021, 216, 119291. [Google Scholar] [CrossRef]
- Yao, J.; Wang, P.; Dong, Z.; Jiang, D.; Sha, T. A novel architecture of electro-hydrostatic actuator with digital distribution. Chin. J. Aeronaut. 2021, 34, 224–238. [Google Scholar] [CrossRef]
- Wang, T.; Zhang, Q.; Fang, J.; Lai, Z.; Feng, R.; Wei, J. Active fault-tolerant control for the dual-valve hydraulic system with unknown dead-zone. ISA Trans. 2024, 145, 399–411. [Google Scholar] [CrossRef]
- Zeng, G.; Shen, W.; Shi, L.; Zhang, X. High-reliability Triple Redundancy Servomechanism System. Aerosp. Control 2005, 23, 35–40. (In Chinese) [Google Scholar] [CrossRef]
- Li, W.; Shi, G. Novel dual-redundancy electro-hydrostatic actuator research and controller design. Proc. Inst. Mech. Eng. Part C J. Mech. Eng. Sci. 2019, 233, 5874–5886. [Google Scholar] [CrossRef]
- Helian, B.; Chen, Z.; Yao, B. Precision Motion Control of a Servomotor-Pump Direct-Drive Electrohydraulic System With a Nonlinear Pump Flow Mapping. IEEE Trans. Ind. Electron. 2020, 67, 8638–8648. [Google Scholar] [CrossRef]
- Hooke, C.J.; Li, K.Y. The Lubrication of Slippers in Axial Piston Pumps and Motors—The Effect Of Tilting Couples. Proc. Inst. Mech. Eng. Part C J. Mech. Eng. Sci. 1989, 203, 343–350. [Google Scholar] [CrossRef]
- Zhu, Y.; Chen, X.; Zou, J.; Yang, H. A study on the influence of surface topography on the low-speed tribological performance of port plates in axial piston pumps. Wear 2015, 338, 406–417. [Google Scholar] [CrossRef]
- Jiao, Z.; Li, Z.; Shang, Y.; Wu, S.; Song, Z.; Pan, Q. Active Load Sensitive Electro-Hydrostatic Actuator on More Electric Aircraft: Concept, Design, and Control. IEEE Trans. Ind. Electron. 2022, 69, 5030–5040. [Google Scholar] [CrossRef]
- Song, Z.; Jiao, Z.; Shang, Y.; Wu, S.; Hu, W. Design and Analysis of a Direct Load Sensing Electro-Hydrostatic Actuator. In Proceedings of the 2015 International Conference on Fluid Power and Mechatronics—Fpm, Haerbin, China, 5–7 August 2015; pp. 624–627. [Google Scholar]
- Wang, Y.; Guo, S.; Dong, H. Modeling and control of a novel electro-hydrostatic actuator with adaptive pump displacement. Chin. J. Aeronaut. 2020, 33, 365–371. [Google Scholar] [CrossRef]
- Park, J.W.; Yoo, C.-M.; Ham, Y.-B.; Park, J.-H. Model-based design of a rear axle steering (RAS) system using an electro-hydraulic actuator (EHA). J. Mech. Sci. Technol. 2023, 37, 6123–6129. [Google Scholar] [CrossRef]
- Chao, Q.; Zhang, J.H.; Xu, B.; Huang, H.P.; Pan, M. A Review of High-Speed Electro-Hydrostatic Actuator Pumps in Aerospace Applications: Challenges and Solutions. J. Mech. Des. 2019, 141, 050801. [Google Scholar] [CrossRef]
- Mattila, J.; Koivumaki, J.; Caldwell, D.G.; Semini, C. A Survey on Control of Hydraulic Robotic Manipulators With Projection to Future Trends. IEEE/ASME Trans. Mechatron. 2017, 22, 669–680. [Google Scholar] [CrossRef]
- Kim, M.; Lee, S.-U. PID with a Switching Action Controller for Nonlinear Systems of Second-order Controller Canonical Form. Int. J. Control Autom. Syst. 2021, 19, 2343–2356. [Google Scholar] [CrossRef]
- Han, M.; Wu, H.; Song, Y.; Cheng, Y.; Handroos, H. Intelligent method for tuning H2 PID controller of water hydraulic manipulator of CFETR blanket maintenances. Ind. Robot. Int. J. Robot. Res. Appl. 2016, 43, 164–171. [Google Scholar] [CrossRef]
- Chen, Z.; Helian, B.; Zhou, Y.; Geimer, M. An Integrated Trajectory Planning and Motion Control Strategy of a Variable Rotational Speed Pump-Controlled Electro-Hydraulic Actuator. IEEE/ASME Trans. Mechatron. 2023, 28, 588–597. [Google Scholar] [CrossRef]
- Chen, Z.; Lu, L.; Wang, F.; Yao, B.; Li, D.; Liu, H.; Zhang, G. Motion Control of Independent Metering Electro-hydraulic System Based on Chamber Pressure Planning without Mode Switch. J. Mech. Eng. 2024, 60, 302–312. [Google Scholar]
- Deng, W.X.; Yao, J.Y. Extended-State-Observer-Based Adaptive Control of Electrohydraulic Servomechanisms Without Velocity Measurement. IEEE/ASME Trans. Mechatron. 2020, 25, 1151–1161. [Google Scholar] [CrossRef]
- Nguyen, M.H.; Ahn, K.K. Extended Sliding Mode Observer-Based Output Feedback Control for Motion Tracking of Electro-Hydrostatic Actuators. Mathematics 2023, 11, 4324. [Google Scholar] [CrossRef]
- Won, D.; Kim, W.; Shin, D.; Chung, C.C. High-Gain Disturbance Observer-Based Backstepping Control with Output Tracking Error Constraint for Electro-Hydraulic Systems. IEEE Trans. Control Syst. Technol. 2015, 23, 787–795. [Google Scholar] [CrossRef]
- Phan, V.D.; Ahn, K.K. Fault-tolerant control for an electro-hydraulic servo system with sensor fault compensation and disturbance rejection. Nonlinear Dyn. 2023, 111, 10131–10146. [Google Scholar] [CrossRef]
- Lyu, L.; Chen, Z.; Yao, B. Development of Pump and Valves Combined Hydraulic System for Both High Tracking Precision and High Energy Efficiency. IEEE Trans. Ind. Electron. 2019, 66, 7189–7198. [Google Scholar] [CrossRef]
- Wang, B.L.; Cai, Y.; Song, J.C.; Liang, Q.K. A Singular Perturbation Theory-Based Composite Control Design for a Pump-Controlled Hydraulic Actuator with Position Tracking Error Constraint. Actuators 2023, 12, 265. [Google Scholar] [CrossRef]
- Lyu, L.; Chen, Z.; Yao, B. Development of parallel-connected pump-valve-coordinated control unit with improved performance and efficiency. Mechatronics 2020, 70, 102419. [Google Scholar] [CrossRef]
- Lyu, L.; Chen, Z.; Yao, B. Advanced Valves and Pump Coordinated Hydraulic Control Design to Simultaneously Achieve High Accuracy and High Efficiency. IEEE Trans. Control Syst. Technol. 2021, 29, 236–248. [Google Scholar] [CrossRef]
- Narendra, K.S.; Annaswamy, A.M. A New Adaptive Law for Robust Adaptation Without Persistent Excitation. IEEE Trans. Autom. Control 1987, 32, 134–145. [Google Scholar] [CrossRef]
- Yao, B.; Bu, F.P.; Reedy, J.; Chiu, G.T.C. Adaptive robust motion control of single-rod hydraulic actuators: Theory and experiments. IEEE/ASME Trans. Mechatron. 2000, 5, 79–91. [Google Scholar] [CrossRef]
- Helian, B.; Chen, Z.; Yao, B. Energy-saving and accurate motion control of a hydraulic actuator with uncertain negative loads. Chin. J. Aeronaut. 2021, 34, 253–264. [Google Scholar] [CrossRef]
- Chen, Z.; Zhou, S.Z.; Shen, C.; Lyu, L.; Zhang, J.H.; Yao, B. Observer-Based Adaptive Robust Precision Motion Control of a Multi-Joint Hydraulic Manipulator. IEEE/CAA J. Autom. Sin. 2024, 11, 1213–1226. [Google Scholar] [CrossRef]
- Helian, B.; Chen, Z.; Yao, B.; Lyu, L.; Li, C. Accurate Motion Control of a Direct-Drive Hydraulic System With an Adaptive Nonlinear Pump Flow Compensation. IEEE/ASME Trans. Mechatronics 2021, 26, 2593–2603. [Google Scholar] [CrossRef]
- Li, R.; Liu, Q.; Cheng, Y.; Liu, J.; Sun, Q.; Zhang, Y.; Chi, Y. Analysis of the Influence of Structure and Parameters of Axial Piston Pump on Flow Pulsation. Processes 2022, 10, 2138. [Google Scholar] [CrossRef]
Disclaimer/Publisher’s Note: The statements, opinions and data contained in all publications are solely those of the individual author(s) and contributor(s) and not of MDPI and/or the editor(s). MDPI and/or the editor(s) disclaim responsibility for any injury to people or property resulting from any ideas, methods, instructions or products referred to in the content. |
© 2024 by the authors. Licensee MDPI, Basel, Switzerland. This article is an open access article distributed under the terms and conditions of the Creative Commons Attribution (CC BY) license (https://creativecommons.org/licenses/by/4.0/).







