You are currently viewing a new version of our website. To view the old version click .
Buildings
  • Article
  • Open Access

3 June 2023

Experimental Investigation on Dehumidification Using a Solid Composite Bio Desiccant Internally Cooled Using Nanofluids for Building Cooling

,
,
and
Department of Mechanical and Industrial Engineering, Manipal Institute of Technology, Manipal Academy of Higher Education, Manipal 576104, India
*
Author to whom correspondence should be addressed.
This article belongs to the Topic Built Environment and Human Comfort

Abstract

Indoor comfort has become a major factor with advancements in science and technology. This also leads to an increase in greenhouse gases as well as energy consumption. Desiccant-coated heat exchangers are one of the common solutions to these risks and to lower energy usage. In the present work, the capability of a solid composite desiccant blend prepared from coconut shell-based activated carbon and bio char was studied. Aluminum plates have been coated with the prepared solid desiccants. Desiccant-coated heat exchangers were cooled by the cerium oxide nanofluid passing through the pipes connected along the length of the heat exchanger. Air was blown through the plates where dehumidification occurs due to the vapor pressure difference between the air and the desiccant-coated plate. The experiments were conducted by varying the air velocity, water flow rate, and nanoparticle concentration. The nanoparticle volume fraction varied from 0.05% to 0.3%. Different performance parameters such as the moisture removal rate, dehumidification efficiency, cooling capacity, and coefficient of performance (COP) were calculated. Results showed that the performance parameters were enhanced with an increase in the water flow rate as well as the air flow rate. Furthermore, it was seen that with the addition and increase in nanoparticle concentration, the moisture removal rate and dehumidification efficiency were enhanced. In comparison to no addition of nanoparticles, a 0.3% addition of nanoparticles demonstrated a maximum increase in MRR of 53% and dehumidification efficiency of 57%. A maximum reduction of 6.1% in the dehumidification area was achieved by using 0.3% nanoparticles with water. It is recommended to use nanofluids for dehumidification using solid desiccants, which can enhance the performance without having negative influence on the environment.

1. Introduction

With the rapid expansion of the economy and society, there has been an increase in the demand for air conditioning. Air conditioning systems are expected to consume about 15% of all electricity generated globally. In the meantime, our society is confronted with significant issues in terms of energy use and environmental protection [1,2]. As a result, conservation of the energy in cooling or heating systems is critical for achieving an energy-efficient society [3]. The building of homes, offices, and the associated air conditioning systems has surged in recent years and will continue to do so. Due to the excessive usage of refrigerants, there is a huge demand for energy conservation while simultaneously safeguarding the environment from dangerous greenhouse emissions. The use of desiccant-based technology, either in solid or liquid form, can be one of the alternative solutions to overcome these issues. A desiccant removes the humidity from the air, which then is reconditioned to meet the necessary indoor temperature conditions. The combination of a traditional cooling system and using desiccants can help us reduce energy consumption and increase cooling efficiency. This process can also help decrease the amount of carbon dioxide emissions in the atmosphere [4,5].
Sahlot et al. [6] reviewed desiccant cooling systems and found them to be an effective way to manage the moisture content of supply air. The moisture removal potential of the solid desiccants was found to be better than that of a liquid desiccant. However, they needed a greater regeneration temperature. Singh et al. [7] provided a general overview of desiccant materials and their properties. They claimed that as compared to their respective base/pure form, composite desiccants have a higher adsorption capability. Many environmental issues can be effectively resolved by using desiccant cooling systems, which also help to reduce the high demand for electrical energy. Asim et al. [4] concluded that carbon-based desiccant materials have a tremendous scope for improvement in the near future. Their capability of forming composites makes them a very good option for future-generation desiccants. Saeed et al. [8] conducted experiments on desiccant-coated heat exchangers (DCHX). Fabrication was carried out by coating the fins with a suitable desiccant. A vapor compression system integrated with a DCHX gave a higher COP as well as reduced energy consumption. Venegas et al. [9] confirm that the efficiency of the heat exchangers can be greatly lowered by improper thermal contact. Therefore, using manufacturing procedures such as brazing to provide higher-quality thermal contacts is a preferable alternative and should be the preferred way of assembly. The binders are employed to maintain the physical connection between the heat exchanger substrate and the solid desiccant layer.
Sultan et al. [10] compared a desiccant-coated AC and conventional vapor compression AC. Three types of systems were tested. A standalone desiccant AC, single-stage hybrid desiccant AC, and two-stage hybrid desiccant AC. Results reveal that in December, when the cooling load is at its peak, the configuration exhibits a maximum COP of 0.80. It was found that with the reduction in the cooling load, the COP continued to decline and reached 0.30 in May and June. Solar power was used to power a two-stage hybrid dehumidification system. It was found that multistage systems might be able to operate at a lower regeneration temperature than single-stage systems. The ability of multistage systems to remove moisture was greater than single-stage systems. Sun et al. [11] investigated a desiccant dehumidification system with heat recovery using a desiccant-coated heat exchanger. The highest thermal COP was 1.34, almost twice as high as it was in the cycle without heat recovery, and the maximum waste heat utilization ratio was 86.5%. Valarezo et al. [12] experimented on a heat exchanger coated with sodium acetate and silica gel (SCHE), and potassium formate and silica gel. A sodium acetate silica gel-coated heat exchanger was found to work better during dehumidification and cooling. Hu et al. [13] fabricated a fin tube heat exchanger using a composite desiccant made of silica gel and lithium chloride (LiCl). The performance of the dehumidifier was compared with that of neat silica gel. The composite desiccant-coated heat exchanger performed better than the single desiccant and was found to be more advantageous at lower relative humidity conditions. Vivekh et al. [14] reviewed various types of sold desiccants including composite desiccants for dehumidification applications. They concluded that silica gel with LiCl salt shows excellent MRR compared to their counterparts. Binder selection and adhesive technology used for binding the desiccants is very significant for the proper functioning of the dehumidifier device.
Li et al. [15] investigated a single-stage desiccant-coated heat exchanger and a two-stage desiccant-coated heat exchanger for the different humidity of inlet air and different water temperature used for regeneration. Both were coated with silica gel and sodium polyacrylate separately. Results show that the COP of the two-stage heat exchanger was better than the single-stage but the regeneration temperature of the water was almost twice that of the single-stage. It was concluded that the type of desiccant and coating thickness were also imperative for dehumidification. J. Khedari et al. [16] tried to check the possibility of using agricultural waste such as coconut coir and durian peels as a desiccant, which could replace conventional desiccants. It was found that dry coconut coir was more suitable than durian peels since it can adsorb more moisture per 100 gm than durian peel. However, when compared to silica gel, the adsorption was still less. Asim et al. [17] conveyed that agricultural waste has the potential to be used as a desiccant and would be an interesting choice for replacing conventional desiccants. One of the advantages is that there is no need to regenerate them since they are available at a very low cost. Ashutosh Singh et al. [18] investigated the use of the natural desiccant cocopeat for dehumidification purposes. They tested the adsorption capacity of cocopeat, dry cow dung, and sawdust to replace the conventional desiccant. They obtained promising results with cocopeat and cow dung while sawdust did not have the property of a good desiccant. They suggested using a composite of these to have a better performance. N. Idris et al. [19] tested an over 100-square-foot area with coconut waste as a desiccant material and obtained the same adsorption capacity as silica gel. From the experiments, they claimed that coconut waste was also the least harmful to human health. X. Zheng et al. [20] experimented on a desiccant-coated fin tube heat exchanger and the desiccant used was activated carbon and activated carbon fiber, which was impregnated with lithium chloride to enhance its sorption quantity. The impregnated case showed better results than the base type.
A thorough literature summary discloses that by using a liquid desiccant, there is a high risk of the desiccant carrying over to the system along with cold air, which will cause adverse health effects. A solid desiccant has a low dehumidification capacity when compared with a liquid desiccant, which could be improved using a combination of desiccants. The dehumidification capacity of the system using a single desiccant is low; consequently, using a composite desiccant will enhance the system’s dehumidification capacity, making it more efficient. As the commercially available desiccants are having adverse effects on human and animal health and are also costly, it is desirable to use an eco-friendly and less costly material as a desiccant. The literature regarding the use of composite bio-desiccants is limited.
The heat due to condensation is received by the desiccant in a cycle, reducing the dehumidification capacity of the particular desiccant over the cycles. Hence, cooling the desiccant always plays an important role. Dehumidification capacity decreases as the temperature of the desiccant is increased over the cycles. Using normal fluids, such as water, the heat transfer rate is low and hence not effective. To overcome this problem, nanofluids can be used, which enhance the heat transfer capacity, thus enabling a better system performance. Due to the increase in surface area and due to the increased Brownian movement, thermal conductivity of the nanofluids is higher than the base fluids. Even though the nanofluids have slightly higher viscosity values than the base fluids, at elevated temperatures, they decrease, which allows easy access through the pipes. These characteristics will favor the heat transfer rate through the nanofluids [21]. Several researchers have used nanofluid as the cooling agent in several applications such as radiators, double-pipe heat exchangers, plate heat exchangers, etc. [22,23,24,25]. Studies related to the use of nanofluid for desiccant cooling have not been reported in the published literature. Cerium is one of the rare earth metals and cerium oxide, CeO2, is one of the oxides of cerium having antioxidant properties. It is used in various engineering and biological applications due to its characteristics such as the catalytic activity, higher surface area, and oxygen transfer ability, and hence can be considered as one of the potential nanoparticles for heat transfer applications [26,27].
Hence, the main objective of the present study was to fabricate an experimental test rig of an internally cooled heat exchanger with the layer of the chosen solid composite desiccant, to investigate its performance for different air flow rates and water flow rates, and CeO2 nanoparticle concentrations.

2. Methodology

Desiccant-coated sheets are arranged in series and are connected by pipes through the holes constructed in the plates. They are connected to the common headers and to the reservoir containing nanofluid. When the air is blown through the plates, the difference in the vapor pressure of air and the desiccant causes the moisture from the air to be adsorbed by the desiccant. This is being influenced by the temperature and the desiccant concentration. During the process, heat rejected by the air is partially acquired by air and the desiccant, which increases the plate temperature. Circulated nanofluid will serve as a cooling medium that will limit the temperature rise of the plate. Hence, to investigate the influence of this on the dehumidification performance, several parameters related to dehumidification and nanofluids have been altered and their influence on the dehumidification performance was investigated.

Theoretical Background

When the nanoparticles are mixed with the water at different volume fractions, the effective mixture properties such as density, viscosity, specific heat, and thermal conductivity will change. These parameters are calculated using [23,24] and are shown by Equations (1)–(4)
D y n a m i c   v i s c o s i t y   o f   N a n o f l u i d , μ n f = 1 + 2.5 ϕ μ f ϕ 5 %
where μ n f and μ f are the specific heat values of the Nanofluid and base fluid, respectively, and ϕ is the volume fraction of the nanoparticle.
D e n s i t y   o f   N a n o f l u i d , ρ n f = ϕ ρ s + 1 ϕ ρ f
with ρnf, ρs, and ρs as the density of the Nanofluid, solid, and base fluid, respectively.
Specific heat of the Nanofluid:
C pnf = ϕ ρ s C p s + 1 ϕ ρ f C p f ρ n f
where Cpf and Cps are the specific heat of the solid and base fluid, respectively.
E q u i v a l e n t   T h e r m a l   c o n d u c t i v i t y   o f   N a n o f l u i d k n f = k s + 2 k f + 2 k s k f 1 + β 3 ϕ k s k f k s + 2 k f 6.166 ϕ k s k f k f
where k s   a n d   k f are the thermal conductivity of the solid nanoparticle and base fluid, respectively, and ϕ is the volume fraction. β is the ratio of the nanolayer thickness to the original particle radius and is taken as 0.1.
The main parameters assessing the dehumidification performance are the moisture removal rate represented in g/s and dehumidification efficiency calculated using Equations (5) and (6), respectively.
M R R = m a ( W a _ i n W a _ o u t )
η d e h u m = ( W a _ i n W a _ o u t ) ( W a _ i n W e q u )
Cooling capacity is the measure of the cooling system ability to remove heat, which is calculated using Equation (7). This performance parameter is further used to calculate COP using Equation (4).
Q c = m a h a _ i n h a _ o u t
where h represents the air enthalpy at the entry and exit of the heat exchanger.
C O P = Q C W f + W p
where Wf and Wp represent the power required by the fan and the pump, respectively.

3. Composite Desiccant, Experimental Setup, and Methodology

3.1. Composite Desiccant

Activated carbon has been proven to be one of the most promising desiccants in the dehumidification industry. Its non-corrosiveness and higher pore size have made it one of the best desiccants. The activated carbon prepared by coal contains high ash contents, which have a detrimental effect on dehumidification. Hence, in the present study, coconut shell-based activated carbon was selected since this has minimum ash content. A composite bio desiccant is prepared by mixing another biomaterial (cocopeat, made of coconut coir) with activated carbon in a definite proportion. This is mixed in a ratio of 80:20% that is 80% activated carbon and 20% cocopeat using epoxy as the binder. The prepared composite bio desiccant is coated over the aluminum plates on both sides and dried under sunlight for 2 h.

3.2. Experimental Setup

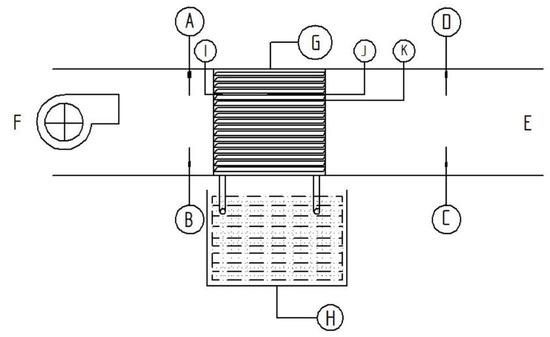
The experimental setup consisted of a desiccant-coated heat exchanger placed in a wooden duct. Figure 1 shows the schematic view of the system before conditioned air was blown over the desiccant-coated heat exchanger. DBT (dry bulb temperature) and RH (relative humidity) values before and after the heat exchanger were recorded by the thermocouples and hygrometers and air velocities were recorded by the anemometer. Figure 2 shows the individual desiccant-coated heat exchanger. It was fabricated using aluminum sheets with a thickness of 1 mm each. Holes were drilled at uniform distances within the plates and were connected by aluminum pipes. Hose and PVC elbows were used as connecting joints for the pipe. The set of pipes was connected to a single header for the nanofluid inlet and was similarly single at the exit. The heat exchanger was coated with the desiccant consisting of activated carbon and cocopeat with epoxy as the binder. The plates were placed at a distance of 0.7 cm from each other. Initially, the air was blown over the desiccant-coated heat exchanger and bare water was circulated along the pipes. When air interacted with the desiccant, dehumidification occurred and exit DBT and RH were reduced, which were recorded by the relevant instruments. The heat of condensation was absorbed by the water by which the exit water temperature increases. Air velocities and water flow rates were varied to study the influence of these operating parameters on the dehumidification performance. Later, instead of bare water, a mixture of water with cerium oxide nanoparticles was used as the cooling media. In order to ensure uniform distribution and to prevent agglomeration, the solution was sonicated using an ultrasonic sonicator for 2 h. Using this solution as the cooling media, the experiments were repeated and their effect on the dehumidification performance was studied. Table 1 shows the details of the tools and instruments used during the experiment. The complete matrix of the experimentation is shown in Table 2.
Figure 1. Schematic view. A, D: Thermocouples at inlet, on plates, and at outlet to note down the temperatures. B, C: Hygrometer at air entry and exit to note the relative humidity. F: Process air inlet through the exhaust fan. E: Dehumidified cool air outlet. G: Desiccant-coated heat exchanger. H: Two tanks placed opposite to each other. One where fluid is sent to the system and in the other, the outlet fluid is collected. I–K: Thermocouple to measure temperatures at different locations.
Figure 2. Desiccant-coated heat exchanger.
Table 1. Instrument specification.
Table 2. Parameter variation matrix.

4. Results and Discussion

To evaluate the influence of nanofluid on the dehumidification process, experiments were conducted by using cerium oxide nanoparticles mixed with water. Cerium oxide nanoparticles were procured from a nearby vendor. They were assumed to be spherical with an average diameter of 80 nm. The nanoparticle concentration varied from 0.05% to 0.3%. After the addition of the required quantity of nanoparticles to water, it was subjected to ultrasonication for 3 h to prepare a homogeneous mixture of nanoparticles in water.
Initially, experiments were conducted by using water as the coolant. Water flow rates and air flow rates varied according to the instrument specification provided in Table 1. Later, instead of bare water, nanofluid with varied volume concentrations was used as the coolant. The nanoparticle concentration varied from 0.05% to 0.3%. The main objective of the study was to check the performance of the dehumidification system coated with composite desiccants, tested using bare water and nanofluid. During these experiments, the relative humidity, inlet and outlet air temperature, air velocities, inlet and outlet water temperature, and plate temperatures were noted down. Based on the values recorded, the parameters such as the temperature ratio, moisture removal rate, dehumidification efficiency, and COP were calculated. The following section depicts the assessment of the experimental results obtained for the nanofluid and bare water as a coolant during the dehumidification using a solid desiccant.
The graphical representation of Figure 3, Figure 4, Figure 5, Figure 6, Figure 7 and Figure 8 show the comparison between different performance parameters for bare water and varying nanoparticle concentrations. As nanoparticle concentration was increased, the performance of dehumidification was improved. This is due to an increase in heat transfer between the desiccant-coated plate and the nanofluid. Effectively, a high heat transfer results in a lower plate temperature, which helps to maintain or lower the vapor pressure of the desiccant. When the nanoparticles were mixed with water, the effective thermal conductivity of the mixture was enhanced. Furthermore, the addition of nanoparticles enhanced the density of the mixture. This contributed to the higher retention time of the water in the pipe. These two effects resulted in a high heat transfer from the desiccant-coated plate to the water, resulting in a lower plate temperature.

4.1. Variation of Relative Humidity

A graphical display of the difference in the entry and exit relative humidity values for varying air flow rates is shown in Figure 3. It is observed that as the air velocity increases, the relative humidity gradually increases until the desiccant reaches its saturation point. As the air velocity increases, the contact time between the desiccant and air reduces, and hence has potential for reduced dehumidification. This increases the exit RH and hence their difference diminishes, as seen in the graph. As the water flow rate was increased, dehumidification first increased and then decreased when the flow rate surpassed the optimum value of 13 LPM in the present study. For a water flow rate of 13 LPM and air velocity varying from 1.6 m/s to 2.9 m/s for the system running without the nanoparticle, the difference in RH was observed to be varied from 12.2 to 4.8, as seen in Figure 3. For the same above-mentioned condition with the nanoparticle concentration of 0.3%, the change in relative humidity difference varied from 18 to 8.5, as seen in Figure 8. This indicates a better performance due to the addition of nanoparticles to the cooling liquid. During the dehumidification process, the plate temperature increased due to the heat of vaporization, which was absorbed by the air and desiccant. Water that flowed inside the tubes absorbed more energy when it was blended with the nanoparticles due to the increase in the effective thermal conductivity of the mixture. Hence, the effective plate temperature decreased, which on the other hand increased the dehumidification capacity of the composite desiccant. As the nanoparticle concentration increased, the relative humidity difference furthermore increased due to the lower plate temperature, which in turn raised the vapor pressure difference between the inlet air and desiccant-coated substrate. For the air velocity of 1.6 m/s, when the nanofluid concentration varied from 0 to 0.3%, the ΔRH increased from 12.1 to 18.2% against the value of 9.9 for the bare water (without the addition of nanoparticles).
Figure 3. Variation of ΔRH with air flow rate, water flow rate, and nanoparticle concentration.

4.2. Moisture Removal Rate (MRR)

The dehumidification capacity or moisture removal rate (MRR) is one of the parameters which describe the performance of the system. It mainly depends on the type of desiccant used, the characteristics of the air, and the adapted cooling system. It is seen from the graph in Figure 4 that as the velocity of air increased with and without the nanoparticle, dehumidification capacity increased. This rise was due to the increased air mass with the air velocity; even though the specific humidity drop decreased with the air velocity, the higher mass of air increased the moisture removal rate. With the addition of nanoparticles, the outlet temperature, as well as outlet humidity, decreased due to the reduced plate temperature, which promoted the dehumidification process. When the plate temperature drops, the difference in the vapor pressure between the air and the desiccant increases, which increases the potential for dehumidification. When the water flow rate was varied, better MRR was obtained until it reached 13 LPM, above which the MRR dropped. This initial increase was due to the efficient energy transfer between the desiccant-coated plate and water. However, when the flow rate was beyond 13 LPM, it was seen that the retention time of water in the pipe decreased drastically so that the energy transfer was reduced, resulting in reduced MRR. The system had a maximum moisture removal rate of 0.48 g/s without the nanoparticle, which can be seen in Figure 4. When nanoparticles were added, the moisture removal rate was increased to 0.74 g/s. The trend remained the same for the increase in nanoparticle concentration. When the nanoparticle concentration varied from 0 to 0.3% for the flow rate of 13 LPM, the observed percentage increase in performance was 53.14%.
Figure 4. Variation of MRR with air flow rate, water flow rate, and nanoparticle concentration.

4.3. Outlet Air Temperature

The ratio of the air exit temperature to the inlet temperature was plotted for both bare water and nanoparticle blended conditions. The heat of condensation was absorbed by the desiccant and the air during dehumidification. This increased the temperature of exit air and the desiccant-coated aluminum plates. An increase in the plate temperature had a significant influence on the dehumidification performance. It deteriorated the dehumidification due to the increased vapor pressure of the desiccant. A higher plate temperature further exchanges the heat energy with the air flowing over them, further heating the air. An increase in the air temperature increased the sensible load as the air needed to be cooled to a higher drop in temperature to reach the thermal conditions. Hence, the air outlet temperature was one of the significant factors influencing the dehumidification process. It is seen from Figure 5 that as the air velocity increased, the air outlet temperature was reduced for all water flow rates. When the water flow rate was lowest, the maximum ratio was obtained and gradually dropped as the water flow increased. When the water flow rate was kept low, it could not absorb a sufficient amount of energy due to the increased outlet air temperature. When the air velocity was increased, changes in the specific humidity values were lowered, resulting in a reduced temperature ratio. Instead of bare water, when nanoparticles were blended with water, energy absorption capacity increased due to the higher average thermal conductivity. In addition, the increased density of the blend slightly increased the viscosity of the mixture. Both these factors contributed to the decreased temperature ratio at the exit. Nanoparticle concentration had a direct influence on the performance. As the concentration was increased, the average thermal conductivity increased, which helped the heat removal process from the plate. As a result, the air exit temperature was reduced.
Figure 5. Variation of the ratio of exit to inlet air temperature with air flow rate, water flow rate, and nanoparticle concentration.

4.4. Dehumidification Efficiency

From Figure 6, it is observed that the dehumidification efficiency increased with an increase in air velocity but as air velocity was significantly higher, the change in efficiency was not so significant, as the slope seems to be flattened. Since dehumidification efficiency was a measure of the net difference in the specific humidity at the inlet and outlet and it increased with the air flow rate, the system efficiency also increased. Another reason for the increase in efficiency was equivalent specific humidity. Equivalent specific humidity increased with the change in temperature, which led to an increase in the dehumidification efficiency rise, as seen in Figure 6.
With the addition of nanoparticles to the water, the heat transfer capacity of the system was enhanced, thus reducing the plate temperature. Reduction in the plate temperature reduced the desiccant temperature. It increased the potential for dehumidification as the vapor pressure of the desiccant reduced with the drop in the temperature. Increasing the nanoparticle volume fraction dehumidification values increased the definite water flow rate and air flow rate. Hence, dehumidification efficiency was increased.
The efficiency increased to a maximum of 76.15% when the nanoparticle concentration was 0.3% at 13 LPM, which can be seen in Figure 6, whereas the maximum efficiency recorded for bare water was 45%. When the nanoparticle concentration varied from 0 to 0.3%, the percentage increase in performance was observed to be 57%, showing a significant rise in the dehumidification values by using nanofluid cooling for the desiccants.
Figure 6. Variation of dehumidification efficiency with air flow rate, water flow rate, and nanoparticle concentration.

4.5. Coefficient of Performance

The coefficient of performance is the ratio of the enthalpy difference obtained during dehumidification to the energy taken by the blower. From Figure 7, it is evident that for a particular water flow rate, the COP decreased as the air flow rate increased. The reason may be due to an increase in power consumption with the increase in the air flow rate. For different water flow rates, it was visible that COP increased up to 13 LPM, beyond which it started to reduce. This deterioration in COP was due to the reduction in the enthalpy difference of air at the inlet and outlet, which is a function of the temperature and relative humidity at the inlet and outlet. This affected the cooling capacity, ultimately reducing COP. On the other hand, when nanoparticles were used with water to cool the desiccant, COP values were higher for all corresponding values without the nanoparticles. This rise in COP was due to the increase in dehumidification capacity. The air enthalpy difference will be higher, which increases the COP values for the same energy consumption. Further, it was also seen that as the volume fraction of the nanoparticles increased, COP also increased.
Considering bare water for a flow rate of 13 LPM for air velocity varying from 1.6 m/s to 2.3 m/s, the COP decreased from 6.04 to 5.88, while for a 0.05% nanoparticle concentration for the same operating condition, COP varied from 7.58 to 7.42, as can be seen in Figure 7. For the bare water case, the highest COP observed is 6.04, whereas with the addition of the nanoparticles to the liquid, the COP is found to be 10.4 for the highest nanoparticle concentration of 0.3%. Hence, to make the dehumidification energy efficient, nanoparticles with definite volume fractions can be blended with the base cooling liquid.
Figure 7. Variation of coefficient of performance with air flow rate, water flow rate, and nanoparticle concentration.

4.6. Average Plate Temperature

When the nanoparticles were added to water, the effective thermal conductivity, viscosity, and density also slightly increased. An increase in these characteristics will effectively increase the heat transfer rate between the desiccant-coated plate and nano coolant. Hence, the plate temperature dropped sharply as compared with the water without nanoparticles. As this leads to improved dehumidification efficiency, lowering the plate temperature was the main objective of the study. The decrease in the plate temperature with the increase in nanoparticle concentrations is shown in Figure 8. The highest drop is observed when the air flow rate was minimum and reduces as the flow rate increased. In the present study, when nanoparticle concentration was increased from 0 to 0.3%, 7.29% for an AV of 1.6 m/s was present, where it was 4.1% for the highest AV of 3.3 m/s. An increase in the nanoparticle concentration increased the average effective thermal conductivity of the liquid. The Brownian movement of nanoparticles inside the water tubes helped the effective thermal conductivity to rise. Hence, a higher heat transfer was obtained between the desiccant-coated heat exchanger plate and water, which decreased the average plate temperature.
Figure 8. Variation of average plate temperature with nanoparticle concentration.
The average reduction in the plate temperature increased the dehumidification capacity of the desiccant. For a given dehumidification load, and a given desiccant, the average plate temperature was one of the significant parameters deciding the dehumidification values. Hence, if the plate is properly cooled, the rise in the plate temperature can be minimized, thereby increasing the dehumidification values. In other words, effective cooling reduced the surface area requirements to handle a definite dehumidification load.
When bare water is replaced by the cerium oxide nanofluid with an optimum concentration of 0.3%, for cooling the dehumidification plates, and the best combination of the air flow rate and water flow rate, reduction in the area requirements can be compared with the existing area used in the present setup. Comparing the sensible heat gained by the cooling liquid with the enthalpy change that occurred during dehumidification, heat transfer area requirements can be calculated. It was observed that by replacing the bare water with nanofluid, the area requirements can be reduced by 6.1%. Considering a plate with a dimension of 0.3 × 0.3 m, four lesser plates may be sufficient to handle the same dehumidification load. This indicates the advantage of providing nano cooling to the dehumidification process.

5. Comparison with Literature Results

The present experimental results are compared with the literature results of other dehumidification systems. Cheng et al. [28] used structured packing material with a liquid desiccant. They found a maximum dehumidification efficiency of 73% and MRR of 1.4 g/s. Naik et al. [29] observed an efficiency of 74% and MRR of 3.2 g/s under LiCl as the desiccant. Corresponding values observed by Salins et al. [30] were 65% and 0.25 g/s, respectively, during the experiments with wood shaving material. Present experimental results revealed a dehumidification efficiency of 75% and MRR of 0.76 g/s with activated carbon as the desiccant. These results are found to be in line with the literature values. In addition, by using the nanofluids, the plate temperature was lowered by around 4.1%, or alternatively reduced the area requirement to have the same amount of MRR.

6. Conclusions

In the current work, a composite bio desiccant prepared by mixing activated carbon and cocopeat in the ratio of 80:20 was used as a desiccant and we conducted dehumidification experimental studies in an aluminum plate type of dehumidifier using water and nanofluid as the cooling media. The conclusions can be summarized as follows:
  • A combination of activated carbon and cocopeat can be used as one of the alternative desiccants that provides dehumidification values comparable to that of silica gel, a molecular sieve that is commercially available.
  • Together with the comparable performance, the prepared desiccants provide other advantages such as being biomass-based, cheaper, easily available and manufactured, and with a reduced regeneration temperature.
  • Using bare water as the fluid for internal cooling showed a maximum dehumidification capacity of 0.68 g/s and dehumidification efficiency of 53.063% when the water flow rate was maintained at 13 LPM.
  • Mixing nanoparticles with water improved the dehumidification performance of the system. Higher concentrations of nanoparticles yielded better results. For 0.1%, 0.2%, and 0.3%, the dehumidification capacity was found to be 0.8 g/s, 0.92 g/s, and 1 g/s, respectively.
  • With the addition of the nanoparticles, dehumidification efficiency was improved. For 0.1%, 0.2%, and 0.3%, the dehumidification efficiency was found to be 59.2%, 62.5%, and 70.5%, respectively, against a value of 58.2% with bare water and without the addition of nanoparticles.
  • A maximum reduction of 3 °C in the plate temperature was noticed for the optimum air flow and water flow conditions using a 0.3% volume concentration of nanoparticles. Correspondingly, an area requirement of 6.1% can be reduced to take the identical dehumidification load.
Hence, use of the composite desiccant is a sustainable energy-based technique that can reduce the air conditioning latent load effectively. Providing nanofluid cooling to the dehumidification process not only improves the dehumidification capacity but also reduces the area requirement of the dehumidifier used for building cooling. Hence, it is recommended to use a nanofluid cooling arrangement during solid dehumidification using desiccants. This will certainly contribute to the encouragement of sustainable technology development.

Future Scope

Experiments can be further continued by varying the nanoparticle size and type to investigate their influence on the dehumidification performance. Even the desiccant material and blend percentage can be varied to examine the better and more efficient bio desiccant.

Author Contributions

Conceptualization, S.K. and N.K.; methodology, G.H. and M.F.; validation, S.K.; writing—original draft preparation, M.F.; writing—review and editing, S.K. and N.K.; supervision, S.K. All authors have read and agreed to the published version of the manuscript.

Funding

This research received no external funding.

Data Availability Statement

No new data were created or analyzed in this study. Data sharing is not applicable to this article.

Conflicts of Interest

The authors declare no conflict of interest.

References

  1. Ebrahimi, P.; Ridwana, I.; Nassif, N. Solutions to Achieve High-Efficient and Clean Building HVAC Systems. Buildings 2023, 13, 1211. [Google Scholar] [CrossRef]
  2. Yoon, Y.; Seo, B.; Cho, S. Potential Cooling Energy Savings of Economizer Control and Artificial-Neural-Network-Based Air-Handling Unit Discharge Air Temperature Control for Commercial Building. Buildings 2023, 13, 1174. [Google Scholar] [CrossRef]
  3. Sampath, S.S.; Kumar, S.; Reddy, S.V.K. Influence of Different Desiccants, Flow Type and Packings on the Liquid Desiccant Dehumidification System: A Review. Int. J. Air-Cond. Refrig. 2020, 28, 2030002. [Google Scholar] [CrossRef]
  4. Asim, N.; Amin, M.H.; Alghoul, M.; Badiei, M.; Mohammad, M.; Gasaymeh, S.S.; Amin, N.; Sopian, K. Key factors of desiccant-based cooling systems: Materials. Appl. Therm. Eng. 2019, 159, 113946. [Google Scholar] [CrossRef]
  5. Jani, D.B.; Mishra, M.; Sahoo, P.K. Solid Desiccant Air Conditioning—A State of the Art Review. Renew. Sustain. Energy Rev. 2016, 60, 1451–1469. [Google Scholar] [CrossRef]
  6. Sahlot, M.; Riffat, S.B. Desiccant cooling systems: A review. Int. J. Low-Carbon Technol. 2016, 11, 489–505. [Google Scholar] [CrossRef]
  7. Singh, R.P.; Mishra, V.K.; Das, R.K. Desiccant materials for air conditioning applications—A review. IOP Conf. Ser. Mater. Sci. Eng. 2018, 404, 012005. [Google Scholar] [CrossRef]
  8. Saeed, A.; Al-Alili, A. A review on desiccant coated heat exchangers. Sci. Technol. Built Environ. 2017, 23, 136–150. [Google Scholar] [CrossRef]
  9. Venegas, T.; Qu, M.; Nawaz, K.; Wang, L. Critical Review and Future Prospects for Desiccant Coated Heat Exchangers: Materials, Design, and Manufacturing. Renew. Sustain. Energy Rev. 2021, 151, 111531. [Google Scholar] [CrossRef]
  10. Sultan, M.; El-Sharkawy, I.I.; Miyazaki, T.; Saha, B.B.; Koyama, S. An Overview of Solid Desiccant Dehu-midification and Air Conditioning Systems. Renew. Sustain. Energy Rev. 2015, 46, 16–29. [Google Scholar] [CrossRef]
  11. Sun, X.Y.; Chen, J.L.; Zhao, Y.; Li, X.; Ge, T.S.; Wang, C.H.; Dai, Y.J. Experimental Investigation on a De-humidification Unit with Heat Recovery Using Desiccant Coated Heat Exchanger in Waste to Energy System. Appl. Therm. Eng. 2021, 185, 116342. [Google Scholar] [CrossRef]
  12. Valarezo, A.S.; Sun, X.; Ge, T.; Dai, Y.; Wang, R. Experimental investigation on performance of a novel composite desiccant coated heat exchanger in summer and winter seasons. Energy 2019, 166, 506–518. [Google Scholar] [CrossRef]
  13. Hu, L.; Ge, T.; Jiang, Y.; Wang, R. Performance study on composite desiccant material coated fin-tube heat exchangers. Int. J. Heat Mass Transf. 2015, 90, 109–120. [Google Scholar] [CrossRef]
  14. Vivekh, P.; Kumja, M.; Bui, D.T.; Chua, K.J. Recent Developments in Solid Desiccant Coated Heat Ex-changers—A Review. Appl. Energy 2018, 229, 778–803. [Google Scholar] [CrossRef]
  15. Li, K.-Y.; Luo, W.-J.; Tsai, B.-Y.; Kuan, Y.-D. Performance Analysis of Two-Stage Solid Desiccant Densely Coated Heat Exchangers. Sustainability 2020, 12, 7357. [Google Scholar] [CrossRef]
  16. Khedari, J.; Rawangkul, R.; Chimchavee, W.; Hirunlabh, J.; Watanasungsuit, A. Feasibility study of using agriculture waste as desiccant for air conditioning system. Renew. Energy 2003, 28, 1617–1628. [Google Scholar] [CrossRef]
  17. Asim, N.; Emdadi, Z.; Mohammad, M.; Yarmo, M.A.; Sopian, K. Agricultural Solid Wastes for Green Desiccant Applications: An Overview of Research Achievements, Opportunities and Perspectives. J. Clean. Prod. 2015, 91, 26–35. [Google Scholar] [CrossRef]
  18. Singh, A.; Kumar, S.; Dev, R. Studies on cocopeat, sawdust and dried cow dung as desiccant for evaporative cooling system. Renew. Energy 2019, 142, 295–303. [Google Scholar] [CrossRef]
  19. Idris, N.; Saadon, I.; Kamarulzaman, M.; Hashim, R.; Zakaria, M.; Mitan, N. Young Coconut Waste as Greener Desiccant Alternative in Desiccant Dehumidifier. J. Phys. Conf. Ser. 2020, 1529, 042039. [Google Scholar] [CrossRef]
  20. Zheng, X.; Wang, R.; Ge, T. Experimental study and performance predication of carbon based composite desiccants for desiccant coated heat exchangers. Int. J. Refrig. 2016, 72, 124–131. [Google Scholar] [CrossRef]
  21. Angayarkanni, S.A.; Sunny, V.; Philip, J. Effect of Nanoparticle Size, Morphology and Concentration on Specific Heat Capacity and Thermal Conductivity of Nanofluids. J. Nanofluids 2015, 4, 302–309. [Google Scholar] [CrossRef]
  22. Naraki, M.; Peyghambarzadeh, S.; Hashemabadi, S.; Vermahmoudi, Y. Parametric study of overall heat transfer coefficient of CuO/water nanofluids in a car radiator. Int. J. Therm. Sci. 2013, 66, 82–90. [Google Scholar] [CrossRef]
  23. Zamzamian, A.; Oskouie, S.N.; Doosthoseini, A.; Joneidi, A.; Pazouki, M. Experimental Investigation of Forced Convective Heat Transfer Coefficient in Nanofluids of Al2O3/EG and CuO/EG in a Double Pipe and Plate Heat Exchangers under Turbulent Flow. Exp. Therm. Fluid Sci. 2011, 35, 495–502. [Google Scholar] [CrossRef]
  24. Farajollahi, B.; Etemad, S.; Hojjat, M. Heat transfer of nanofluids in a shell and tube heat exchanger. Int. J. Heat Mass Transf. 2010, 53, 12–17. [Google Scholar] [CrossRef]
  25. Kumar, S.; Dinesha, P.; Gaggad, A.; Mehrotra, K. Performance of an Automotive Car Radiator Operated with Nanofluid-Based Coolant. Heat Transf. Res. 2018, 49, 1527–1543. [Google Scholar] [CrossRef]
  26. Kode, V.R.; Stuckenberg, D.J.; Went, E.K.; Erickson, O.M.; Plumer, E. Techno-Economic Analysis of At-mospheric Water Generation by Hybrid Nanofluids to Mitigate Global Water Scarcity. Liquids 2022, 2, 183–195. [Google Scholar] [CrossRef]
  27. Selvam, C.; Lal, D.M.; Harish, S. Thermal conductivity and specific heat capacity of water–ethylene glycol mixture-based nanofluids with graphene nanoplatelets. J. Therm. Anal. Calorim. 2017, 129, 947–955. [Google Scholar] [CrossRef]
  28. Cheng, X.; Rong, Y.; Zhou, X.; Gu, C.; Zhi, X.; Qiu, L.; Yuan, Y.; Wang, K. Performance analysis of a multistage internal circulation liquid desiccant dehumidifier. Appl. Therm. Eng. 2020, 172, 115163. [Google Scholar] [CrossRef]
  29. Naik, B.K.; Muthukumar, P. Experimental investigation and parametric studies on structured packing chamber based liquid desiccant dehumidification and regeneration systems. Build. Environ. 2018, 149, 330–348. [Google Scholar] [CrossRef]
  30. Salins, S.S.; Reddy, S.V.K.; Kumar, S. Assessment of process parameters in a dehumidification process using biomass-based wood shaving as a packing material. Indoor Built Environ. 2021, 31, 496–509. [Google Scholar] [CrossRef]
Disclaimer/Publisher’s Note: The statements, opinions and data contained in all publications are solely those of the individual author(s) and contributor(s) and not of MDPI and/or the editor(s). MDPI and/or the editor(s) disclaim responsibility for any injury to people or property resulting from any ideas, methods, instructions or products referred to in the content.

Article Metrics

Citations

Article Access Statistics

Multiple requests from the same IP address are counted as one view.