Effect of Fast Loading on the Seismic Performance of SRUHSC Frame Structures
Abstract
:1. Introduction
- (1)
- In the study of fast loading, the existing building standards lag seriously behind the engineering. The European code CEB-FIP1990 proposed that the strength of concrete increases with an increase in the fast-loading rate. However, there is no relevant code for fast loading in China, which is problematic for further study of the seismic performance of structures.
- (2)
- The existing studies on the strain rates of high-strength and ultra-high-strength concrete materials mostly focus on the material level. The seismic performance analysis of materials when they are incorporated into structures is still unknown in terms of understanding the impact of fast loading on the overall structure.
- (3)
- At present, most of the research studies are based in the laboratory, and most of them are on reinforced ordinary concrete beams, columns, joints and other components. Research on overall rapid loading rates and frame structure is yet to be conducted.
2. Experimental Program
2.1. Design of Specimens
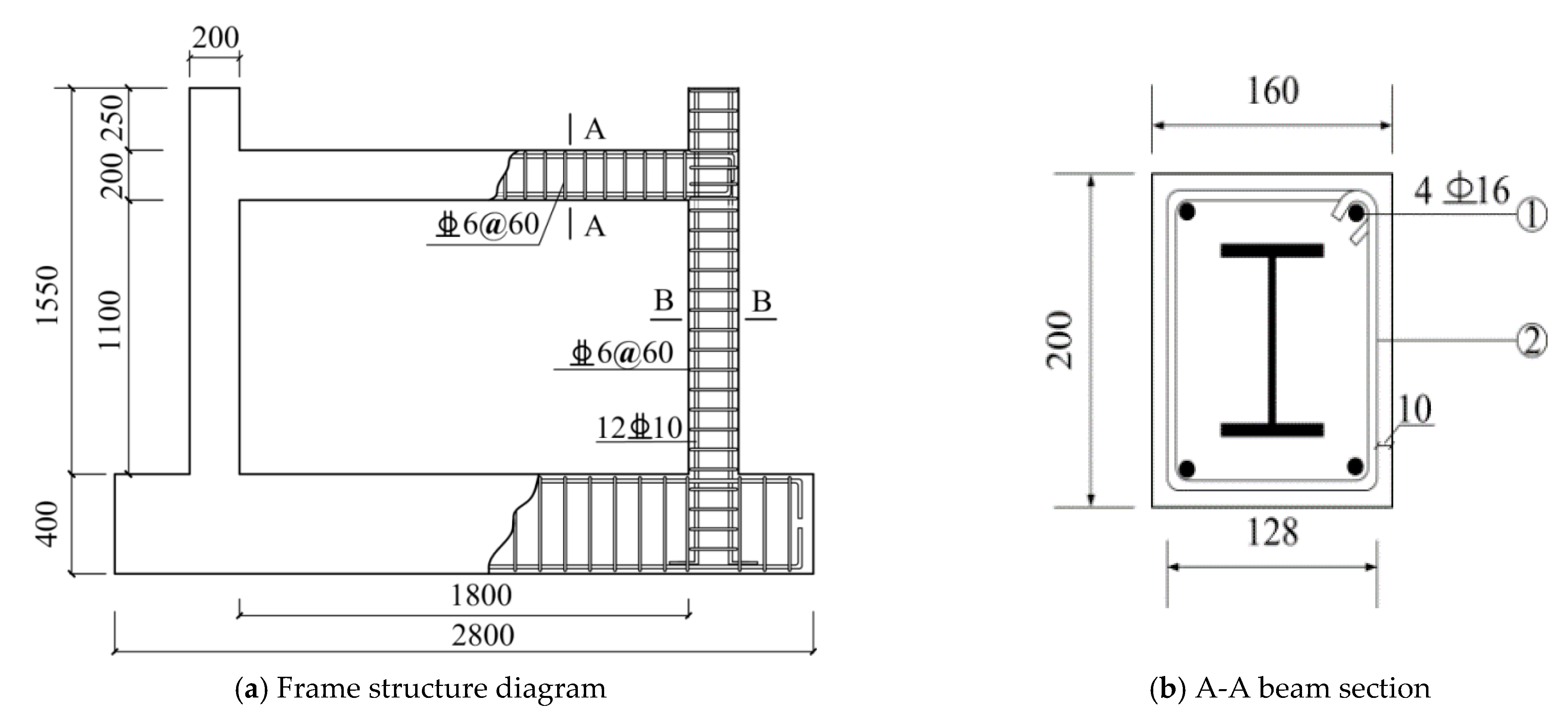
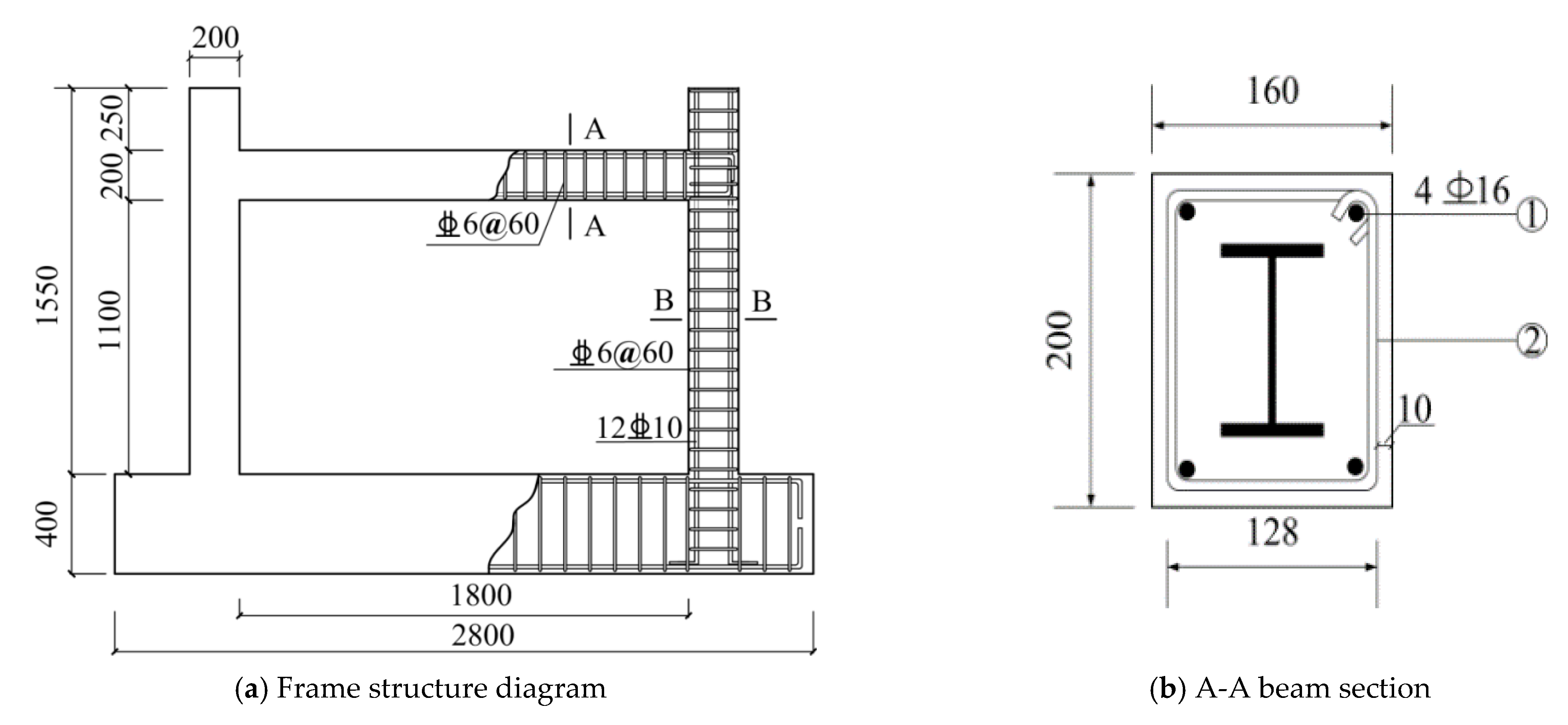
6, as shown in Figure 1b. The section size of the column is 200 mm × 200 mm. The longitudinal reinforcement is of HRB400 three-level rebar 12
10. The stirrup is the composite stirrup of HRB400
6. The stirrup spacing is 60 mm and the longitudinal reinforcement of the beam is HRB335 4
16. The cross-section form of the column is shown in Figure 1c. The construction style of the SRUHSC frame is shown in Figure 2.2.2. Loading Conditions
2.3. Crack Pattern and Failure Mode
3. Results and Discussion
3.1. Load versus Displacement Hysteresis Loops
3.2. Skeleton Curves
3.3. Ductility
3.4. Stiffness Degradation
3.5. Energy Dissipation
3.6. Residual Displacement
3.7. Strain Analysis
4. Conclusions
- (1)
- The horizontal resistance capacity of structures can be significantly improved by rapid loading in the elastic and elastic–plastic ranges. The loading rate has a significant impact in those stages of structural stress. After reaching the plastic deformation point, the effect of the loading rate on the horizontal resistance capacity of the structure is weakened.
- (2)
- Rapid loading can reduce the rate of horizontal resistance capacity declination and reduce the bond-slip behavior of the structure under the same amplitude in the plastic deformation stage, which has the effect of improving the stability of the structure and increasing the deformation capacity of the structure.
- (3)
- The ductility coefficient of the structure increases with the same axial compression ratio under rapid loading. The ductility coefficient increases greatly with a low axial compression ratio, while the ductility coefficient increases slightly with a high axial compression ratio. This shows that the loading rate has a significant effect on the frame with a small axial compression ratio.
- (4)
- With the increase in loading rate, the secant stiffness of the structure is improved. When the axial compression ratio is 0.25, the slope of stiffness degradation increases; when the axial compression ratio is 0.45, only the overall secant stiffness value of the structure increases and the effect on the slope of stiffness degradation is not obvious.
- (5)
- The effect of rapid loading on the energy dissipation capacity of the structure is not obvious, while the energy dissipation capacity is slightly lower than that of the static test.
- (6)
- The variation of residual displacement and the residual displacement ratio under rapid loading is larger than the pseudo-static test value. The effect of loading rate on the residual displacement and displacement ratio is obvious when the axial pressure is small. The residual deformation increases and the overall deformation capacity decreases with an increase in axial compression ratio.
Author Contributions
Funding
Informed Consent Statement
Data Availability Statement
Acknowledgments
Conflicts of Interest
References
- Mahin, S.A.; Bertero, V.V. Rate of Loading Effects on Uncracked and Repaired Reinforced Concrete Members; Report, No. EERC 72-9; Earthquake Engineering Research Center, University of California at Berkeley: Berkeley, CA, USA, 1972. [Google Scholar]
- Chung, L.; Shah, S.P. Effect of loading rate on anchorage bond and beam-column joints. ACI Struct. J. 1989, 86, 132–142. [Google Scholar]
- Kitajima, K.; Koizumi, T.; Akiyama, H.; Kanda, M.; Nakanishi, M.; Adachi, H. Response characteristics of reinforced concrete columns under bi-directional earthquake motions. In Proceedings of the 10th World Conference on Earthquake Engineering, Madrid, Spain, 19–24 July 1992. [Google Scholar]
- Inoue, N.; Wenliuhan, H.; Kanno, H.; Hori, N.; Ogawa, J. Shaking table tests of reinforced concrete columns subjected to simulated input motions with different time durations. J. Struct. Eng. 2000, 45, 313–320. [Google Scholar]
- Lee, W.; Lin, C.; Liu, T. Impact and fracture response of sintered 316L stainless steel subjected to high strain rate loading. Mater. Charact. 2007, 58, 363–370. [Google Scholar] [CrossRef]
- Rodríguez-Martínez, J.A.; Rusinek, A.; Klepaczko, J.R. Constitutive relation for steels approximating quasi-static and intermediate strain rates at large deformations. Mech. Res. Commun. 2009, 36, 419–427. [Google Scholar] [CrossRef]
- Fan, G.; Song, Y. Effect of axial compression ratio on dynamic mechanical properties of RC beam–column joints. Mag. Concr. Res. 2014, 66, 1219–1236. [Google Scholar] [CrossRef]
- Fan, G.; Song, Y.; Wang, L. Experimental study on the seismic behavior of reinforced concrete beam-column joints under various strain rates. J. Reinf. Plast. Compos. 2014, 33, 601–618. [Google Scholar] [CrossRef]
- Bischoff, P.H.; Perry, S.H. Compression behavior concrete at high strain rate. Mater. Struct. 1991, 24, 425–445. [Google Scholar] [CrossRef]
- Comtié Euro-International du Béton. CEB-FIP Model Code 1990; Thomas Telford Ltd.: London, UK, 1993. [Google Scholar]
- Malvar, L.J.; Ross, C.A. Review of strain rate effects for concrete in tension. ACI Mater. J. 1998, 95, 735–739. [Google Scholar]
- Shafieifar, M.; Farzad, M.; Azizinamini, A. Experimental and numerical study on mechanical properties of Ultra High Performance Concrete (UHPC). Constr. Build. Mater. 2017, 156, 402–411. [Google Scholar] [CrossRef]
- Maio, U.D.; Fantuzzi, N.; Greco, F.; Leonetti, L.; Pranno, A. Failure analysis of ultra high-performance fiber-reinforced concrete structures enhanced with nanomaterials by using a diffuse cohesive interface approach. Nanomaterials 2020, 10, 1792. [Google Scholar] [CrossRef] [PubMed]
- Asprone, D.; Frascadore, R.; Di Ludovico, M.; Prota, A.; Manfredi, G. Influence of strain rate on the seismic response of RC structures. Eng. Struct. 2012, 35, 29–36. [Google Scholar] [CrossRef]
- Liu, W.; Jia, J.Q. Experimental study on the seismic behavior of steel-reinforced ultra-high-strength concreted ultra-high-strength concrete frame joints with cyclic loads. Adv. Struct. Eng. 2018, 21, 270~286. [Google Scholar] [CrossRef]
- Parviz, S.; Ki, B.C. Steel Mechanical Properties at Different Strain Rates. J. Struct. Eng. 1987, 113, 663–672. [Google Scholar]
- Fu, H.C.; Erki, M.A.; Seckin, M. Review of Effects of Loading Rate on Concrete in Compression. J. Struct. Eng. 1991, 117, 3645–3659. [Google Scholar] [CrossRef]
- Restrepo, J.I.; Dodd, L.L.; Park, R.; Cooke, N. Variables Affecting Cyclic Behavior of Reinforcing Steel. J. Struct. Eng. 1994, 120, 3178–3196. [Google Scholar] [CrossRef]
- Yadav, S.; Ramesh, K.T. The mechanical properties of tungsten-based composites at very high strain rates. Mater. Sci. Eng. A 1995, 203, 140–153. [Google Scholar] [CrossRef]
- Wille, K.; Naaman, A.E.; Parramontesinos, G.J. Ultra-High Performance Concrete with Compressive Strength Exceeding 150 MPa (22 ksi): A Simpler Way. ACI Mater. J. 2011, 108, 46–54. [Google Scholar]
- Shen, W.; Liu, Y.; Cao, L.; Huo, X.; Yang, Z.; Zhou, C.; He, P.; Lu, Z. Mixing design and microstructure of ultra high strength concrete with manufactured sand. Constr. Build. Mater. 2017, 143, 312–321. [Google Scholar] [CrossRef]
- Guo, Y.B.; Gao, G.F.; Jing, L.; Shim, V.P.W. Response of high-strength concrete to dynamic compressive loading. Int. J. Impact Eng. 2017, 108, 114–135. [Google Scholar] [CrossRef]














| Specimens | Steel Shape | Structural Steel Ratio | Sectional Strength Ratio | Shear Span Ratio | Test Axial Compression Ratio | Loading Rate (mm/s) |
|---|---|---|---|---|---|---|
| SRUHSC-SRC-N25-I3 | I10 | 3.5% | 1.4 | 3 | 0.25 | 0.5 |
| SRUHSC-SRC-N45-I3 | I10 | 3.5% | 1.4 | 3 | 0.45 | 0.5 |
| SRUHSC-SRC-N25-I3-V20 | I10 | 3.5% | 1.4 | 3 | 0.25 | 20 |
| SRUHSC-SRC-N45-I3-V20 | I10 | 3.5% | 1.4 | 3 | 0.45 | 20 |
| Concrete Strength | Cube Crushing Strength/fcu (MPa) | Prismatic Compressive Strength/fc (MPa) | Elasticity Modulus/Ec (GPa) | Poisson Ratio/ν |
|---|---|---|---|---|
| C100 | 116.57 | 104.39 | 43.27 | 0.241 |
| 115.36 | 108.45 | 44.25 | 0.248 | |
| 108.72 | 103.72 | 45.32 | 0.246 | |
| Average value | 113.55 | 105.52 | 44.28 | 0.245 |
| C40 | 46.26 | 41.57 | 34.01 | 0.222 |
| 48.76 | 40.82 | 32.96 | 0.220 | |
| 46.88 | 42.26 | 32.48 | 0.206 | |
| Average value | 47.30 | 41.55 | 33.15 | 0.216 |
| Mechanical Performance Index | φ6 (HRB400) | φ10 (HRB400) | φ16 (HRB335) | I10 (Q235) | |
|---|---|---|---|---|---|
| Flange | Web | ||||
| Yield strength (MPa) | 522.7 | 437.0 | 383.0 | 317.2 | 305.2 |
| Yield strain (×10−6) | 2736 | 2309 | 1888 | 1540 | 1502 |
| Ultimate strength (MPa) | 680.2 | 616.8 | 579.6 | 424.8 | 394.9 |
| Specimens | Yield Point | Peak Point | Ultimate Point | Ductility | ||||||
|---|---|---|---|---|---|---|---|---|---|---|
| Fy (kN) | Δy/mm | Fm (kN) | Δm (mm) | Fu (kN) | Δu/mm | θu | µΔ | Average Value | ||
| SRUHSC-SRC-N25-I3 | + | 300.2 | 15.38 | 326.22 | 20.56 | 261 | 37.47 | 1/31 | 2.44 | 2.39 |
| − | −280.7 | −16.72 | −300.38 | −23.26 | −240.3 | −39.1 | 1/32 | 2.34 | ||
| SRUHSC-SRC-N25-I3-V20 | + | 303.9 | 10.6 | 340 | 15.67 | 270 | 30.7 | 1/39 | 2.89 | 3.29 |
| − | −285.3 | −13.3 | −321 | −18.46 | −256 | −49.1 | 1/25 | 3.69 | ||
| SRUHSC-SRC-N45-I3 | + | 292.6 | 11.34 | 332.6 | 13.89 | 266.1 | 27.3 | 1/44 | 2.41 | 2.44 |
| − | −279.7 | −13.7 | −318 | −19.15 | −254.4 | −33.86 | 1/35 | 2.47 | ||
| SRUHSC-SRC-N45-I3-V20 | + | 321 | 10.1 | 351.3 | 15.36 | 281 | 25.1 | 1/48 | 2.49 | 2.64 |
| − | −291.4 | −11.3 | −337.1 | −16.19 | −269.68 | −31.5 | 1/38 | 2.78 | ||
Publisher’s Note: MDPI stays neutral with regard to jurisdictional claims in published maps and institutional affiliations. |
© 2022 by the authors. Licensee MDPI, Basel, Switzerland. This article is an open access article distributed under the terms and conditions of the Creative Commons Attribution (CC BY) license (https://creativecommons.org/licenses/by/4.0/).
Share and Cite
Liu, W.; Ma, Y.; Jia, J. Effect of Fast Loading on the Seismic Performance of SRUHSC Frame Structures. Buildings 2022, 12, 736. https://doi.org/10.3390/buildings12060736
Liu W, Ma Y, Jia J. Effect of Fast Loading on the Seismic Performance of SRUHSC Frame Structures. Buildings. 2022; 12(6):736. https://doi.org/10.3390/buildings12060736
Chicago/Turabian StyleLiu, Wei, Yingchao Ma, and Jinqing Jia. 2022. "Effect of Fast Loading on the Seismic Performance of SRUHSC Frame Structures" Buildings 12, no. 6: 736. https://doi.org/10.3390/buildings12060736
APA StyleLiu, W., Ma, Y., & Jia, J. (2022). Effect of Fast Loading on the Seismic Performance of SRUHSC Frame Structures. Buildings, 12(6), 736. https://doi.org/10.3390/buildings12060736
