Eleven-Year Follow-Up on the Effect of Thermoplastic Aggregates’ Addition to Reinforced Concrete
Abstract
:1. Introduction
2. Materials and Methods
2.1. Materials
2.2. Methods
3. Results
3.1. Carbonation Depth
3.2. Volume of Permeable Pore Space
3.3. Optical Microscopy and Stereoscopy
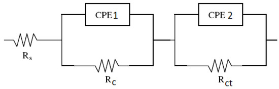
3.4. EIS Measurements
4. Conclusions
- Carbonation is observed in all mixes to a depth of 9.5 to 13.0 mm from the specimen surface. This carbonation is assumed to be expected at the age of 11 years. The addition of thermoplastics cannot be characterized significantly as a modifier of the mean carbonation depth for the tested specimens.
- Optical microscopy and stereoscopy of rebars’ surface revealed that the corrosion process has initiated. The pitting corrosion observed is mainly due to chloride diffusion since carbonation was not observed near the rebars. Chlorides existed in the specimens since they were immersed in 3.5 wt% sodium chloride solution for 240 days, and after their primary testing, they were left in laboratory ambient air up to the age of 11 years for the second testing described in the present study. The addition of thermoplastics did not seem to practically influence the extent of corrosion.
- EIS measurements reveal the absence of high rates of corrosion in all mixes. In all cases, the rebar resistance Rct was found to be very high (>108). This means that 12% by volume may be a good percentage for the replacement of conventional aggregates. The results were satisfactory and promising compared with the reference mix.
- Values of the parameters obtained from equivalent circuit fitting showed the existence of carbonation and macrogalvanic elements due to pitting corrosion. At the age of 11 years, Rs, which is the electrolyte resistance (concrete pore solution), was found to be approximately 10 times lower as compared with the values retrieved at the age of 240 days of the previous paper. The reduction of the n parameter for CPE2 from a value of approximately 1 (age of 240 days) to values of 0.44 to 0.59 (age of 11 years) is attributed to the existence of those macrogalvanic elements.
Author Contributions
Funding
Data Availability Statement
Conflicts of Interest
References
- Gavela, S.; Kolias, S.; Kordatos, K.; Kasselouri-Rigopoulou, V. A new approach to utilization of thermoplastic waste. Fresenius Environ. Bull. 2009, 18, 224–228. [Google Scholar]
- Gavela, S.; Kolias, S.; Avramopoulou, M.; Kasselouri-Rigopoulou, V. Investigation on the possibility of using concrete containing plastic waste as aggregates for pavement construction. In Proceedings of the 10th International Symposium on Concrete Roads, Brussels, Belgium, 18–22 September 2006. [Google Scholar]
- Gavela, S.; Hatzifoti, C.; Hatzifotis, N.; Kolias, S.; Kasselouri-Rigopoulou, V. Physiko—Mechanical properties of concrete containing thermoplastic wastes as aggregates. In Proceedings of the 1st Hellenic Conference for the Utilization of By-products in Construction, Thessaloniki, Greece, 24–26 November 2005. [Google Scholar]
- Gu, L.; Ozbakkaloglu, T. Use of recycled plastics in concrete: A critical review. Waste Manag. 2016, 51, 19–42. [Google Scholar] [CrossRef] [PubMed]
- Albano, C.; Camacho, N.; Hernandez, M.; Matheus, A.; Gutierrez, A. Influence of content and particle size of waste pet bottles on concrete behavior at different w/c ratios. Waste Manag. 2009, 29, 2707–2716. [Google Scholar] [CrossRef] [PubMed]
- Galvao, J.C.A.; Portella, K.F.; Joukoski, A.; Mendes, R.; Ferreira, E.S. Use of waste polymers in concrete for repair of dam hydraulic surfaces. Constr. Build. Mater. 2011, 25, 1049–1055. [Google Scholar] [CrossRef]
- Batayneh, M.; Marie, I.; Asi, I. Use of selected waste materials in concrete mixes. Waste Manag. 2007, 27, 1870–1876. [Google Scholar] [CrossRef]
- Rahmani, E.; Dehestani, M.; Beygi, M.H.A.; Allahyari, H.; Nikbin, I.M. On the mechanical properties of concrete containing waste PET particles. Constr. Build. Mater. 2013, 47, 1302–1308. [Google Scholar] [CrossRef]
- Sadrmomtazi, A.; Milehsara, S.D.; Omran, O.L.; Nik, A.S. The combined effects of waste Polyethylene Terephthalate (PET) particles and pozzolanic materials on the properties of self-compacting concrete. J. Clean. Prod. 2016, 112, 2363–2373. [Google Scholar] [CrossRef]
- Akcaozoglu, S.; Atis, C.D.; Akcaozoglu, K. An Investigation on the use of shredded waste PET bottles as aggregate in lightweight concrete. Waste Manag. 2010, 30, 285–290. [Google Scholar] [CrossRef]
- Hannawi, K.; Kemali-Bernand, K.; Prince, W. Physical and mechanical properties of mortars containing PET and PC waste aggregates. Waste Manag. 2010, 30, 2312–2320. [Google Scholar] [CrossRef]
- Siddique, R.; Khatib, J.; Kaur, I. Use of recycled plastic in concrete: A review. Waste Manag. 2008, 28, 1835–1852. [Google Scholar] [CrossRef]
- Frigione, M. Recycling of PET bottles as fine aggregates in concrete. Waste Manag. 2010, 30, 1101–1106. [Google Scholar] [CrossRef] [PubMed]
- Reis, J.M.L.; Carneiro, E.P. Evaluation of PET waste aggregates in polymer mortars. Constr. Build. Mater. 2012, 27, 107–111. [Google Scholar] [CrossRef]
- Soroushian, P.; Alhozaimy, A.; Eldarwish, A.I. Recycling of plastics in concrete to enhance toughness characteristics and resistance to shrinkage cracking. In Proceedings of the Symposium on Recovery and Effective Reuse of Discarded Materials and By-Products for Construction of Highway Facilities, Denver, CO, USA, 19–22 October 1993. [Google Scholar]
- Evangelista, A.C.J.; Almeida, V.C.; Cordeiro, A.C.; Alves, L.S.; Rodrigues, R.A. Alternative aggregate study for production of concrete and mortar. In Proceedings of the 17th ASCE Engineering Mechanics Conference, Newark, NJ, USA, 13–16 June 2004. [Google Scholar]
- Koide, H.; Tomon, M.; Sasaki, T. Investigation of the use of waste plastic as an aggregate for lightweight concrete. In Proceedings of the International Conference Held at Dundee—Sustainable Concrete Construction, Scotland, UK, 9–11 September 2002. [Google Scholar]
- Pezzi, L.; De Luca, P.; Vuono, D.; Chiappeta, F.; Nastro, A. Concrete products with waste’s plastic material (bottle, glass, plate). Mater. Sci. Forum 2006, 514–516, 1753–1757. [Google Scholar] [CrossRef]
- Ghaly, A.M.; Gill, M.S. Compression and deformation performance of concrete containing postconsumer plastics. J. Mater. Civil. Eng. 2004, 16, 289–296. [Google Scholar] [CrossRef]
- Al-Manaseer, A.A.; Dalal, T.R. Concrete containing plastic aggregates. Concr. Int. 1997, 19, 47–52. [Google Scholar]
- Choi, Y.W.; Moon, D.J.; Chung, J.S.; Cho, S.K. Effects of waste bottles aggregate on the properties of concrete. Cem. Concr. Res. 2005, 35, 776–781. [Google Scholar] [CrossRef]
- Ismail, Z.Z.; Al-Hashmi, E.A. Use of waste plastic in concrete mixture as aggregate replacement. Waste Manag. 2008, 28, 2041–2047. [Google Scholar] [CrossRef]
- Marzouk, O.Y.; Dheilly, R.M.; Queneudec, M. Valorization of post-consumer waste plastic in cementitious concrete composites. Waste Manag. 2007, 27, 310–318. [Google Scholar] [CrossRef] [PubMed]
- Gavela, S.; Papadakos, G.; Kasselouri-Rigopoulou, V. A Suggestion for Standardizing a Traceable Process for the Determination of the Mechanical Properties of Concrete Containing Thermoplastic Polymers as Aggregates. In Thermoplastic Composites: Emerging Technology, Uses and Prospects, 1st ed.; Ritter, E., Ed.; Nova Publications: New York, NY, USA, 2017; pp. 143–164. [Google Scholar]
- Bhagat, G.V.; Savoikar, P.P. Durability related properties of cement composites containing thermoplastic aggregates—A review. J. Build. Eng. 2022, 53, 104565. [Google Scholar] [CrossRef]
- Babafemi, A.J.; Sirba, N.; Paul, S.C.; Miah, M.J. Mechanical and Durability Assessment of Recycled Waste Plastic (Resin8 & PET) Eco-Aggregate Concrete. Sustainability 2022, 14, 5725. [Google Scholar]
- Gavela, S.; Ntziouni, A.; Rakanta, E.; Kouloumbi, N.; Kasselouri-Rigopoulou, V. Corrosion behavior of steel rebars in reinforced concrete containing thermoplastic wastes as aggregates. Constr. Build. Mater. 2013, 41, 419–426. [Google Scholar] [CrossRef]
- EN 14630:2006; Products and Systems for the Protection and Repair of Concrete Structures—Test methods—Determination of Carbonation Depth in Hardened Concrete by the Phenolphthalein Method. European Committee for Standardisation: Brussels, Belgium, 2007.
- ASTM C642-21; Standard Test Method for Density, Absorption, and Voids in Hardened Concrete. ASTM International: West Conshohocken, PA, USA, 2021.
- Jafar, M.I.; Dawson, J.L.; John, D.G. Electrochemical Impedance and harmonic analysis measurements on steel in concrete. In Electrochemical Impedance: Analysis and Interpretation; Scully, J.R., Silverman, D.C., Kendding, M.W., Eds.; ASTM: Philadelphia, PA, USA, 1993. [Google Scholar]
- Broomfield, J.P. Corrosion of Steel in Concrete Understanding, Investigation and Repair, 2nd ed.; Taylor & Francis e-Library: London, UK, 2006; pp. 16–17. [Google Scholar]
- Shapiro, S.S.; Wilk, M.B. An analysis of variance test for normality (complete samples). Biometrika 1965, 52, 591–611. [Google Scholar] [CrossRef]
- Kruskal, W.H.; Wallis, W.A. Use of ranks in one-criterion variance analysis. J. Am. Stat. Assoc. 1952, 47, 583–621. [Google Scholar] [CrossRef]
- Van Gerven, T.; Cornelis, G.; Vandoren, E.; Vandecasteele, C. Effects of carbonation and leaching on porosity in cement-bound waste. Waste Manag. 2007, 27, 977–985. [Google Scholar] [CrossRef]
- Choi, Y.S.; Kim, J.G.; Lee, K.M. Corrosion behavior of steel bar embedded in fly ash concrete. Corros. Sci. 2006, 48, 1733–1745. [Google Scholar] [CrossRef]










| Mix Component | Volume Replacement of Conventional Aggregates (%) | ||
|---|---|---|---|
| 0% (RM) | 12% HDPE | 12% PP | |
| Water (kg/m3) | 205 | 205 | 205 |
| Cement (kg/m3) | 350 | 350 | 350 |
| Fine aggregates (kg/m3) | 876 | 666 | 666 |
| Coarse aggregates (kg/m3) | 896 | 896 | 896 |
| Polymer aggregates (kg/m3) | - | 73 | 86 |
| Type of Specimen | Specimen ID | Number of Measurement Points | Carbonation Depth (mm) | Carbonation Depth (mm) Weighted Mean over Each Type of Specimen |
|---|---|---|---|---|
| RM | RM1 | 16 | 10.7 ± 0.8 | 10.5 ± 2.2 |
| RM2 | 19 | 12.1 ± 1.1 | ||
| RM3 | 15 | 9.5 ± 0.8 | ||
| PP | PP1 | 21 | 10.9 ± 0.9 | 10.4 ± 0.9 |
| PP2 | 18 | 10.5 ± 0.8 | ||
| PP3 | 19 | 11.2 ± 0.9 | ||
| HDPE | HDPE1 | 17 | 10.6 ± 0.7 | 11.7 ± 2.7 |
| HDPE2 | 14 | 12.6 ± 0.9 | ||
| HDPE3 | 15 | 13.0 ± 1.1 |
| Sample’s Area | Carbonation | Volume of Permeable Pore Space (%) | t-Test for Mean Difference (Equal Variance Assumed) | ||
|---|---|---|---|---|---|
| Difference | p-Value | ||||
| RM | Near the rebar | No | 14 ± 1 | 4 ± 2 | <0.01 |
| Near the surface | Yes | 10.1 ± 0.8 | |||
| PP | Near the rebar | No | 14 ± 4 | 4 ± 2 | <0.01 |
| Near the surface | Yes | 10.2 ± 0.6 | |||
| HDPE | Near the rebar | No | 13 ± 1 | 4 ± 1 | <0.01 |
| Near the surface | Yes | 9.1 ± 0.8 | |||
| Rs (Ω) | CPE1 | Rc (Ω) | CPE2 | Rct (Ω) | |||
|---|---|---|---|---|---|---|---|
| Yo × 10−5 (Ω−1 sn) | n | Yo × 10−5 (Ω−1 sn) | n | ||||
| RM | 1527 | 22.7 | 0.47 | 465 | 956 | 0.59 | >108 |
| HDPE | 1390 | 22.0 | 0.43 | 435 | 361 | 0.46 | >108 |
| PP | 1416 | 17.8 | 0.47 | 303 | 418 | 0.44 | >108 |
Publisher’s Note: MDPI stays neutral with regard to jurisdictional claims in published maps and institutional affiliations. |
© 2022 by the authors. Licensee MDPI, Basel, Switzerland. This article is an open access article distributed under the terms and conditions of the Creative Commons Attribution (CC BY) license (https://creativecommons.org/licenses/by/4.0/).
Share and Cite
Gavela, S.; Rakanta, E.; Ntziouni, A.; Kasselouri-Rigopoulou, V. Eleven-Year Follow-Up on the Effect of Thermoplastic Aggregates’ Addition to Reinforced Concrete. Buildings 2022, 12, 1779. https://doi.org/10.3390/buildings12111779
Gavela S, Rakanta E, Ntziouni A, Kasselouri-Rigopoulou V. Eleven-Year Follow-Up on the Effect of Thermoplastic Aggregates’ Addition to Reinforced Concrete. Buildings. 2022; 12(11):1779. https://doi.org/10.3390/buildings12111779
Chicago/Turabian StyleGavela, Stamatia, Eleni Rakanta, Afroditi Ntziouni, and Vasilia Kasselouri-Rigopoulou. 2022. "Eleven-Year Follow-Up on the Effect of Thermoplastic Aggregates’ Addition to Reinforced Concrete" Buildings 12, no. 11: 1779. https://doi.org/10.3390/buildings12111779
APA StyleGavela, S., Rakanta, E., Ntziouni, A., & Kasselouri-Rigopoulou, V. (2022). Eleven-Year Follow-Up on the Effect of Thermoplastic Aggregates’ Addition to Reinforced Concrete. Buildings, 12(11), 1779. https://doi.org/10.3390/buildings12111779

