Direct Experimental Calibration of Hosford–Coulomb and Modified Mohr–Coulomb Damage Criteria in AHSS Using Digital Image Correlation
Abstract
1. Introduction
2. Materials and Methods
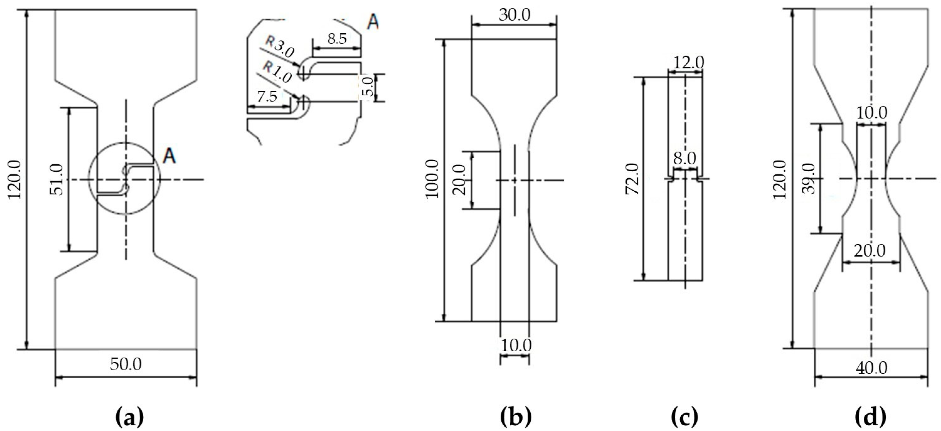
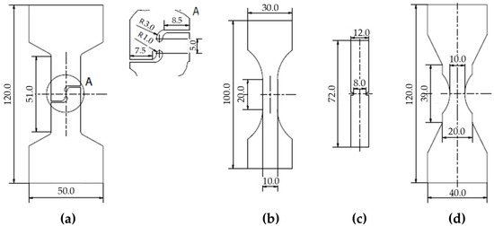
2.1. Material and Experimental Setup
2.2. Digital Image Correlation
2.3. Transformation of Strain State to Stress State
2.4. Damage Initiation Criteria
2.4.1. Hosford–Coulomb (HC)
2.4.2. Modified-Mohr–Coulomb (MMC)
3. Results and Discussion
3.1. Fracture Initiation Assessment
3.2. Strain States
3.3. Stress States
3.4. Damage Initiation Criteria
4. Conclusions
- The proposed simplified methodology enabled the characterization of the HC and MMC fracture loci, providing a time-efficient and direct experimental approach. By allowing the extraction of loading path histories at the assumed onset of damage, the DIC-based method offers an alternative, reducing reliance on finite element (FE) modeling.
- The DIC-predicted onset of damage and fracture initiation instant are in accordance with the expected location in the load drop segment of the global force vs. displacement curve for the plane strain tension, uniaxial tension, and notch tension specimen.
- Similarly to FE modeling, where mesh quality influences strain estimations, DIC-based strain measurements are sensitive to the VSG size. The chosen approach of targeting a relatively small VSG of 2 mm across all stress states and specimen geometries allowed direct comparison of strain measurements, while mitigating displacement noise.
- The main limitation of the DIC-based methodology lies in its sensitivity to the definition of the onset of damage and fracture initiation instant, which depends on speckle pattern quality. A proper refinement of image scale is recommended for fracture modeling purposes, particularly in small and foreseeable fracture initiation regions. Moreover, as 2D DIC captures only surface strains, cracks developing under in-plane deformation conditions are neglected.
- The employed flat specimen geometries successfully produced the targeted stress states—shear, uniaxial tension, and plane strain tension—for the AHSS DP1000. The assumption of proportional loading was found to be satisfied at the onset of damage across all deformation modes, demonstrating the suitability of the proposed method.
- Both the HC and MMC criteria accurately captured the experimentally observed decrease in fracture strain with increasing stress triaxiality. The MMC model provided slightly more conservative predictions under low triaxiality conditions, while the influence of the Lode angle parameter was found to be significant primarily at low triaxialities.
Author Contributions
Funding
Data Availability Statement
Acknowledgments
Conflicts of Interest
References
- Pereira, R.; Peixinho, N.; Costa, S.L. A Review of Sheet Metal Forming Evaluation of Advanced High-Strength Steels (AHSS). Metals 2024, 14, 394. [Google Scholar] [CrossRef]
- Peixinho, N.; Jones, N.; Pinho, A. Application of Dual-Phase and TRIP Steels on the Improvement of Crashworthy Structures. In Materials Science Forum; Trans Tech Publications Ltd.: Stafa, Switzerland, 2005; Volume 502, pp. 181–188. ISBN 978-0-87849-980-9. [Google Scholar]
- Pereira, R.; Peixinho, N.; Costa, S.L.; Blanco, V.; Carneiro, V.; Cortez, S. Parametric Study of Local Laser Heat Treatment Technology on Multi Forming of Advanced-High Strength Steel (AHSS) Part with Complex Shape. Int. J. Lightweight Mater. Manuf. 2024, 7, 248–259. [Google Scholar] [CrossRef]
- Tekkaya, A.E.; Bouchard, P.-O.; Bruschi, S.; Tasan, C.C. Damage in Metal Forming. CIRP Ann. 2020, 69, 600–623. [Google Scholar] [CrossRef]
- Hu, Q.; Zhang, F.; Li, X.; Chen, J. Overview on the Prediction Models for Sheet Metal Forming Failure: Necking and Ductile Fracture. Acta Mech. Solida Sin. 2018, 31, 259–289. [Google Scholar] [CrossRef]
- Cho, Y.; Lee, C.; Yee, J.-J.; Kim, D.-K. Modeling of Ductile Fracture for SS275 Structural Steel Sheets. Appl. Sci. 2021, 11, 5392. [Google Scholar] [CrossRef]
- Bai, Y.; Wierzbicki, T. Application of Extended Mohr–Coulomb Criterion to Ductile Fracture. Int J Fract 2010, 161, 1–20. [Google Scholar] [CrossRef]
- Mohr, D.; Marcadet, S.J. Micromechanically-Motivated Phenomenological Hosford–Coulomb Model for Predicting Ductile Fracture Initiation at Low Stress Triaxialities. Int. J. Solids Struct. 2015, 67–68, 40–55. [Google Scholar] [CrossRef]
- Bharti, S.; Gupta, A.; Krishnaswamy, H.; Panigrahi, S.K.; Lee, M.-G. Evaluation of Uncoupled Ductile Damage Models for Fracture Prediction in Incremental Sheet Metal Forming. CIRP J. Manuf. Sci. Technol. 2022, 37, 499–517. [Google Scholar] [CrossRef]
- Fu, Q.; Li, D.; Song, H.; Liu, X.; Lu, Z.; Cui, H. Research on Parameters of MMC Fracture Criterion for Advanced High Strength Dual-Phase Steel Sheets. J. Theor. Appl. Mech. 2022, 60, 253–264. [Google Scholar] [CrossRef]
- Shang, M.; Yang, H.; Münstermann, S. Characterization of the Stress-State Dependent Ductile Fracture Behavior for Q960 Ultra-High-Strength Structural Steel. Thin-Walled Struct. 2024, 205, 112508. [Google Scholar] [CrossRef]
- Iosipescu, N. New Accurate Procedure for Single Shear Testing of Metals. J. Mater. 1967, 2, 537–566. [Google Scholar]
- D5379/D5379M-19e1; Test Method for Shear Properties of Composite Materials by the V-Notched Beam Method. ASTM International: West Comshohocken, PA, USA, 2013.
- Bao, Y.; Wierzbicki, T. On Fracture Locus in the Equivalent Strain and Stress Triaxiality Space. Int. J. Mech. Sci. 2004, 46, 81–98. [Google Scholar] [CrossRef]
- Shouler, D.R.; Allwood, J.M. Design and Use of a Novel Sample Design for Formability Testing in Pure Shear. J. Mater. Process. Technol. 2010, 210, 1304–1313. [Google Scholar] [CrossRef]
- Dunand, M.; Mohr, D. Optimized Butterfly Specimen for the Fracture Testing of Sheet Materials under Combined Normal and Shear Loading. Eng. Fract. Mech. 2011, 78, 2919–2934. [Google Scholar] [CrossRef]
- Yin, Q.; Soyarslan, C.; Isik, K.; Tekkaya, A.E. A Grooved In-Plane Torsion Test for the Investigation of Shear Fracture in Sheet Materials. Int. J. Solids Struct. 2015, 66, 121–132. [Google Scholar] [CrossRef]
- Grolleau, V.; Roth, C.C.; Mohr, D. Characterizing Plasticity and Fracture of Sheet Metal through a Novel In-Plane Torsion Experiment. IOP Conf. Ser. Mater. Sci. Eng. 2019, 651, 012101. [Google Scholar] [CrossRef]
- Roth, C.C.; Mohr, D. Ductile Fracture Experiments with Locally Proportional Loading Histories. Int. J. Plast. 2016, 79, 328–354. [Google Scholar] [CrossRef]
- Khameneh, F.; Abedini, A.; Butcher, C. Experimental and Numerical Fracture Characterization of DP1180 Steel in Combined Simple Shear and Uniaxial Tension. Metals 2023, 13, 1305. [Google Scholar] [CrossRef]
- Marcadet, S.J.; Mohr, D. Effect of Compression–Tension Loading Reversal on the Strain to Fracture of Dual Phase Steel Sheets. Int. J. Plast. 2015, 72, 21–43. [Google Scholar] [CrossRef]
- Behrens, B.-A.; Rosenbusch, D.; Wester, H.; Dykiert, M. Comparison of Different Testing Approaches to Describe the Fracture Behaviour of AHSS Sheets Using Experimental and Numerical Investigations. IOP Conf. Ser. Mater. Sci. Eng. 2021, 1157, 012059. [Google Scholar] [CrossRef]
- Jia, Y.; Bai, Y. Ductile Fracture Prediction for Metal Sheets Using All-Strain-Based Anisotropic eMMC Model. Int. J. Mech. Sci. 2016, 115–116, 516–531. [Google Scholar] [CrossRef]
- Lian, J.; Sharaf, M.; Archie, F.; Münstermann, S. A Hybrid Approach for Modelling of Plasticity and Failure Behaviour of Advanced High-Strength Steel Sheets. Int. J. Damage Mech. 2013, 22, 188–218. [Google Scholar] [CrossRef]
- Heibel, S.; Nester, W.; Clausmeyer, T.; Tekkaya, A.E. Failure Assessment in Sheet Metal Forming Using a Phenomenological Damage Model and Fracture Criterion: Experiments, Parameter Identification and Validation. Procedia Eng. 2017, 207, 2066–2071. [Google Scholar] [CrossRef]
- Santos, R.O.; Moreira, L.P.; Butuc, M.C.; Vincze, G.; Pereira, A.B. Damage Analysis of Third-Generation Advanced High-Strength Steel Based on the Gurson–Tvergaard–Needleman (GTN) Model. Metals 2022, 12, 214. [Google Scholar] [CrossRef]
- Wang, S.; Wang, Y.; Yu, L.; Ji, K.; Liu, X.; Lou, Y. Failure Modeling for QP980 Steel by a Shear Ductile Fracture Criterion. Metals 2022, 12, 452. [Google Scholar] [CrossRef]
- Mohr, D.; Henn, S. Calibration of Stress-Triaxiality Dependent Crack Formation Criteria: A New Hybrid Experimental–Numerical Method. Exp. Mech. 2007, 47, 805–820. [Google Scholar] [CrossRef]
- Peshekhodov, I.; Jiang, S.; Vucetic, M.; Bouguecha, A.; Berhens, B.-A. Experimental-Numerical Evaluation of a New Butterfly Specimen for Fracture Characterisation of AHSS in a Wide Range of Stress States. IOP Conf. Ser. Mater. Sci. Eng. 2016, 159, 012015. [Google Scholar] [CrossRef]
- Stockburger, E.; Wester, H.; Jegatheeswaran, V.; Dykiert, M.; Behrens, B.A. Improved Failure Characterisation of High-Strength Steel Using a Butterfly Test Rig with Rotation Control. In Proceedings of the 26th International ESAFORM Conference on Material Forming—ESAFORM 2023, Kraków, Poland, 19–21 April 2023; Materials Research Forum LLC: Kraków, Poland, 2023; pp. 737–746. [Google Scholar]
- Peirs, J.; Verleysen, P.; Degrieck, J. Novel Technique for Static and Dynamic Shear Testing of Ti6Al4V Sheet. Exp. Mech. 2012, 52, 729–741. [Google Scholar] [CrossRef]
- ASTM E8; Test Methods for Tension Testing of Metallic Materials. ASTM International: West Comshohocken, PA, USA, 2011.
- International Digital Image Correlation Society; Jones, E.; Iadicola, M.; Bigger, R.; Blaysat, B.; Boo, C.; Grewer, M.; Hu, J.; Jones, A.; Klein, M.; et al. A Good Practices Guide for Digital Image Correlation, 1st ed.; International Digital Image Correlation Society: Alexandria, VA, USA, 2018. [Google Scholar] [CrossRef]
- Rickhey, F.; Hong, S. Stress Triaxiality in Anisotropic Metal Sheets—Definition and Experimental Acquisition for Numerical Damage Prediction. Materials 2022, 15, 3738. [Google Scholar] [CrossRef]
- Pérez Caro, L.; Schill, M.; Haller, K.; Odenberger, E.-L.; Oldenburg, M. Damage and Fracture during Sheet-Metal Forming of Alloy 718. Int. J. Mater. Form. 2020, 13, 15–28. [Google Scholar] [CrossRef]
- Jang, I.; Bae, G.; Song, J.; Kim, H.; Park, N. Fracture Envelopes on the 3D-DIC and Hybrid Inverse Methods Considering Loading History. Mater. Des. 2020, 194, 108934. [Google Scholar] [CrossRef]
- Roth, C.C.; Morgeneyer, T.F.; Cheng, Y.; Helfen, L.; Mohr, D. Ductile Damage Mechanism under Shear-Dominated Loading: In-Situ Tomography Experiments on Dual Phase Steel and Localization Analysis. Int. J. Plast. 2018, 109, 169–192. [Google Scholar] [CrossRef]
- Erice, B.; Roth, C.C.; Mohr, D. Stress-State and Strain-Rate Dependent Ductile Fracture of Dual and Complex Phase Steel. Mech. Mater. 2018, 116, 11–32. [Google Scholar] [CrossRef]
- Prasad, K.; Gupta, A.; Krishnaswamy, H.; Chakkingal, U.; Banerjee, D.K.; Lee, M.-G. Does Friction Contribute to Formability Improvement Using Servo Press? Friction 2023, 11, 820–835. [Google Scholar] [CrossRef]
- Luo, M.; Wierzbicki, T. Numerical Failure Analysis of a Stretch-Bending Test on Dual-Phase Steel Sheets Using a Phenomenological Fracture Model. Int. J. Solids Struct. 2010, 47, 3084–3102. [Google Scholar] [CrossRef]








| 95.790 | 0.080 | 2.900 | 0.620 | 0.350 | 0.160 | 0.100 |
| Stress State | VSG [mm] | Subset [Pixel] | Step [Pixel] | Filter Size [−] | Image Scale [mm/Pixel] |
|---|---|---|---|---|---|
| Shear | 2.05 ± 0.01 | 22.00 ± 3.00 | 6.50 ± 0.50 | 6.00 ± 1.00 | 0.04 ± 0 |
| Uniaxial Tension | 2.02 ± 0.03 | 21.67 ± 1.89 | 5.67 ± 0.47 | 5.00 ± 0 | 0.05 ± 0 |
| Plane Strain Tension | 2.04 ± 0.02 | 25.00 ± 0 | 8.00 ± 0 | 5.00 ± 0 | 0.04 ± 0 |
| Notch Tension | 2.04 ± 0.01 | 23.00 ± 0 | 6.00 ± 0 | 5.00 ± 0 | 0.04 ± 0 |
| Specimen | Fracture Strain | Representative β | Triaxiality η | Normalized Lode Angle |
|---|---|---|---|---|
| Shear | 0.42 ± 0.11 | −0.96 ± 0.01 | −0.04 ± 0.00 | −0.12 ± 0.01 |
| Uniaxial Tension | 0.35 ± 0.02 | −0.38 ± 0.02 | 0.34 ± 0.01 | 0.96 ± 0.02 |
| Notch Tension | 0.31 ± 0.03 | −0.24 ± 0.01 | 0.44 ± 0.00 | 0.63 ± 0.01 |
| Plane Strain Tension | 0.27 ± 0.05 | 0.01 ± 0.06 | 0.57 ± 0.03 | 0.06 ± 0.05 |
| Stress State | HC | MMC | ||||
|---|---|---|---|---|---|---|
| Predicted | Observed | Abs. Error | Predicted | Observed | Abs. Error | |
| Shear | 0.44 | 0.42 | 5.47% | 0.42 | 0.42 | 1.30% |
| Uniaxial Tension | 0.35 | 0.35 | 0.35% | 0.34 | 0.35 | 0% |
| Plane Strain Tension | 0.27 | 0.27 | 0.12% | 0.27 | 0.27 | 0% |
| Notch Tension | 0.31 | 0.31 | 1.79% | 0.30 | 0.31 | 4.32% |
Disclaimer/Publisher’s Note: The statements, opinions and data contained in all publications are solely those of the individual author(s) and contributor(s) and not of MDPI and/or the editor(s). MDPI and/or the editor(s) disclaim responsibility for any injury to people or property resulting from any ideas, methods, instructions or products referred to in the content. |
© 2025 by the authors. Licensee MDPI, Basel, Switzerland. This article is an open access article distributed under the terms and conditions of the Creative Commons Attribution (CC BY) license (https://creativecommons.org/licenses/by/4.0/).
Share and Cite
Pereira, R.; Peixinho, N.; Costa, S.L. Direct Experimental Calibration of Hosford–Coulomb and Modified Mohr–Coulomb Damage Criteria in AHSS Using Digital Image Correlation. Metals 2025, 15, 1238. https://doi.org/10.3390/met15111238
Pereira R, Peixinho N, Costa SL. Direct Experimental Calibration of Hosford–Coulomb and Modified Mohr–Coulomb Damage Criteria in AHSS Using Digital Image Correlation. Metals. 2025; 15(11):1238. https://doi.org/10.3390/met15111238
Chicago/Turabian StylePereira, Rui, Nuno Peixinho, and Sérgio L. Costa. 2025. "Direct Experimental Calibration of Hosford–Coulomb and Modified Mohr–Coulomb Damage Criteria in AHSS Using Digital Image Correlation" Metals 15, no. 11: 1238. https://doi.org/10.3390/met15111238
APA StylePereira, R., Peixinho, N., & Costa, S. L. (2025). Direct Experimental Calibration of Hosford–Coulomb and Modified Mohr–Coulomb Damage Criteria in AHSS Using Digital Image Correlation. Metals, 15(11), 1238. https://doi.org/10.3390/met15111238

