The Impact of Multiple Thermal Cycles Using CMT® on Microstructure Evolution in WAAM of Thin Walls Made of AlMg5
Abstract
1. Introduction
2. Methodology and Experimental Procedure
2.1. The WAAM Thin Wall Building and Metallurgical Characterisation
2.2. In-Furnace Simulation and Metallurgical Characterisation
2.3. Computational Thermodynamics
3. Results and Discussion
3.1. Upmost Layer Characteristics
3.2. Central Layer Characteristics
3.3. In-Furnace Simulated Sample Characteristics
4. General Discussion
5. Conclusions
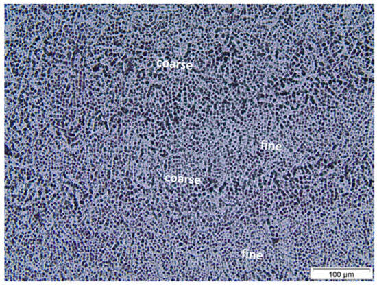
- The CMT® equipment and its dedicated synergic line for this alloy deliver arc power in a cyclic pulsing way. Evidence indicates that the power waveform and the differences between the low- and high-power cycles are sufficient to induce heat oscillation and alterations in the solidification front, thereby promoting the formation of a banded structure on a macroscopic scale at the lower part of the pool. Microscopically, the banded structure is formed by different sizes of cells. In addition, the structure in the fusion zone also exhibits the presence of cellular and dendritic substructures extending from the fusion line towards the top of the layer. This change is related to the increase in constitutional supercooling described with G/R, with such a relationship decreasing towards the top of the layer;
- The multiple thermal cycles imposed by subsequently deposited layers also change the morphologies of the original microstructure (as that existing in the top layer), in such a way that, depending on the peak temperature reached, different morphological zones appear in each layer;
- The subsequent thermal cycles on the previous layer create several morphological zones in each layer (replicated throughout the building direction, except in the top layer), with different characteristics;
- In the zone closest to the fusion line of the subsequent layer (upper region of the layer), where the peak temperature is at the highest temperature, within the solidus–liquidus temperature for this alloy, a partially melted zone (PMZ) is formed as a band composed of coarse dendrites and an interdendritic phase;
- In the below zone, the heat-affected zone (HAZ), partial dissolution of the interdendritic phase occurs;
- Following that comes the fusion zone (FZ), where the original as-deposited microstructure, with no reheat treatment, is preserved, and the cells/dendrites and the interdendritic phases are fine;
- In the region at the base of each layer, a banded zone forms by alternating sizes of cells. Due to the thermal cycling, the cells still undergo partial dissolution of the interdendritic phases, further highlighting the presence of the bands in relation to the original ones formed in the top layer;
- These four distinct zones in each layer, whose extension and area depend naturally on the combination of heat source energy and heat dissipation (related mainly to wall width and interlayer temperatures), are prone to complex mechanical properties of the wall (the impact of which is the subject of future work), different from the same wall built by other techniques (casting, machining, etc.);
- Numerical simulation studies revealed that the thermal cycling imposed on the solidified material did not significantly promote the precipitation of second-phase particles.
Author Contributions
Funding
Data Availability Statement
Acknowledgments
Conflicts of Interest
References
- Ryen, Ø.; Holmedal, B.; Nijs, O.; Nes, E.; Sjölander, E.; Ekström, H.E. Strengthening mechanisms in solid solution aluminum alloys. Metall. Mater. Trans. 2006, 37, 1999–2006. [Google Scholar] [CrossRef]
- Zielińska-Lipiec, A.; Dubiel, B.; Czyrska-Filemonowicz, A. Microstructure of the complex metallic β-Al3Mg2 phase. Inżynieria Materiałowa 2010, 31, 562–564. [Google Scholar]
- Ren, L.; Gu, H.; Wang, W.; Wang, S.; Li, C.; Wang, Z.; Zhai, Y.; Ma, P. Effect of Mg Content on Microstructure and Properties of Al–Mg Alloy Produced by the Wire Arc Additive Manufacturing Method. Materials 2019, 12, 4160. [Google Scholar] [CrossRef] [PubMed]
- Su, C.; Chen, X.; Gao, C.; Wang, Y. Effect of heat input on microstructure and mechanical properties of Al-Mg alloys fabricated by WAAM. Appl. Surf. Sci. 2019, 486, 431–440. [Google Scholar] [CrossRef]
- Prakash, V. Physical metallurgy of Aluminium Alloys. In Symposium on Non-Ferrous Metals Technology; NML Jamshedpur: Jamshedpur, India, 1968; pp. 138–147. Available online: http://eprints.nmlindia.org/3781 (accessed on 15 January 2023).
- Davis, J.R. & Associates. Aluminum and Aluminum Alloys, 6th ed.; ASM International Materials Park; ASM International: Materials Park, OH, USA, 2007; 544p, ISBN 978-0-87170-496-2. [Google Scholar]
- Artelsmair, J. Welding Method and Welding Device for Carrying out Said Welding Method. Applicant Fronius Welding Machines Produktion GMBH & CO. Patent International Number WO 00/64620, 26 April 2000. [Google Scholar]
- Selvi, S.; Vishvaksenan, A.; Rajasekar, E. Cold metal transfer (CMT) technology—An overview. Def. Technol. 2018, 14, 28–44. [Google Scholar] [CrossRef]
- Kou, S. Welding Metallurgy, 2nd ed.; John Wiley & Sons Inc: Hoboken, NJ, USA, 2003; pp. 216–241. [Google Scholar]
- Lemes, V.J.; Teixeira, F.R.; Scotti, A.; Scotti, F.M.; Siewert, E. The significance of supplementary shielding in WAAM of aluminium thin walls. J. Manuf. Process. 2023, 106, 520–536. [Google Scholar] [CrossRef]
- Teixeira, F.R.; Scotti, F.M.; Jorge, V.L.; Scotti, A. Combined Effect of The Interlayer Temperature with Travel Speed on Features of Thin Wall WAAM under Two Cooling Approaches. Int. J. Adv. Manuf. Technol. 2023, 126, 273–289. [Google Scholar] [CrossRef]
- Sundman, B.; Jansson, B.; Andersson, J.-O. The Thermo-Calc databank system. Calphad 1985, 9, 153–190. [Google Scholar] [CrossRef]
- Scheil, E. Bemerkungen Zur Schichtkristallbildung. Z. Metallkunde 1942, 34, 70–72. [Google Scholar] [CrossRef]
- Andersson, J.-O.; Höglund, L.; Jönsson, B.; Ågren, J. Fundamentals and Application of Ternary Diffusion; Purdy, C.R., Ed.; Pergamon Press: New York, NY, USA, 1990; 153p. [Google Scholar]
- Carrard, M.; Gremaud, M.; Zimmermann, M.; Kurz, W. About the banded structure in rapidly solidified dendritic and eutectic alloys. Acta Metall. Mater. 1992, 40, 983–996. [Google Scholar] [CrossRef]
- Kurz, W.; Trivedi, R. Banded solidification microstructures. Metall. Mater. Trans. A 1996, 27, 625–634. [Google Scholar] [CrossRef]
- Hwa, Y.; Kumai, C.S.; Devine, T.M.; Yang, N.; Yee, J.K.; Hardwick, R.; Burgmann, K. Microstructural banding of directed energy deposition-additively manufactured 316L stainless steel. J. Mater. Sci. Technol. 2021, 69, 96–105. [Google Scholar] [CrossRef]
- Holesinger, T.G.; Carpenter, J.S.; Lienert, T.J.; Patterson, B.M.; Papin, P.A.; Swenson, H.; Cordes, N.L. Characterisation of an Aluminum Alloy Hemispherical Shell Fabricated via Direct Metal Laser Melting. JOM 2016, 68, 1000–1011. [Google Scholar] [CrossRef]
- Zhu, K.; Wang, J.; Zhang, W.; Zhu, X.; Lu, X. Effect of deposition strategies on microstructures, defects and mechanical properties of 5356 aluminum alloy by wire arc additive manufacturing. Trans. Nonferrous Met. Soc. China 2024, 34, 423–434. [Google Scholar] [CrossRef]
- Köhler, M.; Hensel, J.; Dilger, K. Effects of Thermal Cycling on Wire and Arc Additive Manufacturing of Al-5356 Components. Metals 2020, 10, 952. [Google Scholar] [CrossRef]
- Hou, X.; Zhao, L.; Ren, S.; Peng, Y.; Ma, C.; Tian, Z.; Qu, X. A comparative study on Al-Mg-Sc-Zr alloy fabricated by wire arc additive manufacturing with controlling interlayer temperature and continuous printing: Porosity, microstructure, and mechanical properties. J. Mater. Sci. Technol. 2024, 193, 199–216. [Google Scholar] [CrossRef]
- Kannan, A.R.; Rajkumar, V.; Vasudevan, S.V.; Jerome, P.; Oh, T.H. Microstructure, hardness, and electrical resistivity of Al-Cu alloy fabricated via wire arc additive manufacturing. Mater. Today Commun. 2024, 39, 108582. [Google Scholar] [CrossRef]
- Yuan, T.; Li, Y.; Chen, S.; Ren, X.; Zhao, P.; Zhao, X.; Shan, H. Microstructural evolution and mechanisms affecting the mechanical properties of wire arc additively manufactured Al-Zn-Mg-Cu alloy reinforced with high-entropy alloy particles. J. Alloys Compd. 2024, 992, 174582. [Google Scholar] [CrossRef]



















| Si | Fe | Cu | Mn | Mg | Cr | Zn | Ti | Be | V | Al |
|---|---|---|---|---|---|---|---|---|---|---|
| 0.0513 | 0.1093 | 0.0017 | 0.1413 | 4.8012 | 0.1296 | 0.0034 | 0.0979 | 0.0001 | 0.0104 | Bal. |
| Simulation | Soak Temperature (°C) | Soak Time (min) | Cooling Media (at Room Temperature) |
|---|---|---|---|
| SIM-1 | 300 | 10 | Still air |
| SIM-2 | 300 | 10 | Water |
| SIM-3 | 500 | 10 | Water |
Disclaimer/Publisher’s Note: The statements, opinions and data contained in all publications are solely those of the individual author(s) and contributor(s) and not of MDPI and/or the editor(s). MDPI and/or the editor(s) disclaim responsibility for any injury to people or property resulting from any ideas, methods, instructions or products referred to in the content. |
© 2024 by the authors. Licensee MDPI, Basel, Switzerland. This article is an open access article distributed under the terms and conditions of the Creative Commons Attribution (CC BY) license (https://creativecommons.org/licenses/by/4.0/).
Share and Cite
Jorge, V.L.; Teixeira, F.R.; Wessman, S.; Scotti, A.; Henke, S.L. The Impact of Multiple Thermal Cycles Using CMT® on Microstructure Evolution in WAAM of Thin Walls Made of AlMg5. Metals 2024, 14, 717. https://doi.org/10.3390/met14060717
Jorge VL, Teixeira FR, Wessman S, Scotti A, Henke SL. The Impact of Multiple Thermal Cycles Using CMT® on Microstructure Evolution in WAAM of Thin Walls Made of AlMg5. Metals. 2024; 14(6):717. https://doi.org/10.3390/met14060717
Chicago/Turabian StyleJorge, Vinicius Lemes, Felipe Ribeiro Teixeira, Sten Wessman, Americo Scotti, and Sergio Luiz Henke. 2024. "The Impact of Multiple Thermal Cycles Using CMT® on Microstructure Evolution in WAAM of Thin Walls Made of AlMg5" Metals 14, no. 6: 717. https://doi.org/10.3390/met14060717
APA StyleJorge, V. L., Teixeira, F. R., Wessman, S., Scotti, A., & Henke, S. L. (2024). The Impact of Multiple Thermal Cycles Using CMT® on Microstructure Evolution in WAAM of Thin Walls Made of AlMg5. Metals, 14(6), 717. https://doi.org/10.3390/met14060717

