Effect of Hydrogen Charging on the Mechanical Properties of High-Strength Copper-Base Alloys, Austenitic Stainless Steel AISI 321, Inconel 625 and Ferritic Steel 1.4511
Abstract
1. Introduction
2. Materials and Methods
2.1. Investigation Materials
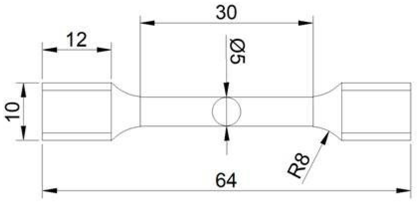
2.2. Sample Geometry
2.3. Hydrogen Charging
2.4. Reference Thermal Exposure Tests
2.5. Hydrogen Analyses
2.6. Mechanical Testing
3. Results
3.1. Hydrogen Analyses
3.2. Mechanical Testing and Fractography
3.3. Hydrogen Embrittlement Indexes
4. Discussion and Summary
- Alloy 25;
- PerforMet®;
- ToughMet® 3.
- AISI 321;
- IN 625;
- 1.4511.
Author Contributions
Funding
Data Availability Statement
Acknowledgments
Conflicts of Interest
References
- Song, H.; Luo, S.; Huang, H.; Deng, B.; Ye, J. Solar-driven hydrogen production: Recent advances, challenges, and future perspectives. ACS Energy Lett. 2022, 7, 1043–1065. [Google Scholar] [CrossRef]
- Cha, J.; Bak, H.; Kwon, I. Hydrogen-fueled CO2 reduction using oxygen-tolerant oxidoreductases. Front. Bioeng. Biotechnol. 2023, 10, 1078164. [Google Scholar] [CrossRef] [PubMed]
- Jürgensen, J.; Pohl, M. Local Hydrogen Measurements in Multi-Phase Steel C60E by Means of Electrochemical Microcapillary Cell Technique. Metals 2023, 13, 1585. [Google Scholar] [CrossRef]
- Ostadi, M.; Paso, K.G.; Rodriguez-Fabia, S.; Øi, L.E.; Manenti, F.; Hillestad, M. Process Integration of Green Hydrogen: Decarbonization of Chemical Industries. Energies 2020, 13, 4859. [Google Scholar] [CrossRef]
- Shi, J.; Zhu, Y.; Feng, Y.; Yang, J.; Xia, C. A Prompt Decarbonization Pathway for Shipping: Green Hydrogen, Ammonia, and Methanol Production and Utilization in Marine Engines. Atmosphere 2023, 14, 584. [Google Scholar] [CrossRef]
- Cho, S.; Kim, G.-I.; Ko, S.-J.; Yoo, J.-S.; Jung, Y.-S.; Yoo, Y.-H.; Kim, J.-G. Comparison of Hydrogen Embrittlement Susceptibility of Different Types of Advanced High-Strength Steels. Materials 2022, 15, 3406. [Google Scholar] [CrossRef] [PubMed]
- Gong, P.; Turk, A.; Nutter, J.; Yu, F.; Wynne, B.; Rivera-Diaz-del-Castillo, P.; Rainforth, W.M. Hydrogen embrittlement mechanisms in advanced high strength steel. Acta Mater. 2022, 223, 117488. [Google Scholar] [CrossRef]
- Ilyushechkin, A.; Schoeman, L.; Carter, L.; Hla, S.S. Material Challenges and Hydrogen Embrittlement Assessment for Hydrogen Utilisation in Industrial Scale. Hydrogen 2023, 4, 599–619. [Google Scholar] [CrossRef]
- Jürgensen, J.; Pohl, M. Impact and Detection of Hydrogen in Metals. HTM J. Heat Treat. Mater. 2023, 78, 257–275. [Google Scholar] [CrossRef]
- Li, X.; Ma, X.; Zhang, J.; Akiyama, E.; Wang, Y.; Song, X. Review of Hydrogen Embrittlement in Metals: Hydrogen Diffusion, Hydrogen Characterization, Hydrogen Embrittlement Mechanism and Prevention. Acta Metall. Sin. (Engl. Lett.) 2020, 33, 759–773. [Google Scholar] [CrossRef]
- Lynch, S.P. Hydrogen embrittlement (HE) phenomena and mechanisms. Corros. Rev. 2012, 30, 105–112. [Google Scholar] [CrossRef]
- Álvarez, G.; Zafra, A.; Belzunce, F.J.; Rodríguez, C. Effect of Internal Hydrogen on the Fatigue Crack Growth Rate in the Coarse-Grain Heat-Affected Zone of a CrMo Steel. Metals 2022, 12, 673. [Google Scholar] [CrossRef]
- Tao, P.; Zhou, W.; Miao, X.; Peng, J.; Liu, W. Review of Characterization on Hydrogen Embrittlement by Micro-Sample Testing Methods. Metals 2023, 13, 1753. [Google Scholar] [CrossRef]
- Michler, T.; Wackermann, K.; Schweizer, F. Review and Assessment of the Effect of Hydrogen Gas Pressure on the Embrittlement of Steels in Gaseous Hydrogen Environment. Metals 2021, 11, 637. [Google Scholar] [CrossRef]
- Zhang, F.; Wu, Z.; Zhang, T.; Hu, R.; Wang, X. Microstructure Sensitivity on Environmental Embrittlement of a High Nb Containing TiAl Alloy under Different Atmospheres. Materials 2022, 15, 8508. [Google Scholar] [CrossRef] [PubMed]
- Ahad, M.T.; Bhuiyan, M.M.H.; Sakib, A.N.; Becerril Corral, A.; Siddique, Z. An Overview of Challenges for the Future of Hydrogen. Materials 2023, 16, 6680. [Google Scholar] [CrossRef] [PubMed]
- Atrens, A.; Gray, E.; Venezuela, J.; Hoschke, J.; Roethig, M. Feasibility of the Use of Gas Phase Inhibition of Hydrogen Embrittlement in Gas Transmission Pipelines Carrying Hydrogen: A Review. Jom 2022, 75, 232–238. [Google Scholar] [CrossRef]
- Earnshaw, A.; Greenwood, N.N. Chemistry of the Elements, 2nd ed.; Butterworth-Heinemann: Oxford, UK, 1997; ISBN 0750633654. [Google Scholar]
- Fukuyama, S.; Yokogawa, K. Pressure Vessel Technology, 2nd ed.; Verband der Technischen Überwachungs-Vereine: Essen, Germany, 1992; pp. 914–923. [Google Scholar]
- Srikrishnan, V.; Ficalora, P.J. The Role of Gaseous Impurities in Hydrogen Embrittlement of Steel. J. Vac. Sci. Technol. 1977, 14, 588–592. [Google Scholar] [CrossRef]
- Zhou, C.; He, Y.; Jiang, J.; Zhang, K.; Tang, D.; Zhu, H.; Shang, J.; Sun, G.; Wang, M.; Zhang, L.; et al. Hydrogen uptake induced by CO2 enhances hydrogen embrittlement of iron in hydrogen blended natural gas. Corros. Sci. 2022, 207, 110594. [Google Scholar] [CrossRef]
- Li, Q.; Ghadiani, H.; Jalilvand, V.; Alam, T.; Farhat, Z.; Islam, M.A. Hydrogen Impact: A Review on Diffusibility, Embrittlement Mechanisms, and Characterization. Materials 2024, 17, 965. [Google Scholar] [CrossRef]
- Metalnikov, P.; Ben-Hamu, G.; Eliezer, D. Hydrogen Trapping in Laser Powder Bed Fusion 316L Stainless Steel. Metals 2022, 12, 1748. [Google Scholar] [CrossRef]
- Van den Eeckhout, E.; Depover, T.; Verbeken, K. The Effect of Microstructural Characteristics on the Hydrogen Permeation Transient in Quenched and Tempered Martensitic Alloys. Metals 2018, 8, 779. [Google Scholar] [CrossRef]
- Depover, T.; Laureys, A.; Pérez Escobar, D.; Van den Eeckhout, E.; Wallaert, E.; Verbeken, K. Understanding the Interaction between a Steel Microstructure and Hydrogen. Materials 2018, 11, 698. [Google Scholar] [CrossRef]
- Shen, X.; Song, W.; Sevsek, S.; Ma, Y.; Hüter, C.; Spatschek, R.; Bleck, W. Influence of Microstructural Morphology on Hydrogen Embrittlement in a Medium-Mn Steel Fe-12Mn-3Al-0.05C. Metals 2019, 9, 929. [Google Scholar] [CrossRef]
- Riecke, E.; Bohnenkamp, K. Über den Einfluß von Gitterstörstellen in Eisen auf die Wasserstoffdiffusion. Z. Met. 1984, 75, S76–S81. [Google Scholar] [CrossRef]
- Gibala, R.; DeMiglio, D.S. Hydrogen in iron and steels: Interactions, traps and crack path. In Hydrogen Effects in Metals; Bernstein, I.M., Thompson, A.W., Eds.; The Metallurgical Society of AIME: Warrendale, PA, USA, 1980. [Google Scholar]
- Pressouyre, G.M. Trap theory of hydrogen embrittlement: Expreimental investigations. In Hydrogen Effects in Metals; Bernstein, I.M., Thompson, A.W., Eds.; The Metallurgical Society of AIME: Warrendale, PA, USA, 1980. [Google Scholar]
- Kholtobina, A.S.; Pippan, R.; Romaner, L.; Scheiber, D.; Ecker, W.; Razumovskiy, V.I. Hydrogen Trapping in bcc Iron. Materials 2020, 13, 2288. [Google Scholar] [CrossRef] [PubMed]
- Zhou, C.; Ren, Y.; Yan, X.; Zheng, Y.; Liu, B. A Bibliometric and Visualized Overview of Hydrogen Embrittlement from 1997 to 2022. Energies 2022, 15, 9218. [Google Scholar] [CrossRef]
- Birnbaum, H.K.; Sofronis, P. Hydrogen-enhanced localized plasticity—A mechanism for hydrogen-related fracture. Mater. Sci. Eng. A 1994, 17, 191–202. [Google Scholar] [CrossRef]
- Brück, S.; Schippl, V.; Schwarz, M.; Christ, H.-J.; Fritzen, C.-P.; Weihe, S. Hydrogen Embrittlement Mechanism in Fatigue Behavior of Austenitic and Martensitic Stainless Steels. Metals 2018, 8, 339. [Google Scholar] [CrossRef]
- Troiano, A.R. The role of hydrogen and other interstitials in the mechanical behavior of metals. Metallogr. Microstruct. Anal. 2016, 5, 557–569. [Google Scholar] [CrossRef]
- Dear, F.F.; Skinner, G.C.G. Mechanisms of hydrogen embrittlement in steels: Discussion. Philos. Trans. R. Soc. A 2017, 375, 20170032. [Google Scholar] [CrossRef] [PubMed]
- Lynch, S.P. Progress towards understanding mechanisms of hydrogen embrittlement and stress corrosion cracking. In Proceedings of the CORROSION 2007, Nashville, TN, USA, 11–15 March 2007; pp. 074931–074935. [Google Scholar]
- Lynch, S.P. Environmentally assisted cracking: Overview of evidence for an adsorption-induced localised-slip process. Acta Metall. 1988, 36, 2639–2661. [Google Scholar] [CrossRef]
- Nagumo, M. Hydrogen related failure of steels—A new aspect. Mater. Sci. Technol. 2004, 20, 940–950. [Google Scholar] [CrossRef]
- Paxton, T.; Frs, A.P.S.; Finnis, M.W. The challenges of hydrogen and metals. Philos. Trans. R. Soc. A Math. Phys. Eng. Sci. 2017, 375, 20170198. [Google Scholar] [CrossRef] [PubMed]
- Pohl, M. Failure Analysis to Clarify Unambiguous Hydrogen Fracturing in Steels. Metallogr. Microstruct. Anal. 2017, 6, 282–288. [Google Scholar] [CrossRef]
- Pöpperling, R.K. Wasserstoff-induzierte Rißbildung an unlegierten und niedriglegierten Stählen. In Wasserstoff und Korrosion, 2nd ed.; Kuron, D., Ed.; Verlag Irene Kuron: Bonn, Germany, 2000; pp. 54–72. [Google Scholar]
- Jürgensen, J.; Pohl, M. Differenzierende Wasserstoffanalytik zum Nachweis von Wasserstoffversprödung. In Tagungsband zur “Tagung Werkstoffprüfung 2021—Werkstoffe und Bauteile auf dem Prüfstand”; Brockmann, S., Krupp, U., Eds.; Stahlinstitut VDEh: Düsseldorf, Germany, 2021. [Google Scholar]
- Olson, P.; Bauer, A.D.; Eriksson, H. Duplex Stainless Steels 97. In Proceedings of the 5th World Conference, Maastricht, The Netherlands, 21–23 October 1997; pp. 607–618. [Google Scholar]
- Böllinghaus, T.; Kannengießer, T. Supermartensitic Stainless Steels 2002; KCI Publishing B.V.: Deventer, The Netherlands, 2002; pp. 71–76. [Google Scholar]
- Adenna, C.; Torella, R. Hydrogen Transport and Cracking in Metals. In Proceedings of the NPL, Teddington, UK, 13–14 April 1994. [Google Scholar]
- Gorsky, W.S. Theorie der elastischen Nachwirkung in ungeordneten Mischkristallen (elastische Nachwirkung zweiter Art). Phys. Z. Sowjetunion 1935, 8, 457–471. [Google Scholar]
- Holstein, N.; Krauss, W.; Nitti, F.S. Development and Basic Qualification Steps towards an Electrochemically Based H-Sensor for Lithium System Applications. J. Nucl. Eng. 2023, 4, 1–10. [Google Scholar] [CrossRef]
- Smith, L.; Celant, M.; Pourbaix, A. Duplex America 2000 Conference: Stainless Steel World; KCL Publishing: London, UK, 2000. [Google Scholar]
- Pircher, H.; Großterlinden, R. Wasserstoffinduzierte Korrosion von niedriglegierten Stählen in wässrigen Medien. Werkst. Korros. 1987, 38, 57–64. [Google Scholar] [CrossRef]
- Izawa, C.; Wagner, S.; Deutges, M.; Martín, M.; Weber, S.; Pargeter, R.; Michler, T.; Uchida, H.-H.; Gemma, R.; Pundt, A. Relationship between hydrogen embrittlement and Md30 temperature: Prediction of low-nickel austenitic stainless steel’s resistance. Int. J. Hydrogen Energy 2019, 44, 25064–25075. [Google Scholar] [CrossRef]
- Choi, Y.-H.; Lee, J.H.; Kim, S.-M.; Lee, D.-H.; Kim, H.-T.; Kim, J.-H.; Kim, M.; Kim, S.-K.; Lee, J.-M. Temperature-Dependent Hydrogen Embrittlement of Austenitic Stainless Steel on Phase Transformation. Metals 2023, 13, 35. [Google Scholar] [CrossRef]
- Gibbs, P.J.; Hough, P.D.; Thurmer, K.; Somerday, B.P.; San Marchi, C.W.; Zimmerman, J.A. Stacking Fault Energy Based Alloy Screening for Hydrogen Compatibility. JOM. J. Miner. Met. Mater. Soc. 2020, 72, 1982–1992. [Google Scholar] [CrossRef]
- Michler, T.; Bruder, E.; Lindner, S. Hydrogeneffectsin X30MnCrN16-14 austenitic steel. Mater. Werkst. 2020, 51, 531–538. [Google Scholar] [CrossRef]
- Astafurova, E.; Fortuna, A.; Melnikov, E.; Astafurov, S. The Effect of Strain Rate on Hydrogen-Assisted Deformation Behavior and Microstructure in AISI 316L Austenitic Stainless Steel. Materials 2023, 16, 2983. [Google Scholar] [CrossRef] [PubMed]
- Weber, S.; Martin, M.; Theisen, W. Impact of heat treatment on the mechanical properties of AISI 304L austenitic stainless steel in high-pressure hydrogen gas. J. Mater. Sci. 2012, 47, 6095–6107. [Google Scholar] [CrossRef]
- Michler, T.; Bruder, E. Local strains in 1.4301 austenitic stainless steel with internal hydrogen. Mater. Sci. Eng. A 2018, 725, 447–455. [Google Scholar] [CrossRef]
- Butomo, D.G.; Zedin, N.I.; Mnushkin, O.S. Effect of oxygen on the susceptibility of copper to “hydrogen sickness”. Met. Sci. Heat Treat. 1968, 10, 184–185. [Google Scholar] [CrossRef]
- Pohl, M. Hydrogen in Metals: A Systematic Overview. Pract. Metallogr. 2014, 51, 291–305. [Google Scholar] [CrossRef]
- Yamabe, J.; Takagoshi, D.; Matsunaga, H.; Matsuoka, S.; Ishikawa, T.; Ichigi, T. High-strength copper-based alloy with excellent resistance to hydrogen embrittlement. Int. J. Hydrogen Energy 2016, 41, 15089–15094. [Google Scholar] [CrossRef]
- Eichenauer, W.; Löser, W.; Witte, H. Löslichkeit und Diffusionsgeschwindigkeit von Wasserstoff und Deuterium in Einkristallen aus Nickel und Kupfer. Int. J. Mater. Res. 1965, 56, 287–293. [Google Scholar] [CrossRef]
- Katz, L.; Guinan, M.; Borg, R.J. Diffusion of H2, D2, and T2 in single-crystal Ni and Cu. Phys. Rev. B 1971, 4, 330. [Google Scholar] [CrossRef]
- Caskey, G.R.; Dexter, A.H.; Holzworth, M.L.; Louthan, M.R.; Derrick, R.G. The Effect of Oxygen on Hydrogen Transport in Copper. Corrosion 1976, 32, 370–374. [Google Scholar] [CrossRef]
- Begeal, D.R. Hydrogen and Deuterium Permeation in Copper Alloys, Copper-Gold Brazing Alloys, Gold, and the in-situ Growth of Stable Oxide Permeation Barriers. J. Vac. Sci. Technol. 1978, 15, 1146–1154. [Google Scholar] [CrossRef]
- Ishikawa, T.; McLellan, R.B. The diffusivity of hydrogen in copper at low temperatures. J. Phys. Chem. Solids 1985, 46, 445–447. [Google Scholar] [CrossRef]
- DIN EN 10088-3:2014-12; Stainless Steels—Part 3: Technical Delivery Conditions for Semi-Finished Products, Bars, Rods, Wire, Sections and Bright Products of Corrosion Resisting Steels for General Purposes. Beuth Verlag GmbH: Berlin, Germany, 2014.
- DIN 50125:2022-08; Testing of Metallic Materials—Tensile Test Pieces. Beutth Verlag GmbH: Berlin, Germany, 2022.
- San Marchi, C.W.; Somerday, B.P. Technical Reference on Hydrogen Compatibility of Materials; Sandia Report SAND2012-7321; Sandia National Laboratories (SNL): Albuquerque, NM, USA; Livermore, CA, USA, 2012. [Google Scholar]
- San Marchi, C.; Somerday, B.P.; Robinson, S.L. Permeability, solubility and diffusivity of hydrogen isotopes in stainless steels at high gas pressures. Int. J. Hydrogen Energy 2007, 32, 100–116. [Google Scholar] [CrossRef]
- Sofronis, P.; Robertson, I.M. A Combined Materials Science/Mechanics Approach to the Study of Hydrogen Embrittlement of Pipeline Steels. In 2011 DOE Hydrogen and Fuel Cells Program Review; University of Illinois: Champaign, IL, USA, 2011. [Google Scholar]
- Wei, F.G.; Tsuzaki, K. Quantitative analysis on hydrogen trapping of TiC particles in steel. Metall. Mater. Trans. A 2006, 37, 331–353. [Google Scholar] [CrossRef]
- Lee, H.G.; Lee, J.-Y. Hydrogen trapping by TiC particles in iron. Acta Metall. 1984, 32, 131–136. [Google Scholar] [CrossRef]
- Kawakami, K.; Matsumiya, T. Numerical Analysis of Hydrogen Trap State by TiC and V4C3 in bcc-Fe. ISIJ Int. 2012, 52, 1693–1697. [Google Scholar] [CrossRef]
- Tyson, W.R. The effect of lattice defects on hydrogen solubility. J. Less Common Met. 1980, 70, 209–212. [Google Scholar] [CrossRef]
- Cribb, W.R. Copper Spinodal Alloys for Aerospace. Adv. Mater. Processes 2006, 164, 44. [Google Scholar]
- Zhou, H.-B.; Jin, S.; Zhang, Y.; Lu, G.-H. Anisotropic Strain Enhanced Hydrogen Solubility in bcc Metals: The Independence on the Sign of Strain. Phys. Rev. Lett. 2012, 109, 135502. [Google Scholar] [CrossRef]
- Psiachos, D.; Hammerschmidt, T.; Drautz, R. Ab initio study of the modification of elastic properties of alpha-iron by hydrostatic strain and by hydrogen interstitials. Acta Mater. 2011, 59, 4255. [Google Scholar] [CrossRef]
- Connétable, D.; Maugis, P. Hydrogen diffusivity and solubility in stressed fcc crystals. J. Alloys Compd. 2021, 879, 160425. [Google Scholar] [CrossRef]
- Cai, W.; Wang, Z.; Liang, Q.; Zhu, Z.; Wang, F.; Fu, Y.; He, W. Enhancing Hydrogen Embrittlement Resistance of AISI 321 Austenitic Stainless Steel through Yttrium Addition: Exploring the Influence on Microstructure and Precipitates. Available online: https://ssrn.com/abstract=4768837 (accessed on 26 March 2024). [CrossRef]
- Xiuqing, X.; Junwei, A.; Chen, W.; Jing, N. Study on the hydrogen embrittlement susceptibility of AISI 321 stainless steel. Eng. Fail. Anal. 2021, 122, 105212. [Google Scholar] [CrossRef]
- Walter, R.J.; Hayes, H.G.; Chandler, W.T. Influence of Gaseous Hydrogen on Metal; Report N-71-32489; Marshall Space Flight Center: Huntsville, AL, USA, 1971. [Google Scholar]
- Schauer, G. Auslegungsansatz für Stahlbauteile bei Ermüdungsbeanspruchung in Druckwasserstoffatmosphäre; Technisch-Wissenschaftlicher-Bericht Band: 2018/02; MPA Universität Siegen: Siegen, Germany, 2018. [Google Scholar]
- Hicks, P.; Altstetter, C. Comparison of Internal Hydrogen Embrittlement of Superalloys 718 and 625. Superalloys 1991, 718, 635–651. [Google Scholar]
- Daum, R.S.; Motta, A.T.; Koss, D.A. Hydrogen-Assisted Failure of Alloys X-750 and 625 Under Slow Strain-Rate Conditions. In Ninth International Symposium on Environmental Degradation of Materials in Nuclear Power Systems—Water Reactors; John Wiley & Sons: Hoboken, NJ, USA, 1999. [Google Scholar] [CrossRef]










| ID | Material | wt % | ||||||
|---|---|---|---|---|---|---|---|---|
| Base | Be | Ni | Co | Si | Cr | Sn | ||
| A | Alloy 25 * | Cu | 1.8–2.0 | > 0.2 | ||||
| B | PerforMet® * | 6.5–7.5 | 1.5–2.0 | 0.75–1.25 | ||||
| C | ToughMet® 3 * | 14.5–15.5 | 7.5–8.5 | |||||
| Non-Cu materials | ||||||||
| ID. | Material | wt % | ||||||
| Base | C | Si | Mn | Cr | Ni | Ti | ||
| D | AISI 321 ** | Fe | ≤0.08 | ≤1.0 | ≤2.0 | 17.0–19.0 | 9.0–12.0 | 5 × C |
| ID. | Material | wt % | ||||||
| Base | Cr | Fe | Mo | Nb + Ta | Mn | Co | ||
| E | IN 625 *** | Ni | 21.0–23.0 | ≤5.0 | 8.0–10.0 | 3.2–4.2 | ≤0.50 | ≤1.0 |
| ID. | Material | wt % | ||||||
| Base | C | Si | Mo | Cr | Ni | Nb | ||
| F | 1.4511 ** | Fe | ≤0.03 | ≤1.0 | ≤1.0 | 16.0–18.0 | - | 0.20–0.50 |
| No. | Material | Charging Duration | Hydrogen Pressure | Temperature |
|---|---|---|---|---|
| A | Alloy 25 | 21 days | 275 bar/27.5 MPa | 573 K |
| B | PerforMet® | |||
| C | ToughMet® 3 | |||
| D | AISI 321 | 28 days | 45 bar/4.5 MPa | 623 K |
| E | IN 625 | 14 days | 60 bar/6 MPa | 673 K |
| F | 1.4511 | 21 days | 275 bar/27.5 MPa | 573 K |
| No. | Material | Initial Hydrogen Content in ppm | Hydrogen Content after Charging in Mass ppm | Hydrogen Content after SSRT in Mass ppm |
|---|---|---|---|---|
| A | Alloy 25 | <0.001 * | 0.02 ± 0.02 | 0.02 ± 0.02 |
| B | PerforMet® | <0.001 * | 0.07 ± 0.03 | 0.08 ± 0.04 |
| C | ToughMet® 3 | <0.001 * | 4.50 ± 0.11 | 4.46 ± 0.09 |
| D | AISI 321 | 0.89 ± 0.1 | 26.8 ± 0.9 | 26.2 ± 0.7 |
| E | IN 625 | 0.1 ± 0.05 | 17.7 ± 0.7 | 17.1 ± 0.8 |
| F | 1.4511 | 0.02 ± 0.01 | 0.85 ± 0.08 | 0.79 ± 0.12 |
| ID | Material | Uncharged | Hydrogen-Charged | ||||||
|---|---|---|---|---|---|---|---|---|---|
| YS | UTS | Z | A | YS | UTS | Z | A | ||
| in MPa | in MPa | in % | in % | in MPa | in MPa | in % | in % | ||
| A | Alloy 25 | 1100 ± 13 | 1237 ± 10 | 15 ± 1 | 9 ± 0.4 | 977 ± 9 | 1137 ± 9 | 17 ± 1 | 8 ± 1 |
| (991 ± 13) | (1158 ± 1) | (21 ± 0) | (9 ± 0.5) | ||||||
| B | PerforMet® | 817 ± 3 | 857 ± 6 | 25 ± 3 | 9 ± 0.5 | 856 ± 11 | 821 ± 13 | 23 ± 1 | 8 ± 1 |
| (840 ± 9) | (886 ± 9) | (21 ± 0) | (9 ± 1) | ||||||
| C | ToughMet® 3 | 1185 ± 8 | 1218± 10 | 23 ± 1 | 8 ± 0,3 | 1320 ± 11 | 1330 ± 9 | 8 ± 1 | 1 ± 0.6 |
| (1276 ± 3) | (1295 ± 4) | (16 ± 2) | (5 ± 1) | ||||||
| ID | Material | Uncharged | Hydrogen-Charged | ||||||
| YS | UTS | Z | A | YS | UTS | Z | A | ||
| in MPa | in MPa | in % | in % | in MPa | in MPa | in % | in % | ||
| D | AISI 321 | 223 ± 9 | 647± 23 | 68 ± 1 | 66 ± 1 | 256 ± 3 | 574 ± 4 | 19 ± 1 | 31 ± 1 |
| E | IN 625 | 440 ± 2 | 925 ± 2 | 55 ± 1 | 56 ± 1 | 453 ± 3 | 909 ± 11 | 49 ± 1 | 52 ± 1 |
| F | 1.4511 | 238 ± 2 | 399 ± 2 | 85 ± 1 | 39 ± 1 | 234 ± 1 | 400 ± 7 | 42 ± 1 | 20 ± 1 |
| ID | Material | RRA—Relative Reduction of Area in % | REl—Relative Elongation in % |
|---|---|---|---|
| A | Alloy 25 | 113.3 | 88.9 |
| B | PerforMet® | 92.0 | 84.4 |
| C | ToughMet® 3 | 34.8 | 19.0 |
| D | AISI 321 | 34.5 | 47.0 |
| E | IN 625 | 89.1 | 92.9 |
| F | 1.4511 | 49.4 | 51.3 |
Disclaimer/Publisher’s Note: The statements, opinions and data contained in all publications are solely those of the individual author(s) and contributor(s) and not of MDPI and/or the editor(s). MDPI and/or the editor(s) disclaim responsibility for any injury to people or property resulting from any ideas, methods, instructions or products referred to in the content. |
© 2024 by the authors. Licensee MDPI, Basel, Switzerland. This article is an open access article distributed under the terms and conditions of the Creative Commons Attribution (CC BY) license (https://creativecommons.org/licenses/by/4.0/).
Share and Cite
Jürgensen, J.; Frehn, A.; Ohla, K.; Stolz, S.; Pohl, M. Effect of Hydrogen Charging on the Mechanical Properties of High-Strength Copper-Base Alloys, Austenitic Stainless Steel AISI 321, Inconel 625 and Ferritic Steel 1.4511. Metals 2024, 14, 588. https://doi.org/10.3390/met14050588
Jürgensen J, Frehn A, Ohla K, Stolz S, Pohl M. Effect of Hydrogen Charging on the Mechanical Properties of High-Strength Copper-Base Alloys, Austenitic Stainless Steel AISI 321, Inconel 625 and Ferritic Steel 1.4511. Metals. 2024; 14(5):588. https://doi.org/10.3390/met14050588
Chicago/Turabian StyleJürgensen, Jens, Andreas Frehn, Klaus Ohla, Sandra Stolz, and Michael Pohl. 2024. "Effect of Hydrogen Charging on the Mechanical Properties of High-Strength Copper-Base Alloys, Austenitic Stainless Steel AISI 321, Inconel 625 and Ferritic Steel 1.4511" Metals 14, no. 5: 588. https://doi.org/10.3390/met14050588
APA StyleJürgensen, J., Frehn, A., Ohla, K., Stolz, S., & Pohl, M. (2024). Effect of Hydrogen Charging on the Mechanical Properties of High-Strength Copper-Base Alloys, Austenitic Stainless Steel AISI 321, Inconel 625 and Ferritic Steel 1.4511. Metals, 14(5), 588. https://doi.org/10.3390/met14050588

