Effect of Graphene Oxide as an Anodizing Additive for the ZK60A Magnesium Alloy: Correlating Corrosion Resistance, Surface Chemistry and Film Morphology
Abstract
1. Introduction
2. Materials and Methods
2.1. Materials, Sample Preparation and Anodization
2.2. Characterization
2.2.1. Microstructural and Topographic Aspects
2.2.2. Raman Spectroscopy and X-ray Photoelectron Spectroscopy (XPS)
2.2.3. Electrochemical Tests
3. Results and Discussion
3.1. Morphological and Topographic Aspects
3.2. Raman Spectroscopy
3.3. X-ray Photoelectron Spectroscopy (XPS)
3.4. Corrosion Behavior
3.4.1. Electrochemical Impedance Spectroscopy (EIS)
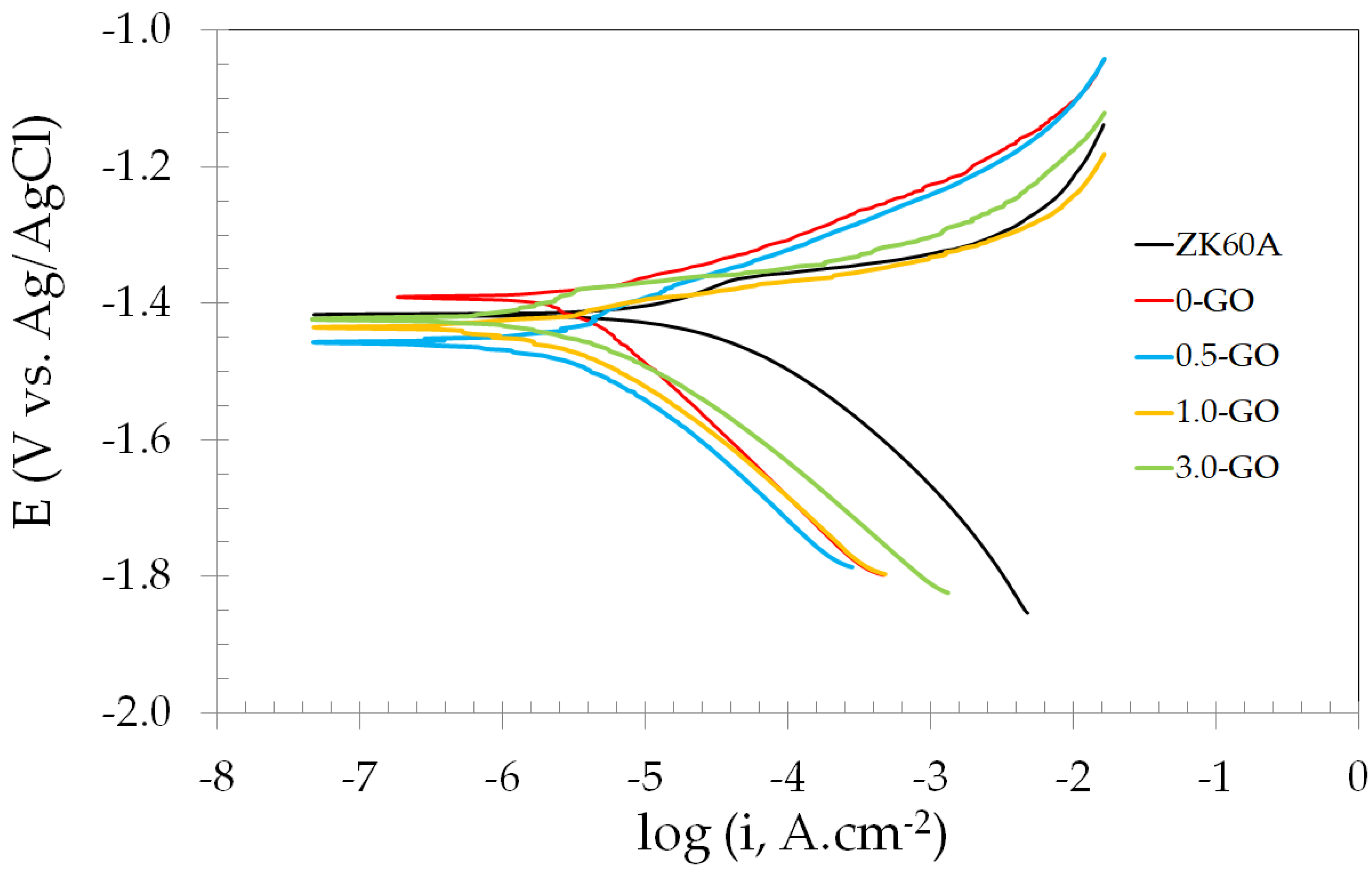
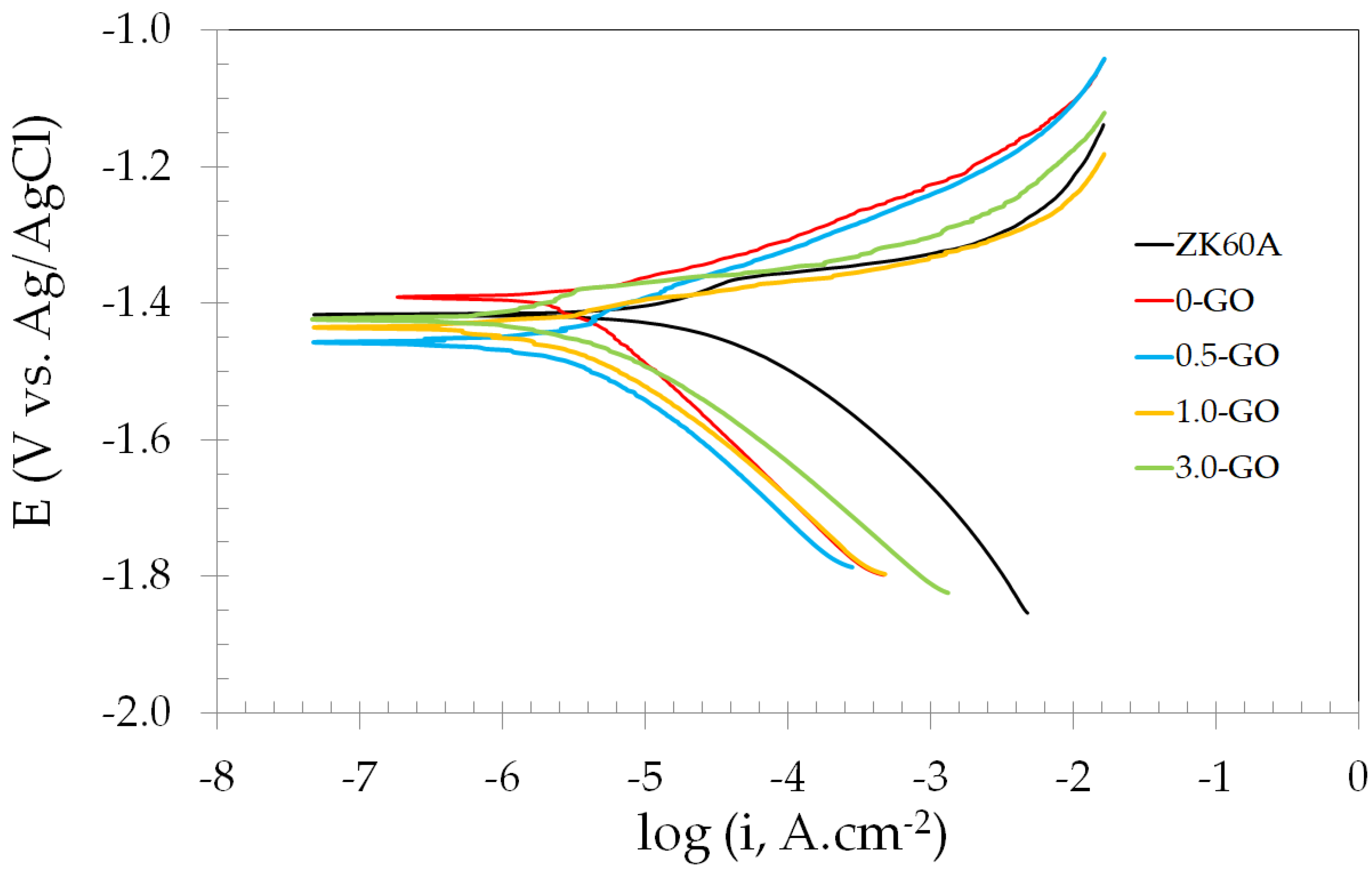
3.4.2. Potentiodynamic Polarization Curves
4. Conclusions
Supplementary Materials
Author Contributions
Funding
Data Availability Statement
Acknowledgments
Conflicts of Interest
References
- Liu, B.; Yang, J.; Zhang, X.; Yang, Q.; Zhang, J.; Li, X. Development and application of magnesium alloy parts for automotive OEMs: A review. J. Magnes. Alloys 2023, 11, 15–47. [Google Scholar] [CrossRef]
- Bai, J.; Yang, Y.; Wen, C.; Chen, J.; Zhou, G.; Jiang, B.; Peng, X.; Pan, F. Applications of magnesium alloys for aerospace: A review. J. Magnes. Alloys 2023, 11, 3609–3619. [Google Scholar] [CrossRef]
- Tan, J.; Ramakrishna, S. Applications of magnesium and its alloys: A review. Appl. Sci. 2021, 11, 6861. [Google Scholar] [CrossRef]
- Hort, N.; Vogt, C.; Cohen, S.; Kainer, K.U.; Willumeit, R.; Feyerabend, F. Degradable biomaterials based on magnesium corrosion. Curr. Opin. Solid State Mater. Sci. 2008, 12, 63–72. [Google Scholar]
- Malik, A.; Wang, Y.; Cheng, H.; Nazeer, F.; Khan, M.A. Microstructure evolution of Mg-Zn-Zr magnesium alloy against soft steel core projectile. J. Mater. Sci. Technol. 2021, 79, 46–61. [Google Scholar] [CrossRef]
- Wu, T.; Zhang, K. Corrosion and protection of magnesium alloys: Recent advances and future perspectives. Coatings 2023, 13, 1533. [Google Scholar] [CrossRef]
- Talha, M.; Ma, Y.; Xu, M.; Wang, Q.; Lin, Y.; Kong, X. Recent advancements in corrosion protection of magnesium alloys by silane-based sol-gel coating. Ind. Eng. Chem. Res. 2020, 59, 19840–19857. [Google Scholar] [CrossRef]
- Li, Z.; Peng, Z.; Qiu, Y.; Qi, K.; Chen, Z.; Guo, X. Study on heat treatment to improve the microstructure and corrosion behavior of ZK60 magnesium alloy. J. Mater. Res. Technol. 2020, 9, 11201–11219. [Google Scholar] [CrossRef]
- Baek, S.-M.; Kim, B.; Park, S.S. Influence of intermetallic particles on the corrosion properties of extruded ZK60 Mg alloy containing Cu. Metals 2018, 8, 323. [Google Scholar] [CrossRef]
- Chowdary, S.; Dumpala, R.; Kumar, A.S.; Kondaiah, V.V. Influence of heat treatment on the machinability and corrosion behavior of AZ91 Mg alloy. J. Magnes. Alloys 2018, 6, 52–58. [Google Scholar]
- Balaji, V.; Raja, V.K.B.; Palanikumar, K.; Aditya, N.; Rohit, V. Effect of heat treatment on magnesium alloys used in automotive industry: A review. Mater. Today. Proc. 2021, 46, 3769–3771. [Google Scholar] [CrossRef]
- Huang, S.-J.; Wang, C.-F.; Subramani, M.; Fan, F.-Y. Effect of ECAP on microstructure, mechanical properties, corrosion behavior, and biocompatibility of Mg-Ca alloy composite. J. Comp. Sci. 2023, 7, 292. [Google Scholar] [CrossRef]
- Zheng, Y.; Ma, Y.; Zang, L.; Chen, Y. Microstructure, corrosion behavior, and surface mechanical properties of Fe oxide coatings on biomedical ZK60 Mg alloy. Mater. Corros. 2019, 70, 2292–2302. [Google Scholar] [CrossRef]
- Darband, G.B.; Aliofkhazraei, M.; Hamghalam, P.; Valizade, N. Plasma electrolytic oxidation of magnesium and its alloys: Mechanism, properties and applications. J. Magnes. Alloys 2017, 5, 74–132. [Google Scholar] [CrossRef]
- Strbak, M.; Kajánek, D.; Knap, V.; Florková, Z.; Pastorková, J.; Hadzima, B.; Goraus, M. Effect of plasma electrolytic oxidation on the short-term corrosion behaviour of AZ91 magnesium alloy in aggressive chloride environment. Coatings 2022, 12, 566. [Google Scholar] [CrossRef]
- Yuan, J.; Dai, B.; Cui, X.; Li, P. The effects of electrodeposition temperature on morphology and corrosion resistance of calcium phosphorus coatings on magnesium alloy: Comparative experimental and molecular dynamics simulation studies. RSC Adv. 2023, 13, 34145–34156. [Google Scholar] [CrossRef]
- Zaffora, A.; Di Franco, F.; Virtú, D.; Pavia, F.C.; Ghersi, G.; Virtanen, S.; Santamaria, M. Tuning of the Mg alloy AZ31 anodizing process for biodegradable implants. ACS Appl. Mater. Interfaces 2021, 13, 12866–12876. [Google Scholar] [CrossRef]
- Blawert, C.; Dietzel, W.; Ghali, E.; Song, G. Anodizing treatments for magnesium alloys and their effect on corrosion resistance in various Environments. Adv. Eng. Mater. 2006, 8, 511–533. [Google Scholar] [CrossRef]
- Pan, S.; Tu, X.; Yu, J.; Zhang, Y.; Miao, C.; Xu, Y.; Fu, R.; Li, J. Optimization of AZ31B magnesium alloy anodizing process in NaOH-Na2SiO3-Na2B4O7 environmental-friendly electrolyte. Coatings 2022, 12, 578. [Google Scholar] [CrossRef]
- Zhang, G.; Wu, L.; Tang, A.; Weng, B.; Atrens, A.; Ma, S.; Liu, L.; Pan, F. Sealing of anodized magnesium alloy AZ31 with MgAl layered double hydroxides layers. Rsc Adv. 2018, 8, 2248–2259. [Google Scholar] [CrossRef]
- Santamaria, M.; Di Quarto, F.; Zanna, F.; Marcus, P. The influence of surface treatment on the anodizing of magnesium in alcaline solution. Electrochim. Acta 2011, 56, 10533–10542. [Google Scholar] [CrossRef]
- Song, G.L.; Shi, Z. Corrosion mechanism and evaluation of anodized magnesium alloys. Corros. Sci. 2014, 85, 126–140. [Google Scholar] [CrossRef]
- Fukuda, H.; Matsumoto, M. Effects of Na2SiO3 on anodization of Mg-Al-Zn alloy in 3 M KOH solution. Corros. Sci. 2004, 46, 2135–2142. [Google Scholar]
- Zhang, P.; Zuo, Y.; Nie, G. The enhanced properties of anodic films on AZ91D magnesium alloy by addition of oxide nanoparticles. J. Alloys Compd. 2020, 834, 155041. [Google Scholar] [CrossRef]
- Seyfi, M.; Fattah-alhosseini, A.; Pajohi-Alamoti, M.; Nikoomanzari, E. Effect of ZnO nanoparticles addition to PEO coatings on AZ31B Mg alloy: Antibacterial effect and corrosion behavior of coatings in Ringer’s physiological solution. J. Asian Ceramic Soc. 2021, 9, 1114–1127. [Google Scholar] [CrossRef]
- Gnedenkov, S.V.; Sinebryukhov, S.L.; Mashtalyar, D.V.; Imshinetskiy, I.M.; Samokhin, A.V.; Tsvetkov, Y.V. Fabrication of coatings on the surface of magnesium alloy by plasma electrolytic oxidation using ZrO2 and SiO2 nanoparticles. J. Nanomat. 2015, 2015, 154298. [Google Scholar] [CrossRef]
- Zhang, D.; Gou, Y.; Liu, Y.; Guo, X. A composite anozing coating containing superfine Al2O3 particles on AZ31 magnesium alloy. Surf. Coat. Technol. 2013, 236, 52–57. [Google Scholar] [CrossRef]
- Oliveira, M.C.L.; Antunes, R.A. Graphene-based coating for magnesium alloys: Exploring the correlation between coating architecture, deposition methods, corrosion resistance and materials selection. Corros. Rev. 2022, 40, 427–451. [Google Scholar] [CrossRef]
- Askarnia, R.; Fardi, S.R.; Sobhani, M.; Staji, H. Ternary hydroxyapatite/chitosan/graphene oxide composite coating on AZ91D magnesium alloy by electrophoretic deposition. Ceram. Int. 2021, 47, 27071–27081. [Google Scholar] [CrossRef]
- Cui, G.; Bi, Z.; Zhang, R.; Liu, J.; Yu, X.; Li, Z. A comprehensive review on graphene-based anti-corrosive coatings. Chem. Eng. J. 2019, 373, 104–121. [Google Scholar] [CrossRef]
- Jena, G.; Philip, J. A review on recent advances in graphene oxide-based composite coatings for anticorrosion applications. Prog. Org. Coat. 2022, 173, 107208. [Google Scholar] [CrossRef]
- Shang, W.; Wu, F.; Wang, Y.; Baboukani, A.R.; Wen, Y.; Jiang, J. Corrosion resistance of micro-arc oxidation/graphene oxide composite coatings on magnesium alloys. ACS Omega 2020, 5, 7262–7270. [Google Scholar] [CrossRef]
- Wen, C.; Zhan, X.; Huang, X.; Xu, F.; Luo, L.; Xia, C. Characterization and corrosion properties of hydroxyapatite/graphene oxide bio-composite coating on magnesium alloy by one step micro-arc oxidation method. Surf. Coat. Technol. 2017, 317, 125–133. [Google Scholar] [CrossRef]
- Ikhe, A.B.; Kale, A.B.; Jeong, J.; Reece, M.J.; Choi, S.-H.; Pyo, M. Perfluorinated polysiloxane hydridized with graphene oxide for corrosion inhibition of AZ31 magnesium alloy. Corros. Sci. 2016, 109, 238–245. [Google Scholar] [CrossRef]
- Zhao, J.; Xie, X.; Zhang, C. Effect of graphene oxide additive on the corrosion resistance of the plasma electrolytic oxidation coating of the AZ31 magnesium alloy. Corros. Sci. 2017, 114, 146–155. [Google Scholar] [CrossRef]
- Gao, H.; Zhang, M.; Yang, X.; Huang, P.; Xu, K. Effect of Na2SiO3 solution concentration of micro-arc oxidation process on lap-shear strength of adhesive-bonded magnesium. Appl. Surf. Sci. 2014, 314, 447–452. [Google Scholar] [CrossRef]
- Ahn, B.H.; Song, J.I.; Koo, B.H. Effect of electrolyte on mechanical properties of AZ31B Mg alloy in electrolytic plasma processing. Trans. Nonferrous Met. Soc. China 2014, 24, s125–s128. [Google Scholar] [CrossRef]
- Grigoriev, S.; Peretyagin, N.; Apelfeld, A.; Smirnov, A.; Morozov, A.; Torskaya, E.; Volosova, M.; Yanushevich, O.; Yarygin, N.; Krikheli, N.; et al. Investigation of tribological characteristics of PEO coatings formed on Ti6Al4V titanium alloy in electrolyte with graphene oxide additives. Materials 2023, 16, 3928. [Google Scholar] [CrossRef]
- Zhou, X.; Zhang, S.; Song, Y.; Qin, H.; Xiong, C.; Wang, S.; Xie, D.; Fan, R.; Chen, D. A novel and green 3-amino-1,2,4-triazole modified graphene oxide nanomaterial for enhancing anti-corrosion performance of water-borne epoxy coatings on mild steel. Prog. Org. Coat. 2024, 187, 108106. [Google Scholar] [CrossRef]
- Akbarzadeh, S.; Ramezanzaden, M.; Ramezanzadeh, B.; Bahlakeh, G. A green assisted route for the fabrication of a high-efficiency self-healing anti-corrosion coating through graphene oxide nanoplatform reduction by Tamarindus indiaca extract. J. Hazard. Mater. 2020, 390, 122147. [Google Scholar] [CrossRef]
- Derelizade, K.; Venturi, F.; Wellman, R.G.; Khlobystov, A.; Hussain, T. Structural changes of thermal sprayed graphene nanoplatelets film into amorphous carbon under sliding wear. Appl. Surf. Sci. 2020, 528, 146315. [Google Scholar] [CrossRef]
- Dresselhaus, M.S.; Jorio, A.; Hofmann, M.; Dresselhaus, G.; Saito, R. Perspectives on carbon nanotubes and graphene Raman spectroscopy. Nano Lett. 2010, 10, 751–758. [Google Scholar] [CrossRef]
- Mulone, A.; Xia, Z.; Klement, U. Electrodeposition of FeW-graphene composites: Effect of graphene oxide concentration on microstructure, hardness and corrosion properties. FlatChem 2023, 40, 100525. [Google Scholar] [CrossRef]
- Thoume, A.; Left, D.B.; Elmakssoudi, A.; Safi, Z.S.; Benzbiria, N.; Berisha, A.; Kellal, R.; Zertoubi, M. An in-depth on the high corrosion resistance of carbon steel in an acidic solution by a novel functionalized graphene oxide with oxide derivative via cutting-edge experimental characterization and computational modeling. Mater. Chem. Phys. 2023, 310, 128487. [Google Scholar] [CrossRef]
- Zak, A.K.; Hashim, A.M. Synthesis, characterization and cytotoxicity studies of Au-decorated graphene oxide nanosheets. Ceram. Int. 2023, 49, 18577–18583. [Google Scholar]
- Wang, T.; Dong, Y.; Xu, Y.; Li, G.; Guo, Y.; Lian, J.; Zhang, Z.; Ren, L. A calcium phosphate coating improving corrosion resistance of the biodegradable magnesium alloy with graphene oxide modifying the deposition. Ceram. Int. 2023, 49, 11926–11935. [Google Scholar] [CrossRef]
- Zhang, W.; Li, B.; Mei, T.; Li, M.; Hong, M.; Yuan, Z.; Chu, H. Effects of graphene oxide and current density on structure and corrosion properties of nanocrystalline nickel coating fabricated by electrodeposition. Colloids Surf. A 2022, 648, 129220. [Google Scholar] [CrossRef]
- Haubner, K.; Murawski, J.; Olk, P.; Eng, L.M.; Ziegler, C.; Adolphi, B.; Jaehne, E. The route to functional graphene oxide. ChemPhysChem 2010, 11, 2131–2139. [Google Scholar] [CrossRef]
- Qiu, Z.; Wang, R.; Zhang, Y.; Qu, Y.; Wu, X. Study of coating growth behavior during the plasma electrolytic oxidation of magnesium alloy ZK60. J. Mater. Eng. Perform. 2015, 24, 1483–1491. [Google Scholar] [CrossRef]
- Okamoto, F.; Oliveira, M.C.L.; Silva, A.A.; Droppa, R., Jr.; Antunes, R.A. Effect of anodization on the stress corrosion cracking behavior of the AZ61 magnesium alloy in 0.1 M NaCl solution. Mater. Res. 2023, 26, e20220357. [Google Scholar]
- Ardelean, H.; Frateur, I.; Zanna, S.; Atrens, A.; Marcus, P. Corrosion protection of AZ91 magnesium alloy by anodizing in niobium and zirconium-containing electrolytes. Corros. Sci. 2009, 51, 3030–3038. [Google Scholar] [CrossRef]
- Lakshimi, R.V.; Aruna, S.T.; Anandan, C.; Bera, P.; Sampath, S. EIS and XPS studies on the self-healing properties of Ce-modified silica-alumina hybrid coatings: Evidence for Ce(III) migration. Surf. Coat. Technol. 2017, 309, 363–370. [Google Scholar] [CrossRef]
- Oliveira, L.A.; Silva, R.M.P.; Rodas, A.C.D.; Souto, R.M.; Antunes, R.A. Surface chemistry, film morphology, local electrochemical behavior and cytotoxic response of anodized AZ31B magnesium alloy. J. Mater. Res. Technol. 2020, 9, 14754–14770. [Google Scholar] [CrossRef]
- Hortigüela, M.J.; Machado, D.; Bdikin, I.; Neto, V.; Otero-Irurueta, G. Chemical changes of graphene oxide thin films induced by thermal treatment under vacuum conditions. Coatings 2020, 10, 113. [Google Scholar] [CrossRef]
- Choi, H.Y.; Kim, W.J. Development of the highly corrosion resistant AZ31 magnesium alloy by the addition of a trace amount of Ti. J. Alloys Compd. 2016, 664, 25–37. [Google Scholar] [CrossRef]
- Osipenko, M.A.; Kasach, A.A.; Adamiec, J.; Zimowska, M.; Kurilo, I.I.; Kharytonau, D.S. Corrosion inhibition of magnesium alloy AZ31 in chloride-containing solutions by aqueous permanganate. J. Solid State Electrochem. 2023, 27, 1847–1860. [Google Scholar] [CrossRef]
- Kharitonov, D.S.; Zimowska, M.; Ryl, J.; Zielinski, A.; Osipenko, M.A.; Adamiec, J.; Wrzesinska, A.; Claesson, P.M.; Kurilo, I.I. Aqueous molybdate provides effective corrosion inhibition on WE43 corrosion inhibition of WE43 magnesium alloy in sodium chloride solutions. Corros. Sci. 2021, 190, 109664. [Google Scholar] [CrossRef]
- King, A.D.; Birbilis, N.; Scully, J.R. Accurate electrochemical measurement of magnesium corrosion rates: A combined impedance, mass-loss and hydrogen collection study. Electrochim. Acta 2014, 121, 394–406. [Google Scholar] [CrossRef]
- Gu, J.-L.; Lu, S.-Y.; Shao, Y.; Yao, K.-F. Segregating the homogeneous passive film and understanding the passivation mechanism of Ti-based metallic glasses. Corros Sci. 2021, 178, 109078. [Google Scholar] [CrossRef]
- Qiao, X.Y.; Zheng, Y.G.; Ke, W.; Okafor, P.C. Electrochemical behaviour of high nitrogen stainless steel in acid solution. Corros. Sci. 2009, 51, 979–986. [Google Scholar] [CrossRef]
- Jiao, Z.-J.; Yu, C.; Wang, X.-M.; Zhou, Y.-F.; Guo, L.; Xia, Y.; Zhang, B.-C.; Zeng, R.-C. Corrosion resistance enhanced by an atomic layer deposited Al2O3/micro-arc oxidation coating on magnesium alloy AZ31. Ceram. Int. 2024, 50, 5541–5551. [Google Scholar] [CrossRef]
- Zhang, S.; Bi, Y.; Li, J.; Wang, Z.; Yan, J.; Song, J.; Sheng, H.; Guo, H.; Li, Y. Biodegradation behavior of magnesium and ZK60 alloy in artificial urine and rat models. Bioact. Mater. 2017, 2, 53–62. [Google Scholar] [CrossRef]
- Heidari, E.; Atapour, M.; Obeydavi, A. The effect of Cr-content on the corrosion behavior of Ti0.5Mo0.5CoNiMnCrx high-entropy alloy thin films deposited by direct current magnetron sputtering. J. Alloys Compd. 2024, 976, 173265. [Google Scholar]
- Han, H.; Wang, R.; Wu, Y.; Zhang, X.; Wang, D.; Yang, Z.; Su, Y.; Shen, D.; Nash, P. An investigation of plasma electrolytic oxidation coatings on crevice surface of AZ31 magnesium alloy. J. Alloys Compd. 2019, 811, 152010. [Google Scholar] [CrossRef]
- Guo, X.; An, M.; Yang, P.; Li, H.; Su, C. Effects of benzotriazole on Anodized film formed on AZ31B magnesium alloy in environmental-friendly electrolyte. J. Alloys Compd. 2009, 482, 487–497. [Google Scholar] [CrossRef]
- Akbarzadeh, S.; Naderi, R.; Mahdavian, M. Fabrication of a highly protective silane composite coating with limited water uptake utilizing functionalized carbon nanotubes. Compos. Part B 2019, 175, 107109. [Google Scholar] [CrossRef]
- Calderon-Gutierrez, J.A.; Bedoya-Lora, F.E. Barrier property determination and lifetime prediction by electrochemical impedance spectroscopy of a high performance organic coating. Dyna 2014, 81, 97–106. [Google Scholar] [CrossRef]
- Jyotheender, K.S.; Srivastava, C. Ni-graphene oxide Composite coatings: Optimum graphene oxide for enhanced corrosion resistance. Compos. Part B 2019, 175, 107145. [Google Scholar] [CrossRef]
- Calovi, M.; Rossi, S.; Deflorian, F.; Dirè, S.; Ceccato, R. Effect of functionalized graphene oxide concentration on the corrosion resistance properties provided by cataphoretic acrylic coating. Mater. Chem. Phys. 2020, 239, 121984. [Google Scholar] [CrossRef]
- Zhang, Y.; Chen, F.; Zhang, Y.; Du, C. Influence of graphene oxide additive on the tribological and electrochemical corrosion properties of a PEO coating prepared on AZ31 magnesium alloy. Tribol. Int. 2020, 146, 106135. [Google Scholar] [CrossRef]
- Guo, Z.; Wang, N.; Chen, Y.; Xu, Y.; Zhao, Q.; Zhang, Y.; Bai, X.; Yu, Y.; Zhao, Y. Regulation the graphene oxide concentration for the low energy consumption ceramic coating. Prog. Org. Coat. 2024, 188, 108200. [Google Scholar] [CrossRef]













| Sample | Ra (µm) |
|---|---|
| Uncoated ZK60A | 0.58 |
| 0-GO | 1.91 |
| 0.5-GO | 6.10 |
| 1.0-GO | 2.74 |
| 3.0-GO | 0.67 |
| Sample | Rs (Ω.cm2) | CPEox (10−6 Ω−1.cm−2.sn) | Rox (Ω.cm2) | nox | CPEdl (10−6 Ω−1.cm−2.sn) | Rct (Ω.cm2) | ndl | RL (Ω.cm2) | L (H.cm2) |
|---|---|---|---|---|---|---|---|---|---|
| Uncoated ZK60A | 18 | ---- | ---- | ---- | 138.0 | 97 | 0.91 | 134 | 287 |
| 0-GO | 22 | 13.8 | 3993 | 0.78 | 5.6 | 860 | 0.82 | 608 | 474 |
| 0.5-GO | 16 | 5.2 | 4595 | 0.72 | 7.5 | 920 | 0.86 | 784 | 704 |
| 1.0-GO | 15 | 6.8 | 5215 | 0.70 | 6.8 | 1032 | 0.85 | 459 | 74 |
| 3.0-GO | 15 | 17.4 | 853 | 0.70 | 8.5 | 750 | 0.83 | 335 | 540 |
| Sample | Ecorr (mV vs. Ag/AgCl) | icorr (µA.cm−2) |
|---|---|---|
| Uncoated ZK60A | −1417 ± 20 | 24.5 ± 7.10 |
| 0-GO | −1390 ± 22 | 3.16 ± 0.58 |
| 0.5-GO | −1457 ± 7 | 2.40 ± 0.32 |
| 1.0-GO | −1435 ± 28 | 1.66 ± 0.23 |
| 3.0-GO | −1424 ± 10 | 2.75 ± 0.43 |
Disclaimer/Publisher’s Note: The statements, opinions and data contained in all publications are solely those of the individual author(s) and contributor(s) and not of MDPI and/or the editor(s). MDPI and/or the editor(s) disclaim responsibility for any injury to people or property resulting from any ideas, methods, instructions or products referred to in the content. |
© 2024 by the authors. Licensee MDPI, Basel, Switzerland. This article is an open access article distributed under the terms and conditions of the Creative Commons Attribution (CC BY) license (https://creativecommons.org/licenses/by/4.0/).
Share and Cite
Braga, P.L.; de Souza, D.C.P.; de Oliveira, M.C.L.; Antunes, R.A. Effect of Graphene Oxide as an Anodizing Additive for the ZK60A Magnesium Alloy: Correlating Corrosion Resistance, Surface Chemistry and Film Morphology. Metals 2024, 14, 210. https://doi.org/10.3390/met14020210
Braga PL, de Souza DCP, de Oliveira MCL, Antunes RA. Effect of Graphene Oxide as an Anodizing Additive for the ZK60A Magnesium Alloy: Correlating Corrosion Resistance, Surface Chemistry and Film Morphology. Metals. 2024; 14(2):210. https://doi.org/10.3390/met14020210
Chicago/Turabian StyleBraga, Paula Lima, Denise Criado Pereira de Souza, Mara Cristina Lopes de Oliveira, and Renato Altobelli Antunes. 2024. "Effect of Graphene Oxide as an Anodizing Additive for the ZK60A Magnesium Alloy: Correlating Corrosion Resistance, Surface Chemistry and Film Morphology" Metals 14, no. 2: 210. https://doi.org/10.3390/met14020210
APA StyleBraga, P. L., de Souza, D. C. P., de Oliveira, M. C. L., & Antunes, R. A. (2024). Effect of Graphene Oxide as an Anodizing Additive for the ZK60A Magnesium Alloy: Correlating Corrosion Resistance, Surface Chemistry and Film Morphology. Metals, 14(2), 210. https://doi.org/10.3390/met14020210

