Grain Boundary Wetting by the Second Solid Phase: 20 Years of History
Abstract
1. Introduction
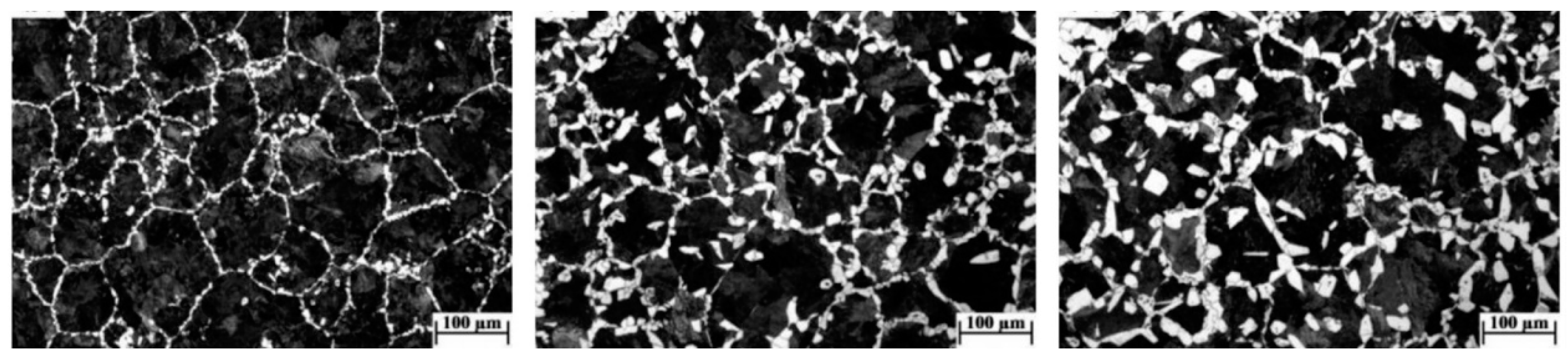
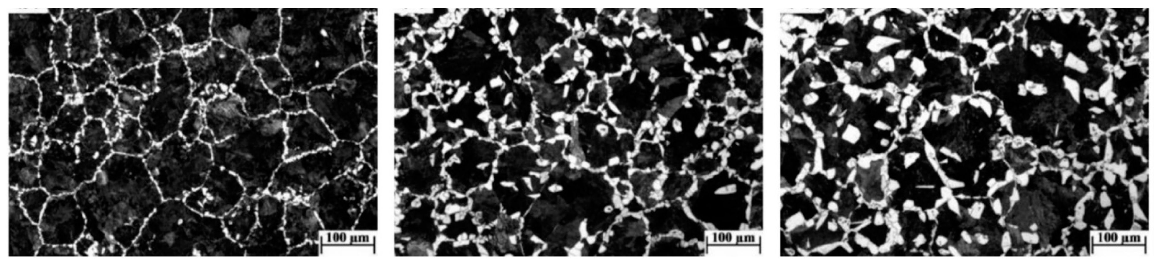
2. Transition from Incomplete to Complete GB Wetting with Increasing Temperature
3. Transition from Incomplete to Complete GB Wetting with Decreasing Temperature
4. Non-Monotonous Transition from Incomplete to Complete GB Wetting with Increasing Temperature
5. Wetting of Grain Boundary Triple Junctions by the Second Solid Phase
6. Influence of GB Wetting by the Second Solid Phase on the Properties of Materials
7. Conclusions
Author Contributions
Funding
Data Availability Statement
Acknowledgments
Conflicts of Interest
References
- Jones, W.D. Fundamental Principles of Powder Metallurgy; Edward Arnold Ltd.: London, UK, 1960. [Google Scholar]
- Protasova, S.G.; Kogtenkova, O.A.; Straumal, B.B.; Zięba, P.; Baretzky, B. Inversed solid-phase grain boundary wetting in the Al–Zn system. J. Mater. Sci. 2011, 46, 4349–4353. [Google Scholar] [CrossRef]
- Cahn, J.W. Critical point wetting. J. Chem. Phys. 1977, 66, 3667–3676. [Google Scholar] [CrossRef]
- Ebner, C.; Saam, W.F. New phase-transition phenomena in thin argon films. Phys. Rev. Lett. 1977, 38, 1486–1489. [Google Scholar] [CrossRef]
- Bonn, D.; Eggers, J.; Indekeu, J.; Meunier, J.; Rolley, E. Wetting and spreading. Rev. Mod. Phys. 2009, 81, 739–805. [Google Scholar] [CrossRef]
- Tang, M.; Carter, W.C.; Cannon, R.M. Diffuse interface model for structural transitions of grain boundaries. Phys. Rev. B 2006, 73, 024102. [Google Scholar] [CrossRef]
- Luo, J.; Tang, M.; Cannon, R.M.; Carter, W.C.; Chiang, Y.M. Pressure-balance and diffuse-interface models for surficial amorphous films. Mater. Sci. Eng. A 2006, 422, 19–28. [Google Scholar] [CrossRef]
- Kaplan, W.D.; Chatain, D.; Wynblatt, P.; Carter, W.C. A review of wetting versus adsorption, complexions, and related phenomena: The Rosetta stone of wetting. J. Mater. Sci. 2013, 48, 5681–5717. [Google Scholar] [CrossRef]
- Straumal, B.B.; Polyakov, S.A.; Bischoff, E.; Gust, W.; Mittemeijer, E.J. Faceting of Σ3 and Σ9 grain boundaries in copper. Interface Sci. 2001, 9, 287–292. [Google Scholar] [CrossRef]
- Luo, J. Stabilization of nanoscale quasi-liquid interfacial films in inorganic materials: A review and critical assessment. Crit. Rev. Solid State Mater. Sci. 2007, 32, 67–109. [Google Scholar] [CrossRef]
- Straumal, B.B.; Baretzky, B. Grain boundary phase transitions and their influence on properties of polycrystals. Interface Sci. 2004, 12, 147–155. [Google Scholar] [CrossRef]
- Eustathopoulos, N. Energetics of solid/liquid interfaces of metals and alloys. Int. Met. Rev. 1983, 28, 189–210. [Google Scholar] [CrossRef]
- Straumal, B.B.; Gornakova, A.S.; Kogtenkova, O.A.; Protasova, S.G.; Sursaeva, V.G.; Baretzky, B. Continuous and discontinuous grain boundary wetting in the Zn–Al system. Phys. Rev. B 2008, 78, 054202. [Google Scholar] [CrossRef]
- Straumal, B.; Gust, W.; Watanabe, T. Tie lines of the grain boundary wetting phase transition in the Zn-rich part of the Zn–Sn phase diagram. Mater. Sci. Forum 1999, 294–296, 411–414. [Google Scholar] [CrossRef]
- Straumal, B.; Muschik, T.; Gust, W.; Predel, B. The wetting transition in high and low energy grain boundaries in the Cu(In) system. Acta Metall. Mater. 1992, 40, 939–945. [Google Scholar] [CrossRef]
- Straumal, B.; Molodov, D.; Gust, W. Wetting transition on the grain boundaries in Al contacting with Sn-rich melt. Interface Sci. 1995, 3, 127–132. [Google Scholar] [CrossRef]
- López, G.A.; Mittemeijer, E.J.; Straumal, B.B. Grain boundary wetting by a solid phase; microstructural development in a Zn–5 wt.% Al alloy. Acta Mater. 2004, 52, 4537–4545. [Google Scholar] [CrossRef]
- Qin, S.S.; Bendo, A.; Tsuchiya, T.; Lee, S.; Matsuda, K. Effect of cooling rate on precipitation during homogenization cooling in excess Si type Al-Mg-Si alloy. Mater. Lett. 2020, 278, 128363. [Google Scholar] [CrossRef]
- Kogtenkova, O.A.; Zieba, P.; Czeppe, T.; Litynska-Dobrzynska, L.; Straumal, B.B.; Nekrasov, A.N. Wetting of grain boundaries by the second solid phase in the Al-based alloys. Bull. Russ. Acad. Sci. Phys. 2013, 77, 1386–1390. [Google Scholar] [CrossRef]
- Tian, Y.B.; Shen, J.Q.; Hu, S.S.; Han, J.; Wang, Q.; Cai, Y.C. Effects of ultrasonic peening treatment layer by layer on microstructure of components fabricated by wire and arc additive manufacturing. Mater. Lett. 2021, 284, 128917. [Google Scholar] [CrossRef]
- Straumal, B.B.; Baretzky, B.; Kogtenkova, O.A.; Straumal, A.B.; Sidorenko, A.S. Wetting of grain boundaries in Al by the solid Al3Mg2 phase. J. Mater. Sci. 2010, 45, 2057–2061. [Google Scholar] [CrossRef]
- Gao, T.; Bian, Y.; Liu, L.; Zhao, K.; Hu, K.; Liu, X. Modification of primary and eutectic phases in Al-33.2Cu and Al-20Mg2Si alloys by nano-treating. Mater. Lett. 2021, 286, 129218. [Google Scholar] [CrossRef]
- Liu, T.Y.; Chen, S.Y.; Wang, S.; Wang, L.Z.; Sun, J.B.; Jiang, Y.F. Effect of annealing on the structure and magnetic properties of SmCo5-based ribbons with Al-Cu-Fe addition. Mater. Lett. 2021, 286, 129237. [Google Scholar] [CrossRef]
- Kogtenkova, O.A.; Straumal, B.B.; Protasova, S.G.; Gornakova, A.S.; Zięba, P.; Czeppe, T. Effect of the wetting of grain boundaries on the formation of a solid solution in the Al–Zn system. JETP Lett. 2012, 96, 380–384. [Google Scholar] [CrossRef]
- Duan, S.W.; Guo, F.Q.; Qin, S.S.; Gao, Y.; Matsuda, K.; Zou, Y. Effects of cooling rates on precipitates in homogenized Al-Cu-Li alloy. Mater. Lett. 2021, 293, 129695. [Google Scholar] [CrossRef]
- Wang, X.Y.; Jiang, J.T.; Li, G.; Shao, W.Z.; Zhen, L. Precipitation during quenching in 2A97 aluminum alloy and the influences from grain structure. Materials 2021, 11, 2802. [Google Scholar] [CrossRef]
- Mao, G.L.; Tong, G.Z.; Gao, W.L.; Liu, S.G.; Zhong, L.W. The poisoning effect of Sc or Zr in grain refinement of Al-Si-Mg alloy with Al-Ti-B. Mater. Lett. 2021, 302, 130428. [Google Scholar] [CrossRef]
- Ke, B.; Ye, L.Y.; Zhang, Y.; Liu, X.D.; Dong, Y.; Wang, P.; Tang, J.G.; Liu, S.D. Enhanced strength and electrical conductivities of an Al-Zn-Mg aluminum alloy through a new aging process. Mater. Lett. 2021, 304, 30586. [Google Scholar] [CrossRef]
- Gao, T.; Liu, L.Y.; Liu, S.S.; Yuan, C.H.; Bian, Y.H.; Liu, X.F. The growth behavior of Al2Cu phase in confined spaces constituted by gamma-Al2O3 particle clusters. Mater. Lett. 2021, 304, 130711. [Google Scholar] [CrossRef]
- Pouraliakbar, H.; Beygi, R.; Fallah, V.; Monazzah, A.H.; Jandaghi, M.R.; Khalaj, G.; da Silva, L.F.M.; Pavese, M. Processing of Al-Cu-Mg alloy by FSSP: Parametric analysis and the effect of cooling environment on microstructure evolution. Mater. Lett. 2022, 308, 131157. [Google Scholar] [CrossRef]
- Yu, X.; Chen, S.Y.; Gu, F.; Zhang, Z.Y.; Sun, J.B.; Cui, C.X. Preparation of Alnico magnet with high magnetization by thermal deformation. Mater. Lett. 2022, 310, 131503. [Google Scholar] [CrossRef]
- Wang, G.; Gu, Z.; Yu, G. Precipitates evolution of the AA7075-H18 alloy sheet during the application of the solution heat treatment process. Mater. Lett. 2022, 318, 132230. [Google Scholar] [CrossRef]
- Que, Z.; Wang, Y.; Fan, Z.; Hashimoto, T.; Zho, X. Enhanced heterogeneous nucleation of Al6(Fe,Mn) compound in Al alloys by interfacial segregation of Mn on TiB2 particles surface. Mater. Lett. 2022, 323, 132570. [Google Scholar] [CrossRef]
- Rogachev, S.O.; Belov, N.A.; Cherkasov, S.O.; Sundeev, R.V. Joint effect of electromagnetic casting and high-pressure torsion on the structure and hardening of Al3.3Cu2.5Mn0.5Zr (wt.%) alloy. Mater. Lett. 2022, 324, 132776. [Google Scholar] [CrossRef]
- Song, Z.; Niu, R.; Cui, X.; Bobruk, E.V.; Murashkin, Y.M.; Enikeev, N.A.; Gu, J.; Song, M.; Bhatia, V.; Ringer, S.P.; et al. Mechanism of room-temperature superplasticity in ultrafine-grained Al–Zn alloys. Acta Mater. 2023, 246, 118671. [Google Scholar] [CrossRef]
- Kul, M.; Danaci, I.; Gezer, S.; Karaca, B. Effect of boronizing composition on hardness of boronized AISI 1045 steel. Mater. Lett. 2020, 279, 128510. [Google Scholar] [CrossRef]
- Straumal, B.B.; Kucheev, Y.O.; Efron, L.I.; Petelin, A.L.; Dutta Majumdar, J.; Manna, I. Complete and incomplete wetting of ferrite grain boundaries by austenite in the low-alloyed ferritic steel. J. Mater. Eng. Perform. 2012, 21, 667–670. [Google Scholar] [CrossRef]
- Tu, X.X.; Xiao, L.R.; Zhao, X.J.; Cai, Z.Y.; Peng, Z.W.; Wei, D.M. Effects of thermal-cold cycling on the dimensional stability of TiC reinforced steel matrix composite. Mater. Lett. 2020, 279, 128483. [Google Scholar] [CrossRef]
- Li, J.S.; Qin, W.B.; Peng, P.; Chen, M.; Mao, Q.Z.; Yue, W.; Kang, J.J.; Meng, D.Z.; She, D.S.; Zhu, X.B. Effects of geometric dimension and grain size on impact properties of 316L stainless steel. Mater. Lett. 2021, 284, 128908. [Google Scholar] [CrossRef]
- Wei, T.; Ding, K.; Wu, G.Z.; Liu, X.; Fan, M.J.; Zhang, Y.B.; He, Y.; Huo, X.; Gao, Y.L. Stress rupture initiated by the carbides in the grain boundaries of the multi-pass weld metal. JMR&T 2021, 10, 282–290. [Google Scholar] [CrossRef]
- Rong, X.Q.; Guo, H.; Enomoto, M.; Shang, C.J. Enhancement of Cu nano-precipitation by Al addition in a Cu-Ni bearing low alloy steel. Mater. Lett. 2021, 284, 128938. [Google Scholar] [CrossRef]
- Wang, H.; Wang, T. A comparative study of high boron alloys with 2.0 wt% B based on 304 and 316 stainless steels. Mater. Lett. 2021, 285, 129035. [Google Scholar] [CrossRef]
- Xu, S.; Shu, X.D.; Li, S.X.; Chen, J. Flow stress curve modification and constitutive model of 20CrMoA steel during warm deformation. Metals 2020, 10, 1602. [Google Scholar] [CrossRef]
- Min, W.; Guoping, L.; Lixin, W.; Lifeng, H.; Yinghui, W. Temperature dependence of precipitation mechanism of intragranular χ phase in super duplex stainless steel S32750. Mater. Lett. 2021, 287, 29304. [Google Scholar] [CrossRef]
- Zou, J.; Lu, L.; Kolisnichenko, O.V.; Chen, W.; Yu, J.M. Gas nitriding of a plasma detonation modified die steel. Mater. Lett. 2021, 287, 129297. [Google Scholar] [CrossRef]
- Han, K.; Smith, G.D.W.; Edmonds, D.V. Pearlite phase transformation in Si and V steel. Metall. Mater. Trans. A 1995, 26, 1617–1631. [Google Scholar] [CrossRef]
- Zhang, H.Y.; Li, Y.M.; Liang, W.; Zheng, L.W. Observation of hydrogen diffusion channel and hydrogen trap in 304 austenitic stainless steel. Mater. Lett. 2021, 290, 129453. [Google Scholar] [CrossRef]
- Han, G.; Shang, C.J.; Xie, Z.J.; Misra, R.D.K.; Wang, J.L. On the thermal and mechanical stability of reverted austenite by intercritical tempering. Mater. Lett. 2021, 291, 129457. [Google Scholar] [CrossRef]
- Saha, A.; Mondal, D.K.; Biswas, K.; Maity, J. Development of high strength ductile hypereutectoid steel by cyclic heat treatment process. Mater. Sci. Eng. A 2012, 541, 204–215. [Google Scholar] [CrossRef]
- Zhao, F.; Hu, H.; Liu, X.; Zhang, Z.; Xie, J. Effect of billet microstructure and deformation on austenite grain growth in forging heating of a medium-carbon microalloyed steel. J. All. Compd. 2021, 869, 159326. [Google Scholar] [CrossRef]
- Zhang, D.Q.; Liu, G.; Sun, X.J. Different roles of reversed austenite, athermal martensite and tempered martensite on low-temperature toughness in ultra-low carbon medium Mn steel. Mater. Lett. 2021, 297, 129958. [Google Scholar] [CrossRef]
- Li, X.K.; Wang, R.; Xin, Z.; Dong, Y.J.; Xu, J.H.; Wei, D.Q. Changes in surface roughness and microstructure of 45 steel after irradiation by electron beam. Mater. Lett. 2021, 296, 129934. [Google Scholar] [CrossRef]
- Wang, L.; Cheng, X.Y.; Peng, H.; Zhao, P.W.; Cai, Z.X. Effect of tempering temperature on hydrogen embrittlement in V-containing low alloy high strength steel. Mater. Lett. 2021, 302, 130327. [Google Scholar] [CrossRef]
- Li, T.L.; Yan, S.; Liu, X.H. Enhancement austenite content in medium-Mn steel by introducing cold-rolled deformation and inhibiting subsequent recrystallization. Mater. Lett. 2021, 301, 130249. [Google Scholar] [CrossRef]
- Ni, X.Q.; Kong, D.C.; Wu, W.H.; Zhang, L.; Dong, C.F. Deformation-induced martensitic transformation in 316L stainless steels fabricated by laser powder bed fusion. Mater. Lett. 2021, 302, 130377. [Google Scholar] [CrossRef]
- Han, K.; Mottishaw, T.D.; Smith, G.D.W.; Edmonds, D.V. Effects of vanadium addition on nucleation and growth of pearlite in high carbon steel. Mater. Sci. Technol. 1994, 10, 955–963. [Google Scholar] [CrossRef]
- Yuan, J.; Xiao, Y.; Min, N.; Li, W.; Zhao, S. The influence of precipitate morphology on the growth of austenite grain in Nb-Ti-Al microalloyed steels. Materials 2022, 15, 3176. [Google Scholar] [CrossRef]
- Zielinski, A.; Wersta, R.; Sroka, M. The study of the evolution of the microstructure and creep properties of Super 304H austenitic stainless steel after aging for up to 50,000 h. Arch. Civil Mech. Eng. 2022, 22, 89. [Google Scholar] [CrossRef]
- Wang, B.X.; Zhang, Y.; Qiu, F.; Cai, G.S.; Cui, W.W.; Hu, Z.R.; Zhang, H.; Tyrer, N.; Barber, G.C. Role of trace nanoparticles in manipulating the widmanstatten structure of low carbon steel. Mater. Lett. 2021, 306, 130853. [Google Scholar] [CrossRef]
- Huang, S.; Yu, Y.S.; Wang, Z.Q.; Su, S.; Chen, K.; Yuan, S.F.; Xie, Z.J.; Shang, C.J. Crystallographic insights into the role of nickel on hardenability of wear-resistant steels. Mater. Lett. 2021, 306, 130961. [Google Scholar] [CrossRef]
- Krugljakow, A.A.; Rogachev, S.O.; Lebedeva, N.V.; Sokolov, P.Y.; Arsenkin, A.M.; Khatkevich, V.M. On the nature of hot work hardening phenomenon in die steel with regulated austenitic transformation during exploitation. Mater. Sci. Eng. A 2022, 833, 142548. [Google Scholar] [CrossRef]
- Kaushik, N.C.; Maitra, A.; Ajay Vamsi, J.; Sai Krishna, T.; Tarun Saty, A. Understanding elastic/plastic nature of phases in Fe–13Cr–1C hardfaced coating through accelerated property mapping technique. Mater. Lett. 2022, 320, 132335. [Google Scholar] [CrossRef]
- Wang, X.L.; Xie, Z.J.; Wang, Z.Q.; Yu, Y.S.; Wu, L.Q.; Shang, C.J. Crystallographic study on microstructure and impact toughness of coarse grained heat affected zone of ultra-high strength steel. Mater. Lett. 2022, 323, 132552. [Google Scholar] [CrossRef]
- Liu, Z.; Yang, J.; Guo, H.; Wang, X.; Shang, C. Crystallographic study on deformed bainite structure of ultra-high strength steel and its relationship with strength and ductile-brittle transition temperature. Mater. Lett. 2022, 326, 132947. [Google Scholar] [CrossRef]
- Wang, J.; Qian, R.; Yang, X.; Zhong, Y.; Shang, C. Effect of segregation on the microstructure and properties of a quenching and partitioning steel. Mater. Lett. 2022, 325, 132815. [Google Scholar] [CrossRef]
- Dlouhý, J.; Chvostová, E.; Nový, Z. Boron influence on the development of Laves phase in 10Cr creep resistant steel. Mater. Lett. 2022, 327, 132918. [Google Scholar] [CrossRef]
- Zhang, Y.; Huo, W.; Song, R.; Wang, L.; Geng, Z.; Wang, J.; Zhou, T.; Xue, H. The effect of isothermal bainitic transformation time on austenite stability of TRIP-980 steel with high ductility. Mater. Lett. 2022, 326, 132927. [Google Scholar] [CrossRef]
- Yu, H.; Yu, Y.; Wang, Z.; Li, F.; Hu, B.; Liu, S. On the variant pairing in transformation product of high strength low alloy steel depending on cooling rate. Mater. Lett. 2022, 326, 132953. [Google Scholar] [CrossRef]
- Milyutin, V.A.; Bureš, R.; Fáberová, M.; Molčanová, Z.; Csanádi, T. Structure, magnetostriction and elastic properties of an Fe3Ga0.7Cu0.3 alloy. Mater. Lett. 2022, 327, 133063. [Google Scholar] [CrossRef]
- Li, X.L.; Li, H.Z.; Liu, L.X.; Deng, X.T.; Wang, Z.D. The formation mechanism of complex carbides in Nb-V microalloyed steel. Mater. Lett. 2022, 311, 131544. [Google Scholar] [CrossRef]
- Li, S.; Ma, J.; Wang, J.; Fan, G.; Li, H.; Jiang, Z.; Han, P.; Liang, W. Impact of boron addition on the hot deformation behavior and microstructure evolution of S31254. Mater. Lett. 2022, 315, 131971. [Google Scholar] [CrossRef]
- Wang, R.; Huang, Y.; Wei, D.; Luo, J.; Ren, X.; Li, X.; Lu, J.; Sui, X. Scanning electron beam surface strengthening of column-faced 45 steel. Mater. Lett. 2022, 324, 132497. [Google Scholar] [CrossRef]
- Xie, Z.J.; Li, Q.; Liu, Z.P.; Zhou, W.H.; Wang, X.L.; Yu, Q.; Xiao, D.H.; Shang, C.J. Enhanced ductility and toughness by tailoring heterogenous microstructure in an ultra-heavy gauge high strength steel with severe centerline segregation. Mater. Lett. 2022, 323, 132525. [Google Scholar] [CrossRef]
- Wang, M.; Luo, Z.; Yang, J.; Xie, G.; Liu, Z. Diffusion behavior and formation mechanism of compounds in titanium-steel bonding process at high temperature. Mater. Lett. 2023, 330, 133309. [Google Scholar] [CrossRef]
- He, Y.H.; Liu, J.; Zhang, S.Q.; Li, Y.Y.; Gao, X. Effect of heat treatment on the microstructure and corrosion resistance of 316L stainless steel fabricated by hybrid in-situ rolled wire-arc additive manufacturing. Mater. Lett. 2023, 331, 133398. [Google Scholar] [CrossRef]
- Zheng, C.L.; Zhang, Y.P.; Li, S.Y.; Zhang, P.J.; Yu, J.K.; Zhang, F.C. In-situ generation process and properties of nanocrystalline layer in bainitic steel surface during rolling contact. Mater. Lett. 2023, 333, 133633. [Google Scholar] [CrossRef]
- Straumal, B.B.; Kogtenkova, O.A.; Straumal, A.B.; Kuchyeyev, Y.O.; Baretzky, B. Contact angles by the solid-phase grain boundary wetting in the Co–Cu system. J. Mater. Sci. 2010, 45, 4271–4275. [Google Scholar] [CrossRef]
- Zhang, Y.L.; Jiang, X.S.; Fang, Y.J.; Sun, H.L.; Song, T.F.; Mo, D.F.; Li, X.; Luo, Z.P. Vacuum diffusion bonding of CoCrFeNiMo MEAs and Inconel 718 using Ni interlayer. Mater. Lett. 2020, 279, 128509. [Google Scholar] [CrossRef]
- Kanetas, P.J.P.; Calvo, J.; Rodriguez-Calvillo, P.; Marrero, J.M.C.; Antunano, M.A.Z.; Guerrero-Mata, M.P. EBSD Study of delta-processed Ni-based superalloy. Metals 2020, 10, 1466. [Google Scholar] [CrossRef]
- Thulasiram, R.; Mani, S.; Ramaswamy, N.; Murugesan, M. Grain size refinement, texture analysis and effect on the tensile properties of a novel Inconel 718. Mater. Lett. 2021, 292, 129633. [Google Scholar] [CrossRef]
- Yan, D.C.; Qiu, N.S.; Zuo, X.W. On the Cr-rich continuous and discontinuous precipitation kinetics in Ni-Cr alloys by microstructural characterization and differential scanning calorimetry analysis. Mater. Lett. 2021, 296, 129887. [Google Scholar] [CrossRef]
- Wu, Y.; Li, Y.T.; Xu, Y.T.; Kang, M.D.; Wang, J.; Sun, B.D. Unveiling the precipitation-induced high-temperature oxidation behavior in a Ni-Al-Y alloy. Mater. Lett. 2021, 297, 129977. [Google Scholar] [CrossRef]
- Babalola, B.J.; Ayodele, O.O.; Awotunde, M.A.; Akinwamide, S.O.; Olubambi, P.A. Microstructure and mechanical properties of Ni-17Cr-xCo ternary alloys fabricated via field-assisted sintering. Mater. Lett. 2021, 302, 130404. [Google Scholar] [CrossRef]
- Quintana-Nedelcos, A.; Anis, M.; Osman, R.; Yang, J.; Leong, Z.; Azakli, Y.; Morley, N.A. On the structural, microstructural and magnetic properties evolution of Ni0.5FeCoAlCrx alloys. Mater. Lett. 2022, 311, 131542. [Google Scholar] [CrossRef]
- Tong, Y.X.; Liu, J.X.; Sun, S.B.; Chen, F.; Zarinejad, M. Unusual precipitation and its hardness enhancement in Fe-alloyed 60NiTi alloy. Mater. Lett. 2022, 329, 133170. [Google Scholar] [CrossRef]
- Sun, Y.; Song, C.; Zhang, Y.; Li, M.; Zhang, Y. Oxidation on the current-carrying rolling surface and its subsequent impact on the damage of Cu contact pairs in O2/N2 mixture. Mater. Lett. 2021, 288, 129349. [Google Scholar] [CrossRef]
- Straumal, B.; Kogtenkova, O.; Bulatov, M.; Nekrasov, A.; Baranchikov, A.; Baretzky, B.; Straumal, A. Wetting of grain boundary triple junctions by intermetallic Delta-phase in the Cu–In alloys. J. Mater. Sci. 2021, 58, 7840–7848. [Google Scholar] [CrossRef]
- Nie, Q.; Wang, B.; Zhang, J.; Tang, W. Fabrication of the Ag-coated Invar/Cu bimetal matrix composites through spark plasma sintering: An investigation on microstructure and properties. Mater. Lett. 2022, 321, 132440. [Google Scholar] [CrossRef]
- Straumal, B.B.; Kogtenkova, O.A.; Kolesnikova, K.I.; Straumal, A.B.; Bulatov, M.F.; Nekrasov, A.N. Reversible “wetting” of grain boundaries by the second solid phase in the Cu–In system. JETP Lett. 2014, 100, 535–539. [Google Scholar] [CrossRef]
- Liang, S.L.; Wang, Y.H.; Wang, H.; Wang, J.; Jiang, S.H. Achieving improved strength and ductility through multi-pass cold deformation and annealing of a Cu-Zn-Bi alloy. Mater. Lett. 2023, 330, 133373. [Google Scholar] [CrossRef]
- Dash, K.; Dash, A. In-situ formation of 2D-TiCx in Cu-Ti2AlC composites: An interface reaction study. Mater. Lett. 2021, 284, 128935. [Google Scholar] [CrossRef]
- Straumal, B.B.; Gornakova, A.S.; Prokofjev, S.I.; Afonikova, N.S.; Baretzky, B.; Nekrasov, A.N.; Kolesnikova, K.I. Continuous and discontinuous αTi layers between grains of β(Ti,Co) phase. J. Mater. Eng. Perform. 2014, 23, 1580–1584. [Google Scholar] [CrossRef]
- Li, Z.; Luo, L.; Su, Y.; Luo, L.; Wang, B.; Wang, L.; Yao, M.; Guo, J.; Fu, H. In-situ investigation of β/α transformation in β-solidifying γ-TiAl alloys at different cooling rates. Mater. Lett. 2021, 285, 129092. [Google Scholar] [CrossRef]
- Gornakova, A.S.; Prokofiev, S.I.; Kolesnikova, K.I.; Straumal, B.B. Formation regularities of grain boundary interlayers of the α-Ti phase in binary titanium alloys. Russ. J. Non-Ferr. Met. 2016, 57, 229–235. [Google Scholar] [CrossRef]
- Jiang, X.J.; Bai, J.; Yang, N.; Ran, Q.X.; Wang, S.Q. Effect of deformation on α-β phase transformation temperature of a metastable TiZr based alloy. Mater. Lett. 2021, 285, 129003. [Google Scholar] [CrossRef]
- Gornakova, A.S.; Prokofiev, S.I.; Straumal, B.B.; Kolesnikova, K.I. Growth of (αTi) grain boundary layers in Ti–Co alloys. Russ. J. Non-Ferr. Met. 2016, 57, 703–709. [Google Scholar] [CrossRef]
- Bi, Y.B.; Xu, Y.; Zhang, Y.; Xue, R.L.; Bao, Y. Single-pass laser welding of TC4 Ti alloy to 304 SS with V interlayer and V/Cu bilayer. Mater. Lett. 2021, 285, 129072. [Google Scholar] [CrossRef]
- Gornakova, A.S.; Straumal, B.B.; Nekrasov, A.N.; Kilmametov, A.; Afonikova, N.S. Grain boundary wetting by a second solid phase in Ti–Fe alloys. J. Mater. Eng. Perform. 2018, 27, 4989–4992. [Google Scholar] [CrossRef]
- Chen, X.; Huang, L.; Jiao, Y.; Wang, S.; An, Q.; Bao, Y.; Geng, L. Mechanisms of oxidation anisotropy between α-Ti (0001) and crystallographic planes in titanium matrix composites. Mater. Lett. 2021, 286, 129230. [Google Scholar] [CrossRef]
- Ongwen, N.; Chanbi, D.; Ogam, E.; Odhiambo, H.; Fellah, Z.E.A. Microtructural and elastic properties of stable aluminium-rich TiAl and TiAl2 formed phase intermetallics. Mater. Lett. 2021, 287, 129295. [Google Scholar] [CrossRef]
- Zhang, S.Y.; Wang, Y.F.; Suo, T.; Yao, J.; Lin, X.; Huang, W.D.; Li, Y.L.; Shen, J.H. The effect of heat treatment on dynamic properties of an additively manufactured Ti-6Al-4V alloy. Crystals 2021, 11, 111. [Google Scholar] [CrossRef]
- Zhang, L.; Zhao, Z.; Bai, P.; Du, W. EBSD investigation on microstructure evolution of in-situ synthesized TiC/Ti6Al4V composite coating. Mater. Lett. 2021, 290, 129449. [Google Scholar] [CrossRef]
- Bazhina, A.D.; Bazhin, P.M.; Chizhikov, A.P.; Konstantinov, S.; Stolin, A.M. Influence of high-temperature annealing on structure of titanium aluminide materials obtained by combustion and high-temperature shear deformation. Intermetallics 2021, 139, 107313. [Google Scholar] [CrossRef]
- Ma, W.; Wang, F.; Chen, B.H.; Li, B.; Zhang, X.Y.; Ma, M.Z.; Liu, R.P. Thermal compression behavior and microstructural evolution of Ti-30-5-3 alloys in lower alpha plus beta region. Mater. Lett. 2021, 297, 129876. [Google Scholar] [CrossRef]
- Paghandeh, M.; Zarei-Hanzaki, A.; Abedi, H.R.; Vahidshad, Y. The enhanced warm temperature ductility of Ti-6Al-4V alloy through strain induced martensite reversion and recrystallization. Mater. Lett. 2021, 302, 130405. [Google Scholar] [CrossRef]
- Chookajorn, T.; Murdoch, H.A.; Schuh, C.A. Design of stable nanocrystalline alloys. Science 2012, 337, 951–954. [Google Scholar] [CrossRef] [PubMed]
- Gao, Q.; Jiang, X.S.; Sun, H.L.; Song, T.F.; Mo, D.F.; Li, X. Interfacial reaction and microstructure investigation of 4J36/Ni/Cu/V/TC4 diffusion-bonded joints. Mater. Lett. 2021, 305, 130809. [Google Scholar] [CrossRef]
- Gao, Y.D.; Zhang, Y.; Xu, Y.; Zhou, J.P. The butt of CP-Ti/304 stainless steel and CP-Ti/T2 bimetallic sheets using laser-induction heating welding technology. Mater. Lett. 2021, 307, 131054. [Google Scholar] [CrossRef]
- Su, G.; Yun, Z.; Lin, Y.C.; He, D.G.; Zhang, S.; Chen, Z.J. Microstructure evolution and a unified constitutive model of Ti-55511 alloy compressed at stepped strain rates. Materials 2021, 14, 6750. [Google Scholar] [CrossRef]
- Wang, Y.C.; Xue, X.Y.; Kou, H.C.; Chang, J.X.; Yin, Z.W.; Li, J.S. Improvement of microstructure homogenous and tensile properties of powder hot isostatic pressed TA15 titanium alloy via heat treatment. Mater. Lett. 2022, 311, 131585. [Google Scholar] [CrossRef]
- Musi, M.; Clemens, H.; Stark, A.; Staron, P.; Spoerk-Erdely, P. Phase transformations and phase stability in the Ti-44 at.%Al-(0-7 at.%) Mo system. Intermetallics 2022, 143, 107484. [Google Scholar] [CrossRef]
- Lin, T.; Song, K.; Shao, H.; Lu, H. Effect of Nb content on Ti-Mo-Nb alloy materials for neutron high pressure diffraction. Mater. Lett. 2022, 314, 131821. [Google Scholar] [CrossRef]
- Tang, H.; Liu, Y.; Zhao, D.; Song, M. Achieving high strength and large ductility via Zr-rich stripes in Ti-15Zr alloy. Mater. Lett. 2022, 318, 132194. [Google Scholar] [CrossRef]
- Gao, Q.; Jiang, X.; Sun, H.; Zhang, Y.; Fang, Y.; Mo, D.; Li, X. Performance and microstructure of TC4/Nb/Cu/316L welded joints subjected to cryogenic treatment. Mater. Lett. 2022, 321, 132453. [Google Scholar] [CrossRef]
- Nigito, E.; Diemer, F.; Husson, S.; Ou, S.F.; Tsai, M.H.; Rézaï-Aria, F. Microstructure of NiTi superelastic alloy manufactured by selective laser melting. Mater. Lett. 2022, 324, 132665. [Google Scholar] [CrossRef]
- Xiao, C.; Zhang, H.; Davoodi, D.; Miri, R.; Tayebi, M. Microstructure evolutions of Ti-Al-Nb alloys with different Ta addition, produced by mechanical alloying and spark plasma sintering. Mater. Lett. 2022, 323, 132568. [Google Scholar] [CrossRef]
- Wei, J.; Yang, F.; Qi, M.; Sui, Y.; Chen, C.; Guo, Z. Propagation mechanism of crack in adiabatic shear band of PM Ti-6Al-4V during hot deformation. Mater. Lett. 2022, 324, 132696. [Google Scholar] [CrossRef]
- Xu, Y.; Liu, Z.; Zhu, X.; Jiang, Z.; Chen, H.; Wang, N. Effect of rare earth Ce addition on microstructure and mechanical properties of titanium alloy Ti-6Al-4V. Mater. Lett. 2023, 330, 133244. [Google Scholar] [CrossRef]
- Li, J.; Sun, K.; Li, X.; Meng, X.; Cai, W. High damping performances over wide temperature range in the B doped Ti-Ni shape memory alloys. Mater. Lett. 2023, 330, 133245. [Google Scholar] [CrossRef]
- Chen, X.F.; Tang, B.; Wei, B.B.; Zhang, X.; Li, J.S. Investigation on recrystallization behavior of Ti-47Al-1.5Re-X (Cr, Mn, V, Nb) alloy during hot deformation. Mater. Lett. 2023, 331, 33484. [Google Scholar] [CrossRef]
- Cheng, F.; Wang, H.M.; Yang, J.W.; Li, Z.; Cheng, X.; Tian, X.J. Deformation kinking in duplex titanium alloy with widmannstatten laths under high strain rates. Mater. Lett. 2023, 333, 133591. [Google Scholar] [CrossRef]
- Huang, G.Y.; Zhang, G.S.; Song, P.; Liu, X.M.; Lv, X.; Li, M.; Zhang, J.H.; Deng, W.K.; Guo, D.F. Tailoring pre-deformation microstructure-An easy way for nanocrystallization. Mater. Lett. 2022, 308, 131143. [Google Scholar] [CrossRef]
- Straumal, B.B.; Gornakova, A.S.; Kucheev, Y.O.; Baretzky, B.; Nekrasov, A.N. Grain boundary wetting by a second solid phase in the Zr–Nb alloys. J. Mater. Eng. Perform. 2012, 21, 721–724. [Google Scholar] [CrossRef]
- Guo, H.Y.; Liu, S.H.; Huang, L.; Wang, D.Q.; Du, Y.; Chu, M.Q. Thermal conductivity of as-cast and annealed Mg-RE binary alloys. Metals 2021, 11, 554. [Google Scholar] [CrossRef]
- Straumal, A.B.; Mazilkin, I.A.; Tsoi, K.V.; Baretzky, B.; Straumal, B.B. “Wetting” phase transitions by the second solid phase for linear defects (grain boundary triple junctions). JETP Lett. 2020, 112, 257–261. [Google Scholar] [CrossRef]
- Dong, N.N.; Sun, L.X.; Ma, H.B.; Jin, P.P. Effects of cryogenic treatment on microstructures and mechanical properties of Mg-2Nd-4Zn alloy. Mater. Lett. 2021, 305, 130699. [Google Scholar] [CrossRef]
- Straumal, A.; Mazilkin, I.; Tzoy, K.; Straumal, B.; Bryła, K.; Baranchikov, A.; Eggeler, G. Bulk and surface low temperature phase transitions in the Mg-alloy EZ33A. Metals 2020, 10, 1127. [Google Scholar] [CrossRef]
- Zhou, T.S.; Guo, F.F.; Zhang, Q.F.; Liu, D.X. Offsetting strength-ductility tradeoff in Mg-Sn-Zn-Zr alloy by a novel differential-thermal ECAP process. Mater. Lett. 2021, 305, 130764. [Google Scholar] [CrossRef]
- Xiao, N.; Zeng, Y.Z.; Lu, X.L.; Sun, Y.H.; Sun, B.Z. On the γ′ and W strengthening precipitates in Dy and Zn microalloyed magnesium alloys. Mater. Lett. 2021, 307, 131028. [Google Scholar] [CrossRef]
- Zhang, S.; Sun, B.; Wu, R.Z.; Zhou, Y.; Wu, Q. Nanocrystalline strengthened Mg-Li alloy with a bcc structure prepared via heat treatment and rolling. Mater. Lett. 2022, 312, 131680. [Google Scholar] [CrossRef]
- Chang, L.L.; Su, X.J.; Qin, J.L. Uneven microstructure in ZK60 alloy as a core of AZ31/ZK60 composite rods. Mater. Lett. 2022, 325, 132666. [Google Scholar] [CrossRef]
- Shen, Q.K.; Kong, X.D.; Chen, X.Z.; Yao, X.K.; Deev, V.B.; Prusov, E.S. Powder plasma arc additive manufactured CoCrFeNi(SiC)(x) high-entropy alloys: Microstructure and mechanical properties. Mater. Lett. 2021, 282, 128736. [Google Scholar] [CrossRef]
- Straumal, B.B.; Korneva, A.; Kuzmin, A.; Lopez, G.; Rabkin, E.; Straumal, A.B.; Gerstein, G.; Gornakova, A.S. The grain boundary wetting phenomena in the Ti-containing high entropy alloys: A review. Metals 2021, 11, 1881. [Google Scholar] [CrossRef]
- Han, J.S.; Su, B.; Zhang, A.J.; Meng, J.H.; Wu, Y.Z. Forming and characterization of Al0.2MoNbTaTiW/MC refractory high-entropy alloy composite by spark plasma sintering and hot extrusion. Mater. Lett. 2021, 284, 128979. [Google Scholar] [CrossRef]
- Straumal, B.B.; Korneva, A.; Lopez, G.A.; Kuzmin, A.; Rabkin, E.; Gerstein, G.; Straumal, A.B.; Gornakova, A.S. Grain boundary wetting by a second solid phase in the high entropy alloys: A review. Materials 2021, 14, 7506. [Google Scholar] [CrossRef]
- Astafurova, E.; Melnikov, E.; Astafurov, S.; Reunova, K.; Panchenko, M.; Moskvina, V.; Tumbusova, I. A comparative study of a solid solution hardening in carbon-alloyed FeMnCrNiCo0.95C0.05 high-entropy alloy subjected to different thermal–mechanical treatments. Mater. Lett. 2021, 285, 129073. [Google Scholar] [CrossRef]
- Straumal, B.; Rabkin, E.; Lopez, G.A.; Korneva, A.; Kuzmin, A.; Gornakova, A.S.; Valiev, R.Z.; Straumal, A.; Baretzky, B. Grain boundary wetting phenomena in the high entropy alloys containing nitrides, carbides, borides, silicides, and hydrogen: A review. Crystals 2021, 11, 1540. [Google Scholar] [CrossRef]
- Sekhar, R.A.; Shifin, S.; Kumar, A.A.; Nair, A.H.; Sudhees, A.; Krishnan, J. AlCoCrFeNiTi-C alloy with TiC nano precipitates processed through mechanical alloying and spark plasma sintering. Mater. Lett. 2021, 285, 129185. [Google Scholar] [CrossRef]
- Nie, J.H.; Li, Y.X.; Chen, B.W.; Yang, Y.X.; Zhang, H.J.; Liu, S.Y.; Wei, S.Z.; Cai, J.; Guan, Q.F. Evolution of oxide layer during high-temperature oxidation of NiCoCrAlY coating via laser cladding on 304 stainless steel. Mater. Lett. 2021, 286, 129233. [Google Scholar] [CrossRef]
- Lukac, F.; Vilemova, M.; Klementova, M.; Minarik, P.; Chraska, T. The origin and the effect of the fcc phase in sintered HfNbTaTiZr. Mater. Lett. 2021, 286, 129224. [Google Scholar] [CrossRef]
- Deng, N.; Wang, J.; Wang, J.X.; He, Y.X.; Beaugnon, E.; Li, J.S. Effect of high magnetic field assisted heat treatment on microstructure and properties of AlCoCrCuFeNi high-entropy alloy. Mater. Lett. 2021, 303, 130540. [Google Scholar] [CrossRef]
- Zhou, Y.; Kang, J.; Zhang, J.; Fu, Z.; Zhu, L.; She, D. Effect of vacuum heat treatment on microstructure and mechanical properties of HVOF sprayed AlCoCrFeNiCu high-entropy alloy coating. Mater. Lett. 2022, 323, 132551. [Google Scholar] [CrossRef]
- Zhu, X.P.; Gao, N.; Bai, Z.C.; Wang, K.; Yao, J.Q.; Fan, Z.T.; Wang, Z.D.; Liu, X.W. Phase stability of a light-weight AlNb2TiV refractory high-entropy alloy at high temperature. Mater. Lett. 2022, 325, 132897. [Google Scholar] [CrossRef]
- Yen, S.; Liu, Y.; Chu, S.; Chang, C.; Lin, S.; Tsai, M.-H. B2-strengthened Al-Co-Cr-Fe-Ni high entropy alloy with high ductility. Mater. Lett. 2022, 325, 132828. [Google Scholar] [CrossRef]
- Sursaeva, V.G.; Straumal, B.B.; Gornakova, A.S.; Shvindlerman, L.S.; Gottstein, G. Effect of faceting on grain boundary motion in Zn. Acta Mater. 2008, 56, 2728–2734. [Google Scholar] [CrossRef]





















Disclaimer/Publisher’s Note: The statements, opinions and data contained in all publications are solely those of the individual author(s) and contributor(s) and not of MDPI and/or the editor(s). MDPI and/or the editor(s) disclaim responsibility for any injury to people or property resulting from any ideas, methods, instructions or products referred to in the content. |
© 2023 by the authors. Licensee MDPI, Basel, Switzerland. This article is an open access article distributed under the terms and conditions of the Creative Commons Attribution (CC BY) license (https://creativecommons.org/licenses/by/4.0/).
Share and Cite
Straumal, B.; Lepkova, T.; Korneva, A.; Gerstein, G.; Kogtenkova, O.; Gornakova, A. Grain Boundary Wetting by the Second Solid Phase: 20 Years of History. Metals 2023, 13, 929. https://doi.org/10.3390/met13050929
Straumal B, Lepkova T, Korneva A, Gerstein G, Kogtenkova O, Gornakova A. Grain Boundary Wetting by the Second Solid Phase: 20 Years of History. Metals. 2023; 13(5):929. https://doi.org/10.3390/met13050929
Chicago/Turabian StyleStraumal, Boris, Tatiana Lepkova, Anna Korneva, Gregory Gerstein, Olga Kogtenkova, and Alena Gornakova. 2023. "Grain Boundary Wetting by the Second Solid Phase: 20 Years of History" Metals 13, no. 5: 929. https://doi.org/10.3390/met13050929
APA StyleStraumal, B., Lepkova, T., Korneva, A., Gerstein, G., Kogtenkova, O., & Gornakova, A. (2023). Grain Boundary Wetting by the Second Solid Phase: 20 Years of History. Metals, 13(5), 929. https://doi.org/10.3390/met13050929

