A Review of Configurations and Control Strategies for Linear Motor-Based Electromagnetic Suspension
Abstract
1. Introduction
1.1. Research Background
1.2. Development Needs of Suspension Systems
1.3. Development Trends of Vehicle Suspension Configurations
1.4. Scope and Structure of This Review
2. Research on Configurations of Linear Motor-Based Electromagnetic Suspension
2.1. Motor Types and Topologies
2.1.1. Moving-Coil Linear Motor (Voice Coil Actuator, VCA)
2.1.2. Moving-Magnet Linear Motor (Permanent Magnet Synchronous Linear Motor, PMSLM)
2.1.3. Switched Reluctance Linear Motor (LSRM)
2.2. Challenges in Structural Design
2.2.1. Mass-Volume Optimization
2.2.2. Axial Gap and Eccentric Load Compensation
2.2.3. Thermal Management Technology
2.2.4. Reliability Technology
2.3. Summary
3. Suspension Control Strategies
3.1. Mapping of Structural Challenges to Control Strategies
3.2. Classical Control Methods
3.2.1. Skyhook and Groundhook Control
3.2.2. Linear Quadratic Optimal Control (LQR/LQG)
3.2.3. PID and Its Improved Algorithms (Anti-Windup, Gain Scheduling)
3.3. Advanced Control Strategies
3.3.1. Adaptive Control
3.3.2. Robust Control
3.3.3. Predictive Control
3.3.4. Intelligent Control
3.4. Energy Optimization Strategies
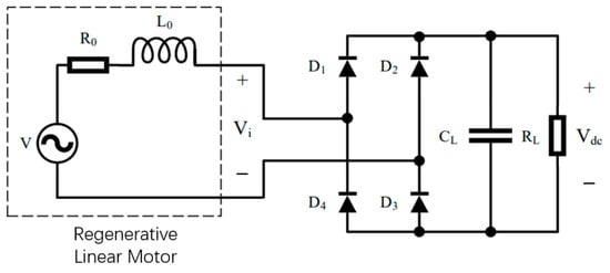
3.4.1. Regenerative Vibration Energy Harvesting Circuit Design
3.4.2. Energy-Efficiency Trade-Offs in Control Algorithms
3.5. Experimental Validation and Quantitative Performance Analysis
3.6. Summary
4. Key Technologies and Challenges
4.1. Nonlinear Problems
4.1.1. Motor Thrust Fluctuation Compensation
4.1.2. Friction/Eddy Current Loss Modeling and Compensation
4.2. Multi-Physics Coupling Mechanisms
4.2.1. Electromagnetic–Mechanical–Thermal Coupling Effects
4.2.2. Real-Time Co-Simulation of Mechatronic Systems
4.3. Cost and Industrialization Bottlenecks
4.3.1. High-Cost Motor Materials
4.3.2. System Reliability Verification Standards and Protocols
4.4. Summary
5. Conclusions and Outlook
5.1. Technical Development Summary
5.1.1. Configuration Design Trends
5.1.2. Evolution of Control Strategies
5.2. Future Research Directions
5.2.1. Application of New Materials
5.2.2. Sensorless Control Technology
5.2.3. Active Safety Fusion Control: Integrated Chassis Dynamics
Author Contributions
Funding
Data Availability Statement
Acknowledgments
Conflicts of Interest
References
- Wu, F.; Qiu, H.; Chen, W.; Li, Y.; Lin, S.; Ke, Y. Design and Obstacle Crossing Performance Analysis of a New Type Wheeled Walking Self-Adjusting Chassis. In Proceedings of the 8th International Conference on Computing, Control and Industrial Engineering (CCIE2024), Wuhan, China, 21–22 June 2024; Shmaliy, S.Y., Ed.; Springer: Singapore, 2024. [Google Scholar]
- Repin, S.; Bukirov, R.; Vasilieva, P. Study on effects of damping characteristics of base chassis suspension on operational safety of transport and handling machinery. Transp. Res. Procedia 2020, 50, 574–581. [Google Scholar] [CrossRef]
- Garthe, D.; Schmidt, C.; Denkena, B. Lightweight Design in Agricultural Machinery—CFRP Chassis for Forage Harvesters. ATZ Heavy Duty Worldw. 2024, 17, 32–37. [Google Scholar] [CrossRef]
- Ibrahim, A.M.; Ali, A.M.; Kamel, H. Design optimization and production of a small-scale semi-trailer chassis for testing. J. Eng. Appl. Sci. 2023, 70, 35. [Google Scholar] [CrossRef]
- Wang, Y.; Chen, K.; Dong, M. Research on Active Suspension System of Heavy Commercial Vehicle Controlled by PID Controller Based on Genetic Algorithm. In Advances in Precision Instruments and Optical Engineering; Liu, G., Cen, F., Eds.; Springer Proceedings in Physics; Springer: Singapore, 2022; Volume 270. [Google Scholar]
- Wang, B.; Du, X.; Wang, Y.; Mao, H. Multi-machine collaboration realization conditions and precise and efficient production mode of intelligent agricultural machinery. Int. J. Agric. Biol. Eng. 2024, 17, 27–36. [Google Scholar] [CrossRef]
- Tang, Z.; Wang, H.; Jing, T.; Liu, S.; Shen, C. Centroid Swinging Property of a Machine Body Undergoing Longitudinal Excitation in a Straw Compression Baler. Eng. Agric. 2024, 44, e20230109. [Google Scholar] [CrossRef]
- Li, J.; Nie, Z.; Chen, Y.; Ge, D.; Li, M. Development of Boom Posture Adjustment and Control System for Wide Spray Boom. Agriculture 2023, 13, 2162. [Google Scholar] [CrossRef]
- Lu, Y.; Xu, W.; Leng, J. Review and Research Prospects on Additive Manufacturing Technology for Agricultural Manufacturing. Agriculture 2024, 14, 1207. [Google Scholar] [CrossRef]
- Zhang, F.; Teng, S.; Wang, Y.; Guo, Z.; Wang, J.; Xu, R. Design of bionic goat quadruped robot mechanism and walking gait planning. Int. J. Agric. Biol. Eng. 2020, 13, 32–39. [Google Scholar] [CrossRef]
- Wang, R.; Zhang, K.; Ding, R.; Jiang, Y.; Jiang, Y. A Novel Hydraulic Interconnection Design and Sliding Mode Synchronization Control of Leveling System for Crawler Work Machine. Agriculture 2025, 15, 137. [Google Scholar] [CrossRef]
- Jiang, H.; Fan, W. Design and Testing of a Small Orchard Tractor Driven by a Power Battery. Eng. Agric. 2023, 43, e20220195. [Google Scholar] [CrossRef]
- Zhu, Z.; Zeng, L.; Chen, L.; Zou, R.; Cai, Y. Fuzzy Adaptive Energy Management Strategy for a Hybrid Agricultural Tractor Equipped with HMCVT. Agriculture 2022, 12, 1986. [Google Scholar] [CrossRef]
- Liu, J.; Xia, C.; Jiang, D.; Shang, G.; Han, J.; Sun, Y. Determination and application of maximum efficiency curve of crawler electric tractor motors. Math. Probl. Eng. 2021, 2021, 1310926. [Google Scholar] [CrossRef]
- Xu, L.; Chai, X.; Gao, Z.; Li, Y.; Wang, Y. Experimental Study on Driver Seat Vibration Characteristics of Crawler-type Combine Harvester. Int. J. Agric. Biol. Eng. 2019, 12, 90–97. [Google Scholar] [CrossRef]
- Tang, Z.; Ren, H.; Li, X.; Liu, X.; Zhang, B. Structure Design and Bearing Capacity Analysis for Crawler Chassis of Rice Combine Harvester. Complexity 2020, 2020, 7610767. [Google Scholar] [CrossRef]
- Jia, W.; Tai, K.; Wang, X.; Dong, X.; Ou, M. Design and Simulation of Intra-Row Obstacle Avoidance Shovel-Type Weeding Machine in Orchard. Agriculture 2024, 14, 1124. [Google Scholar] [CrossRef]
- Liu, W.; Zhou, J.; Zhang, T.; Zhang, P.; Yao, M.; Li, J.; Sun, Z.; Ma, G.; Chen, X.; Hu, J. Key Technologies in Intelligent Seeding Machinery for Cereals: Recent Advances and Future Perspectives. Agriculture 2025, 15, 8. [Google Scholar] [CrossRef]
- Li, Y.; Liu, Y.; Ji, K.; Zhu, R. A Fault Diagnosis Method for a Differential Inverse Gearbox of a Crawler Combine Harvester Based on Order Analysis. Agriculture 2022, 12, 1300. [Google Scholar] [CrossRef]
- Wang, R.; Su, Z.; Ding, R.; Sun, Z.; Jiang, Y.; Guo, Z. Omnidirectional Leveling System of Crawler Machine Based on Sliding Mode Synchronous Position Control. Trans. Chin. Soc. Agric. Mach. 2024, 55, 394–401. [Google Scholar]
- Pacejka, H.B. Tire and Vehicle Dynamics, 3rd ed.; Butterworth-Heinemann: Oxford, UK, 2012; pp. 1–58. [Google Scholar]
- Liu, J.; Xia, C.; Jiang, D.; Sun, Y. Development and Testing of the Power Transmission System of a Crawler Electric Tractor for Greenhouses. Appl. Eng. Agric. 2020, 36, 797–805. [Google Scholar] [CrossRef]
- Liu, S.; Tang, Z.; Zhang, B.; Liang, Y.; Gu, X. Ergonomic Design of Cab Structure for Wheeled Combine Harvester. Eng. Agric. 2022, 42, e20220023. [Google Scholar] [CrossRef]
- Chen, Y.; Chen, L.; Wang, R.; Xu, X.; Shen, Y.; Liu, Y. Modeling and test on height adjustment system of electrically-controlled air suspension for agricultural vehicles. Int. J. Agric. Biol. Eng. 2016, 9, 40–47. [Google Scholar]
- Cui, L.; Xue, X.; Le, F.; Mao, H.; Ding, S. Design and experiment of electro hydraulic active suspension for controlling the rolling motion of spray boom. Int. J. Agric. Biol. Eng. 2019, 12, 72–81. [Google Scholar] [CrossRef]
- Wang, H.; Jasim, A.; Chen, X. Energy harvesting technologies in roadway and bridge for different applications—A comprehensive review. Appl. Energy 2018, 212, 1083–1094. [Google Scholar] [CrossRef]
- Ding, R.; Wang, R.; Meng, X.; Chen, L. Study on coordinated control of the energy regeneration and the vibration isolation in a hybrid electromagnetic suspension. Proc. Inst. Mech. Eng. Part D J. Automob. Eng. 2017, 231, 1530–1539. [Google Scholar] [CrossRef]
- Jin, Y.; Liu, J.; Xu, Z.; Yuan, S.; Li, P.; Wang, J. Development status and trend of agricultural robot technology. Int. J. Agric. Biol. Eng. 2021, 14, 1–19. [Google Scholar] [CrossRef]
- Okyay, A.; Khamesee, M.B.; Erkorkmaz, K. Design and Optimization of a Voice Coil Actuator for Precision Motion Applications. IEEE Trans. Magn. 2015, 51, 8202811. [Google Scholar] [CrossRef]
- Feng, X.; Duan, Y.; Fu, Y.; Sun, A.; Zhang, D. The technology and application of voice coil actuator. In Proceedings of the 2011 Second International Conference on Mechanic Automation and Control Engineering, Tianjin, China, 15–17 July 2011; pp. 892–895. [Google Scholar]
- Luo, J.; Wu, W.; Ge, L. Vertical Dynamics of Voice Coil Motor Active Suspension with Active Disturbance Rejection Control. In Proceedings of the 2019 IEEE International Conference on Mechatronics and Automation (ICMA), Tianjin, China, 4–7 August 2019; pp. 1919–1924. [Google Scholar]
- Wang, J.; Wang, W.; Atallah, K. A Linear Permanent-Magnet Motor for Active Vehicle Suspension. IEEE Trans. Veh. Technol. 2011, 60, 55–63. [Google Scholar] [CrossRef]
- Parison, J.A. Linear Motor. U.S. Patent 6,952,060, 4 October 2005. [Google Scholar]
- Kim, W.; Murphy, B.C. Development of a novel direct-drive tubular linear brushless permanent-magnet motor. Int. J. Control Autom. Syst. 2004, 2, 279–288. [Google Scholar]
- Lee, S.; Kim, W. Active suspension control with direct-drive tubular linear brushless permanent-magnet motor. IEEE Trans. Control Syst. Technol. 2009, 18, 859–870. [Google Scholar] [CrossRef]
- Gysen, B.L.J.; Paulides, J.J.H.; Janssen, J.L.G.; Lomonova, E.A. Active electromagnetic suspension system for improved vehicle dynamics. IEEE Trans. Veh. Technol. 2009, 59, 1156–1163. [Google Scholar] [CrossRef]
- Gysen, B.L.J.; Janssen, J.L.G.; Paulides, J.J.H.; Lomonova, E.A. Design aspects of an active electromagnetic suspension system for automotive applications. IEEE Trans. Ind. Appl. 2009, 45, 1589–1597. [Google Scholar] [CrossRef]
- Gysen, B.L.; van der Sande, T.P.J.; Paulides, J.J.H.; Lomonova, E.A. Efficiency of a regenerative direct-drive electromagnetic active suspension. IEEE Trans. Veh. Technol. 2011, 60, 1384–1393. [Google Scholar] [CrossRef]
- Ding, R.; Wang, R.; Meng, X.; Chen, L. Energy consumption sensitivity analysis and energy-reduction control of hybrid electromagnetic active suspension. Mech. Syst. Signal Process. 2019, 134, 106301. [Google Scholar] [CrossRef]
- Ding, R.; Wang, R.; Meng, X.; Chen, L. Mode-switching control and stability analysis of a hybrid electromagnetic actuator for the vehicle suspension. J. Vib. Control 2020, 26, 1804–1814. [Google Scholar]
- Tang, X.; Lin, T.; Zuo, L. Design and optimization of a tubular linear electromagnetic vibration energyharvester. IEEE/ASME Trans. Mechatron. 2013, 19, 615–622. [Google Scholar]
- Sun, F.; Xing, D.; Zhou, R.; Jin, J.; Xu, F. LQR Control Strategy for Electromagnetic Active Suspension Considering Energy Consumption. J. Southwest Jiaotong Univ. 2023, 58, 754–760+798. [Google Scholar]
- Sun, F.; Zhao, J.; Zhou, R.; Wang, S.; Xu, F.; Jin, J. Riding comfort based on robust control of electromagnetic active suspension for whole vehicle. J. Shenyang Univ. Technol. 2023, 45, 418–427. [Google Scholar]
- Shi, Z.; Cao, R.; Zhang, S.; Guo, J.; Yu, S.; Chen, H. Active suspension H∞/generalized H2 static output feedback control. J. Vib. Control 2024, 30, 5183–5195. [Google Scholar] [CrossRef]
- Krishnan, R. Switched Reluctance Motor Drives: Modeling, Simulation, Analysis, Design, and Applications; CRC Press: Boca Raton, FL, USA, 2001. [Google Scholar]
- Lovatt, H.C.; Stephenson, J.M. Computer-optimized smooth-torque current-waveforms for switched-reluctance motors. IEEE Proc.-B-Electr. Power Appl. 1994, 141, 45–51. [Google Scholar] [CrossRef]
- Ma, J.; Wan, Z.; Wang, D.; Wan, Z. Design and Thrust Optimization of Linear Switched Reluctance Motor. Small Spec. Electr. Mach. 2020, 48, 12–16+21. [Google Scholar]
- Xue, X.; Cheng, K.; Ho, S. An Algorithm for Solving Initial Value Problems of Multiphase Switched Reluctance Motors Taking into Account of Mutual Coupling. Electr. Power Compon. Syst. 2002, 30, 637–651. [Google Scholar]
- Fahimi, B.; Emadi, A.; Sepe, R.B. A switched reluctance machine-based starter/alternator for more electric cars. IEEE Trans. Energy Convers. 2004, 19, 116–124. [Google Scholar]
- Wang, B.; Chen, S.; Wang, G.; Tang, Z.; Ding, H. Damping Optimization Method of Combine Harvester Frame Undergoing Multi-Source Excitation. Agriculture 2024, 14, 815. [Google Scholar] [CrossRef]
- Zhang, H.; Ji, W.; Xu, B.; Yu, X. Optimizing Contact Force on an Apple Picking Robot End-Effector. Agriculture 2024, 14, 996. [Google Scholar] [CrossRef]
- Jiang, R.; Jin, Z.; Liu, D.; Wang, D. Multi-Objective Lightweight Optimization of Parameterized Suspension Components Based on NSGA-II Algorithm Coupling with Surrogate Model. Machines 2021, 9, 107. [Google Scholar] [CrossRef]
- Shah, V.; Pamwar, M.; Sangha, B.; Kim, I.Y. All-terrain vehicle chassis design using multi-material topology optimization. Struct. Multidisc. Optim. 2023, 66, 45. [Google Scholar] [CrossRef]
- Arslan, S. Developing a Tubular Type Flux-Switching Permanent Magnet Linear Machine for a Semi-active Suspension Systems. Int. J. Automot. Technol. 2024, 25, 1201–1214. [Google Scholar] [CrossRef]
- Wang, W.; Chen, X.; Wang, J. Unsprung Mass Effects on Electric Vehicle Dynamics based on Coordinated Control Scheme. In Proceedings of the 2019 American Control Conference (ACC), Philadelphia, PA, USA, 10–12 July 2019; pp. 971–976. [Google Scholar]
- Wen, X.; Fang, H.; Li, R.; Liu, Z.; Zhou, J.; Li, D.; Qu, R. Research on Sensitivity of Slot-Pole Combination to Unbalanced Magnetic Pull Induced by Rotor Eccentricity. IEEE Trans. Ind. Appl. 2024, 60, 6186–6196. [Google Scholar] [CrossRef]
- Yang, G.; Chen, Z.; Lin, M. Research on Suppression of Unbalanced Magnetic Tension in FSCW PMSM Based on Harmonic Phase Regulation of Air-gap Magnetic Density. Trans. China Electrotech. Soc. 2025; in press. [Google Scholar] [CrossRef]
- Wang, D.; Yang, W.; Yang, J.; Jiang, K.; Zhang, J.; Fu, Y. Research on the vibration characteristics and performance optimization of the rotor-shaft system of an unbalanced permanent magnet synchronous motor. J. Mech. Sci. Technol. 2023, 37, 4425–4439. [Google Scholar] [CrossRef]
- Emami, S.P.; Taghipour Boroujeni, S.; Takorabet, N. Fast prediction of unbalanced magnetic pull in PM machines. Electr. Eng. 2021, 103, 2595–2602. [Google Scholar] [CrossRef]
- Adăscăliţei, C.; Marţiş, C.S.; Cosman, S.I. Advanced Thermal Management Techniques for Electric Motors: A Comparative Analysis. In Proceedings of the 2024 IEEE International Conference and Exposition on Electric and Power Engineering (EPEi), Iasi, Romania, 17–19 October 2024; pp. 112–117. [Google Scholar]
- Shewalkar, A.G.; Dhoble, A.S.; Kumar, V.; Bhakre, S.S. Experimental and numerical thermal analysis of a 1.2-kW air-cooled PMSM motor used in electric vehicle. J. Therm. Anal. Calorim. 2025, 150, 12501–12511. [Google Scholar] [CrossRef]
- Zhang, Y.; Yu, X.; Zhang, X.; Liu, F. A Brief Discussion on an Improved Forced Air-Cooled Linear Motor with Air Duct. China Plant Eng. 2022, 2, 106–107. (In Chinese) [Google Scholar]
- Li, X.; He, Y.; Wang, S.; Gong, S. Engineering design of forced air-cooled linear induction traction motor. Micromotors 2022, 55, 113–117. [Google Scholar]
- Xu, R.; Zhao, J.; Wang, J.; Yu, Z.; Pan, Z.; Wang, L.; Wang, S.; Hu, X.; Jiang, M. Heat Transfer Performance Improvement of Permanent Magnet Synchronous Linear Motor Based on Embedded Staggered Double Channel Water-Cooling Structure. IEEE Trans. Transp. Electrif. 2024, 10, 10158–10168. [Google Scholar] [CrossRef]
- Chen, W.; Luo, Q.; Cai, Z.; Wang, C. Temperature field analysis and cooling structure optimization of permanent magnet linear synchronous motor. Therm. Sci. Eng. Prog. 2024, 50, 102532. [Google Scholar] [CrossRef]
- Zhu, J.; Mei, J. Optimization Design of Water-cooling Structure for Dual-axis Linear Motor Module. Electro-Mech. Eng. 2024, 40, 59–64. [Google Scholar]
- IEC 60529; Degrees of Protection Provided by Enclosures (IP Code). International Electrotechnical Commission: Geneva, Switzerland, 1989.
- Li, J.W.; Chen, G.Q.; Yang, L.; Wang, Y. Failure Analysis and Structural Optimization of High-Pressure Reciprocating Y-Shaped Sealing Ring. J. Fail. Anal. Prev. 2024, 24, 1957–1975. [Google Scholar]
- Yi, X.; She, Y.; Wan, T.; Nie, R.; Zeng, Z. Design and Simulation Analysis of Seal Tube of Tubular Permanent Magnet Linear Motor. J. Wuhan Inst. Technol. 2022, 44, 566–571. [Google Scholar] [CrossRef]
- Yao, Y.; Lu, G.Q.; Boroyevich, D.; Ngo, K.D. Survey of High-Temperature Polymeric Encapsulants for Power Electronics Packaging. IEEE Trans. Compon. Packag. Manuf. Technol. 2015, 5, 168–181. [Google Scholar]
- Gao, Y.; Yang, Y.; Hu, Y.; Han, X.; Feng, K.; Li, P.; Wei, X.; Zhai, C. Study on Operating Vibration Characteristics of Different No-Tillage Planter Row Units in Wheat Stubble Fields. Agriculture 2024, 14, 1878. [Google Scholar] [CrossRef]
- Yerge, R.M.; Shendge, P.D.; Paighan, V.; Phadke, S.B. Design and implementation of a two objective active suspension using hybrid skyhook and groundhook strategy. In Proceedings of the 2017 2nd IEEE International Conference on Recent Trends in Electronics, Information & Communication Technology (RTEICT), Bangalore, India, 19–20 May 2017; pp. 968–972. [Google Scholar]
- Liu, C.; Chen, L.; Lee, H.; Yang, Y.; Zhang, X. Generalized Skyhook-Groundhook Hybrid Strategy and Control on Vehicle Suspension. IEEE Trans. Veh. Technol. 2023, 72, 1689–1700. [Google Scholar]
- Van Tan, V.; Van Vinh, N.; Thang, P.T.; Mihaly, A.; Gaspar, P. Optimizing a Hybrid Controller for Automotive Active Suspension System by Using Genetic Algorithms with Two High Level Parameters. IEEE Access 2024, 12, 172451–172464. [Google Scholar] [CrossRef]
- Yang, Y.; Liu, C.; Chen, L.; Zhang, X. Phase deviation of semi-active suspension control and its compensation with inertial suspension. Acta Mech. Sin. 2024, 40, 523367. [Google Scholar] [CrossRef]
- Kou, F.; Jing, Q.; Ma, J.; Zhang, K.; Chen, C. Research on Endocrine Compound Skyhook and Groundhook Control of Electro-magnetic Hybrid Active Suspension. Mech. Sci. Technol. Aerosp. Eng. 2020, 39, 1615–1623. [Google Scholar] [CrossRef]
- Liu, Z.; Wang, S.; Guan, H.; Li, X.; Lin, S. Research on Semi-Active Suspension Strategy Based on Fuzzy Logic and Skyhook Control. Automob. Appl. Technol. 2024, 49, 26–29+58. [Google Scholar]
- Zhuo, Z.; Zhang, N.; Xu, H.; Xie, J. Research on LQR control of active suspension based on Improved Grey Wolf Optimization algorithm. In Proceedings of the 2023 7th CAA International Conference on Vehicular Control and Intelligence (CVCI), Changsha, China, 27–29 October 2023; pp. 1–6. [Google Scholar]
- Başak, H. Hybrid coati–grey wolf optimization with application to tuning linear quadratic regulator controller of active suspension systems. Eng. Sci. Technol. Int. J. 2024, 56, 101765. [Google Scholar] [CrossRef]
- Zhao, W.; Gu, L.; Dong, M. Application of Artificial Fish Swarm Algorithm in LQR Control for Active Suspension. In Proceedings of the 2022 13th Asian Control Conference (ASCC), Jeju, Republic of Korea, 4–7 May 2022; pp. 2406–2409. [Google Scholar]
- Wang, X.; Bao, D. Application of Improved Particle Swarm Algorithm in LQR Semi-active Suspension. Mech. Sci. Technol. Aerosp. Eng. 2023, 42, 468–474. [Google Scholar]
- Fan, Q.; Zhang, K.; Xu, L.; Gong, Y.; Chang, K. Optimized Design of Active Suspension LQR Controller Based on Snake Optimizer. Sci. Technol. Eng. 2024, 24, 3852–3860. [Google Scholar]
- Duan, Y.; Li, J.; Luo, J. A modified genetic algorithm of weighting optimization in LQG controller design for active suspensions. J. Vib. Shock 2023, 42, 278–283. [Google Scholar]
- Peng, Z.; Hui, Z.; Zhi, F. A Multivariable PID Controller Design Algorithm for Active Suspensions. In Proceedings of the 2022 34th Chinese Control and Decision Conference (CCDC), Hefei, China, 21–23 May 2022; pp. 2932–2937. [Google Scholar]
- Yu, W.; Zhu, K.; Yu, Y. Variable Universe Fuzzy PID Control for Active Suspension System with Combination of Chaotic Particle Swarm Optimization and Road Recognition. IEEE Access 2024, 12, 29113–29125. [Google Scholar] [CrossRef]
- Yang, F.Z.; Niu, H.L.; Sun, J.B.; Liu, Z.J.; Li, Y.L.; Chu, H.L. Design and Experiment of Attitude Cooperative Control System of Mountain Crawler Tractor and Farm Tools. Trans. Chin. Soc. Agric. Mach. 2022, 53, 414–422. [Google Scholar]
- An, X.; Zhao, J.; Wang, Y.; Zhi, J.; Wang, L. Research on BP-PID Active Suspension Control Strategy Based on Ant Colony Optimization Algorithm. Mach. Des. Manuf. Eng. 2025, 54, 87–93. [Google Scholar]
- Chai, X.; Hu, J.; Ma, T.; Liu, P.; Shi, M.; Zhu, L.; Zhang, M.; Xu, L. Construction and Characteristic Analysis of Dynamic Stress Coupling Simulation Models for the Attitude-Adjustable Chassis of a Combine Harvester. Agronomy 2024, 14, 1874. [Google Scholar] [CrossRef]
- Yu, Y.; Hao, S.; Guo, S.; Tang, Z.; Chen, S. Motor Torque Distribution Strategy for Different Tillage Modes of Agricultural Electric Tractors. Agriculture 2022, 12, 1373. [Google Scholar] [CrossRef]
- Hu, J.; Pan, J.; Dai, B.; Chai, X.; Sun, Y.; Xu, L. Development of an attitude adjustment crawler chassis for combine harvester and experiment of adaptive leveling system. Agronomy 2022, 12, 717. [Google Scholar] [CrossRef]
- Lu, E.; Ma, Z.; Li, Y.; Xu, L.; Tang, Z. Adaptive backstepping control of tracked robot running trajectory based on real-time slip parameter estimation. Int. J. Agric. Biol. Eng. 2020, 13, 178–187. [Google Scholar] [CrossRef]
- Sun, J.; Wang, Z.; Ding, S.; Xia, J.; Xing, G. Adaptive disturbance observer-based fixed time nonsingular terminal sliding mode control for path-tracking of unmanned agricultural tractors. Biosyst. Eng. 2024, 246, 96–109. [Google Scholar] [CrossRef]
- Hu, G.; Fang, B.; Yu, L.; Zhang, J.; Zhu, W. MRAC of magnetorheological semi-active suspension with variable loads. J. Nanchang Inst. Technol. 2024, 43, 21–27. [Google Scholar]
- Mousavi, Y.; Zarei, A.; Kucukdemiral, I.B.; Fekih, A.; Alfi, A. Disturbance Observer and Tube-based Model Reference Adaptive Control for Active Suspension Systems with Non-ideal Actuators. IFAC PapersOnLine 2023, 56, 1075–1081. [Google Scholar] [CrossRef]
- Yeneneh, K.; Walle, M.; Mamo, T.; Yalew, Y. Optimizing active suspension systems with robust h∞ control and adaptive techniques under uncertainties. Appl. Eng. Sci. 2025, 22, 100225. [Google Scholar] [CrossRef]
- Zhu, Z.; Zhou, Y.; Bai, G.; Guo, M.; Qin, Y. Model Reference Adaptive Vibration Control for Wheeled-legged Multi-mode Vehicle. In Proceedings of the 2023 7th CAA International Conference on Vehicular Control and Intelligence (CVCI), Changsha, China, 27–29 October 2023; pp. 1–6. [Google Scholar]
- Chen, Y.; Yang, M. Adaptive Control of Semi-active Suspension Based on Fractional Reference Model. Sci. Technol. Innov. Her. 2015, 12, 244–246+248. [Google Scholar]
- Yu, F.; Guo, K. Adaptive and Self-tuning Control of Vehicle Suspension. Automot. Eng. 1998, 4, 193–200+205. [Google Scholar] [CrossRef]
- Cao, M. Parameter Estimation and Self-correcting Control of Active Suspensions. Automot. Eng. 2001, 3, 177–180+208. [Google Scholar] [CrossRef]
- Huang, S.; Chen, H. Adaptive sliding controller with self-tuning fuzzy compensation for vehicle suspension control. Mechatronics 2006, 16, 607–622. [Google Scholar] [CrossRef]
- Li, H.-W.; Zhang, D.; Lu, Y.; Ni, Y.-Q.; Xu, Z.-D.; Zhu, Q.; Wang, S.-M. Self-Tuning Dual-Layer Sliding Mode Control of Electromagnetic Suspension System. IEEE Trans. Intell. Transp. Syst. 2025, 26, 2366–2380. [Google Scholar] [CrossRef]
- Hou, X.; Li, L. Modified NARMA-L2 model and its neuralnetwork implicit self-tuning controller. J. Heilongjiang Univ. Sci. Technol. 2021, 31, 782–787. [Google Scholar]
- Jiang, X.; Chen, T.; Xiong, X.; Zeng, J.; Zhao, Y.; Chen, R.; Hao, W.; Cheng, T. The self-tuning fuzzy sliding mode control method for the suspension system with the LSTM network road identification. J. Sound Vib. 2024, 581, 118401. [Google Scholar] [CrossRef]
- Wang, Z.; Yin, G.; Jin, X. Design of robust controllers for active suspension using the robust H∞ optimal control. In Proceedings of the 2016 35th Chinese Control Conference (CCC), Chengdu, China, 27–29 July 2016; pp. 8818–8823. [Google Scholar]
- Liu, Z.; Dai, Z.; Guan, J.; Zhu, X.; Li, W.; Yu, Y. Multi-Objective Robust Non-Fragile H∞ Control for Active Suspension System with Parameter Uncertainty. In Proceedings of the 2023 China Automation Congress (CAC), Chongqing, China, 27–29 July 2023; pp. 3279–3284. [Google Scholar]
- Jing, H.; Wang, R.; Li, C.; Bao, J. Robust finite-frequency H∞ control of full-car active suspension. J. Sound Vib. 2019, 441, 221–239. [Google Scholar] [CrossRef]
- Gao, X.; Cao, Q.; Yi, X. H∞ robust control of active suspension discrete control system with time delay. J. Mach. Des. 2022, 39, 118–125. [Google Scholar]
- Sun, D.; Wang, R.D.; Ren, K. H2/H∞ robust control of magnetorheological suspension considering actuator response time-delay. J. Vib. Shock 2022, 41, 276–282+290. [Google Scholar]
- Li, J.; Shang, Z.; Li, R.; Cui, B. Adaptive Sliding Mode Path Tracking Control of Unmanned Rice Transplanter. Agriculture 2022, 12, 1225. [Google Scholar] [CrossRef]
- Xu, M.; Huang, Q.; Li, G. Sliding Mode Variable Structure Optimization Control of Vehicle Magneto-rheological Semi-active Suspension. Mech. Sci. Technol. Aerosp. Eng. 2021, 40, 1106–1113. [Google Scholar]
- Samsuria, E.; Sam, Y.M.; Ramli, L. Active Suspension Control by Using Linear Quadratic Regulator and Sliding Mode Control Techniques with Optimisation. In Proceedings of the 2018 IEEE Conference on Systems, Process and Control (ICSPC), Melaka, Malaysia, 14–15 December 2018; pp. 135–140. [Google Scholar]
- Peng, H.; Ma, W.; Wang, Z.; Yuan, Z. Leveling Control of Hillside Tractor Body Based on Fuzzy Sliding Mode Variable Structure. Appl. Sci. 2023, 13, 6066. [Google Scholar] [CrossRef]
- Gu, S.; Jiang, C. Simulation study on model predictive control of vehicle active suspension based on RBF neural network. Chin. J. Constr. Mach. 2025, 23, 410–414. [Google Scholar]
- Mazouchi, M.; Li, Z.; Srivastava, V.; Tai, W.-C.; Goryca, J. Learning-Enhanced Active Vehicle Suspension Control Using Preview-augmented Model Predictive Control and Gaussian Process. IFAC PapersOnLine 2024, 58, 246–251. [Google Scholar] [CrossRef]
- Papadimitrakis, M.; Alexandridis, A. Active vehicle suspension control using road preview model predictive control and radial basis function networks. Appl. Soft Comput. 2022, 120, 108646. [Google Scholar] [CrossRef]
- Wang, R.; Guo, Y.; Wang, W.; Ding, R.; Sun, Z.; Meng, X. Hybrid electromagnetic suspension control method based on variable time domain model prediction. J. Jiangsu Univ. (Nat. Sci. Ed.) 2023, 44, 408–414. [Google Scholar]
- Zhang, N.; He, Y.; Whang, Y.; Wang, J. Active Suspension Control Based on Multi-agent Predictive Algorithm. In Proceedings of the 2020 4th CAA International Conference on Vehicular Control and Intelligence (CVCI), Hangzhou, China, 18–20 December 2020; pp. 354–358. [Google Scholar]
- Chen, J.; Ning, X.; Li, Y.; Yang, G.; Wu, P.; Chen, S. A fuzzy control strategy for the forward speed of a combine harvester based on KDD. Appl. Eng. Agric. 2017, 33, 15–22. [Google Scholar] [CrossRef]
- Dong, C.; Huang, L. Research on Semi-Active Suspension of Automobiles Based on Fuzzy Control. Constr. Mach. Equip. 2024, 55, 60–64+68. [Google Scholar]
- Pan, G.; Fan, F.; Feng, X. Research on the whole vehicle attitude control strategy based on active suspension. Electron. Meas. Technol. 2024, 47, 79–88. [Google Scholar]
- Kou, F.; Jing, Q.; Gao, Y.; Wu, J. A novel endocrine composite fuzzy control strategy of electromagnetic hybrid suspension. IEEE Access 2020, 8, 211750–211761. [Google Scholar] [CrossRef]
- Azizi, M.J.; Mirzaei, M.; Rafatnia, S.; Mehrabani, E.B. Fuzzy-Scheduled Constrained Control of Active Vehicle Suspension System. In Proceedings of the 2024 20th CSI International Symposium on Artificial Intelligence and Signal Processing (AISP), Babol, Iran, 21–22 February 2024; pp. 1–6. [Google Scholar]
- Huan, J.; Cao, W.; Liu, X. A dissolved oxygen prediction method based on k-means clustering and the elm neural network: A case study of the Changdang Lake, China. Appl. Eng. Agric. 2017, 33, 461–469. [Google Scholar] [CrossRef]
- Wang, Y.; Zhang, X.; Ma, G.; Du, X.; Shaheen, N.; Mao, H. Recognition of weeds at asparagus fields using multi-feature fusion and backpropagation neural network. Int. J. Agric. Biol. Eng. 2021, 14, 190–198. [Google Scholar] [CrossRef]
- Wang, R.; Jiang, Y.; Ding, R.; Sun, Z.; Xu, K. Omnidirectional levelling control of electromechanical machine using BP neural network PID. Trans. Chin. Soc. Agric. Eng. (Trans. CSAE) 2024, 40, 52–62. [Google Scholar]
- Zhu, X.; Chen, Z.; Zhang, S.; Zhang, C. Intelligent Control Strategy of Vehicle Active Suspension Based on Deep Reinforcement Learning. In Proceedings of the 2022 China Automation Congress (CAC), Xiamen, China, 25–27 November 2022; pp. 4871–4876. [Google Scholar]
- Qiu, H.; Al-Nussairi, A.K.J.; Chevinli, Z.S.; Singh, N.S.S.; Chyad, M.H.; Yu, J.; Maesoumi, M. Integrating digital twins with neural networks for adaptive control of automotive suspension systems. Sci. Rep. 2025, 15, 11078. [Google Scholar] [CrossRef]
- Jiang, Y.; Sun, Z.; Wang, R.; Ding, R.; Ye, Q. Design and control of a new omnidirectional levelling system for hilly crawler work machines. Comput. Electron. Agric. 2024, 218, 108661. [Google Scholar] [CrossRef]
- Xie, Q. PID Control of Semi-active Suspension Based on Reinforcement Learning. Auto Electr. Parts 2024, 12, 29–32. [Google Scholar] [CrossRef]
- Ahmad, A.; Radi, M.A.; Ahmad, A.; Boudiaf, A. Reinforcement Learning-Based Optimal Control Design for Active Suspension Systems. In Proceedings of the 2024 Advances in Science and Engineering Technology International Conferences (ASET), Abu Dhabi, United Arab Emirates, 26–29 February 2024; pp. 1–6. [Google Scholar]
- Wei, W.; Xie, Q.; Sun, J.; Yan, T. Research on Reinforcement Learning Control Strategy of Semi-Active Suspension with Twin Delayed DDPG. Manuf. Autom. 2025, 47, 85–92. [Google Scholar]
- Dridi, I.; Hamza, A.; Yahia, N.B.E.N. Optimizing full vehicle active suspension model with advanced reinforcement learning controller. Int. J. Interact. Des. Manuf. 2025, 19, 5269–5289. [Google Scholar] [CrossRef]
- Lu, T. Research on Electromagnetic Vibration Energy Recovery. Electron. Test 2021, 12, 24–25. [Google Scholar] [CrossRef]
- Li, H.; Liu, P.; Xia, X.; Ning, D. Research on Vibration Control of Electromagnetic Suspension Based on a Novel Energy Recycling Circuit. In Selected Contributions of 2024 2nd International Conference on Electric Vehicle and Vehicle Engineering. CEVVE 2024; Wong, P.K., Xu, J., Eds.; Lecture Notes in Electrical Engineering; Springer: Singapore, 2025; Volume 1424. [Google Scholar]
- Zuo, L.; Zhang, P. Energy Harvesting Ride Comfort Road Handling of Regenerative Vehicle Suspensions. J. Vib. Acoust. 2013, 135, 011002. [Google Scholar] [CrossRef]
- Ding, R.; Wang, R.; Meng, X.; Chen, L. A modified energy-saving skyhook for active suspension based on a hybrid electromagnetic actuator. J. Vib. Control 2019, 25, 286–297. [Google Scholar] [CrossRef]
- Xia, X.; Ning, D.; Liao, Y.; Liu, P.; Du, H.; Li, W. A Novel Semi-Active Electromagnetic Suspension for Ride Comfort and Energy Harvesting. In Proceedings of the 2022 IEEE PES 14th Asia-Pacific Power and Energy Engineering Conference (APPEEC), Melbourne, Australia, 20–23 November 2022; pp. 1–7. [Google Scholar]
- Xia, X.; Ning, D.; Liao, Y.; Liu, P.; Du, H.; Li, W.; Liu, G. Multiobjective Control Strategies of a Novel Multifunction Electrically Interconnected Suspension. IEEE/ASME Trans. Mechatron. 2023, 28, 3339–3351. [Google Scholar] [CrossRef]
- Azmi, R.; Mirzaei, M.; Habibzadeh-Sharif, A. A novel optimal control strategy for regenerative active suspension system to enhance energy harvesting. Energy Convers. Manag. 2023, 291, 117277. [Google Scholar] [CrossRef]
- ISO 2631-1; Mechanical Vibration and Shock—Evaluation of Human Exposure to Whole-Body Vibration—Part 1: General Requirements. International Organization for Standardization: Geneva, Switzerland, 1997.
- Yang, X.; Liu, H.; Lu, D.; Zhao, W. Investigation of the dynamic electromechanical coupling due to the thrust harmonics in the linear motor feed system. Mech. Syst. Signal Process. 2018, 111, 492–508. [Google Scholar] [CrossRef]
- Miao, Z.; Zhang, L.; Su, Y.; Zhang, H.; Li, Y. Optimization of thrust characteristics of permanent magnet linear motor with bilateral magnetic field modulation. Electr. Mach. Control 2025, 29, 146–159. [Google Scholar]
- Hu, J.; Guo, L.; Yang, Y.; Wu, X.; Zhang, P. Research on Thrust Ripple Suppression Control Algorithm of Permanent Magnet Linear Synchronous Motor. In Conference Proceedings of 2021 International Joint Conference on Energy, Electrical and Power Engineering; Lecture Notes in Electrical Engineering; Springer: Singapore, 2022; Volume 916. [Google Scholar]
- Huang, M.; Deng, Y.; Li, H.; Liu, J.; Shao, M. Thrust Ripple Minimization of PMLSM Using Robust Two Degrees-of-Freedom controller and Thrust Ripple Observer. In Proceedings of the 2021 IEEE International Conference on Real-time Computing and Robotics (RCAR), Xining, China, 15–19 July 2021; pp. 927–932. [Google Scholar]
- Li, M.; Lin, W. Adaptive friction compensation for permanent magnet linear synchronous motor. In Proceedings of the 2009 Chinese Control and Decision Conference, Guilin, China, 17–19 June 2009; pp. 1164–1168. [Google Scholar]
- Xu, X.; Yu, J.; Wang, Y. Research on Friction Compensation Feedforward Control for Linear Motors Based on the Prandtl-Ishlinskii Model. In Proceedings of the 2024 International Conference on Advanced Mechatronic Systems (ICAMechS), Kusatsu, Japan, 26–30 November 2024; pp. 303–308. [Google Scholar]
- Liu, Z.; Liu, Q. Friction Adaptive Compensation Control of Linear Motor Feed System. Mach. Tool Hydraul. 2022, 50, 152–155. [Google Scholar]
- Chang, D.; Cao, R.; Hou, Z. Model Free Active Disturbance Rejection Friction Compensation Contour Control for Two-dimensional Linear Motor. Control Eng. China 2025, 32, 459–468. [Google Scholar]
- Li, Q.; Chen, Y.; Zhu, Y.; Wang, Y.; Li, O.; Liu, Q. Eddy Current Loss Minimization Method of Linear Permanent Magnet Synchronous Motor. In Proceedings of the 2024 Boao New Power System International Forum—Power System and New Energy Technology Innovation Forum (NPSIF), Qionghai, China, 8–10 December 2024; pp. 556–563. [Google Scholar]
- Xu, C.; Zhao, Q.; Jiang, N.; Ma, K. Magnetic-thermal coupling analysis based on cylindrical linear permanent magnet motors. J. Qingdao Univ. (Eng. Technol. Ed.) 2023, 38, 81–87. [Google Scholar]
- Wang, X.; Li, G.; Qu, C. Temperature Field Analysis of Primary Permanent Magnet Linear Motor with Magnetic Barrier Coupling. In Proceedings of the 2021 13th International Symposium on Linear Drives for Industry Applications (LDIA), Wuhan, China, 1–3 July 2021; pp. 1–5. [Google Scholar]
- Yan, J.; Su, C.; Mao, H.; Cao, Y.; Luo, Y. Magneto-Thermal Bidirectional Coupling of Tubular Permanent Magnet Linear Motor. J. Wuhan Inst. Technol. 2022, 44, 551–555+590. [Google Scholar]
- Tan, L.P.; Zhou, Y.F.; Xiao, W.S.; Cui, J.G.; Zhao, H.Y.; Qin, H.Z.; Mei, L.P.; Li, C.J.; Gao, X. Magnetic-Thermal-Fluid Field Coupling Method Study on Temperature Rise Analysis of Permanent Magnet Motor. In Proceedings of the 2021 International Petroleum and Petrochemical Technology Conference, IPPTC, Beijing, China, 30 March–1 April 2021; Springer: Singapore, 2021. [Google Scholar]
- Hou, H.; Han, S.; Huang, Y.; Na, J. Dynamic Modeling and Co-simulation for Active Suspension Systems. In Proceedings of 2020 Chinese Intelligent Systems Conference. CISC 2020; Lecture Notes in Electrical Engineering; Springer: Singapore, 2021; Volume 706. [Google Scholar]
- Pan, G.; Feng, X.; Wang, W. Research on multi-objective switching control strategy of active suspension. Electron. Meas. Technol. 2023, 46, 67–75. [Google Scholar]
- Sun, Y.; Yu, C.; Wu, Y. The Road Simulation Test for Semi-Active Suspension Vehicle Based on HIL and RPC Technologies. Automob. Technol. 2020, 9, 34–38. [Google Scholar] [CrossRef]
- Zhu, Y.; Bian, X.; Chen, D.; Shi, Y.; Jin, T. Experimental Study on Adaptive Semi-active Suspension Systems Using Mechanical Hardware-in-the-loop Technique. Noise Vib. Control 2021, 41, 248–254. [Google Scholar]
- Horváth, C. The Current Situation of the Rare-Earth Material Usage in the Field of Electromobility. In Vehicle and Automotive Engineering 4; Jármai, K., Cservenák, Á., Eds.; Springer: Cham, Switzerland, 2022. [Google Scholar]
- Tong, X.; Sun, X.; Wang, P.; Qiu, Z.; Li, J.; Shi, J.; Wang, H.; Ding, Y. Resource risks and the impact of rare earth reduction of permanent magnet motors in passenger vehicles under full electrification. Sci. Technol. Rev. 2023, 41, 114–126. [Google Scholar]
- Wang, H.; Yu, Z.; Zhang, X. Electromagnetic Performance Analysis of Permanent Magnet Synchronous Motor with Ferrite. Ind. Control Comput. 2023, 36, 146–147. [Google Scholar]
- Pang, X.; Zhang, X.; Wang, M.; Wu, J.; Hu, W.; Geng, H.; Wang, L. Optimisation of Torque Performance of Less-rare-earth PMSM for Electric Vehicles. J. Electr. Eng. 2025; published online. Available online: https://link.cnki.net/urlid/10.1289.TM.20250313.1751.012 (accessed on 8 December 2025).
- Nugraha, Y.U.; Anton Asfani, D.; Riawan, D.C.; Nur Yuniarto, M. Performance Improvement of Axial Switched Reluctance Motor Using Low-Cost Magnet. In Proceedings of the 2019 6th International Conference on Electric Vehicular Technology (ICEVT), Bali, Indonesia, 18–21 November 2019; pp. 300–303. [Google Scholar]
- ISO 16750-1; Road Vehicles—Environmental Conditions and Testing for Electrical and Electronic Equipment—Part 1: General. International Organization for Standardization: Geneva, Switzerland, 2018.
- AEC-Q100; Failure Mechanism Based Stress Test Qualification for Integrated Circuits. Automotive Electronics Council: Detroit, MI, USA, 2014.























| Actuator Type | Typical Metric Ranges | Key Performance Indicators | Cost and Material Dependence | Main Technical Barriers | Typical Application Status |
|---|---|---|---|---|---|
| Moving-Coil (VCA) | Force Density: Low (~10–25 N/kg) Efficiency: Low (~40–60%) Thrust Ripple: Negligible (<1%) Response: <5 ms | Pros: Rapid response, hysteresis-free, high control linearity. Cons: Low thrust density, high energy dissipation. | Medium/High: Requires permanent magnets, but the main cost driver in operation is the high-power consumption. | Thermal management due to high currents; difficulty in force amplification. | Primarily limited to theoretical research and experimental validation; rarely used in heavy-duty platforms. |
| Permanent Magnet Synchronous (PMSLM) | Force Density: High (~100–145 N/kg) Efficiency: High (~85–95%) Thrust Ripple: Moderate (5–15%) Power Factor: >0.85 | Pros: High thrust density, high efficiency, high power factor. Cons: Thrust fluctuation (cogging force). | High: Heavily dependent on expensive rare-earth materials (e.g., NdFeB). | Thrust ripple suppression; protection against demagnetization. | Mainstream Approach: The most promising technical pathway for high-performance active suspensions. |
| Switched Reluctance (LSRM) | Force Density: Medium (~40–70 N/kg) Efficiency: Medium (~70–85%) Thrust Ripple: High (>20%) Cost: Low (Rare-earth free) | Pros: Robust structure, high-temperature resilience, fault tolerance. Cons: Significant thrust ripple, acoustic noise, lower power density. | Low: No permanent magnets required (Rare-earth free); simple manufacturing. | Nonlinear control complexity; vibration and noise suppression. | Concentrated in specialized vehicles or industrial contexts less sensitive to noise. |
| Structural/ Physical Challenge | System Impact | Recommended Control Strategies | Control Mechanism |
|---|---|---|---|
| Electromagnetic Nonlinearity (Thrust Ripple, Cogging) | Force precision degradation; HF vibration induction | Intelligent Control (NN/Fuzzy)Robust Control () | Nonlinear feedforward compensation; Disturbance rejection |
| Mechanical Eccentricity (Unbalanced Magnetic Pull) | Radial vibration; Increased friction/wear | Sliding Mode Control (SMC) Robust Control | Handling matched uncertainties; Robustness against parameter variation |
| Thermal Parameter Drift (Resistance/Magnet changes) | Model mismatch; Performance deterioration | Adaptive Control (MRAC/STC) LQR with Optimization | Real-time parameter identification; Online control law updating |
| Nonlinear Damping (Friction, Eddy Current) | Hysteresis effects; Modeling errors | ADRC Observer-based Control | Total disturbance estimation; Model-free compensation |
| Physical Constraints (Stroke/Current limits) | Safety risks; Actuator saturation | Model Predictive Control (MPC) Fuzzy Logic | Multi-objective constrained optimization; Rule-based limitation |
| Control Method | Features |
|---|---|
| PID Control | Simple structure, high reliability, suitable for early and basic active suspension applications. Improved versions can decouple multi-variable systems, adapt to nonlinearities, and enhance vibration suppression when combined with intelligent algorithms. |
| Skyhook/Groundhook Control | Skyhook focuses on suppressing body vibration for comfort; Groundhook focuses on enhancing tire grip for handling. Hybrid strategies balance conflicting objectives through discrete switching, adaptive weighting, or intelligent optimization. |
| LQR/LQG Control | Balances multiple conflicting performance objectives in a unified framework; control performance depends on the selection of weighting matrices Q and R. Requires intelligent algorithms to optimize weights, overcoming the drawbacks of traditional empirical trial-and-error and improving global optimality. |
| Model Reference Adaptive Control | Aims to match a reference model with ideal dynamic response by online-tuning controller parameters via an adaptation law. Can be integrated with disturbance observers and fractional-order models; has been extended to legged-wheel vehicles, enhancing robustness and scenario adaptability. |
| Self-Tuning Control | Dynamically adjusts the control law by estimating parameters in real-time through online system identification. Adapts to the time-varying parameters and nonlinear characteristics of the suspension system. |
| Robust Control | Suppresses the effects of model uncertainty by minimizing the H∞ norm of the disturbance-to-performance transfer function. Possesses strong rejection of matched uncertainties; its core bottleneck is the chattering phenomenon. |
| Model Predictive Control | Achieves online multi-objective optimization and handles physical constraints (e.g., suspension travel). Can integrate road preview information and use machine learning to compensate for model errors; computational load is reduced via variable-horizon and distributed architectures. |
| Fuzzy Logic Control | Simulates human reasoning based on “IF-THEN” rules; suitable for nonlinear suspension systems that are difficult to model precisely. Can be combined with T-S fuzzy models and H∞ control, or incorporate bio-inspired endocrine mechanisms to enhance adaptability and robustness. |
| Neural Network Control | Possesses strong nonlinear mapping and self-learning capabilities; can act as an optimizer or an online estimator. Can be integrated with a digital twin, using virtual-physical data feedback to improve control fidelity. |
| Reinforcement Learning | An agent learns through trial-and-error interaction with an environment, aiming to maximize cumulative reward, without needing a precise dynamic model. Deep Reinforcement Learning (DRL) enables end-to-end learning and is suitable for high-dimensional, multi-objective (e.g., comfort + handling) scenarios. |
Disclaimer/Publisher’s Note: The statements, opinions and data contained in all publications are solely those of the individual author(s) and contributor(s) and not of MDPI and/or the editor(s). MDPI and/or the editor(s) disclaim responsibility for any injury to people or property resulting from any ideas, methods, instructions or products referred to in the content. |
© 2025 by the authors. Licensee MDPI, Basel, Switzerland. This article is an open access article distributed under the terms and conditions of the Creative Commons Attribution (CC BY) license.
Share and Cite
Ding, R.; Chen, X.; Wang, R.; Jiang, D. A Review of Configurations and Control Strategies for Linear Motor-Based Electromagnetic Suspension. Machines 2026, 14, 2. https://doi.org/10.3390/machines14010002
Ding R, Chen X, Wang R, Jiang D. A Review of Configurations and Control Strategies for Linear Motor-Based Electromagnetic Suspension. Machines. 2026; 14(1):2. https://doi.org/10.3390/machines14010002
Chicago/Turabian StyleDing, Renkai, Xuwen Chen, Ruochen Wang, and Dong Jiang. 2026. "A Review of Configurations and Control Strategies for Linear Motor-Based Electromagnetic Suspension" Machines 14, no. 1: 2. https://doi.org/10.3390/machines14010002
APA StyleDing, R., Chen, X., Wang, R., & Jiang, D. (2026). A Review of Configurations and Control Strategies for Linear Motor-Based Electromagnetic Suspension. Machines, 14(1), 2. https://doi.org/10.3390/machines14010002
