The Effect of Top-of-Rail Products Incorporating Environmentally Acceptable Solid Particles on Friction, Retentivity, Wear and Airborne Particle Emissions of Wheel–Rail Contact
Abstract
1. Introduction
2. Materials and Methods
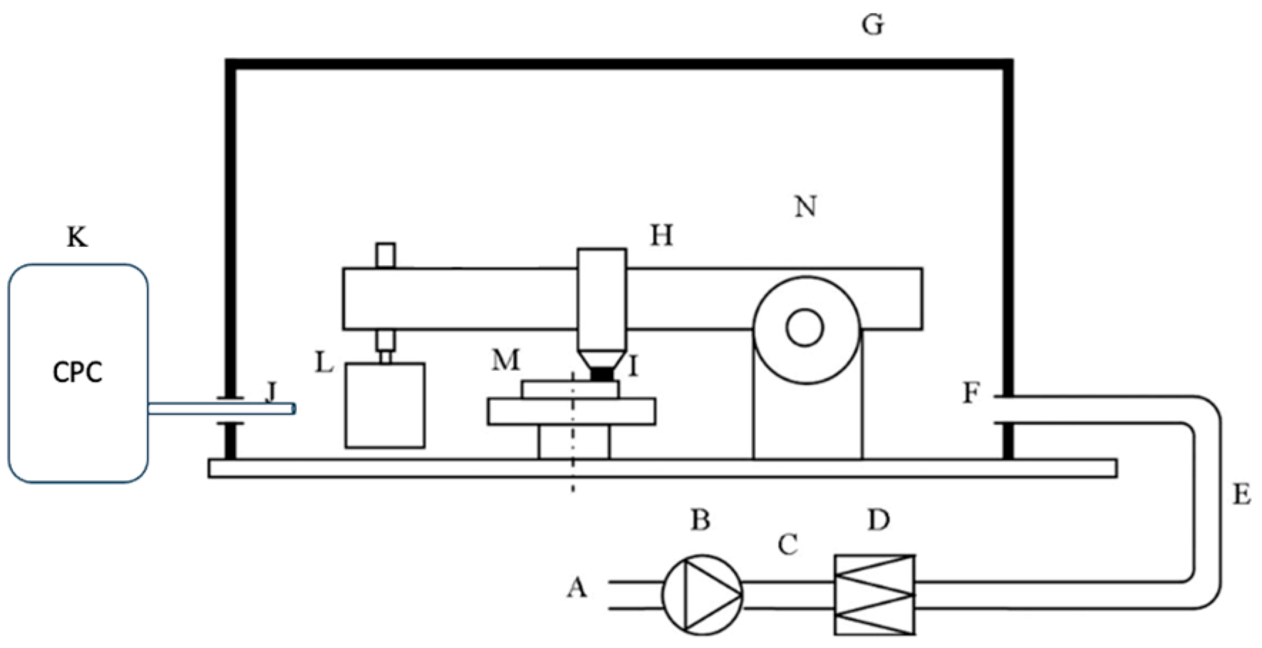
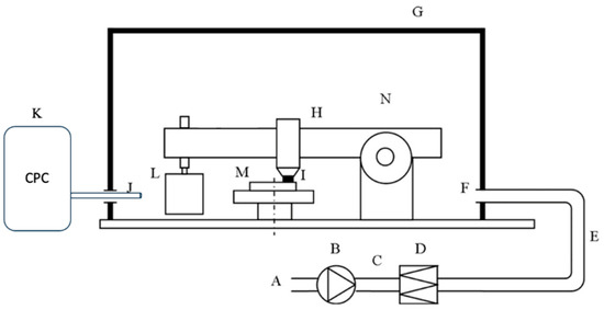
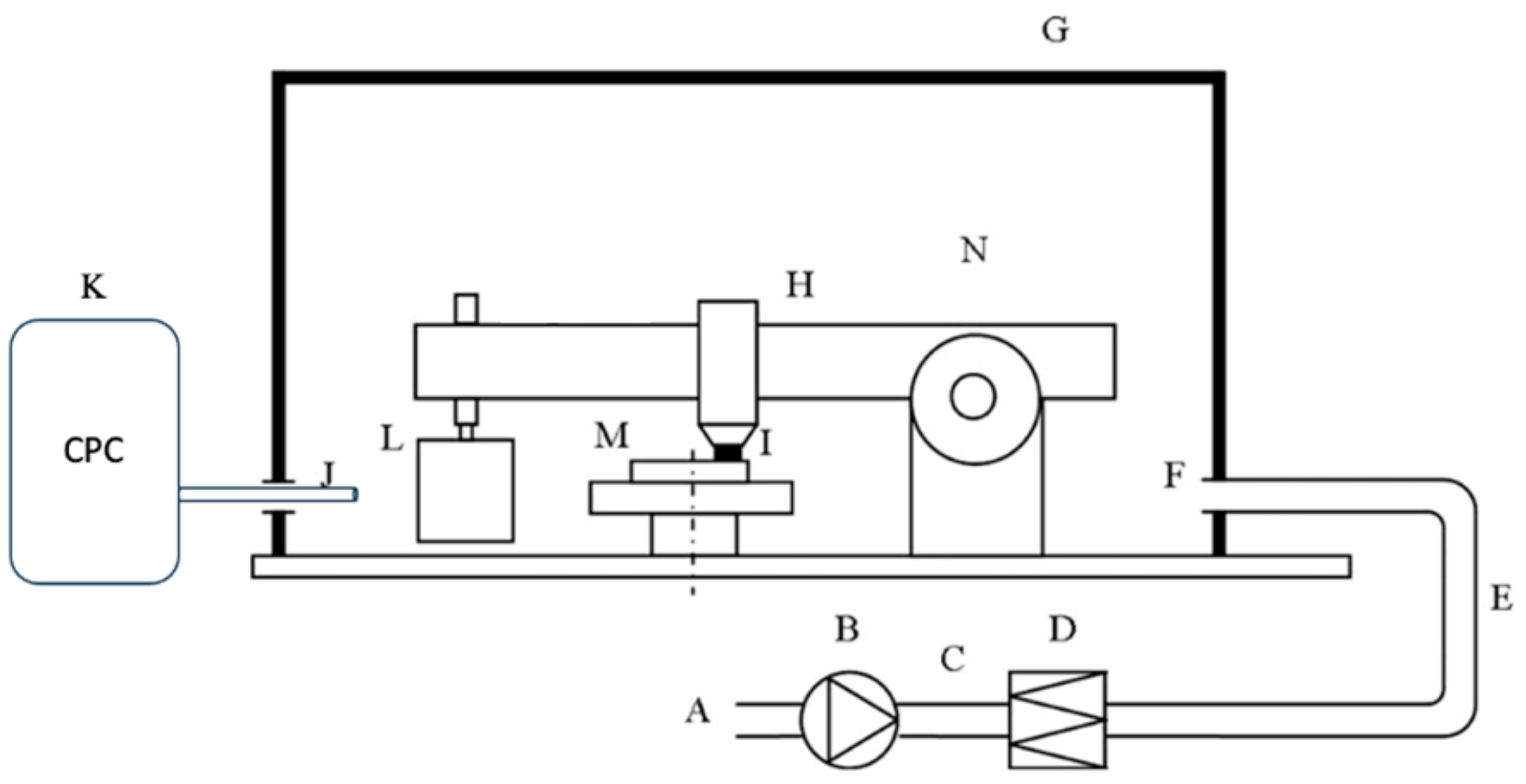
2.1. Experimental Setup and Procedure
2.2. Materials
- Pins and disks
- Top-of-Rail (TOR) products
2.3. Friction, Retentivity, and Wear Measurements
2.4. Airborne Particle Emission Measurements
2.5. Analysis of Variance (ANOVA) and Regression Analyses
3. Results
3.1. Friction Measurements
3.2. Retentivity Measurements
3.3. Disk and Pin Mass Losses
3.4. Airborne Particle Emissions
3.5. Analysis of Variance (ANOVA)
3.6. Regression Analysis
4. Discussion
4.1. Friction and Retentivity
4.2. Disk and Pin Mass Losses
4.3. Particle Emissions
5. Conclusions
- TOR products with higher retentivity led to a wider range of desired intermediate friction levels.
- TOR products involving Limestone, Calcium Acetate, and Tricalcium phosphate solid particles were ineffective in reaching the intermediate friction levels throughout the total test duration.
- TOR products incorporating Kaolin and Lignin exhibited greater friction variability than the other products, highlighting their less predictable friction control behaviour.
- Comparing the commercial TOR products, the grease-based showed better wear performance than the water-based.
- TOR products significantly reduced the airborne wear particles generated at the wheel–rail contact.
- The chemical composition of laboratory TOR products requires further improvement to achieve the performance of conventional commercial products.
Author Contributions
Funding
Data Availability Statement
Acknowledgments
Conflicts of Interest
Abbreviations
| COF | Coefficient of friction |
| TOR | Top-of-Rail |
| FM | Friction modifier |
| EPA | Environmental Protection Agency |
| OECD | Organization for Economic Cooperation and Development |
| AWPs | Airborne wear particles |
| PM | Particulate matter |
| PAHs | Polycyclic aromatic hydrocarbon |
| POD | Pin-on-disk |
| ANOVA | Analysis of Variance |
| EU | European Union |
Appendix A
| Source of Variation | SS | df | MS | F | p-Value | F Crit | |
|---|---|---|---|---|---|---|---|
| Between laboratory TOR products | Between Groups | 0.089 | 5 | 0.018 | 1.580 | 0.239 | 3.106 |
| Within Groups | 0.134 | 12 | 0.011 | ||||
| Total | 0.223 | 17 | |||||
| Between laboratory and commercial TOR products | Between Groups | 0.252 | 7 | 0.036 | 4.186 | 0.008 | 2.657 |
| Within Groups | 0.137 | 16 | 0.009 | ||||
| Total | 0.389 | 23 |
| Source of Variation | SS | df | MS | F | p-Value | F Crit | |
|---|---|---|---|---|---|---|---|
| Between laboratory TOR products | Between Groups | 0.0022 | 5 | 0.0004 | 1.4370 | 0.2802 | 3.1059 |
| Within Groups | 0.0036 | 12 | 0.0003 | ||||
| Total | 0.0058 | 17 | |||||
| Between laboratory and commercial TOR products | Between Groups | 0.005 | 7 | 0.001 | 2.726 | 0.046 | 2.657 |
| Within Groups | 0.004 | 16 | 0.000 | ||||
| Total | 0.009 | 23 |
| Source of Variation | SS | df | MS | F | p-Value | F Crit | |
|---|---|---|---|---|---|---|---|
| Between laboratory TOR products | Between Groups | 0.00005 | 5 | 0.00001 | 2.02853 | 0.14640 | 3.10588 |
| Within Groups | 0.00006 | 12 | 0.00001 | ||||
| Total | 0.00012 | 17 | |||||
| Between laboratory and commercial TOR products | Between Groups | 0.00014 | 7 | 0.00002 | 3.64757 | 0.01520 | 2.65720 |
| Within Groups | 0.00009 | 16 | 0.00001 | ||||
| Total | 0.00023 | 23 |
| Source of Variation | SS | df | MS | F | p-Value | F Crit | |
|---|---|---|---|---|---|---|---|
| Between laboratory TOR products | Between Groups | 8,335,249,297,806.950 | 5 | 1,667,049,859,561.390 | 1.033 | 0.441 | 3.106 |
| Within Groups | 19,358,269,794,934 | 12 | 1,613,189,149,577.830 | ||||
| Total | 27,693,519,092,740.900 | 17 | |||||
| Between laboratory and commercial TOR products | Between Groups | 9,931,496,000,600.490 | 7 | 1,418,785,142,942.930 | 1.169 | 0.373 | 2.657 |
| Within Groups | 19,425,213,989,847.3 | 16 | 1,214,075,874,365.460 | ||||
| Total | 29,356,709,990,447.8 | 23 |
| Variable | Coefficient of Friction | Pin Mass Loss | Disc Mass Loss |
|---|---|---|---|
| Multiple R | 0.643 | 0.891 | 0.774 |
| R Square | 0.413 | 0.794 | 0.599 |
| Adjusted R Square | 0.340 | 0.768 | 0.549 |
| Standard Error | 681,405.567 | 403,725.958 | 563,045.101 |
| Observations | 10 | 10 | 10 |
| Variable | Source | df | SS | MS | F | Significance F |
|---|---|---|---|---|---|---|
| Coefficient of friction | Regression | 1 | 2,614,637,142,384.370 | 2,614,637,142,384.370 | 5.631 | 0.045 |
| Residual | 8 | 3,714,508,368,516.150 | 464,313,546,064.519 | |||
| Total | 9 | 6,329,145,510,900.520 | ||||
| Pin mass loss | Regression | 1 | 5,025,188,315,205.410 | 5,025,188,315,205.410 | 30.830 | 0.001 |
| Residual | 8 | 1,303,957,195,695.110 | 162,994,649,461.888 | |||
| Total | 9 | 6,329,145,510,900.520 | ||||
| Disc mass loss | Regression | 1 | 3,792,987,222,996.420 | 3,792,987,222,996.420 | 11.965 | 0.009 |
| Residual | 8 | 2,536,158,287,904.100 | 317,019,785,988.013 | |||
| Total | 9 | 6,329,145,510,900.520 |
| Coefficients | Standard Error | t Stat | p-Value | Lower 95% | Upper 95% | Lower 95.0% | Upper 95.0% | |
|---|---|---|---|---|---|---|---|---|
| Intercept (COF) | −621,997.416 | 598,200.928 | −1.040 | 0.329 | −2,001,451.230 | 757,456.397 | −2,001,451.230 | 757,456.397 |
| COF | 4,279,535.448 | 1,803,418.797 | 2.373 | 0.045 | 120,844.245 | 8,438,226.651 | 120,844.245 | 8,438,226.651 |
| Intercept (Pin mass loss) | −253,347.168 | 214,285.670 | −1.182 | 0.271 | −747,490.810 | 240,796.474 | −747,490.810 | 240,796.474 |
| Pin Mass loss | 224,666,134.182 | 40,462,071.762 | 5.553 | 0.001 | 131,360,429.379 | 317,971,838.986 | 131,360,429.379 | 317,971,838.986 |
| Intercept (Disc mass loss) | −11,391.738 | 272,521.504 | −0.042 | 0.968 | −639,827.454 | 617,043.978 | −639,827.454 | 617,043.978 |
| Disc mass loss | 25,131,602.777 | 7,265,620.018 | 3.459 | 0.009 | 8,377,052.970 | 41,886,152.583 | 8,377,052.970 | 41,886,152.583 |
References
- Filimonau, V.; Dickinson, J.; Robbins, D. The carbon impact of short-haul tourism: A case study of UK travel to Southern France using life cycle analysis. J. Clean. Prod. 2014, 64, 628–638. [Google Scholar] [CrossRef]
- Arias-Cuevas, O.; Li, Z.; Lewis, R.; Gallardo-Hernandez, A. Rolling-sliding laboratory tests of friction modifiers in leaf contaminated wheel-rail contacts. In Proceedings of the 2008 Proceedings of the STLE/ASME International Joint Tribology Conference, IJTC 2008, Miami, FL, USA, 20–22 October 2008; pp. 213–215. [Google Scholar]
- Kvarda, D.; Skurka, S.; Galas, R.; Omasta, M.; Shi, L.-B.; Ding, H.; Wang, W.-J.; Krupka, I.; Hartl, M. The effect of top of rail lubricant composition on adhesion and rheological behaviour. Eng. Sci. Technol. Int. J. 2022, 35, 101100. [Google Scholar] [CrossRef]
- Galas, R.; Kvarda, D.; Omasta, M.; Krupka, I.; Hartl, M. The role of constituents contained in water-based friction modifiers for top-of-rail application. Tribol. Int. 2018, 117, 87–97. [Google Scholar] [CrossRef]
- Wu, B.; Shi, L.; Ding, H.; Guo, J.; Liu, Q.; Zhou, Z.; Lewis, R.; Wang, W. Influence of different solid particles in friction modifier on wheel-rail adhesion and damage behaviours. Wear 2023, 522, 204833. [Google Scholar] [CrossRef]
- Sander, J.; Rhee, I.-S. Formulation Process for Environmentally Considerate Lubricants. In Environmentally Considerate Lubricants; ASTM International: West Conshohocken, PA, USA, 2014; Volume STP1575-EB. [Google Scholar]
- Canter, N. Biodegradable lubricants: Working definitions, review of key applications and prospects for growth. Tribol. Lubr. Technol. 2020, 76, 34–47. [Google Scholar]
- Betton, C.I. Lubricants and their environmental impact. In Chemistry and Technology of Lubricants; Mortier, R.M., Orszulik, S.T., Eds.; Springer: Dordrecht, The Netherlands, 1997; pp. 349–370. [Google Scholar]
- Baderna, D.; Boriani, E.; Giovanna, F.D.; Benfenati, E. Lubricants and Additives: A Point of View. In Global Risk-Based Management of Chemical Additives I: Production, Usage and Environmental Occurrence; Bilitewski, B., Darbra, R.M., Barceló, D., Eds.; Springer: Berlin/Heidelberg, Germany, 2012; pp. 109–132. [Google Scholar]
- da Costa, M.F.; Amaral Kehrig, H.d.; da Silva Moreira, I.M.N. Bioaccumulation. In Encyclopedia of Estuaries; Kennish, M.J., Ed.; Springer: Dordrecht, The Netherlands, 2016; pp. 74–75. [Google Scholar]
- CEN/TS 15427-2-2:2023; Railway Applications—Wheel/Rail Friction Management—Part 2-2: Properties and Characteristics—Top of Rail Materials. European Committee for Standardization (CEN): Brussels, Belgium, 2023.
- Galas, R.; Skurka, S.; Valena, M.; Kvarda, D.; Omasta, M.; Ding, H.; Lin, Q.; Wang, W.-J.; Krupka, I.; Hartl, M. A benchmarking methodology for top-of-rail products. Tribol. Int. 2023, 189, 108910. [Google Scholar] [CrossRef]
- Galas, R.; Valena, M.; Jordan, T.; Kvarda, D.; Omasta, M.; Skurka, S.; Wu, B.; Ding, H.; Wang, W.J.; Krupka, I.; et al. A benchmarking methodology for top-of-rail products: Carry distance and retentivity. Tribol. Int. 2024, 197, 109810. [Google Scholar] [CrossRef]
- Navrátil, V.; Galas, R.; Klapka, M.; Kvarda, D.; Omasta, M.; Shi, L.; Ding, H.; Wang, W.J.; Křupka, I.; Hartl, M. Wheel Squeal Noise in Rail Transport: The Effect of Friction Modifier Composition. Tribol. Ind. 2022, 44, 361–373. [Google Scholar] [CrossRef]
- White, B.; Lee, Z.S.; Lewis, R. Towards a Standard Approach for the Twin Disc Testing of Top-Of Rail Friction Management Products. Lubricants 2022, 10, 124. [Google Scholar] [CrossRef]
- Sitzmann, B.; Kendall, M.; Watt, J.; Williams, I. Characterisation of airborne particles in London by computer-controlled scanning electron microscopy. Sci. Total Environ. 1999, 241, 63–73. [Google Scholar] [CrossRef]
- Moreno, T.; Martins, V.; Querol, X.; Jones, T.; BéruBé, K.; Minguillón, M.C.; Amato, F.; Capdevila, M.; de Miguel, E.; Centelles, S.; et al. A new look at inhalable metalliferous airborne particles on rail subway platforms. Sci. Total Environ. 2015, 505, 367–375. [Google Scholar] [CrossRef] [PubMed]
- Rauch, S.; Carugati, G.; Cao, Y. Direct Determination of Metals in PM10 Filters by Laser Ablation-ICP-MS. In Environmental Science and Engineering; Springer: Berlin/Heidelberg, Germany, 2011; pp. 235–243. [Google Scholar]
- Iavicoli, I.; Leso, V.; Fontana, L.; Bergamaschi, A. Occupational exposure to Urban airborne particulate matter: A review on environmental monitoring and health effects. In Environmental Science and Engineering (Subseries: Environmental Science); Springer: Berlin/Heidelberg, Germany, 2011; pp. 501–525. [Google Scholar] [CrossRef]
- Eck-Varanka, B.; Hubai, K.; Horváth, E.; Kováts, N.; Teke, G.; Tóth, Á. Assessing ecotoxicity of size-fractionated airborne particulate matter. In E3S Web of Conferences; EDP Sciences: Les Ulis, France, 2019. [Google Scholar]
- von Borries, R.M.; Bergmann, K.C. How does the exposure to particulate matter affect the progression of asthma disease? Atemwegs-Lungenkrankh. 2020, 46, 289–307. [Google Scholar] [CrossRef]
- Loxham, M.; Cooper, M.J.; Gerlofs-Nijland, M.E.; Cassee, F.R.; Davies, D.E.; Palmer, M.R.; Teagle, D.A. Physicochemical characterization of airborne particulate matter at a mainline underground railway station. Environ. Sci. Technol. 2013, 47, 3614–3622. [Google Scholar] [CrossRef]
- Abbasi, S.; Olofsson, U.; Zhu, Y.; Sellgren, U. Pin-on-disc study of the effects of railway friction modifiers on airborne wear particles from wheel-rail contacts. Tribol. Int. 2013, 60, 136–139. [Google Scholar] [CrossRef]
- Olofsson, U.; Olander, L.; Jansson, A. A Study of Airborne Wear Particles Generated From a Sliding Contact. J. Tribol. 2009, 131, 044503. [Google Scholar] [CrossRef]
- Lewis, R.; Olofsson, U. Mapping rail wear regimes and transitions. Wear 2004, 257, 721–729. [Google Scholar] [CrossRef]
- Sen, P.K.; Bhiwapurkar, M.; Harsha, S.P. UIC60 rail alumino thermite weld’s semi elliptical head crack and stress intensity factor using ANSYS. Mater. Today Proc. 2022, 56, 3058–3064. [Google Scholar] [CrossRef]
- Ali, N.; Olofsson, U.; Dizdar, S. Friction, wear, and airborne particle emissions from rail-wheel contact with laser cladded overlays—A pin-disc tribometer simulation. Wear 2023, 518–519, 204635. [Google Scholar] [CrossRef]
- Evans, M.D.; Lewis, R. Alternative twin-disc assessment of solid stick flange lubricants. In Proceedings of the CM 2015—10th International Conference on Contact Mechanics of Wheel/Rail Systems, Colorado Springs, CO, USA, 30 August–3 September 2015. [Google Scholar]
- Ishida, M.; Ban, T.; Iida, K.; Ishida, H.; Aoki, F. Effect of moderating friction of wheel/rail interface on vehicle/track dynamic behaviour. Wear 2008, 265, 1497–1503. [Google Scholar] [CrossRef]
- Li, Y.; Zhang, Q.; Liang, F.; Zhang, Y.; Liu, W.; Zhao, Y.; Zhu, Y.; Greiner, C.; Gumbsch, P.; Chen, X. Macroscopic low-friction via twinning assisted lattice reconstruction in magnesium. Acta Mater. 2024, 271, 119888. [Google Scholar] [CrossRef]
- Luiz, J.F.; Spikes, H. Tribofilm Formation, Friction and Wear-Reducing Properties of Some Phosphorus-Containing Antiwear Additives. Tribol. Lett. 2020, 68, 75. [Google Scholar] [CrossRef]
- Forbes, E.S. Antiwear and extreme pressure additives for lubricants. Tribology 1970, 3, 145–152. [Google Scholar] [CrossRef]
- White, B.; Lewis, R.; Fletcher, D.; Harrison, T.; Hubbard, P.; Ward, C. Rail-wheel friction quantification and its variability under lab and field trial conditions. Proc. Inst. Mech. Eng. Part F J. Rail Rapid Transit 2024, 238, 569–579. [Google Scholar] [CrossRef]
- Harmon, M.; Santa, J.F.; Jaramillo, J.A.; Toro, A.; Beagles, A.; Lewis, R. Evaluation of the coefficient of friction of rail in the field and laboratory using several devices. Tribol.-Mater. Surf. Interfaces 2020, 14, 119–129. [Google Scholar] [CrossRef]
- Harrison, H.; McCanney, T.; Cotter, J. Recent developments in coefficient of friction measurements at the rail/wheel interface. Wear 2002, 253, 114–123. [Google Scholar] [CrossRef]









| Lubrication Conditions | Base Medium Composition | Solid Particles | Weight-% | Particle Size [μm] | Mohs Hardness | Crystal Structure | Retentivity 1 [m] | Interval of Intermediate Friction Levels [m] |
|---|---|---|---|---|---|---|---|---|
| TOR-A | Grease + Ester + Vegetable oils | Lignin | 10 | 5–12 | Soft | Amorphous | 606 | (247–606) 359 |
| TOR-B | Limestone/Calcite, CaCO3 | 1.4 (Average) | 3 | Trigonal | longer test needed | longer test needed | ||
| TOR-C | Calcinated Kaolin, Al2Si2O5(OH)4 | 1.4 (Average) | 2–2.5 | Biaxial | 701 | (281–701) 420 | ||
| TOR-D | Calcium acetate, C4H6CaO4 | Large | Soft | n/a | longer test needed | longer test needed | ||
| TOR-E | Tricalcium phosphate, Ca3(PO4)2 Likely Hydroxyapatite | 20 | 5 | Hexagonal | longer test needed | longer test needed | ||
| TOR-F | Starch, (C6H10O5)n | n/a | n/a | n/a | 905 | (336–905) 569 | ||
| Base Grease | No particles added | n/a | n/a | n/a | n/a | longer test needed | longer test needed | |
| TOR-CM1 | Water | Molybdenum compounds | 3–7 | n/a | 1–1.5 | Hexagonal | 181 | (121–181) 60 |
| TOR-CM2 | Glycerol (30–35%) Additive: Bentonite (<2%) | Talc, Mg3Si4O10(OH)2 | 10–15 | n/a | Soft | Tetrahedral-Octahedral-Tetrahedral | 75 | (51–75) 24 |
| Barium sulphate, BaSO4 | 1–5 | 3–3.5 | Orthorhombic | |||||
| Molybdenum (IV) Sulphide, MoS2 | <2 | 1–1.5 | Hexagonal |
Disclaimer/Publisher’s Note: The statements, opinions and data contained in all publications are solely those of the individual author(s) and contributor(s) and not of MDPI and/or the editor(s). MDPI and/or the editor(s) disclaim responsibility for any injury to people or property resulting from any ideas, methods, instructions or products referred to in the content. |
© 2025 by the authors. Licensee MDPI, Basel, Switzerland. This article is an open access article distributed under the terms and conditions of the Creative Commons Attribution (CC BY) license (https://creativecommons.org/licenses/by/4.0/).
Share and Cite
Boukhris, R.; Bergseth, E.; Olofsson, U.; Leckner, J.; Ardai, R. The Effect of Top-of-Rail Products Incorporating Environmentally Acceptable Solid Particles on Friction, Retentivity, Wear and Airborne Particle Emissions of Wheel–Rail Contact. Machines 2025, 13, 200. https://doi.org/10.3390/machines13030200
Boukhris R, Bergseth E, Olofsson U, Leckner J, Ardai R. The Effect of Top-of-Rail Products Incorporating Environmentally Acceptable Solid Particles on Friction, Retentivity, Wear and Airborne Particle Emissions of Wheel–Rail Contact. Machines. 2025; 13(3):200. https://doi.org/10.3390/machines13030200
Chicago/Turabian StyleBoukhris, Rahma, Ellen Bergseth, Ulf Olofsson, Johan Leckner, and Roland Ardai. 2025. "The Effect of Top-of-Rail Products Incorporating Environmentally Acceptable Solid Particles on Friction, Retentivity, Wear and Airborne Particle Emissions of Wheel–Rail Contact" Machines 13, no. 3: 200. https://doi.org/10.3390/machines13030200
APA StyleBoukhris, R., Bergseth, E., Olofsson, U., Leckner, J., & Ardai, R. (2025). The Effect of Top-of-Rail Products Incorporating Environmentally Acceptable Solid Particles on Friction, Retentivity, Wear and Airborne Particle Emissions of Wheel–Rail Contact. Machines, 13(3), 200. https://doi.org/10.3390/machines13030200

