The Effect of Inlet Velocity on the Separation Performance of a Two-Stage Hydrocyclone
Abstract
:1. Introduction
2. Numerical Methods
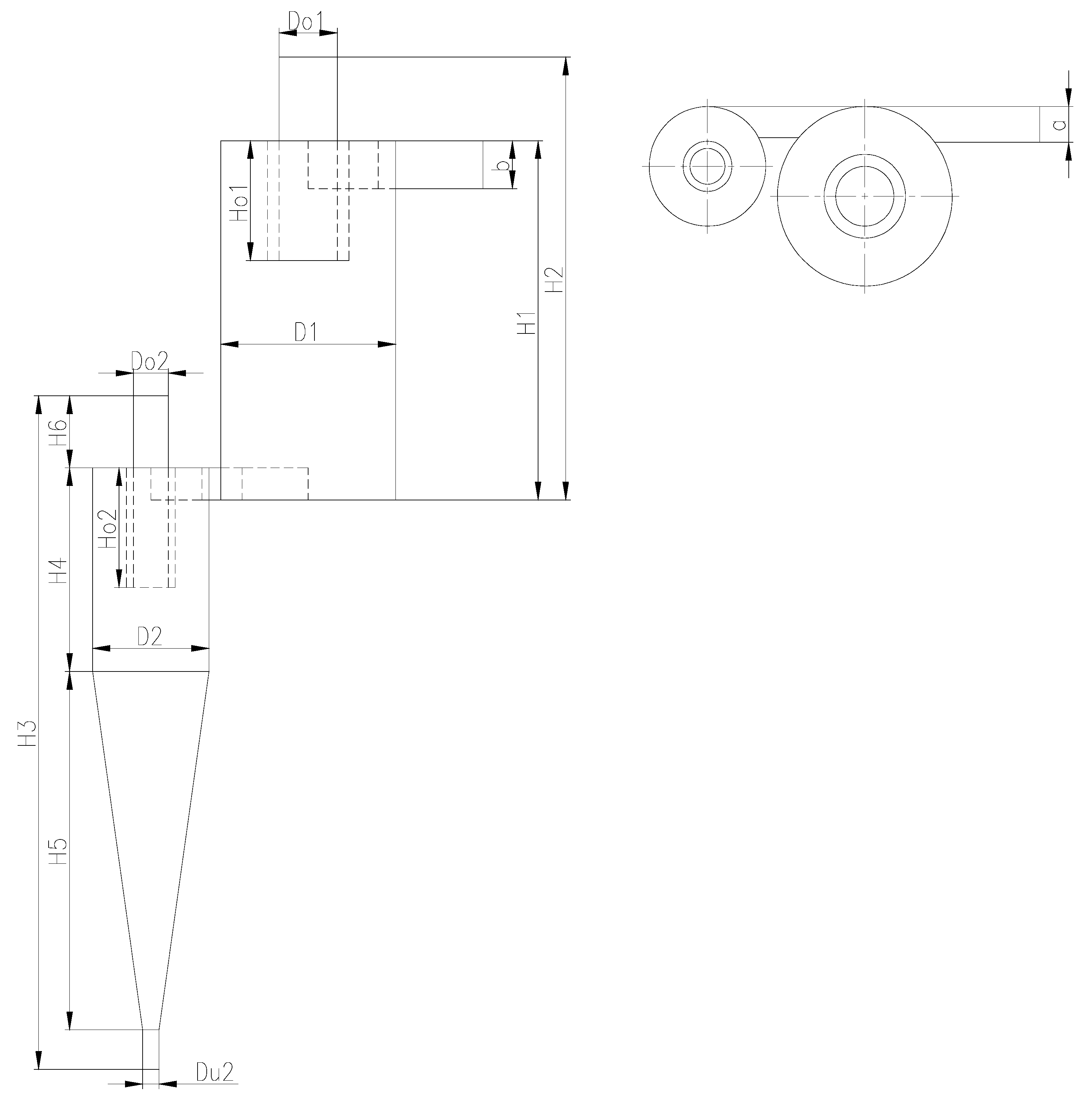
2.1. Structure Geometry
2.2. Model Description
2.3. Simulation Conditions
3. Results and Discussion
3.1. Model Validation
3.2. Flow Pattern
3.2.1. Pressure
3.2.2. Tangential Velocity
3.2.3. Axial Velocity
3.2.4. Radial Velocity
3.3. Separation Performance
3.3.1. Classification Efficiency
3.3.2. Particle Size
4. Conclusions
Author Contributions
Funding
Conflicts of Interest
References
- Ghodrat, M.; Qi, Z.; Kuang, S.B.; Ji, L.; Yu, A.B. Computational investigation of the effect of particle density on the multiphase flows and performance of hydrocyclone. Miner. Eng. 2016, 90, 55–69. [Google Scholar] [CrossRef]
- Hwang, K.J.; Hwang, Y.W.; Yoshida, H.; Shigemori, K. Improvement of particle separation efficiency by installing conical top-plate in hydrocyclone. Powder Technol. 2012, 232, 41–48. [Google Scholar] [CrossRef]
- Delgadillo, J.A. Modelling of 75- and 250-mm Hydrocyclones and Exploration of Novel Designs Using Computational Fluid Dynamics. Ph.D. Thesis, Department of Metallurgical Engineering, University of Utah, Salt Lake City, UT, USA, 2006. [Google Scholar]
- Slack, M.D.; Porte, S.D.; Engelman, M.S. Designing automated computational fluid dynamics modelling tools for hydrocyclone design. Miner. Eng. 2004, 17, 705–711. [Google Scholar] [CrossRef]
- Olson, T.J.; Ommen, R.V. Optimizing hydrocyclone design using advanced CFD model. Miner. Eng. 2004, 17, 713–720. [Google Scholar] [CrossRef]
- Motin, A.; Tarabara, V.V.; Petty, C.A.; Bénard, A. Hydrodynamics within flooded hydrocyclones during excursion in the feed rate: Understanding of turndown ratio. Sep. Purif. Technol. 2017, 185, 41–53. [Google Scholar] [CrossRef]
- Ni, L.; Tian, J.Y.; Zhao, J.N. Experimental study of the effect of underflow pipe diameter on separation performance of a novel de-foulant hydrocyclone with continuous underflow and reflux function. Sep. Purif. Technol. 2016, 171, 270–279. [Google Scholar] [CrossRef]
- Wang, J.G.; Bai, Z.S.; Yang, Q.; Fan, Y.; Wang, H.L. Investigation of the simultaneous volumetric 3-component flow field inside a hydrocyclone. Sep. Purif. Technol. 2016, 163, 120–127. [Google Scholar] [CrossRef]
- Ji, L.; Kuang, S.; Qi, Z.; Wang, Y.; Chen, J.; Yu, A.B. Computational analysis and optimization of hydrocyclone size to mitigate adverse effect of particle density. Sep. Purif. Technol. 2017, 174, 251–263. [Google Scholar] [CrossRef]
- Hwang, K.J.; Chou, S.P. Designing vortex finder structure for improving the particle separation efficiency of a hydrocyclone. Sep. Purif. Technol. 2017, 172, 76–84. [Google Scholar] [CrossRef]
- Cui, B.Y.; Wei, D.Z.; Gao, S.L.; Liu, W.G.; Feng, Y.Q. Numerical and experimental studies of flow field in hydrocyclone with air core. Trans. Nonferrous Met. Soc. China 2014, 24, 2642–2649. [Google Scholar] [CrossRef]
- Wang, B.; Yu, A.B. Numerical study of the gas-liquid-solid flow in hydrocyclones with different configuration of vortex finder. Chem. Eng. J. 2008, 135, 33–42. [Google Scholar] [CrossRef]
- Jiang, L.Y.; Liu, P.K.; Zhang, Y.K.; Yang, X.H.; Wang, H.; Gui, X.H. Design boundary layer structure for improving the particle separation performance of a hydrocyclone. Powder Technol. 2019, 350, 1–14. [Google Scholar] [CrossRef]
- Pei, B.B.; Yang, L.; Dong, K.J.; Jiang, Y.C.; Du, X.S.; Wang, B. The effect of cross-shaped vortex finder on the performance of cyclone separator. Powder Technol. 2017, 313, 135–144. [Google Scholar] [CrossRef]
- Ghodrat, M.; Kuang, S.B.; Yu, A.B.; Vince, A.; Barnett, G.D.; Barnett, P.J. Numerical analysis of hydrocyclones with different conical section designs. Miner. Eng. 2014, 62, 74–84. [Google Scholar] [CrossRef]
- Vieira, L.G.; Damasceno, J.J.; Barrozo, M.A. Improvement of hydrocyclone separation performance by incorporating a conical filtering wall. Chem. Eng. Process. 2010, 49, 460–467. [Google Scholar] [CrossRef]
- Silva, N.K.; Silva, D.O.; Vieira, L.G.; Barrozo, M.A. Effects of underflow diameter and vortex finder length on the performance of a newly designed filtering hydrocyclone. Powder Technol. 2015, 286, 305–310. [Google Scholar] [CrossRef]
- Restarick, C.J. Classification with two-stage cylinder-cyclones in small-scale grinding and flotation circuits. Int. J. Miner. Process. 1989, 26, 165–179. [Google Scholar] [CrossRef]
- Restarick, C.J. Adjustable onstream classification using a two-stage cylinder-cyclone. Miner. Eng. 1991, 4, 279–288. [Google Scholar] [CrossRef]
- Zhang, X.M.; Guo, D. Determination of design parameter for three-product heavy-medium cyclone. J. Coal Sci. Eng. 2011, 17, 96–99. [Google Scholar] [CrossRef]
- Obeng, D.P.; Morrell, S. The JK three-product cyclone-performance and potential applications. Int. J. Miner. Process. 2003, 69, 129–142. [Google Scholar] [CrossRef]
- Obeng, D.P.; Morrell, S.; Napier-Munn, T.J. Application of central composite rotatable design to modelling the effect of some operating variables on the performance of the three-product cyclone. Int. J. Miner. Process. 2005, 76, 181–192. [Google Scholar] [CrossRef]
- Ahmed, M.M.; Ibrahim, G.A.; Farghaly, M.G. Performance of a three-product hydrocyclone. Int. J. Miner. Process. 2009, 91, 34–40. [Google Scholar] [CrossRef]
- Krokhina, A.V.; Dueck, J.; Neesse, T.; Min’kov, L.L.; Pavlikhin, G.I. An Investigation into Hydrodynamics of a Hydrocyclone with an Additional Double Jet Injector. Theor. Found. Chem. Eng. 2011, 45, 213–220. [Google Scholar] [CrossRef]
- Farghaly, M.G.; Golyk, V.; Ibrahim, G.A.; Ahmed, M.M.; Neesse, T. Controlled wash water injection to the hydrocyclone underflow. Miner. Eng. 2010, 23, 321–325. [Google Scholar] [CrossRef]
- Golyk, V.; Huber, S.; Farghaly, M.G.; Prölss, G.; Endres, E.; Neesse, T.; Hararah, M.A. Higher kaolin recovery with a water-injection cyclone. Miner. Eng. 2011, 24, 98–101. [Google Scholar] [CrossRef]
- Dueck, J.; Pikushchak, E.; Minkov, L.; Farghaly, M.; Neesse, T. Mechanism of hydrocyclone separation with water injection. Miner. Eng. 2010, 23, 289–294. [Google Scholar] [CrossRef]
- Wang, C.C.; Wu, R.M. Experimental and simulation of a novel hydrocyclone-tubular membrane as overflow pipe. Sep. Purif. Technol. 2018, 198, 60–67. [Google Scholar] [CrossRef]
- Garcia, D.V.; Parada, P.R.B.; Cilliers, J.J. Optimising small hydrocyclone design using 3D printing and CFD simulations. Chem. Eng. J. 2018, 350, 653–659. [Google Scholar] [CrossRef]
- Chiné, B.; Concha, F. Flow patterns in conical and cylindrical hydrocyclones. Chem. Eng. J. 2000, 80, 267–273. [Google Scholar] [CrossRef]
- Delgadillo, J.A.; Rajamani, R.K. Exploration of hydrocyclone designs using computational fluid dynamics. Int. J. Miner. Process. 2007, 84, 252–261. [Google Scholar] [CrossRef]
- Narasimha, M.; Brennan, M.S.; Holtham, P.N. CFD modeling of hydrocyclones: Prediction of particle size segregation. Miner. Eng. 2012, 39, 173–183. [Google Scholar] [CrossRef]
- Brennan, M. CFD simulations of hydrocyclones with an air core: Comparison between large eddy simulations and a second moment closure. Chem. Eng. Res. Des. 2006, 84, 495–505. [Google Scholar] [CrossRef]
- Slack, M.D.; Prasad, R.O.; Bakker, A.; Boysan, F. Advances in cyclone modeling using unstructured grids. Chem. Eng. Res. Des. 2000, 78, 1098–1104. [Google Scholar] [CrossRef]
- Vakamalla, T.R.; Mangadoddy, N. Numerical simulation of industrial hydrocyclones performance: Role of turbulence modelling. Sep. Purif. Technol. 2017, 176, 23–39. [Google Scholar] [CrossRef]
- Chu, K.W.; Wang, B.; Yu, A.B.; Vince, A. CFD-DEM modelling of multiphase flow in dense medium cyclones. Powder Technol. 2009, 193, 235–247. [Google Scholar] [CrossRef]
- Kyriakidis, Y.N.; Silva, D.O.; Barrozo, M.A.; Vieira, L.G. Effect of variables related to the separation performance of a hydrocyclone with unprecedented geometric relationships. Powder Technol. 2018, 338, 645–653. [Google Scholar] [CrossRef]
- Hsieh, K.T.; Rajamani, K. Phenomenological model of hydrocyclone: Model development and verification for single-phase flow. Int. J. Miner. Process. 1988, 22, 223–237. [Google Scholar] [CrossRef]














| Structural Parameters | Size | 
|---|---|
| Diameter of first cylinder section D1 (mm) | 75 | 
| Diameter of second cylinder section D2 (mm) | 50 | 
| Height of first-stage cylinder section H1 (mm) | 150 | 
| Height of first-stage body H2 (mm) | 180 | 
| Height of first-stage vortex finder Ho1 (mm) | 50 | 
| Diameter of inlet a × b (mm) | 15 × 20 | 
| Height of second stage body H3 (mm) | 281 | 
| Height of second-stage cylinder section H4 (mm) | 85 | 
| Height of second-stage cone section H5 (mm) | 150 | 
| Height of second-stage outer vortex finder H6 (mm) | 30 | 
| Height of second-stage inner vortex finder Ho2 (mm) | 50 | 
| Diameter of apex Du2 (mm) | 7 | 
| Diameter of second vortex finder Do2 (mm) | 15 | 
| Diameter of first vortex finder Do1 (mm) | 25 | 
| Size Interval (μm) | Mean Size (μm) | Yield (%) | Volume Fraction (%) | 
|---|---|---|---|
| 0–2.5 | 1 | 4.88 | 0.1708 | 
| 2.5–7.5 | 5 | 7.21 | 0.2524 | 
| 7.5–15 | 10 | 9.55 | 0.3343 | 
| 15–25 | 20 | 15.33 | 0.5366 | 
| 25–35 | 30 | 20.88 | 0.7308 | 
| 35–45 | 40 | 16.59 | 0.5807 | 
| 45–55 | 50 | 11.38 | 0.3983 | 
| 55–65 | 60 | 8.31 | 0.2909 | 
| 65–80 | 75 | 5.87 | 0.2055 | 
© 2019 by the authors. Licensee MDPI, Basel, Switzerland. This article is an open access article distributed under the terms and conditions of the Creative Commons Attribution (CC BY) license (http://creativecommons.org/licenses/by/4.0/).
Share and Cite
Jiang, L.; Liu, P.; Zhang, Y.; Yang, X.; Wang, H. The Effect of Inlet Velocity on the Separation Performance of a Two-Stage Hydrocyclone. Minerals 2019, 9, 209. https://doi.org/10.3390/min9040209
Jiang L, Liu P, Zhang Y, Yang X, Wang H. The Effect of Inlet Velocity on the Separation Performance of a Two-Stage Hydrocyclone. Minerals. 2019; 9(4):209. https://doi.org/10.3390/min9040209
Chicago/Turabian StyleJiang, Lanyue, Peikun Liu, Yuekan Zhang, Xinghua Yang, and Hui Wang. 2019. "The Effect of Inlet Velocity on the Separation Performance of a Two-Stage Hydrocyclone" Minerals 9, no. 4: 209. https://doi.org/10.3390/min9040209
APA StyleJiang, L., Liu, P., Zhang, Y., Yang, X., & Wang, H. (2019). The Effect of Inlet Velocity on the Separation Performance of a Two-Stage Hydrocyclone. Minerals, 9(4), 209. https://doi.org/10.3390/min9040209
 
        


 
       