A Dynamic Asymmetric Overcurrent-Limiting Strategy for Grid-Forming Modular Multilevel Converters Considering Multiple Physical Constraints
Abstract
1. Introduction
- The control strategy takes into account multiple physical constraints unique to the MMC, establishing a dynamic asymmetric current boundary that comprehensively and accurately defines the converter’s true safe operating area under arbitrary operating conditions.
- The strategy is capable of dynamically adjusting the current limit in real-time in response to variations in the grid-side voltage. This achieves optimal dynamic current support while adhering to the established safety constraints, thereby significantly enhancing the converter’s dynamic voltage support and fault ride-through capability.
- The implementation of the proposed strategy achieves both high accuracy and computational efficiency. This strategy eliminates intensive online calculations and enables easy integration into existing digital control systems without modifying the main circuit topology.
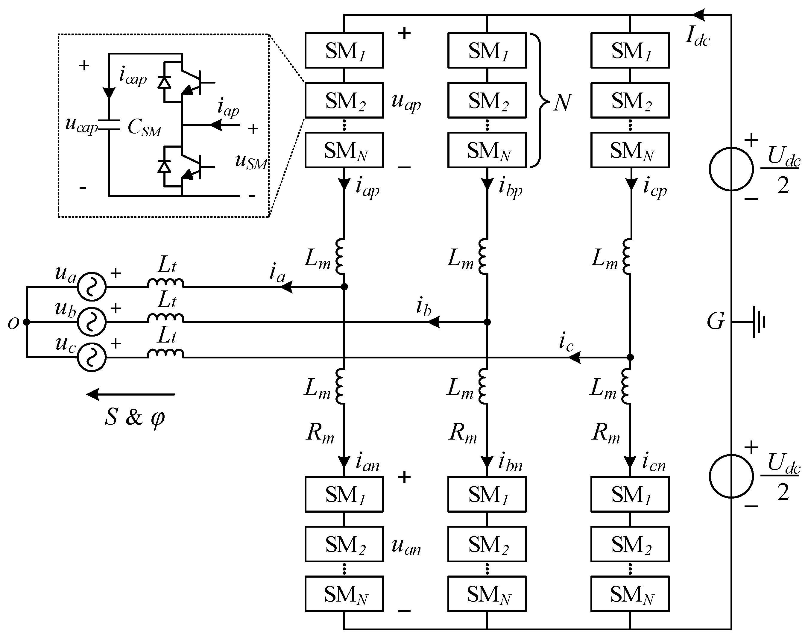
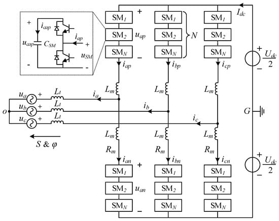
2. Difference in Overcurrent Limitation Between MMC and Two-Level Converters
2.1. Traditional Overcurrent Limitation in Two-Level Converters
2.2. The Overcurrent Limitation in MMC
2.2.1. Problem 1: Submodule Capacitor Voltage Fluctuation
2.2.2. Problem 2: Submodule Capacitor DC Component Shift
2.2.3. Problem 3: Complexity and Asymmetry of Modulated Signals
3. Multi-Constraints in Calculating Overcurrent Limitation Boundary
3.1. Constraint of Capacitor Voltage Ripple Under Different Output Current
3.2. Constraint of Capacitor Voltage Peak Considering DC Component Derivation
3.3. Constraint of Modulation Signal Considering Asymmetry Features
4. Dynamic Asymmetric Overcurrent Limitation Strategy for Grid-Forming MMC Considering Grid Voltage Variation
4.1. Analysis of the Multi-Constraint Dynamic Overcurrent Boundary
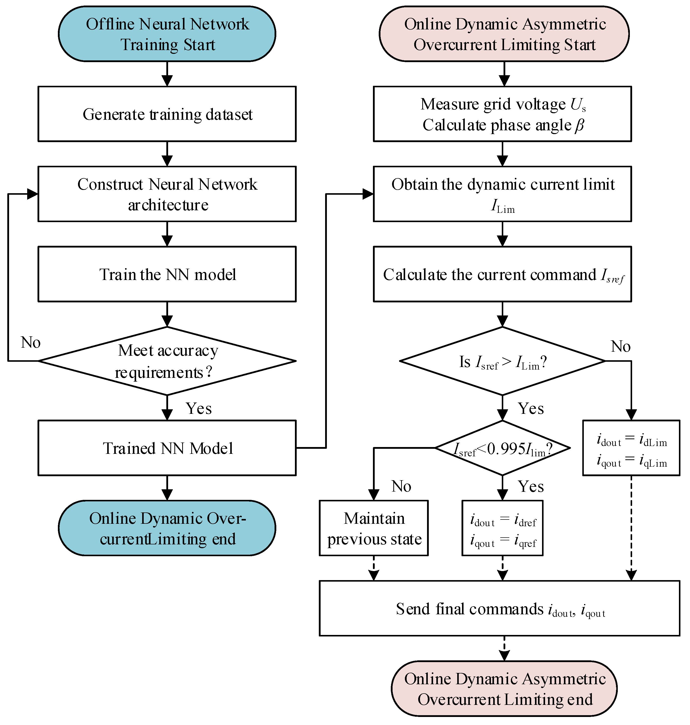
4.2. Neural Network-Based Construction of the Dynamic and Asymmetric Overcurrent Limitation Strategy
4.3. Calculation Module for Dynamic Overcurrent Limitation
- The inputs comprise the measured grid voltage magnitude Us and current phase angle β. Notably, β is not a measured value but is derived in real-time from the d-q axis current commands idref and iqref issued by the high-level controller. The calculation formula can be expressed as follows:
- 2.
- The real-time input vector [Us, β] is fed into the neural network model embedded within the controller. The model then performs a single, rapid feed-forward pass to yield the unified current limit ILim, corresponding to the current operating point.
- 3.
- The magnitude of the current command is computed using the equation below. This value is then compared with the current limit ILim provided by the neural network.
- 4.
- When the command magnitude Isref does not exceed the limit ILim, the limiter is bypassed, and the original command references are passed through unmodified.
- 5.
- When the command magnitude Isref is not less than 0.955 ILim and does not exceed ILim, it is considered to be within the relay block. To avoid control chattering, the limiter’s state is maintained from the previous cycle.
- 6.
- When the command magnitude Isref exceeds the limit ILim, a limiting action is triggered. To preserve the current phase angle β and thus the intended power distribution, the command vector is proportionally scaled down. The scaling factor k and the resulting limited commands are determined as follows:
- 7.
- The resulting limited references idout and iqout then serve as the inputs for the MMC’s inner-loop current controller.
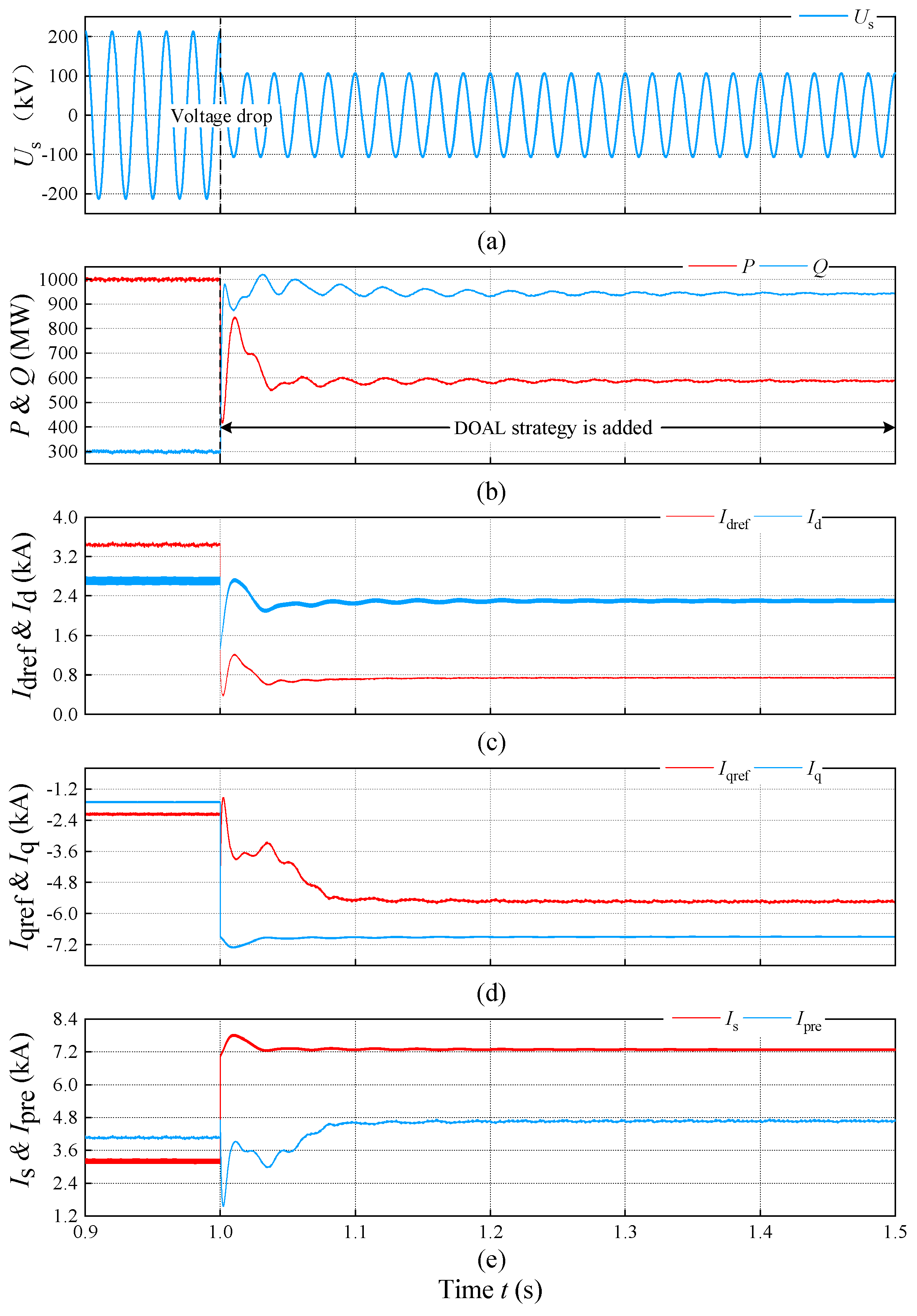
5. Case Study
5.1. Experimental Validation of the DAOL Strategy
5.2. Comparisons with Traditional Methods
6. Conclusions
- The overcurrent capability of an MMC is not determined by a single fixed value, but by a complex, dynamic boundary. This boundary is jointly defined by three core internal physical constraints: the capacitor voltage ripple, the capacitor voltage peak, and the modulation signal limit. Each constraint dominates the boundary under different operating conditions, particularly varying with grid voltage Us and current phase angle β.
- To apply this complex boundary in real-time control, an offline-trained neural network is introduced as a high-precision function approximator. This approach effectively decouples the computationally intensive boundary calculation from the online control loop, enabling the strategy to be implemented efficiently without modifying the main circuit topology.
- Based on the neural network, a dynamic asymmetric limiter is designed. It proactively calculates the current limit ILim based on real-time Us and the command-derived β, and then proportionally scales the current reference. This ensures that the control commands always adhere to the MMC’s true safe operating area, maximizing grid support while guaranteeing internal safety.
Author Contributions
Funding
Data Availability Statement
Conflicts of Interest
References
- Zhan, C.; Wu, H.; Wang, X.; Tian, J.; Wang, X.; Lu, Y. An overview of stability studies of grid-forming voltage source converters. In Proceedings of the Chinese Society of Electrical Engineering; Chinese Society for Electrical Engineering: Beijing, China, 2023; Volume 43, pp. 2339–2358. [Google Scholar]
- Liu, H.; Yu, S.; Sun, D.; Wu, L.; Li, Y.; Wang, X. An overview of control technologies and principles for grid-forming converters. In Proceedings of the Chinese Society of Electrical Engineering; Chinese Society for Electrical Engineering: Beijing, China, 2024; Volume 44, pp. 1–19. [Google Scholar]
- Basak, P.; Chowdhury, S.; Dey, S.H.N.; Chowdhury, S.P. A literature review on integration of distributed energy resources in the perspective of control, protection and stability of microgrid. Renew. Sustain. Energy Rev. 2012, 16, 5545–5556. [Google Scholar] [CrossRef]
- Pal, A.; Pal, D.; Panigrahi, B.K. A Current Saturation Strategy for Enhancing the Low Voltage Ride-Through Capability of Grid-Forming Inverters. IEEE Trans. Circuits Syst. II Express Briefs 2023, 70, 1009–1013. [Google Scholar] [CrossRef]
- Ghanbari, T.; Farjah, E. Development of an Efficient Solid-State Fault Current Limiter for Microgrid. IEEE Trans. Power Deliv. 2012, 27, 1829–1834. [Google Scholar] [CrossRef]
- Fan, B.; Liu, T.; Zhao, F.; Wu, H.; Wang, X. A Review of Current-Limiting Control of Grid-Forming Inverters Under Symmetrical Disturbances. IEEE Open J. Power Electron. 2022, 3, 955–969. [Google Scholar] [CrossRef]
- Gouveia, J.; Moreira, C.L.; Lopes, J.A.P. Grid-Forming Inverters Sizing in Islanded Power Systems—A stability perspective. In Proceedings of the 2019 International Conference on Smart Energy Systems and Technologies (SEST), Porto, Portugal, 9–11 September 2019; pp. 1–6. [Google Scholar]
- Lin, X.; Liang, Z.; Zheng, Y.; Lin, Y.; Kang, Y. A Current Limiting Strategy With Parallel Virtual Impedance for Three-Phase Three-Leg Inverter Under Asymmetrical Short-Circuit Fault to Improve the Controllable Capability of Fault Currents. IEEE Trans. Power Electron. 2019, 34, 8138–8149. [Google Scholar] [CrossRef]
- Liu, Y.; Meng, J.; Wang, Y.; Wang, J.; Liang, R.; Zhang, Z. Adaptive Virtual Impedance Current Limiting Strategy for Grid-Forming Converter. In Proceedings of the 2023 8th Asia Conference on Power and Electrical Engineering (ACPEE), Tianjin, China, 14–16 April 2023; pp. 653–657. [Google Scholar]
- Fan, B.; Wang, X. Fault Recovery Analysis of Grid-Forming Inverters With Priority-Based Current Limiters. IEEE Trans. Power Syst. 2023, 38, 5102–5112. [Google Scholar] [CrossRef]
- Wu, H.; Wang, X. Small-Signal Modeling and Controller Parameters Tuning of Grid-Forming VSCs with Adaptive Virtual Impedance-Based Current Limitation. IEEE Trans. Power Electron. 2022, 37, 7185–7199. [Google Scholar] [CrossRef]
- Bloemink, J.M.; Iravani, M.R. Control of a Multiple Source Microgrid With Built-in Islanding Detection and Current Limiting. IEEE Trans. Power Deliv. 2012, 27, 2122–2132. [Google Scholar] [CrossRef]
- Taul, M.G.; Wang, X.; Davari, P.; Blaabjerg, F. Current Limiting Control With Enhanced Dynamics of Grid-Forming Converters During Fault Conditions. IEEE J. Emerg. Sel. Top. Power Electron. 2020, 8, 1062–1073. [Google Scholar] [CrossRef]
- Zhou, L.; Liu, S.; Chen, Y.; Yi, W.; Wang, S.; Zhou, X.; Wu, W.; Zhou, J.; Xiao, C.; Liu, A. Harmonic Current and Inrush Fault Current Coordinated Suppression Method for VSG Under Non-ideal Grid Condition. IEEE Trans. Power Electron. 2021, 36, 1030–1042. [Google Scholar] [CrossRef]
- Freytes, J.; Li, J.; de Préville, G.; Thouvenin, M. Grid-Forming Control With Current Limitation for MMC Under Unbalanced Fault Ride-Through. IEEE Trans. Power Deliv. 2021, 36, 3292–3294. [Google Scholar] [CrossRef]
- Tahir, W.; Farhan, M.; Bhatti, A.R.; Butt, A.D.; Farid, G. A modified control strategy for seamless switching of virtual synchronous generator-based inverter using frequency, phase, and voltage regulation. Int. J. Electr. Power Energy Syst. 2024, 157, 109805. [Google Scholar] [CrossRef]
- Yue, C.; Hao, Q.; Wang, S. Operating Area of Modular Multilevel Converter Station Considering the Constraint of Internal Dynamics. In Proceedings of the 2019 4th IEEE Workshop on the Electronic Grid (eGRID), Xiamen, China, 11–14 November 2019. [Google Scholar]
- Lu, X.; Lin, W.; Wen, J.; Yao, W.; An, T.; Li, Y. Dynamic phasor modelling and operating characteristic analysis of half-bridge MMC. In Proceedings of the 2016 IEEE 8th International Power Electronics and Motion Control Conference (IPEMC-ECCE Asia), Hefei, China, 22–26 May 2016; pp. 2615–2621. [Google Scholar]
- Jiang, Q.; Tao, Y.; Li, B.; Liu, T.; Chen, Z.; Blaabjerg, F.; Wang, P. Joint Limiting Control Strategy Based on Virtual Impedance Shaping for Suppressing DC Fault Current and Arm Current in MMC-HVDC Systems. J. Mod. Power Syst. Clean Energy 2023, 11, 2003–2014. [Google Scholar] [CrossRef]
- Liu, Z.; Li, K.-J.; Wang, J.; Liu, W.; Javid, Z.; Wang, Z.-D. General Model of Modular Multilevel Converter for Analyzing the Steady-State Performance Optimization. IEEE Trans. Ind. Electron. 2021, 68, 925–937. [Google Scholar] [CrossRef]
- Zhao, C.; Jiang, Q. Impedance-Based AC/DC Terminal Modeling and Analysis of the MMC-BTB System. IEEE Trans. Power Deliv. 2023, 38, 4359–4372. [Google Scholar] [CrossRef]
- Messina, A.R.; Vittal, V. Harmonic Domain Periodic Steady-State Modeling of Power Electronics Apparatus: SVC and TCSC. IEEE Trans. Power Deliv. 2000, 15, 660–666. [Google Scholar]












| Category | Parameter | Value/Description |
|---|---|---|
| Dataset | Input Variables | Grid Voltage Us, Phase Angle β |
| Sampling Range Us | Us ∈ [0.8, 1.2] p.u., β ∈ [0, 2π] rad | |
| Total Samples | 14,760 | |
| Architecture | Network Type | Deep Feed-Forward Neural Network (DNN) |
| Hidden Layers | 4 Layers: 8-10-15-20 neurons | |
| Activation Functions | Tan-Sigmoid (Hidden), Linear (Output) | |
| Training | Algorithm | Bayesian Regularization (trainbr) |
| Loss Function | Mean Squared Error (MSE) | |
| Data Division | raining: 80%, Validation: 10%, Testing: 10% | |
| Validation | Final RMSE | <1.2 × 10−4 |
| R2 Score | >0.999 |
| Items | Values |
|---|---|
| Fundamental frequency f | 50 Hz |
| Rated active power Prated | 1000 MW |
| Rated reactive power Qrated | 300 Mvar |
| Rated line voltage (rms) | 212.5 kV |
| DC side voltage Udc | 500 kV |
| SM Capacitance Csm | 15,000 uF |
| Arm inductance Lm | 75 mH |
| AC-link inductance Lt | 25.4 mH |
| Rated capacitor voltage | 2.29 kV |
| Number of SMs per arm N | 218 |
| Performance Metric | Traditional Strategy | Proposed DAOL Strategy | Quantitative Improvement |
|---|---|---|---|
| Peak Capacitor Voltage | 2495 V | 2439 V | Reduced by 56 V |
| Voltage Ripple | 249 V | 172.5 V | Suppression improved by 30.7% |
| Arm Modulation Signals THD | 11.27% | 7.54% | Harmonic distortion reduced |
| Min. Modulation Index | 0.0033 | 0.059 | Safe Linear Operation Maintained |
| Real-time Execution Time | N/A | 3 us | Feasible for real-time control |
Disclaimer/Publisher’s Note: The statements, opinions and data contained in all publications are solely those of the individual author(s) and contributor(s) and not of MDPI and/or the editor(s). MDPI and/or the editor(s) disclaim responsibility for any injury to people or property resulting from any ideas, methods, instructions or products referred to in the content. |
© 2025 by the authors. Licensee MDPI, Basel, Switzerland. This article is an open access article distributed under the terms and conditions of the Creative Commons Attribution (CC BY) license.
Share and Cite
Chen, Q.; Lu, Y.; Xu, F.; Zhang, F.; Han, M.; Wang, G. A Dynamic Asymmetric Overcurrent-Limiting Strategy for Grid-Forming Modular Multilevel Converters Considering Multiple Physical Constraints. Symmetry 2026, 18, 53. https://doi.org/10.3390/sym18010053
Chen Q, Lu Y, Xu F, Zhang F, Han M, Wang G. A Dynamic Asymmetric Overcurrent-Limiting Strategy for Grid-Forming Modular Multilevel Converters Considering Multiple Physical Constraints. Symmetry. 2026; 18(1):53. https://doi.org/10.3390/sym18010053
Chicago/Turabian StyleChen, Qian, Yi Lu, Feng Xu, Fan Zhang, Mingyue Han, and Guoteng Wang. 2026. "A Dynamic Asymmetric Overcurrent-Limiting Strategy for Grid-Forming Modular Multilevel Converters Considering Multiple Physical Constraints" Symmetry 18, no. 1: 53. https://doi.org/10.3390/sym18010053
APA StyleChen, Q., Lu, Y., Xu, F., Zhang, F., Han, M., & Wang, G. (2026). A Dynamic Asymmetric Overcurrent-Limiting Strategy for Grid-Forming Modular Multilevel Converters Considering Multiple Physical Constraints. Symmetry, 18(1), 53. https://doi.org/10.3390/sym18010053
