Next Article in Journal
Fixed-Points of Interpolative Ćirić-Reich–Rus-Type Contractions in b-Metric Spaces
Next Article in Special Issue
A Delay-Dividing Approach to Robust Stability of Uncertain Stochastic Complex-Valued Hopfield Delayed Neural Networks
Previous Article in Journal
Lie Symmetry Analysis of Burgers Equation and the Euler Equation on a Time Scale
Previous Article in Special Issue
Some New Observations and Results for Convex Contractions of Istratescu’s Type
 
 
Font Type:
Arial Georgia Verdana
Font Size:
Aa Aa Aa
Line Spacing:
Column Width:
Background:
Article

Real-Time Control for the EHU Stellarator

Automatic Control Group—ACG, Department of Automatic Control and Systems Engineering, Faculty of Engineering of Bilbao, University of the Basque Country(UPV/EHU), Po Rafael Moreno no3, 48013 Bilbao, Spain
*
Author to whom correspondence should be addressed.
Symmetry 2020, 12(1), 11; https://doi.org/10.3390/sym12010011
Submission received: 24 November 2019 / Revised: 15 December 2019 / Accepted: 17 December 2019 / Published: 19 December 2019
(This article belongs to the Special Issue Symmetry in Nonlinear Studies)

Abstract

At present, two main magnetic confinement fusion devices exist: tokamaks and stellarators. Moreover, stellarators have been demonstrated to be a good alternative to tokamaks, due to their ability to operate in continuous mode, which eventually translates into a higher commercial profitability. In stellarators, the magnetic confinement of the plasma is achieved exclusively by the coils, thus no electric current through the plasma is needed. In particular, this article presents the Columbia Non-Neutral Torus stellarator that is located in the Automatic Control Group of Euskal Herriko Unibertsitatea (EHU). This EHU stellarator maintains symmetry in its structure due to the topology of the mesh that is formed by its coils. A cornerstone of future fusion reactors is to obtain real-time control that enables a sustained reaction. In this article, a control-oriented model for the installed magnetic confinement coils is presented. The model is based on matrices that preserve symmetry, which is defined from physical principles and then validated by different sets of experimental data. Then, based on this model, a novel predictive control suited to this particular model with symmetric objective function is implemented in the numerical simulations, and its response is compared to that of traditional controllers. Finally, this control is implemented in a real plant and the satisfactory experiment results provide validation of both the numerical model and proposed controller.

1. Introduction

In recent years, there has been an international effort to develop clean energy production technology based on fusion energy, such as =the International Thermonuclear Experimental Reactor (ITER) [1].
The energy generation involves nuclear fusion reactions, where two or more light element’s atomic nuclei, usually from deuterium and tritium (two different hydrogen isotopes), combine to form different atomic nuclei and subatomic particles. The reaction implies a net loss of mass that is transformed into energy in the form of gamma rays and kinetic energy emitted by the aforementioned particles, as shown in Equation (1) [2]. A typical deuterium–tritium reaction is supposed to be in the form:
D 2 + T 3 H 4 e + n + 17.58   M e V
The final objective is to achieve a state of sustained continuous nuclear fusion reaction. This objective represents a large number of scientific and technical challenges. In particular, the real-time control of the plasma by means of the confinement coils plays a key role in the performance of the process and the feasibility of the clean fusion technology. It this sense, it must be considered that the main limiting phenomenon in fusion devices is the premature reaction decay due to plasma instabilities.
Nowadays, two principal approaches coexist that try to achieve successful and commercially competitive fusion processes: inertial confinement-based and magnetic confinement-based approaches. Inertial confinement fusion attempts to achieve the reaction by compressing and heating a fuel target, and it is being studied in several U.S. facilities. Magnetic confinement attempts to achieve and maintain the reaction by using magnetically confined fuel within vacuum chambers, and it is the topology perused in ITER (International Thermonuclear Experimental Reactor), TCV (Tokamak à Configuration Variable), or JET (Joint European Torus). It is still not clear which approach will lead to the desired results.
At present, two main magnetic confinement topologies exist for fusion devices: tokamaks and stellarators. On the one hand, tokamak devices confine plasma in a toroidal region using compound magnetic fields. The principal magnetic field is usually toroidal, while a poloidal magnetic field induces a current into the plasma that acts as the secondary circuit of an electrical transformer. The poloidal field lines created around the plasma current are combined with the toroidal field producing helical field lines, which wrap around the torus, preventing the plasma displacement towards the vessel walls [3]. On the other hand, stellarators consist of a more complex helical symmetric coil system, in such a way that the plasma follows twisting magnetic beam line paths. In these kinds of devices, the magnetic confinement is fully achieved by the coils, so no induced current is needed to confine the plasma, although ohmic, non-inductive, and bootstrap currents may also be present [4]. In this sense, stellarators are a great alternative to tokamaks, with significant research progress taking place regarding the study of magnetically confined plasma physics on these devices during recent years. Additionally, the ability of stellarators to operate in continuous mode would allow higher commercial profitability.
In this context, this article studies a real-time control strategy for the coils of the EHU (Euskal Herriko Unibertsitatea)stellerator name the ultra-low-iota super elongated stellarator (ULISES), fully designed and built by the Automatic Control Group (ACG) at the Engineering Faculty of the Basque Country University (UPV/EHU) in collaboration with CIEMAT (Centro de Investigaciones Energéticas, Medioambientales y Tecnológicas) (see Figure 1 and Figure 2). The numerical plant model will be formulated based on the symmetry of the system due to the plant topology and derived from physical principles coupled with parameter estimation. The success of the initial simulations paved the way for the real-time experimental implementation, which demonstrates the effectiveness of both the model and the control strategies [5].
The rest of the manuscript is organized as follows. Section 2 describes three different strategies to construct the numerical models of the EHU stellarator. Section 3 describes the novel advanced predictive control laws. Section 4 presents the real-time experimental performance of the proposed controllers. Finally, concluding remarks are given in Section 5.

2. Data Acquisition System and Model Statement

In this section, three different modeling approaches are employed to obtain a reliable model of the magnetic coils system of the EHU stellarator. An analytical model obtained by means of parameter identification techniques is compared to the proposed physical equivalent system, a pure black box model, and a hybrid grey box model, in which the preliminary structure of the system is first established and then identified.
After the models have been constructed, these numerical systems will be validated experimentally. That is, real experiments will be carried out on the real plant for different study cases, so that the obtained measured output data can be compared with those of the numerical model response for the same study cases.
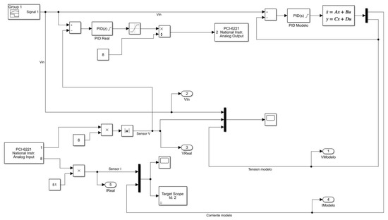
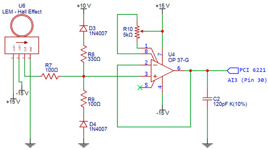
In order to control the EHU stellarator, a feedback loop must be provided. In this case, the feedback consists of the voltage output VOut and current I signal measurements, while the input signal VIn is also being monitored. Note that the main actuator of the system is composed of a coil system consisting of two external and two internal coils connected to a real-time fully controllable power source, as shown in Figure 1 and Figure 2. The resulting output voltage and currents are, therefore, the controlled variables, and are measured directly from the coils’ copper wires by means of physical resistance-based and Ohmic inductive sensors, respectively, providing the input for the control feedback loop through the corresponding conditioning circuits shown in Figure 3 and Figure 4 and the DAQ (Data acquisition) connected to the real-time target.
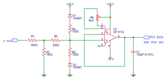
For this purpose, a data acquisition system has been built. Using a National Instruments PCI-6221 instrument for data acquisition, as well as the necessary electronic components to condition the circuit, as seen in Figure 3 for the output voltage, Figure 4 for the input voltage, and Figure 5 for the output current.
As can be seen in the figures above, the voltage output signal is driven through a voltage divider due to the high voltage values in the output point, which could destroy the PCI (Peripheral Component Interconnect) card. Additionally, all of the signals are driven through a voltage limiter, and finally through an op amp in buffer configuration before they reach the target. With this configuration, the op amp is capable of following the original signal with no attenuation, while staying below the maximum voltage value.
All the additional components are installed in order to protect the data acquisition card, while maintaining adequate signal tracking and without interference with the main circuit of the system.

2.1. Analytical Model

From the basic physical design of the ULISES described in Figure 6, an analytical plant model is created. In particular, based on the electrical elements that compose the device, a numerical model is obtained by fitting the parameters to a control-oriented space–state representation. Additionally, the parameters are defined in Table 1.
Merging the inductances and resistances leads to a simplified circuit with reduced parameters. These new parameters are shown in the following respective equations for the total circuit inductance and resistance:
K = L e 1 + L i 1 + L e 2 + L i 2 ± M
R T = R 1 + R 2
In order to analyze the circuit behavior, the equations that govern the circuit are considered:
V I N = I ( R 1 + R 2 ) + K d I d t
V O U T = I R 2 + L e 2 d I d t
where I(t) represents the current through the circuit.
Note that both Kirchhoff’s laws and Ohm’s law particularized for the different lumped-parameter circuit elements are used in Equations (2)–(5).
In order to obtain a space–state representation, the following state variables are chosen, where the usual space–state variable nomenclature is employed. In this sense, note that x 1 and x 2 , the components of the state vector, have different dimensions:
x 1 = I
x 2 = x 1 ˙ = d I d t
Replacing Equation (4) with Equation (7), the following expression is obtained:
x 1 ˙ = d I d t = ( R 1 + R 2 ) K I + 1 K V I N
and the time derivative of Equation (8) leads to the expression:
x 2 ˙ = ( R 1 + R 2 ) K d I d t = ( R 1 + R 2 ) K x 2
Thus, all the space–state variables and their respective derivatives have been defined. Neglecting the mutual inductance, the reduced space–state model can be established, where the state variables are decoupled:
[ x 1 ˙ x 2 ˙ ] = [ ( R 1 + R 2 ) K 0 0 ( R 1 + R 2 ) K ] [ x 1 x 2 ] + [ 1 K 0 ] V I N
[ I O U T V O U T ] = [ 1 0 R 2 L e 2 ] [ x 1 x 2 ]
Once the analytical state–space model form is defined in Equations (10) and(11), it is necessary to identify the values of the parameters from the real experimental system. These parameters are described and defined in Figure 5 and Table 1.
For parameter identification, multiple experimental tests are performed on the real plant, collecting output data through the installed data acquisition system. Besides, an analytical solution for Equations (10) and (11) is computed to facilitate the parameter identification process:
x 1 ( t ) = V I N K ( 1 e R T K t )
x 2 ( t ) = V I N K e R T K t
Taking into account the expressions given in Equations (6) and (7), for each given input their resulting output will be compare with the data output from the real EHU stellarator. Bearing this objective in mind, a series of experimental tests are carried out. The experiments consisting of applying different voltage test input signals to the real system. The resulting data from the experiments are then retrieved by the instrumentation, as detailed in the previous section. Then, the values of the parameters of the space–state system are approximated by system identification.
Following this procedure for different experiments and different voltage input values, the results presented in Table 2 are achieved:
Even when this identification process of the analytical model is performed based on the system physical equations, other approaches such as pure black box or grey box methods may be also used to determine the model of the system. These will be further explained in the following subsections.

2.2. Black Box Model

The black box models represent an unknown system, where only inputs and outputs are known. By analyzing these signals, a transfer function or a space–state system that represents the unknown plant may be created. However, the states of the system do not usually correspond with any physical variables of the real system [6]. In particular, considering the same input and output signals as in Section 2.1, the corresponding black box model of the EHU stellarator is:
[ x 1 ˙ x 2 ˙ ] = [ 18.67 17.07 58.12 43.91 ] [ x 1 x 2 ] + [ 0.001124 0.535700 ] V I N
[ I O U T V O U T ] = [ 472.70 10.260 18.53 7.471 ] [ x 1 x 2 ]

2.3. Grey Box Model

Analogous to the black box models, grey box models represent an unknown system. However, in this case the input and output signals are known, as well as the structure of the space–state system. This means that the dimensions of the matrices and some physical restrictions on the parameters are considered during the identification [7]. However, some perturbations from higher order dynamics that were not previously taken into account in Section 2.1 are now allowed into the system. In particular, considering the same input and output signals as in Section 2.1, the corresponding grey box model of the EHU stellarator is:
[ x 1 ˙ x 2 ˙ ] = [ 25.90 0 0 1 ] [ x 1 x 2 ] + [ 58.93 0 ] V I N
[ I O U T V O U T ] = [ 1 0 0.06 1 ] [ x 1 x 2 ]

2.4. Model Validation via Experimentation

In Section 2.1, Section 2.2 and Section 2.3, three different numerical models have been presented. In this section, the response of these estimated models will be compared to the experimental response of the real EHU stellarator. This comparison, as seen in Figure 7, serves to verify which one of these models is the best match for the EHU stellarator [8,9].
Taking into account the voltage output signal, the black box model is outperformed by both the analytical model and grey box model responses, since both of them provide an accurate estimation of the system response. On the other hand, looking into the current output signal, the analytical model shows some steady-state error. In this sense, we note that the steady-state error represents the difference between the output signal and the reference desired one once the system has reached a state where the output variations remains bounded and limited to 2%–5% of its value, where the time tends to be infinite, considering that the controlled system is stable, and thus convergent. Therefore, it may be concluded that the grey box model is the most accurate model that has been estimated for the EHU stellarator. Nevertheless, it must be considered that the differences between the grey box and the analytical model are not remarkable, while the analytical model allows identification of physical magnitudes corresponding to its different parameter components. In order to further confirm these results, the same input signal is driven to the experimental system and both the black box model and the grey box model. The results of these comparisons are shown in Figure 8.
As can be seen in Figure 7, the proposed models yield outputs that match those of the real system with an accuracy of approximately 50%–60% for voltage output and 94%–95% for current output. The larger error in the voltage response is due to the unfiltered noise created by the magnetic fields that interfere with the instrumentation. Therefore, as the magnitude of the noise is around 200 mV, both the responses in voltage and current signals are a good match for the experimental signal output. Therefore, both the black box and the grey box models are valid, and the experimental tests also show that the grey box model presents a better match with the real system output, although the parameter representativeness is inherent to the analytical model.

3. Control Design

Once the grey system model is established and verified as the most suitable fit with the EHU stellarator, an adequate control may be designed. The main objective of the control in the platform is to ensure that the plasma inside the ULISES device chamber follows the desired trajectory so that the fusion reaction does not degenerate by regulating the coil input voltage. The control of the plasma current is indirectly achieved by controlling the input voltage, as both are directly related.
For this purpose, different controlling techniques have been tested. First, a traditionally used PID (Proportional Integral Derivative) control is implemented and tuned in order to verify whether the system can be controlled by a rather simple controller. Next, a more complex controller is developed, namely a model predictive control (MPC), in order to investigate their advantages with respect to the traditional controllers.
The development, implementation, and the system output for these controls will be explained in further detail in the following subsections.

3.1. PID Controller Implementation

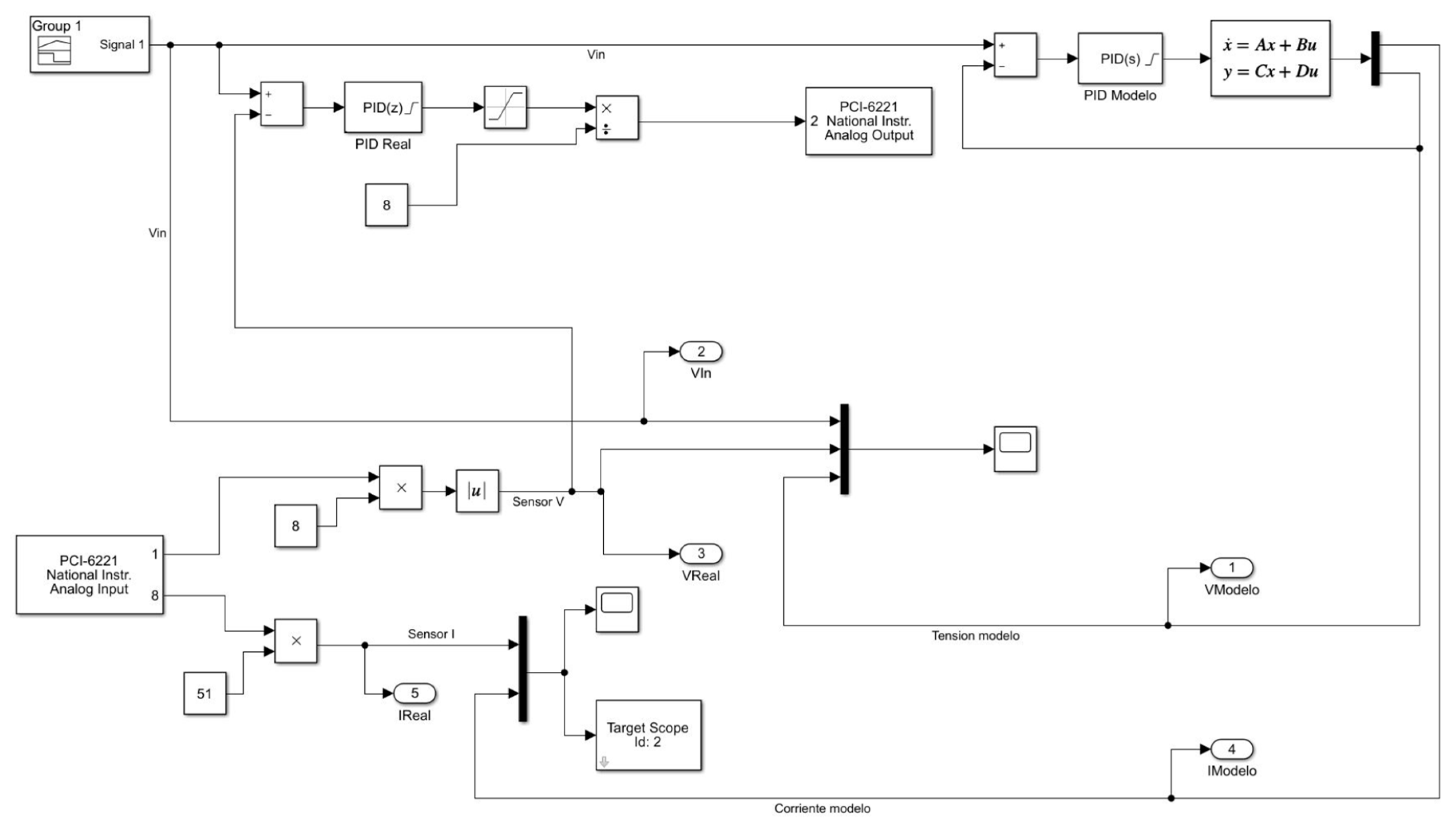
PID controllers are very common, as they are simple yet effective in minimizing the error signal in addition to stabilizing the system [10]. Different methods exist to tune the controller [11,12,13]. In this particular example, the PID has been tuned using the closed-loop principle of Ziegler–Nichols, where the tuning process is subjected to the constraints of closed-loop stability and large bandwidth while maintaining disturbance rejection, and enough phase margin and gain margin to allow for disturbances and unmodelled dynamics. A proprietary tuning procedure tries to compromise between those constraints. In order to implement the resulting PID into the system, a closed-loop block diagram is designed that sends signals to the actuators and collects signals from the sensors through a DAQ NI-6221 instrument, as shown in Figure 9. Considering that only the input voltage is controlled, the output voltage signal located between the second set of coils (see Figure 6) will be used as feedback for the controllers.
Once the closed loop has been designed and established, a series of behavior conditions will be imposed, which the controller must fulfil [14]. For this setting, the PID parameter values will be tuned to achieve the following conditions:
  • Quick response. Since the system will have to handle the confinement of a rapidly varying plasma current, the control over the coil voltage will have to be as fast as possible.
  • Low overshoot. Excessive overshoot translates into a more powerful magnetic field, which can lead to unexpected behavior and ultimately cause internal damage to the device, which must be avoided.
  • Minimal steady-state error. A varying signal for voltage applied to coils creates magnetic fields that can change both in direction and in magnitude. This variable magnetic field will induce a leaking voltage into the conductive materials. The leaking currents can interfere with the plasma inside the device chamber and the instrumentation signals, and can also alter the temperature conditions.
Using the robust step-response optimization algorithm for a target phase margin of 60°, the values for the PID parameters are obtained. The PID controller with the values shown in Table 3 does achieve the desired performance, as will be seen in Section 4.

3.2. Model Predictive Control Design

Model predictive control (MPC) relies on the idea of a more complex optimization-based scheme, which takes into account the future states of the system. In a few words, using an accurate dynamic mathematical model of the real system and different measurements of the system, this controller predicts the future behavior of the system in order to grant the best control signal [15,16].
The real system has a time constant in the order of milliseconds, so that system equations (Equations (16) and (17) are discretized with a time step of that order of magnitude to obtain an acceptable difference between the continuous and the discretized optimal control profiles. However, such a small discretization time step creates a need to significantly reduce the computation time at each optimization step. The formulations discussed in this paper adopt a discretization time step of 50 ms, which is found to be sufficiently small to approximate the continuous optimal control profile. The resulting optimization problem is solved with an analytical solution equation approach using an exact Hessian approximation. Thus, given a predicted input sequence, the corresponding sequence of prediction values is generated by simulating the model forward over the prediction horizon. For notational convenience, these predicted sequences are often stacked into vectors that may be denoted by
x ( k ) = [ x ( k + 1 | k ) x ( k + 2 | k ) x ( k + N p | k ) ] ,   u ( k ) = [ u ( k | k ) u ( k + 1 | k ) u ( k + N c 1 | k ) ]
where x ( k + i | k ) and u ( k + i | k ) denote the plasma current value and ohmic heating voltage input at time k + i , which are predicted at time k . Therefore, x d ( k + i | k ) evolves according to the prediction model:
x d ( k + i + 1 | k ) = A d x d ( k + i | k ) + B d u d ( k + i | k )
with an initial condition at the beginning of the prediction horizon defined as x d ( k | k ) = x d ( k ) k = 0 , 1 , , and a control horizon, whose value is smaller than or equal to that of the prediction horizon, N p .
The predictive control feedback law is computed by minimizing a predicted performance cost, which is defined in terms of the predicted sequences x ( k ) and u ( k ) . In particular, the output current in compact form is rewritten as
y ^ = F x ( k ) + G u ^ ( k ) ,
where u ^ ( k ) denotes the Ohmic heating (OH) voltage for a given reference signal r ( k ) at a given time. Within a prediction horizon, the control system aims to bring the internal inductance as close as possible to the reference:
r ^ = [ r ( k ) r ( k + N p 1 ) ] T .
The corresponding cost function that preserves symmetry is:
J = ( r ^ y ^ ) T ( r ^ y ^ ) + u ^ T R u ^ ,
where the above is clearly a function of the predicted OH voltages and the positive definite weighing matrix R . The optimal voltage sequence for the problem of minimizing this cost function takes into account the input restrictions as equivalent constraints on u ^ in the optimization.
Only the first element of the N c optimal predicted voltage sequence is input back to the plant [17]. This procedure, known as the receding horizon strategy, provides a degree of robustness to modeling errors and uncertainty, since the input at each step takes into account the current state values to compute future events. Additionally, by continually shifting the horizon to where future inputs are optimized, it attempts to compensate for the fact that this horizon is finite. Therefore, a receding horizon strategy aims to ensure that the performance of the closed-loop system is at least as good as that of the optimal prediction.
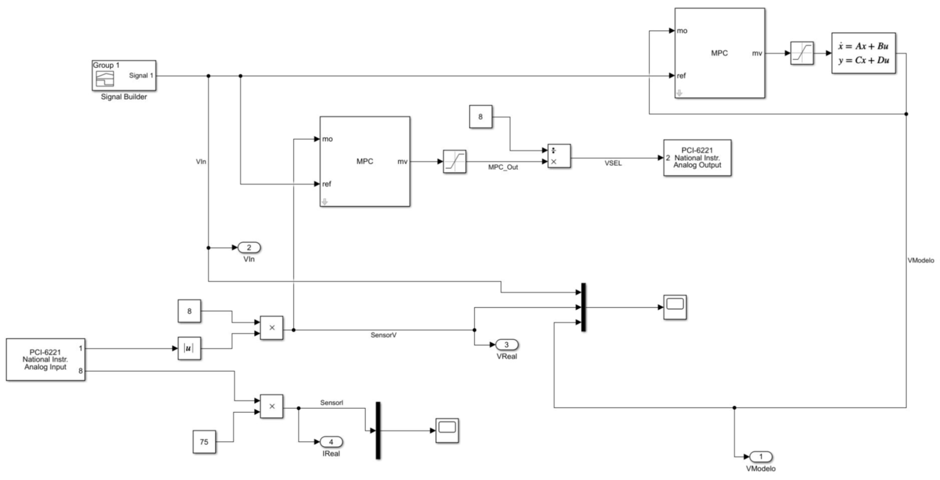
Then, a series of predictions are calculated for both the control signals and the obtained output error. After analyzing the simulation results for different prediction and control horizons, the best control of the state–space system is applied to the experimental EHU stellarator via a data acquisition card [18,19], as seen in Figure 10.
The MPC provides the following advantages compared to other type of controllers:
  • Both the dynamic and static behaviors are defined and foreseen by the model.
  • Both the input and output variable constraints are considered by the control algorithm.
  • The use of model prediction can foresee and anticipate potential problems.
However, in order to keep up with all the calculations in order for the system to have real-time control, this controller needs a powerful calculation device, which can be an issue. Furthermore, the success of the MPC or any other model-based control relies on the accuracy of the model provided.

4. Experimental Results

In this section, the experimental results for the EHU stellarator will be presented. The output signals are obtained by implementing the PID and MPC proposed in Section 3.

4.1. PID Performance

In order to validate the response of the PID controller, the corresponding voltage control test over the real system is carried out, and its result is compared to that of the grey box model. The real performance of the control action is shown in the target PC (Personal Computer) screenshots in Figure 11.
As shown in the voltage response, the response of the system when controlled by the PID is similar to the tracking reference, providing a fast response with insignificant overshoot.

4.2. MPC Performance

In order to implement the MPC scheme, a series of parameters must be determined. As an indicator to choose an adequate MPC controller, the performance of the estimated control models will be compared. For the values of the control and prediction horizons, initially small but increasing test values are chosen, taking into account that the control horizon is usually around half the prediction relation. The reason for this is that the computational load of the target must be sufficiently low, so as not to overrun the task execution time (TET). In this sense, the value for the control interval must ensure the capability of the target to carry out all the calculations. This means the target cannot exceed the TET, since it would no longer be a real-time system. Additionally, an appropriately sized value should be chosen to reduce computation cycles, and thus energy consumption and heat generation.
Using this procedure, the chosen values for the aforementioned MPC parameters can be observed in Table 4.
Then, the implementation of the MPC algorithm voltage-controlled test shoot is performed over the real system, and its results are compared with that of the grey box model, as shown in Figure 12.
The results of Figure 12 show how the measured voltage accurately follows the given set points. In this way, not only is the controller validated, but also it is shown that the grey box model accurately represents the dynamics of the real system. As can be seen in the same figure, the manipulated variable follows the tracking reference up to the point where it foresees unwanted behavior for the system, so the output signal is altered in advance.

4.3. MPC and PID Performance Comparison

Once both the PID and the MPC have been implemented and validated, these controllers can be compared in order to determinate which one offers the best performance while accomplishing the established requirements, as seen in Figure 13.
Due to the prediction ability of the MPC, its performance is superior to that of the PID, and it fulfils all the restrictions. That is to say, it provides a quicker response than the PID, whilst providing better performance in fast-changing set point scenarios, with zero overshoot and null steady-state error.

5. Conclusions

Among the existing nuclear fusion variants around the world, stellarators have proved to be more promising than their alternatives, tokamaks. For the EHU stellarator, a series of different model estimation methods were proposed. Of these, the grey box model was the one that demonstrated the best performance, as can be inferred from Figure 7. Then, the proposed numerical model was cross-validated with the results from different experiments executed in the real EHU stellarator.
Once the grey box model was selected as the model that fits best the real plant, different real-time control laws were developed: a traditional PID and a model predictive control (MPC).
From the analysis of the real plant experimental outputs of the EHU stellarator, the MPC has been proven to provide superior performance. The ability of the MPC to predict the upcoming states or output behavior of the plant and to act accordingly, optimizing the output variable change over time, provides precise control of the system dynamics during the experiment execution. In this sense, the PID is not able to deal with dynamic changes as well as the MPC does. However, it is able to control the system because it keeps up with the reference tracking.
The control scheme proposed can be of use for other devices with a similar configuration. In particular, it could be interesting for implementation of advanced control laws as a substitute to the traditionally used PID-based control laws.

Author Contributions

All authors contributed to the modeling and implementation of the EHU stellarator. All authors conceived, developed, and implemented the control techniques. All authors analyzed and validated the results. All authors contributed to writing, review, and editing of the manuscript. All authors have read and agreed to the published version of the manuscript.

Funding

This work was supported in part by the Basque Government, through project IT1207-19 and by the MCIU/MINECO (Ministerio de Ciencia, Innovación y Universidades/Ministerio de Economía y Empresa) through RTI2018-094902-B-C22 (MCIU/AEI/FEDER,UE)/DPI2015-70075-R (MINECO/FEDER,EU).

Acknowledgments

The authors would like to thank the Guest Editor of the Special Issue and the referees for the thorough review of the manuscript and the useful comments and suggestions.

Conflicts of Interest

The authors declare no conflict of interest.

References

  1. ITER Organization. What is ITER? 2019. Available online: https://www.iter.org/proj/inafewlines (accessed on 18 December 2019).
  2. Wikimedia Foundation, Inc. Nuclear Fusion-Wikipedia. 2019. Available online: https://en.wikipedia.org/wiki/Nuclear_fusion (accessed on 18 December 2019).
  3. ITER Organization. What is a TOKAMAK? 2019. Available online: https://www.iter.org/mach/Tokamak (accessed on 18 December 2019).
  4. Wikimedia Foundation, Inc. Stellarator-Wikipedia. 2019. Available online: https://en.wikipedia.org/wiki/Stellarator (accessed on 18 December 2019).
  5. De la Sen, M.; Garrido, A.J.; Soto, J.C.; Barambones, O.; Garrido, I. Suboptimal regulation of a class of bilinear interconnected systems with finite-time sliding planning horizons. Math. Probl. Eng. 2008, 817063. [Google Scholar] [CrossRef]
  6. Kollár, I.; Pintelon, R.; Schouken, J. Frequency Domain System Identification Toolbox for MATLAB. IFAC Proc. Vol. 1991, 24, 1243–1247. [Google Scholar] [CrossRef]
  7. Li, K.; Thompson, S. Fundamental grey-box modelling. In Proceedings of the 2001 European Control Conference (ECC), Porto, Portugal, 4–7 September 2001; pp. 3648–3653. [Google Scholar]
  8. Garrido, I.; Garrido, A.J.; Sevillano, M.G.; Romero, J.A.; Amundarain, M.; Alberdi, M. Tokamak state-space control modeling. In Proceedings of the Canadian Conference on Electrical and Computer Engineering, Niagara Falls, ON, Canada, 4–7 May 2008; Volume 1–4, pp. 840–847. [Google Scholar] [CrossRef]
  9. Garrido, A.J.; Otaola, E.; Garrido, I.; Lekube, J.; Maseda, F.J.; Liria, P.; Mader, J. Mathematical Modeling of Oscillating Water Columns Wave-Structure Interaction in Ocean Energy Plants. Math. Probl. Eng. 2015, 727982. [Google Scholar] [CrossRef]
  10. Heong Ang, K.; Chong, G.; Li, Y. PID control system analysis, design, and technology. IEEE Trans. Control Syst. Technol. 2005, 13. [Google Scholar] [CrossRef]
  11. De la Sen, M. On Cauchy’s Interlacing Theorem and the Stability of a Class of Linear Discrete Aggregation Models Under Eventual Linear Output Feedback Controls. Symmetry 2019, 11, 712. [Google Scholar] [CrossRef]
  12. Babiarz, A.; Czornik, A.; Niezabitowski, M. Output controllability of the discrete-time linear switched systems. Nonlinear Anal. Hybrid Syst. 2016, 2016, 1–10. [Google Scholar] [CrossRef]
  13. Garrido, A.J.; Garrido, I.; Barambones, O.; Alkorta, P.; Maseda, F.J. Simple Linear Models for Plasma Control in Tokamak Reactors. In Proceedings of the 2008 International Conference on Control, Automation and Systems, Seoul, Korea, 14–17 October 2008. [Google Scholar] [CrossRef]
  14. Padula, F.; Visioli, A. Tuning rules for optimal PID and fractional-order PID controllers. J. Process Control 2011, 21, 69–81. [Google Scholar] [CrossRef]
  15. Vazquez, S.; Leon, J.I.; Franquelo, L.G.; Rodriguez, J.; Young, H.A.; Marquez, A.; Zanchetta, P. Model predictive control: A review of its applications in power electronics. IEEE Ind. Electron. Mag. 2014, 8, 16–31. [Google Scholar] [CrossRef]
  16. Herrera-Cáceres, C.A.; Ibeas, A. Model predictive control of cash balance in a cash concentration and disbursements system. J. Frankl. Inst. 2016, 353, 4885–4923. [Google Scholar] [CrossRef]
  17. Garrido, I.; Garrido, A.J.; Romero, J.A.; Carrascal, E.; Sevillano-Berasategui, M.G.; Barambones, O. Low Effort Li Nuclear Fusion Plasma Control Using Model Predictive Control Laws. Math. Probl. Eng. 2015, 527420. [Google Scholar] [CrossRef]
  18. Sturzenegger, D.; Morari, M.; Semeraro, V.; Gyalistras, D.; Smith, R.S. BRCM Matlab Toolbox: Model generation for model predictive building control. In Proceedings of the American Control Conference (ACC), Portland, OR, USA, 4–6 June 2014. [Google Scholar]
  19. Garrido, A.J.; Garrido, I.; Alberdi, M.; Amundarain, M.; Barambones, O.; Romero, J.A. Robust Control of Oscillating Water Column (OWC) Devices: Power Generation Improvement. In Proceedings of the 2013 MTS/IEEE Oceans Conference-San Diego, San Diego, CA, USA, 23–27 September 2013. [Google Scholar]
Figure 1. EHU (Euskal Herriko Unibertsitatea) stellerator located in the Automatic Control Group (ACG) at the Engineering Faculty of the Basque Country University (UPV/EHU).
Figure 1. EHU (Euskal Herriko Unibertsitatea) stellerator located in the Automatic Control Group (ACG) at the Engineering Faculty of the Basque Country University (UPV/EHU).
Symmetry 12 00011 g001
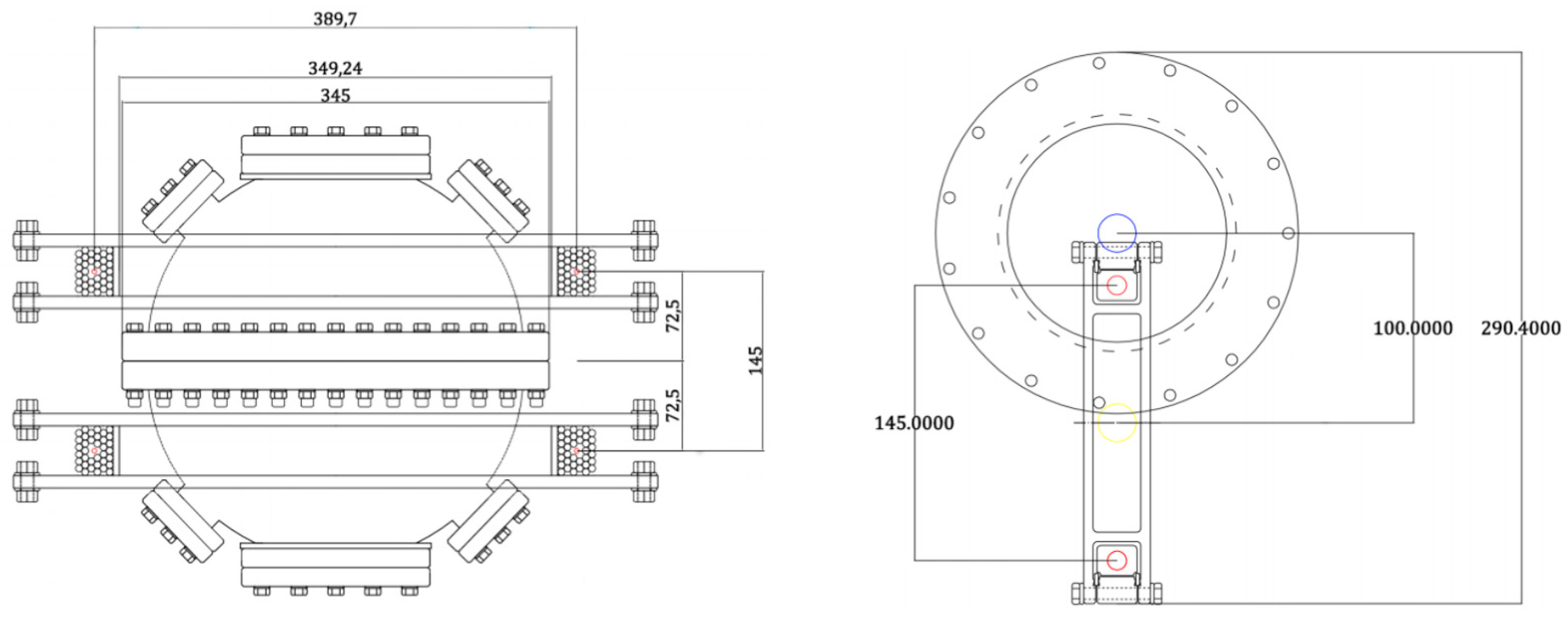
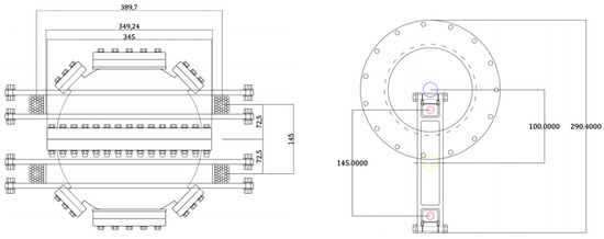
Figure 2. Dimensions of the reaction chamber and the coils: the left the vacuum chamber and exterior coils; the right the inner coils, shown in a 90° setting for visualization purposes.
Figure 2. Dimensions of the reaction chamber and the coils: the left the vacuum chamber and exterior coils; the right the inner coils, shown in a 90° setting for visualization purposes.
Symmetry 12 00011 g002
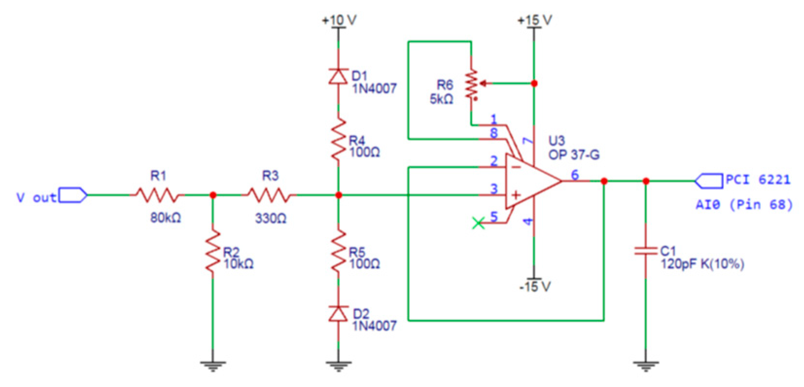
Figure 3. Output voltage signal conditioning circuit.
Figure 3. Output voltage signal conditioning circuit.
Symmetry 12 00011 g003
Figure 4. Input voltage signal conditioning circuit.
Figure 4. Input voltage signal conditioning circuit.
Symmetry 12 00011 g004
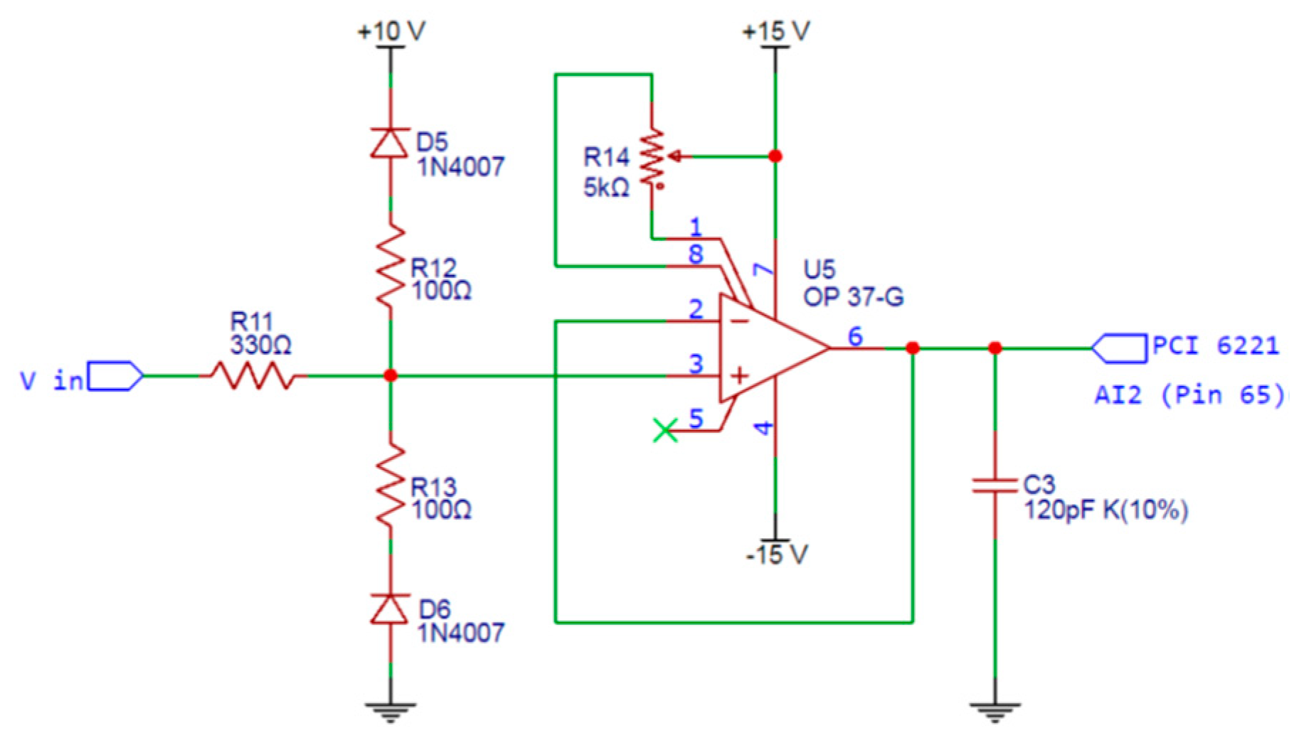
Figure 5. Current signal conditioning circuit.
Figure 5. Current signal conditioning circuit.
Symmetry 12 00011 g005
Figure 6. Parametric electrical equivalent circuit for the coil system of the EHU stellarator.
Figure 6. Parametric electrical equivalent circuit for the coil system of the EHU stellarator.
Symmetry 12 00011 g006
Figure 7. Comparison of the analytical model, black box model, and the grey box model responses in real time: comparison for voltage (top) and current (bottom).
Figure 7. Comparison of the analytical model, black box model, and the grey box model responses in real time: comparison for voltage (top) and current (bottom).
Symmetry 12 00011 g007
Figure 8. Comparison between the real system and the theoretical model output signals: comparison with the black box model (left) and grey box model (right).
Figure 8. Comparison between the real system and the theoretical model output signals: comparison with the black box model (left) and grey box model (right).
Symmetry 12 00011 g008
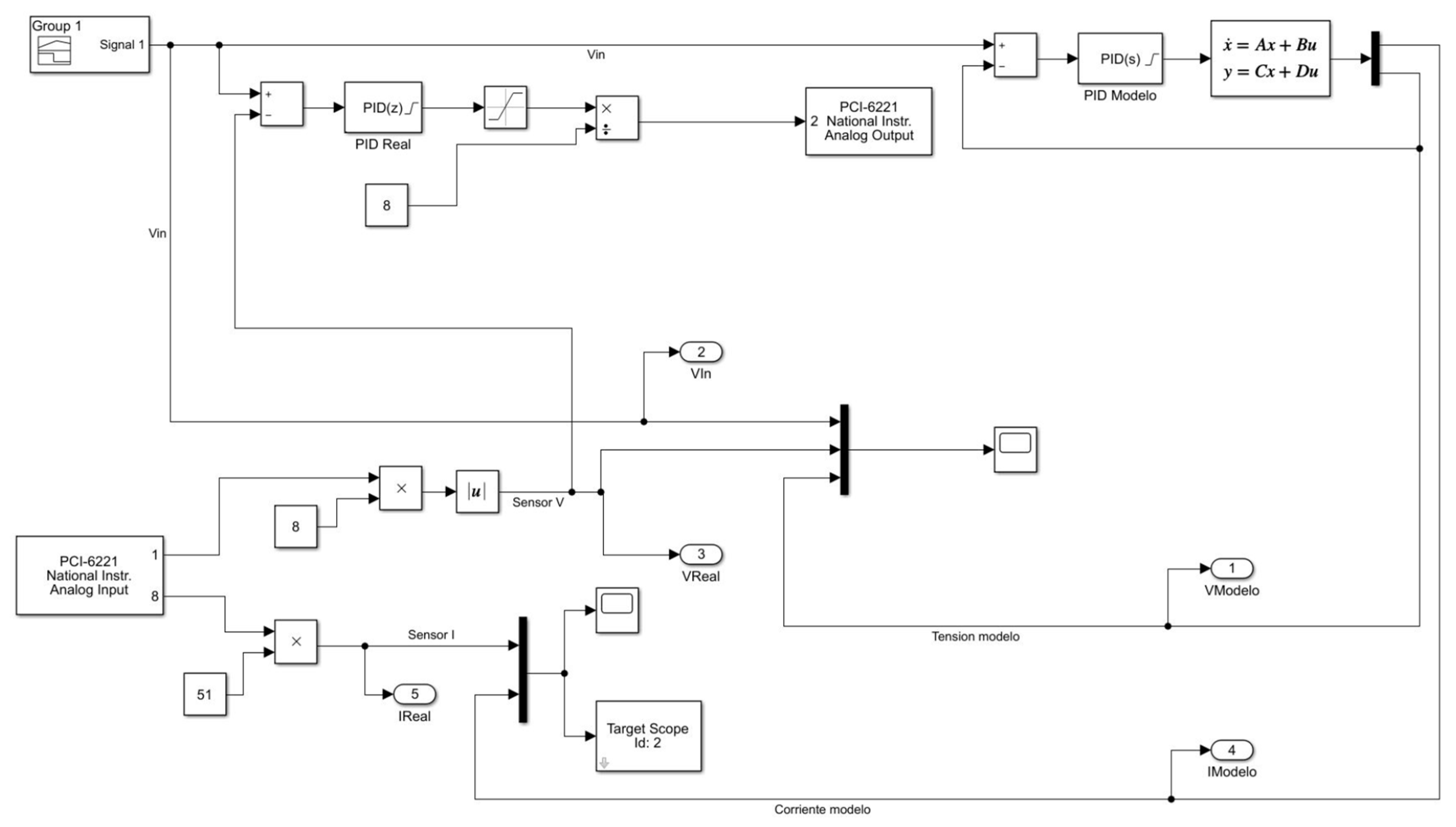
Figure 9. PID (Proportional Integral Derivative) closed-loop block diagram.
Figure 9. PID (Proportional Integral Derivative) closed-loop block diagram.
Symmetry 12 00011 g009
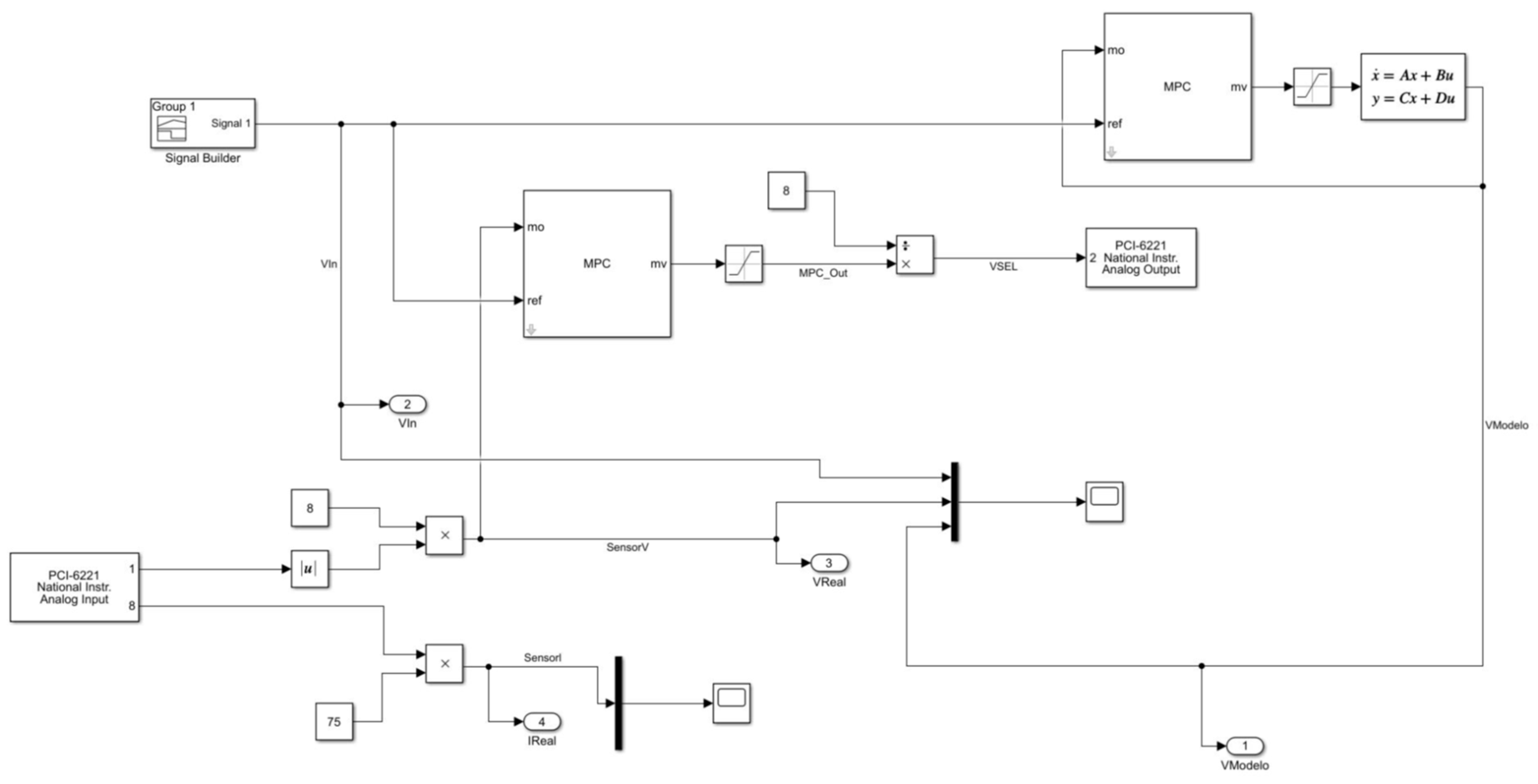
Figure 10. Model predictive control (MPC) block diagram.
Figure 10. Model predictive control (MPC) block diagram.
Symmetry 12 00011 g010
Figure 11. Comparison of the PID controlled voltage output of the real system and the grey box model.
Figure 11. Comparison of the PID controlled voltage output of the real system and the grey box model.
Symmetry 12 00011 g011
Figure 12. Comparison of the MPC controlled voltage output of the real system and the grey box model.
Figure 12. Comparison of the MPC controlled voltage output of the real system and the grey box model.
Symmetry 12 00011 g012
Figure 13. Comparison of the MPC- and PID-controlled grey box model simulations.
Figure 13. Comparison of the MPC- and PID-controlled grey box model simulations.
Symmetry 12 00011 g013
Table 1. Parameters of the electrical equivalent circuit of the EHU stellarator.
Table 1. Parameters of the electrical equivalent circuit of the EHU stellarator.
ParameterPhysical MeaningSI unit
VINInput DC voltageVolt (V)
VOUTMeasured DC voltageVolt (V)
R1Resistance of first outer and inner coil, plus second inner coilOhm (Ω)
R2Resistance of second outer coilOhm (Ω)
Le1Inductance of the first outer coilHenry (H)
Le2Inductance of the second outer coilHenry (H)
Li1Inductance of the first inner coilHenry (H)
Li2Inductance of the second inner coilHenry (H)
MMutual inductance (between inner coils)Henry (H)
Table 2. Parameter value identification for the electrical equivalent circuit.
Table 2. Parameter value identification for the electrical equivalent circuit.
Parameter R 1 R 2 L e 1 ( = L e 2 ) L i 1 + L i 2 + M
Value 426.870   m Ω 57.626   m Ω 509.990   μ H 3.268   μ H
Table 3. Tuned PID parameters.
Table 3. Tuned PID parameters.
Parameter K p K i K d
Value14.7180357.55 0.0018
Table 4. Tuned MPC parameters.
Table 4. Tuned MPC parameters.
Parameter Prediction   Horizon   N p Control   Horizon   N c Time   Step   T s
Value2513 250 µs

Share and Cite

MDPI and ACS Style

Garrido, I.; Maseda, J.; Martija, I.; Garrido, A.J. Real-Time Control for the EHU Stellarator. Symmetry 2020, 12, 11. https://doi.org/10.3390/sym12010011

AMA Style

Garrido I, Maseda J, Martija I, Garrido AJ. Real-Time Control for the EHU Stellarator. Symmetry. 2020; 12(1):11. https://doi.org/10.3390/sym12010011

Chicago/Turabian Style

Garrido, Izaskun, Javier Maseda, Itziar Martija, and Aitor J. Garrido. 2020. "Real-Time Control for the EHU Stellarator" Symmetry 12, no. 1: 11. https://doi.org/10.3390/sym12010011

APA Style

Garrido, I., Maseda, J., Martija, I., & Garrido, A. J. (2020). Real-Time Control for the EHU Stellarator. Symmetry, 12(1), 11. https://doi.org/10.3390/sym12010011

Note that from the first issue of 2016, this journal uses article numbers instead of page numbers. See further details here.

Article Metrics

Back to TopTop