Adaptive Backstepping Sliding Mode Control for the Vertical Launching Barrel-Cover of the Underwater Missile
Abstract
1. Introduction
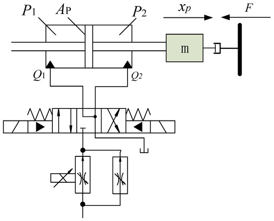
2. Nonlinear Modeling of the Vertical Launching Barrel-cover System
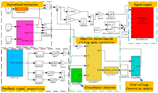
3. Controller Design
3.1. Design of Disturbance Observer
3.2. Adaptive Backstepping Controller Design
4. Simulation Verification
4.1. Simulation Verification of Conventional Sliding Mode Controller
4.2. Simulation Verification of Adaptive Backstepping Sliding Mode Controller
5. Experimental Verification
5.1. Experimental Set-Up
5.2. Experimental Result and Analysis
5.3. Quantitative Analysis
5.4. Experimental Verification of Controller in Different Water Depth Environment
6. Conclusions
Author Contributions
Funding
Conflicts of Interest
References
- Zhang, L.; Wei, C.Z.; Jing, L.; Cui, N.G. Fixed-time sliding mode attitude tracking control for a submarine-launched missile with multiple disturbances. Nonlinear Dyn. 2018, 93, 2543–2563. [Google Scholar] [CrossRef]
- Wang, Y.W.; Huang, C.G.; Fang, X.; Wu, X.C.; Du, T.Z. On the internal collapse phenomenon at the closure of cavitation bubbles in a deceleration process of underwater vertical launching. Appl. Ocean Res. 2016, 56, 157–165. [Google Scholar] [CrossRef]
- Lippert, J.R. Battery power supply for the Navy Electromagnetic Torpedo Launcher. IEEE Trans. Magn. 1993, 29, 1009–1012. [Google Scholar] [CrossRef]
- Zhang, J.T.; Cheng, D.F.; Liu, Y.F.; Zhu, G.L. Adaptive Fuzzy Sliding Mode Control for Missile Electro-hydraulic Servo Mechanism. In Proceedings of the 7th World Congress on Intelligent Control & Automation, Chongqing, China, 25–27 June 2008; pp. 5197–5202. [Google Scholar]
- Li, X.; Zhu, Z.C.; Rui, G.C.; Cheng, D.; Shen, G.; Tang, Y. Force Loading Tracking Control of an Electro-Hydraulic Actuator Based on a Nonlinear Adaptive Fuzzy Backstepping Control Scheme. Symmetry 2018, 10, 155. [Google Scholar] [CrossRef]
- Jin, M.R.; Wang, Q.F. Energy-saving control for electro-hydraulic systems under time-varying negative loads. Proc. Inst. Mech. Eng. Part I J. Syst. Control Eng. 2018, 232, 608–621. [Google Scholar] [CrossRef]
- Kim, W.; Won, D.; Shin, D.; Chung, C.C. Output feedback nonlinear control for electro-hydraulic systems. Mechatronics 2012, 22, 766–777. [Google Scholar] [CrossRef]
- Han, S.S.; Jiao, Z.X.; Wang, C.W.; Shang, Y.X. Fuzzy robust nonlinear control approach for electro-hydraulic flight motion simulator. Chin. J Aeronaut. 2015, 28, 294–304. [Google Scholar]
- Guo, Q.; Yin, J.M.; Yu, T.; Jiang, D. Coupled-disturbance-observer-based position tracking control for a cascade electro-hydraulic system. ISA Trans. 2017, 68, 367–380. [Google Scholar] [CrossRef]
- Sun, M.F.; Li, J.X.; Fang, Y.M. Adaptive cross-coupled sliding mode control for synchronization of dual-cylinder electro-hydraulic servo systems. In Proceedings of the Chinese Control Conference (CCC), Hangzhou, China, 28–30 July 2015; pp. 3361–3366. [Google Scholar]
- Petritoli, E.; Leccese, F. A high accuracy attitude system for a tailless underwater glider. IMEKO TC19 Workshop Metrosea 2017, 10, 7–12. [Google Scholar]
- Chiang, M.H. The velocity control of an electro-hydraulic displacement-controlled system using adaptive fuzzy controller with self-tuning fuzzy sliding mode compensation. Asian J. Control 2011, 13, 492–504. [Google Scholar] [CrossRef]
- Guo, Q.; Sun, P.; Yin, J.M.; Yu, T.; Jiang, D. Parametric adaptive estimation and backstepping control of electro-hydraulic actuator with decayed memory filter. ISA Trans. 2016, 62, 202–214. [Google Scholar] [CrossRef]
- Ayinde, B.O.; El Ferik, S.; Ibrir, S.; Feki, M.; Siddiqui, B.A. Backstepping control of an electro-hydraulic servo system subject to disturbance and parameter uncertainty. In Proceedings of the GCC Conference & Exhibition, Muscat, Oman, 1–4 February 2015. [Google Scholar]
- Ahn, K.K.; Nam, D.N.C.; Jin, M. Adaptive backstepping control of an electrohydraulic actuator. IEEE-ASME Trans. Mechatron. 2013, 19, 987–995. [Google Scholar] [CrossRef]
- Yao, J.Y.; Deng, W.X.; Jiao, Z.X. Adaptive control of hydraulic actuators with lugre friction compensation. IEEE Trans. Ind. Electron. 2015, 62, 6469–6477. [Google Scholar] [CrossRef]
- Guo, K.; Wei, J.H.; Fang, J.H.; Feng, R.L.; Wang, X.C. Position tracking control of electro-hydraulic single-rod actuator based on an extended disturbance observer. Mechatronics 2015, 27, 47–56. [Google Scholar] [CrossRef]
- Yang, G.C.; Yao, J.Y.; Le, G.G.; Ma, D.W. Adaptive integral robust control of hydraulic systems with asymptotic tracking. Mechatronics 2016, 40, 78–86. [Google Scholar] [CrossRef]
- Zerfsli, E. Adaptive Extended Kalman Filter for Speed-Sensorless Control of Induction Motors. IEEE Trans. Energy Convers. 2019, 34, 789–800. [Google Scholar]
- Navvabi, H.; Markazi, A.H.D. Hybrid position/force control of Stewart Manipulator using Extended Adaptive Fuzzy Sliding Mode Controller. ISA Trans. 2019, 88, 280–295. [Google Scholar] [CrossRef]
- Wang, J.Q.; Zou, Z.J.; Wang, T. High-gain extended state observer based adaptive sliding mode path following control for an underactuated vessel sailing in restricted waters. Appl. Sci. 2019, 9, 1102. [Google Scholar] [CrossRef]
- Gao, H.; Ma, G.F.; Lv, Y.Y.; Guo, Y.N. Forecasting-based data-driven model-free adaptive sliding mode attitude control of combined spacecraft. Aerosp. Sci. Technol. 2019, 86, 364–374. [Google Scholar] [CrossRef]
- Hu, X.X.; Wu, L.G.; Hu, C.H.; Gao, H.J. Adaptive fuzzy integral sliding mode control for flexible air-breathing hypersonic vehicles subject to input nonlinearity. J. Aerosp. Eng. 2013, 26, 721–734. [Google Scholar] [CrossRef]
- Min, W.; Liu, Q.Y. An improved adaptive fuzzy backstepping control for nonlinear mechanical systems with mismatched uncertainties. Automatika 2019, 60, 1–10. [Google Scholar] [CrossRef]
- Wang, C.W.; Jiao, Z.X.; Wu, S.; Shang, Y.X. Nonlinear adaptive torque control of electro-hydraulic load system with external active motion disturbance. Mechatronics 2014, 24, 32–40. [Google Scholar] [CrossRef]
- Weiland, C.J.; Vlachos, P.P.; Yagla, J.J. Concept analysis and laboratory observations on a water piercing missile launcher. Ocean Eng. 2010, 37, 959–965. [Google Scholar] [CrossRef]
- Guo, K.; Wei, J.H.; Tian, Q.Y. Disturbance observer based position tracking of electro-hydraulic actuator. J. Cent. South Univ. 2015, 22, 2158–2165. [Google Scholar] [CrossRef]
- Shen, G.; Zhu, Z.C.; Zhao, J.S.; Zhu, W.D.; Tang, Y.; Li, X. Real-time tracking control of electro-hydraulic force servo systems using offline feedback control and adaptive control. ISA Trans. 2016, 67, 356. [Google Scholar] [CrossRef]
- Guan, C.; Pan, S.X. Adaptive sliding mode control of electro-hydraulic system with nonlinear unknown parameters. Control Eng. Pract. 2008, 16, 1275–1284. [Google Scholar] [CrossRef]
- Yao, B.; Bu, F.; Chiu, G.T.C. Non-linear adaptive robust control of electro-hydraulic systems driven by double-rod actuators. Int. J. Control 2001, 74, 761–775. [Google Scholar] [CrossRef]
- Zhu, Z.C.; Li, X.; Shen, G.; Zhu, W.D. Wire rope tension control of hoisting systems using a robust nonlinear adaptive backstepping control scheme. ISA Trans. 2018, 72, 256–272. [Google Scholar] [CrossRef]
- Xu, Y.; Lu, Z.F.; Shan, X.; Jia, W.H.; Wei, B.; Wang, Y.Q. Study on an Automatic Parking Method Based on the Sliding Mode Variable Structure and Fuzzy Logical Control. Symmetry 2018, 10, 523. [Google Scholar] [CrossRef]
- Has, Z.; Rahmat, M.F.; Husain, A.R.; Ahmad, M.N. Robust precision control for a class of electro-hydraulic actuator system based on disturbance observer. Int. J. Precis. Eng. Manuf. 2015, 16, 1753–1760. [Google Scholar] [CrossRef]
- Wu, G.; Meng, X. Nonlinear disturbance observer based robust backstepping control for a flexible air-breathing hypersonic vehicle. Aerosp. Sci. Technol. 2016, 54, 174–182. [Google Scholar] [CrossRef]
- Kayacan, E. Sliding mode control for systems with mismatched time-varying uncertainties via a self-learning disturbance observer. Trans. Inst. Meas. Control 2019, 41, 2039–2052. [Google Scholar] [CrossRef]
- Chang, J.L.; Wu, T.C. Disturbance observer based output feedback controller design for systems with mismatched disturbance. Int. J. Control Autom. 2018, 16, 1775–1782. [Google Scholar] [CrossRef]
- Lee, D. Nonlinear disturbance observer-based robust control for spacecraft formation flying. Aerosp. Sci. Technol. 2018, 76, 82–90. [Google Scholar] [CrossRef]
- Ma, J.J.; Li, P.; Zheng, Z.Q. Disturbance observer based dynamic surface flight control for an uncertain aircraft. Proc. Inst. Mech. Eng. Part G J. Aerosp. Eng. 2018, 232, 729–744. [Google Scholar] [CrossRef]
- Chiang, M.H.; Lee, L.W.; Liu, H.H. Adaptive fuzzy controller with self-tuning fuzzy sliding-mode compensation for position control of an electro-hydraulic displacement-controlled system. J. Intell. Fuzzy Syst. 2014, 26, 815–830. [Google Scholar]
- Kim, H.M.; Park, S.H.; Song, J.H.; Kim, J.S. Robust Position Control of Electro-Hydraulic Actuator Systems Using the Adaptive Back-Stepping Control Scheme. Proc. Inst. Mech. Eng. Part I J. Syst. Control Eng. 2010, 224, 737–746. [Google Scholar] [CrossRef]

























| Parameter | Numerical Value |
|---|---|
| barrel-cover quality/kg | 350 |
| drive form | electro-hydraulic servo |
| control method | position control |
| pressure/MPa | 20 |
| Opening angle/° | 94.8~95.2 |
© 2019 by the authors. Licensee MDPI, Basel, Switzerland. This article is an open access article distributed under the terms and conditions of the Creative Commons Attribution (CC BY) license (http://creativecommons.org/licenses/by/4.0/).
Share and Cite
Yin, S.; Shen, G. Adaptive Backstepping Sliding Mode Control for the Vertical Launching Barrel-Cover of the Underwater Missile. Symmetry 2019, 11, 878. https://doi.org/10.3390/sym11070878
Yin S, Shen G. Adaptive Backstepping Sliding Mode Control for the Vertical Launching Barrel-Cover of the Underwater Missile. Symmetry. 2019; 11(7):878. https://doi.org/10.3390/sym11070878
Chicago/Turabian StyleYin, ShiCai, and Gang Shen. 2019. "Adaptive Backstepping Sliding Mode Control for the Vertical Launching Barrel-Cover of the Underwater Missile" Symmetry 11, no. 7: 878. https://doi.org/10.3390/sym11070878
APA StyleYin, S., & Shen, G. (2019). Adaptive Backstepping Sliding Mode Control for the Vertical Launching Barrel-Cover of the Underwater Missile. Symmetry, 11(7), 878. https://doi.org/10.3390/sym11070878
