Removal Characteristics of Gas-Phase D-Limonene in Biotrickling Filter and Stoichiometric Analysis of Biological Reaction Using Carbon Mass Balance
Abstract
1. Introduction
2. Materials and Methods
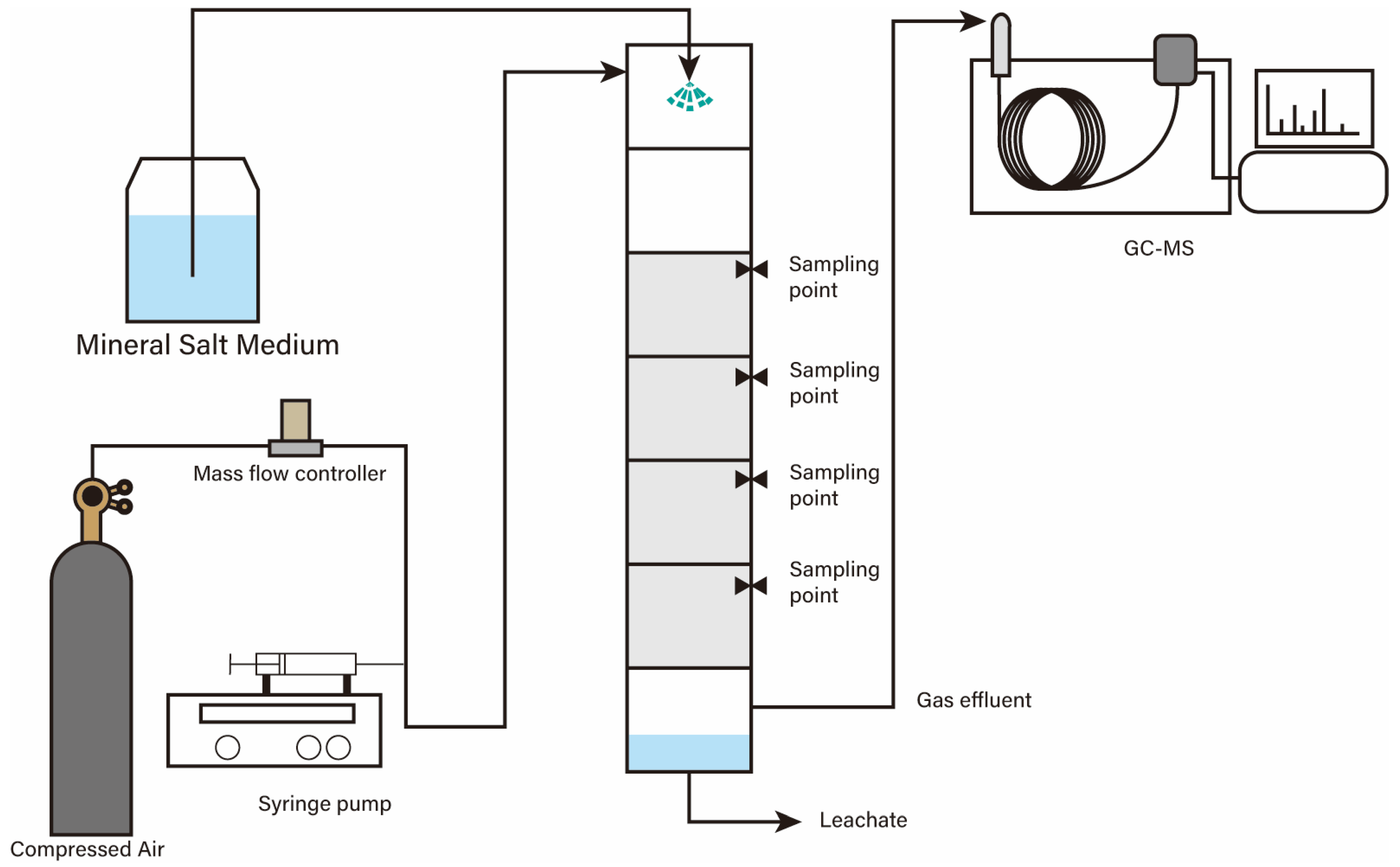
2.1. Biofilter Setup
2.2. Microbials Inoculation and Nutrient Medium
2.3. Analysis Methods
2.3.1. Biotrickling Filter Performance
2.3.2. Microbial Kinetic
2.3.3. Mass Balance Analysis
3. Results and Discussion
3.1. Biotrickling Filter Performance
3.2. Kinetic Analysis
3.3. CO2 Generation and Biomass Yield
4. Conclusions
- (1)
- The biotrickling filter with concurrent gas–liquid downflow demonstrated the efficient removal of d-limonene, with a critical loading rate of 19.4 g m−3 h−1 and a maximum elimination capacity of 31.8 g m−3 h−1. Loading rates above this threshold resulted in a substantial deterioration of the biotrickling filter performance, possibly due to bed compression caused by biomass overgrowth.
- (2)
- Microbial activity plays a significant role in biotrickling filter performance, with biochemical reactions and substrate degradation being key factors. Michaelis–Menten and Haldane kinetic models have been studied to understand microbial kinetics and substrate degradation, providing insights into the biological response of the biotrickling filter to varying substrate concentrations. The Michalis–Menten model was employed to represent the enzyme-catalyzed reactions in this biotrickling filter, given that no inhibition was observed during the biotrickling filter operation.
- (3)
- The study observed a strong linear correlation between CO2 production and substrate consumption, with the observed biomass yield coefficients being 0.437 mole biomass/mole carbon as the substrate. The stoichiometric equation for the biological reaction provided a comprehensive understanding of the substrate-dependent biological response in the biotrickling filter.
Author Contributions
Funding
Data Availability Statement
Conflicts of Interest
References
- Wu, X.; Lin, Y.; Wang, Y.; Wu, S.; Yang, C. Volatile organic compound removal via biofiltration: Influences, challenges, and strategies. Chem. Eng. J. 2023, 471, 144420. [Google Scholar] [CrossRef]
- Wang, Y.C.; Lv, Y.H.; Wang, C.; Jiang, G.Y.; Han, M.F.; Deng, J.G.; Hsi, H.C. Microbial community evolution and functional trade-offs of biofilm in odor treatment biofilters. Water Res. 2023, 235, 119917. [Google Scholar] [CrossRef] [PubMed]
- Wu, X.; Lin, Y.; Wang, Y.; Wu, S.; Li, X.; Yang, C. Enhanced Removal of Hydrophobic Short-Chain n-Alkanes from Gas Streams in Biotrickling Filters in Presence of Surfactant. Environ. Sci. Technol. 2022, 56, 10349–10360. [Google Scholar] [CrossRef] [PubMed]
- Ferdowsi, M.; Khabiri, B.; Buelna, G.; Jones, J.P.; Heitz, M. Air biofilters for a mixture of organic gaseous pollutants: An approach for industrial applications. Crit. Rev. Biotechnol. 2023, 43, 1019–1034. [Google Scholar] [CrossRef] [PubMed]
- Deng, Y.; Yang, G.; Lens, P.N.L.; He, Y.; Qie, L.; Shen, X.; Chen, J.; Cheng, Z.; Chen, D. Enhanced removal of mixed VOCs with different hydrophobicities by Tween 20 in a biotrickling filter: Kinetic analysis and biofilm characteristics. J. Hazard. Mater. 2023, 450, 131063. [Google Scholar] [CrossRef] [PubMed]
- Estrada, J.M.; Kraakman, N.B.; Muñoz, R.; Lebrero, R. A comparative analysis of odour treatment technologies in wastewater treatment plants. Environ. Sci. Technol. 2011, 45, 1100–1106. [Google Scholar] [CrossRef] [PubMed]
- Nielsen, E.; Ladefoged, O.; Søborg, I. Evaluation of Health Hazards by Exposure to d-Limonene and Proposal of a Health-Based Quality Criterion for Ambient Air; The Danish Environmental Protection Agency, Environmental Project: Copenhagen, Denmark, 2013; pp. 1–36. [Google Scholar]
- Padrayuttawat, A.; Yoshizawa, T.; Tamura, H.; Tokunaga, T. Optical isomers and odor thresholds of volatile constituents in Citrus sudachi. Food Sci. Technol. Int. Tokyo 1997, 3, 402–408. [Google Scholar] [CrossRef]
- Program, N.T. NTP toxicology and carcinogenesis studies of d-limonene (CAS No. 5989-27-5) in F344/N rats and B6C3F1 mice (gavage studies). Natl. Toxicol. Program Tech. Rep. Ser. 1990, 347, 1–165. [Google Scholar]
- Nie, E.; Zheng, G.; Gao, D.; Chen, T.; Yang, J.; Wang, Y.; Wang, X. Emission characteristics of VOCs and potential ozone formation from a full-scale sewage sludge composting plant. Sci. Total Environ. 2019, 659, 664–672. [Google Scholar] [CrossRef]
- Yuan, Y.; Sun, Z.; Kännaste, A.; Guo, M.; Zhou, G.; Niinemets, Ü. Isoprenoid and aromatic compound emissions in relation to leaf structure, plant growth form and species ecology in 45 East-Asian urban subtropical woody species. Urban For. Urban Green. 2020, 53, 126705. [Google Scholar] [CrossRef]
- Takuwa, Y.; Matsumoto, T.; Oshita, K.; Takaoka, M.; Morisawa, S.; Takeda, N. Characterization of trace constituents in landfill gas and a comparison of sites in Asia. J. Mater. Cycles Waste Manag. 2009, 11, 305–311. [Google Scholar] [CrossRef]
- Hosoglu, F.; Fitch, M.W. Abatement of synthetic landfill gas including limonene by biotrickling filter and membrane biofiltration. J. Environ. Sci. Health Part A 2012, 47, 1065–1072. [Google Scholar] [CrossRef] [PubMed]
- Godayol, A.; Marce, R.M.; Borrull, F.; Anticó, E.; Sanchez, J.M. Development of a method for the monitoring of odor-causing compounds in atmospheres surrounding wastewater treatment plants. J. Sep. Sci. 2013, 36, 1621–1628. [Google Scholar] [CrossRef] [PubMed]
- Zarra, T.; Reiser, M.; Naddeo, V.; Belgiorno, V.; Kranert, M. Odour emissions characterization from wastewater treatment plants by different measurement methods. Chem. Eng. Trans. 2014, 40, 37–42. [Google Scholar]
- Huang, H.-L.; Tsai, T.-J.; Hsu, N.-Y.; Lee, C.-C.; Wu, P.-C.; Su, H.-J. Effects of essential oils on the formation of formaldehyde and secondary organic aerosols in an aromatherapy environment. Build. Environ. 2012, 57, 120–125. [Google Scholar] [CrossRef]
- Wu, X.; Lin, Y.; Wang, Y.; Dai, M.; Wu, S.; Li, X.; Yang, C. Chemical structure of hydrocarbons significantly affects removal performance and microbial responses in gas biotrickling filters. Bioresour. Technol. 2024, 398, 130480. [Google Scholar] [CrossRef] [PubMed]
- López, M.E.; Rene, E.R.; Malhautier, L.; Rocher, J.; Bayle, S.; Veiga, M.C.; Kennes, C. One-stage biotrickling filter for the removal of a mixture of volatile pollutants from air: Performance and microbial community analysis. Bioresour. Technol. 2013, 138, 245–252. [Google Scholar] [CrossRef]
- Danila, V.; Zagorskis, A.; Januševičius, T. Effects of water content and irrigation of packing materials on the performance of biofilters and biotrickling filters: A review. Processes 2022, 10, 1304. [Google Scholar] [CrossRef]
- Yu, G.; Wang, G.; Wang, S.; Yang, C.; Chen, H.; Zhu, Y.; Yu, L.e.; Li, J.; Kazemian, H. Performance promotion and its mechanism for n-hexane removal in a lab-scale biotrickling filter with reticular polyurethane sponge under intermittent spraying mode. Process Saf. Environ. Prot. 2021, 152, 654–662. [Google Scholar] [CrossRef]
- Montes, M.; Veiga, M.C.; Kennes, C. Two-liquid-phase mesophilic and thermophilic biotrickling filters for the biodegradation of α-pinene. Bioresour. Technol. 2010, 101, 9493–9499. [Google Scholar] [CrossRef]
- Rybarczyk, P. Removal of volatile organic compounds (VOCs) from air: Focus on biotrickling filtration and process modeling. Processes 2022, 10, 2531. [Google Scholar] [CrossRef]
- Rybarczyk, P.; Szulczyński, B.; Gospodarek, M.; Gębicki, J. Effects of n-butanol presence, inlet loading, empty bed residence time and starvation periods on the performance of a biotrickling filter removing cyclohexane vapors from air. Chem. Pap. 2020, 74, 1039–1047. [Google Scholar] [CrossRef]
- Wu, X.; Lin, Y.; Wang, Y.; Yang, C. Interactive effects of dual short-chain n-alkanes on removal performances and microbial responses of biotrickling filters. Chem. Eng. J. 2023, 461, 141747. [Google Scholar] [CrossRef]
- López de León, L.R.; Deaton, K.E.; Deshusses, M.A. Miniaturized biotrickling filters and capillary microbioreactors for process intensification of VOC treatment with intended application to indoor air. Environ. Sci. Technol. 2018, 53, 1518–1526. [Google Scholar] [CrossRef] [PubMed]
- Cheng, Y.; He, H.; Yang, C.; Zeng, G.; Li, X.; Chen, H.; Yu, G. Challenges and solutions for biofiltration of hydrophobic volatile organic compounds. Biotechnol. Adv. 2016, 34, 1091–1102. [Google Scholar] [CrossRef]
- Chheda, D.; Sorial, G.A. Evaluation of co-metabolic removal of trichloroethylene in a biotrickling filter under acidic conditions. J. Environ. Sci. 2017, 57, 54–61. [Google Scholar] [CrossRef] [PubMed]
- Estrada, J.M.; Lebrero, R.; Quijano, G.; Pérez, R.; Figueroa-González, I.; García-Encina, P.A.; Muñoz, R. Methane abatement in a gas-recycling biotrickling filter: Evaluating innovative operational strategies to overcome mass transfer limitations. Chem. Eng. J. 2014, 253, 385–393. [Google Scholar] [CrossRef]
- Marycz, M.; Rodríguez, Y.; Gębicki, J.; Muñoz, R. Systematic comparison of a biotrickling filter and a conventional filter for the removal of a mixture of hydrophobic VOCs by Candida subhashii. Chemosphere 2022, 306, 135608. [Google Scholar] [CrossRef] [PubMed]
- Chen, H.; Wei, Y.; Peng, L.; Ni, J.; Guo, Y.; Ji, J.; Jiang, B.; Yu, G. Long-term MIBK removal in a tubular biofilter: Effects of organic loading rates and gas empty bed residence times. Process Saf. Environ. Prot. 2018, 119, 87–95. [Google Scholar] [CrossRef]
- Van Groenestijn, J.; Liu, J. Removal of alpha-pinene from gases using biofilters containing fungi. Atmos. Environ. 2002, 36, 5501–5508. [Google Scholar] [CrossRef]
- Cabeza, I.; López, R.; Giraldez, I.; Stuetz, R.; Díaz, M. Biofiltration of α-pinene vapours using municipal solid waste (MSW)–Pruning residues (P) composts as packing materials. Chem. Eng. J. 2013, 233, 149–158. [Google Scholar] [CrossRef]
- Viswanathan, S.; Neerackal, G.; Buyuksonmez, F. Removal of beta-pinene and limonene using compost biofilter. J. Air Waste Manag. Assoc. 2013, 63, 237–245. [Google Scholar] [CrossRef] [PubMed]
- Dobslaw, D.; Woiski, C.; Winkler, F.; Engesser, K.-H.; Dobslaw, C. Prevention of clogging in a polyurethane foam packed biotrickling filter treating emissions of 2-butoxyethanol. J. Clean. Prod. 2018, 200, 609–621. [Google Scholar] [CrossRef]
- Ramirez, A.A.; Bénard, S.; Giroir-Fendler, A.; Jones, J.P.; Heitz, M. Kinetics of microbial growth and biodegradation of methanol and toluene in biofilters and an analysis of the energetic indicators. J. Biotechnol. 2008, 138, 88–95. [Google Scholar] [CrossRef] [PubMed]
- Yang, K.; Li, L.; Wang, Y.; Liu, J. Effects of substrate fluctuation on the performance, microbial community and metabolic function of a biofilter for gaseous dichloromethane treatment. Chemosphere 2020, 249, 126185. [Google Scholar] [CrossRef] [PubMed]
- Comeau, Y. Microbial metabolism. Biol. WastewaterTreat. Princ. Model. Des. Cap 2008, 2, 9–32. [Google Scholar]
- Zhu, R.; Li, S.; Bao, X.; Dumont, É. Comparison of biological H2S removal characteristics between a composite packing material with and without functional microorganisms. Sci. Rep. 2017, 7, 42241. [Google Scholar] [CrossRef] [PubMed]
- Vergara-Fernández, A.; Revah, S.; Moreno-Casas, P.; Scott, F. Biofiltration of volatile organic compounds using fungi and its conceptual and mathematical modeling. Biotechnol. Adv. 2018, 36, 1079–1093. [Google Scholar] [CrossRef]
- Bordoloi, A.; Gostomski, P.A. Fate of degraded pollutants in waste gas biofiltration: An overview of carbon end-points. Biotechnol. Adv. 2019, 37, 579–588. [Google Scholar] [CrossRef]
- Kim, D.; Sorial, G.A. Nitrogen utilization and biomass yield in trickle bed air biofilters. J. Hazard. Mater. 2010, 182, 358–362. [Google Scholar] [CrossRef]
- Williamson, K.; McCarty, P.L. A model of substrate utilization by bacterial films. J. (Water Pollut. Control Fed.) 1976, 48, 9–24. [Google Scholar] [PubMed]
- Diks, R.; Ottengraf, S.; Vrijlnad, S. The existence of a biological equilibrium in a trickling filter for waste gas purification. Biotechnol. Bioeng. 1994, 44, 1279–1287. [Google Scholar] [CrossRef] [PubMed]





| Acclimation | Phase 1 | Phase 2 | Phase 3 | Phase 4 | Phase 5 | |
|---|---|---|---|---|---|---|
| Operational periods | Day 1–14 | Day 15–33 | Day 34–66 | Day 67–94 | Day 95–136 | Day 137–174 |
| Loading (g/m3·h) | 3.1 | 3.1 | 6.0 | 12.0 | 23.8 | 35.7 |
| Concentration (ppm) | 14 | 14 | 28 | 56 | 112 | 168 |
| EBRT (s) | 94.2 | |||||
Disclaimer/Publisher’s Note: The statements, opinions and data contained in all publications are solely those of the individual author(s) and contributor(s) and not of MDPI and/or the editor(s). MDPI and/or the editor(s) disclaim responsibility for any injury to people or property resulting from any ideas, methods, instructions or products referred to in the content. |
© 2024 by the authors. Licensee MDPI, Basel, Switzerland. This article is an open access article distributed under the terms and conditions of the Creative Commons Attribution (CC BY) license (https://creativecommons.org/licenses/by/4.0/).
Share and Cite
Choi, Y.; Kim, D. Removal Characteristics of Gas-Phase D-Limonene in Biotrickling Filter and Stoichiometric Analysis of Biological Reaction Using Carbon Mass Balance. Atmosphere 2024, 15, 803. https://doi.org/10.3390/atmos15070803
Choi Y, Kim D. Removal Characteristics of Gas-Phase D-Limonene in Biotrickling Filter and Stoichiometric Analysis of Biological Reaction Using Carbon Mass Balance. Atmosphere. 2024; 15(7):803. https://doi.org/10.3390/atmos15070803
Chicago/Turabian StyleChoi, Youngyu, and Daekeun Kim. 2024. "Removal Characteristics of Gas-Phase D-Limonene in Biotrickling Filter and Stoichiometric Analysis of Biological Reaction Using Carbon Mass Balance" Atmosphere 15, no. 7: 803. https://doi.org/10.3390/atmos15070803
APA StyleChoi, Y., & Kim, D. (2024). Removal Characteristics of Gas-Phase D-Limonene in Biotrickling Filter and Stoichiometric Analysis of Biological Reaction Using Carbon Mass Balance. Atmosphere, 15(7), 803. https://doi.org/10.3390/atmos15070803

