Impacts of Egg White Assisted Combustion and Ceramic Methods on Structural, Morphological and Magnetic Properties of Nickel Manganite System
Abstract
1. Introduction
2. Experimental
2.1. Preparation of Nickel Manganite System
2.2. Characterization Techniques
3. Results and Discussion
3.1. Thermal Analysis
3.2. Phase Formation and Structural Analysis
3.3. FTIR Analysis
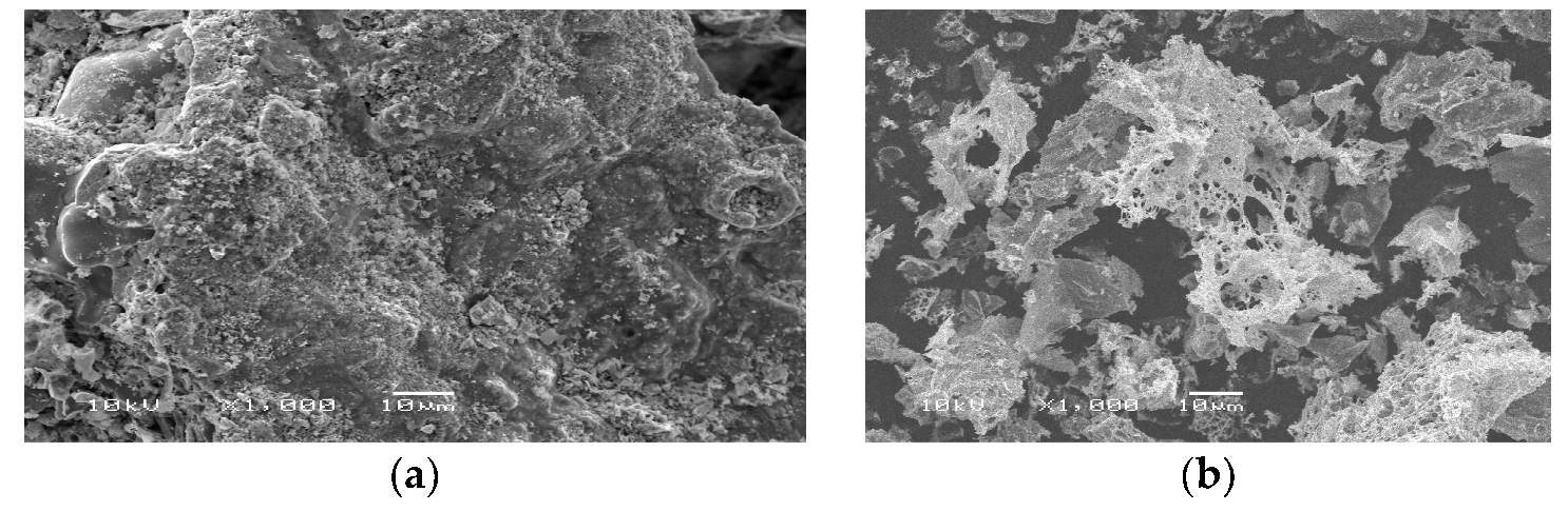
3.4. Surface Morphology and Compositional Analysis
3.5. Magnetic Studies
4. Conclusions
Author Contributions
Funding
Acknowledgments
Conflicts of Interest
References
- Rozenberg, G.; Bäck, T.; Eiben, A.E.; Kok, J.N.; Spaink, H.P. Nanotechnology: Science and Computation; Springer: Berlin/Heidelberg, Germany, 2006; pp. 31–35. [Google Scholar]
- Miller, J.C.; Serrato, G.A.; Kundahl, J.K. The Handbook of Nanotechnology; John Wiley & Sons, Inc.: Hoboken, NJ, USA, 2004; pp. 22–34. [Google Scholar]
- Bergeson, L.L.; Clough, S.R.; Mackay, C.E.; Stephen, R.C.; Hoyt, M.; Chen, J.; Henery, K.; Hamblen, J. Nanotechnology and the Environment; Taylor and Fracis Group: New York, NY, USA, 2009; pp. 50–60. [Google Scholar]
- Kalantar, K.Z.; Fry, B. Nanotechnology-Enabled Sensors; Springer Science + Business Media, LLC: Sydeny, Australia, 2008; pp. 1–12. [Google Scholar]
- Feteira, A. Negative Temperature Coefficient Resistance (NTCR) Ceramic Thermistors: An Industrial Perspective. J. Am. Ceram. Soc. 2009, 92, 967–983. [Google Scholar] [CrossRef]
- Gillot, B.; Baudour, J.L.; Bouree, K.F.; Metz, R.; Legros, R.; Rousset, A. Ionic configuration and cation distribution in cubic nickel manganite spinels NixMn3−xO4 (0.57 < x < 1) in relation with thermal histories. Solid State Ion 1992, 58, 155–161. [Google Scholar]
- Hashemi, T.; Brinkman, W. Transport and x-ray photoelectron spectroscopy properties of (Ni1−xCux)Mn2O4 and Ni(Mn2−yCuy)O4. J. Mat. Res. 1992, 7, 1278–1282. [Google Scholar] [CrossRef]
- Elbadraoui, E.; Baudour, J.L.; Leroux, C.; Fritsch, S.; Bouree, F.; Guillot, B.; Rousset, A. Cation distribution, short-range order and small polaronhopping conduction in nickel manganites, from a neutrondiffraction study. Phys. Stat. Solidi 1999, 212, 129–139. [Google Scholar] [CrossRef]
- Almeida, J.M.A.; Meneses, C.T.; Menezes, A.S.; Jardim, R.F.; Sasaki, J.M. Synthesis and characterization of NiMn2O4 nanoparticles using gelatin as organic precursor. J. Magn. Magn. Mater. 2008, 320, e304–e307. [Google Scholar] [CrossRef]
- Fang, D.; Wang, Z.; Yang, P.; Liu, W.; Chen, C.; Winnubst, A.J.A. Preparation of Ultra-Fine Nickel Manganite Powders and Ceramics by a Solid-State Coordination Reaction. J. Am. Ceram. Soc. 2006, 89, 230–235. [Google Scholar] [CrossRef]
- Iagtap, S.; Rane, S.; Gosavi, G.; Amalnekar, D. Preparation, characterization and electrical properties of spinel-type environment friendly thick film NTC thermistors. J. Eur. Ceram. Soc. 2008, 28, 2501–2507. [Google Scholar]
- Groen, W.A.; Metzmacher, C.; Zaspalisa, V.; Huppertz, P.; Schuurman, S. Aging of NTC ceramics in the system Mn–Ni–Fe–O. J. Eur. Ceram. 2001, 21, 1793–1796. [Google Scholar] [CrossRef]
- Asbrink, S.; Waskowska, A.; Drozd, M.; Talik, E. Physical properties and X-ray diffraction of a NiMn2O4 single crystal below and above the ferromagnetic transition at Tc =145K. Phys. Chem. Solids 1997, 58, 725–729. [Google Scholar] [CrossRef]
- Díez, A.; Schmidt, R.; Sagua, A.E.; Frechero, M.A.; Matesanz, E.; Leon, C.; Morán, E. Structure and physical properties of nickel manganite NiMn2O4 obtained from nickel permanganate precursor. J. Eur. Ceram. Soc. 2010, 30, 2617–2624. [Google Scholar] [CrossRef]
- Aguilar-Garib, J.A.; Sánchez-de-Jesús, F.; Bolarín-Miró, A.M.; Ham-Hernández, S. Synthesis of NiMn2O4 assisted by high-energy ball milling of NiO-MnO powders. J. Ceram. Proc. Res. 2011, 12, 721–726. [Google Scholar]
- Durán, P.; Tartaj, J.; Rubio, F.; Peña, O.; Moure, C. Preparation and sintering behaviour of spinel-type CoxNiMn2−xO4 (0.2 ≤ x ≤ 1.2) by the ethylene glycol–metal nitrate polymerized complex process. J. Eur. Ceram. Soc. 2005, 15, 3021–3025. [Google Scholar] [CrossRef]
- Schmidt, R.; Brinkman, A.W. Preparation and characterisation of NiMn2O4 films. Int. J. Inorg. Mater. 2001, 3, 1215–1217. [Google Scholar] [CrossRef]
- Mehandjiev, D.; Naydenov, A.; Ivanov, G. Catalytic oxidation of CO and C6H6 on alumina-supported Cu-Cr and Co-Cr oxide catalysts in the presence of ozone. Appl. Catal. A Gen. 2001, 206, 13–18. [Google Scholar] [CrossRef]
- Shena, Y.I.; Nakayamaa, T.; Araia, M.; Yanagisawa, O.; Izumia, M. Magnetic phase transition and physical properties of spinel-type nickel manganese oxide. J. Phys. Chem. Solids 2002, 63, 947–950. [Google Scholar] [CrossRef]
- Ashcroft, G.; Terry, I.; Gover, R. Study of the preparation conditions for NiMn2O4 grown from hydroxide precursors. J. Eur. Ceram. Soc. 2006, 26, 901–908. [Google Scholar] [CrossRef]
- Zhao, C.; Wang, B.; Yang, P.; Winnubst, L.; Chen, C. Effects of Cu and Zn co-doping on the electrical properties of Ni0.5Mn2.5O4. J. Eur. Ceram. Soc. 2008, 28, 35–40. [Google Scholar] [CrossRef]
- Jung, H.R.; Lee, S.G.; Lee, D.G.; Kim, K.M. Characterization and site distributions of cation in nickel manganite thermistors. J. Ceram. Process Res. 2016, 17, 758–762. [Google Scholar]
- Deraz, N.M.; Abdeltawab, A.A.; Selim, M.M.; El-Shafey, O.; El-Asmy, A.A.; Al-Deyab, S.S. Precipitation-deposition assisted fabrication and characterization of nano-sized zinc manganite. J. Ind. Eng. Chem. 2014, 20, 2901–2904. [Google Scholar] [CrossRef]
- Deraz, N.M.; Abd-Elkader, O.H. Preparation of nanocrystalline ZnMn2O4 system by Sol gel route. Asian J. Chem. 2014, 26, 2125–2128. [Google Scholar] [CrossRef]
- Deraz, N.M.; Abd-Elkader, O.H. Effects of Precursor on Preparation and Properties of Nano-Crystalline Hopcalite Particles. Asian J. Chem. 2014, 26, 2133–2137. [Google Scholar] [CrossRef]
- Deraz, N.M. Green synthesis, Characterization and magnetic properties of hausmannite nano particles. Acta Phys. Pol. A 2019, 136, 147–150. [Google Scholar] [CrossRef]
- Karoui, S. Inflammatory Bowel Disease: Advances in Pathogenesis and Management; InTech: Rijeka, Croatia, 2011; p. 166. [Google Scholar]
- Huang, X.H.; Huang, X.Y.; Mao, H.K.; Yin, Z.X. Applied Mechanics and Mechatronics Automation; Trans Tech Publications Ltd.: Stafa-Zurich, Switzerland, 2012; p. 223. [Google Scholar]
- Sugimoto, K.; Dinnebier, R.E.; Schlechtb, T. Structure determination of Mg3(OH)5Cl·4H2O (F5 phase) from laboratory powder diffraction data and its impact on the analysis of problematic magnesia floors. Acta Cryst. 2007, 63, 805–811. [Google Scholar] [CrossRef] [PubMed]
- Cullity, B.D. Elements of X-ray Diffraction; Addison-Wesly Publishing Co. Inc.: Singapore, 1976; Chapter 14. [Google Scholar]
- El Nadi, M.L. Modern Trends in Physics. In Proceedings of the 4th International Conference on Modern Trends in Physics Research, Cairo, Egypt, 12–16 October 2010; World Scientific Publishing Co. Pte Ltd.: Singapore, 2013; p. 111. [Google Scholar]
- Kostecki, P.T.; Calabrese, E.J.; Bonzouuntas, M. Hydrocarbon Contaminated Soils; Lewis Publishers: Boca Raton, FL, USA, 1992; Volume 2, p. 346. [Google Scholar]
- Joseph, I.; Goldstein, D.E.; Newbury, J.R.; Michael, N.W.M.; Ritchie, J.H.J.; Scott, D.C.J. Scanning Electron Microscopy and X-ray Microanalysis, 4th ed.; Springer: New York, NY, USA, 2018; pp. 39–63. [Google Scholar]
- Azimi, G.; Kim, H.; Alam, S.; Ouchi, T.; Neale, R.; Alafara, N.; BabaRare, A. Metal Technology; Springer: Cham, Switzerland, 2019; p. 43. [Google Scholar]
- Małecka, B.; Lacz, A.; Drozdz, E.; Malecki, A. Thermal decomposition of d-metal nitrates supported on alumina. J. Therm. Anal. Calorim. 2015, 119, 1053–1061. [Google Scholar] [CrossRef]
- Boultif, A.; Louer, D. Powder pattern indexing with the dichotomy method. J. Appl. Cryst. 2004, 37, 724–731. [Google Scholar] [CrossRef]
- Wang, Z.; Liu, Q.; Yu, J.; Wu, T.; Wang, G. Surface structure and catalytic behavior of silica-supported copper catalysts prepared by impregnation and sol–gel methods. Appl. Catal. A General 2003, 239, 87–94. [Google Scholar] [CrossRef]
- Wei, Z.; Qiao, H.; Yang, H.; Zhang, C.; Yan, X. Characterization of NiO nanoparticles by anodic arc plasma method. J. Alloys Compd. 2009, 479, 855–858. [Google Scholar] [CrossRef]
- Deraz, N.M. Characterization and catalytic performance of pure and Li2O-doped CuO/CeO2 catalysts. Appl. Surf. Sci. 2009, 255, 3884–3890. [Google Scholar] [CrossRef]
- Salavati-Niasari, M.; Mir, N.; Davar, F. Synthesis and characterization of NiO nanoclusters via thermal decomposition. Polyhedron 2009, 28, 1111–1114. [Google Scholar] [CrossRef]
- Waldron, R.D. Infrared Spectra of Ferrites. Phys. Rev. 1955, 99, 1725–1727. [Google Scholar] [CrossRef]
- Ouaguenouni, N.H.; Benadda, A.; Kiennemann, A.; Barama, A. Preparation and catalytic activity of nickel–manganese oxide catalysts in the reaction of partial oxidation of methane. Comptes Rendus Chim. 2009, 12, 740–747. [Google Scholar] [CrossRef]
- Kavitha, N.; Lakshmi, P.V.A. Synthesis, characterization and thermogravimetric analysis of Co(II), Ni(II), Cu(II) and Zn(II) complexes supported by ONNO tetradentate Schiff base ligand derived from hydrazino benzoxazine. J. Saudi Chem. Soc. 2017, 21, S457–S466. [Google Scholar] [CrossRef]
- Berchmansa, L.J.; Selvana, R.K.; Kumara, P.N.S.; Augustina, C.O. Structural and electrical properties of Ni1−xMgxFe2O4 synthesized by citrate gel process. J. Magn. Magn. Mater. 2004, 279, 103–110. [Google Scholar] [CrossRef]
- Deraz, N.M.; Shaban, S. Optimization of catalytic, surface and magnetic properties of nanocrystalline manganese ferrite. J. Anal. Appl. Pyrol. 2009, 86, 173–179. [Google Scholar] [CrossRef]
- Alarifi, A.; Deraz, N.M.; Shaban, S. Structural, morphological and magnetic properties of NiFe2O4 nanoparticles. J. Alloys Compd. 2009, 486, 501–506. [Google Scholar] [CrossRef]
- Rasband, W.S. ImageJ; U.S. National Institutes of Health: Bethesda, MD, USA, 1997.
- Xu, Q.; Gao, D.; Zhang, J.; Yang, Z.; Zhang, Z.; Rao, J.; Xue, D. Observation of room temperature ferromagnetism in pure La2O3 nanoparticles. Appl. Phys. A 2014, 116, 1293–1298. [Google Scholar] [CrossRef]
- Kisan, B.; Alagarsamy, P. Room temperature ferromagnetism in finite sized ZnO nanoparticles. Physica B 2014, 448, 115–119. [Google Scholar] [CrossRef]
- Verwey, E.J.W. Oxidic Semiconductors in Semi-Conducting Materials; Henisch, H.K., Ed.; Butterworths Sc Pub Ltd.: London, UK, 1951; p. 151. [Google Scholar]









| Sample | S2 | S3 | S4 | |
|---|---|---|---|---|
| Parameters | ||||
| d, (nm) | 50 | 76 | 90 | |
| a, (nm) | 0.8351 | 0.8357 | 0.8381 | |
| V, (nm3) | 0.5824 | 0.5874 | 0.5887 | |
| Dx, g/cm3 | 5.303 | 5.258 | 5.246 | |
| LA (nm) | 0.3616 | 0.3626 | 0.3629 | |
| LB (nm) | 0.2951 | 0.2960 | 0.2962 | |
| A-O (nm) | 0.1909 | 0.1915 | 0.1916 | |
| B-O (nm) | 0.2155 | 0.2161 | 0.2162 | |
| rA (nm) | 0.0598 | 0.0595 | 0.0596 | |
| rB (nm) | 0.0835 | 0.0841 | 0.0842 | |
| I222/I440 | 0.625 | 0.819 | 0.875 | |
| Functional Groups | Wavelengths, cm−1 | Intensity, % |
|---|---|---|
| OHstret. | 3438–3436 | 94.76–84.47 |
| OHbend. | 1642–1636 | 94.10–73.19 |
| Chemisorbed O2− | 1034–1022 | 94.10–72.31 |
| M-Otet. | 602–596 | 51.90–13.13 |
| M-Ooct. | 451–444 | 52.9–11.70 |
| Samples | Ms (emu/g) | Mr (emu/g) | Mr/Ms (emu/g) | Hc (Oe) | μm | Anisotropy Constant (Ka) J/m3 |
|---|---|---|---|---|---|---|
| S3 | 0.2986 | 5.57 × 10−3 | 18.66 × 10−3 | 215.16 | 0.0124 | 65.56 |
| S4 | 3.5588 | 12.57 × 10−3 | 3.53 × 10−3 | 23.04 | 0.1482 | 83.69 |
© 2020 by the authors. Licensee MDPI, Basel, Switzerland. This article is an open access article distributed under the terms and conditions of the Creative Commons Attribution (CC BY) license (http://creativecommons.org/licenses/by/4.0/).
Share and Cite
Deraz, N.; Abd-Elkader, O.H.; Yassin, M. Impacts of Egg White Assisted Combustion and Ceramic Methods on Structural, Morphological and Magnetic Properties of Nickel Manganite System. Crystals 2020, 10, 489. https://doi.org/10.3390/cryst10060489
Deraz N, Abd-Elkader OH, Yassin M. Impacts of Egg White Assisted Combustion and Ceramic Methods on Structural, Morphological and Magnetic Properties of Nickel Manganite System. Crystals. 2020; 10(6):489. https://doi.org/10.3390/cryst10060489
Chicago/Turabian StyleDeraz, Nasrallah, Omar Hamed Abd-Elkader, and Mohamed Yassin. 2020. "Impacts of Egg White Assisted Combustion and Ceramic Methods on Structural, Morphological and Magnetic Properties of Nickel Manganite System" Crystals 10, no. 6: 489. https://doi.org/10.3390/cryst10060489
APA StyleDeraz, N., Abd-Elkader, O. H., & Yassin, M. (2020). Impacts of Egg White Assisted Combustion and Ceramic Methods on Structural, Morphological and Magnetic Properties of Nickel Manganite System. Crystals, 10(6), 489. https://doi.org/10.3390/cryst10060489

