Comprehensive Studies on the Role of Small Aliphatic Alcohols in the Direct Synthesis of Hydrogen Peroxide with a Combination of Solvent Step and In Situ FTIR-ATR Experiments
Abstract
1. Introduction
2. Results and Discussion
2.1. Solvent Step Experiments in TBR
2.2. Gas-Step Experiments
2.3. Solvent Step Experiments in ATR
3. Experimental Section
3.1. Materials
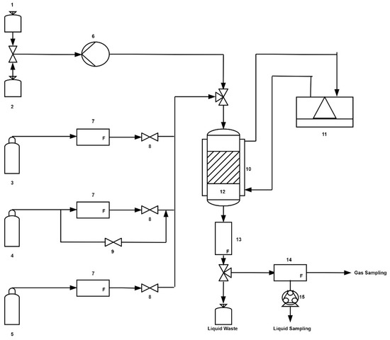
3.2. Reactor Setup for the Experiments
3.3. Solvent Step Experiments
3.4. Gas-Step Experiments
3.5. Sample Analysis
3.6. Deposition of the Catalyst on the ATR-Crystal
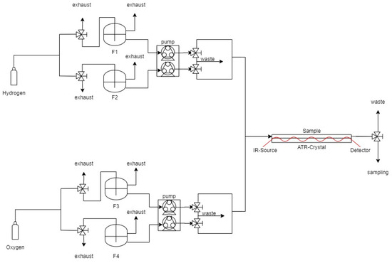
3.7. FTIR-ATR Setup
3.8. Solvent Step Experiments in ATR
4. Conclusions
Supplementary Materials
Author Contributions
Funding
Data Availability Statement
Conflicts of Interest
References
- Goor, G.; Glenneberg, J.; Jacobi, S.; Dadabhoy, J.; Candido, E. Hydrogen Peroxide. Ullmann’s Encyclopedia of Industrial Chemistry Weihnheim; Wiley: Hoboken, NJ, USA, 2019. [Google Scholar]
- Samanta, C.; Choudhary, V.R. Direct oxidation of H2 to H2O2 over Pd/Ga2O3 catalyst under ambient conditions: Influence of halide ions added to the catalyst or reaction medium. Appl. Catal. A Gen. 2007, 326, 28–36. [Google Scholar] [CrossRef]
- Wilson, N.M.; Priyadarshini, P.; Kunz, S.; Flaherty, D.W. Direct synthesis of H2O2 on PdZn nanoparticles: The impact of electronic modifications and heterogeneity of active sites. J. Catal. 2018, 357, 163–175. [Google Scholar] [CrossRef]
- Ntainjua, E.; Piccinini, M.; Pritchard, J.C.; Edwards, J.K.; Carley, A.F.; Moulijn, J.A.; Hutchings, G.J. Effect of halide and acid additives on the direct synthesis of hydrogen peroxide using supported gold-palladium catalysts. ChemSusChem 2009, 2, 575–580. [Google Scholar] [CrossRef] [PubMed]
- Li, J.; Yoshizawa, K. Mechanistic aspects in the direct synthesis of hydrogen peroxide on PdAu catalyst from first principles. Catal. Today 2015, 2481, 42–148. [Google Scholar]
- Wilson, N.M.; Flaherty, D.W. Mechanism for the Direct Synthesis of H2O2 on Pd Clusters: Heterolytic Reaction Pathways at the Liquid–Solid Interface. J. Am. Chem. Soc. 2016, 138, 574–586. [Google Scholar] [CrossRef]
- Flaherty, D.W. Direct Synthesis of H2O2 from H2 and O2 on Pd Catalysts: Current Understanding, Outstanding Questions, and Research Needs. ACS Catal. 2018, 8, 1520–1527. [Google Scholar] [CrossRef]
- Paunovic, V.; Ordomsky, V.V.; Sushkevich, V.L.; Schouten, J.C.; Nijhuis, T.A. Direct Synthesis of Hydrogen Peroxide over Au-Pd-Catalyst—The Effect of Co-Solvent Addition. ChemCatChem 2015, 7, 1161–1176. [Google Scholar] [CrossRef]
- Han, Y.; Lunsford, J.H. Direct formation of H2O2 from H2 and O2 over a Pd/SiO2 catalyst: The roles of the acid and the liquid phase. J. Catal. 2005, 230, 313–316. [Google Scholar] [CrossRef]
- Gallina, G.; García-Serna, J.; Salmi, T.O.; Canu, P.; Biasi, P. Bromide and Acids: A Comprehensive Study on Their Role on the Hydrogen Peroxide Direct Synthesis. Ind. Eng. Chem. Res. 2017, 56, 13367–13378. [Google Scholar] [CrossRef]
- Burch, R.; Ellis, P.R. An investigation of alternative catalytic approaches for the direct synthesis of hydrogen peroxide from hydrogen and oxygen. Appl. Catal. B Environ. 2003, 42, 203–211. [Google Scholar] [CrossRef]
- Liu, Q.; Lundsford, J.H. Controlling factors in the direct formation of H2O2 from H2 and O2 over a Pd/SiO2 catalyst in ethanol. Appl. Catal. A Gen. 2006, 314, 94–100. [Google Scholar] [CrossRef]
- Liu, Q.; Gath, K.K.; Bauer, J.C.; Schaak, R.E.; Lunsford, J.H. The Active Phase in the Direct Synthesis of H2O2 from H2 and O2 over Pd/SiO2 Catalyst in a H2SO4/Ethanol System. Catal. Lett. 2009, 132, 342–348. [Google Scholar] [CrossRef]
- Gemo, N.; Biasi, P.; Canu, P.; Salmi, T.O. Mass transfer and kinetics of H2O2 direct synthesis in a batch slurry reactor. Chem. Eng. J. 2012, 207–208, 539–551. [Google Scholar] [CrossRef]
- Salmi, T.O.; Gemo, N.; Biasi, P.; Serna, J.G. Product distribution analysis of the hydrogen peroxide direct synthesis in an isothermal batch reactor. Catal. Today 2015, 248, 108–114. [Google Scholar] [CrossRef]
- Biasi, P.; Menegazzo, F.; Pinna, F.; Eränen, K.; Canu, P.; Salmi, T.O. Hydrogen Peroxide Direct Synthesis: Selectivity Enhancement in a Trickle Bed Reactor. Ind. Eng. Chem. Res. 2010, 49, 10627–10632. [Google Scholar] [CrossRef]
- Biasi, P.; Canu, P.; Menegazzo, F.; Pinna, F.; Salmi, T.O. Direct synthesis of hydrogen peroxide in a trickle bed reactor: Comparison of Pd-based catalysts. Ind. Eng. Chem. Res. 2012, 51, 8883–8890. [Google Scholar] [CrossRef]
- Biasi, P.; Menegazzo, F.; Pinna, F.; Eränen, K.; Salmi, T.O.; Canu, P. Continuous H2O2 direct synthesis over PdAu catalysts. Chem. Eng. J. 2011, 176–177, 172–177. [Google Scholar] [CrossRef]
- Bennett, C.O. Experiments and processes in the transient regime for heterogeneous catalysis. Adv. Catal. 1999, 44, 329–416. [Google Scholar]
- Bennett, C.O. The Transient Method and Elementary Steps in Heterogeneous Catalysis. Catal. Rev. Sci. Eng. 1976, 13, 121–148. [Google Scholar] [CrossRef]
- Kobayashi, H.; Kobayashi, M. Transient response method in heterogeneous catalysis. Catal. Rev. Sci. Eng. 1974, 10, 139–176. [Google Scholar] [CrossRef]
- Biloen, P. Transient kinetic methods. J. Mol. Catal. 1983, 21, 17–24. [Google Scholar] [CrossRef]
- Hind, A.R.; Bhargava, S.K.; McKinnon, A. At the solid/liquid interface: FTIR/ATR—The tool of choice. Adv. Colloid Interface Sci. 2001, 93, 91–114. [Google Scholar] [CrossRef] [PubMed]
- Zhang, H.X.; Wang, S.H.; Jiang, K.; André, T.; Cai, W.B. In situ spectroscopic investigation of Co accumulation and poisoning on Pd black surfaces in concentrated HCOOH. J. Power Sources 2012, 199, 165–169. [Google Scholar] [CrossRef]
- Keresszegi, C.; Ferri, D.; Mallat, T.; Baiker, A. On the role of CO formation during the aerobic oxidation of alcohols on Pd/Al2O3: An in situ attenuated total reflection infrared study. J. Catal. 2005, 234, 64–75. [Google Scholar] [CrossRef]
- Garrigues, J.M.; Perez-Ponce, A.; Garrigues, S.; de la Guardia, M. Direct determination of ethanol and methanol in liquid samples by means of vapor phase-Fourier transform infrared spectroscopy. Vib. Spectrosc. 1997, 15, 219–228. [Google Scholar] [CrossRef]
- Feng, L.; Wei, J.; Reisler, H. Rotationally Resolved Infrared Spectroscopy of the Hydroxymethyl Radical (CH2OH). J. Phys. Chem. A 2004, 108, 7903–7908. [Google Scholar] [CrossRef]
- Adams, J.S.; Chemburkar, A.; Priyadarshini, P.; Ricciardulli, T.; Lu, Y.; Maliekkal, V.; Sampath, A.; Winikoff, S.; Karim, A.; Neurock, M.; et al. Solvent molecules form surface redox mediators in situ and cocatalyze O2 reduction on Pd. Science 2021, 371, 626–632. [Google Scholar] [CrossRef]
- Nayak, S.; Biedermann, P.U.; Stratmann, M.; Erbe, A. A mechanistic study of the electrochemical oxygen reduction on the model semiconductor n-Ge (100) by ATR-IR and DFT. Phys. Chem. Chem. Phys. 2012, 15, 5771. [Google Scholar] [CrossRef]
- Gates, J.A.; Kesmodel, L.L. Methanol adsorption and decomposition on clean and oxygen precovered palladium (111). J. Catal. 1983, 83, 437–445. [Google Scholar] [CrossRef]
- Redington, R.L.; Olson, W.B.; Cross, P.C. Studies of hydrogen peroxide: The infrared spectrum and the internal rotation problem. J. Chem. Phys. 1962, 36, 1311. [Google Scholar] [CrossRef]
- Zeglinski, J.; Piotrowski, G.P.; Piekos, R. A study of interaction between hydrogen peroxide and silica gel by FTIR spectroscopy and quantum chemistry. J. Mol. Struct. 2006, 794, 83–91. [Google Scholar] [CrossRef]
- Vacquea, V.; Sombre, B.; Huvennea, J.P.; Legrand, P.; Such, S. Characterisation of the O-O peroxide bond by vibrational spectroscopy. Spectrochim. Acta Part A 1997, 53, 55–66. [Google Scholar]
- Schauermann, S.; Hoffmann, J.; Johánek, V.; Hartmann, J.; Libuda, J. Adsorption, decomposition and oxidation of methanol on alumina supported palladium particles. Phys. Chem. Chem. Phys. 2002, 4, 3909–3918. [Google Scholar] [CrossRef]
- Wu, J.B.; Shi, R.P.; Qin, Z.F.; Huan, L.I.; Li, Z.K.; Zhu, H.Q.; Zhao, Y.X.; Wang, J.G. Selective oxidation of methanol to methyl formate over bimetallic Au-Pd nanoparticles supported on SiO2. J. Fuel Chem. Technol. 2019, 47, 780–790. [Google Scholar] [CrossRef]
- García-Serna, J.; Moreno, T.; Biasi, P.; Cocero, M.J.; Mikkola, J.-P.; Salmi, T.O. Engineering in direct synthesis of hydrogen peroxide: Targets, reactors and guidelines for operational conditions. Green Chem. 2014, 16, 2320. [Google Scholar] [CrossRef]
- Jessop, P.G.; Subramaniam, B. Gas-Expanded Liquids. Chem. Rev. 2007, 107, 2666–2694. [Google Scholar] [CrossRef] [PubMed]
- Fatunmbi, H.; Fatunmbi, B. HPLC Seperation Analyses of Peroxyacetic acid and acetic acid coexisting with hydrogen peroxide in the equilibrium mixture. SMT Sep. J. 2017, 1, 1–3. [Google Scholar]









Disclaimer/Publisher’s Note: The statements, opinions and data contained in all publications are solely those of the individual author(s) and contributor(s) and not of MDPI and/or the editor(s). MDPI and/or the editor(s) disclaim responsibility for any injury to people or property resulting from any ideas, methods, instructions or products referred to in the content. |
© 2023 by the authors. Licensee MDPI, Basel, Switzerland. This article is an open access article distributed under the terms and conditions of the Creative Commons Attribution (CC BY) license (https://creativecommons.org/licenses/by/4.0/).
Share and Cite
Reinsdorf, O.; Eränen, K.; Salmi, T. Comprehensive Studies on the Role of Small Aliphatic Alcohols in the Direct Synthesis of Hydrogen Peroxide with a Combination of Solvent Step and In Situ FTIR-ATR Experiments. Catalysts 2023, 13, 753. https://doi.org/10.3390/catal13040753
Reinsdorf O, Eränen K, Salmi T. Comprehensive Studies on the Role of Small Aliphatic Alcohols in the Direct Synthesis of Hydrogen Peroxide with a Combination of Solvent Step and In Situ FTIR-ATR Experiments. Catalysts. 2023; 13(4):753. https://doi.org/10.3390/catal13040753
Chicago/Turabian StyleReinsdorf, Ole, Kari Eränen, and Tapio Salmi. 2023. "Comprehensive Studies on the Role of Small Aliphatic Alcohols in the Direct Synthesis of Hydrogen Peroxide with a Combination of Solvent Step and In Situ FTIR-ATR Experiments" Catalysts 13, no. 4: 753. https://doi.org/10.3390/catal13040753
APA StyleReinsdorf, O., Eränen, K., & Salmi, T. (2023). Comprehensive Studies on the Role of Small Aliphatic Alcohols in the Direct Synthesis of Hydrogen Peroxide with a Combination of Solvent Step and In Situ FTIR-ATR Experiments. Catalysts, 13(4), 753. https://doi.org/10.3390/catal13040753

