You are currently viewing a new version of our website. To view the old version click .
Micromachines
  • Review
  • Open Access

30 June 2023

Power Amplifier Design for Ultrasound Applications

Department of Electronic Engineering, Gachon University, 1342 Seongnam-daero, Sujeong-gu, Seongnam 13120, Republic of Korea
This article belongs to the Special Issue Piezoelectric Ultrasound Transducer for Biomedical Applications

Abstract

A design analysis of the power amplifiers developed for ultrasound applications was conducted because ultrasound applications require different types of power amplifiers, which are one of the most critical electronic components in ultrasound systems. To generate acoustic signals using transducers, which are among the most important mechanical devices in ultrasound systems, an appropriate output voltage, current, or power signal must be produced by a power amplifier. Therefore, an appropriate design analysis of the power amplifier must be conducted to obtain the optimal performance from a transducer. In addition, because of new ultrasound research trends, such as ultrasound systems with other imaging modalities and wireless ultrasound systems, the selection of an appropriate power amplifier could improve the performance of an ultrasound system with other imaging and therapy modalities. This paper describes the design parameters of a power amplifier, including the gain, bandwidth, harmonic distortion, and efficiency. Each power amplifier has specific applications and limitations. Therefore, this review will assist design engineers and ultrasound researchers who need to develop or use power amplifiers in ultrasound applications.

1. Introduction

Ultrasound has been widely used in various applications such as imaging, therapy, acoustic stimulation, cell sorting, and neuromodulation [1,2,3,4,5]. Ultrasound systems have been combined with several other modalities, such as magnetic resonance imaging (MRI), optical imaging, and positron emission tomography (PET) [6,7,8]. In addition, advanced integrated circuits have led to the development of wireless ultrasound systems by several companies, including General Electric, Siemens Healthineers, and Philips Medical [9,10,11]. Such an ultrasound system could provide physicians with prompt guidance in ambulances and emergency rooms [12,13].
An ultrasound system comprises a transmitter, a transducer, and a receiver [14]. The transmitter and receiver are electronic systems, whereas the transducer is a mechanical device [15]. The transmitter generates a high voltage or current depending on the type of transducer [16,17]. The receiver amplifies the weak echo signal received from the transducer and processes the data to construct images [18]. One of the last-stage electronic components of a transmitter is the power amplifier, which can affect the performance of the transducer [19,20]. Therefore, it is important to consider the performances of power amplifiers. Figure 1 shows the description of the power amplifier for transducer excitation. The input signal is amplified by the power amplifier, and the amplified signal is sent to trigger the transducer, which generates an acoustic wave delivered to the target. Afterward, the echo signal is generated from the transducer.
Figure 1. The power amplifier for transducer excitation.
Basic classifications can be provided for the areas of imaging and therapy in ultrasound research. Imaging is a common technique that uses a transmitter and receiver [21]. Therefore, the power amplifier in a transmitter can affect the performance of the system [22]. In a receiver, the echo signal data received by a transducer are converted into imaging data [23]. For imaging, it is preferable for power amplifiers to have a high gain and wide bandwidth [24]. The power amplifier bandwidth must be at least twice that of the transducer for harmonic imaging [24].
Both high- and low-power therapies are utilized [25]. High-power therapy utilizes high-intensity focused ultrasound (HIFU). The output power from the power amplifier is used to trigger the low-frequency transducer used for HIFU applications, and HIFU is commonly used in conjunction with an MRI machine to monitor sudden temperature variations [26]. For low-power (<1 W/cm2) therapy, power amplifiers have also been utilized to trigger the transducer; therefore, only acoustic power or combinational methods using acoustic waves with microbubbles have been used [27,28]. Neuromodulation research can be categorized as low-power therapy. Neuromodulation with acoustic stimulation has recently gained attention because of its ability to deliver drugs to the brain [29]. In neuromodulation research, the power amplifier is the last-stage electronic component before the transducer. The power amplifier needs to have high linearity because researchers do not know the amount of voltage or power that is needed to generate the proper outcome for the desired target [30]. In cell sorting, a transmitter has been used, and optical microscopy has been used to monitor the effect on cells [31]. A power amplifier is used to trigger the transducer to produce variable acoustic power [32,33]. The acoustic power generated is carefully controlled during cell sorting. In a previous study, the amount of output voltage generated from the power amplifier needed to be checked because there were some threshold voltages when producing a sorting effect on the cells [34].
Based on its output, a power amplifier can be classified as a voltage- or current-type amplifier, depending on the transducer device [35]. A voltage amplifier is used to generate a voltage output for a transducer that is fabricated using a piezoelectric material [36]. A current amplifier is used to generate a current output for a transducer that is fabricated using a capacitive material. This is known as a capacitive micromachined ultrasonic transducer (CMUT) [37,38]. Such a power amplifier is called a transimpedance amplifier because the input is a voltage, and the output is a current [39].
At the circuit design level, the power amplifiers used for ultrasound applications are classified into linear and nonlinear types based on the conduction angle of the transistor, which is the main component of the power amplifier [40]. Linear power amplifiers include Class-A, -B, and -AB power amplifiers, and nonlinear power amplifiers include Class-C, -D, -E, and -F power amplifiers. For linear power amplifiers, a large transformer-based power supply is required to supply precise direct current (DC) voltages [41]. For imaging applications, Class-A, -B, and -AB power amplifiers have been utilized. Compared with linear power amplifiers, nonlinear power amplifiers might use a switching-mode power supply to reduce the system size [42]. In nonlinear power amplifiers, the conduction angle of the transistor causes different voltage and current phase conditions [43]. Therefore, the power consumption should ideally be minimized. Different design criteria must be considered for each type of power amplifier. For example, in a power amplifier using a feedback resistor, the voltage gain can be reduced to extend the bandwidth, and a nonlinear power amplifier usually has high efficiency but high signal distortion [44].
First, database search engines were used to screen the power amplifier articles related to ultrasound research. Duplicate articles were removed from the database search engines. Articles that did not describe the specific parameters of the power amplifiers were excluded. Section 2 describes the design parameters of the different classes of power amplifiers, along with how these are utilized, including the gain, bandwidth, efficiency, and harmonic distortion. Section 3 presents the previously reported power amplifier types for specific ultrasound applications such as imaging, therapy, and power piezoelectric loads. Section 4 presents a discussion and the limitations of the currently developed power amplifiers for ultrasound applications. Finally, Section 5 provides a summary of this study.

2. Design Parameters of Power Amplifiers

A transistor is one of the fundamental components of a power amplifier. Therefore, proper transistor selection is the first step in designing a power amplifier [45]. For transistor selection, the circuit designer must examine the specifications of the transistor on the datasheet for discrete components or check the specifications of the transistor in the design kits for the integrated circuit [46,47,48]. The maximum gate–source voltage and drain–source voltage of the transistor must first be checked because the maximum DC bias voltages of the transistor are limited by these voltages [49]. The maximum drain current of the transistor must be considered because the amplified output current level must be lower than the maximum drain current of the transistor [50,51]. The parasitic gate–source, gate–drain, and drain–source capacitances must be considered [52]. The maximum operating frequency of the power amplifier can be limited by the transistor parasitic capacitances [52]. The maximum power consumption must be checked to avoid transistor failure [53]. After the careful selection of the transistor, the design parameters of the power amplifier are considered. The power amplifiers used for ultrasound applications utilize metal-oxide-semiconductor field-effect transistors (MOSFETs) lateral diffusion metal-oxide-semiconductors (LDMOSs), and double-diffused metal-oxide-semiconductors (DMOSs). LDMOSs and DMOSs are types of MOSFETs that operate under high-voltage or high-power conditions [54].
The design parameters must be discussed when selecting appropriate power amplifiers because the power amplifiers must work for transducers and systems. The design parameters of power amplifiers are typically the gain, bandwidth, harmonic distortion, linearity, and efficiency [55,56]. This section guides how to utilize each parameter and the parameters that need to be considered in the power amplifier design.
The gain of the power amplifier is the extent to which the amplitude of the input signal is amplified to generate the amplitude of the output signal [56]. The bandwidth is an important parameter because the maximum bandwidth of the power amplifier should be higher than that of the transducer.
Harmonic distortion is usually discussed in relation to the harmonic imaging method (HIM), which is a software algorithm used to obtain high-resolution images [57]. The harmonic distortion components of the echo signals generated by a transducer can be minimized in the signal-processing step. Some commercial power amplifiers provide harmonic distortion parameters in the datasheet so that researchers can estimate the extent to which the signal distortion of the power amplifier can affect the signal quality of the transducer.
Efficiency is an important parameter, particularly in wireless ultrasound systems [58,59,60]. It indicates how long the battery in the system can provide DC voltages. Efficiency can be regarded as an index showing how efficiently the energy can generate the output power to trigger the transducer. The drain efficiency or power-added power efficiency (PAE) parameters are also used in power amplifiers. The drain and power efficiency values are similar if the output power is much larger than the input power [61]. The power amplifier with high efficiency normally generates high signal distortions, so it could produce relatively high harmonic distortions from the transducers, which lowers the image resolution of the ultrasound system [62]. Therefore, we need to consider efficiency and signal distortion together. For a power amplifier with high efficiency, we need to be concerned about some effects, especially when choosing the transistors, which are one of the main components of the power amplifiers. For the transistors, we need to consider the voltage, current, power, and frequency limitation, even with appropriate parasitic capacitance values. For transducer excitation, high voltage or high power generation is required. For example, the transistor with high voltage or high power typically has high parasitic capacitance values, which could affect signal distortions [56]. Therefore, the proper transistor selection for the power amplifier with high efficiency is very challenging work because the transistor must work proper power and frequency ranges during the operation, even though we want to design a power amplifier with high gain and high efficiency.
The linearity indicates the extent to which the input voltage of the power amplifier is increased [63,64]. The power amplifier contains input or output intermodulation points (IIP3 or OIP3). A higher IIP3 or OIP3 indicates that the input voltage, current, or power can be amplified to generate an output voltage, current, or power with little signal distortion up to that point (IIP3 or OIP3) [65,66]. Linearity is also related to the signal or harmonic distortion. For example, nonlinear power amplifiers usually have high efficiency but low linearity.
Figure 2 shows a symbol diagram of the design parameters to show the specific relationships because some design parameters have trade-off relationships. Basic information was obtained from the integrated circuit and power amplifier textbooks. For example, a higher gain for a power amplifier can lower the bandwidth [46]. Power amplifiers with a wide bandwidth may have low efficiency [67]. In Figure 2, the relationships between the parameters indicate that there are challenges in obtaining a high-performance power amplifier. Therefore, circuit design engineers must have the experience and intuition needed to obtain the proper performance from a power amplifier.
Figure 2. Design parameters of power amplifiers for ultrasound applications. The arrows represent inversely proportional relationships, and the dotted lines indicate other relationships.

3. Classifications of Power Amplifiers

This section describes the fundamental concept of each class of power amplifiers and the specifications and design methodologies of the previously reported power amplifiers used for ultrasound applications. The specific design methodologies for these power amplifiers provide guidelines for ultrasound research. This section focuses on a practical approach to power amplifier design, which can be used when selecting components to attain the best power amplifier performance. Although other power amplifiers have been developed, Class-A to Class-F power amplifiers are considered here because these have been widely utilized for WiFi, wireless, ultra-wideband, instrumentation, aerospace, and ultrasound applications [68,69].

3.1. Class-A Power Amplifier

A Class-A power amplifier is the most linear power amplifier with the highest DC power consumption among all the power amplifier classes because the output voltage and current are assumed to be in the same phase [70]. Therefore, the thermal heat generated by the power amplifier transistor can directly affect the battery of a wireless ultrasound system. There may be low signal distortions in the amplified output signals. In addition, a Class-A power amplifier is preferable for use with the harmonic imaging method, which requires low harmonic distortion because of its high linearity [70].
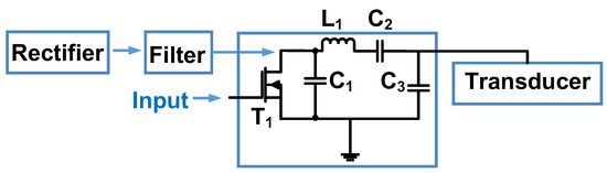
As shown in Figure 3, the common-source amplifier scheme was used with a typical voltage divider using resistors (R2, Regulator, and R3) with input and output coupling capacitors (C1 and C2) to remove the DC voltages. A choke inductor (L1) was used to apply the maximum DC voltage to the drain of the transistor [70]. Capacitors were used to filter out the high-frequency noise from the DC power supply [70]. The operating frequency of the Class-A power amplifier was 10 MHz, the output power was 14.21 dBm, and the voltage gain was 15.6 dB.
Figure 3. Class-A power amplifier schematic diagram for piezoelectric transducer. Adapted from Choi, H et al. Ref. [71] with permission under the terms of the CC BY 4.0 License, Copyright 2017 MDPI AG.
As shown in Figure 4, a Class-A transmitter amplifier with an output voltage of 15 V was designed for a 2 MHz 2D CMUT array. Bias voltages were provided from a +45 V DC supply to the gate and drain of the n-channel MOS (NMOS = 10 μm/3 μm and 50 μm/3 μm) and p-channel MOS (PMOS = 100 μm/3 μm) transistors. The resistor (12 kΩ) reduced the DC supply such that the PMOS transistor functioned as a diode-connected load to increase the gain [72].
Figure 4. Class-A power amplifier for 2D CMUT array [73].

3.2. Class-B/AB Power Amplifier

In ultrasound system papers, Class-B/AB power amplifiers are called pulsers or pulse generators [62]. Most of the power amplifiers currently used for ultrasound applications are this type because positive and negative power supplies can provide wider ranges of DC voltages than a single-side power supply. The maximum reachable voltage gain is theoretically double that of a Class-A power amplifier with minimum signal distortion [74]. However, the digital-to-analog converter (DAC) and digital control logic circuits must generate two different positive and negative inputs to the power amplifiers [75]. Therefore, accurate control of the input signals and positive/negative DC voltages is required to maintain the stability of the output signals. Impedance matching and filtering must be carefully performed to reduce unwanted high-frequency noise signals [76]. Therefore, ultrasound circuit designers must check the frequency response graph using an oscilloscope during system development.
The total harmonic distortion of the power amplifier can be controlled using a low-pass or band-pass filter architecture [77]. As shown in Figure 5, the Class-B power amplifier uses a transconductor, differential cascode transimpedance amplifier, and buffer architecture. The transconductor is used to change the voltage input into the current input of the differential cascade transimpedance amplifier [77]. In addition, the transconductor can provide a high impedance because the ideal input and output impedances of the transimpedance amplifier are infinite and zero, respectively [78].
Figure 5. Class-B power amplifier schematic diagram (the bias voltage connection is not shown to simplify the analysis) [79].
In Figure 5, Bianchi et al. used a transconductor, operational amplifier, and buffer in a power amplifier design [79]. Low- and high-voltage supplies were applied to the transconductor, and bias voltages were applied to the differential operational amplifier. The use of two separate supply voltages (VDD) assisted in removing noise from the regulator circuit [79]. The NMOSs (N1–N6) and PMOSs (P1–P6) were used by the differential cascade transimpedance amplifier to provide the power amplifier gain. The buffer amplifier (N6 and P6) was the source follower, which provided a unity gain to reduce the output impedance [78]. The buffer amplifier was used to change the current input into a voltage output with low impedance to match the ultrasound transducer (C1 = 150 pF and R1 = 100 Ω) [79]. It produced an output voltage of 90 Vp-p, a voltage gain of 40.9 dB, a bandwidth of 6.5 MHz, and a second harmonic distortion of approximately −35 dB.
As shown in Figure 6, a Class-AB power amplifier uses an operational amplifier (O1) with a resistive feedback loop and buffer (O2) architecture designed for a 10 MHz ultrasonic transducer [80]. The bandwidth of the power amplifier could be extended to 15 MHz using a resistive feedback loop [80]. A feedback resistor (R2 = 1 kΩ) was used to increase the bandwidth, thereby sacrificing the maximum voltage gain, and a series resistor (R3 = 215 Ω) was used to smoothly pass the output signals, even though the amplified output voltage was suppressed [80]. The gain of the power amplifier was dependent on two resistors (R1 = 100 Ω and R2 = 1 kΩ). The measured output voltage was 27.25 V, the output power was 3.09 W, and the efficiency was 5.66% at 10 MHz.
Figure 6. Schematic diagram of Class-AB power amplifier for power piezoelectric transducer Apdated from L. Capineri et al. Ref. [80]. Copyright 2014, AIP Publishing.
As shown in Figure 7, an operational amplifier with resistive feedback resistors increased the low-voltage input signal in the voltage follower (the input-stage amplifier). The generated output voltage from the voltage follower was fed into the Class-AB gain-stage amplifier and amplified in the push–pull Class-AB buffer amplifier. Resistor R2 and capacitor C2 were the parasitic resistor and capacitor in the equivalent circuit of the transducer load, respectively [81]. The amplified high-voltage signals from the Class-AB gain-stage amplifier were passed to the push–pull Class-AB buffer amplifier with variable resistors (R1 and Rf), which were dependent on the gain of the final-stage buffer amplifier [81]. The output buffer amplifier was used to provide a low impedance and isolate the performance between the push–pull Class-AB power amplifier and transducer load so that the performance of the Class-AB power amplifier could be controlled during operation [81]. For the designed Class-AB power amplifier, the measured output voltage was 180 Vp-p, the measured total harmonic distortion (THD) was −48 dB, and the −3 dB bandwidth was 8.6 MHz.
Figure 7. Current feedback linear power amplifier schematic diagram [81].
As shown in Figure 8, a Class-AB power amplifier is composed of a transconductor, an input buffer amplifier, a transimpedance amplifier, an output buffer amplifier, and a current multiplier. The transconductor is used to convert the current into a voltage signal. The input buffer amplifier is a low-voltage amplifier that provides relatively high-amplitude input signals. The transimpedance amplifier is a two-stage operational amplifier with a cascade architecture that increases the transconductance values of the transistors, thereby improving the total gain of the power amplifier. The current mirror uses the Wilson topology to increase the output impedance [82]. The output buffer amplifier is a one-stage source follower type that lowers the output impedances [83]. Current multipliers (M22 and M23) were used to increase the final output current [84]. The measured output voltage was 180 V, −3 dB bandwidth was 20 MHz, and second harmonic distortion was −48 dB.
Figure 8. Class-AB power amplifier schematic diagram [84].
In a Class-AB power amplifier (Figure 9), the operational amplifier (O1) is used to increase the input voltage generated by the DAC, and the increased output is fed into the first-stage Class-AB power amplifier with DMOSs T1 and T2, and the second-stage Class-AB power amplifier with DMOSs T3 and T4 [85]. The first transformer (TR1) is used to split one signal into two signals (positive and negative), and the second transformer (TR2) is used to combine the two signals into one signal [85]. Several capacitors (C1, C2, C4, C5, C6, C7, and C8) are used to remove the DC voltage and pass the AC signals. An impedance-matching circuit using transformers is also used to reduce the output power reflection from the ultrasound transducer [85]. The maximum operating frequency, output voltage amplitude, and gain were 5 MHz, 48 Vp-p, and 40 dB, respectively.
Figure 9. Class-AB power amplifier for neuro-stimulation applications (the bias voltage connection is not shown to simplify the analysis) [85].

3.3. Class-C Power Amplifier

Class-C power amplifiers have been used in mobile communication applications [86]. A Class-C power amplifier theoretically has a low power consumption compared with Class-A and Class-B/AB power amplifiers, but it has high signal distortions [87]. For Class-C power amplifiers, the voltage and current are out of phase with each other to achieve low DC power consumption [87]. To reduce the signal distortions of Class-C power amplifiers, delicate biasing circuits must be utilized to provide a stable DC supply voltage [88].
As shown in Figure 10, a two-stage Class-C power amplifier was designed [89]. To reduce the power consumption, the current and voltage requirements at different conduction angles were satisfied. The input and output matching circuits use resistors, capacitors, and inductors to achieve 50 Ω for the power amplifier, and the series resistors (R3 and R4) in the input and output matching circuits are used to pass signals with fewer distortions [89]. For the designed Class-C power amplifier, the measured voltage gain was 17.14 dB, the center frequency was 25 MHz, and the DC power consumption was 0.975 W.
Figure 10. Class-C power amplifier schematic diagram (the bias voltage connection is not shown to simplify the analysis). Adapted from Choi, H. Ref. [89] with permission under the terms of the CC BY 4.0 License, Copyright 2019, MDPI AG.

3.4. Class-D/DE Power Amplifier

The Class-D power amplifier can produce a high-voltage output, but generates high-voltage signal distortion because the input signals of the power amplifier are modulated pulse signals with user-defined functions [90]. Therefore, various digital combinational circuits can easily generate modulated input signals such as square, triangular, and Gaussian pulses [90]. To reduce high-voltage signal distortions, high-order low-pass digital filters and complex combinational logic circuits are required before producing modulated input signals, although they cannot completely remove signal distortions [91]. This requirement can increase the fabrication cost of Class-D power amplifiers. Therefore, the high THD of the output signals generated by Class-D power amplifiers must be considered in ultrasound applications. The theoretical efficiency of a Class-D power amplifier is close to 90% at the resonant frequency; therefore, it is relatively easy to handle heat sink problems produced by high-voltage or high-power signals for ultrasound applications [92]. Therefore, Class-D power amplifiers are suitable for high-power piezoelectric loads.
Figure 11 shows a schematic of the Class-D power amplifier used for the power piezoelectric load. Positive and negative pulse-modulated signals between 10 kHz and 100 kHz were produced by the drivers [93]. A rectifier and a low-pass filter were used to provide the supply voltage. Four power MOSFETs (T1, T2, T3, and T4) were used as switches [93]. If T1 and T4 were turned on, the output voltage was close to that of the positive supply. If T2 and T3 were turned on, the output voltage was close to that of the negative supply. To reduce the high-frequency noise, an additional capacitor and resistor were used next to the MOSFETs [93]. A low-pass Butterworth filter (C5 and L1) was used because it can provide a relatively flat magnitude during low-frequency operation [93]. The Class-D power amplifier operated with an output power of 2000 W for the resistor load and 1500 W for the reactive load.
Figure 11. Class-D power amplifier schematic for power piezoelectric load [93].
In Figure 12, a zero-voltage switching mechanism is used such that one MOSFET is turned on and another MOSFET is turned off during the 50% duty cycle [94]. The turn-on/off time is dependent on the values of the inductor (L1), transistor parasitic drain-source parasitic capacitance (CDS), and capacitor (C1) [94]. An output gain of 43.5 dB, a resonant frequency of 0.1 kHz, and an efficiency of 42% was obtained from the Class-D power amplifier.
Figure 12. Schematic of Class-D power amplifier for dielectric elastomer transducer [94].
Figure 13 shows a schematic of a Class-DE power amplifier that is compatible with an MRI machine. Zero-voltage and zero-current switching mechanisms were used to determine the operating frequency of the power amplifier [95]. Therefore, a transducer equivalent circuit model composed of a resistor (R1), an inductor (L1), and a capacitor (C2) was defined [95]. Two MOSFETs (T1 and T2) were used as switches. Capacitor C1 represents the combined capacitance of the transducer capacitor, output capacitances of the two MOSFETs, and external capacitances [95]. The operating frequency of the Class-DE power amplifier was 1010 kHz. The third harmonic distortion component was −16.4 dB, and the output power was 0.83 W.
Figure 13. Schematic of Class-DE power amplifier used for HIFU therapy [95].

3.5. Class-E Power Amplifier

In a previous study, a Class-E power amplifier was also called a Class-E inverter because of the switching characteristics of the MOSFET [96]. The values of several components in the output port can be calculated using the theoretical parameter equations provided by the typical Class-E power amplifier theory [96]. However, the specific frequency of the filtering function needs to be adjusted using the theoretical parameters to obtain optimal performance [96]. In previous studies, several Class-E power amplifiers have been used for ultrasound applications, as described here.
Figure 14 shows the Class-E power amplifier with the impedance of the ultrasonic transducers (R1, L2, C4, and C5) in the equivalent circuit model. Capacitor C3 was obtained using the impedance of the ultrasonic transducer and the optimal frequency based on the resonance network theory [96]. The two inductors (L1 and L2) were obtained using the impedance transformation theory [97]. The optimum frequency was 41.27 kHz, the output voltage was 58.76 V, and the output power was 0.17 W.
Figure 14. Class-E power amplifier schematic diagram. Adapted with permission from Ref. [96]. Copyright 2017, Elsevier.
Figure 15 shows a self-biased Class-E power amplifier for the 32 MHz CMUT used in HIFU applications. The CMUT impedance (C3, R2, L2, and C2) is schematically shown in the equivalent circuit model [98]. A resistor and capacitor (R1 and C1) with a low-pass filter were used to reduce the output voltage stress to the MOSFETs (T1 and T2), thus reducing the overshoot of the output voltages or currents [98]. However, this could affect the operating frequency of the power amplifier. Inductor L1 and resistor R1 could reduce the DC voltage from the supply (VDD) to provide a reduced DC voltage to the gates of the transistors (T1 and T2) without a separate biasing circuit [98]. The Class-E power amplifier produced an output voltage of 36.5 V and a center frequency of 32 MHz.
Figure 15. Self-biased cascade Class-E power amplifier schematic diagram. Adapted with permission from Ref. [98]. Copyright 2020, Elsevier.
Figure 16 shows a Class-E resonant inverter based on a zero-voltage switching mechanism for a piezoelectric transducer. The switch can be turned on if the gate–source voltage of the MOSFET (T1) is a high-voltage pulse signal, and turned off if the gate–source voltage of the MOSFET (T1) is a low-voltage or negative high-voltage pulse signal [99]. The inductor and capacitor components (L1, C1, and C2) can be calculated based on the equations for a theoretical Class-E power amplifier [99]. The maximum output voltage and current were 112 V and 0.364 A, respectively, and were delivered at a frequency of 28.11 kHz.
Figure 16. Schematic diagram of Class-E resonant inverter for a piezoelectric transducer [99].

3.6. Class-F Power Amplifier

Compared to Class-E power amplifiers, Class-F power amplifiers are useful for filtering out the second harmonic distortion generated by the power amplifier itself [75]. A Class-F power amplifier also has a relatively high power efficiency. As shown in Figure 17, a two-stage Class-F power amplifier was designed to resonate with the second harmonic component, thus lowering the second harmonic distortion [100]. Harmonic signals were reduced using a resonant filter network in the first- and second-stage power amplifiers [100]. The generated output power was 33.5 dBm, the gain was 23.5 dB, the center frequency was 25 MHz, the power added efficiency was 78.8%, and the total harmonic distortion was 5%.
Figure 17. Schematic diagram of the Class-F power amplifier (the bias voltage connection is not shown to simplify the analysis). Adapted from Kim, K et al. Ref. [100] with permission under the terms of the CC BY 4.0 License, Copyright 2021, Plos One.

3.7. Power Amplifier Classification

Table 1 summarizes the power amplifiers currently used for ultrasound applications, from Class-A to Class-F power amplifiers, along with their design parameters. Table 1 does not list all the power amplifiers developed for ultrasound applications. However, the summarized parameters of the listed power amplifiers could assist in understanding the power amplifier trend in ultrasound research. The frequency is the operating or center frequency, and the bandwidth is the −3 dB bandwidth. The harmonics represent the second harmonic distortion (HD2) or THD, and the efficiency is the drain efficiency or PAE.
Table 1. Summary of the power amplifiers currently used for ultrasound research.

4. Discussion

This review summarizes previous power amplifier research for ultrasound applications to guide design and analysis. A variety of class mode power amplifiers have been discussed for ultrasound applications, along with transistor selection and design parameters.
First, selecting an appropriate transistor is important. The maximum gate–source and drain–source voltages of the transistor could be a concern because the desired output voltage of the power amplifier is related to these voltage ranges [40]. The maximum drain current of the transistor must be considered because of the potential for transistor failure owing to the maximum DC power consumption [49]. The parasitic gate–source, gate–drain, and drain–source capacitances must be considered because of the maximum operating frequency of the power amplifier itself [52]. After the careful selection of the transistor, design parameters such as the gain, bandwidth, harmonic distortion, linearity, and efficiency need to be considered. In general, a high-gain power amplifier is desirable because a low-sensitivity ultrasonic transducer requires high-voltage or high-current signals to be triggered [101]. The power amplifier bandwidth must be higher than that of the transducer [24]. The efficiency is related to the battery of a wireless ultrasound system; therefore, high efficiency is desirable for efficient power consumption. A high linearity is desirable because the output voltage of the power amplifier can be amplified with less signal distortion [64].
A Class-A power amplifier can produce a highly linear output voltage, current, or power signal. Unfortunately, it generates the highest amount of thermal energy among all the class mode power amplifiers [70]. Therefore, a Class-A power amplifier is more suitable for imaging applications rather than wireless ultrasound systems. The Class-B/AB power amplifier has been the most widely used power amplifier type in previous ultrasound studies. A Class-B/AB power amplifier is called a pulser or pulse generator [62]. Using positive and negative power supplies for the power amplifier can help widen the DC voltage range. However, accurate DACs and digital control logic circuits are required for a stable power amplifier design [77]. Delicate impedance matching and filter tuning processes are also required to minimize unwanted high-frequency noise [75]. A Class-C power amplifier has a low DC power consumption with high signal distortion. To reduce signal distortion, delicate biasing circuits must be used to stabilize the supply voltage [86]. A Class-D/DE power amplifier can provide a high power efficiency but generates high signal distortions. A low-pass filter is typically used to reduce signal distortion, although high-frequency harmonic signals cannot be eliminated [75]. However, the modulated signals can be used in digital combinational logic circuits [90]. The output components of a Class-E power amplifier were specified using device parameter equations. To obtain the optimal operating frequency, trial-and-error methods using various discrete components were employed based on the equivalent circuit model of an ultrasonic transducer [96]. A Class-F power amplifier is useful for filtering the second harmonic distortion of a power amplifier [75]. Therefore, echo signals with high second harmonics generated by an ultrasound transducer could be beneficial. In addition, high efficiency can be achieved; therefore, a Class-F power amplifier scheme could be useful for wireless ultrasound systems.
Table 2 summarizes the contributions and limitations of the previously designed power amplifiers used for ultrasound research to assist in understanding the types of power amplifiers that are useful for specific ultrasound applications. The contributions and limitations of these power amplifiers listed in Table 2 provide guidelines for power amplifier designers and ultrasound researchers.
Table 2. Contributions and limitations of power amplifiers for specific ultrasound applications.

5. Conclusions

There have been many review papers on the power amplifiers used in communication system applications. However, no review papers have provided design guidelines or design parameter specifications for the power amplifiers used in ultrasound applications. Therefore, this review described the types of ultrasound applications in which power amplifiers are properly used and the types of design parameters that are commonly utilized for specific ultrasound applications.
Currently, ultrasound systems are becoming more complex because of the different combinations of MRI, optical imaging, and PET being utilized. They are also becoming smaller because of the requirements for wireless ultrasound machines. Therefore, this review could be helpful for design engineers and ultrasound researchers. Several design guidelines exist for the power amplifiers used in ultrasound applications. For design engineers, this paper provides the detailed specifications and design parameters of power amplifiers. This review could also be helpful for ultrasound researchers who are not familiar with electronics because it provides guidelines on which types of power amplifiers need to be purchased for ultrasound research. There are several parameters for power amplifiers, including gain, bandwidth, harmonic distortion, linearity, and efficiency. Unfortunately, all the parameters have trade-off relationships because of the use of nonlinear electronic components such as transistors, capacitors, and inductors. For each ultrasound application, certain types of power amplifiers could help achieve the proper performance for ultrasound research.

Funding

This work was supported by the National Research Foundation of Korea (NRF) grant funded by the Korea government (MSIT) (No. 2020R1A2C4001606).

Data Availability Statement

Data are contained within the article.

Conflicts of Interest

The author declares no conflict of interest.

Abbreviations

DCDirect current
ACAlternating current
DACDigital-to-analog converter
MRIMagnetic resonance imaging
PETPositron emission tomography
HIFUHigh-intensity focused ultrasound
CMUTCapacitive micromachined ultrasonic transducer
HIMHarmonic imaging method
IIP3Third input intercept point
OIP3Third output intercept point
PAEPower added power efficiency
MOSFETMetal-oxide-semiconductor field-effect transistor
HD2Second harmonic distortion
THDTotal harmonic distortion
LDMOSLateral diffusion metal-oxide semiconductor
DMOSDouble-diffused metal-oxide semiconductor
NMOSN-channel MOS
PMOSP-channel MOS

References

  1. Hoff, L. Acoustic Characterization of Contrast Agents for Medical Ultrasound Imaging; Springer Science & Business Media: Berlin, Germany, 2001. [Google Scholar]
  2. Choi, H.; Ryu, J.-M.; Choe, S.-W. A novel therapeutic instrument using an ultrasound-light-emitting diode with an adjustable telephoto lens for suppression of tumor cell proliferation. Measurement 2019, 147, 106865. [Google Scholar] [CrossRef]
  3. Mason, T.J.; Peters, D. Practical Sonochemistry: Power Ultrasound Uses and Applications; Woodhead Publishing: Cambridge, UK, 2002. [Google Scholar]
  4. Saijo, Y.; Van Der Steen, A.F.W. Vascular Ultrasound; Springer Science & Business Media: Berlin, Germany, 2003. [Google Scholar]
  5. Choi, H. Development of negative-group-delay circuit for high-frequency ultrasonic transducer applications. Sens. Actuators A 2019, 299, 111616. [Google Scholar] [CrossRef]
  6. Jolesz, F.A.; Hynynen, K.H. MRI-Guided Focused Ultrasound Surgery; CRC Press: Boca Raton, FL, USA, 2007. [Google Scholar]
  7. Lisciandro, G.R. Focused Ultrasound Techniques for the Small Animal Practitioner; John Wiley & Sons: Hoboken, NJ, USA, 2014. [Google Scholar]
  8. Ullah, M.; Pratiwi, E.; Park, J.; Lee, K.; Choi, H.; Yeom, J. Wavelength discrimination (WLD) TOF-PET detector with DOI information. Phys. Med. Biol. 2019, 65, 055003. [Google Scholar] [CrossRef] [PubMed]
  9. Moore, C.L.; Copel, J.A. Point-of-care Ultrasonography. N. Engl. J. Med. 2011, 364, 749–757. [Google Scholar] [CrossRef] [PubMed]
  10. Karlen, W. Mobile Point-of-Care Monitors and Diagnostic Device Design; CRC Press: Boca Raton, FL, USA, 2014. [Google Scholar]
  11. Daniels, J.M.; Hoppmann, R.A. Practical Point-of-Care Medical Ultrasound; Springer: New York, NJ, USA, 2016. [Google Scholar]
  12. Baston, C.M.; Moore, C.; Dean, A.J.; Panebianco, N. Pocket Guide to POCUS: Point-of-Care Tips for Point-of-Care Ultrasound; McGraw Hill Education, Incorporated: New York, NJ, USA, 2019. [Google Scholar]
  13. Adhikari, S.; Blaivas, M. The Ultimate Guide to Point-of-Care Ultrasound-Guided Procedures; Springer: Berlin, Germany, 2019. [Google Scholar]
  14. Postema, M. Fundamentals of Medical Ultrasound; Taylor and Francis: New York, NJ, USA, 2011. [Google Scholar]
  15. Safari, A.; Akdogan, E.K. Piezoelectric and Acoustic Materials for Transducer Applications; Springer Science & Business Media: Berlin, Germany, 2008. [Google Scholar]
  16. Gibbs, V.; Cole, D.; Sassano, A. Ultrasound Physics and Technology: How, Why and When; Elsevier Health Sciences: Amsterdam, The Netherlands, 2011. [Google Scholar]
  17. Rozenberg, L.D. Sources of High-Intensity Ultrasound; Springer Science & Business Media: Berlin, Germany, 2013; Volume 1. [Google Scholar]
  18. Edelman, S.K. Understanding Ultrasound Physics; Baker & Taylor: Charlotte, NC, USA, 2012. [Google Scholar]
  19. Gallego-Juárez, J.A.; Graff, K.F. Power Ultrasonics: Applications of High-Intensity Ultrasound; Elsevier: Amsterdam, The Netherlands, 2014. [Google Scholar]
  20. Choi, H.; Li, X.; Lau, S.-T.; Hu, C.; Zhou, Q.; Shung, K.K. Development of Integrated Preamplifier for High-Frequency Ultrasonic Transducers and Low-Power Handheld Receiver. IEEE Trans. Ultrason. Ferroelectr. Freq. Control 2011, 58, 2646–2658. [Google Scholar] [CrossRef]
  21. Cannata, J.M.; Williams, J.A.; Zhou, Q.; Ritter, T.A.; Shung, K.K. Development of a 35-MHz piezo-composite ultrasound array for medical imaging. IEEE Trans. Ultrason. Ferroelectr. Freq. Control 2006, 53, 224–236. [Google Scholar] [CrossRef] [PubMed]
  22. Wu, D.-W.; Zhou, Q.; Geng, X.; Liu, C.-G.; Djuth, F.; Shung, K.K. Very high frequency (beyond 100 MHz) PZT kerfless linear arrays. IEEE Trans. Ultrason. Ferroelectr. Freq. Control 2009, 56, 2304–2310. [Google Scholar] [CrossRef]
  23. Hu, C.-H.; Xu, X.-C.; Cannata, J.M.; Yen, J.T.; Shung, K.K. Development of a real-time, high-frequency ultrasound digital beamformer for high-frequency linear array transducers. IEEE Trans. Ultrason. Ferroelectr. Freq. Control 2006, 53, 317–323. [Google Scholar]
  24. Suri, J.S.; Kathuria, C.; Chang, R.-F.; Molinar, F.; Fenster, A. Advances in Diagnostic and Therapeutic Ultrasound Imaging; Artech House: Norwood, MA, USA, 2008. [Google Scholar]
  25. Fry, F.J. Intense Focused Ultrasound in Medicine. Eur. Urol. 1993, 23 (Suppl. 1), 2–7. [Google Scholar] [CrossRef]
  26. Illing, R.O.; Kennedy, J.E.; Wu, F.; ter Haar, G.R.; Protheroe, A.S.; Friend, P.J.; Gleeson, F.V.; Cranston, D.W.; Phillips, R.R.; Middleton, M.R. The safety and feasibility of extracorporeal high-intensity focused ultrasound (HIFU) for the treatment of liver and kidney tumours in a Western population. Br. J. Cancer 2005, 93, 890–895. [Google Scholar] [CrossRef]
  27. Hrazdira, I.; Škorpíková, J.; Dolníková, M. Ultrasonically induced alterations of cultured tumour cells. Eur. J. Ultrasound 1998, 8, 43–49. [Google Scholar] [CrossRef] [PubMed]
  28. Yu, T.; Wang, Z.; Mason, T.J. A review of research into the uses of low level ultrasound in cancer therapy. Ultrason. Sonochem. 2004, 11, 95–103. [Google Scholar] [CrossRef] [PubMed]
  29. Tufail, Y.; Matyushov, A.; Baldwin, N.; Tauchmann, M.L.; Georges, J.; Yoshihiro, A.; Tillery, S.I.H.; Tyler, W.J. Transcranial pulsed ultrasound stimulates intact brain circuits. Neuron 2010, 66, 681–694. [Google Scholar] [CrossRef] [PubMed]
  30. Li, G.; Qiu, W.; Zhang, Z.; Jiang, Q.; Su, M.; Cai, R.; Li, Y.; Cai, F.; Deng, Z.; Xu, D. Noninvasive Ultrasonic Neuromodulation in Freely Moving Mice. IEEE Trans. Biomed. Eng. 2018, 2018, 217–224. [Google Scholar] [CrossRef]
  31. Lee, N.S.; Yoon, C.W.; Wang, Q.; Moon, S.; Koo, K.M.; Jung, H.; Chen, R.; Jiang, L.; Lu, G.; Fernandez, A. Focused ultrasound stimulates ER localized mechanosensitive PANNEXIN-1 to mediate intracellular calcium release in invasive cancer cells. Front. Cell Dev. Biol. 2020, 8, 504. [Google Scholar] [CrossRef]
  32. Qi, L.; Zhang, Q.; Tan, Y.; Lam, K.H.; Zheng, H.; Qian, M. Non-Contact High-Frequency Ultrasound Microbeam Stimulation: A Novel Finding and Potential Causes of Cell Responses. IEEE Trans. Biomed. Eng. 2020, 67, 1074–1082. [Google Scholar] [CrossRef]
  33. Jeong, J.J.; Choi, H. An impedance measurement system for piezoelectric array element transducers. Measurement 2017, 97, 138–144. [Google Scholar] [CrossRef]
  34. Lam, K.H.; Li, Y.; Li, Y.; Lim, H.G.; Zhou, Q.; Shung, K.K. Multifunctional single beam acoustic tweezer for non-invasive cell/organism manipulation and tissue imaging. Sci. Rep. 2016, 6, 37554. [Google Scholar] [CrossRef]
  35. Shung, K.K. Diagnostic Ultrasound: Imaging and Blood Flow Measurements; Taylor & Francis: Boca Raton, FL, USA, 2015. [Google Scholar]
  36. Zhu, B.; Han, J.; Shi, J.; Shung, K.K.; Wei, Q.; Huang, Y.; Kosec, M.; Zhou, Q. Lift-off PMN-PT Thick Film for High Frequency Ultrasonic Biomicroscopy. J. Am. Ceram. Soc. 2010, 93, 2929–2931. [Google Scholar] [CrossRef]
  37. Szabo, T.L. Diagnostic Ultrasound Imaging: Inside Out; Elsevier Academic Press: London, UK, 2013. [Google Scholar]
  38. Khan, M.; Khan, T.M. Tunable Q matching networks for capacitive ultrasound transmitters. Analog Integr. Circuits Signal Process. 2022, 111, 301–312. [Google Scholar] [CrossRef]
  39. Khuri-Yakub, B.T.; Oralkan, Ö.; Nikoozadeh, A.; Wygant, I.O.; Zhuang, S.; Gencel, M.; Choe, J.W.; Stephens, D.N.; de la Rama, A.; Chen, P.; et al. Miniaturized Ultrasound Imaging Probes Enabled by CMUT Arrays with Integrated Frontend Electronic Circuits. IEEE Eng. Med. Biol. 2010, 1, 5987–5990. [Google Scholar]
  40. Lee, T.H. The Design of CMOS Radio-Frequency Integrated Circuits; Cambridge University Press: Cambridge, UK, 2006. [Google Scholar]
  41. Albulet, M. RF Power Amplifiers; SciTech Publishing: London, UK, 2001. [Google Scholar]
  42. Zhang, X.; Larson, L.E.; Asbeck, P. Design of Linear RF Outphasing Power Amplifiers; Artech House: Norwood, MA, USA, 2003. [Google Scholar]
  43. Grebennikov, A. RF and Microwave Power Amplifier Design; McGraw-Hill: New York, NJ, USA, 2005. [Google Scholar]
  44. Cripps, S.C. RF Power Amplifiers for Wireless Communications; Artech House: Norwood, MA, USA, 2006. [Google Scholar]
  45. Klaassen, F.; De Graaff, H. Compact Transistor Modelling for Circuit Design; Springer: Berlin, Germany, 1990. [Google Scholar]
  46. Gonzalez, G. Microwave Transistor Amplifiers: Analysis and Design; Prentice Hall: New Jersey, NJ, USA, 1997. [Google Scholar]
  47. Ritchie, G.J. Transistor Circuit Techniques: Discrete and Integrated; CRC Press: Boca Raton, FL, USA, 2003. [Google Scholar]
  48. Wilamowski, B.M.; Irwin, J.D. Fundamentals of Industrial Electronics; CRC Press: Boca Raton, FL, USA, 2018. [Google Scholar]
  49. Duan, Z.; Fan, T.; Wen, X.; Zhang, D. Improved SiC Power MOSFET Model Considering Nonlinear Junction Capacitances. IEEE Trans. Power Electron. 2018, 33, 2509–2517. [Google Scholar] [CrossRef]
  50. Chen, W.-K. High Performance Analog Circuits. In The Circuits and Filters Handbook; CRC Press: Boca Raton, FL, USA, 2002. [Google Scholar]
  51. Carr, J. RF Components and Circuits; Elsevier: Amsterdam, The Netherlands, 2002. [Google Scholar]
  52. Aarts, A.C.T.; Kloosterman, W.J. Compact modeling of high-voltage LDMOS devices including quasi-saturation. IEEE Trans. Electron Devices 2006, 53, 897–902. [Google Scholar] [CrossRef]
  53. Irwin, J.D.; Wu, C.-H. Basic Engineering Circuit Analysis; Wiley: New York, NJ, USA, 1999. [Google Scholar]
  54. Erlbacher, T. Lateral Power Transistors in Integrated Circuits; Springer: Berlin, Germany, 2014. [Google Scholar]
  55. Reynaert, P.; Steyaert, M. RF Power Amplifiers for Mobile Communications; Springer Science & Business Media: Berlin, Germany, 2006. [Google Scholar]
  56. Hella, M.M.; Ismail, M. RF CMOS Power Amplifiers: Theory, Design and Implementation; Springer Science & Business Media: Berlin, Germany, 2006. [Google Scholar]
  57. Qiu, W.; Wang, X.; Chen, Y.; Fu, Q.; Su, M.; Zhang, L.; Xia, J.; Dai, J.; Zhang, Y.; Zheng, H. A Modulated Excitation Imaging System for Intravascular Ultrasound. IEEE Trans. Biomed. Eng. 2016, 64, 1935–1942. [Google Scholar] [CrossRef] [PubMed]
  58. Soni, N.J.; Arntfield, R.; Kory, P. Point of Care Ultrasound; Elsevier Health Sciences: Oxford, UK, 2014. [Google Scholar]
  59. Lumb, P. Critical Care Ultrasound; Elsevier Health Sciences: Oxford, UK, 2014. [Google Scholar]
  60. Wagner, P.R.; Hedrick, W.R. Point-of-Care Ultrasound Fundamentals: Principles, Devices, and Patient Safety; McGraw Hill Professional: New York, NJ, USA, 2014. [Google Scholar]
  61. Golio, J.; Golio, M. RF and Microwave Circuits, Measurements, and Modeling; CRC Press: Boca Raton, FL, USA, 2007. [Google Scholar]
  62. Miele, F.R. Ultrasound Physics & Instrumentation; Pegasus Lectures, Inc.: Forney, TX, USA, 2013. [Google Scholar]
  63. Raghavan, A.; Srirattana, N.; Laskar, J. Modeling and Design Techniques for RF Power Amplifiers; John Wiley & Sons: Hoboken, NJ, USA, 2008. [Google Scholar]
  64. Sechi, F.; Bujatti, M. Solid-State Microwave High-Power Amplifiers; Artech House: Norwood, MA, USA, 2009. [Google Scholar]
  65. Dawson, J.L.; Lee, T.H. Feedback Linearization of RF Power Amplifiers; Springer Science & Business Media: Berlin, Germany, 2007. [Google Scholar]
  66. Chang, K. Microwave Solid-State Circuits and Applications; Wiley: New York, NJ, USA, 1994. [Google Scholar]
  67. Kenington, P.B. High Linearity RF Amplifier Design; Artech House, Inc.: Norwood, MA, USA, 2000. [Google Scholar]
  68. Steer, M. Microwave and RF Design; NC State University: Raleigh, NC, USA, 2019. [Google Scholar]
  69. Choi, H. An Inverse Class-E Power Amplifier for Ultrasound Transducer. Sensors 2023, 23, 3466. [Google Scholar] [CrossRef] [PubMed]
  70. Walker, J.L. Handbook of RF and Microwave Power Amplifiers; Cambridge University Press: Cambridge, UK, 2011. [Google Scholar]
  71. Choi, H.; Yoon, C.; Yeom, J.-Y. A Wideband High-Voltage Power Amplifier Post-Linearizer for Medical Ultrasound Transducers. Appl. Sci. 2017, 7, 354. [Google Scholar] [CrossRef]
  72. Razavi, B. Fundamentals of Microelectronics; Wiley: Hoboken, NJ, USA, 2008. [Google Scholar]
  73. Ciçek, I.; Bozkurt, A.; Karaman, M. Design of a front-end integrated circuit for 3D acoustic imaging using 2D CMUT arrays. IEEE Trans. Ultrason. Ferroelectr. Freq. Control 2005, 52, 2235–2241. [Google Scholar] [CrossRef]
  74. Kazimierczuk, M.K. RF Power Amplifier; John Wiley & Sons: Hoboken, NJ, USA, 2014. [Google Scholar]
  75. Grebennikov, A.; Sokal, N.O.; Franco, M.J. Switchmode RF Power Amplifiers; Newnes: Amsterdam, The Netherlands, 2011. [Google Scholar]
  76. Eroglu, A. Introduction to RF Power Amplifier Design and Simulation; CRC Press: Boca Raton, FL, USA, 2018. [Google Scholar]
  77. Herbst, L.J. Integrated Circuit Engineering: Establishing a Foundation; Oxford University Press: Oxford, UK, 1996. [Google Scholar]
  78. Razavi, B. Design of Analog CMOS Integrated Circuits; McGraw-Hill Science: New York, NJ, USA, 2016. [Google Scholar]
  79. Bianchi, D.; Quaglia, F.; Mazzanti, A.; Svelto, F. Analysis and Design of a High Voltage Integrated Class-B Amplifier for Ultra-Sound Transducers. IEEE Trans. Circuits Syst. I Regul. Pap. 2014, 61, 1942–1951. [Google Scholar] [CrossRef]
  80. Capineri, L. A 15 MHz bandwidth, 60 Vpp, low distortion power amplifier for driving high power piezoelectric transducers. Rev. Sci. Instrum. 2014, 85, 104701. [Google Scholar] [CrossRef]
  81. Gao, Z.; Gui, P.; Jordanger, R. An integrated high-voltage low-distortion current-feedback linear power amplifier for ultrasound transmitters using digital predistortion and dynamic current biasing techniques. IEEE Trans. Circuits Syst. II Express Briefs 2014, 61, 373–377. [Google Scholar] [CrossRef]
  82. Yeo, K.S.; Do, M.A.; Boon, C.C. Design of CMOS RF Integrated Circuits and Systems; World Scientific: London, UK, 2010. [Google Scholar]
  83. Chen, W.-K. Analog Circuits and Devices; CRC Press: Boca Raton, FL, USA, 2003. [Google Scholar]
  84. Ghisu, D.; Gambero, A.; Terenzi, M.; Ricotti, G.; Moroni, A.; Rossi, S. 180 Vpp output voltage, 24 MHz bandwidth, low power class AB current-feedback high voltage amplifier for ultrasound transmitters. In Proceedings of the 2018 IEEE Custom Integrated Circuits Conference (CICC), San Diego, CA, USA, 8–11 April 2018; pp. 1–4. [Google Scholar]
  85. Qiu, W.; Zhou, J.; Chen, Y.; Su, M.; Li, G.; Zhao, H.; Gu, X.; Meng, D.; Wang, C.; Xiao, Y.; et al. A Portable Ultrasound System for Non-Invasive Ultrasonic Neuro-Stimulation. IEEE Trans. Neural Syst. Rehabil. Eng. 2017, 25, 2509–2515. [Google Scholar] [CrossRef]
  86. Narayanaswami, R.S. RF CMOS Class C Power Amplifiers for Wireless Communications; University of California: Berkeley, CA, USA, 2001. [Google Scholar]
  87. Vuolevi, J.; Rahkonen, T. Distortion in RF Power Amplifiers; Artech House: London, UK, 2003. [Google Scholar]
  88. Cripps, S.C. Advanced Techniques in RF Power Amplifier Design; Artech House: Norwood, MA, USA, 2002. [Google Scholar]
  89. Choi, H. Class-C Linearized Amplifier for Portable Ultrasound Instruments. Sensors 2019, 19, 898. [Google Scholar] [CrossRef] [PubMed]
  90. Sjoland, H. Highly Linear Integrated Wideband Amplifiers: Design and Analysis Techniques for Frequencies from Audio to RF; Springer Science & Business Media: Berlin, Germany, 1999. [Google Scholar]
  91. Self, D. Audio Power Amplifier Design; Focal Press: Waltham, MA, USA, 2013. [Google Scholar]
  92. Dal Fabbro, P.A.; Kayal, M. Linear CMOS RF Power Amplifiers for Wireless Applications: Efficiency Enhancement and Frequency-Tunable Capability; Springer Science & Business Media: Berlin, Germany, 2010. [Google Scholar]
  93. Agbossou, K.; Dion, J.-L.; Carignan, S.; Abdelkrim, M.; Cheriti, A. Class D Amplifier for a Power Piezoelectric Load. IEEE Trans. Ultrason. Ferroelectr. Freq. Control 2000, 47, 1036–1041. [Google Scholar] [CrossRef] [PubMed]
  94. Nielsen, D.; Knott, A.; Andersen, M.A.E. A high-voltage class D audio amplifier for dielectric elastomer transducers. In Proceedings of the 2014 IEEE Applied Power Electronics Conference and Exposition—APEC 2014, Fort Worth, TX, USA, 16–20 March 2014; pp. 3278–3283. [Google Scholar]
  95. Christoffersen, C.; Wong, W.; Pichardo, S.; Togtema, G.; Curiel, L. Class-DE ultrasound transducer driver for HIFU therapy. IEEE Trans. Biomed. Circuits Syst. 2016, 10, 375–382. [Google Scholar] [CrossRef]
  96. Yuan, T.; Dong, X.; Shekhani, H.; Li, C.; Maida, Y.; Tou, T.; Uchino, K. Driving an inductive piezoelectric transducer with class E inverter. Sens. Actuators A 2017, 261 (Suppl. C), 219–227. [Google Scholar] [CrossRef]
  97. Allen, P.E.; Holberg, D.R. CMOS Analog Circuit Design; Oxford University Press: Oxford, UK, 2002. [Google Scholar]
  98. Tu, S.H.-L.; Tsai, P.-Y. A Class-E high-voltage pulse generator for ultrasound medical imaging applications. Microelectron. J. 2020, 100, 104776. [Google Scholar] [CrossRef]
  99. Niyomthai, S.; Sangswang, A.; Naetiladdanon, S.; Mujjalinvimut, E. Operation region of class E resonant inverter for ultrasonic transducer. In Proceedings of the 2017 14th International Conference on Electrical Engineering/Electronics, Computer, Telecommunications and Information Technology (ECTI-CON), Phuket, Thailand, 27–30 June 2017; pp. 435–438. [Google Scholar]
  100. Kim, K.; Choi, H. High-efficiency high-voltage class F amplifier for high-frequency wireless ultrasound systems. PLoS ONE 2021, 16, e0249034. [Google Scholar] [CrossRef]
  101. Choi, H. A Doherty Power Amplifier for Ultrasound Instrumentation. Sensors 2023, 23, 2406. [Google Scholar] [CrossRef]
Disclaimer/Publisher’s Note: The statements, opinions and data contained in all publications are solely those of the individual author(s) and contributor(s) and not of MDPI and/or the editor(s). MDPI and/or the editor(s) disclaim responsibility for any injury to people or property resulting from any ideas, methods, instructions or products referred to in the content.

Article Metrics

Citations

Article Access Statistics

Multiple requests from the same IP address are counted as one view.