Internet of Things (IoT) for Soil Moisture Tensiometer Automation
Abstract
1. Introduction
1.1. Soil Water Potential: A Key Parameter
1.2. Tensiometers: Advantages and Drawbacks of Widely Used Devices
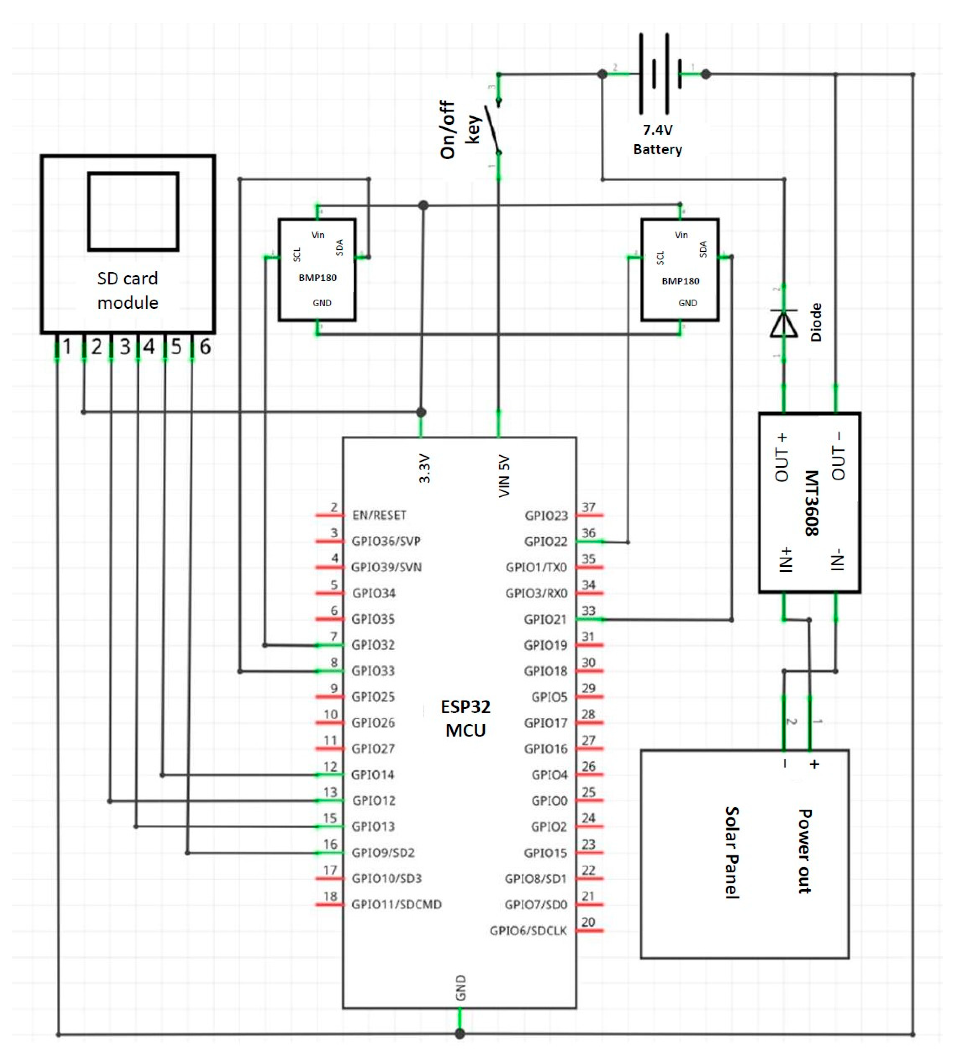
2. IoT Tensiometer: Development of the Prototype
3. Lab Validation of the IoT Tensiometer Prototype
4. Results
5. Conclusions
Author Contributions
Funding
Data Availability Statement
Conflicts of Interest
References
- FAO. Water for Sustainable Food and Agriculture a Report Produced for the G20 Presidency of Germany; FAO: Rome, Italy, 2017. [Google Scholar]
- Hardie, M. Review of novel and emerging proximal soil moisture sensors for use in agriculture. Sensors 2020, 20, 6934. [Google Scholar] [CrossRef] [PubMed]
- Abdelmoneim, A.A.; Daccache, A.; Khadra, R.; Bhanot, M.; Dragonetti, G. Internet of Things (IoT) for double ring infiltrometer automation. Comput. Electron. Agric. 2021, 188, 106324. [Google Scholar] [CrossRef]
- Dragonetti, G.; Khadra, R.; Daccache, A.; Oubelkacem, A.; Choukr-Allah, R.; Lamaddalena, N. Development and application of a predictive model for treated wastewater irrigation management in a semiarid area. Integr. Environ. Assess. Manag. 2020, 16, 910–919. [Google Scholar] [CrossRef] [PubMed]
- SU, S.L.; Singh, D.N.; Baghini, M.S. A critical review of soil moisture measurement. Measurement 2014, 54, 92–105. [Google Scholar] [CrossRef]
- Bianchi, A.; Masseroni, D.; Thalheimer, M.; Medici, L.; Facchi, A. Field irrigation management through soil water potential measurements: A review. Ital. J. Agrometeorol. 2017, 22, 25–38. [Google Scholar]
- Campbell, G.S. Soil water potential measurement: An overview. Irrig. Sci. 1988, 9, 265–273. [Google Scholar] [CrossRef]
- Dobriyal, P.; Qureshi, A.; Badola, R.; Hussain, S.A. A review of the methods available for estimating soil moisture and its implications for water resource management. J. Hydrol. 2012, 458, 110–117. [Google Scholar] [CrossRef]
- Thompson, R.; Gallardo, M.; Valdez, L.; Fernández, M. Using plant water status to define threshold values for irrigation management of vegetable crops using soil moisture sensors. Agric. Water Manag. 2007, 88, 147–158. [Google Scholar] [CrossRef]
- Shock, C.C.; Wang, F.-X. Soil water tension, a powerful measurement for productivity and stewardship. HortScience 2011, 46, 178–185. [Google Scholar] [CrossRef]
- Campbell, G.S.; Gee, G.W. Water potential: Miscellaneous methods. In Methods of Soil Analysis: Part 1 Physical and Mineralogical Methods; Wiley: Hoboken, NJ, USA, 1986; Volume 5, pp. 619–633. [Google Scholar]
- Hubbell, J.; Sisson, J. Soil water potential measurement by tensiometers. In The Encyclopedia of Water Science; Marcel Dekker: New York, NY, USA, 2003; pp. 904–907. [Google Scholar]
- Grattan, S. Irrigation Water Salinity and Crop Production; UCANR Publications: Davis, CA, USA, 2002; Volume 9. [Google Scholar]
- Richards, S. Soil suction measurements with tensiometers. In Methods of Soil Analysis: Part 1 Physical and Mineralogical Properties, Including Statistics of Measurement and Sampling; Wiley: Hoboken, NJ, USA, 1965; Volume 9, pp. 153–163. [Google Scholar]
- Richards, S.; Marsh, A. Irrigation based on soil suction measurements. Soil Sci. Soc. Am. J. 1961, 25, 65–69. [Google Scholar] [CrossRef]
- Richards, L. Soil moisture tensiometer materials and construction. Soil Sci 1942, 53, 241–248. [Google Scholar] [CrossRef]
- Freire, A.G.; de Alencar, T.L.; Chaves, A.F.; do Nascimento, Í.V.; de Assis Junior, R.N.; van Lier, Q.d.J.; Mota, J.C.A. Comparison of devices for measuring soil matric potential and effects on soil hydraulic functions and related parameters. Agric. Water Manag. 2018, 209, 134–141. [Google Scholar] [CrossRef]
- Muñoz-Carpena, R.; Li, Y.C.; Klassen, W.; Dukes, M.D. Field comparison of tensiometer and granular matrix sensor automatic drip irrigation on tomato. HortTechnology 2005, 15, 584–590. [Google Scholar] [CrossRef]
- Thalheimer, M. A low-cost electronic tensiometer system for continuous monitoring of soil water potential. J. Agric. Eng. 2013, 44, e16. [Google Scholar] [CrossRef]
- Hodnett, M.; Bell, J.; Koon, P.A.; Soopramanien, G.; Batchelor, C. The control of drip irrigation of sugarcane using “index” tensiometers: Some comparisons with control by the water budget method. Agric. Water Manag. 1990, 17, 189–207. [Google Scholar] [CrossRef]
- Marthaler, H.; Vogelsanger, W.; Richard, F.; Wierenga, P. A pressure transducer for field tensiometers. Soil Sci. Soc. Am. J. 1983, 47, 624–627. [Google Scholar] [CrossRef]
- Thalheimer, M. Tensiometer modification for diminishing errors due to the fluctuating inner water column. Soil Sci. Soc. Am. J. 2003, 67, 737–739. [Google Scholar] [CrossRef]
- Mendes, J.; Buzzi, O. New insight into cavitation mechanisms in high-capacity tensiometers based on high-speed photography. Can. Geotech. J. 2013, 50, 550–556. [Google Scholar] [CrossRef]
- Smith, J.B.; Kean, J.W. Long-Term Soil-Water Tension Measurements in Semiarid Environments: A Method for Automated Tensiometer Refilling. Vadose Zone J. 2018, 17, 1–5. [Google Scholar] [CrossRef]
- Take, W.; Bolton, M. Tensiometer saturation and the reliable measurement of soil suction. Géotechnique 2003, 53, 159–172. [Google Scholar] [CrossRef]
- Tarantino, A.; Mongiovì, L. Experimental procedures and cavitation mechanisms in tensiometer measurements. In Unsaturated Soil Concepts and Their Application in Geotechnical Practice; Springer: Berlin/Heidelberg, Germany, 2001; pp. 189–210. [Google Scholar]
- Dabach, S.; Shani, U.; Lazarovitch, N. Optimal tensiometer placement for high-frequency subsurface drip irrigation management in heterogeneous soils. Agric. Water Manag. 2015, 152, 91–98. [Google Scholar] [CrossRef]
- Pereira, R.M.; Sandri, D.; Rios, G.F.A.; Sousa, D.A.d.O. Automation of irrigation by electronic tensiometry based on the arduino hardware platform. Rev. Ambiente Água 2020, 15, 1–12. [Google Scholar] [CrossRef]
- Sanches, A.C.; Alves, C.d.O.; de Jesus, F.L.; Theodoro, F.L.; da Cruz, T.A.; Gomes, E.P. Low-cost and high-efficiency automated tensiometer for real-time irrigation monitoring. Rev. Bras. Eng. Agrícola Ambient. 2022, 26, 390–395. [Google Scholar] [CrossRef]
- Mohanraj, I.; Ashokumar, K.; Naren, J. Field monitoring and automation using IOT in agriculture domain. Procedia Comput. Sci. 2016, 93, 931–939. [Google Scholar] [CrossRef]
- García, L.; Parra, L.; Jimenez, J.M.; Lloret, J.; Lorenz, P. IoT-based smart irrigation systems: An overview on the recent trends on sensors and IoT systems for irrigation in precision agriculture. Sensors 2020, 20, 1042. [Google Scholar] [CrossRef] [PubMed]
- Pasha, S. ThingSpeak based sensing and monitoring system for IoT with Matlab Analysis. Int. J. New Technol. Res. 2016, 2, 263492. [Google Scholar]







| Item | Unit | Quantity | Cost $ |
|---|---|---|---|
| ESP 32 WROOM | no | 1 | 10 |
| BMP 180 sensor | no | 1 | 2.5 |
| MT3608 DC–DC | no | 1 | 2 |
| SD card module | no | 1 | 5 |
| Tensiometer plexiglass tube | no | 1 | 5 |
| Permeable ceramic cup | no | 1 | 4 |
| 2 cm airtight rubber cap | no | 1 | 1 |
| Li-ion batteries 3.7 volts | no | 2 | 11 |
| 2S 18650 battery case | no | 1 | 1 |
| BMS 2S 10A charging model | no | 1 | 4 |
| 1.1 W 6 V solar panel | no | 1 | 14 |
| Miscellaneous (wires, solder, isolation tape, pins, diodes, etc.) | 15 | ||
| PTGE filament | kg | 0.5 | 1.5 |
| Total | 76 |
Disclaimer/Publisher’s Note: The statements, opinions and data contained in all publications are solely those of the individual author(s) and contributor(s) and not of MDPI and/or the editor(s). MDPI and/or the editor(s) disclaim responsibility for any injury to people or property resulting from any ideas, methods, instructions or products referred to in the content. |
© 2023 by the authors. Licensee MDPI, Basel, Switzerland. This article is an open access article distributed under the terms and conditions of the Creative Commons Attribution (CC BY) license (https://creativecommons.org/licenses/by/4.0/).
Share and Cite
Abdelmoneim, A.A.; Khadra, R.; Derardja, B.; Dragonetti, G. Internet of Things (IoT) for Soil Moisture Tensiometer Automation. Micromachines 2023, 14, 263. https://doi.org/10.3390/mi14020263
Abdelmoneim AA, Khadra R, Derardja B, Dragonetti G. Internet of Things (IoT) for Soil Moisture Tensiometer Automation. Micromachines. 2023; 14(2):263. https://doi.org/10.3390/mi14020263
Chicago/Turabian StyleAbdelmoneim, Ahmed Ali, Roula Khadra, Bilal Derardja, and Giovanna Dragonetti. 2023. "Internet of Things (IoT) for Soil Moisture Tensiometer Automation" Micromachines 14, no. 2: 263. https://doi.org/10.3390/mi14020263
APA StyleAbdelmoneim, A. A., Khadra, R., Derardja, B., & Dragonetti, G. (2023). Internet of Things (IoT) for Soil Moisture Tensiometer Automation. Micromachines, 14(2), 263. https://doi.org/10.3390/mi14020263

