C-Band 30 W High PAE Power Amplifier MMIC with Second Harmonic Suppression for Radar Network Application
Abstract
1. Introduction
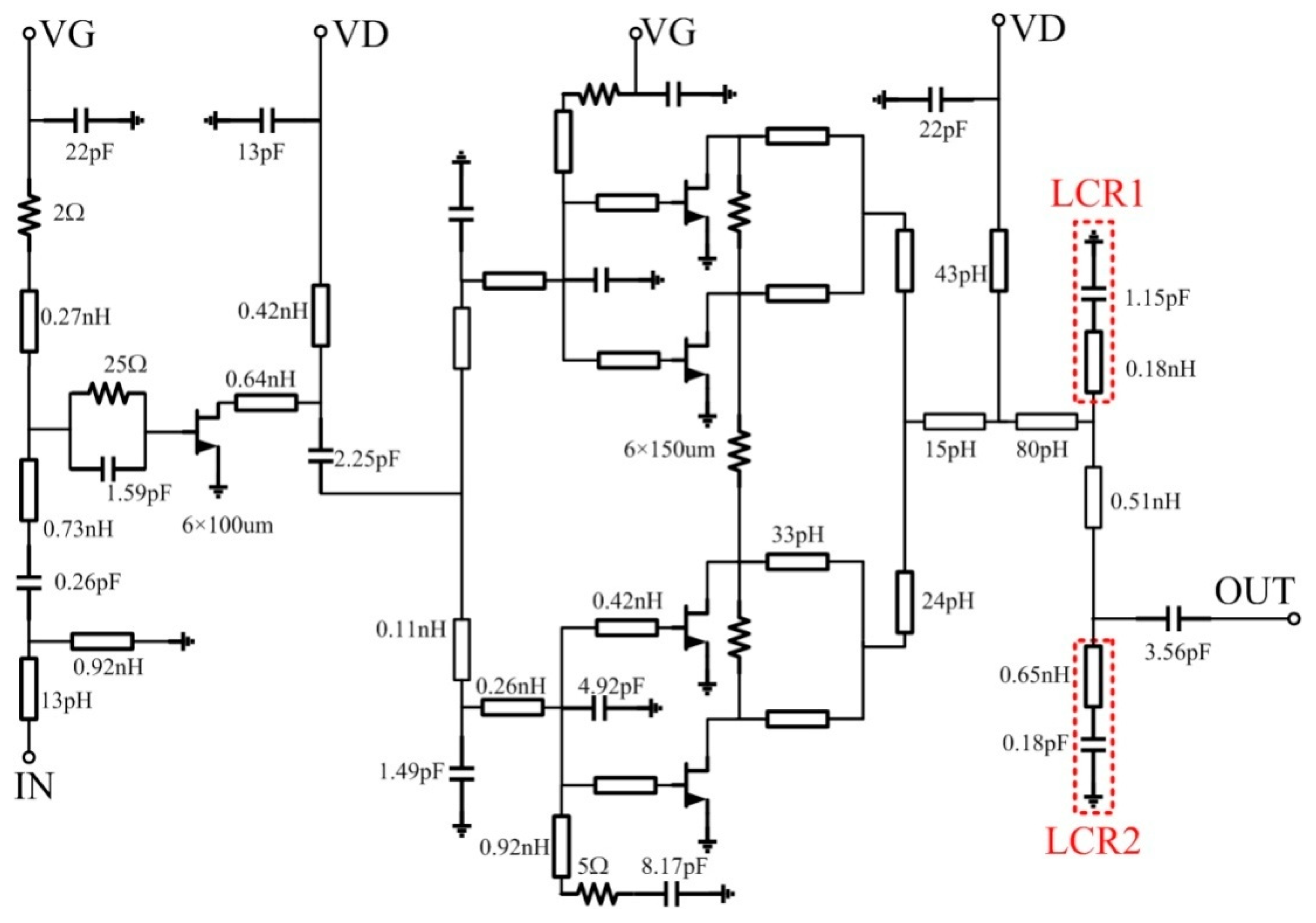
2. Design Methods
3. Measurement Results
4. Discussion and Conclusions
Author Contributions
Funding
Institutional Review Board Statement
Informed Consent Statement
Data Availability Statement
Acknowledgments
Conflicts of Interest
References
- Sian, J.; Sumit, R. FMCW Radar Network: Multiple Access and Interference Mitigation. IEEE Sel. Top. Signal Process. 2021, 15, 968–979. [Google Scholar]
- Chenguang, S.; Lintao, D.; Fei, W.; Sana, S.; Jianjiang, Z. Joint Target Assignment and Resource Optimization Framework for Multitarget Tracking in Phased Array Radar Network. IEEE Syst. J. 2021, 15, 4379–4390. [Google Scholar]
- Rocco, G.; Paolo, C.; Ferdinando, C.; Fabio, V.; Mariano, L.; Lorena, C. A 17.3–20.2-GHz GaN-Si MMIC Balanced HPA for Very High Throughput Satellites. IEEE Microw. Wirel. Compon. Lett. 2021, 31, 296–299. [Google Scholar]
- Liulin, H.; Xuejie, L.; Fan, Z.; Haifeng, W.; Shenglin, M.; Qian, L.; Xiaohong, T. A Wideband High-Efficiency GaN MMIC Power Amplifier for Sub-6-GHz Applications. Micromachines 2021, 13, 793. [Google Scholar]
- Jill, C.M.; Donald, Y.C.L.; Jerry, L. A Highly Efficient 18–40 GHz Linear Power Amplifier in 40-nm GaN for mm-Wave 5G. IEEE Microw. Wirel. Compon. Lett. 2021, 31, 1008–1011. [Google Scholar]
- Scappaviva, F.; Bosi, G.; Biondi, A.; D’Angelo, S.; Cariani, L.; Vadalà, V.; Raffo, A.; Resca, D.; Cipriani, E.; Vannini, G. Advances in Ku-Band GaN Single Chip Front End for Space SARs: From System Specifications to Technology Selection. Electronics 2022, 11, 2998. [Google Scholar] [CrossRef]
- Zhao, H.; Zhang, D. Dual-Band Class-F Power Amplifier With Bandwidth Expansion Based on Sector Microstrip Branch for 5G Applications. IEEE Microw. Wirel. Compon. Lett. 2021, 31, 877–880. [Google Scholar] [CrossRef]
- Dawid, K.; Daniel, G.; Wojciech, W. A GaN HEMT Amplifier Design for Phased Array Radars and 5G New Radios. Micromachines 2020, 11, 398. [Google Scholar]
- Min, P.L.; Seil, K.; Sung, J.H.; Dong, W. Compact 20-W GaN Internally Matched Power Amplifier for 2.5 GHz to 6 GHz Jammer Systems. Micromachines 2020, 11, 375. [Google Scholar]
- Jeong, J.-C.; Jang, D.-P.; Han, B.-G.; Yom, I.-B. A Compact C-Band 50 W AlGaN/GaN High-Power MMIC Amplifier for Radar Applications. ETRI J. 2014, 36, 498–501. [Google Scholar] [CrossRef]
- Roberto, Q.; Vittorio, C.; Marco, P.; Giovanni, G. GaN Monolithic Power Amplifiers for Microwave Backhaul Applications. Electronics 2016, 5, 25. [Google Scholar]
- Marc, V.H.; Peter, D.H.; Claude, D.; Philippe, F.; Grzegorz, A.; Natanael, A.; Frank, V.V. C-Band Single-Chip Radar Front-End in AlGaN/GaN Technology. IEEE Trans. Microw. Theory Tech. 2017, 65, 4428–4437. [Google Scholar]
- Kefeng, H.; Li, G. Design of 0.6–0.8-GHz and 1.6–1.9-GHz Dual-Band PA With Peak PAEs of Over 70% by NPE Method with Dynamical Continuous-Mode Criteria. IEEE Microw. Wirel. Compon. Lett. 2021, 31, 877–880. [Google Scholar]
- Hu, A.; Leng, Y.; Qin, X.; Luan, T.; Peng, Y. A 7–13 GHz 10 W High-Efficiency MMIC Power Amplifier in 0.25 µm GaN HEMT Process. Appl. Sci. 2022, 12, 10872. [Google Scholar] [CrossRef]
- Hongqi, T.; Jiawen, W.; Yi, W.; Dongdong, M.; Hanzhang, C.; Wen, W.; Tongde, H. High-Power Ka/Ku Dual-Wideband GaN Power Amplifier With High Input Isolation and Transformer-Combined Load Design. IEEE Microw. Wirel. Compon. Lett. 2021, 31, 49–51. [Google Scholar]
- Nicholas, E.; Edmar, C.; James, S.; Lani, B. High-Efficiency Ka-band GaN Power Amplifiers. In Proceedings of the 2019 IEEE MTT-S International Microwave Symposium, Boston, MA, USA, 2–7 June 2019. [Google Scholar]
- Nasri, A.; Estebsari, M.; Toofan, S.; Piacibello, A.; Pirola, M.; Camarchia, V.; Ramella, C. Broadband Class-J GaN Doherty Power Amplifier. Electronics 2022, 11, 552. [Google Scholar] [CrossRef]
- Mohammad, G.; Vahid, N. Design of a 50-W Power Amplifier With TwoOctave Bandwidth and High-Efficiency Using a Systematic Optimization Approach. IEEE Microw. Wirel. Compon. Lett. 2021, 31, 501–504. [Google Scholar]
- Wu, H.; Lin, Q.; Zhu, L.; Chen, S.; Chen, Y.; Hu, L. A 2 to 18 GHz Compact High-Gain and High-Power GaN Amplifier. In Proceedings of the 2019 IEEE MTT-S International Microwave Symposium, Boston, MA, USA, 2–7 June 2019. [Google Scholar]
- Heng, X.; Yu, C.; Yan, D.; Lei, W.; Yong, F. A C-Band High-Efficiency Power Amplifier MMIC With Second-Harmonic Control in 0.25 µm GaN HEMT Technology. IEEE Microw. Wirel. Compon. Lett. 2021, 31, 1303–1306. [Google Scholar]
- Nasri, A.; Estebsari, M.; Toofan, S.; Piacibello, A.; Pirola, M.; Camarchia, V.; Ramella, C. Design of a Wideband Doherty Power Amplifier with High Efficiency for 5G Application. Electronics 2021, 10, 873. [Google Scholar] [CrossRef]
- Corrado, F.; Rafael, C.; Alberto, S.; Fabio, F. Design of 40-W AlGaN/GaN MMIC High Power Amplifiers for -Band SAR Applications. IEEE Trans. Microw. Theory Tech. 2013, 61, 4492–4504. [Google Scholar]
- Jin, C.; Gao, Y.; Chen, W.; Huang, J.; Wang, Z.; Mo, J.; Yu, F. X-Band High-Efficiency Continuous Class B Power Amplifier GaN MMIC Assisted by Input Second-Harmonic Tuning. Electronics 2019, 8, 1312. [Google Scholar] [CrossRef]
- Quaglia, R. Improvement of Small Signal Equivalent Simulations for Power and Efficiency Matching of GaN HEMTs. Electronics 2021, 10, 263. [Google Scholar] [CrossRef]
- Fan, Y.; Wan, J.; Yang, Z.; Zhang, S.; Zhao, J.; Gao, G.; Zhang, X.; Shen, H.; Xiao, N.; Zhang, Y.; et al. Coplanar Asymmetry Transformer Distributed Modeling for X-Band Drive Power Amplifier Design on GaN Process. Electronics 2022, 11, 2478. [Google Scholar] [CrossRef]
- Qorvo. TGA2307. Available online: www.qorvo.com (accessed on 30 January 2022).
- Analog Devices. ADPA1107. Available online: www.analog.com (accessed on 15 July 2022).
- Wolfspeed. CMPA5259025S. Available online: www.wolfspeed.com (accessed on 25 June 2022).
- Gian, P.G.; Corrado, F.; Alberto, S.; Tommaso, C.; Zoya, P. Isotrap Pulsed I V Characterization of GaN HEMTs for PA Design. IEEE Microw. Wirel. Compon. Lett. 2018, 28, 672–674. [Google Scholar]
- Moïse, S.M.; Denis, G.M.; Yulia, V.R.; Vladimir, G.K.; Andrei, G.; Mury, T. Generalized Class-E Power Amplifier with Shunt Capacitance and Shunt Filter. IEEE Trans. Microw. Theory Tech. 2019, 67, 3464–3474. [Google Scholar]
- Joonhyung, K. Highly Efficient Asymmetric Class-F−1/F GaN Doherty Amplifier. IEEE Trans. Microw. Theory Tech. 2018, 66, 4070–4077. [Google Scholar]
- Sagar, K.D.; Tushar, S.; Ning, Z.; Ramzi, D.; Roy, M.; Damon, G.H.; Vince, M.; Fadhel, M.G. Input-Harmonic-Controlled Broadband Continuous Class-F Power Amplifiers for Sub-6-GHz 5G Applications. IEEE Trans. Microw. Theory Tech. 2020, 68, 3120–3133. [Google Scholar]
- Tushar, S.; Sagar, K.D.; Damon, G.H.; Ramzi, D.; Srinidhi, E.R.; Joseph, S.; Jeffrey, K.J.; Fadhel, M.G. Simplified First-Pass Design of High-Efficiency Class-F−1 Power Amplifiers Based on Second-Harmonic Minima. IEEE Trans. Microw. Theory Tech. 2019, 67, 3147–3161. [Google Scholar]
- Mary, A.L.Y.; Karun, R.; Patrick, R. Nonlinear Embedding Model-Based Continuous Class E/F Power Amplifier. Nonlinear Embedding Model-Based Continuous Class E/F Power Amplifier. IEEE Trans. Microw. Theory Tech. 2019, 67, 714–717. [Google Scholar]
- Saeed, R.; Sobhan, R. Design of a high efficiency class-F power amplifier with large signal and small signal measurements. Measurement 2020, 149, 106991. [Google Scholar]
- Xu, Y.; Wang, C.; Sun, H.; Wen, Z.; Wu, Y.; Xu, R.; Yu, X.; Ren, C.; Wang, Z.; Zhang, B.; et al. A Scalable Large-Signal Multiharmonic Model of AlGaN/GaN HEMTs and Its Application in C-Band High Power Amplifier MMIC. IEEE Trans. Microw. Theory Tech. 2017, 65, 2836–2846. [Google Scholar] [CrossRef]
- Cai, Q.; Che, W.; Ma, K.; Gu, L. A Simple Method of Designing High-Efficiency Second-Harmonic-Tuned Power Amplifier. IEEE Microw. Wirel. Compon. Lett. 2017, 27, 1149–1151. [Google Scholar] [CrossRef]
- Junghwan, S.; Yunsik, P.; Ildu, K.; Junghwan, M.; Bumman, K. Broadband Saturated Power Amplifier with Harmonic Control Circuits. IEEE Microw. Wirel. Compon. Lett. 2014, 24, 185–187. [Google Scholar]
- Cai, Q.; Che, W.; Ma, K.; Gu, L. A Concurrent Dual-Band High-Efficiency Power Amplifier with a Novel Harmonic Control Network. IEEE Microw. Wirel. Compon. Lett. 2018, 28, 918–920. [Google Scholar] [CrossRef]












| Reference | Frequency (GHz) | Pout (W) | PAE (%) | Power Gain (dB) | Die Area (mm2) | SHS (dBc) |
|---|---|---|---|---|---|---|
| [10] | 5.5–6.2 | 50 | 35–42 | 22 | 3.8 × 3.9 | -- |
| [20] | 5.6–6.3 | 30 | 59–62 | 21 | 4.2 × 4.0 | -- |
| [22] | 5.0–5.8 | 40 | 41–45 | 21 | 4.5 × 4.0 | -- |
| [26] | 5.0–6.0 | 50 | 42–46 | 20 | 4.3 × 4.3 * | >34 |
| [27] | 4.8–6.0 | 30 | 54–58 | 20 | 6.0 × 6.0 * | -- |
| [28] | 5.2–5.9 | 40 | 53–56 | 25 | 5.0 × 5.0 * | >29 |
| [36] | 5.0–6.0 | 60 | 42–45 | 25 | 3.2 × 5.3 | -- |
| This work | 5.0–6.0 | 30 | 57–62 | 24 | 3.3 × 3.1 | >45 |
Publisher’s Note: MDPI stays neutral with regard to jurisdictional claims in published maps and institutional affiliations. |
© 2022 by the authors. Licensee MDPI, Basel, Switzerland. This article is an open access article distributed under the terms and conditions of the Creative Commons Attribution (CC BY) license (https://creativecommons.org/licenses/by/4.0/).
Share and Cite
Yang, F.; Song, L.; Xu, Y. C-Band 30 W High PAE Power Amplifier MMIC with Second Harmonic Suppression for Radar Network Application. Micromachines 2022, 13, 2079. https://doi.org/10.3390/mi13122079
Yang F, Song L, Xu Y. C-Band 30 W High PAE Power Amplifier MMIC with Second Harmonic Suppression for Radar Network Application. Micromachines. 2022; 13(12):2079. https://doi.org/10.3390/mi13122079
Chicago/Turabian StyleYang, Fan, Leijun Song, and Yuehang Xu. 2022. "C-Band 30 W High PAE Power Amplifier MMIC with Second Harmonic Suppression for Radar Network Application" Micromachines 13, no. 12: 2079. https://doi.org/10.3390/mi13122079
APA StyleYang, F., Song, L., & Xu, Y. (2022). C-Band 30 W High PAE Power Amplifier MMIC with Second Harmonic Suppression for Radar Network Application. Micromachines, 13(12), 2079. https://doi.org/10.3390/mi13122079

