Adaptive near Real-Time RFI Mitigation Using Karhunen–Loève Transform
Abstract
1. Introduction
1.1. Radio Frequency Interference
1.2. The Karhunen–Loève Transform
1.3. Using KLT Decomposition for RFI Mitigation
1.4. KLT Direct Excision
2. Materials and Methods
2.1. Experimental Set-Up Description
2.2. Mitigation Performance Evaluation
- A Delta function: An instantaneous signal where all the RFI power is concentrated in a single, randomly chosen temporal bin.
- A train of pulses with a 10% duty cycle: a train of rectangular pulses with a Pulse Repetition Time (PRT) of samples, a pulse width of samples, and a central frequency of .
- A train of pulses with a 50% duty cycle: a sequence of rectangular pulses sharing the same PRT and frequency, each with a pulse width of samples.
- A continuous wave (CW): A single tone signal (sinusoidal), simulating a narrowband modulation, of of frequency.
- An amplitude-modulated continuous wave (CW): A single-tone sinusoidal signal centered at frequency , representing narrowband modulation, and modulated by a slowly varying signal formed by the sum of two Gaussian envelopes to introduce non-stationarity.
- A narrowband chirp signal centred at : A linearly swept chirp with a bandwidth of and a pulse repetition time of samples. Such chirp patterns are typical of RADAR signals and jamming sources.
- A wideband chirp signal: A linearly swept chirp covering a bandwidth of , with a pulse repetition time of samples.
- The combination of a CW and a narrowband chirp signal, as defined above.
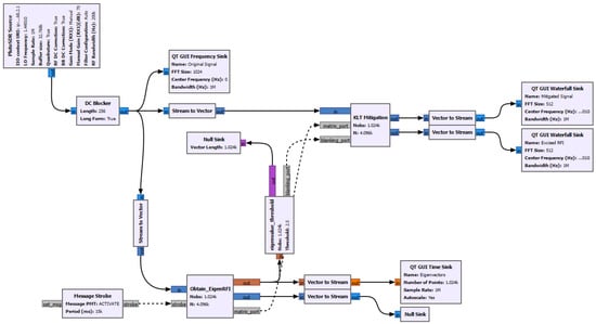
2.3. Real-Time Asynchronous Mitigator Description
3. Results
3.1. Mitigation Performance
- Temporal is ideal for delta functions and pulsed signals, and less for the modulated CW. It reaches good mitigations (<−25 dB) for moderate resolution loss (<8%), particularly in the case of low duty cycles. However, it does not work for narrowband signals.
- DFT offers very good performance for narrowband RFI, particularly for CW signals, achieving performances of <−30 dB with low resolution loss (<2%). However, it does not work for wideband signals.
- STFT is able to mitigate all types of waveform, but achieving lower performances for selected types than the above. For example, it is able to mitigate both delta functions and CW, but temporal and DFT offer a better performance for these types, respectively. In addition, the resulting resolution loss is quite high (reaching (>20%) for INR > 10.
- DWT is qualitatively similar. It offers better results for delta functions, but its performance is below STFT for the rest of the types.

3.2. Operation in Real Time
4. Conclusions
Author Contributions
Funding
Data Availability Statement
Conflicts of Interest
Abbreviations
| RFI | Radio Frequency Interference |
| KLT | Karhunen–Loève Transform |
| PCA | Principal Component Analysis |
| SVD | Singular Value Decomposition |
| SDR | Software Defined Radio |
| COTS | Commercial Off-The-Shelf |
| ADC | Analog-to-Digital Converter |
| AGC | Automatic Gain Control |
| I/Q | In-phase/Quadrature |
| INR | Interference-to-Noise Ratio |
| CW | Continuous Wave |
| FMCW | Frequency-Modulated Continuous Wave |
| RL | Resolution Loss |
| MP | Mitigation Performance |
| ITU | International Telecommunication Union |
References
- Ruf, C.; Misra, S.; Gross, S.; De Roo, R. Detection of RFI by Its Amplitude Probability Distribution. In Proceedings of the 2006 IEEE International Symposium on Geoscience and Remote Sensing, Denver, CO, USA, 31 July–4 August 2006; IEEE: New York, NY, USA, 2006; pp. 2289–2291. [Google Scholar]
- De Roo, R.D.; Misra, S.; Ruf, C.S. Sensitivity of the Kurtosis Statistic as a Detector of Pulsed Sinusoidal RFI. IEEE Trans. Geosci. Remote Sens. 2007, 45, 1938–1946. [Google Scholar] [CrossRef]
- De Roo, R.D. A Simplified Calculation of the Kurtosis for RFI Detection. IEEE Trans. Geosci. Remote Sens. 2009, 47, 3755–3760. [Google Scholar] [CrossRef]
- Tarongi, J.M.; Camps, A. Normality Analysis for RFI Detection in Microwave Radiometry. Remote Sens. 2009, 2, 191–210. [Google Scholar] [CrossRef]
- Tarongí Bauzá, J.M. Radio Frequency Interference in Microwave Radiometry: Statistical Analysis and Study of Techniques for Detection and Mitigation. Ph.D. Thesis, Universitat Politècnica de Catalunya, Barcelona, Spain, 2013. [Google Scholar]
- Forte, G.F.; Bauza, J.M.T.; Depau, V.; Vall-llosera, M.; Camps, A. Experimental Study on the Performance of RFI Detection Algorithms in Microwave Radiometry: Toward an Optimum Combined Test. IEEE Trans. Geosci. Remote Sens. 2013, 51, 4936–4944. [Google Scholar] [CrossRef]
- Vrabie, V.; Granjon, P.; Serviere, C. Spectral Kurtosis: From Definition to Application. In Proceedings of the 6th IEEE International Workshop on Nonlinear Signal and Image Processing (NSIP 2003), Grado, Italy, 8–11 June 2003. [Google Scholar]
- Antoni, J. The Spectral Kurtosis: A Useful Tool for Characterising Non-Stationary Signals. Mech. Syst. Signal Process. 2006, 20, 282–307. [Google Scholar] [CrossRef]
- Søbjærg, S.S.; Svoboda, J.; Balling, J.E.; Skou, N. Detection of Radio-Frequency Interference in Microwave Radiometers Using Spectral Kurtosis. In Proceedings of the 2012 IEEE International Geoscience and Remote Sensing Symposium, Munich, Germany, 22–27 July 2012; IEEE: New York, NY, USA, 2012; pp. 7141–7144. [Google Scholar]
- Taylor, J.; Denman, N.; Bandura, K.; Berger, P.; Masui, K.; Renard, A.; Tretyakov, I.; Vanderlinde, K. Spectral Kurtosis-Based RFI Mitigation for CHIME. J. Astron. Instrum. 2019, 8, 1940004. [Google Scholar] [CrossRef]
- Díez-García, R.; Camps, A. A Novel RFI Detection Method for Microwave Radiometers Using Multilag Correlators. IEEE Trans. Geosci. Remote Sens. 2021, 60, 1–12. [Google Scholar] [CrossRef]
- Lahtinen, J.; Kovanen, A.; Lehtinen, K.; Kristensen, S.S.; Søbjærg, S.S.; Skou, N.; D’Addio, S. Real-Time RFI Processor for the Next Generation Satellite Radiometers. In Proceedings of the 2018 IEEE 15th Specialist Meeting on Microwave Radiometry and Remote Sensing of the Environment (MicroRad), Cambridge, MA, USA, 27–30 March 2018; IEEE: New York, NY, USA, 2018; pp. 1–6. [Google Scholar]
- Kainulainen, J.; Kristensen, S.S.; Saarinen, T.; Uusitalo, J.; Søbjærg, S.S.; Martín-Neira, M. Demonstration of the Polarimetric Cross-Frequency Algorithm for RFI Detection and Filtering. In Proceedings of the IGARSS 2023-2023 IEEE International Geoscience and Remote Sensing Symposium, Pasadena, CA, USA, 16–21 July 2023; IEEE: New York, NY, USA, 2023; pp. 5475–5478. [Google Scholar]
- Kristensen, S.S.; Balling, J.; Skou, N.; Søbjœrg, S.S. RFI in SMOS Data Detected by Polarimetry. In Proceedings of the 2012 IEEE International Geoscience and Remote Sensing Symposium, Munich, Germany, 22–27 July 2012; IEEE: New York, NY, USA, 2012; pp. 3320–3323. [Google Scholar]
- Tarongi, J.M.; Camps, A. Radio Frequency Interference Detection and Mitigation Algorithms Based on Spectrogram Analysis. Algorithms 2011, 4, 239–261. [Google Scholar] [CrossRef]
- Zhao, T.; Zhang, Y.; Yang, L.; Dong, Z.; Liang, D. The RFI Suppression Method Based on STFT Applied to SAR. Prog. Electromagn. Res. M 2013, 31, 171–188. [Google Scholar] [CrossRef]
- Mohammed, P.N.; Aksoy, M.; Piepmeier, J.R.; Johnson, J.T.; Bringer, A. SMAP L-band Microwave Radiometer: RFI Mitigation Prelaunch Analysis and First Year On-orbit Observations. IEEE Trans. Geosci. Remote Sens. 2016, 54, 6035–6047. [Google Scholar] [CrossRef]
- Camps, A.; Tarongí, J.M. RFI Mitigation in Microwave Radiometry Using Wavelets. Algorithms 2009, 2, 1248–1262. [Google Scholar] [CrossRef]
- Querol, J.; Alonso-Arroyo, A.; Onrubia, R.; Pascual, D.; Camps, A. Assessment of Back-End RFI Mitigation Techniques in Passive Remote Sensing. In Proceedings of the Geoscience and Remote Sensing Symposium (IGARSS), 2015 IEEE International, Milan, Italy, 13–18 July 2015; IEEE: New York, NY, USA, 2015; pp. 4746–4749. [Google Scholar]
- Querol, J. Radio Frequency Interference Detection and Mitigation Techniques for Navigation and Earth Observation. Ph.D. Thesis, Universitat Politècnica de Catalunya, Barcelona, Spain, 2018. Available online: https://www.tdx.cat/handle/10803/663905 (accessed on 23 December 2022).
- Díez-García, R.; Camps, A.; Park, H. On the Potential of Empirical Mode Decomposition for RFI Mitigation in Microwave Radiometry. IEEE Trans. Geosci. Remote Sens. 2022, 60, 5304810. [Google Scholar] [CrossRef]
- González-Gambau, V.; Turiel, A.; Olmedo, E.; Martinez, J.; Corbella, I.; Camps, A. Nodal Sampling: A New Image Reconstruction Algorithm for SMOS. IEEE Trans. Geosci. Remote Sens. 2015, 54, 2314–2328. [Google Scholar] [CrossRef]
- Faucheron, R.; Anterrieu, E.; Yu, L.; Khazaal, A.; Rodríguez-Fernández, N.J. Deep Learning Based Approach in Imaging Radiometry by Aperture Synthesis: An Alias-Free Method. IEEE J. Sel. Top. Appl. Earth Obs. Remote Sens. 2024, 17, 6693–6711. [Google Scholar] [CrossRef]
- Kerrigan, J.; Plante, P.L.; Kohn, S.; Pober, J.C.; Aguirre, J.; Abdurashidova, Z.; Alexander, P.; Ali, Z.S.; Balfour, Y.; Beardsley, A.P.; et al. Optimizing Sparse RFI Prediction Using Deep Learning. Mon. Not. R. Astron. Soc. 2019, 488, 2605–2615. [Google Scholar] [CrossRef]
- Sun, H.; Deng, H.; Wang, F.; Mei, Y.; Xu, T.; Smirnov, O.; Deng, L.; Wei, S. A Robust RFI Identification for Radio Interferometry Based on a Convolutional Neural Network. Mon. Not. R. Astron. Soc. 2022, 512, 2025–2033. [Google Scholar] [CrossRef]
- Mohammed, P.N.; Piepmeier, J.R. Microwave Radiometer RFI Detection Using Deep Learning. IEEE J. Sel. Top. Appl. Earth Obs. Remote Sens. 2021, 14, 6398–6405. [Google Scholar] [CrossRef]
- Nazar, I.M.; Aksoy, M. Radio Frequency Interference Detection in Microwave Radiometry Using Support Vector Machines. Radio Sci. Lett. 2020, 2, 20–34. [Google Scholar]
- Karhunen, K. Ueber Lineare Methoden in der Wahrscheinlichkeitsrechnung; Annales Academiae Scientiarum Fennicae, Series A, 1, Mathematica-Physica; Universitat Helsinki: Helsinki, Finland, 1947. [Google Scholar]
- Loeve, M. Probability Theory: Foundations, Random Sequences; Van Nostrand: New York, NY, USA, 1955. [Google Scholar]
- Gerbrands, J.J. On the Relationships Between SVD, KLT and PCA. Pattern Recognit. 1981, 14, 375–381. [Google Scholar] [CrossRef]
- Stark, H.; Woods, J.W. Probability, Random Processes, and Estimation Theory for Engineers; Prentice-Hall, Inc.: Saddle River, NJ, USA, 1986. [Google Scholar]
- Díez-García, R.; Camps, A.; Park, H. RFI Mitigation in Microwave Radiometry Using the Karhunen–Loève Transform. IEEE Trans. Geosci. Remote Sens. 2023, 61, 5302513. [Google Scholar] [CrossRef]
- Guner, B.; Johnson, J.T.; Niamsuwan, N. Time and Frequency Blanking for Radio-Frequency Interference Mitigation in Microwave Radiometry. IEEE Trans. Geosci. Remote Sens. 2007, 45, 3672–3679. [Google Scholar] [CrossRef]
- Querol, J.; Onrubia, R.; Alonso-Arroyo, A.; Pascual, D.; Park, H.; Camps, A. Performance Assessment of Time–Frequency RFI Mitigation Techniques in Microwave Radiometry. IEEE J. Sel. Top. Appl. Earth Obs. Remote Sens. 2017, 10, 3096–3106. [Google Scholar] [CrossRef]
- Analog Devices. ADALM-PLUTO Overview. 2024. Available online: https://wiki.analog.com/university/tools/pluto (accessed on 28 November 2024).
- Analog Devices. AD9363 Datasheet. 2024. Available online: https://www.analog.com/media/en/technical-documentation/data-sheets/AD9363.pdf (accessed on 28 November 2024).
- Analog Devices. What Is libiio? 2024. Available online: https://wiki.analog.com/resources/tools-software/linux-software/libiio (accessed on 28 November 2024).
- Díez-García, R. New Methods for Radio Frequency Interference in Microwave Radiometry. Ph.D Thesis; Universitat Politècnica de Catalunya: Barcelona, Spain, 2025. Available online: http://hdl.handle.net/10803/694933 (accessed on 23 July 2025).
- Golub, G.H.; Van Loan, C.F. Matrix Computations; JHU Press: Baltimore, MD, USA, 2013. [Google Scholar]
- Le Vine, D.M.; Dinnat, E.P. Sensitivity of Wide Bandwidth Radiometer for Remote Sensing of Ocean Salinity. IEEE Trans. Geosci. Remote Sens. 2021, 60, 5301517. [Google Scholar]





Disclaimer/Publisher’s Note: The statements, opinions and data contained in all publications are solely those of the individual author(s) and contributor(s) and not of MDPI and/or the editor(s). MDPI and/or the editor(s) disclaim responsibility for any injury to people or property resulting from any ideas, methods, instructions or products referred to in the content. |
© 2025 by the authors. Licensee MDPI, Basel, Switzerland. This article is an open access article distributed under the terms and conditions of the Creative Commons Attribution (CC BY) license (https://creativecommons.org/licenses/by/4.0/).
Share and Cite
Díez-García, R.; Camps, A. Adaptive near Real-Time RFI Mitigation Using Karhunen–Loève Transform. Remote Sens. 2025, 17, 2578. https://doi.org/10.3390/rs17152578
Díez-García R, Camps A. Adaptive near Real-Time RFI Mitigation Using Karhunen–Loève Transform. Remote Sensing. 2025; 17(15):2578. https://doi.org/10.3390/rs17152578
Chicago/Turabian StyleDíez-García, Raúl, and Adriano Camps. 2025. "Adaptive near Real-Time RFI Mitigation Using Karhunen–Loève Transform" Remote Sensing 17, no. 15: 2578. https://doi.org/10.3390/rs17152578
APA StyleDíez-García, R., & Camps, A. (2025). Adaptive near Real-Time RFI Mitigation Using Karhunen–Loève Transform. Remote Sensing, 17(15), 2578. https://doi.org/10.3390/rs17152578

