Next Article in Journal
The Interplay of Environmental Dynamism, Digitalization Capability, Green Entrepreneurial Orientation, and Sustainable Performance
Previous Article in Journal
Impacts of Spatiotemporal and COVID-19 Factors on Bike-Share Ride Duration in Detroit
 
 
Font Type:
Arial Georgia Verdana
Font Size:
Aa Aa Aa
Line Spacing:
Column Width:
Background:
Article

Multi-Criteria Decision Making Methods for Suitable Site Selection of Concentrating Solar Power Plants

by
Hichem Farsi
1,*,
Rabah Dizene
1,
Gilles Flamant
2 and
Gilles Notton
3
1
Laboratory of Energy Mechanics and Conversion Systems, University of Science and Technology Houari Boumediene (USTHB), BP 32, Bab Ezzouar, Algiers 16111, Algeria
2
Processes, Materials and Solar Energy Laboratory, PROMES-CNRS, 7, Rue du Four Solaire, 66120 Font Romeu, France
3
Science for Environment Laboratory, University of Corsica, UMR CNRS 6134, 20000 Ajaccio, France
*
Author to whom correspondence should be addressed.
Sustainability 2024, 16(17), 7673; https://doi.org/10.3390/su16177673
Submission received: 19 July 2024 / Revised: 23 August 2024 / Accepted: 31 August 2024 / Published: 4 September 2024
(This article belongs to the Section Energy Sustainability)

Abstract

The present paper deals with the application of a Multi-Criteria Evaluation approach (MCE) to carry out site selection for Concentrating Solar Power plants (CSP). As this work demonstrates, multi-criteria analysis can provide a technical–scientific decision making tool capable of justifying choices in a clear and coherent manner, particularly in the renewable energy sector. The site selection for CSP is a complex topic. Although it has a significant impact on project costs, this issue has received little attention in the literature. A practical methodology based on a multi-criteria analysis is presented. Several potential sites called alternatives are compared, using a combination of Multi-Criteria Decision Making methods (MCDM) such as the Analytical Hierarchy Process (AHP), Scoring method and Benayoun and Tergny Algorithm. The relevance of this combination is examined through a case study of Algeria, a country with a high potential for CSP projects. The comparative analysis is carried out for a set of alternatives (Kenadsa, Abdala, Naâma and Hassi R’Mel). The assessment of alternatives and their ranking are discussed according to several scenarios, both for approaches used to estimate the criteria weights (AHP, weights affected in different manner) and for the two MCDM methods chosen for the present study. The methodology provides a better understanding of the site selection process for CSP, which would encourage their large-scale deployment on the green electricity market.

1. Introduction

Solar energy is the most abundant renewable resource in Algeria. The annual duration of insolation exceeds 2000 h over almost the country and reaches 3900 h in southern regions. The direct solar irradiation received is 5.5 to 7.5 kWh.m−2.day−1 from north to south [1].
Solar thermal power plants, i.e., Concentrating Solar Power (CSP), offer advantages for large-scale electricity production. They can incorporate thermal energy storage. They can also be integrated with natural gas in hybrid power plants. The technical potential of CSP in Algeria has been estimated at 169,440 TWh.year−1 [2]. However, the only power plant in operation in the country is Solar Power Plant 1 (SPP1), which is located in Hassi R’Mel (northern Sahara).
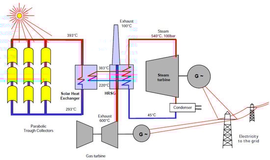
SPP1 is an Integrated Solar Combined Cycle (ISCC) with an installed capacity of 150 MW, with 25 MW from solar energy [3]. The technology used is Parabolic Trough Collectors (PTCs), providing additional thermal energy to the combined cycle (Figure 1). The PTC technology is at a more advanced stage than other CSP technologies (linear Fresnel, solar tower, parabolic dish). There are 224 solar collectors connected in 54 loops making up the solar array, with an input–output temperature range (290 °C–390 °C) for the heat transfer fluid (Therminol-VP1). The power block consists of two SGT-800 gas turbines (2 × 45 MW) and an SST-900 steam turbine (80 MW). The heat transfer fluid, heated by the sun’s rays concentrated by PTCs, transmits the thermal energy to a secondary circuit (water) (Figure 2). The additional steam produced is fed into the heat recovery steam generator, which is simultaneously heated by exhaust gases. All the steam produced is then introduced into the steam turbine to generate electricity.
However, CSP remains a capital-intensive technology. The development of the corresponding market in Algeria should therefore go along with a policy for promotion schemes and cost reduction. The main approaches for reducing costs are technological breakthroughs, improving efficiency and the scale effect. An interesting approach, little discussed in the literature, is the optimisation of the site selection process. The quality of selected sites (called alternatives) is directly related to electricity production costs [5].
Limited studies deal with site selection for CSP [6,7,8,9,10,11,12,13]. In most of these studies, authors have combined Multi-Criteria Decision Making methods (MCDM) with Geographic Information Systems (GISs) to estimate CSP potential for a selected region. Merrouni et al. [6] used the Analytic Hierarchy Process method (AHP) to determine criteria weights and GISs to estimate CSP potential (Eastern Morocco). Broesamle et al. [7] used GISs combined with a Solar Thermal Evaluation Power System tool (STEPS) to estimate the technical–economic potential of CSP in North Africa.
Sanchez-Lozano et al. [8] pointed out that it is not only necessary to identify suitable sites but it is also important to identify optimal ones. Some authors have indicated the high degree of complexity of this issue [6,8]. They have highlighted that selecting a potential site that meets technical requirements needs extensive study. Azoumah et al. [9] adopted a different approach, by proposing siting guidelines and using maps (solar resource, topography, infrastructures) for a case study (Burkina Faso). Rungundu et al. [10] ranked fifty alternatives in West Africa countries. They considered a set of three weighted criteria (solar resources, proximity to a high voltage line, geopolitical stability). The weighted sum was calculated to rank alternatives.
In the present study, a different approach has been adopted. A limited number of pre-selected alternatives (n t are considered. A comparative analysis of alternatives is performed in order to rank them and thus identify best possible sites. The consistency of this ranking is analysed with regard to uncertainties associated with the evaluation of alternative performances.
The methodology proposed for this purpose aims to carry out the site selection process as rationally and comprehensively as possible. To this end, the use of a multi-criteria analysis is a relevant option. MCDM methods are flexible tools, capable of processing and bringing together a wide range of variables assessed in different ways, and thus are a useful aid for the Decision-Maker.
The methodology analyses whether alternatives match criteria, using, in particular, a combination of several MCDM methods. It therefore reduces the subjective nature of the site selection and encourages the adoption of a mathematical and integrated approach. The ordinal model existing at the beginning is transformed into a cardinal one. Thus, the decision has every chance of being understood and accepted by all project stakeholders. The methodology is then applied to a case study of a country (Algeria) with a high CSP potential [2,5,14,15]. The present study also deals with specific aspects related to the Algerian context: the most important solar resource in the Middle East and North Africa region (MENA), large surface areas, the availability of natural gas, the subsidised electricity market, etc.

2. Methodology

The methodology developed in this paper is based on a multi-criteria analysis. It identifies best suitable sites for CSP projects. It is applied for a case study (Algeria), to provide more insights into local solar energy development and to assist the Decision-Maker with site selection in practise. The different stages of the methodology are set out in Figure 3 and Figure 4.

2.1. Problem Definition

The problem consists of selecting one or more alternatives that offer the best possible performance. Alternatives are ranked and assigned to Suitability Classes. Their performance is assessed towards a set of criteria.

2.2. Criteria Management

A criterion represents a measurable aspect of a judgement that allows the performance of an alternative to be quantified with respect to that criterion [6]. Some studies have drawn up an exhaustive list of criteria [16,17]. Günther and Joemann [5] arranged various criteria into four categories: solar radiation, land availability, infrastructure, and political and economic framework.

2.2.1. Shortlist of Criteria

From an exhaustive list of criteria, a shortlist (key factors) is selected. Priorities are expressed by the needs of the Decision-Maker and the knowledge and experience of the Designer. Key factors are considered to be critical for the specific study. The shortlist selection requires careful consideration, based on a review of the existing literature and discussions with experts [17]. Six criteria have been selected for the case study:
  • Solar Resource (SR): The main component of solar radiation, which is useful for concentrating solar energy, is the direct one (Figure 5). The annual value of the Direct Normal Irradiation is considered (DNI, in kWh.m−2.year−1). In the majority of cases, it is the most important criterion and directly linked to power plant costs [18].
  • Land Slope (LS): The site slope is more important for PTCs than other CSP technologies (solar tower, parabolic dish). In the presence of precise data for the sites under consideration, it would be possible to consider the average slope of the site as an indicator for this criterion. A lower value of the average slope reduces civil engineering costs. In the absence of precise data, a more subjective judgement is proposed.
  • Power Grid Access (PGA): This criterion has an important economic impact because of expensive connection costs. PGA relates to the distance between the potential site and the injection point (high-voltage substation) of the electricity which will be produced by the power plant. The electricity grids where the electricity generated would be injected should be 220 kV or higher. For example, in Algeria, it will be 220 KV or 400 kV.
  • Gas Resource (GR): Algeria is a natural gas producer. In parallel with solar-only power plants with heat storage, it could be appropriate, in a transition phase, to find a synergy between solar resource and natural gas (hybridisation). GR relates to the distance between the potential site and natural gas pipelines.
  • Water Availability (WA): Distance to a hydraulic network or even a dam. Water is used for the steam power cycle and mirror cleaning. The Algerian climate is semi-arid to arid. Thus, the use of air condensers (dry cooling) instead of cooling towers (wet cooling) is highly recommended. Hybrid cooling could also be recommended in this case.
  • Road Access (RA): This is a common criterion for all power plant projects. RA relates to the distance between the potential site and appropriate existing roads.

2.2.2. Criteria Weighting

A weight is assigned to each criterion in order to take account of its importance degree. Weight criteria are determined with AHP, which is a method often used for solar power plant site studies [20,21,22,23]. The first step is therefore to compare the relative importance of criteria with each other in a binary way, using the rating scale shown in Table 1.
The matrix M (mij; 1 ≤ i, j ≤ n) is constructed from pairwise comparisons. Diagonal elements of M are all 1 and aij = 1/aji. The weight of a criterion is then calculated as the ratio of the row elements sum and the number of criteria n.
To check the consistency of Wj values, the consistency ratio (CR) is estimated,
C R = C I R I
CI is the Consistency Index:
C I = λ m a x n n 1
λmax is the eigenvalue of the matrix M.
RI is the Random Index. It is a function of the number of criteria n (Table 2).
AHP gives consistent results when the following inequality is met, CR ≤ 0.1.

2.3. Selection of Alternatives

A process similar to that adopted in [16] is used for the selection of alternatives.
The first step is to pre-select around eight potential sites, using tools such as Google Earth and solar and infrastructure maps (DNI, power grid, gas, water, roads, etc.):
  • Department of Naâma: Ain Ben Khelil, Ain Sefra, Naâma, El Biod, Rekab Mta El Kesdir.
  • Department of Bechar: Kenadsa, Abadla.
  • Department of Laghouat: Hassi R’Mel (HRM).
An ideal site should be sunny, flat, big, currently not used, accessible and in proximity to high-voltage power transmission lines.
It should not be forgotten that locations of alternatives depend, in particular, on power needs expressed by the Decision-Maker. For the present study, the national energy operator (Sonelgaz) has expressed the need to increase the capacity of the national interconnected power grid in the south-western region of Algeria (departments of Naâma and Bechar).
The second step consists of field visits in collaboration with local authorities to collect relevant information and data. As a result, four alternatives are selected for further study.

2.4. Assessment of the Alternative Performance

Alternatives are assessed according to a scoring scale {1 to 5}, with 1 being the worst and 5 the best possible score [7,25]. The details are in Table 3.
To assess alternatives, two mathematical methods are used:
  • The Weighted Sum Method (WSM), which is a variant of the Scoring method.
  • The Benayoun and Tergny Algorithm (BTA), adapted to the present study.
Thus, the Decision-Maker will have several interpretations to make the decision.

2.4.1. Weighted Sum Method, WSM

The weighted sum is called the Performance Indicator (PI):
P I i = j = 1 n W j S i j
Wj is the weight of criterion j, 1 ≤ j ≤ n.
Sij is the score of the alternative Ai (1 ≤ i ≤ m) towards the criterion j.
However, it is preferable to use the Normalised Performance Indicator (NPI) which has values ∈ {0 to 100%}. The best alternative has the highest NPI value:
N P I i = P I i P I i d e a l . 100
For PIideal, all of the Ai scores are maximum.
The decision matrix is then constructed by considering criteria weights and scores obtained by alternatives towards the criteria.
Afterwards, a comparison with two threshold values is made:
  • The required threshold, taken as 50% (eligible alternatives). Alternatives with NPIs below this value are eliminated from further consideration.
  • The recommended threshold, taken as 75% (excellent alternatives).
The performance of an alternative is classified into four categories called “Suitability Classes”.
NPI < 50%Poor Suitability
50% ≤ NPI < 2/3Moderately Suitable
2/3 ≤ NPI < 75%Good Suitability
NPI ≥ 75%Highly Suitable
Alternatives are then ranked in decreasing NPI order. It is important to mention here that the site selection process involves margins of error that are quite difficult to estimate. The existence of uncertainties linked to the use of multi-criteria methods has been highlighted [26]. For this purpose and to improve the quality of the process, two parameters are defined and estimated:
  • The relative difference Δ1,i between the NPIi and the best performance NPImax (−100% < Δ1,i ≤ 0%),
1 , i = N P I i N P I m a x N P I m a x . 100
N P I m a x = m a x ( N P I i ) i = 1   t o   m
  • Let us consider alternatives Ai and Aj having performances NPIi and NPIj (NPIi < NPIj). The parameter Δ2,i represents the relative difference between the performance of the alternative Ai and the performance of the alternative Aj immediately preceding it in the ranking (−100% < Δ2,i < 0%).
2 , i = N P I i N P I j N P I j . 100
If the absolute value of Δ2,i is inside the interval [0–X%], the ranking of alternatives Ai and Aj is considered to be the same. For the X value, two scenarios are proposed: Conservative (X = 5%), Moderate (X = 10%).

2.4.2. Sensitivity Analysis

To complete the methodology application, a sensitivity analysis is carried out to explore the influence of the following:
  • The approach estimating criteria weights.
  • The choice of the variant of Scoring method: WSM, Weighted Product Method (WPM), SUM.
Scenarios for Criteria Weighting
In order to analyse the impact of criteria weighting towards alternative performance, five scenarios are considered:
  • Scenario 1. Wj is estimated with AHP.
For other scenarios, Wj is not calculated but assigned.
  • Scenario 2. Less important criteria, Wj = 1; more important one, Wj = 2.
  • Scenario 3. Wj follows a linear progression. Wj ∈ {1 to 6}: Wj = 1 for the least important criterion; Wj = 6 for the most important one.
  • Scenario 4. The most important criterion C1 has a significantly higher weight than the next most important one C2. Then, a linear decrease is set: W1 = 10; W2 = 5; W3 = 4; W4 = 3; W5 = 2; W6 = 1.
  • Scenario 5. Called “iso-Wj”. The six criteria have the same weight. The Decision-Maker has no preference of the criteria.
In the first step, NPI values are compared over scenarios, by using the average value N P I ¯ and the associated dispersion (SD, rSD),
N P I i ¯ = k 5 N P I i , k 5
NPIi,k is NPI for the alternative Ai and the scenario k,
S D i = 1 5 k = 1 5 N P I i , k N P I i ¯ 2
r S D i = S D i N P I i ¯
SD and rSD are, respectively, the (absolute) Standard Deviation and relative Standard Deviation.
In the second step, the ranking of alternatives is analysed by considering the ranking without and with scenarios (X = 5%, X = 10%). Furthermore, to improve the consistency of the ranking, the parameter Ranking Frequency RF-X (0% ≤ RF − X ≤ 100%) is introduced. For the alternative Ai, one looks at the number of times it is ranked in the Xth position (NX; X = 1 to 4) and estimates RF-X (for the five scenarios),
R F X = N X 5 . 100
Finally, in order to aggregate all rankings, an average value is calculated, which enables us to take into account the whole analysis carried out previously.
Variants of Scoring Method
Three variants of the Scoring method are considered:
  • The Weighted Sum Method (WSM).
  • The Weighted Product Method (WPM).
  • The SUM, which corresponds to Scenario 5 (iso-Wj)
The Performance Indicators for the WPM and SUM are defined as
P I W P M , i = j = 1 n S i j W j
P I S U M , i = j = 1 n S i j
The NPI definition for the WPM or SUM is defined in the same manner as for the WSM (Equation (4)).
This section will focus on the following:
  • The compliance with required and recommended thresholds; Suitability Classes.
  • The Performance Indicator’s NPI; the ranking of alternatives.

2.4.3. Benayoun and Tergny Algorithm, BTA

The BTA is based on [27]. Let K be the set of m alternatives, K = {A1, …, Ai, …, Am}. Ai has a series of scores {Si1, …, Sij, …, Sin} corresponding to its performances with respect to n criteria. Let Ai be the alternative that has the best performance (called Mi) with respect to criterion Cj (1 ≤ j ≤ n). It is clear that the point A* = {M1, …, Mi, …, Mn} represents the ideal solution because it corresponds to a maximum on K for every performance. An alternative Ai of K has to be determined, which comes as close as possible to the ideal solution. Benayoun and Tergny proposed a relationship to calculate, for each alternative Ai and each criterion j, deviations Δj from the ideal solution,
j = M j S i j π j
Δj values are used to construct the decision matrix and to calculate the Performance Indicator PIBTA for Ai,
P I B T A , i = j = 1 n W j j
PIBTA is used to rank alternatives. The best alternative has the lowest value of PIBTA, since it minimises the distance to the ideal solution.
Coefficient Δj takes into account the degree of variability of Cj. A criterion is considered to have a low variability if the best performance and the worst one of an alternative are close to each other. Benayoun and Tergny proposed the following formulas,
π j = α j j = 1 n α j
α j = M j m j M j . 1 i = 1 n S i j 2
Mj and mj are, respectively, the best performance and the worst one with respect to the criterion Cj.
As mentioned previously for WSM, the site selection process involves margins of error, which are quite difficult to estimate. For this purpose, two ratios are introduced; they enable one to have an idea about deviations existing between alternative performances,
  • The ratio R1 between PIBTA,i and the best performance PIBTA,max,
R 1 , i = P B T A , i P B T A , m a x
P I B T A , m a x = m a x ( P I B T A , i ) i = 1   t o   m
  • The ratio R2 between PIBTA,i of an alternative Ai and PIBTA,j of the alternative Aj immediately preceding it in the ranking,
R 2 , i = P I B T A , i P I B T A , j

2.4.4. Combination of Methods WSM and BTA

The alternative performances obtained from the two methods WSM and BTA are compared. The combination of these methods aims to elaborate several viewpoints and thus improve the quality of the site selection process. This will enable Decision-Makers to select alternatives in the best possible conditions. Rankings of alternatives obtained with the two methods are aggregated. The weighted average of rankings is calculated according to three scenarios: weights for WSM and BTA are equal to 1; weights for WSM and BTA are, respectively, equal to 1 and 2 and vice versa.

3. Case Study: Algeria

A case study is developed to illustrate the methodology. Four alternatives are considered: Kenadsa, Abadla, Naâma and Hassi R’Mel.
The alternatives (Kenadsa, Abadla and Naâma) were considered as potential sites in the EMPower study [16]. EMPower is the only comprehensive site assessment study for CSP plants to have been conducted in Algeria. EMPower (enable and motivate sustainable power) is a program aimed at promoting a solar electricity market (CSP and Photovoltaics). It is an initiative of the United Nations Environment Program (UNEP) and the German Ministry for Economic Cooperation and Development (BMZ) and was carried out in the period (2009–2010). Its aim was to create new markets for solar electricity generation in emerging and developing countries and to reduce the cost of solar electricity by increasing demand for this type of energy. EMPOWER’s approach was to support the national agencies of the selected countries in identifying suitable sites for solar power plants and assessing the suitability of these sites for such projects (in terms of technical performance and costs), via pre-feasibility studies.
The fourth site, located in Hassi R’Mel (HRM), is adjacent to SPP1; the only CSP plant in operation in the country. The source of the data is the SPP1 site.
The four alternatives are presented in the following section, with their locations (Figure 6, Table 4) and illustrations (Figure 7). The characteristics (Table 5) are retrieved from EMPOWER [28] for Kenadsa, Abadla and Naâma and from the SPP1 project [3] for HRM.
The fourth potential site is located in Tilghemt (Hassi R’Mel). It is adjacent to Solar Power Plant 1 (SPP1), the first CSP power plant in Algeria.

4. Results

4.1. Criteria Weighting Analysis

Pairwise comparisons are presented in Table 6. They reflect both the Decision-Maker’s preferences and the Designer’s expertise.
The consistency ratio CR = 0.027 < 0.1, so the values considered in Table 6 are valid. Furthermore, the deviation from the consistency threshold (0.1) is estimated in two ways,
C o n s i s t e n c y   t h r e s h o l d   ( = 0.1 ) C R = 3.7   or   0.027 0.1 0.1 . 100 = 73 %
The process of calculating criteria weights has a high degree of consistency since these two calculations provide fairly high values.
For criteria weights, Table 7 shows that the solar resource criterion (SR) is by far the most important criterion, +48.1%, compared with the Land Slope criterion (LS). Differences between criteria weights are significant, Δ2 ∈ {−30% to −50%}, showing clear preferences made by the Decision-Maker.
Criteria can be divided into two categories: Category I (SR, LS, PGA) has a total weighting of 83%, while Category II (GR, WA, RA) accounts for the remaining 17%. Category I therefore includes the most important criteria and category II contains the least. It is interesting to see that the ratio between the two categories is close to the 80/20 principle (Pareto’s law).

4.2. Weighted Sum Method, WSM

A simple reading of the decision matrix (Table 8) shows that there is no alternative with a maximum score on all criteria. Kenadsa, Abadla and HRM show fairly similar performances, especially for Kenadsa and HRM (only scores of 4 or 5). Howver, Abadla scores poorly on half of the criteria.
All alternatives meet the required threshold of 50% (Table 9). They are therefore all eligible. As for the recommended threshold (75%), only Abadla does not meet it. Kenadsa, Naâma and HRM are Highly Suitable sites, while Abadla is considered to be Moderately Suitable.
The differences between performances of Kenadsa, Naâma and HRM are small (Table 7), Δ2 ≤ −4.0%. The performance of Abadla is clearly weaker, Δ2 = −26.6%.
The ranking for the alternatives is as follows:
(1)
Kenadsa;
(2)
HRM;
(3)
Naâma;
(4)
Abadla.
For the ranking according to scenarios (X = 5%, X = 10%), Kenadsa, Naâma and HRM are top ranked, confirming that their performances are very similar, whereas Abadla ranks in last position.

4.3. Sensitivity Analysis

The sensitivity analysis focuses on the influence of following issues:
  • The approach for estimating criteria weights.
  • The use of three variants of the Scoring method.

4.3.1. Scenarios for Criteria Weights

Kenadsa, Naâma and HRM largely meet the recommended threshold and are considered Highly Suitable sites in all scenarios (Table 10). Abadla meets the required threshold in all scenarios, although its performance is sometimes close to the threshold of 50% (Scenario 5). In no case does it meet the recommended threshold, and it is always considered as a Moderately Suitable site.
The dispersion of the NPI around the average value N P I i ¯ is relatively low for Abadla (<8%) and even lower for other alternatives (<3%). In the case of Abadla, the value is higher than for other alternatives, due to a higher SD (4.5%). Furthermore, the NPI for Abadla is lower. These results tend to show that the five scenarios give similar trends. There is therefore little dependence of the final result on estimating the criteria weights approach.
In terms of ranking according to scenarios (X = 5%, X = 10%), Kenadsa, Naâma and HRM are top ranked in almost cases (Table 11).
Although the performances of Kenadsa, Naâma and HRM are similar, Table 12 shows slight differences between them. Kenadsa (RF-1 = 60% and RF-2 = 40%) would be ahead of HRM (RF-1 = 40% and RF-2 = 60%); while HRM would be ahead of Naâma (RF-2 = 40% and RF-3 = 60%). Abadla is always ranked in last position (RF-4 = 100%).

4.3.2. Scoring Method Variants WSM, WPM, SUM

Kenadsa, Naâma and HRM are well within the recommended threshold for the three variants WSM, WPM and SUM (Table 13, Table 14 and Table 15). They are always considered as Highly Suitable sites. Abadla never complies with the recommended threshold but always complies with the required one, although in many cases it is very close to it (NPI = 53.3% or 54.0%). Abadla is still considered as a Moderately Suitable site.
The dispersion of NPI values around their average value, NPIaverage, is relatively low (rSD < 8%) if Abdala is included and low (rSD < 5%) if only the other three alternatives are taken into account (Table 16). Thus, the three variants of the Scoring method give similar trends.
WSM and WPM give identical rankings for alternatives:
(1)
Kenadsa;
(2)
HRM;
(3)
Naâma;
(4)
Abadla.
SUM differs slightly from other variants for the top ranking. The first place is occupied by HRM, followed by Kenadsa.
For ranking according to scenarios (X = 5%, X = 10%), the variants give the same result: Kenadsa, Naâma and HRM jointly occupy the first place. The mean ranking (over the three variants) for Kenadsa is R ¯ = 1.33 (−20.4% compared to HRM), while the mean ranking for HRM is R ¯ = 1.67 (−37.4% compared to Naâma). Consequently, although Kenadsa, Naâma and HRM present similar performances, the ranking of alternatives can be refined as follows:
(1)
Kenadsa;
(2)
HRM;
(3)
Naâma;
(4)
Abadla.

4.4. Benayoun and Tergny Algorithm, BTA

The variability coefficients πh are 0.0688 (RA), 0.0688 (LS), 0.3293 (PGA), 0.2697 (GR), 0.1984 (WA), 0.0649 (RA). The lowest value of πh is found for RA: πh = 0.0649, i.e., about five times less than the maximum found for PGA (πh = 0.3293). Thus, the scores of alternatives for RA are the closest to each other (Table 8), while the scores of these alternatives for PGA are the furthest apart. RA should not have a significant influence on the comparison of alternative performances. This is also true for the first two criteria, SR and LS (πh = 0.0688). In particular, alternatives have similar scores for the most important criterion (SR).
The differentiation between performances of alternatives would therefore be made more with PGA, GR and WA. On these criteria, Abadla has the worst scores, thus explaining its constant last position.
A simple reading of Table 17, without taking into account performance indicators, shows that HRM has the best overall performance, followed by Kenadsa and Naâma. Abadla has the worst performance, well behind other alternatives. HRM deviates slightly from the maximum performance for the first two criteria (SR, LS). In particular, solar resources of HRM (DNI = 2256 kWh.m−2.yr−1) are slightly lower than those of Kenadsa (DNI = 2311 kWh.m−2.yr−1) and Abadla (DNI = 2277 kWh.m−2.yr−1). The performances of Kenadsa and Naâma differ significantly from the maximum performance for PGA (0.3293 and 0.6586 respectively). Kenadsa and Naâma sites are, respectively, 18 km from the Béchar high-voltage substation and 25 km from the Naâma one. Finally, Abadla has non-zero differences for all criteria. These differences are even significant for PGA (1.3171) and GR (1.0790). Abadla is 86 km from the power grid and natural gas pipelines.
The values taken by PIBTA are used to rank the alternatives:
(1)
HRM;
(2)
Kenadsa;
(3)
Naâma;
(4)
Abadla.
The differences between these rankings are relatively small for HRM, Kenadsa and Naâma. The performance ratio between HRM and Kenadsa is R2 = 1.7, while this ratio is R2 = 1.8 between Kenadsa and Naâma. Abadla is ranked far behind other alternatives, in particular for its ratio R1 = 8.8 (compared to HRM).

4.5. Association of WSM and BTA Methods

The top ranking of alternatives differs for WSM and BTA. For WSM, the best alternative is Kenadsa, followed by HRM, and the opposite is observed for BTA. The third and fourth places remain unchanged. This should be put into perspective, as the two methods indicate that the performances of Kenadsa, HRM and Naâma are very close.
During the site selection process, it is advisable to use both methods together in order to have complementary reading grids. It is therefore proposed to calculate a weighted average of rankings obtained using the two methods (Table 18), according to several scenarios.
The rankings for Kenadsa and HRM can be considered to be the same. Naâma, although its performance is close to that of Kenadsa and HRM, is ranked behind them. Abadla is in the last place.

5. Discussion

The methodology developed in this paper raises a number of interesting issues.
Theoretical Potential
(1)
The consistency of results was analysed by comparing the ranking obtained with two mathematical methods (WSM, BTA). The ranking shows the same trends: Kenadsa, Naâma and HRM have similar performances, followed by Abadla far behind them.
Methodology and materials
(2)
During the project’s preliminary phase, the results obtained with the methodology are presented to the Decision-Maker, who will make the final decision. It is highly recommended that the site selection process be interactive. Assumptions and calculations could be modified according to the analysis made by stakeholders based on the results obtained.
(3)
The method for estimating uncertainties in the calculation of alternative performance needs further refinement, in particular to distinguish the ranking of alternatives that are close in terms of performance.
Potential limitation
(4)
This methodology may have a few limitations, such as managing a larger number of criteria and alternatives. This may make interpretation of the data a little more difficult. On the other hand, the estimation of the criteria weights with the AHP method is based entirely on the process of pairwise comparisons. This process must therefore be carried out with great care and, wherever possible, be based on the opinions of experts in the field.
Economic model
(5)
An economic model was developed in order to compare the “technical” ranking with the “economic” one. The latter is established on the basis of the Levelized Cost of Electricity (LCOE) (see Appendix A). The LCOE values are, respectively, 0.137 USD/kWh (HRM), 0.137 USD/kWh (Naâma), 0.144 USD/kWh (Kenadsa) and 0.245 USD/kWh (Abadla) (Figure 8). HRM and Naâma have the lowest costs. However, the relative difference between the LCOE of HRM, Naâma and Kenadsa is small (<5%). The LCOE of Abadla is much higher: +80% compared to HRM. As noted when comparing NPI values, two categories of criteria are highlighted by the economic model: on the one hand, Kenadsa, Naâma and HRM have comparable costs, while Abadla have much higher costs.
For the period 2010–2022, the global weighted-average cost of newly commissioned CSP projects fell from 0.38 USD/kWh to 0.118 USD/kWh, which is a decline of 69% [29]. Thus, the LCOE of HRM is +16.1% higher than the 2022 value, while the LCOE of Abadla is more than double this.
By comparing costs obtained with the model used in the System Advisor Model (SAM) software version 2023.12.17 [30] with those of the present economic model, a significant difference is observed; the “SAM” costs are 36% lower. The costs are as follows: Kenadsa (0.091 USD), Abadla (0.156 USD), Naâma (0.087 USD), HRM (0.087 USD). It would be interesting to delve further into analysing the disparities observed in electricity production costs, using more detailed economic models. Details of the formulas and data for the economic model using SAM are given in Appendix A.

6. Conclusions

The objective of present paper is to assess the most suitable sites to host Concentrating Solar Power plants (CSP) in Algeria using multi-criteria analysis. In the literature, only a few studies deal with the integration of CSP in Algeria. In order to promote and push forward investments in CSP, the same methodology can be applied to different regions in Algeria (even in other countries). The methodology aims to further improve the objectivity of the site assessment process. It provides the Decision-Maker (and the Designer) with a number of perspectives to help him better understand the multi-criteria problem and thus facilitate his final choice.
A set of alternatives (Kenadsa, Abadla, Naâma, HRM) were assessed according to a shortlist of criteria (solar resource, Land Slope, Power Grid Access, Gas Resource, Water Availability, Road Access). Criteria weights were calculated with the Analytic Hierarchy Process method (AHP). The performances of alternatives were assessed with two mathematical methods: the Weighted Sum Method (WSM), which is simple and widely used, and a more elaborate method, the Benayoun and Tergny Algorithm (BTA), which was adapted to the present study. Criteria weights in the WSM were considered in two ways: on the one hand, a reference scenario which uses AHP for calculation and, on the other hand, the consideration of several scenarios in which weights were assigned. The results of these two approaches were similar, thereby showing the minimal influence of the criteria weighting on alternative performance.
The assessment of alternative performance and their ranking allows the identification of two categories of alternatives: Kenadsa, Naâma and HRM, which present similar performances, and Abadla, which ranks well behind other alternatives.
An economic model was developed in order to compare the alternative ranking obtained with electricity production costs. The relative difference between the Levelized Cost Of Electricity (LCOE) of HRM, Naâma and Kenadsa is small (<5%). The LCOE of Abadla is much higher: +80% compared to HRM. The result of the cost analysis is similar to the methodology results, which shows that Kenadsa, HRM and Naâma could be considered as excellent locations to host CSP plants.
The association of methods (WSM and BTA) has been recommended to allow the Decision-Maker and Designer to have several reading grids for the site selection process. Furthermore, the synergy between an energy field such as CSP and a mathematical one such as multi-criteria analysis is of obvious interest. This interdisciplinary method makes it possible to improve the quality of the site selection process. Thus, the methodology will contribute to the optimisation of CSP project costs and allows their large-scale deployment within high potential green markets.

Author Contributions

Conceptualization, H.F.; methodology, H.F., R.D., G.F. and G.N.; validation, H.F., R.D., G.F. and G.N.; formal analysis, H.F.; investigation, H.F.; resources, H.F.; writing—original draft preparation, H.F., R.D. and G.F.; writing—review and editing, H.F., R.D., G.F. and G.N. All authors have read and agreed to the published version of the manuscript.

Funding

This research received no external funding.

Institutional Review Board Statement

Not applicable.

Informed Consent Statement

Not applicable.

Data Availability Statement

The data that support the findings of this study are available on request from the corresponding author upon reasonable request.

Conflicts of Interest

The authors declare no conflicts of interest.

Appendix A

Levelized Cost Of Electricity (LCOE) is the most important economic parameter for the calculation of electricity production costs [31],
L C O E = I 1 + i n . i 1 + i n 1 + O & M y e a r E y e a r
I: initial investment.
(O&M)year: annual operation and maintenance costs (2.5% of I).
Eyear: annually generated electric energy.
i: interest rate, taken as 8% for the present case study.
n: system life time (25 years).
The results are summarised in Table A1. The configuration study is the ANDASOL power plant (50 MW, 7.5 h of thermal storage), located in Andalucia (Spain).
Table A1. Economic model.
Table A1. Economic model.
KenadsaAbadlaNaâmaHRM
Investment cost ratio (USD.kW−1) [23]4499449944994499
Capital costs of connections (Million USD) 20.28188.512.133.44
I (Million USD)245.22413.44227.06228.37
(OPEX)year (Million USD)6.1310.345.685.71
Eyear (GWh.year−1)203200196199
LCOE (USD.kWh−1)0.1430.2450.1370.136
Furthermore, the formulas of the model used in SAM are [30]
L C O E = T L C C j = 1 n Q j 1 + d j
T L C C = j = 0 n C j 1 + d j
d = 1 + r e a l   d i s c o u n t 100 . 1 + i n f l a t i o n   r a t e 100 1 . 100
TLCC: Total Life Cycle Cost.
Qj (for the year j): energy output.
Cj: periodic costs such as repair costs, replacement costs, maintenance costs and energy costs.
d: nominal discount rate. The discount rate calculates the present value of future cash flows associated with the renewable energy system, including capital and operating costs [31]. The values considered for the real discount and the inflation rate are, respectively, 7% and 8%.
n: system life time (25 years).

References

  1. Cerefe Report, Energy Transition in Algeria, Lessons, State of the Art and Perspectives for an Accelerated Development of Renewable Energies; 2020 Edition. Available online: https://www.cerefe.gov.dz/fr/2020/11/29/transition-energetique-en-algerie/ (accessed on 15 August 2024).
  2. MEDCSP Study. Concentrating Solar Power for the Mediterranean Region; German Aerospace Center (DLR): Cologne, Germany, 2005. [Google Scholar]
  3. Solar Power Plant One (SPP1), HRM, Due Diligence Technique; Final Report; Lahmeyer International GmbH: Bad Vilbel, Germany, 2006.
  4. Eikhoff, M. U4: Parabolic Troughs and Fresnel Collectors, Capacity Building Course eM-CB01, enerMENA; German Aerospace Center (DLR): Cologne, Germany, 2010. [Google Scholar]
  5. Günther, M.; Joemann, M. Advanced CSP Teaching Materials, Chapter 14: Site Assessment, enerMENA; German Aerospace Center (DLR): Cologne, Germany, 2012. [Google Scholar]
  6. Merrouni, A.A.; Elalaoui, F.E.; Ghennioui, A.; Mezrhab, A.; Mezrhab, A. A GIS-AHP combination for the sites assessment of large-scale CSP plants with dry and wet cooling systems. Case study: Eastern Morocco. Sol. Energy 2018, 166, 2–12. [Google Scholar] [CrossRef]
  7. Broesamle, H.; Mannstein, H.; Schillings, C.; Trieb, F. Assessment of solar electricity potentials in North Africa based on satellite data and a geographic information system. Sol. Energy 2001, 70, 1–12. [Google Scholar] [CrossRef]
  8. Sánchez-Lozano, J.; García-Cascales, M.; Lamata, M. Evaluation of suitable locations for the installation of solar thermoelectric power plants. Comput. Ind. Eng. 2015, 87, 343–355. [Google Scholar] [CrossRef]
  9. Azoumah, Y.; Ramdé, E.; Tapsoba, G.; Thiam, S. Siting guidelines for concentrating solar power plants in the Sahel: Case study of Burkina Faso. Sol. Energy 2010, 84, 1545–1553. [Google Scholar] [CrossRef]
  10. Rungundu, A.; Azoumah, Y.; Tapsoba, G. Choix des sites d’implantation des centrales solaires à concentration en Afrique de l’Ouest. In Proceedings of the 6ème Édition des Journées Scientifiques du 2iE, Campus 2 iE Ouagadougou, Ouagadougou, Burkina Faso, 4–8 April 2011. [Google Scholar]
  11. Bayoumi, S.; Moharram, N.A.; Shehata, A.I.; Imam, M.M.; El-Maghlany, W.M. A multi-criteria performance assessment of concentrated solar power plants for site and technology selection in Egypt. Int. J. Environ. Sci. Technol. 2024, 21, 2989–3004. [Google Scholar] [CrossRef]
  12. Chen, F.; Yang, Q.; Zheng, N.; Wang, Y.; Huang, J.; Xing, L.; Li, J.; Feng, S.; Chen, G.; Kleissl, J. Assessment of concentrated solar power generation potential in China based on Geographic Information System (GIS). Appl. Energy 2022, 315, 119045. [Google Scholar] [CrossRef]
  13. Giamalaki, M.; Tsoutsos, T. Sustainable siting of solar power installations in Mediterranean using a GIS/AHP approach. Renew. Energy 2019, 141, 64–75. [Google Scholar] [CrossRef]
  14. Haddad, B.; Díaz-Cuevas, P.; Ferreira, P.; Djebli, A.; Pérez, J.P. Mapping concentrated solar power site suitability in Algeria. Renew. Energy 2021, 168, 838–853. [Google Scholar] [CrossRef]
  15. Gairaa, K.; Bakelli, Y. Solar energy potential assessment in the Algerian south area: Case of Ghardaïa region. J. Renew. Energy 2013, 2013, 496348. [Google Scholar] [CrossRef]
  16. EMPower, Exploring and Motivating Sustainable Power Markets; Program Phase II; Lahmeyer International GmbH: Bad Vilbel, Germany, 2010.
  17. Uyan, M. GIS-based solar farms site selection using analytic hierarchy process (AHP) in Karapinar region, Konya/Turkey. Renew. Sustain. Energy Rev. 2013, 28, 11–17. [Google Scholar] [CrossRef]
  18. Schlecht, M.; Meyer, R. Site Selection and Feasibility Analysis for Concentrating Solar Power (CSP) Systems; Woodhead Publishing Limited: Sawston, UK, 2012; pp. 91–119. [Google Scholar]
  19. Wilbert, S. U 10-12: Solar Radiation, Capacity Building Course eM-CB01, enerMENA; DLR: Cologne, Germany, 2010. [Google Scholar]
  20. Sánchez-Lozano, J.M.; Teruel-Solano, J.; Soto-Elvira, P.L.; Socorro García-Cascales, M. Geographical Information Systems (GIS) and Multi-Criteria Decision Making (MCDM) methods for the evaluation of solar farms locations: Case study in south-eastern Spain. Renew. Sustain. Energy Rev. 2013, 24, 544–556. [Google Scholar] [CrossRef]
  21. Georgiou, A.; Skarlatos, D. Optimal site selection for sitting a solar park using multi-criteria decision analysis and Geographical Information Systems (GIS). Geosci. Instrum. Methods Data Syst. Discuss. 2016, 5, 321–332. [Google Scholar] [CrossRef]
  22. Kereush, D.; Perovych, I.; Lviv Polytechnic National University. Determining criteria for optimal site selection for solar power plants. Geomat. Landmanag. Landsc. 2017, 4, 39–54. [Google Scholar] [CrossRef]
  23. Spyridonidou, S.; Vagiona, D.G. A systematic review of site-selection procedures of PV and CSP technologies. Energy Rep. 2023, 9, 2947–2979. [Google Scholar] [CrossRef]
  24. Saaty, T.L. The Analytic Hierarchy Process; McGraw Hill International: New York, NY, USA, 1980. [Google Scholar]
  25. Cristobal, S.; Ramon, J. Multi Criteria Analysis in the Renewable Energy Industry; Springer: New York, NY, USA, 2012. [Google Scholar] [CrossRef]
  26. Al-Yahyai, S.; Charabi, Y.; Gastli, A.; Al-Badi, A. Wind farm land suitability indexing using multi-criteria analysis. Renew. Energy 2012, 44, 80–87. [Google Scholar] [CrossRef]
  27. Benayoun, R.; de Montgolfier, J.; Tergny, J.; Laritchev, O. Linear programming with multiple objective functions: Step method (stem). Math. Program. 1971, 1, 366–375. [Google Scholar] [CrossRef]
  28. Lahmeyer International GmbH and New Energy Algeria (NEAL). EMPower Program Phase II; Country Visit Report; Lahmeyer International GmbH: Bad Vilbel, Germany, 2010. [Google Scholar]
  29. Helioscsp. Available online: https://urls.fr/v0bkyi2023 (accessed on 19 July 2024).
  30. Orangzeb, S.; Qaisrani, M.A.; Shafiq, M.B.; Ahmed, N.; Sahar, M.S.U.; Ullah, S.; Farooq, M.U.; Jiabin, F. Potential assessment and exonomic analysis of concentrated solar power against solar photovoltaic technology. Int. J. Energy Res. 2023, 2023, 3611318. [Google Scholar] [CrossRef]
  31. Günther, M.; Alsen, N. Advanced CSP Teaching Materials, Chapter 15: Economical Aspects, enerMENA; German Aerospace Center (DLR): Cologne, Germany, 2012. [Google Scholar]
Figure 1. Solar Power Plant 1 (SPP1) schematics [3].
Figure 1. Solar Power Plant 1 (SPP1) schematics [3].
Sustainability 16 07673 g001
Figure 2. Parabolic Trough Collectors (PTCs) [4].
Figure 2. Parabolic Trough Collectors (PTCs) [4].
Sustainability 16 07673 g002
Figure 3. Methodology flowchart.
Figure 3. Methodology flowchart.
Sustainability 16 07673 g003
Figure 4. Methodology flowchart and details on the assessment of alternative performance.
Figure 4. Methodology flowchart and details on the assessment of alternative performance.
Sustainability 16 07673 g004
Figure 5. Direct Normal Irradiation, DNI [19].
Figure 5. Direct Normal Irradiation, DNI [19].
Sustainability 16 07673 g005
Figure 6. Alternative location (Google Earth).
Figure 6. Alternative location (Google Earth).
Sustainability 16 07673 g006
Figure 7. Illustrations for alternatives [3,28].
Figure 7. Illustrations for alternatives [3,28].
Sustainability 16 07673 g007
Figure 8. Levelized Cost Of Electricity (LCOE).
Figure 8. Levelized Cost Of Electricity (LCOE).
Sustainability 16 07673 g008
Table 1. Rating scale, AHP [24].
Table 1. Rating scale, AHP [24].
AppreciationImportance Level
Equal importance1
Weak or slight2
Moderate importance3
Moderate plus4
Strong importance5
Strong plus6
Very strong or demonstrated importance7
Very, very strong8
Extreme importance9
Table 2. Random Index RI [24].
Table 2. Random Index RI [24].
n23456789
RI00.580.901.121.241.321.411.45
Table 3. Scoring scale.
Table 3. Scoring scale.
Solar Resource (SR): DNI (kWh.m−2.year−1)Mark
≥23005
2200–23004
2100–22003
1900–21002
<19001
Land Slope (LS)
Perfectly flat land5
Low slope4
High slope (Rough land)1
Distance to network (km) for Power Grid Access (PGA), Gas Resource (GR) or Water Availability (WA)
0–105
10–204
20–303
30–402
≥401
Road Access (RA), Distance to network (km)
On site5
<5 km4
5–103
10–152
≥15 1
Table 4. Geographical information [3,28].
Table 4. Geographical information [3,28].
AlternativeLatitudeLongitudeElevation (m)
Kenadsa31.6049° N2.4096° W780
Abadla31.0360° N2.6800° W600
Naâma33.4407° N0.3530° W1150
HRM33.1263° N3.3547° E745
Table 5. Alternative characteristics [3,28]: (a) Kenadsa and Abadla; (b) Naâma and HRM.
Table 5. Alternative characteristics [3,28]: (a) Kenadsa and Abadla; (b) Naâma and HRM.
(a)
CriterionKenadsaAbadla
SR (DNI), in kWh.m−2.year−1 (from PVGIS)23112277
LSLow slopeLow slope
PGA18 km86 km
GR5 km86 km
WA5 km35 km
RA<5 km500 m
(b)
CriterionNaâmaHRM
SR (DNI)22272256
LSPerfectly flat landLow slope
PGA25 kmOn site
GROn site1.5 km
WA3 km1.5 km
RAOn siteOn site
Table 6. Pairwise comparisons, Analytical Hierarchy Process (AHP).
Table 6. Pairwise comparisons, Analytical Hierarchy Process (AHP).
SRLSPGAGRWARA
SR123567
LS1/212456
PGA1/31/21345
GR1/51/41/3123
WA1/61/51/41/212
RA1/71/61/51/31/21
Table 7. Criteria weights.
Table 7. Criteria weights.
CriterionWj (%)Δ1 (%)Δ2 (%)
SR39.1
LS26.4−32.4
PGA17.5−55.3−33.9
GR8.1−79.3−53.6
WA5.4−86.3−33.9
RA3.6−90.7−32.4
Table 8. Decision matrix, Weighted Sum Method (WSM).
Table 8. Decision matrix, Weighted Sum Method (WSM).
CriterionWj (%)KenadsaAbadlaNaâmaHRM
SR39.15444
LS26.44454
PGA17.54135
GR8.15155
WA5.45255
RA3.64455
Table 9. Performance Indicators, Weighted Sum Method (WSM).
Table 9. Performance Indicators, Weighted Sum Method (WSM).
KenadsaAbadlaNaâmaHRM
NPI (%)90.562.585.286.9
Required/Recommended thresholdOK/OKOK/NOKOK/OKOK/OK
Suitability ClassHighly SuitableModerately SuitableHighly SuitableHighly Suitable
Δ1 (%)-−30.9−5.9−4.0
Δ2 (%)-−26.6−2.0−4.0
Table 10. Normalised Performance Indicator (NPI) average value and dispersion, according to scenarios.
Table 10. Normalised Performance Indicator (NPI) average value and dispersion, according to scenarios.
KenadsaAbadlaNaâmaHRM
Scenario 1 (AHP): NPI (%)90.562.585.286.9
Scenario 2: NPI (%)88.955.686.791.1
Scenario 3: NPI (%)90.556.286.789.5
Scenario 4: NPI (%)92.465.385.985.9
Scenario 5 (iso-Wj): NPI (%)90.053.390.093.3
N P I ¯ (%)90.458.686.989.4
SD (%)1.14.51.72.7
rSD (%)1.27.71.93.0
Table 11. Performance of alternatives (scenarios).
Table 11. Performance of alternatives (scenarios).
KenadsaAbadlaNaâmaHRM
Scenario 1 (AHP)
NPI (%)90.562.585.286.9
Δ2 (%)-−26.6−2.0−4.0
Ranking1432
Scenario 2
NPI (%)88.955.686.791.1
Δ2 (%)−2.4−35.9−2.5-
Ranking2431
Scenario 3
NPI (%)90.556.286.789.5
Δ2 (%)-−35.2−3.1−1.1
Ranking1432
Scenario 4
NPI (%)92.465.385.985.9
Δ2 (%)-−24.0−0.0−7.0
Ranking1422
Scenario 5 (iso-Wj)
NPI (%)90.053.390.093.3
Δ2 (%)−3.5−40.8−0.0-
Ranking2421
Table 12. Ranking Frequency (RF-X) and Average Ranking.
Table 12. Ranking Frequency (RF-X) and Average Ranking.
Ranking Frequency RF-X (%)
KenadsaAbadlaNaâmaHRM
RF-160--40
RF-240-4060
RF-3--60-
RF-4-100--
Mean of rankings 1.44.02.61.6
Average Ranking1432
Table 13. Performance of alternatives (scenarios), WSM.
Table 13. Performance of alternatives (scenarios), WSM.
KenadsaAbadlaNaâmaHRM
NPI (%)90.562.585.286.9
Δ1 (%)-−30.9−5.9−4.0
Δ2 (%)-−26.6−2.0−4.0
Ranking1432
Ranking (X = 5%)1411
Ranking (X = 10%)1411
Table 14. Performance of alternatives (scenarios), WPM.
Table 14. Performance of alternatives (scenarios), WPM.
KenadsaAbadlaNaâmaHRM
NPI (%)89.854.083.786.3
Δ1 (%)-−39.9−6.8−3.9
Δ2 (%)-−35.5−3.0−3.9
Ranking1432
Ranking (X = 5%)1411
Ranking (X = 10%)1411
Table 15. Performance of alternatives (scenarios), SUM.
Table 15. Performance of alternatives (scenarios), SUM.
KenadsaAbadlaNaâmaHRM
IQMN (%)90.053.390.093.3
Δ1 (%)−3.5−42.9−3.5-
Δ2 (%)-−40.8--
Ranking2421
Ranking (X = 5%)1411
Ranking (X = 10%)1411
Table 16. Average performance of alternatives (scenarios).
Table 16. Average performance of alternatives (scenarios).
KenadsaAbadlaNaâmaHRM
NPIaverage (%)90.156.686.388.8
SD (%)0.34.22.73.2
rSD (%)0.37.44.73.6
Mean   of   rankings   R ¯ 1.3342.671.67
Average Ranking1432
Table 17. Decision matrix and Performance Indicators, Benayoun and Tergny Algorithm (BTA).
Table 17. Decision matrix and Performance Indicators, Benayoun and Tergny Algorithm (BTA).
Wj (%)KenadsaAbadlaNaâmaHRM
Solar Resource (SR)39.10.00000.06880.06880.0688
Land Slope (LS)26.40.06880.06880.00000.0688
Power Grid Access (PGA)17.50.32931.31710.65860.0000
Gas Resource (GR)8.10.00001.07900.00000.0000
Water Availability (WA)5.40.00000.59530.00000.0000
Road Access (RA)3.60.06490.06490.00000.0000
PIBTA 0.07800.39650.14180.0451
R1 1.78.83.1-
R2 1.72.81.8-
Table 18. Combination of methods: Weighted Sum Method (WSM) and Benayoun and Tergny Algorithm (BTA).
Table 18. Combination of methods: Weighted Sum Method (WSM) and Benayoun and Tergny Algorithm (BTA).
Ranking
Weight (WSM)Weight (BTA)KenadsaAbadlaNaâmaHRM
111431
211432
122431
Disclaimer/Publisher’s Note: The statements, opinions and data contained in all publications are solely those of the individual author(s) and contributor(s) and not of MDPI and/or the editor(s). MDPI and/or the editor(s) disclaim responsibility for any injury to people or property resulting from any ideas, methods, instructions or products referred to in the content.

Share and Cite

MDPI and ACS Style

Farsi, H.; Dizene, R.; Flamant, G.; Notton, G. Multi-Criteria Decision Making Methods for Suitable Site Selection of Concentrating Solar Power Plants. Sustainability 2024, 16, 7673. https://doi.org/10.3390/su16177673

AMA Style

Farsi H, Dizene R, Flamant G, Notton G. Multi-Criteria Decision Making Methods for Suitable Site Selection of Concentrating Solar Power Plants. Sustainability. 2024; 16(17):7673. https://doi.org/10.3390/su16177673

Chicago/Turabian Style

Farsi, Hichem, Rabah Dizene, Gilles Flamant, and Gilles Notton. 2024. "Multi-Criteria Decision Making Methods for Suitable Site Selection of Concentrating Solar Power Plants" Sustainability 16, no. 17: 7673. https://doi.org/10.3390/su16177673

APA Style

Farsi, H., Dizene, R., Flamant, G., & Notton, G. (2024). Multi-Criteria Decision Making Methods for Suitable Site Selection of Concentrating Solar Power Plants. Sustainability, 16(17), 7673. https://doi.org/10.3390/su16177673

Note that from the first issue of 2016, this journal uses article numbers instead of page numbers. See further details here.

Article Metrics

Back to TopTop