An Maximum Power Point Tracker of Photovoltaic Module Arrays Based on Improved Firefly Algorithm
Abstract
:1. Introduction
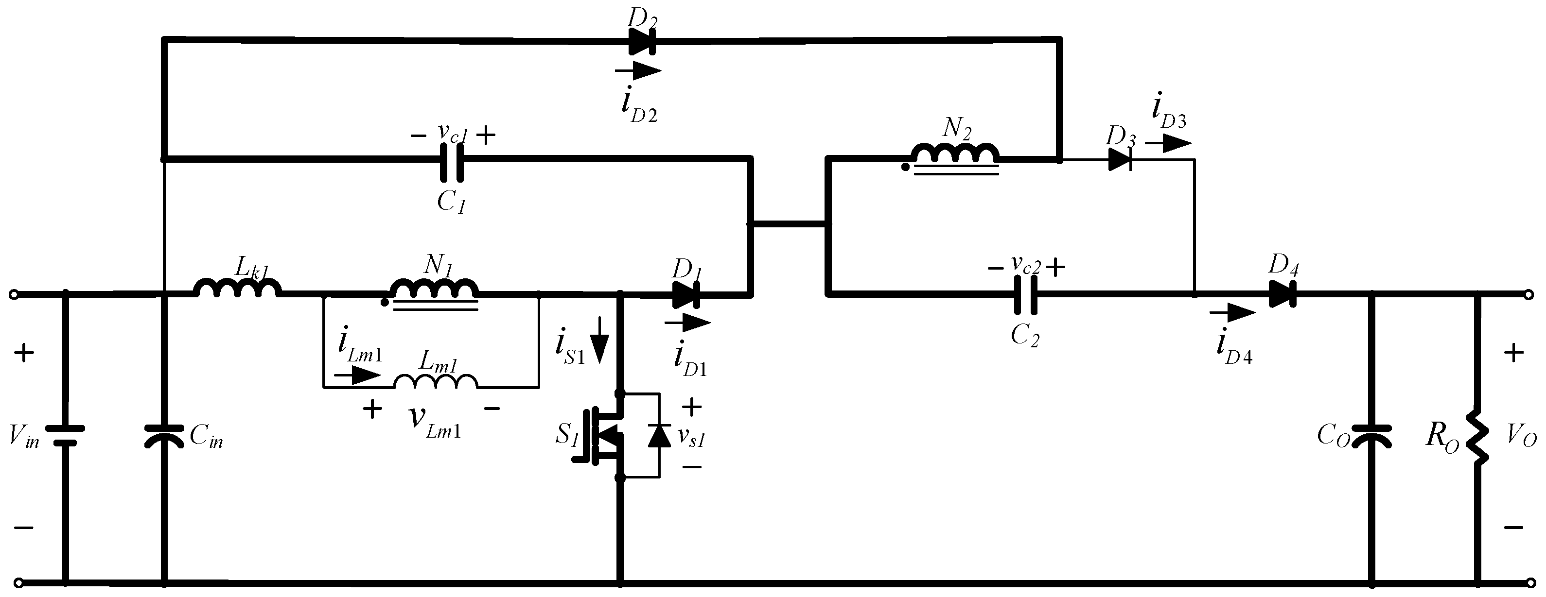
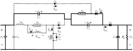
2. High Voltage Step-Up Converter
- (1)
- Operating Mode 1 ()
- (2)
- Operating Mode 2 ()
- (3)
- Operating Mode 3 ()
3. PVMA Output Characteristics under Different Shading Conditions
4. Firefly Algorithm (FA)
4.1. Conventional FA
- (1)
- All fireflies were assumed as gender-neutral and attracted to each other.
- (2)
- The degree of attraction only related to the luminance and distance, the brighter fireflies would attract fireflies of less luminance nearby. Along with a greater distance and the degree of attraction reducing slowly, the brighter fireflies would then move randomly.
4.2. Proposed Improved FA
5. Test Results
5.1. Actual Test on the High Voltage Step-Up Converter
5.2. Actual Test for MPPT
- (1)
- Actual test in Case 1
- (2)
- Actual Test in Case 2
- (3)
- Actual Test in Case 3
- (4)
- Actual Test in Case 4
- (5)
- Actual Test in Case 5
- (6)
- Actual Test in Case 6
5.3. Actual Test Discussion
6. Conclusions
Author Contributions
Funding
Institutional Review Board Statement
Informed Consent Statement
Data Availability Statement
Conflicts of Interest
References
- Jones, D.C.; Erickson, R.W. Probabilistic Analysis of a Generalized Perturb and Observe Algorithm Featuring Robust Operation in the Presence of Power Curve Traps. IEEE Trans. Power Electron. 2013, 28, 2912–2926. [Google Scholar] [CrossRef]
- Killi, M.; Samanta, S. Modified Perturb and Observe MPPT Algorithm for Drift Avoidance in Photovoltaic Systems. IEEE Trans. Ind. Electron. 2015, 62, 5549–5559. [Google Scholar] [CrossRef]
- Sher, H.A.; Murtaza, A.F.; Noman, A.; Addoweesh, K.E.; Al-Haddad, K.; Chiaberge, M. A New Sensorless Hybrid MPPT Algorithm Based on Fractional Short-circuit Current Measurement and P&O MPPT. IEEE Trans. Sust. Energy 2015, 6, 1426–1434. [Google Scholar]
- Sahu, R.K.; Ghosh, A. Maximum Power Generation from Solar Panel by Using P&O MPPT. In Proceedings of the International Conference on Intelligent Controller and Computing for Smart Power (ICICCSP), Hyderabad, India, 21–23 July 2022; pp. 1–4. [Google Scholar]
- Utaikaifa, K. Reduction of Power Ripple in P&O MPPT System Using Output Feedback. In Proceedings of the 4th International Conference on Power Engineering, Energy and Electrical Drives, Istanbul, Turkey, 13–17 May 2013; pp. 427–432. [Google Scholar]
- Liu, F.; Duan, S.; Liu, F.; Liu, B.; Kang, Y. A Variable Step Size INC MPPT Method for PV Systems. IEEE Trans. Ind. Electron. 2008, 55, 2622–2628. [Google Scholar]
- Bhattacharyya, S.; Kumar, D.S.; Samanta, S.; Mishra, S. Steady Output and Fast Tracking MPPT (SOFT-MPPT) for P&O and INC Algorithms. IEEE Trans. Sust. Energy 2021, 12, 293–302. [Google Scholar]
- Alsumiri, M. Residual Incremental Conductance Based Nonparametric MPPT Control for Solar Photovoltaic Energy Conversion System. IEEE Access 2019, 7, 87901–87906. [Google Scholar] [CrossRef]
- Zhang, H.; Li, S.Z.; Zhang, X.N.; Xia, Y.L. MPPT Control Strategy for Photovoltaic Cells Based on Fuzzy Control. In Proceedings of the 12th International Conference on Natural Computation, Fuzzy Systems and Knowledge Discovery (ICNC-FSKD), Changsha, China, 13–15 August 2016; pp. 450–454. [Google Scholar]
- Subasic, P.; Nakatsuyama, M. A New Representational Framework for Fuzzy Sets. In Proceedings of the 6th International Fuzzy Systems Conference, Barcelona, Spain, 1–5 July 1997; pp. 1601–1606. [Google Scholar]
- Sutikno, T.; Subrata, A.C.; Elkhateb, A. Evaluation of Fuzzy Membership Function Effects for Maximum Power Point Tracking Technique of Photovoltaic System. IEEE Access 2021, 9, 109157–109165. [Google Scholar] [CrossRef]
- Prokhorov, D. Echo State Networks: Appeal and Challenges. In Proceedings of the 2005 IEEE International Joint Conference on Neural Networks, Montreal, QC, Canada, 31 July–4 August 2005; pp. 1463–1466. [Google Scholar]
- Dahidi, S.A.; Ayadi, O.; Alrbai, M.; Adeeb, J. Ensemble Approach of Optimized Artificial Neural Networks for Solar Photovoltaic Power Prediction. IEEE Access 2019, 7, 81741–81758. [Google Scholar] [CrossRef]
- Roy, R.B.; Rokonuzzaman, M.; Amin, N.; Mishu, M.K.; Alahakoon, S.; Rahman, S.; Mithulananthan, N. A Comparative Performance Analysis of ANN Algorithms for MPPT Energy Harvesting in Solar PV System. IEEE Access 2021, 9, 102137–102152. [Google Scholar] [CrossRef]
- Mohanty, S.; Subudhi, B.; Ray, P.K. A Grey Wolf Optimization Based MPPT for PV System under Changing Insolation Level. In Proceedings of the 2016 IEEE Students’ Technology Symposium (TechSym), Kharagpur, India, 30 September–2 October 2016; pp. 175–179. [Google Scholar]
- Atici, K.; Sefa, I.; Altin, N. Grey Wolf Optimization Based MPPT Algorithm for Solar PV System with SEPIC Converter. In Proceedings of the 4th International Conference on Power Electronics and their Applications (ICPEA), Elazig, Turkey, 25–27 September 2019; pp. 1–6. [Google Scholar]
- Guo, K.; Cui, L.; Mao, M.; Zhou, L.; Zhang, Q. An Improved Gray Wolf Optimizer MPPT Algorithm for PV System with BFBIC Converter under Partial Shading. IEEE Access 2020, 8, 103476–103490. [Google Scholar] [CrossRef]
- Firmanza, A.P.; Habibi, M.N.; Windarko, N.A.; Yanaratri, D.S. Differential Evolution-based MPPT with Dual Mutation for PV Array under Partial Shading Condition. In Proceedings of the 10th Electrical Power, Electronics, Communications, Controls and Informatics Seminar (EECCIS), Malang, Indonesia, 26–28 August 2020; pp. 198–203. [Google Scholar]
- Tajuddin, M.F.N.; Ayob, S.M.; Salam, Z. Tracking of Maximum Power Point in Partial Shading Condition Using Differential Evolution (DE). In Proceedings of the IEEE International Conference on Power and Energy (PECon), Kota Kinabalu, Malaysia, 2–5 December 2012; pp. 384–389. [Google Scholar]
- Taheri, H.; Salam, Z.; Ishaque, K. Syafaruddin A Novel Maximum Power Point Tracking Control of Photovoltaic System under Partial and Rapidly Fluctuating Shadow Conditions Using Differential Evolution. In Proceedings of the IEEE Symposium on Industrial Electronics and Applications (ISIEA), Penang, Malaysia, 3–5 October 2010; pp. 82–87. [Google Scholar]
- Tey, K.S.; Mekhilef, S.; Seyedmahmoudian, M.; Horan, B.; Oo, A.T.; Stojcevski, A. Improved Differential Evolution-based MPPT Algorithm Using SEPIC for PV Systems under Partial Shading Conditions and Load Variation. IEEE Trans. Ind. Informat. 2018, 14, 4322–4333. [Google Scholar] [CrossRef]
- Castano, C.G.; Restrepo, C.; Kouro, S.; Rodriguez, J. MPPT Algorithm Based on Artificial Bee Colony for PV System. IEEE Access 2021, 9, 43121–43133. [Google Scholar] [CrossRef]
- Li, N.; Mingxuan, M.; Yihao, W.; Lichuang, C.; Lin, Z.; Qianjin, Z. Maximum Power Point Tracking Control Based on Modified ABC Algorithm for Shaded PV System. In Proceedings of the International Conference of Electrical and Electronic Technologies for Automotive (AEIT AUTOMOTIVE), Turin, Italy, 2–4 July 2019; pp. 1–5. [Google Scholar]
- Pilakkat, D.; Kanthalakshmi, S. Artificial Bee Colony Algorithm for Peak Power Point Tracking of a Photovoltaic System under Partial Shading Condition. In Proceedings of the International Conference on Current Trends towards Converging Technologies (ICCTCT), Coimbatore, India, 1–3 March 2018; pp. 1–7. [Google Scholar]
- Huang, Y.P.; Huang, M.Y.; Ye, C.E. A Fusion Firefly Algorithm with Simplified Propagation for Photovoltaic MPPT under Partial Shading Conditions. IEEE Trans. Sust. Energy 2020, 11, 2641–2652. [Google Scholar] [CrossRef]
- Teshome, D.F.; Lee, C.H.; Lin, Y.W.; Lian, K.L. A Modified Firefly Algorithm for Photovoltaic Maximum Power Point Tracking Control under Partial Shading. IEEE J. Emerg. Sel. Topics Power Electron. 2016, 5, 661–671. [Google Scholar] [CrossRef]
- Windarko, N.A.; Tjahjono, A.; Anggriawan, D.O.; Purnomo, M.H. Maximum Power Point Tracking of Photovoltaic System Using Adaptive Modified Firefly Algorithm. In Proceedings of the International Electronics Symposium (IES), Surabaya, Indonesia, 29–30 September 2015; pp. 31–35. [Google Scholar]
- Tehrani, V.M.; Rajaei, A.; Loghavi, M.A. MPPT Controller Design Using TLBO Algorithm for Photovoltaic Systems Under Partial Shading Conditions. In Proceedings of the 12th Power Electronics, Drive Systems, and Technologies Conference (PEDSTC), Tabriz, Iran, 2–4 February 2021; pp. 1–5. [Google Scholar]
- Tian, H.; Bai, Q.; Li, X.; Han, H.; Maoa, S.; Yang, H.; Wang, H. Comparative Study on Fill Factor of PERC Silicon Solar Cells and Al-BSF Silicon Solar Cells under Non-standard Test Conditions. In Proceedings of the IEEE 48th Photovoltaic Specialists Conference (PVSC)s, Fort Lauderdale, FL, USA, 20–25 June 2021; pp. 256–259. [Google Scholar]
- Forouzesh, M.; Siwakoti, Y.P.; Gorji, S.A.; Blaabjerg, F.; Lehman, B. Step-up DC–DC Converters: A Comprehensive Review of Voltage-boosting Techniques, Topologies, and Applications. IEEE Trans. Power Electron. 2017, 32, 9143–9178. [Google Scholar] [CrossRef]
- Park, D.; Lee, H. Improvements in Light-load Efficiency and Operation Frequency for Low-voltage Current-mode Integrated Boost Converters. IEEE Trans. Circuits Syst. II Express Briefs 2014, 61, 599–603. [Google Scholar] [CrossRef]
- Park, K.B.; Moon, G.W.; Youn, M.J. Overview of High-step-up Coupled-inductor Boost Converters. IEEE J. Emerg. Sel. Topics Power Electron. 2016, 4, 689–704. [Google Scholar]
- Park, K.B.; Moon, G.W.; Youn, M.J. Nonisolated High Step-up Stacked Converter Based on Boost-integrated Isolated Converter. IEEE Trans. Power Electron. 2011, 26, 577–587. [Google Scholar] [CrossRef]
- Schmitz, L.; Martins, D.C.; Coelho, R.F. Generalized High Step-up DC-DC Boost-based Converter with Gain Cell. IEEE Trans. Circuits Syst. I Regular Papers 2017, 64, 480–493. [Google Scholar] [CrossRef]
- Park, K.B.; Moon, G.W.; Youn, M.J. Nonisolated High Step-up Boost Converter Integrated with Sepic Converter. IEEE Trans. Power Electron. 2010, 25, 2266–2275. [Google Scholar] [CrossRef]
- Park, K.B.; Moon, G.W.; Youn, M.J. High Step-up Boost Converter Integrated with a Transformer-assisted Auxiliary Circuit Employing Quasi-resonant Operation. IEEE Trans. Power Electron. 2012, 27, 1974–1984. [Google Scholar] [CrossRef]
- Singh, K.A.; Prajapati, A.; Chaudhary, K. High-gain Compact Interleaved Boost Converter with Reduced Voltage Stress for PV Application. IEEE J. Emerg. Sel. Topics Power Electron. 2022, 10, 4763–4770. [Google Scholar] [CrossRef]
- 62050H-600S Programmable DC Power Aupply, Chroma ATE Inc. Available online: https://www.chromaate.com/downloads/catalogue/Power/62000H-TC.pdf (accessed on 21 February 2023).



































| Parameter | Specification |
|---|---|
| Input voltage (Vin) | 80 V |
| Output voltage (Vo) | 400 V |
| Output power (Po) | 300 W |
| Switching frequency (f) | 25 kHz |
| Turns ratio (N = N2/N1) | 2 |
| Parameter | Specification |
|---|---|
| Coupled inductor (Lm1) | 284 μH |
| Film capacitor (C1) | 2 μF/250 V |
| Film capacitor (C2) | 5 μF/630 V |
| Input capacitor (Cin) | 470 μF/400 V |
| Output capacitor (Co) | 470 μF/500 V |
| Switch (S1) | MOSFET-TK49N65W (650 V/49 A) |
| Fast diode (D1, D2, D3, D4) | IQBD30E60A1 (600V/30A) |
| Parameter | Value |
|---|---|
| Maximum output power () | 20 W |
| Current of maximum power point () | 1.10 A |
| Voltage of maximum power point () | 18.18 V |
| Short-circuit current () | 1.15 A |
| Open circuit voltage () | 22.32 V |
| Overall module dimensions | 395 mm × 345 mm × 17 mm |
| α + 0.02 | |
| α + 0.015 | |
| α − 0.01 | |
| α − 0.015 | |
| α − 0.02 | |
| α | |
| α − 0.02 | |
| α − 0.015 | |
| α − 0.01 | |
| α + 0.015 | |
| α + 0.02 |
| Parameter Name | Parameter Value |
|---|---|
| Firefly number (it) | 4 |
| Total iteration number (MaxIt) | 50 |
| Step factor (α) | 2 |
| Parameter Name | Parameter Value |
|---|---|
| Firefly number (it) | 4 |
| Total iteration number (MaxIt) | 50 |
| Upper limit of step factor (αmax) | 2.5 |
| Lower limit of step factor (αmin) | 1.5 |
| Case | Shading Status with 4 Modules in Series and 3 Modules in Parallel | Number of Peaks in the P-V Characteristic Curves |
|---|---|---|
| 1 | (0% shading + 0% shading + 0% shading + 0% shading)// (0% shading + 0% shading + 0% shading + 0% shading)// (0% shading + 0% shading + 0% shading + 0% shading) | Single-peak |
| 2 | (0% shading + 0% shading + 0% shading + 90% shading)// (0% shading + 0% shading + 0% shading + 0% shading)// (0% shading + 0% shading + 0% shading + 0% shading) | Double-peak (MPP at left) |
| 3 | (0% shading + 0% shading + 30% shading + 90% shading)// (0% shading + 0% shading + 0% shading + 0% shading)// (0% shading + 0% shading + 0% shading + 0% shading) | Triple-peak (MPP at middle) |
| 4 | (0% shading + 0% shading + 70% shading + 90% shading)// (0% shading + 0% shading + 70% shading + 90% shading)// (0% shading + 0% shading + 0% shading + 0% shading) | Triple-peak (MPP at left end) |
| 5 | (0% shading + 20% shading + 40% shading + 90% shading)// (0% shading + 0% shading + 0% shading + 0% shading)// (0% shading + 0% shading + 0% shading + 0% shading) | Quadruple-peak (MPP at the third peak) |
| 6 | (0% shading + 10% shading + 80% shading + 90% shading)// (0% shading + 10% shading + 80% shading + 90% shading)// (0% shading + 10% shading + 80% shading + 90% shading) | Quadruple-peak (MPP at the second peak) |
| Case | The Number of Peaks in the P-V Curve | Average Tracking Time | ||
|---|---|---|---|---|
| Conventional FA | Improved FA (Iteration Parameter Changed) | Improved FA (Iteration Parameter and Initial Tracking Voltage Changed) | ||
| 1 | Single-peak | 2.8 s | 1.5 s | 0.7 s |
| 2 | Double-peak (MPP at left) | 3.4 s | 1.7 s | 0.9 s |
| 3 | Triple-peak (MPP at middle) | 3.8 s | 2.1 s | 1.3 s |
| 4 | Triple-peak (MPP at left end) | 4.0 s | 2.5 s | 1.4 s |
| 5 | Quadruple-peak (MPP at the third peak) | 4.2 s | 2.7 s | 1.6 s |
| 6 | Quadruple-peak (MPP at the second peak) | 4.7 s | 3.2 s | 2.0 s |
| Case | Number of Peak(s) of the P-V Curve | Method Proposed in Reference [15] | Method Proposed in Reference [22] | Method Proposed in Reference [28] | Proposed in this Study |
|---|---|---|---|---|---|
| Average Tracking Time | Average Tracking Time | Average Tracking Time | Average Tracking Time | ||
| 1 | Single-peak | 2.3 s | 0.8 s | 4.5 s | 0.7 s |
| 2 | Double-peak | 2.4 s | 1.22 s | 4.5 s | 0.9 s |
| 3 | Triple-peak | 3.5 s | 1.89 s | 5 s | 1.3 s |
| 4 | Quadruple-peak | 4.2 s | None * | 6.5 s | 1.6 s |
Disclaimer/Publisher’s Note: The statements, opinions and data contained in all publications are solely those of the individual author(s) and contributor(s) and not of MDPI and/or the editor(s). MDPI and/or the editor(s) disclaim responsibility for any injury to people or property resulting from any ideas, methods, instructions or products referred to in the content. |
© 2023 by the authors. Licensee MDPI, Basel, Switzerland. This article is an open access article distributed under the terms and conditions of the Creative Commons Attribution (CC BY) license (https://creativecommons.org/licenses/by/4.0/).
Share and Cite
Chao, K.-H.; Zhang, S.-W. An Maximum Power Point Tracker of Photovoltaic Module Arrays Based on Improved Firefly Algorithm. Sustainability 2023, 15, 8550. https://doi.org/10.3390/su15118550
Chao K-H, Zhang S-W. An Maximum Power Point Tracker of Photovoltaic Module Arrays Based on Improved Firefly Algorithm. Sustainability. 2023; 15(11):8550. https://doi.org/10.3390/su15118550
Chicago/Turabian StyleChao, Kuei-Hsiang, and Shu-Wei Zhang. 2023. "An Maximum Power Point Tracker of Photovoltaic Module Arrays Based on Improved Firefly Algorithm" Sustainability 15, no. 11: 8550. https://doi.org/10.3390/su15118550
APA StyleChao, K.-H., & Zhang, S.-W. (2023). An Maximum Power Point Tracker of Photovoltaic Module Arrays Based on Improved Firefly Algorithm. Sustainability, 15(11), 8550. https://doi.org/10.3390/su15118550

