Next Article in Journal
Identification of Industrial Heritage and a Theoretical Framework for an Industrial Heritage Inventory System in Pakistan
Next Article in Special Issue
From Home to Inn: The Evolution of Rural Dwellings in the Taihang Area of Northern Henan
Previous Article in Journal
Approaching Sustainable Bike-Sharing Development: A Systematic Review of the Influence of Built Environment Features on Bike-Sharing Ridership
Previous Article in Special Issue
Analysis of Reasons for the Structural Collapse of Historic Buildings
 
 
Font Type:
Arial Georgia Verdana
Font Size:
Aa Aa Aa
Line Spacing:
Column Width:
Background:
Article

Equations for Calculating the Thermal Conductivity of Capillary-Porous Materials with over Sorption Moisture Content

by
Abdrahman Alsabry
1,
Beata Backiel-Brzozowska
2,*,
Vadzim I. Nikitsin
3 and
Serafim K. Nikitsin
4
1
Faculty of Civil Engineering, Architecture and Environmental Engineering, Institute of Civil Engineering, University of Zielona Gora, 65-417 Zielona Gora, Poland
2
Faculty of Civil Engineering and Environmental Sciences, Institute of Civil Engineering and Transport, Bialystok University of Technology, 15-351 Bialystok, Poland
3
Faculty of Mechanical Engineering, Brest State Technical University, 224017 Brest, Belarus
4
Faculty of Electronic Information Systems, Brest State Technical University, 224017 Brest, Belarus
*
Author to whom correspondence should be addressed.
Sustainability 2022, 14(10), 5796; https://doi.org/10.3390/su14105796
Submission received: 14 March 2022 / Revised: 26 April 2022 / Accepted: 27 April 2022 / Published: 11 May 2022
(This article belongs to the Special Issue Renovation of Buildings and Modernization of Built Areas)

Abstract

:
This article is the result of the authors’ work on the method of calculating the effective thermal conductivity of moist capillary-porous materials used in wall partitions. The proposed methodology was developed based on the theory of generalized conductivity and geometric modeling of the structure. Materials are considered as heterogeneous ternary systems consisting of a solid skeleton, gas and liquid, and all components are simultaneously taken into account in the calculation. In this work, additional equations are constructed that allow calculation of the effective thermal conductivity of capillary-porous materials with over sorption moisture, thus extending the scope of application of the method to the entire possible range of changes in moisture content. The details of calculating the thermal conductivity of moist capillary-porous materials are demonstrated using experimental data for wall ceramics samples. It is shown that the proposed equations are capable of predicting the thermal conductivity of moist capillary-porous materials with sufficient accuracy. Knowledge of the thermal conductivity of materials in conditions of their actual moisture is fundamental in the sustainable design of new buildings as well as thermo-renovation and dump protection of historic ones.

1. Introduction

Thermal properties of building partitions are one of the basic aspects considered in the context of sustainable construction development, which focuses on reducing the consumption of energy and natural resources. They are considered key factors in increasing the energy efficiency of the building sector by reducing energy consumption for both heating in winter and cooling in summer, thus reducing greenhouse gas emissions. This issue is extremely important for the design of new buildings, but also for sustainable renovation of historic ones. The main parameter describing thermal properties of building partitions is the thermal conductivity of the materials applied, which strongly depends on their moisture content.
The results of numerous field studies, e.g., [1,2,3,4], show that the moisture content ψ of capillary-porous materials of outer walls in operated buildings exceeds the values adopted in the design process. The increased moisture content leads to a deterioration of outer walls’ technical conditions. First of all, the thermal insulation of walls decreases, for whose determination it is necessary to know the values of the thermal conductivity of the materials used depending on their moisture content and the nature of moisture distribution over the volume. The thermal conductivity of the same material with the same moisture content may differ several-fold depending on the distribution of moisture in the material [5]. For this and other reasons mentioned in [5,6,7], experimental assessment of the thermal conductivity of moist capillary-porous materials does not always yield satisfactory results. Therefore, it is necessary to develop engineering methods for calculating the thermal conductivity of materials based on mathematical modeling of the joint processes of heat and moisture transfer. The ability to freely simulate the value of the thermal conductivity of a material at different levels of moisture content will not only enable the sustainable design of new buildings but can also be used to solve problems related to renovation, such as thermal insulation and damp protection of historic buildings.
As in [7], moist capillary-porous materials are considered by us as inhomogeneous three-component systems consisting of a solid skeleton 1, gas (vapor–air mixture) 2 and liquid (water) 3. The methods of generalized conductivity combined with geometric modeling of the structure are used [5] when constructing dependences to determine the effective thermal conductivity of such systems.
Liquid and gas in the pore space of the solid skeleton of the model were presented as a binary system whose structure depends on the moisture content, determined from the ratio of the moisture content ψ to porosity P of the material ψ P = ψ / P . To clarify the type of binary system structure, it is necessary to determine the relationship between the actual value ψ P and some boundary values ψ P and ψ P ( ψ P < ψ P ), at which there is a transition from one structure to another. A rough estimate of the boundary values ψ P and ψ P   can be performed according to the graphs given in [5] and constructed for only one value of the porosity of the material   P 0.72 . A more accurate estimate of these values was considered in [7,8]. If the ratio is established ψ P ψ P , then the liquid is distributed in the form of isolated inclusions. When ψ P ψ P ψ P , the liquid becomes a continuous component of a binary system. Finally, at ψ P = ψ P , a continuous distribution of the vapor–air mixture will change to a distribution in the form of isolated inclusions in the center of the cells.
The calculation of the effective thermal conductivity of a material in the entire range of changes in the moisture content can be performed by the method of sequential conversion of a three-component system to a binary one [5]. According to this method, a binary system consisting of a gas and a liquid (pore space) is considered first, and then the next binary system of a solid skeleton and a pore space is considered. In such a case, the final result of the calculations will give an underestimated assessment of the thermal conductivity [7]. Another drawback is that the thermal conductivity of a binary system of a vapor–air mixture and a liquid is proposed to be determined by the formulas obtained under the condition that the contact angle is θ = 0 ° . It is known [8,9] that ideal wetting is not typical for porous building materials and θ > 0 ° .
These disadvantages lead to significant errors in calculations [7], and to eliminate them, a more reasonable approach should be used, which simultaneously takes into account the thermal conductivities and volumetric concentrations of all three components at contact angles θ from 0 ° to 90 ° . By using this approach, equations were obtained to determine the effective thermal conductivity of materials with isolated and continuous liquid inclusion structures [7]. However, with the moisture content of the pores ψ P and ψ P , a smooth transition from one structure to another was not ensured, which led to some inaccuracies in calculations. In this work, additional equations are constructed that render it possible to calculate the effective thermal conductivity of capillary-porous materials in the entire possible range of changes in the pore moisture content and eliminate the shortcomings of the work [7]. Details of calculating the thermal conductivity of moist capillary-porous materials are considered and are demonstrated by examples using experimental data for samples of wall ceramics.

2. Equations for Determining the Effective Thermal Conductivity of Moist Porous Materials with Closed Gas Inclusions

In the case of closed gas inclusions, the model of the real structure of a moist porous material constructed taking into account the assumptions of the theory of generalized conductivity [5] for the eighth part of the unit cell has the form shown in Figure 1a. The total heat flux G , consisting of interconnected fluxes G 1 G 4 , flowing through unit cell individual elements, the total area of which S = L 2 , passes through the considered unit cell parallel to its lateral faces.
Let us consider the derivation of the dependence for determining the effective thermal conductivity λ a of a given unit cell when it is divided by infinitely thin adiabatic planes parallel to the heat flux G and impenetrable for individual components of the heat flux ( G 1 G 4 ). As a result, the volume of the unit cell was broken into 8 homogeneous elements. The thermal resistance of the i-th element is calculated by the formula
R i = l i λ i S i
where l i —length of the heat flux (height) of the i-th element, m;
λ i coefficient of thermal conductivity of the i-th element, W/(m·K);
S i cross-sectional area of the i-th element, m2.
The heat flux G 1 passes through the element of the rigid skeleton having a length l 1 = L , transverse cross-section S 2 = Δ 2 , and thermal conductivity λ 1 . According to Formula (1), we have the resistance
R 1 = L λ 1 Δ 2 .
The heat flux G 2 with a cross section S 2 = 2 Δ L Δ passes through the liquid and solid components with resistances
R 2 = L Δ λ 3 2 Δ L Δ ,     R 3 = Δ λ 1 2 Δ L Δ .
The heat flux G 3 with a cross section S 3 = ( L Δ ) 2 Δ g 2 passes only through the liquid component with resistance
R 4 = L λ 3 L Δ 2 Δ g 2 .
Finally, the heat flux G 4 with a cross section S 4 = Δ g 2 passes through the gas and liquid components with resistances
R 5 = Δ g λ 2 Δ g 2 ,     R 6 = L   Δ g λ 3 Δ g 2 .
The connection diagram of the unit cell resistances is shown in Figure 1b. In this case, the total thermal resistance of the unit cell R is determined as follows:
1 R = 1 R 1 + 1 R 2 + R 3 + 1 R 4 + 1 R 5 + R 6 .
The total thermal resistance of an element of the volume V = L 3 , filled with a homogeneous substance with thermal conductivity λ a , is found by the formula
R = L λ a L 2 = 1 λ a L .
Upon rewriting Formula (6) taking into account (7) and (2)–(5), after simple transformations, we obtain the dependence for determining the effective thermal conductivity of a three-component system with the gas component in the form of an isolated inclusion, with adiabatic division of the unit cell
λ a λ 1 = c 2 + 2 ν 2 c 1 c 1 c + ν 2 c + ν 2 1 c 2 c g 2 + ν 1 ν 2 c g 2 ν 2 c g + ν 1 1 c g
where c = Δ / L , c g = Δ g / L , ν 1 = λ 2 / λ 1 , ν 2 = λ 3 / λ 1 .
In what follows, we will show the derivation of the equation for determining the effective thermal conductivity of the same three-component system with the isothermal division of the unit cell. We divide the unit cell, shown in Figure 1a, by two planes perpendicular to the total heat flux into three layers of different thicknesses. The thickness of the first (upper) layer is h 1 = Δ g , the second (middle) layer is h 2 = L Δ Δ g , and the third (lower) layer is h 3 = Δ . In each layer, the components are separated by adiabatic planes parallel to the general heat flux. As a result, the first layer consists of three elements, and the second and third layers of two elements, the thermal resistance of which can be determined by Formula (1).
For the first layer, we obtain the following resistances:
R 1 = Δ g λ 1 Δ 2 , R 2 = Δ g λ 2 Δ g 2 , R 3 = Δ g λ 3 L 2 Δ 2 Δ g 2 .
For the second layer, we have the following two resistances:
R 4 = L Δ Δ 2 λ 1 Δ 2 , R 5 = L Δ Δ 2 λ 3 L 2 Δ 2 .
We also have two resistances for the third layer:
R 6 = Δ λ 1 L 2 L Δ 2 , R 7 = Δ λ 3 L Δ 2 .
The connection diagram of thermal resistances of the three layers of a unit cell is shown in Figure 1c. For such a scheme, the total thermal resistance of the unit cell R can be written as follows:
1 R = 1 R 1 + 1 R 2 + 1 R 3 1 + 1 R 4 + 1 R 5 1 + 1 R 6 + 1 R 7 1 1 .
After substituting the resistances determined by formulas (9)–(11) into relation (12) and taking into account Formula (7), we obtain a dependence for determining the effective thermal conductivity λ i z of the three-component system with isothermal division of the unit cell shown in Figure 1a
λ i z λ 1 = c g c 2 + ν 1 c g 2 + v 2 1 c 2 c g 2 + 1 с с g c 2 + ν 2 1 с 2 + c c 2 c + ν 2 1 с 2 1
where, as in Formula (8), c = Δ L , c g = Δ g L , ν 1 = λ 2 λ 1 , ν 2 = λ 3 λ 1 .
With a known volumetric concentration of the solid skeleton m 1 , the value of c can be determined by formula [10]
c = 0.5 + s i n a r c s i n 2 m 1 1 3 .
On the other hand, if the value of c is known, then one can determine m 1 [10]
3 c 2 2 c 3 = m 1
as well as the porosity of the material
P = 1 m 1 = 1 3 c 2 + 2 c 3 .
As for the value of c g , it is necessary to show the scheme for its calculation. With a known value of c and a wetting angle θ , we determine the boundary value of the pore moisture content ψ P using the results of [7]. If the contact angle is unknown, then based on the data for quartz sand, sandstone [9], and polymer [8], it can be taken as equal to 45°. For example, using Formula (6) of [7], for θ = 45 °   and c = 0.5, we obtain ψ P = 5 + 13 с / 6 1 + 2 с = 0.9583 . Then the volumetric concentration of closed gas inclusions in the pores is equal to 1 ψ P = 0.0417 and, respectively, in the material m 2 g = 1 ψ P P = 0.02135 . By definition, c g = m 2 g 3 = 0.2774 . With a decrease in the contact angle θ , the value of c g increases. Thus, for θ = 0 ° and c = 0.5 , we have c g = 0.4029 . Note that the inequality c g < 1 c holds for 0 ° θ 90 ° and 0 < c < 1 .
Calculations by formulas (8) and (13) give the lower λ а and upper λ i z estimates of the effective thermal conductivity of a moist porous material, and its final value should be determined as the arithmetic mean λ = 0.5 λ а + λ i z .
In what follows, we consider the derivation of the formula for a system whose gas and liquid components are continuously distributed, interpenetrating each other. The pore moisture content ψ P is between two boundary values ψ P ψ P ψ P . In this range, according to the percolation theory [5], two independent approaches are possible. In the first approach, the structure of the gas component is specified as the main one, whereas in the other, the structure of the liquid component is specified.

3. Thermal Conductivity of a Three-Component System with a Specified Structure of the Gas Component

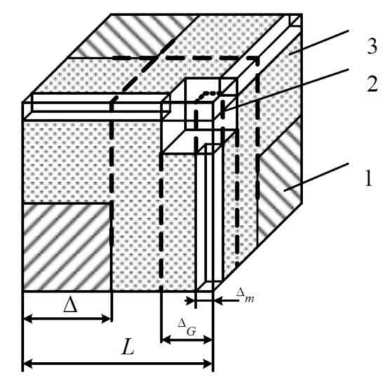
This case in the form of the eighth part of the unit cell is shown in Figure 2. When deriving the dependences, it is assumed that the size Δ g = c g L found for a closed gas inclusion in the center of the cell does not change ( c g = c o n s t ) with an increase in the volume concentration of gas m 2 > m 2 g . Then, the increase in m 2 leads to an increase only in the size Δ m of the gas channels connecting the gas inclusion of size Δ g in the center of the cells. In this case, the condition Δ m Δ g must be met.
After the division of the unit cell shown in Figure 2 with adiabatic planes and the implementation of the procedure used to find Formula (8), a dependence is obtained to determine the effective thermal conductivity λ a (lower estimate) of the three-component system with a continuous inclusion of the gas component
λ a λ 1 = c 2 + 2 ν 2 c 1 с с m 1 c + ν 2 c + ν 2 1 c c m 2 c g c m 2 + 2 ν 1 ν 2 c c m ν 2 c m + v 1 1 c c m + v 1 v 2 c + 2 ν 1 ν 2 c m 1 c c g ν 1 1 c m + ν 2 c m + v 1 v 2 c g 2 с m 2 v 1 1 c g + v 2 c g + v 1 c m 2
where ν 1 = λ 2 / λ 1 ,   ν 2 = λ 3 / λ 1 , c = Δ / L , c g = Δ g / L , c m = Δ m / L .
After dividing the same unit cell by isothermal planes into four layers and determining the thermal resistances of each layer, and after transformations, as in the derivation of Formula (13), we obtain the dependence for determining the effective thermal conductivity λ i z (upper estimate) of the three-component system under consideration
λ i z λ 1 = c m c 2 + ν 1 c g 2 + 2 c m 1 c g + ν 2 1 с 2 с g 2 2 c m 1 c g + c g c m c 2 + ν 1 c g 2 + ν 2 1 c 2 c g 2 + 1 c с g c 2 + ν 1 с m 2 + ν 2 1 c 2 c m 2 + c c 2 c + v 1 c m 2 + v 2 1 c 2 c c m 2 1
where, as in (17), ν 1 = λ 2 / λ 1 , ν 2 = λ 3 / λ 1 , c = Δ / L , c g = Δ g / L , c m = Δ m / L .
Let us determine the value of cm at a known volumetric gas concentration m 2 c g 3 . Figure 2 shows that the volume of the pore channels is V m = 3 Δ m 2 L Δ g . On the other hand, the same volume is equal to V 2 Δ g 3 , where V 2 is the total volume of gas in the cell. After dividing these volumes by the cell volume V = L 3 , we come to the equation
3 c m 2 1 c g = m 2 с g 3 ,
solving which we find the value of c m .
According to Formula (19), at m 2 = c g 3 we have c m = 0 . This indicates the disappearance of gas channels connecting the gas inclusions in the center of the cells. The range of formulas (8) and (13) is obtained by formulas (17) and (18). In this case, formulas (17) and (18) provide a transition from a structure with a continuous gas phase (Figure 2) to a structure with isolated gas inclusions (Figure 1).

4. Thermal Conductivity of a Three-Component System with a Specified Structure of the Liquid Component

In this case, the unit cell has the form shown in Figure 3. For the cell under consideration, the formulas for calculating the lower λ a and upper λ i z estimates were obtained for the evaluation of the effective thermal conductivity of moist capillary-porous materials using the method described above.
After dividing the unit cell (Figure 3) with adiabatic planes, we obtain
λ a λ 1 = c 2 + v 2 c n c 2 + 2 ν 2 c с n с 1 c + ν 2 c + 2 ν 1 ν 2 c c x c n ν 2 1 c x + v 1 c x c + v 1 v 2 c + 2 ν 1 ν 2 c x c n c n c ν 2 1 c x + ν 1 c x + v 1 v 2 c x с n 2 v 2 1 c x + v 1 c x + 2 v 1 v 2 c 1 c x v 2 1 c n + v 1 c n c + v 1 v 2 c + 2 v 1 v 2 c n c 1 c x v 2 1 c n + v 1 c n + ν 1 1 c n 2 c x c n 2
where ν 1 = λ 2 / λ 1 ,   ν 2 = λ 3 / λ 1 ,   c = Δ / L ,   c n = Δ n / L , c x = Δ x / L .   The dependence obtained by dividing the same unit cell with isothermal planes has the form:
λ u λ 1 = 1 c x c 2 + ν 2 c n 2 c 2 + ν 1 1 c n 2 + c x c n c 2 + ν 2 c x 2 c 2 + ν 1 1 c x 2 + c n с c 2 + ν 2 2 c n 1 c x + c x 2 c 2 + ν 1 1 c n 2 c x c n 2 + c c 2 c + v 2 2 c n c 1 c c n c 2 + c x c n 2 + v 1 1 c n 2 c x c n 2 1
where, as in (20), ν 1 = λ 2 / λ 1 ,   ν 2 = λ 3 / λ 1 ,   c = Δ / L ,   c n = Δ n / L , c x = Δ x / L .   The c x value is related to the volume of the liquid at the rod node of the solid skeleton of the unit cell V y = ψ y L 3 . The moisture content of the material in the rod node ψ y is determined from the condition that the pore moisture content is equal to the lower boundary value ψ P . Then, we obtain ψ y = ψ P P . Figure 3 shows that the volume of the liquid at the node is Δ x Δ 3 + 3 Δ Δ x Δ 2 = ψ y L 3 . By dividing the left and right sides of this expression by the volume of the unit cell V = L 3 and denoting c x c = d , we obtain the cubic equation
d 3 + 3 c d 2 = ψ y ,
solving which we obtain the physically justified root d = c x c (with a known value c = Δ / L ) and, therefore, the value c x .
In accordance with the theory of percolation [5], we assume that with an increase in the total moisture content of the material ψ > ψ y , the moisture content in the network node ψ y   does not change ( с x = c o n s t ). With a known difference ψ ψ y , the c n = Δ n / L value can be determined. As shown in Figure 3, the volume of liquid ψ ψ y L 3   distributed over the length L Δ x of the three rods of the unit cell is equal to Δ n Δ Δ 2 + Δ n Δ 3 L Δ x = 3 L Δ x Δ n 2 Δ 2 . By dividing this equality by the cell volume V = L 3 , we obtain a quadratic equation with an unknown c n
3 1 c x c n 2 c 2 = ψ ψ y ,
the positive root of which gives the desired value of c n .
If after the application of Formula (23), it turns out that c n > c x , then it is necessary to use formulas (17) and (18) to determine the thermal conductivity of the material.
From Formula (23) it follows that at ψ = ψ y we obtain c n = c . Then Formulas (20) and (21) are transformed to the forms of (23) and (28), presented in [7], which describe the structure of a three-component system with isolated liquid inclusions. Thus, Formulas (20) and (21) provide a smooth transition from the structure with a continuous liquid component to a structure with isolated inclusions of liquid and vice versa. In addition, in the absence of a liquid component, these formulas take the form of the known dependences formulated for a system with two interpenetrating components [5] at the adiabatic
λ a λ 1 = c 2 + v 1 c 2 + 2 v c 1 c v c + 1 c 1
and isothermal
λ i z λ 1 = 1 c c 2 + v 1 c 2 + c c 2 c + v 1 c 2 1
division of a unit cell. Here, v = v 1 = λ 2 / λ 1 .

5. Limitations of the Application of the Formulas

To determine limitations of the application of the formulas obtained herein, we use the dependence of the pore moisture content ψ P on the boundary values ψ P and ψ P in the following form:
ψ P = K ψ P + ψ P
where K is a coefficient varying within the lower K Н = ψ P / ψ P + ψ P and upper K B = ψ P / ψ P + ψ P boundaries. It is obvious that K Н + K В = 1 .
According to the assumptions made, formulas (20) and (21) can be used for determining the values of the coefficient K from the lower boundary of K Н to some K m , for which c n = c x . It is easy to assume that the results of calculating the thermal conductivity by formulas (20) and (21) will differ from the results obtained by formulas (17) and (18), since the former neglect the presence of the gas inclusion in the center of the unit cell, and the latter does not take into account the uneven distribution of the liquid component. It was of interest to determine the value of K m , up to which formulas (20) and (21) can be used, and at the same time compare the results obtained by formulas (20), (21) and (17), (18) for this K m . A similar comparison was made for other K values from the range K Н K K В . It required doing calculations according to the indicated formulas.
These calculations were performed using a three-component system with the constant volume concentration of the solid skeleton m 1 = 0.5 ( c = 0.5 , P = 1 m 1 = 0.5 ) and thermal conductivity λ 1 = 1.0   W/(m·K). The thermal conductivity of the gas and liquid components, λ 2 = 0.03   W/(m·K), and λ 3 = 0.6 W/(m·K), respectively, was also constant. Concentrations of the gas and liquid components varied depending on the moisture content of the system. The wetting angle θ based on the data from [8,9] was taken as equal to 45°.
First, let us determine the boundary values of the moisture content with respect to ψ P and ψ P at a wetting angle θ = 45   ° . According to [8]
ψ P = ( ( 1 + 8 c ) ) / [ 6 ( 1 + 2 c ) ] = 0.4167 .
According to [7]
ψ P = ( ( 5 + 13 c ) ) / [ 6 ( 1 + 2 c ) ] = 0.9583 .
Then we calculate the moisture content in the cell node ψ y = ψ P P = 0.20835 . The value c x = 0.8368 was found from the solution of the cubic Equation (22). Having given K from the range K Н K K В , using Equation (26), we calculate the pore moisture content ψ P , by which we determine the concentration of the liquid component m 3 = ψ P P = ψ , and then, using Equation (23), we determine c n . Using the method of successive approximations, we selected K m = 0.6237 , at which c n = c x (accuracy 0.0001). Concentrations m3 = 0.4288 and m 2 = P m 3 = 0.0712 were found for this K m . Further, using formulas (20) and (21), the thermal conductivities λ a = 0.6149 λ W/(m·K) and λ i z = 0.7324   W/(m·K) were determined, and the estimate of the effective thermal conductivity λ = 0.5 λ a + λ i z = 0.6736 W/(m·K) of the three-component system was calculated.
At the same concentrations of the components, the corresponding thermal conductivities λ a = 0.6163 W/(m·K), λ i z = 0.7324 W/(m·K), and λ = 0.5 λ a + λ i z = 0.6858 W/(m·K) were found by formulas (17) and (18). The last result for λ exceeded the previous one by 1.77%. The smallest increase by 1.1% was observed at K = 0 .52, and the largest was at the lower border of K = K H = 0.303 , amounting to 9.68%. At the upper border, K = K B = 0.697 , the relative difference was 2.22%. We came to similar results after performing calculations for other values of the parameters с and θ. From a physical point of view, for K Н K K m , more accurate results should be given by formulas (20) and (21). Formulas (17) and (18) can be applied in a rather narrow range of K from K m to K B .

6. Preparation of Initial Data for the Calculation

To perform calculations using the obtained formulas, it is necessary to know the volume concentrations m i and thermal conductivities λ i of the components. With the known apparent density ρ and moisture content ψ of the material, as well as the density of the solid skeleton ρ s , which can be determined using pycnometry, the concentrations of the components m i are determined quite simply:   m 1 = ρ / ρ s , m 3 = ψ and m 2 = 1 m 1 m 3 .
The thermal conductivity of water (liquid component) λ 3   W/(m·K) is easy to find by the formula obtained by approximating the data [11]
λ 3 = 0.551 + 0.256 × 10 2 t 0.124 × 10 4 t 2
where t is temperature in °C.
The thermal conductivity of vapor–air mixture λ 2 (gas component) is the sum of the thermal conductivity of dry air λ a i r and thermal conductivity of vapor λ v   generated by diffusion transfer of vapor in the pore space. The first parameter is determined by formula [6]
λ a i r = 0.0257 1 + 0.003 t 20 .
The λ v value is determined by formula [5], based on the Krisher dependence [12],
λ v = D μ M R T p v a p v a p v d p v d t q t ,
where
D —diffusion coefficient of water vapor in still air, m2/s;
μ —coefficient of resistance to vapor diffusion through the pore space;
M —molecular weight of water vapor, kg/mol;
R —universal gas constant, J/(mol·K);
T —temperature of water vapor, K;
p v a —total pressure of water vapor and air, Pa;
p v —partial pressure of water vapor, Pa;
q t —specific heat of water vaporization at the temperature t, J/kg.
When determining the diffusion coefficient of water vapor, the formula proposed by R. Schirmer in 1938 is usually used [12,13]:
D = 2.305 × 10 5 p v a T 273 1.81 , p 0 = 101 , 323   Pa .  
The derivative d p v / d t can be determined using reference data or by formula [12]
d p v d t = 2.44314 × 10 6 234.175 + t 2 exp 17.08085 t 234.175 + t ,   0 ° t 109.9   ° C .
The dependence of the specific heat of water vaporization on temperature after approximation of the reference data has the form:
  q t = 2.5 0.0024 t × 10 6
The vapor diffusion resistance coefficient μ for a continuous gas component (, m 2 > c g 3 ), according to [8,14], can be determined by the formula
μ = m 2 c * 4 ,
where c *   is calculated from Formula (14) after substitution of the solid component concentration m 1 with the gas component concentration m 2 . For closed gas inclusions (Figure 1, m 2 = c g 3 ) μ = 1.0.
In the first approximation, the thermal conductivity of the solid component λ 1 can be determined using Equations (24) and (25), in which λ a and λ i z are taken to be equal to the thermal conductivity of dry material λ 0 , and then the values of the thermal conductivity of the solid skeleton are found by the method of iteration for the adiabatic λ 1 a and isothermal λ 1 i z   division of the unit cell. The average value λ 1 = 0.5 λ 1 а + λ 1 i z is taken for subsequent calculations.
Thus, to calculate the thermal conductivity of a moist material, a minimum amount of experimental data for a dry material is required, i.e., the apparent density ρ of the material and its skeleton density ρ s , as well as the thermal conductivity λ 0 . The rest of the initial data can be determined by calculations.

7. Calculation Examples

The features of calculating the effective thermal conductivity of a moist capillary-porous material according to the formulas will be demonstrated by examples using experimental data for clay bricks presented in Table 1, obtained by us, and published in [15]. However, there is no information about the skeleton density ρ s in [15].
To determine the density ρ s we constructed a linear regression equation based on data from eight pairs of values of ρ and ρ s for clay bricks with apparent density ρ from 1530 to 2120 kg/m3
ρ ^ s = 2388 + 0.162 ρ .
The above equation based on the F (Fisher) test is effective with a confidence level of 0.95. The thermal conductivity of clay bricks depends on a large number of factors, and its measured values in the n-element test show a significant dispersion characterized by the standard deviation s . Based on the data of a representative test obtained on moist ceramic samples with apparent density ρ from 1550 to 1850 kg/m3 [16], the coefficient of variation V λ (the ratio of s to the sample mean λ ̄ ) was 0.16 (16%). According to our data obtained for nine dry samples with apparent density ρ from 1510 to 1900kg/m3, the coefficient of variation was 0.073.
Example 1.
For three brick samples, the following average values were determined: the apparent density  ρ = 1640    kg/m3, the density of the solid skeleton  ρ s = 2650    kg/m3 according to pycnometry, and the thermal conductivity of material in the dry state,  λ 0 = 0.74    W/(m∙K), and in the water saturated state, (  ψ = 0.291 )  λ w = 1.107    W/(m∙K). The thermal conductivity was measured by a stationary method at a temperature of 20 °C. The contact angle  θ  was taken as equal to 45°. The same temperature and angle θ values were also used in the remaining examples.
In this case, we have volumetric concentration of the solid component m 1 = ρ / ρ s = 0.6189 , at which, according to (14), c = 0.5799 and porosity P = 1 m 1 = 0.3811 ; concentration of liquid m 3 = ψ = 0.291 and gas m 2 = P ψ = 0.0901 components; and boundary values ψ P = 0.4352 and ψ P = 0.9676 , and K H = 0.3102 and K B = 0.6898 , calculated by formulas (27), (28), and (26). The moisture content in the cell node ψ P = ψ P P = 0.16585 , which from the solution of Equation (22) c x = 0.866 was worked out. Then, by solving Equation (23), c n = 0.80475 was determined. From the inequality c x > c n it follows that it is necessary to use formulas (20) and (21) for calculating the thermal conductivity. As already noted, this can be confirmed using the coefficient K determined by Formula (26). At ψ = 0.291 , we have the actual coefficient K = 0.5443 , whose value does not exceed K m = 0.6213 , which determines the upper boundary of applicability of Formulas (20) and (21), and which is found from the condition c x = c n To perform calculations using these formulas, it is necessary to determine the values of the thermal conductivities of the components at the assumed temperature of 20 °C. The thermal conductivity of the solid component λ 1 was determined using formulas (24) and (25), in which λ a and λ i z were equated to λ 0 = 0.74   W/(m∙K). Then the values λ 1 а = 2.11 W/(m·K) and λ 1 i z = 1.39 W/(m·K) were found by the method of successive approximations to calculate the accepted λ = 0.5 ( λ 1 а + λ 1 i z ) = 1.75   W/(m·K).
Before determining the thermal conductivity of the gas component λ 2 , it was worked out that its concentration m 2 = 0.0901 exceeds the gas concentration in the center of the unit cell m 2 g = 1 ψ P P = 0.0324 = c g 3 ; therefore, the gas component is continuous (Figure 2). In this case, the vapor diffusion resistance coefficient μ = 72.88 is determined by Formula (35). Using Equation (31), the thermal conductivity of the diffusing vapor λ v = 0.001   W/(m∙K) was calculated. According to Formula (30), the thermal conductivity of dry air is equal to λ a i r = 0.0257   W/(m∙K). The thermal conductivity of the gas component (vapor–air mixture) is found by summation [5] λ 2 = λ v + λ a i r = 0.0267 W/(m∙K).
The thermal conductivity of the liquid component, calculated by Formula (29), is equal to λ 3 = 0.597   W/(m∙K).
After completing the initial data, the thermal conductivity λ a = 0.9239   W/(m∙K) was calculated according to Formula (20) and λ i z = 1.1677   W/(m∙K) according to Formula (21), and the effective thermal conductivity of the material was found λ = 0.5 λ a + λ i z = 1.0458   W/(m∙K), which turned out to be 5.53% lower than the experimental value.
Example 2.
According to [15], a clay brick with apparent density  ρ = 1600    kg/m3 had the thermal conductivity  λ 0 = 0.63    W/(m∙K) in a dry state and  λ w = 1.02    W/(m∙K) in a water-saturated state (  ψ = 0.3  ). The density of the skeleton of the material  ρ s = 2647    kg/m3 was determined by Formula (36).
Further, as in example 1, the initial data necessary for the calculation were established, and according to formulas (20) and (21), the lower λ a = 0.8148   W/(m∙K) and upper λ i z = 1.0374 W/(m∙K) estimates of the thermal conductivity of the material were determined. The accepted estimate of the effective thermal conductivity of the material λ = 0.5 λ a + λ i z = 0.9261 W/(m∙K) is 9.2% lower than the experimental value.
Example 3.
According to [15], for a clay brick we have  ρ = 1820    kg/m3,  λ 0 = 0.69    W/(m∙K), and  λ w = 1.0  W/(m∙K) at  ψ = 0.23  (water saturation). By Formula (36),  ρ s = 2683    kg/m3. On the basis of this information, as before, the initial data were prepared by calculations using formulas (20) and (21):  λ a = 0.804    W/(m∙K), and   λ i z = 1.031    W/(m∙K). The average value  λ = 0.5 λ a + λ i z = 0.9175  W/(m∙K), taken as an estimate of the effective thermal conductivity of the material, turned out to be 8.25% lower than the experimental value  λ w = 1.0    W/(m∙K). As is shown in Table 1, the deviations of the calculated values of λ from the experimental ones observed in these examples are practically two times less than the mentioned coefficient of variation  V λ = 16 %  (relative standard deviation). Therefore, there is reason to believe that the proposed formulas with reliable experimental data are capable of predicting the thermal conductivity of moist capillary-porous wall materials with sufficient accuracy.

8. Conclusions

Several equations were constructed to determine the effective thermal conductivity of moist capillary-porous materials, the pore moisture content of which, with free liquid absorption, may vary from hygroscopic level to full saturation. These materials were considered heterogeneous three-component systems consisting of a solid skeleton, gas (vapor–air mixture), and liquid (water). Thermal conductivities and volumetric concentrations of all components were simultaneously taken into account, and the methods of the theory of generalized conductivity were used for the analysis of heat transfer in such systems. The structure of the solid skeleton was modeled by an ordered structure of identical unit cells of the simplest, cubic shape.
Changes in the binary structure of interconnected liquid and gas components were analyzed as the pores were filled with liquid. First, liquid inclusions, then continuous components of liquid and gas, and, finally, closed gas inclusions were considered. The geometric model of the three-component unit cell of each of these structures was described according to the theory of percolation, and for each unit cell, equations were constructed to determine its thermal conductivity during adiabatic and isothermal division. Moreover, limitations of the application of these equations were determined.
From a physical and practical point of view, it is expedient, first of all, to use formulas (20) and (21), which provide a smooth transition from a structure with a continuous liquid component to a structure with isolated liquid inclusions and vice versa, and allow determination of the thermal conductivity of a moist material up to the state of free saturation with water. The scope and method of preparing preliminary data for calculations were explained. The details of the calculations according to the proposed formulas were demonstrated by examples using experimental data for clay bricks. It was found that formulas (20) and (21) are capable of predicting the thermal conductivity of wet capillary-porous wall materials with sufficient accuracy.
The developed methodology of calculation of thermal conductivity of moist capillary-porous materials can be useful for the sustainable design of new buildings and renovation of historic ones.

Author Contributions

Conceptualization, V.I.N.; methodology, A.A.; software, S.K.N.; validation, A.A. and B.B.-B.; formal analysis, A.A.; investigation, B.B.-B.; resources, A.A.; data curation, S.K.N.; writing—original draft preparation, V.I.N.; writing—review and editing, B.B.-B.; visualization, S.K.N.; supervision, V.I.N.; project administration, B.B.-B.; funding acquisition, A.A. and B.B.-B. All authors have read and agreed to the published version of the manuscript.

Funding

This work was supported by the Ministry of Education and Science in Poland (grant number WZ/WB-IIL/3/2020, Bialystok University of Technology) and the Ministry of Education in Belarus (grant number 811.12.218, Brest State Technical University).

Institutional Review Board Statement

Not applicable.

Informed Consent Statement

Not applicable.

Data Availability Statement

Not applicable.

Conflicts of Interest

The authors declare no conflict of interest.

References

  1. Blocken, B.J.; Carmeliet, J.E. A review of wind-driven rain research in building science. J. Wind. Eng. Ind. Aerodyn. 2004, 92, 1079–1130. [Google Scholar] [CrossRef]
  2. Künzel, H.M.; Holm, A. Simulation of Heat and Moisture Transfer in Construction Assemblies; Fraunhofer IBP: Stuttgart, Germany, 1997; pp. 115–126. Available online: https://wufi.de/literatur/Künzel,%20Holm%202001%20-%20Simulation%20of%20heat%20and%20moisture.pdf (accessed on 13 March 2022).
  3. Alsabry, A.; Nikitsin, V.I.; Kotanov, V.A.; Backiel-Brzozowska, B. Evaluation of the influence of wind-driven rain in moisture in cellular concrete wall boards. Int. J. Appl. Mech. Eng. 2017, 22, 509–519. [Google Scholar] [CrossRef] [Green Version]
  4. Blocken, B.J.; Carmeliet, J.E. On the validity of the cosine projection in wind-driven rain calculations on buildings. Build. Environ. 2006, 41, 1182–1189. [Google Scholar] [CrossRef]
  5. Dul’nev, G.N.; Novikov, V.V. Transport Processes in Heterogeneous Media; Energoatomizdat: St. Petersburg, Russia, 1991; pp. 129–135. [Google Scholar]
  6. Gur’yev, V.V.; Zholudov, V.S.; Petrov-Denisov, V.G. Thermal Insulation in Industry. Theory and Calculation; Stroyizdat: Moscow, Russia, 2003; pp. 215–243. [Google Scholar]
  7. Alsabry, A.; Backiel-Brzozowska, B.; Nikitsin, V.I. Dependencies for determining the thermal conductivity of moist capillary-porous materials. Energies 2020, 13, 3211. [Google Scholar] [CrossRef]
  8. Nikitsin, V.I.; Alsabry, A.; Kofanov, V.A.; Backiel-Brzozowska, B.; Truszkiewicz, P. A model of moist polymer foam and a scheme for the calculation of its thermal conductivity. Energies 2020, 13, 520. [Google Scholar] [CrossRef] [Green Version]
  9. Janz, M. Methods of Measuring the Moisture Diffusivity of High Moisture Levels, Report TVBM-3076; Lund Institute of Technology: Lund, Sweden, 1997; pp. 38–47. Available online: https://lucris.lub.lu.se/ws/files/4798472/759003.pdf (accessed on 13 March 2022).
  10. Nikitsin, V.I.; Backiel-Brzozowska, B. Determination of capillary tortuosity coefficient in calculations of moisture transfer in building materials. Int. J. Heat Mass Transf. 2013, 13, 30–34. [Google Scholar] [CrossRef]
  11. Gawin, D. Modeling of Coupled Hygrothermal Phenomena in Building Materials and Elements; Publishing House of the Lodz University of Technology: Lodz, Poland, 2000; p. 69. [Google Scholar]
  12. Ochs, F.; Heidemann, W.; Müller-Steinhagen, H. Effective thermal conductivity of moisture isolation as a function of temperature. Int. J. Heat Mass Transf. 2008, 51, 539–552. [Google Scholar] [CrossRef]
  13. Sheffler, G.A.; Plagge, R. A whole range higric material model: Modeling liquid and vapour transport properties in porous media. Int. J. Heat Mass Transf. 2010, 53, 286–296. [Google Scholar] [CrossRef]
  14. Epstein, N. On tortuosity and tortuosity factor in flow and diffusion through porous media. Chem. Eng. Sci. 1989, 44, 777–779. [Google Scholar] [CrossRef]
  15. Wyrawał, J.; Świrska, J. Problems of Dampness in Building Partitions; Academy of Sciences, Engineering Studies Nr 44: Warsaw, Poland, 1998; p. 62. [Google Scholar]
  16. Yasin, Y.D.; Kuznetsova, N.N. Influence of density, humidity and the amount of cryophase on the thermophysical properties of building materials. Stroit. Mater. 1988, 7, 24–25. [Google Scholar]
Figure 1. The eighth part of a unit cell with an isolated inclusion of gas and components of the total heat flux G 1 G 4 (a); connection diagram of the resistances of individual elements during adiabatic (b) and isothermal (c) division of the unit cell; 1, 2, 3—solid, gas, and liquid components, respectively.
Figure 1. The eighth part of a unit cell with an isolated inclusion of gas and components of the total heat flux G 1 G 4 (a); connection diagram of the resistances of individual elements during adiabatic (b) and isothermal (c) division of the unit cell; 1, 2, 3—solid, gas, and liquid components, respectively.
Sustainability 14 05796 g001
Figure 2. The eighth part of a unit cell with a specified structure of a continuous gas component; 1, 2, 3—solid, gas, and liquid components, respectively.
Figure 2. The eighth part of a unit cell with a specified structure of a continuous gas component; 1, 2, 3—solid, gas, and liquid components, respectively.
Sustainability 14 05796 g002
Figure 3. The eighth part of a unit cell with a specified structure of a continuous liquid component; 1, 2, 3—solid, gas, and liquid components, respectively.
Figure 3. The eighth part of a unit cell with a specified structure of a continuous liquid component; 1, 2, 3—solid, gas, and liquid components, respectively.
Sustainability 14 05796 g003
Table 1. Experimental data for clay bricks obtained by us and published in [15] (ρ, ρ s , λ 0 ,   ψ , λ w ) , results of calculations ( λ a ,   λ i z , λ ) , and deviation between experimental ( λ w ) and computational ( λ ) values of thermal conductivity.
Table 1. Experimental data for clay bricks obtained by us and published in [15] (ρ, ρ s , λ 0 ,   ψ , λ w ) , results of calculations ( λ a ,   λ i z , λ ) , and deviation between experimental ( λ w ) and computational ( λ ) values of thermal conductivity.
Calculation ExampleExperimental DataResults of Calculations Deviation   between   λ w   and   λ
Ρkg/m3 ρ s   kg / m 3 λ 0   W / ( m · K ) ψ λ w   W / ( m · K ) λ a   W / ( m · Kne ) λ i z   W / ( m · K ) λ
1164026500.740.2911.1070.92391.16771.04585.53
2160026470.630.31.020.81481.03740.92619.2
3182026830.690.231.00.8041.0310.91758.25
Publisher’s Note: MDPI stays neutral with regard to jurisdictional claims in published maps and institutional affiliations.

Share and Cite

MDPI and ACS Style

Alsabry, A.; Backiel-Brzozowska, B.; Nikitsin, V.I.; Nikitsin, S.K. Equations for Calculating the Thermal Conductivity of Capillary-Porous Materials with over Sorption Moisture Content. Sustainability 2022, 14, 5796. https://doi.org/10.3390/su14105796

AMA Style

Alsabry A, Backiel-Brzozowska B, Nikitsin VI, Nikitsin SK. Equations for Calculating the Thermal Conductivity of Capillary-Porous Materials with over Sorption Moisture Content. Sustainability. 2022; 14(10):5796. https://doi.org/10.3390/su14105796

Chicago/Turabian Style

Alsabry, Abdrahman, Beata Backiel-Brzozowska, Vadzim I. Nikitsin, and Serafim K. Nikitsin. 2022. "Equations for Calculating the Thermal Conductivity of Capillary-Porous Materials with over Sorption Moisture Content" Sustainability 14, no. 10: 5796. https://doi.org/10.3390/su14105796

APA Style

Alsabry, A., Backiel-Brzozowska, B., Nikitsin, V. I., & Nikitsin, S. K. (2022). Equations for Calculating the Thermal Conductivity of Capillary-Porous Materials with over Sorption Moisture Content. Sustainability, 14(10), 5796. https://doi.org/10.3390/su14105796

Note that from the first issue of 2016, this journal uses article numbers instead of page numbers. See further details here.

Article Metrics

Back to TopTop