You are currently on the new version of our website. Access the old version .
SustainabilitySustainability
  • Article
  • Open Access

28 January 2021

The Impact of Hydrogen on a Stationary Gasoline-Based Engine through Multi-Response Optimization: A Desirability Function Approach

,
,
,
,
,
and
1
Facultad de Ingeniería, Arquitectura y Diseño, Universidad Autónoma de Baja California, Ensenada 22860, Mexico
2
Facultad de Ciencias de la Ingeniería y Tecnología, Universidad Autónoma de Baja California, Tijuana 22260, Mexico
3
Facultad de Ingeniería, Universidad Autónoma de San Luis Potosí, Dr. Manuel Nava 8, Zona Universitaria Poniente, San Luis Potosí 78290, Mexico
4
Facultad de Ciencias de la Ingeniería, Administrativas y Sociales, Universidad Autónoma de Baja California, Tecate 21460, Mexico
This article belongs to the Special Issue Renewable Energy and Environmental Pollution

Abstract

Several studies have been conducted on alternatives to fossil fuels in internal combustion engines. In this work, we present an analysis of the optimization of a spark ignition engine (SIE), which operates with a mix of gasoline and hydrogen. Thus, this study tries to enrich the literature about the effect of using hydrogen in SIEs taking into account their performance and environmental issues. The experiments were conducted considering three independent variables: revolutions, the load produced by a dynamometer, and an electrolyte concentration (EC) to produce hydrogen. The effect of these factors was investigated on three response variables that are related to the performance of the engine: torque, hydrocarbon emissions (HC), and power. To achieve this optimization, we employed the design of experiments, the seemingly unrelated regression (SUR), and the desirability function. Once the models were fitted by SUR, the individual desirabilities were calculated and later aggregated into an overall desirability (D), which was optimized using the generalized reduced gradient (GRG) method. The results showed that, with a revolution of 2400 revolutions per minute (RPM), a load of 10 liters per minute (LPM), and an EC of 80 mL/gal, a reduction of approximately 51% of HC emissions was achieved, while the other two response variables demonstrated good performance.

1. Introduction

In recent decades, several studies have been conducted on alternatives to fossil fuels and their best use, especially in internal combustion engines (ICEs). These motors are used in different means of transport, as well as other equipment, and, due to this, the dependence on these fuels has increased without neglecting the decrease in the production of energy based on petroleum [1,2]. The primary energy consumption growth slowed to 1.3% last year to less than half the growth rate it had in 2018 (2.8%). Considering the increase in energy generation alternatives, the increase in consumption was driven by renewable energies and natural gas, which together contributed three-quarters of the expansion, growing at a slower rate than their 10-year averages, except for nuclear power [3]. These numbers show an overall trend to look for alternatives that allow reducing the pollution footprint. The transition to a more advanced form of propulsion (such as hybrid cars, electric vehicles, fuel cells, etc.) developed for fuel economy improvement and reduction in exhaust emissions is very far to be complete. As a result, stringent emission legislation and higher oil prices push world Original Equipment Manufacturers (OEMs) to investigate more efficient engines [4].
Climate change has now become an important point of discussion among most countries, and one of the main topics is the emission of particles into the atmosphere, which promotes various effects on the environment and has impacts on human health [5]. Not only have traffic conditions deteriorated due to the increase in the urban population and the shortage of available spaces, but innovations in business models and supply chain management strategies have imposed additional restrictions on transport companies. Simultaneously, the rise of e-commerce linked to fast home delivery has also contributed to more and more packages being shipped to dispersed destinations in a race against time [6].
All of this happens in urban settings where vehicles are frequently caught in traffic and where regulation aimed at making cities more livable often imposes restrictions on transport operators [7]. One of the main elements that are aimed to be reduced from gasoline engines is hydrocarbons (HC) emissions, given their effect on human health. Energy is an essential and vital input for social and economic development of all country and to improve the quality of life. Since exploration, the fossil fuels continued as the major conventional energy source. Increased consumption of fossil fuels and growing concern for environmental pollution caused by fossil fuels has led researchers all over the world to look for alternative renewable fuels [8]. Due to its use at a large scale, the internal combustion engines as a source of energy depletion and pollutant emissions must further improved. In this sense, the adoption of alternative combustion concepts using cleaner fuels than diesel [9]. Achieving a reduction in part of these emissions is one of the objectives that many engine developers and researchers are attempting to reach. In the short term, no definitive effective solution is in sight; however, proposals are slowly emerging, such as the application of additives other than the conventional ones.
In the literature, there are several studies that analyze environmental impact from various aspects of human activity, such as the development of alternative sources for fuel, such as natural gas, hydrogen, and biodiesel. In this sense, presented results in this study showed a significant reduction in CO emission, sulfur, unburned-hydrocarbon, and particulate matter levels in exhaust gases in comparison with conventional diesel fuels [10]. The automotive industry is a strategic branch in the international framework that is facing the ongoing challenges of requirements concerning the efficient exploitation of fuel energy, emission reduction, and the application of the new technologies [11]. An alternative for facing these challenges consists in the addition of different complementary sources for gasoline fuel, such as hydrogen.
The technology for the production of hydrogen has been in constant evolution, since its energy potential is recognized; however, there are issues that have to be considered before this element is fully added in engine development. First, all high-efficiency engines are inclined toward destructive tendencies resulting from detonation combustion. Most often, engine producers solve this problem with limiting maximal output performance, but this comes with an efficiency decrease in fuel utilization. However, detonation combustion can also be useful because, if it is kept at a certain level, it leads to a considerable increase in output performance [12].
The distinct properties of hydrogen as a fuel are wide flammability limit, small ignition energy, high flame-propagation speed, small quenching distance, and combustion products without carbon, which make it an ideal fuel for internal combustion engines [13]. These properties make hydrogen very peculiar for use in internal combustion engines. Owing to these characteristics, hydrogen-fueled engines can be operated with relatively low cycle variation, but abnormal combustion like flashback and pre-ignition can also easily occur, and high gas temperature produces large amounts of Nitrogen Oxide (NO) emissions [14]. Therefore, different mixture-formation methods are required for hydrogen-fueled engines. Two fuel-supply methods are widely used, external mixing (e.g., intake port injection), which can be suitable for spark-ignition (SI) and compression ignition (CI) engines, with the advantage that this method does not require significant modifications and the other is the internal mixing method (e.g., in-cylinder injection), which may be preferable for SI engines that require an additional injector to mix the fuel and air components with hydrogen in the cylinders, and internal mixing. Each method has its advantages and disadvantages. The external-mixing method suffers from low power due to low volumetric efficiency and abnormal combustion at fuel-rich conditions [6]. Therefore, much research on hydrogen-fueled engines is focused on the internal-mixing method. However, internal mixing shows unstable engine operation at low fuel–air equivalence ratios due to insufficient mixing between hydrogen and air. Hydrogen engines can also be operated without throttling because of the wide flammability. However, such combustion is unstable, and its thermal efficiency is diminished at low-load conditions [15].
To observe the influence of the introduction of hydrogen in a gasoline engine, it is necessary to know the effects on the different elements of performance, such as the torque and power, along with emissions, like hydrocarbons, turning this analysis into a multi-response problem, which involves data processing from this perspective to generate an optimal result involving all the variables simultaneously.
For the production of hydrogen, there are currently several alternatives, among the primary ones based on the decomposition of water into its elements, e.g., thermolysis and electrolysis. Thermolysis consists of heating the water to separate the molecules into hydrogen and oxygen. To achieve this reaction, the temperature of the water rises to 2500 °C, which is where the hydrogen and oxygen bond is broken, and water separates into hydrogen gas and oxygen [16]. Hydrogen in high purity can be produced through the electrolysis of water. The required electrical power can be supplied by renewable energy resources, such as solar, wind, wave tide, or hydraulics [17]. For this, a continuous electric current is applied through a pair of electrodes that are connected to a direct current source; the negative electrode is known as the cathode, and the electrode connected to the positive pole is called the anode. Each electrode maintains the ions of opposite charge attract, so the ions of opposite charge are attracted to the anode and the cathode; that is, the positive ions are attracted to the cathode and the negative ions to the anode [18].
In industry and research in general, most of the problems that arise are multidimensional; that is, solutions are required for several critical characteristics of the products, processes, or systems under study, which, within the field of designed experiments, are known as response variables. In turn, to achieve better results, it is necessary to specify which are the optimal operating conditions or the best levels of the input variables or controllable factors so that the aforementioned response variables perform as required. Thus, when seeking to achieve the best result from the response, the design of experiments emerges as an excellent option for planning and executing such studies.
In this sense, performing a separate analysis can lead to different recommendations regarding the levels of the important factors; even more, when the correlations between the responses are ignored, the opportunity to find levels of the factors that simultaneously improve the quality of all responses are significantly lower [19]. Searching for a methodology to achieve an effective method to simultaneously optimize a problem that requires many response variables has always been a great challenge. The main objective of this work was to improve an engine performance by modifying two basic operating conditions and with the incorporation of hydrogen as a third variable. Thus, to prove the impact of these three variables, but mainly the incorporation of hydrogen, three response variables commonly related to engine performance were chosen with their respective goals of decreasing HC emissions, and maintaining the maximal torque and power. This experiment was conducted considering HC emissions as an output variable, given their aforementioned impact on human health in developing countries and their current technology attempting to diminish their negative impact on inhabitants.
In general, there is a certain degree of difficulty to obtain such a combination, as the optimal values of a response variable can lead to non-optimal values for the remaining response variables [20]. The desirability function remains a widely used resource today, as the ease of performing calculations allow researchers to quickly explore the different conditions under which they can operate by converting individual responses into a single response involving all these conditions. The application of this technique is used in fields as diverse as medicine [21], agriculture [22], and industry [23].
The possibility of being able to measure the effect of the introduction of hydrogen in a system can lay the foundation for studies covering a greater number of variables that benefit the development of future engines. Likewise, the results of the study could help promote the safe use of hydrogen in internal combustion engines, particularly in cities with large concentrations of population [24]. This article deals with the analysis of variations that occur when introducing a new agent to the commonly used mixture, and being able to observe a reduction in polluting emissions, using multi-response optimization techniques.

2. Methods

Previously, to start the experiment, a series of test runs were conducted with highly specialized personnel in the operation of the engine to set the initial values for the experiment. Once the data was analyzed, the factors and their levels were defined, including the response variables. The data analyzed was taken with an engine at the optimum operating temperature (OOT) within a period of 15 min. The experimental runs consisted in an un-replicated full factorial design with three factors at three levels, which were performed randomly. Once the results were obtained, regression models were fitted employing ordinary least squares (OLS) first, and then, from these estimations, a new set of parameters were calculated using seemingly unrelated regression (SUR). The corresponding individual desirabilities for each response variable and the overall desirability (D) in each treatment combination were estimated. At this last step, two different scenarios were considered through weight assignments defining different levels of importance in the response variables to make comparisons. Finally, the optimization was completed by applying the solver included in the Microsoft Excel® package based on the generalized reduced gradient method to find the optimal combination of factors and to maximize the overall desirability (D). In the following sub-sections, more detail will be given for each of the steps conducted.

2.1. Experimental Design

Regarding factors to be studied and their respective levels, the first two, RPM and load, were selected because they are basic input variables related to the performance of the engine without the need for further modifications in the test bench, and they can be fixed at different levels. For engine revolutions (X1), the tested levels were 1200, 1800, and 2400 RPM. To measure the power, a dynamometer is used coupled to the engine by an axis, with a 1:1 coupling, the dynamometer uses water as the working fluid (WF), the amount of WF is sensed with a flow meter and is regulated with a fine pitch valve, with which the user can modify the amount of WF that passes through the brake to increase or decrease the effort demanded to the engine. For this load (X2), the studied levels were 0, 5, and 10 LPM. As the third factor, a variable was selected that could affect the performance of the engine, which consisted in electrolyte concentration (EC) (X3) and was analyzed at three levels: 0, 40, and 80 mL/gal using a wet cell with a continuous voltage of 12 V to induce the chemical reaction to produce hydrogen. These levels were coded according to the nomenclature used in the factorial designs in which the levels are defined as low (−1), medium (0), and high (1) [25]. This information can be seen in Table 1.
Table 1. Natural and coded levels for the control factors in the experiment.
The response variables considered for optimization in the present study were torque (Y1), emissions (HC) (Y2), and the power (Y3) generated by the engine. Certain considerations were taken into account during the experimentation to control the levels of factors. Concerning the revolutions, the motor had a manual acceleration control that allowed for modifying the revolutions, while, to control the water flow, the motor also had a fine-pitch valve with a flowmeter to measure the amount of water per minute. Finally, to measure the electrolyte concentration (EC) to produce hydrogen, a graduated test tube was used to measure the amounts to dissolve in a gallon of water.
Concerning the measurement of the response variables, there are two methods to check polluting emissions, the dynamic method, and the static method [26]. Given that the engine was fixed on a test bench, the measurements were performed using the static method. For this purpose, we used the specialized equipment to measure the emissions with the technical specifications shown in Table 2. For the measurement of torque and power, a dynamometer that used water at room temperature and 30 pounds per square inch (psi) as the working fluid was used. For this work, the measuring instruments were previously tested and calibrated.
Table 2. Emissions analyzer specifications.

2.2. Experimental Procedure

As previously mentioned, for this work, we utilized an un-replicated three-factor full factorial design with three levels at each factor. This design is commonly known as 3k full factorial design, where the base value refers to the number of levels in each factor and k refers to the number of control factors considered in the study. Solving this expression results in the number of different factorial combinations to analyze in a complete factorial design. In this case, the number of factorial combinations or experimental runs will be 33 = 27, which are shown in the Table 3.
Table 3. Randomized experimental matrix corresponding to a full 33 factorial design.
Column 1 shows the label corresponding to the standard order of the runs in a non-randomized design; however, after randomization, the order in which the treatment combinations appear in Table 3 is the actual order in which they were tested during the experimentation. Similarly, column 2 shows the levels of the factor associated with the revolutions per minute (X1), while column 3 displays the levels of the factor associated with the load (X2), and column 4 shows the levels of the factor associated with the EC (X3). Likewise, columns 5, 6, and 7 show the results obtained in the response variables analyzed in each treatment combination, which, as was previously indicated, correspond to Y1: torque, Y2: emissions (HC) and Y3: power.
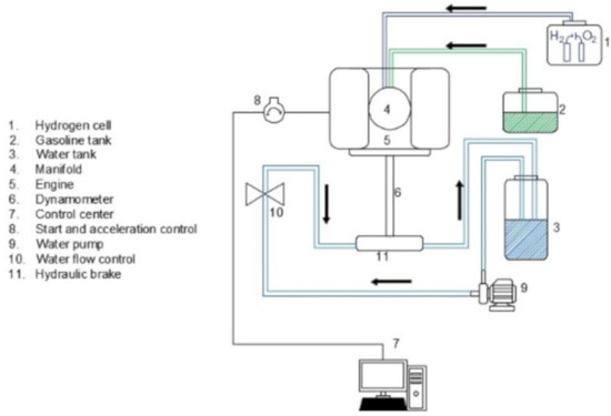
For this experiment, we used a two-cylinder stationary gasoline-based engine with SI fed through a manifold and a carburetor with an efficiency between 25% and 30% [27]. This engine was mounted onto a test bench as is shown in Figure 1.
Figure 1. Engine connected to the hydraulic brake.
This test bench included a hydraulic brake connected to the engine through a dynamometer; this brake was fed with a flow of water supplied by a water pump and a fine-pitch valve to regulate the amount of water in the system. This bench also included a water tank to feed the water pump and a fuel tank that provides gasoline to the engine. For the purpose of the experiment, a cell that produced hydrogen using electrolysis was incorporated. Both gasoline tank and hydrogen cell were connected to the carburetor and manifold with a thin hose for each fuel supply. This allowed for the gasoline and hydrogen to enter to the engine combustion system using absorption and regulation characteristics from the carburetor in this specific engine. The technical specifications are shown in Table 4.
Table 4. Engine technical specifications.
Figure 2 displays a basic representation of the stationary engine with its listed components.
Figure 2. Basic scheme of stationary engine.

2.3. Seemingly Unrelated Regression

Usually, when referring to simultaneous equation models, those systems in which endogenous variables are specified in some equations are immediately thought of as predetermined in other equations of the same model. Under this specification then there is an identifiable correlation of the error terms between the system equations. For simultaneous equations, applying the ordinary least squares (OLS) method results in biased estimators with mean square errors that can be quite high, especially in small samples [20].
The Seemingly unrelated regressions (SUR), were introduced by Zellner [28], who proposed a generalized least squares estimator (GLS) to estimate the coefficients of a set of SUR and established that it allows, at least asymptotically, more efficient estimators than those obtained by individual least squares [29]. To calculate this system of equations, the matrix operations is used including the Kronecker product. The SUR model parameters are then obtained by solving Equation (1).
β   =   [ X ( 1   I m ) X ] 1 X ( 1   I m ) Y ,
where:
  • β is the matrix of the new regression coefficients;
  • X is the diagonal block matrix made up of the m-many matrices with n runs obtained in the model settings plus a column of 1 for the new interceptor;
  • is the matrix of variance and covariance of the response variables;
  •   denotes the Kronecker product;
  • I m is the identity matrix of size m × m;
  • Y is the response matrix;
  • m is the number of response variables; and
  • n is the number of experimental runs tested.

2.4. Desirability Function

The desirability function is a technique used for optimizing multi-responses in the analysis of experiments and must be simultaneously optimized. According to G. Derringer and R. Suich [30], the desirability optimization methodology is based on the idea that the quality of a product or process that has multiple characteristics, when one of them is outside of certain “desired” limits, is completely unacceptable. The method attempts to find operational conditions of the process that provide the “most desirable” response. The optimal values of the factors are determined from the maximization of the function. A high value of overall desirability (D), which falls in the interval [0, 1], indicates the best combination of factors to optimize the studied system. G. Derringer and R. Suich propose to use the desirability function to convert a multi-response problem into a single response problem; that is, the final analyzed response is D, which is calculated with the expression shown in Equation (2).
D   =   ( d 1 ×   d 2   × . ×   d m ) 1 / m ,
where d1, …, dm are the individual desirabilities associated to the m responses Y1, …, Ym. To convert the responses Yi to di, they suggested to perform the following transformation: in the case in which it is desired to maximize the response Ŷi(x), a target value (Ti) must be chosen such that di(x) = 1 for any Ŷi(x)> Ti. It is further assumed that any Ŷi(x) < LSLi, where LSLi refers to the lower specification limit, is an unacceptable value; that is to say, di(x) = 0. Then, the transformation is given by Equation (1).
For the case in which it is desired to minimize the response Ŷi(x), a target value Ti must be chosen such that di(x) = 1 for any Ŷi(x) < Ti. It is further assumed that any Ŷi(x) > USLi, where USLi refers to the upper specification limit, is an unacceptable value; that is to say, di(x) = 0; hence, this transformation is given by Equation (2). On the other hand, if the objective is to obtain a specific value, a combination of both previous equations will be required and the transformation must be performed by Equation (3). In these equations, Ŷi(x) refers to a predicted value using a previously fitted regression model in a specific treatment combination x.
d i x = 0 if   Ŷ i ( x ) < LSL i Ŷ i x LSL i T i LSL i s   if   LSL i Ŷ i ( x ) T i 1 if   Ŷ i ( x ) > Ti ,
d i x = 1 if   Ŷ i ( x ) < T i Ŷ x USL i T i USL i t   if   T i Ŷ i ( x ) USL i 0 if   Ŷ i ( x ) > USL i ,
d i x = 0 if   Ŷ i ( x ) < LSL i Ŷ i x LSL i T i - LSL i s   if   LSL i Ŷ i ( x ) T i 1 if   Ŷ i ( x ) = T i Ŷ x USL i T i USL i t if   T i Ŷ i ( x ) USL i 0 if   Ŷ i ( x ) > USL i .
The exponents s and t in these equations are used to choose the desired form of the transformation and, therefore, to reflect the experimenter’s wishes: large values (s, t ≥ 10) indicate that the desirability di(x) only takes large values when it falls close to its target value; small values for s and t (s, t ≤ 0.1) indicate that any value within the range {LSLi, USLi} is equally desirable, and this can be seen in Figure 3.
Figure 3. Desirability function according to different values of s and t.
The assignment of weights is a resource widely used in optimization methodologies [31] since it allows assigning specific importance to each of the response variables as required, with which the optimal conditions will seek to favor the better performance of the variables with the highest weights [32]. For the purposes of this work, two scenarios were considered; in the first, the same weights were assigned to each of the response variables, while, in the second, greater weight was assigned to the variable corresponding to emissions.
Once the individual m desirabilities have been calculated for each of treatment combination (x) in the design matrix, the overall desirability D for this specific treatment combination is defined by the weighted geometric mean of the individual desirabilities using Equation (4), which is similar to Equation (6), but now incorporating weights.
D   =   d 1 w 1 ×   d 2 w 2 ×   ×   d m w m 1 w i .
Here, the weights wi are constants such that they allow balancing the relative importance of each response variable; the greater the weight given to one variable compared to the other response variables, the greater the requirement for the overall optimum to benefit that response. If the weights are equal for each one of the desirabilities, then the results would be the same as that of Equation (2).
Optimizing multiple responses using the desirability function has two disadvantages: first, the overall desirability (D) can be difficult to model as it is a complex function of the m responses; second, it is difficult to say what the difference between expected values of D means, except that the largest is the best [33]. Another disadvantage of this approach, according to Ko et al. [34], is that it does not consider the variance–covariance structure of the responses and ignoring this information can lead to a non-real solution if the responses have significantly different variances or if they are highly correlated. To compensate this, we incorporated the SUR technique, since the parameters estimation process of this technique contemplates these correlations. In fact, the SUR method should always be preferred to estimate regression equations when the correlations among response variables are high [35].

3. Results

3.1. Engine Multi-Response Optimization

The correlations between the response variables were analyzed before performing the optimization to verify that the use of the SUR method was adequate for this problem. The resulting correlation matrix can be seen in Table 5.
Table 5. Spearman pairwise correlation for response variables.
Based on the estimated confidence intervals (CI) and p-Values, significant correlations between Y1-Y2, Y1-Y3, and Y2-Y3 with at least 90% confidence were detected; therefore, as there was at least a significant correlation between the two responses, the SUR method appeared to be indicated to perform the multiple regression. For this project, interactions between the independent variables were used to add a better fit in the models fitted by OLS used as a first stage of the SUR technique. Later, once the SUR parameters were obtained, the optimization was performed using the generalized reduced gradient (GRG) method to maximize the overall desirability and taking the regression equations to find the combination of control factors with the highest overall desirability.
Regarding the reference values required to calculate the corresponding individual desirabilities, namely the upper and lower specifications limits, as well as the targets associated to each response variable, after careful considerations, these values were established as described in Table 6.
Table 6. Reference values to calculate individual desirabilities.
The target and lower limits for the calculation of desirabilities for torque and power were established according to the characteristics and capacities of the motor described in Table 4, seeking to preserve its functionality and operability, while the target and upper limit for emissions were based on the Mexican Official Standard (NOM by its acronym in Spanish) NOM-041-SEMARNAT-2015 [36] for model 93 or older engines, which allows a maximum emission of 400 parts per million (PPM) of HC, given the type of supplied fuel.

3.2. Regression Equations Estimated by OLS and SUR

Given the characteristics of the calculations involved in the SUR technique in which the Kronecker product is performed, the operations may become extremely complex. For that reason, an open source software of RStudio was used to performed these calculations, in such a way that the number of response variables to obtain a new matrix of regressors based on this technique was not limited [37]. It is important to mention that all three independent variables were analyzed in every model trying to define second order regression models, but some parameters were not statistically significant and had to be eliminated from the final models. The differences in the parameter values estimated by these two aforementioned regression techniques are shown in Table 7.
Table 7. Parameters from the ordinary least squares (OLS) and seemingly unrelated regression (SUR) regression methods.
The coefficient of determination, R-squared (R2), indicates the level of explanation that the regression model contributes to variability. Values of R2 close to 1 imply that most of the dependent variable (Y) is explained by the regression model [38]. However, when there are many terms in a model, it is recommended to use the adjusted R-squared (R2Adj) statistic, instead of R2 given that this last could be artificially increased with every term added to the model even if this added term does not contribute to the level of explanation. Instead, the R2Adj decreases its value if a term that does not contribute to the level of explanation is added. In general, for prediction purposes, values of R2Adj greater than 0.7 are recommended [39]. In this experiment, all three fitted models had a greater R2Adj than the minimum recommended value as shown in Table 8.
Table 8. Coefficients of determination R-squared and adjusted R-squared for fitted models.
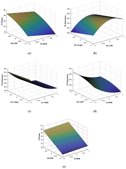
The regression equations fitted using SUR were finally as follows: for the torque, Equation (5) was defined, and the emissions are represented in Equation (6), while the power is represented in Equation (7). With these equations, the individual response surface plots were obtained, which are shown in Figure 4a–e.
Y 1   =   20.97     5.05 x 1   +   11.41 x 2     3.33 x 2 2 ,
Y 2   =   265.48     111.61 x 1   +   47.11 x 2     15.34 x 3   +   50.26 x 1 2     28.36 x 2 2     30.27 x 2 x 3 ,
Y 3   =   5.89   +   0.33 x 1   +   3.99 x 2   +   0.69 x 1 x 2 .
Figure 4. Response surfaces for the SUR regression models: (a) torque, (b) emissions with x1 = 0, (c) emissions with x2 = 0, (d) emissions with x3 = 0, (e) power.
Through Figure 4a–e, an approximation of the individual performance for each dependent variable according to their corresponding goals is shown; in the first response variable depicted in Figure 4a, the optimal solution in the maximization of torque was around X1: RPM = −1 and X2: LPM = 1. In the same manner, the second response variable seeks to minimize the emissions, with, according to Figure 4b, built keeping X1 = 0, and the best result is around X2: LPM = −1 and X3: mL/gal = 1. In a similar way, Figure 4c related also to emissions and built keeping X2 = 0, shows that the best result was in X1: RPM = 1 and X3: mL/gal = 1, while continuing with emissions, but this time keeping X3 = 0, according to Figure 4d, the best result was in X1: RPM = 1 and X2: LPM = −1. In relation to the third response variable, power, in Figure 4e, the goal was its maximization; thus, the best result was in X1: RPM = 1 and X2: LPM = 1. Each individual response generated a different combination of the independent variables as the optimum point, and, in such a situation, the best solution to this optimization problem should yield the best compromise solution attempting to find a combination of control factors where the three response variables perform well simultaneously, that is to say, fulfilling at least the values specified in Table 6.

3.3. Individual and Overall Desirability

Once the SUR regression models were fitted, we calculated the individual desirabilities using the predicted values by substituting each run that was tested in these regression equations. Later, the geometric mean calculations were made using the weights that were considered convenient according to the relevance of each of the response variables analyzed. In this case, two different scenarios were considered using the geometric means calculated by the weights indicated in Table 9. For the first scenario (D1), all the responses were considered as equally important, while, for the second scenario (D2), a higher weight was given to emissions.
Table 9. Weights for the analyzed scenarios.
Table 10 shows all the factorial runs from the design matrix previously discussed, as well as the predicted response variables converted into individual desirabilities and also the overall desirabilities D1 and D2.
Table 10. Individual and overall desirabilities.

3.4. Overall Desirability Optimization

The GRG method optimization algorithm used here to maximize the overall desirability allows for the incorporation of restrictions in the search area, which provides an advantage since, in this way, it is possible to ensure that the proposed solution will be within the region in which the experiment was designed. To perform this optimization through the solver included in the Microsoft Excel® package, it is recommended to start the algorithm from different initial points covering the entire experimental area to evaluate if a convergence towards a single optimal point is presented. In this case, 10 different initial values related to treatment combinations were used, and the results showed that, regardless of the initial values, for both overall desirabilities, D1 and D2, there was always convergence towards the same result, which can be seen in Table 11.
Table 11. Optimal overall desirability (D) with different initial points.
In both scenarios, D1 and D2, the optimum treatment combination in coded levels for the operation of the engine was X1 = 1, X2 = 1, and X3 = 1; that is,
  • revolutions (X1), 2400 RPM;
  • load (X2), 10 LPM; and
  • EC (X3), 80 mL/gal.
Predicted responses with the regression models presented in Equations (7)–(9) using the optimal condition are shown in Table 12. It is important to highlight that these results are slightly different to those shown in run 27 in Table 3, which can be explained by the accuracy of prediction of the fitted models.
Table 12. Optimization results.
Once the optimal levels are known, a comparison can be made between the response variables considering the different EC and keeping the other factors fixed at their proposed optimal levels. This comparison can be seen in Table 13.
Table 13. Comparison of emissions when changing the electrolyte concentration (EC).
Both the torque (24 lbs/ft or 32.53 n-m in SI) and power (10.9 horse power (HP) or 8.12 kW in SI) remained at the same result as expected in the three conditions analyzed in Table 13, since the factor associated with the electrolyte concentration was not statistically significant for these response variables in the regression equations calculated above.

4. Discussion

In the experiment, there was initially the idea that the incorporation of hydrogen into the system could affect engine performance, measured by the response variables under analysis shown in Table 12. The possible influence of the incorporation of hydrogen into the system was observed in some runs corresponding to the ones involving low revolution levels; however, this effect was only statistically significant on emissions according to regression models. There have been studies where rotational speed was set low, in which some of the experiments were conducted at 1400 RPM, and minimum spark advance for best torque (MBT) [40] and to reduce the fuel consumption and emissions of spark-ignited (SI) engines, hydrogen enrichment was used to improve the performance with the engine operating at 800 RPM and low load conditions [41], where there was a certain advantage for the better utilization of the amount of hydrogen introduced to the engine system for all responses, given that hydrogen introduced into the system was kept constant at each of the three levels during the experiment, and lower revolutions used a higher amount; thus, it was easier to observe this performance change of the engine in relation with higher RPM. In the same way, the loads introduced through the hydraulic brake also impacted engine performance at lowest RPM level. However, in analysis involving higher rotational speed, changes in performance were not that clear concerning torque and power, at least with the current EC in this experiment, allowing for only proving its significant influence on emissions. During the experiment, there were three different runs, shown in Table 3, which met the requirements for each response variable, as established in Table 6. Those requirements were: for torque, a minimum of 10 lb-ft; for emissions a maximum of 400 PPM; and for power, a minimum of 8 HP. The obtained results for Run 25 were 26.5 lb-ft, 346 PPM, and 12.1 HP; for Run 26, these results were 24.5 lb-ft, 174 PPM, and 11 HP; while, for Run 27, the corresponding results were 26.6 lb-ft, 191 PPM, and 12 HP. Thus, the multiresponse optimization methodology in this project allowed for defining the best combination of independent variables. For this particular case, the optimal combination of these variables in the setup of the stationary gasoline-based engine matched with Run 27.
Once the optimal operating condition was defined, to test the effect of the use of hydrogen on the emission of HCs, while the control variables of revolutions and load were the same, the ratio related with hydrogen was changed at the three considered levels for this work, and the predicted results in all three response variables are shown in Table 13. We found that the reduction in HC emissions partially coincided with another study, in which a reduction of 58% was achieved [42]. In this project, a decrease in emissions of up to 51.45% was demonstrated with the presence of hydrogen in the engine system. This difference may have been because of the way that fuel and hydrogen were mixed or incorporated.
For a long time, attention to polluting emissions by ICEs was notably lacking. The high global proliferation of vehicles in cities widely contributed to the increase in these emissions in the environment. Just in 2017, 1,734,061 motor vehicles were registered in circulation in the state of Baja California (México) [43], representing 12.129 Gg of CO2eq of HC. By implementing a system, such as the one analyzed in this work, emissions of this HC type could be significantly reduced.

5. Conclusions

The incorporation of additional elements into fuel to seek better engine performance currently used in the industry has had different results over time. Hydrogen has become one of the most used elements for this purpose, especially in countries with low technological development, mainly due to the ease in producing and incorporating it into combustion. The reduction in HC emissions obtained during the present experiment demonstrates the benefits of this type of incorporation into fuel mixtures. The expected impact on the two other analyzed response variables (torque and power) could be the expected using the incorporation of a larger volume of hydrogen into the system according to other studies published in the literature. In accordance with the aforementioned, the results obtained in this experiment demonstrated that, due to the incorporation of hydrogen into the engine, there was a reduction in emissions of up to 51%, allowing easily to accomplish the environmental normativity described before and with a positive effect on the engine torque and power. By obtaining the best result with the high level of the EC (80 mL/gal) in the system, the benefits were confirmed by the reduction of HC emissions into the environment. Therefore, this type of system can become a short-term solution as an element of improvement for current and upcoming SIEs.
Additionally, derived from the results, we would like to remark that an alternative, such as hydrogen, provides an important route toward a sustainable energy future for the transport sector in general as it can be produced from wind, photovoltaic, solar, hydroelectric, biomass, or solid waste without the consumption of non-renewable resources and without contamination of any kind. The current accessibility for the creation of cells that produce hydrogen further opens the possibilities for massive implementation of these technologies.
In relation to the experimental data shown in Table 3, although it could be seen in a preliminary way that the best results in the response variables tended towards the highest levels of the control variables, it was necessary to follow a well-defined methodology for optimization, with which this idea could be verified; however, in doing so, no possible combination among the control variables within the search space was ruled out beforehand, which is recommended since some interactions and second-order terms were statistically significant in the fitted models, and, for this reason, the optimum point could not be defined by simple inspection of the original data.
The optimization methodology implemented, firstly with the use of design of experiments as a very good statistical alternative to previously define the test to be performed and then with the combination of SUR technique and the desirability function, is particularly important for this type of study given the ability to jointly analyze several responses simultaneously, so that other aspects that may be relevant are not neglected. The ease provided by the desirability function in converting multi-response problems into a single response is widely used today, becoming the most used methodology for this purpose.
At the end, the following outcomes were obtained by performing this optimization:
-
An optimal combination of control variables in which the motor can operate easily and with a good performance.
-
A torque (Y1) that meets the specification and even exceeds its specified target value.
-
A significant reduction in the emission of polluting particles (Y2).
-
A power (Y3) that meets the specified requirements.
Additionally, another output that should be highlighted is the demonstration that an optimization methodology that uses the design of experiments, the SUR technique, and the desirability function can produce the desired results when trying to optimize complex systems.

6. Future Research

Considering that this study presented the optimization of a stationary gasoline-based engine to find the optimum operating conditions considering the number of revolutions, the torque generated by the motor, and the ratio of electrolytes in a hydrogen wet cell as the control factors and evaluated their effect on three response variables that were incorporated to evaluate the performance of this motor, including the torque, hydrocarbon emissions, and power, the following analyses could be addressed as future research. First, new response variables could be incorporated, for instance, the gasoline consumption and additional polluting emissions, such as carbon monoxide (CO), carbon dioxide (CO2), and nitrogen oxides (NOx). Secondly, the independent variables or control factors could be studied at different levels to evaluate the influence that this may have on the potential new response variables that would be incorporated and also to explore a new region of operating conditions considering, of course, the technical specifications of the motor under study.

Author Contributions

Substantial contributions to the conception of the experiments were carried out by J.M.P.-A., J.L.-R., and A.P.-S.; the methodology and statistical experimental design were mostly conceptualized by D.T. and Y.B.-L.; the analysis corresponding to the desirability function and optimization were performed by J.L.-R., C.P., and S.O. All authors have read and agreed to the published version of the manuscript.

Funding

This research received no external funding.

Institutional Review Board Statement

Not applicable.

Data Availability Statement

Not applicable.

Acknowledgments

The authors thank the National Council of Science and Technology (CONACYT), Mexico, for the support in the development of this work.

Conflicts of Interest

The authors declare no conflict of interest.

References

  1. Dincer, I. Environmental impacts of energy. Energy Policy 1999, 27, 845–854. [Google Scholar] [CrossRef]
  2. Asif, M.; Muneer, T. Energy supply, its demand and security issues for developed and emerging economies. Renew. Sustain. Energy Rev. 2007, 11, 1388–1413. [Google Scholar] [CrossRef]
  3. Statistical Review of World Energy|Energy Economics|Home. Available online: https://www.bp.com/en/global/corporate/energy-economics/statistical-review-of-world-energy.html (accessed on 26 June 2020).
  4. Beatrice, C.; Denbratt, I.; di Blasio, G.; di Luca, G.; Ianniello, R.; Saccullo, M. Experimental assessment on exploiting low carbon ethanol fuel in a light-duty dual-fuel compression ignition engine. Appl. Sci. 2020, 10, 7182. [Google Scholar] [CrossRef]
  5. Achour, H.; Olabi, A.G. Driving cycle developments and their impacts on energy consumption of transportation. J. Clean. Prod. 2016, 112, 1778–1788. [Google Scholar] [CrossRef]
  6. Sanchez-Diaz, I.; Palacios-Argüello, L.; Levandi, A.; Mardberg, J.; Basso, R. A time-efficiency study of medium-duty trucks delivering in urban environments. Sustainability 2020, 12, 425. [Google Scholar] [CrossRef]
  7. Binder, S.; Macfarlane, G.S.; Garrow, L.A.; Bierlaire, M. Associations among household characteristics, vehicle characteristics and emissions failures: An application of targeted marketing data. Transp. Res. Part A Policy Pract. 2014, 59, 122–133. [Google Scholar] [CrossRef]
  8. Karnwal, A.; Hasan, M.M.; Kumar, N.; Siddiquee, A.N.; Khan, Z.A. Multi-response optimization of diesel engine performance parameters using thumba biodiesel-diesel blends by applying the Taguchi method and grey relational analysis. Int. J. Automot. Technol. 2011, 12, 599–610. [Google Scholar] [CrossRef]
  9. Monsalve-Serrano, J.; Belgiorno, G.; di Blasio, G.; Guzmán-Mendoza, M. 1D simulation and experimental analysis on the effects of the injection parameters in methane–diesel dual-fuel combustion. Energies 2020, 13, 3734. [Google Scholar] [CrossRef]
  10. Puškár, M.; Kopas, M.; Puškár, D.; Lumnitzer, J.; Faltinová, E. Method for reduction of the NOX emissions in marine auxiliary diesel engine using the fuel mixtures containing biodiesel using HCCI combustion. Mar. Pollut. Bull. 2018, 127, 752–760. [Google Scholar] [CrossRef]
  11. Puškár, M.; Kopas, M. System based on thermal control of the HCCI technology developed for reduction of the vehicle NOX emissions in order to fulfil the future standard Euro 7. Sci. Total Environ. 2018, 643, 674–680. [Google Scholar] [CrossRef]
  12. Puškár, M.; Bigoš, P. Output performance increase of two-stroke combustion engine with detonation combustion optimization. Strojarstvo 2010, 52, 577–587. [Google Scholar]
  13. Luo, Q.H.; Hu, J.B.; Sun, B.G.; Liu, F.S.; Wang, X.; Li, C.; Bao, L.Z. Effect of equivalence ratios on the power, combustion stability and NOx controlling strategy for the turbocharged hydrogen engine at low engine speeds. Int. J. Hydrogen Energy 2019, 44, 17095–17102. [Google Scholar] [CrossRef]
  14. Yi, H.S.; Kims, E.S. Peformance evaluation and emission characteristics in-Cylinder Evaluation Injection and Emission Characteristics Type Hydrogen Fueled Engine. Int. J. Hydrogen Energy 1996, 21, 617–624. [Google Scholar] [CrossRef]
  15. Yi, H.S.; Min, K.; Kim, E.S. Optimized mixture formation for hydrogen fuelled engines. Int. J. Hydrogen Energy 2000, 25, 685–690. [Google Scholar] [CrossRef]
  16. Baykara, S.Z.; Bilgen, E. An overall assessment of hydrogen production by solar water thermolysis. Int. J. Hydrogen Energy 1989, 14, 881–891. [Google Scholar] [CrossRef]
  17. Kahraman, E.; Ozcanli, S.C.; Ozerdem, B. An experimental study on performance and emission characteristics of a hydrogen fuelled spark ignition engine. Int. J. Hydrogen Energy 2007, 32, 2066–2072. [Google Scholar] [CrossRef]
  18. Ursúa, A.; Gandía, L.M.; Sanchis, P. Hydrogen production from water electrolysis: Current status and future trends. Proc. IEEE 2012, 100, 410–426. [Google Scholar] [CrossRef]
  19. Limón, J.; Rodriguez, M.A.; Sánchez, J.; Tlapa, D.A. Metodología bayesiana para la optimización simultánea de múltiples respuestas. Inf. Tecnol. 2012, 23, 151–166. [Google Scholar] [CrossRef][Green Version]
  20. Pal, S.; Gauri, S.K. Assessing effectiveness of the various performance metrics for multi-response optimization using multiple regression. Comput. Ind. Eng. 2010, 59, 976–985. [Google Scholar] [CrossRef]
  21. Yadav, P.; Rastogi, V.; Verma, A. Application of Box–Behnken design and desirability function in the development and optimization of self-nanoemulsifying drug delivery system for enhanced dissolution of ezetimibe. Futur. J. Pharm. Sci. 2020, 6, 1–20. [Google Scholar] [CrossRef]
  22. Darvishi, H.; Farhudi, Z.; Behroozi-Khazaei, N. Multi-objective optimization of savory leaves drying in continuous infrared-hot air dryer by response surface methodology and desirability function. Comput. Electron. Agric. 2020, 168, 105112. [Google Scholar] [CrossRef]
  23. Sachin, B.; Narendranath, S.; Chakradhar, D. Application of Desirability Approach to Optimize the Control Factors in Cryogenic Diamond Burnishing. Arab. J. Sci. Eng. 2020, 45, 1305–1317. [Google Scholar] [CrossRef]
  24. Lacasaña, M.; Aguilar, C.; Romieu, I. Evolucion de la contaminacion del aire e impacto de los programas de control en tres megaciudades de America Latina. Salud Publica Mex. 1999, 41, 203–215. [Google Scholar] [CrossRef]
  25. Mukerjee, R.; Wu, C.F.J. A Modern Theory of Factorial Designs, 1st ed.; Springer Series in Statistics; Springer: Atlanta, GA, USA, 2010. [Google Scholar]
  26. Métodos Estático y Dinámico de la Verificación Vehicular|Comisión Ambiental de la Megalópolis|Gobierno|gob.mx. Available online: https://www.gob.mx/comisionambiental/es/articulos/metodos-estatico-y-dinamico-de-la-verificacion-vehicular?idiom=es (accessed on 18 June 2020).
  27. Szybist, J.P.; Busch, S.; McCormick, R.L.; Pihl, J.A.; Splitter, D.A.; Ratcliff, M.A.; Kolodziej, C.P.; Storey, J.M.; Moses-DeBusk, M.; Vuilleumier, D.; et al. What fuel properties enable higher thermal efficiency in spark-ignited engines? Prog. Energy Combust. Sci. 2020, 82, 100876. [Google Scholar] [CrossRef]
  28. Zellner, A. An efficient Method of Estimating Seemingly Unrelated Regression and Test for Aggregation Bias. J. Am. Assoc. 1962, 57, 348–368. [Google Scholar] [CrossRef]
  29. Mehrabani, A.; Ullah, A. Improved average estimation in seemingly unrelated regressions. Econometrics 2020, 8, 15. [Google Scholar] [CrossRef]
  30. Derringer, G.; Suich, R. Simultaneous Optimization of Several Response Variables. J. Qual. Technol. 1980, 12, 214–219. [Google Scholar] [CrossRef]
  31. Liao, H.C. Multi-response optimization using weighted principal component. Int. J. Adv. Manuf. Technol. 2006, 27, 720–725. [Google Scholar] [CrossRef]
  32. Pal, S.; Gauri, S.K. Multi-Response Optimization Using Multiple Regression–Based Weighted Signal-to-Noise Ratio (MRWSN). Qual. Eng. 2010, 22, 336–350. [Google Scholar] [CrossRef]
  33. Ahilan, C.; Kumanan, S.; Sivakumaran, N. Application of grey based Taguchi method in multi-response optimization of turning process. Adv. Prod. Eng. Manag. 2010, 5, 171–180. [Google Scholar]
  34. Ko, Y.H.; Kim, K.J.; Jun, C.H. A new loss function-based method for multiresponse optimization. J. Qual. Technol. 2005, 37, 50–59. [Google Scholar] [CrossRef]
  35. Shah, H.K.; Montgomery, D.C.; Carlyle, W.M. Response surface modeling and optimization in multiresponse experiments using seemingly unrelated regressions. Qual. Eng. 2004, 16, 387–397. [Google Scholar] [CrossRef]
  36. DOF—Diario Oficial de la Federación. Available online: http://dof.gob.mx/nota_detalle.php?codigo=5396063&fecha=10/06/2015# (accessed on 12 June 2020).
  37. Padilla, J.M.; Limón, J.; Tlapa, D.A.; Báez, Y.A.; Amaya, G. Regresion SUR en Rstudio, Software; INDAUTOR: Mexico City, Mexico, 20 September 2019. [Google Scholar]
  38. Montgomery, D.C.; Peck, E.A.; Vining, G.G. Introducción al Análisis de Regresión Lineal, 3rd ed.; CECSA: Mexico City, Mexico, 2006. [Google Scholar]
  39. Pulido, H.G.; de la Vara Salazar, R. Analisis y Diseño de Experimentos, 2nd ed.; McGraw-Hill/Interamericana: Mexico City, Mexico, 2008. [Google Scholar]
  40. Choi, G.H.; Chung, Y.J.; Han, S.B. Performance and emissions characteristics of a hydrogen enriched LPG internal combustion engine at 1400 rpm. Int. J. Hydrogen Energy 2005, 30, 77–82. [Google Scholar] [CrossRef]
  41. Ji, C.; Wang, S. Effect of hydrogen addition on lean burn performance of a spark-ignited gasoline engine at 800 rpm and low loads. Fuel 2011, 90, 1301–1304. [Google Scholar] [CrossRef]
  42. Wu, H.; Yu, X.; Du, Y.; Ji, X.; Niu, R.; Sun, Y.; Gu, J. Study on Cold Start Characteristics of Dual Fuel SI Engine with Hydrogen Direct-injection; Elsevier Ltd.: Amsterdam, The Netherlands, 2016; Volume 100. [Google Scholar]
  43. INEGI. Parque Vehicular. Available online: https://www.inegi.org.mx/temas/vehiculos/default.html#Tabulados (accessed on 3 July 2020).
Publisher’s Note: MDPI stays neutral with regard to jurisdictional claims in published maps and institutional affiliations.

Article Metrics

Citations

Article Access Statistics

Multiple requests from the same IP address are counted as one view.