Abstract
When an islanding condition caused by an unintentional single-line to ground fault occurs in an active distribution network with distributed generation, the frequency stability and protection issues remain challenging. Therefore, this paper presents the under frequency protection enhancement of the active distribution network using a virtual inertia-controlled-battery energy storage system to improve the frequency stability under the islanding condition caused by unintentional faults. The virtual inertia control is designed based on the direct and quadrature axis-controlled battery energy storage system to generate the virtual inertia power, compensating the system’s inertia to enhance the stability margin. The proposed method is verified by the simulation results that reveal the frequency stability performance and the under-frequency load shedding enhancement of the study active distribution network in Thailand. The study is divided into two cases: the normal control parameters and the parameter uncertainty scenarios, compared with a power-frequency droop control. The simulation results demonstrate that the proposed virtual inertia control can effectively improve the frequency and transient stabilities in the islanding condition, diminishing the number of loads disconnected by the proposed under-frequency load shedding scheme.
1. Introduction
Due to the economic expansion and environmental concerns in the last decade, the load demand and implementation of renewable energy sources (RESs) and distributed generations (DGs) as the local generation in a distribution network have been increasing. Therefore, the power system’s size has been dramatically increased to fulfill these requirements and satisfactions of green-energy policies. The penetrations of a large-scale and centralized power system associated with high RESs/DGs production are highly variable and volatile and there have been issues with decreasing stability and reliability. Therefore, to cope with the volatility of RESs/DGs and to improve the stability margin of the power system in the past few years, a microgrid [1,2,3,4,5,6,7] and an active distribution network (ADN) [8,9,10] have been proposed to make the power system network more active and flexible by integrating RESs/DGs and some intelligent controls for RESs/DGs and loads in the decentralized schemes. Nevertheless, the microgrid has focused mainly on managing a small-scale distribution system and loads compared to a larger-scale ADN. Recently, many independent small power producers have paid attention to employ more RESs/DGs in the ADN. This is due to the fact that the ADN allows a broader regional integration of miscellaneous DGs from a local grid to a large-scale grid utility. Moreover, an ADN can easily manage the demand response from the distribution system operators and transmission system operators [11,12,13]. The related ADN research has been investigated in various aspects [14,15,16]. The ADN can be used to achieve bidirectional power flow from the main grid to DGs. However, the ADN must have the capability to maintain the stability and the reliability for satisfying the grid code requirements under two possible operation scenarios: grid-connected and islanding modes. In the grid-connected mode, frequency is regulated by both the main grid and distribution network. In the islanding mode, two possible occurrences consist of supplying and receiving power modes. For supplying power to the main grid mode, the frequency of the ADN during the islanded condition continuously increases. This issue can be solved by using the conventional frequency droop controlled-DGs [17,18,19]. Nevertheless, the islanding condition due to an unintentional fault during the receiving power mode remains a critical issue because the frequency is suddenly decreased until it is lower than the frequency threshold of the under-frequency (UF) relay. Then, a number of loads are disconnected from the distribution network by the load shedding schemes [20,21,22,23,24,25,26,27]. Several load shedding schemes have been presented as follows to improve the frequency stability of the ADN.
Under-frequency load shedding (UFLS) using the adaptive decentralized based on the power line communication and a multi-agent system scheme for islanded smart distribution networks was proposed in [22]. Khamis et al. [23] proposed the load shedding scheme and the islanding detection for the distribution systems with the DGs using the phase-space technique and a probabilistic neural network-based classifier. Zhang and Chen [24] presented the islanding and the scheduling techniques for a power regulation mechanism of the distribution system integrated with the DGs. Issicaba et al. [25] proposed a long-term impact evaluation procedure to demonstrate the advanced UFLS schemes on distribution systems with an islanded DG operation, implementing a combined discrete-continuous simulation model with a reliability assessment. Małkowski and Nieznański [26] proposed an innovative algorithm based on the fuzzy logic method for the UFLS scheme. Sarwar et al. [27] proposed the sustainable improvement of the islanded distribution systems using a mixed-integer linear programming based load shedding technique to provide the optimal load shedding based on the priority of the loads. Although these UFLS techniques can be implemented to improve the frequency stability of the distribution networks, the load shedding from the ADN is able to cause the disconnection of loads, resulting in blackout or brownout occurrences. Therefore, the frequency stability improvement under the islanded condition plays an important role in being investigated to maintain the grid frequency and reduce the load shedding. To compensate for the power to the islanded distribution network, a battery energy storage system (BESS) has been introduced for improving the frequency stability issues [28,29,30].
The BESS implementation on the ADN from low-voltage to medium-voltage applications has many advantages [10,31,32]. Therefore, researchers have been increasingly interested in applying the frequency stability improvements using the BESS to the ADN system. There have been several papers investigating the BESS’s performance for improving the transient stability and reliability to provide the control scheme of the BESS. Bahramipanah et al. [33] presented the decentralized adaptive model-based real-time grid control (MBC) using the BESSs, providing the feasible voltage and the current profiles. Zeraati et al. [34] proposed the cooperative control of the local droop and two consensus algorithms for the voltage control of the ADN, considering the high photovoltaic (PV) penetrations. Hua et al. [35] presented the voltage and the frequency deviation reductions in the distribution network, using the collaborative controlled-BESSs algorithm, which consisted of the state-of-charge (SoC) control, the coordinated voltage, and the frequency regulation algorithm. The proposed methods demonstrated the effectiveness of the supply-demand balancing and the voltage regulation in the distribution networks with the penetration of RESs/DGs. Nevertheless, the frequency stability during the islanded condition was not completely presented and well described in the previous works. Moreover, with high penetrations of RESs/DGs in the ADN, the net inertia of the distribution network is dramatically decreased, resulting in instability and cascade-failures. To solve this problem, a solution called a virtual inertia control (VIC) has been proposed to regulate the power converter devices, especially in the BESS, to increase the inertia of the ADN [36].
The VIC schemes based on the different methods to control the BESS for improving the frequency stability of the power system have been investigated as follows. The BESS for frequency stability improvement using the enhanced control schemes with the VIC was proposed in [37] to achieve two main tasks of the grid-connected and the islanding modes that could solve the frequency support of the ADN. Nevertheless, the effects of the VIC-BESS results on the rate-of-change of frequency (RoCoF) improvement were not well described under various inertia constants. The primary and secondary control of the BESS was proposed by using the novel bus signaling and the VIC in an islanded microgrid [38]. The simulation results concluded that the coordinated control of the bus signaling and the VIC could achieve autonomous coordinated performance and voltage deviation improvement. The VIC-BESS in low inertia that was utilized in the two-area power system to investigate the ADN with different inertia constants was presented in [39]. They showed the VIC performance to improve the RoCoF and the frequency stability enhancement, but the systems and the BESS model were represented in the low-order model, which could not demonstrate the actual characteristics of the frequency support of the real system with a high penetration of the DG/RESs. Thus, the VIC can be applied to cooperate with the other control strategies, both primary and secondary control strategies. Furthermore, it can utilize an advanced control strategy to improve the VIC’s efficiency for increasing the frequency stabilization performance in different methods. The application of a model predictive control (MPC) for the VIC to enhance the frequency stability was proposed in [40], considering a high penetration of the RESs. The frequency stability improvement during the RESs’ uncertainties using the robust control scheme was also proposed [41]. The transient stability analysis in an islanded microgrid with the virtual synchronous generator (VSG) was investigated in [42], considering the unstable regions. The VIC-based-coefficient diagram method (CDM) was proposed for a novel frequency control of an islanded microgrid to support the low-inertia microgrid with the fluctuations of RESs and the loads [43]. The enhanced derivative and the self-adaptive virtual inertia controls were also introduced to improve stability under the high uncertainties in the RESs [44,45]. However, the performance of the VIC to improve the UFLS scheme for the ADN was not presented and well discussed. Moreover, the inverter-based-BESS models used in these studies were simplified low-order models, which did not represent the actual response of the practical VIC for enhancing the transient stability during the islanded condition. The decentralized VIC of the BESS using high-order models in the islanded grid was proposed and studied to improve the frequency stability considering different SoC conditions [46]. The optimal VIC-BESS placement to demonstrate the frequency stability enhancement aspect was proposed in [47], which was applied in the linear, the two-area, and the New England power systems, considering the costs, SoC, and lifetime of the BESS. The proposed optimal placement revealed the superior performance to improve the stability, RoCoF, and less BESS capacity. Nevertheless, there is a variation in the inertia due to the DGs/RESs existing in the practical ADN that was not considered in the literature. The batteries have been proposed as energy storage system (ESS) for dynamic frequency control to reduce the impact of inertia variability of an isolated power system [48]. New technologies for PV systems could be incorporated with BESS to have capabilities of providing inertia.
Recently, in Thailand, emerging new independent DGs controlled by separate power producers have brought about uncertainties in system parameters such as system inertia and the time delay from protection relays. The UFLS scheme performs as system-wide protection to shed a pre-determined amount of loads when the frequency reaches a threshold during a time delay. Due to such uncertainties, the integration of small-scale independent DGs causes new issues in control and protection schemes. The under-frequency relay with a rate-of-change of frequency (RoCoF) function has been introduced and set to detect islanding conditions. However, the variation of system parameters may cause the incorrect tripping of independent DGs and further deterioration of the system frequency decline.
This paper presents the improvement of the UF protection of an ADN of the provincial electricity authority (PEA) in Thailand. The virtual inertia-controlled-BESS has been implemented under the islanding condition to enhance the frequency stability and to reduce the number of loads shedding. The model of the VIC-controlled-BESS is proposed based on the three-phase converter aligned in the direct and the quadrature axes reference frame model. The simulation results consist of two case studies: normal control parameters and parameter uncertainties in the PEA-active distribution network (PEA-ADN). These two case studies represent the ADN under normal and uncertain operations. The simulation results are verified on DIgSILENT PowerFactory software to demonstrate the performance of the proposed VIC-BESS and that the frequency stability of the PEA-ADN is significantly improved, resulting in the reduction in the load shedding by the under-frequency relay with a RoCoF function and satisfying the PEA-grid code requirement, in comparison with a power-frequency (p/f) droop control scheme. The rest of this paper is organized as follows. Section 2 describes the PEA-ADN configuration and demonstrates the models of the ADN, the UFLS, and the BESS. Section 3 demonstrates the proposed VIC-controlled-BESS. Section 4 provides the simulation results and discussions. Finally, Section 5 provides conclusions.
2. The Studied Active Distribution Network Configuration
This section describes the detailed models of the studied ADN and is divided into three subsections as follows.
2.1. The Active Distribution Network
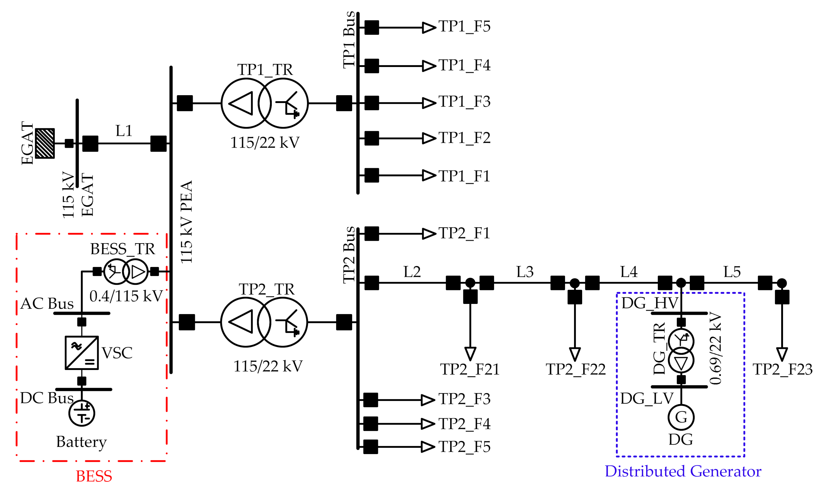
Figure 1 shows a complete studied system, which is a PEA-ADN in Thailand. This studied system consists of a 10 km 115 kV transmission line (L1) connecting between the Electricity Generating Authority of Thailand (EGAT) substation and the PEA substation to import and export electricity, two 115/22kV and 50 MVA transformers (TP1_TR and TP2_TR) at the PEA substation, ten 22 kV feeders (five feeders for each transformer), a group of DGs connected with the 22 kV distribution system through a 0.69/22 kV transformer (DG_TR), the loads (TP1_F1–TP1_F5 and TP2_F1–TP2_F5), and a BESS connected through a 0.4/115 kV transformer (BESS_TR).
Figure 1.
The PEA-ADN Configuration.
A brief history of PEA-ADN’s evolution over the past decade has been addressed. The conventional PEA distribution network structure is similar to the studied system, except without a BESS and a proposed UFLS scheme. The conventional distribution network had a complicated issue, mainly when an unintentional single-line to ground fault occurred on the 115 kV transmission line, resulting in an isolation of two substations connected to the 22 kV distribution system. During the power outage, independent DGs continued to supply power even though the grid power was no longer present. The conventional UF relay without considering the RoCoF was employed to monitor the system frequency at 22 kV busbars. The power imbalance within the 22 kV distribution system may be caused by generation and load changes. The UFLS scheme was designed based on the maximum power deficiency, leading to excessive load shedding. Due to many small-scale independent DG’s operations, the actual system inertia and its variation are uncertain. Moreover, when more independent DGs are involved in the distribution network, the uncertainty effect becomes more considerable. It was difficult to tune the UFLS scheme to obtain optimized settings for generation deficiencies, especially when the system inertia is extremely low and the delay time from the protection relay is so large. Under this scenario, the UF relay started to trip the feeder’s circuit breaker immediately to shed some loads for five different levels of predetermined frequencies. When the 115 kV transmission line system returned to supply the power normally, it was not possible to supply the power to consumers because the circuit breaker was tripped and locked out on the occurrence of a UF relay operation, resulting in on-site personnel resetting a lockout in an emergency. However, this issue can be solved by upgrading the conventional distribution system to an ADN. Moreover, the UFLS scheme should be modified appropriately to recognize the islanding condition and cope with these uncertainties.
The configurations of the studied power system are obtained based on the actual system and parameters. The dynamic equations of the DG and BESS are formulated. The parameters of the DG, loads, lines, and transformers are summarized, as shown in the Appendix A.
The mathematical models of the distributed synchronous generator (DSG) are implemented in the dq-reference frame for use in the power system stability applications presented by the Institute of Electrical and Electronics Engineers (IEEE) standards association [49]. From the equivalent circuits in the dq-reference frame, the differential equations of the round rotor synchronous generator can be obtained. Firstly, the stator voltage of the DSG can be expressed as:
The stator flux linkage in the dq-reference frame can be described as follows:
The rotor flux linkage in the dq-reference frame can be expressed as follows:
where and represent the nominal angular speed and the speed of the rotor, respectively. Finally, the electrical torque can be computed by using the stator fluxes and currents as expressed as:
In the grid-connected mode, the frequency is regulated by the DG governor and grid utility to remunerate the inertia power to the grid under the disturbances such as short-circuits or load variations. The rotor speed change in the distributed synchronous generator can be described as follows [50]:
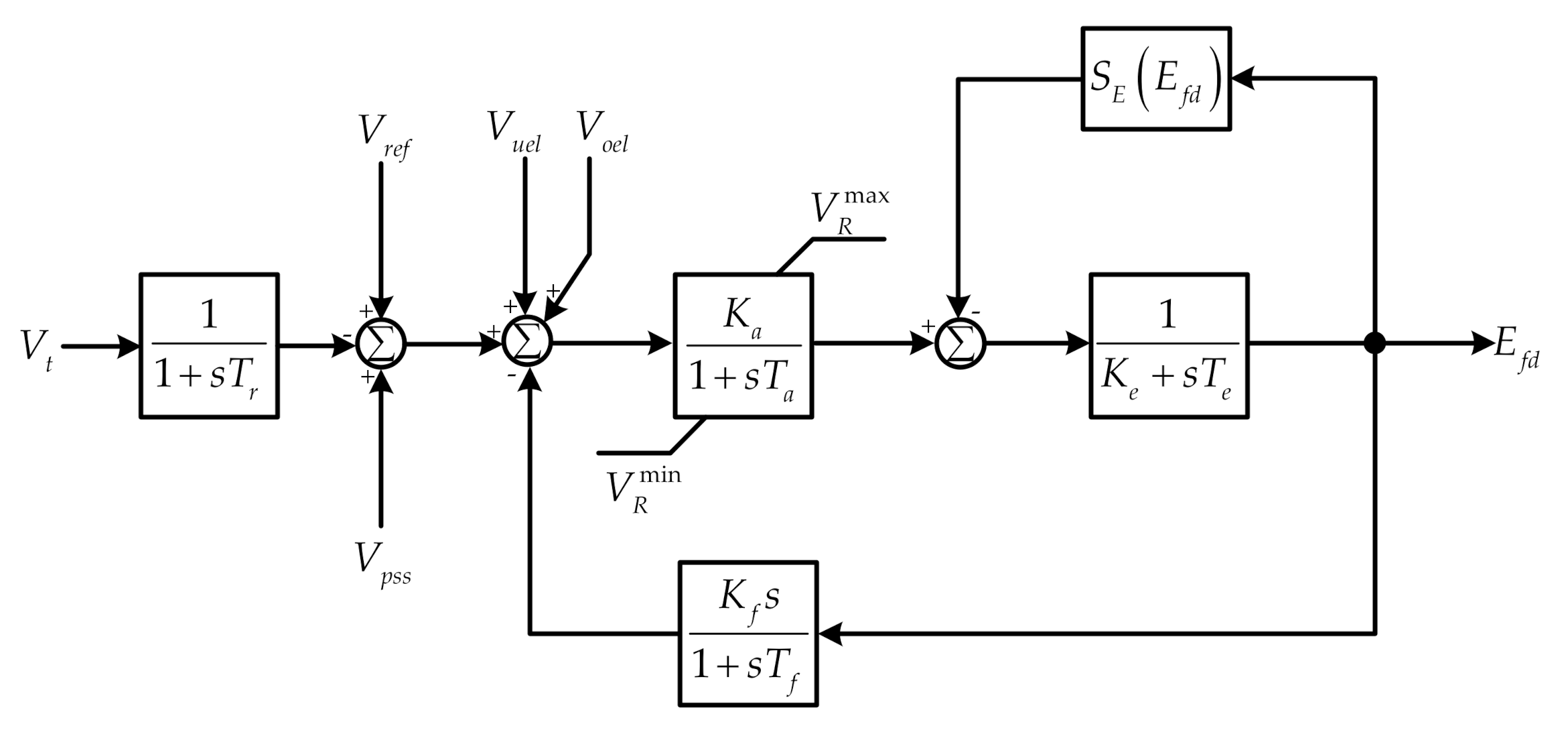
To control the DSG under the grid-connected and islanded conditions, the modified IEEE type DC1C and the IEEE type 1 models [51,52] are used to regulate the terminal voltage and the rotor speed of the DG associated with the distribution network frequency. As demonstrated in Figure 2, the terminal voltage is controlled by adjusting the excitation voltage () to maintain the terminal voltage of the DG within the acceptable range satisfying the grid code requirements in Thailand, which is 0.95–1.05 per unit of the voltage at normal condition. For evaluating the proposed method to control the BESS under the parameter uncertainties, the excitation model is modified by adding the first-order delay transfer function to stimulate the transient response of the voltage measurement unit that is not able to instantaneously obtain the measured voltage but slightly delay, where () is the voltage measurement time constant. This model allows receiving the inputs derived from the external power system stabilizer, the under-excitation limiter, and the over-excitation limiter signals to compensate for the input variations to increase the stability margin in the DG.
Figure 2.
Modified IEEE type DC1C excitation system model.
For regulating the rotor speed associated with the grid frequency during the grid-connected and the islanded modes, the modified IEEE type 1 model is used by adding the lead-lag compensator, as illustrated in Figure 3. Moreover, the modified steam turbine model also allows obtaining the simulation results in the case of parameter uncertainties, causing instability during the islanded mode. The power deriving from the steam turbine consists of the high and the low-pressure turbine powers. In this paper, high-pressure turbine power is used to convert the mechanical power to electrical power.
Figure 3.
Modified IEEE type 1 speed-governing steam turbine model.
2.2. Effect of Effective Inertia on the UFLS
When the frequency change is higher than the threshold value, the UF relay must immediately operate. Theoretically, the frequency change of each step is calculated as follows:
- where is the nominal frequency;
- is the net MVA of all generators;
- is the effective inertia constant in MJ/MVA of all generators;
- is the net accelerating or decelerating power for step n.
The settings of UFLS are chosen such that each step is disconnected when the frequency reaches a threshold value as follows. The first step is disconnected when the frequency reaches . In the subsequent step, the rate of change of frequency decline is calculated by Equation (6). The pickup time of step n is calculated by Equation (7). The trip time of the subsequent step is calculated by Equation (8). Then, the frequency setting of step n + 1 is set to operate below the frequency calculated by Equation (9).
From Equation (9), it can be observed that after the tripping of step n load, there will be a change in frequency decline. Therefore, the frequency setting of the subsequent step is set to operate below this frequency value. In low inertia conditions, when the initial RoCoF is very high, it will lead to the UF relay’s unnecessary triggering. In addition, the participation of many independent DGs causes the variation in inertia. The resulting frequency change may cause the mal-operation of the UF relay. The effect of VI is that it reduces the sudden frequency change by increasing the effective inertia. Supposing the effective inertia is generated from VI to provide large enough inertia to compensate for the delay time from the protection relay and inertia variation, the risk of undesired energizing of the protection relay of subsequent shedding steps can be reduced.
2.3. The Under-Frequency Load Shedding Model
To protect the under frequency occurrence in the ADN, the five step UFLS technique using the under frequency relay with the rate-of-change of frequency (RoCoF) function is proposed, as illustrated in Figure 4. The UFLS model consists of two different parts: the analog and the digital signal processing parts. The electrical frequency is measured by the phase-locked loop (PLL), receiving the three-phase input voltage signals from the voltage transformers that are located at the target busbar. The obtained frequency is sent to the frequency relay logic to compare with the setting value. The RoCoF function is used to classify the fault level and to prevent the tripping occurrence when the temporary fault is executed. The RoCoF value is calculated by the derivative function and also sent to the RoCoF relay logic to evaluate with the setting value. The frequency and the RoCoF digital signals are the inputs of the AND logic gate, and the output of the AND gate represents the tripping signal for each step of load shedding. For the step load shedding, the digital output tripping signal of () can be evaluated as:
where
Figure 4.
The under-frequency load shedding (UFLS) with the rate-of-change of frequency (RoCoF) function scheme.
From Equations (10) and (11), the UFLS of an individual step operates when the measured frequency is less than the setting frequency, and its derivative is greater than the RoCoF setting value of each step. If the measured frequency is less than the setting frequency and its derivative is greater than the RoCoF setting value, then the relay will send the tripping signal to the circuit breaker to shed the load. In the case of small disturbances, the UFLS will not execute when the RoCoF is lower than the setting value, whereas the frequency is less than the setting value.
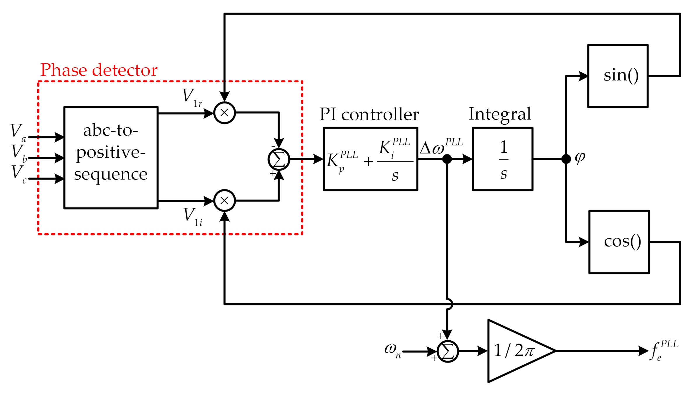
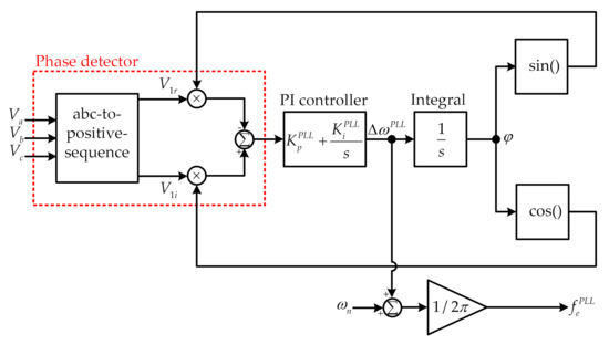
To measure the frequency for the under frequency relay, the PLL shown in Figure 5 is used.
Figure 5.
The frequency measurement using the phase-locked loop scheme.
The PLL consists of a phase detector and a proportional-integral (PI) controller. The abc voltage signals are measured at the busbar and used to calculate the positive sequence voltage in the real and the imaginary parts, which can be expressed as follows:
Therefore, to obtain the measured frequency from the PLL, the deviation in the angular speed from the PI-controller is expressed as:
Thus, the measured frequency in Hz can be computed by the following, where is the per unit nominal angular speed.
In this paper, the summarized tables of the frequency relay settings for the load shedding scheme are shown in Table 1 and Table 2, which are the load shedding schemes for the TP1 and the TP2 substations, respectively. The frequency setting of each load is based on the load’s priority sequence from the lowest to the highest priority of loads of the substation, which are organized by the frequency relay from to . Specifically for the TP2 substation, the TP2_F2 is the last load to shed because the DG of the ADN is located at the TP2_F2 feeder to supply the loads with a high priority, and the out of step of the DG protection is also set to be 47.9 Hz. The frequency settings in Table 1 and Table 2 are defined by the EGAT and the PEA operational codes in Thailand. The RoCoF setting, which is −0.8 Hz/s, is obtained by the simulation results under large disturbances at different operating conditions. However, it is suggested that if the substation has the frequency monitoring system, the RoCoF can be analyzed from the historical data.
Table 1.
The setting values of the UFLS for the TP1 substation.
Table 2.
The setting values of the UFLS for the TP2 substation.
2.4. The BESS Mathematical Model
This section provides the mathematical model of the BESS, which encompasses the DC battery and the three-phase voltage source converter models. In this study, the Lithium-Iron-Phosphate (LiFePo4) battery model is utilized. The characteristics of the battery have been presented in [53]. The equivalent circuit of the DC battery per cell is demonstrated in Figure 6. The characteristics of the internal resistance and the internal voltage depend on the state-of-charge (SoC) of the battery and the charging-discharging phenomena, which can be determined by the look-up table derived from the experimental results.
Figure 6.
The DC battery equivalent circuit.
Therefore, to calculate the Li-Ion’s battery cell voltage, the internal characteristic functions of the voltage and the resistance can be determined as follows:
The internal voltage of the DC battery can be interpolated as the linear equation in (16). The internal resistance is determined by the look-up table that inversely depends on the SoC. The cell voltage of the DC battery can be calculated by applying Kirchhoff’s law, which can be expressed as:
where the SoC can be determined by the deviation from the initial value of the SoC and the integration of the function of DC cell current depending on the time, which can be described by:
The SoC is regulated by the charging controller. The battery is empty if < , and the charging will be initiated when the direct-axis reference current signal of the three-phase voltage source converter is less than or equal to 0 (), as long as . The battery cells are connected to be a module in series and parallel with each cell to increase the voltage, the current, and the battery capacity to link with the three-phase voltage source converter. The battery module is connected with the three-phase voltage source converter to transform the DC to AC voltages and currents.
The BESS connected with the ADN application is a challenge when the ADN encompasses the grid-connected and the islanded modes. In the normal operation associated with the grid-connected mode, the DG is regulated in the active and reactive power (PQ) mode. The DG supplies the constant powers to the grid, whereas the voltage-frequency (VF) control is performed by the grid utility to support the frequency stability margin and maintain the grid voltage. On the other hand, the islanded mode represents the ADN detachment without the grid utility to control the voltage and the frequency. The DG is still being controlled in the PQ mode because the DG generation policy is defined by the stakeholder to supply the active power at the maximum rate of the capacity for maximizing the benefits. Moreover, there are two feasible situations in the ADN during the islanded mode, including the over frequency and under frequency circumstances. In the over frequency occurrence, the DG instantly reduces the active power supply to the load for deaccelerating the angular speed of the DG associated with the electrical frequency using the primary droop control to control the DG governor. Nevertheless, in the under frequency occurrence, the DG cannot generate power over the rated capacity. Therefore, there are two control modes in the BESS, which comprise the PQ and the VF modes to control the BESS [54,55].
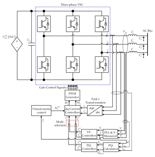
For the grid-connected mode and the normal condition in the ADN, the BESS will not either supply or receive (discharging/charging) the power between the grid, unless the SoC is less than the charging SoC setting. Normally, the references of the active and the reactive powers are assumed to be P = 0 and Q = 0 per unit for the PQ mode of the BESS, representing not being charging or discharging. The PQ and the VF modes are being carried out by the DG and the grid utility, respectively. In contrast to the grid-connected mode of the BESS, the VF mode is executed when the ADN is isolated or in a contingency mode, to compensate for the voltage and the frequency support to the grid instead of the main utility. Thus, the BESS must maintain both the PQ and the VF modes in the ADN, separating the control scheme and the configurations for each mode and supporting the powers, frequency, and voltage in unintentional phenomena. For controlling the BESS as discussed above, Figure 7 is used to describe the BESS configuration in the ADN, which consists of the DC battery model, three-phase voltage source converter (VSC), and the VSC controllers with the proposed VIC-based dq-controlled model.
Figure 7.
The BESS control strategy for the active distribution network (ADN).
The switching devices of the two-level VSCs are controlled by using the pulse width modulation (PWM) method. The VSC-controllers comprise the PQ control, the VF control, and the dq-current control. For the grid-connected and the islanding mode’s controls to maintain the power, the frequency, and the voltage, the PQ and the VF are regulated by adjusting the dq-reference frame currents with the different control loops, which can be described by the following equations:
where the active and the reactive powers of the BESS are calculated by the voltages and currents in the PQ calculation block. The terminal voltage per unit of the BESS is computed from the abc-instantaneous voltage. The electrical frequency at the AC bus system is measured by the PLL, as described in Figure 5. After achieving the dq-reference currents for each of the PQ and VF modes, the output dq-currents of the BESS are controlled using the current controllers to adapt the dq-modulation indices that demonstrate as the input signals of the PWM generator, as described by the following:
The dq-modulation indices are the input signals of the PWM generator to determine the abc-modulation indices and to obtain the insulated-gate bipolar transistors (IGBTs) switching signals, providing the AC voltage, the current, and the powers.
3. The Proposed Virtual Inertia-Controlled-BESS
As described in Section 2.4, the BESS configuration and the mathematical models for the ADN are presented to control the three-phase VSC. Hence, this section provides the proposed VIC to control the BESS oriented in the dq-reference frame by implementing the concept of the virtual inertia topology. From the previous literature, the VIC perception was to emulate the inertia as the conventional rotating machine inertia to compensate for the damping and the stability margin due to an augmentation of the RESs/DGs and the uncertainty and the complexity in the loads. The VIC encompasses the fast response power electronic converter associated with the low-inertia constant, producing the inertia power to the power system by the BESS. Therefore, with the VIC control topology, modern grids have allowed the high penetration of the RESs/DGs installations, and the frequency stability has been improved with a superior performance [36,40,56,57,58,59,60,61]. The conventional virtual inertia control was based on the swing equation of the synchronous machine that the virtual inertia power produced by the VIC can be described as:
From Equation (23), the input and the output of the conventional VIC are the frequency and the inertia power deviation, respectively. With the conventional VIC topology, it can be concluded that the conventional VIC provides the inertia power as the BESS by only controlling the frequency, and it also consists of the low-order model to demonstrate the BESS behaviors. Nevertheless, for the practical BESS control application for both the PQ and the VF modes on the ADN, the practical BESS model consists of a high-order model of the DC battery model to provide the characteristics and the three-phase VSC to control in the dq-reference frame, illustrating the actual characteristics of the BESS response for the frequency stability and the protection scheme improvements in the practical grid. Therefore, in this paper, the VIC in dq-orientation controlled-BESS is proposed for remunerating the inertia power. To apply the dq-reference frame controls, first, the BESS apparent power is determined by the following:
where the BESS terminal voltage is the phasor voltage component . The phasor voltage of the BESS can be obtained by the three-phase VSC that the voltage depends on the dq-modulation indices and the DC battery voltage. Therefore, the phasor voltages of the BESS can be expressed as:
where for the sinusoidal modulation scheme. Therefore, according to Equations (22)–(26), it can be concluded that the proposed VIC-BESS controlled in the dq-reference frame can regulate the inertia and the power through the inertia current deviation of the direct-axis current control, as demonstrated in Figure 8. The virtual inertia power of the BESS with the three-phase VSC can be adjusted by the real-part of the voltage, which depends on the modulation index in the d-axis (22). For this reason, the proposed method to control the three-phase VSC can control the BESS to compensate for the inertia power, emulating the virtual inertia for the ADN. Moreover, the proposed VIC-controlled BESS allows operating at both the grid-connected and the islanding modes of the ADN.
Figure 8.
The proposed virtual inertia control–battery energy storage system (VIC-BESS) strategy.
4. Simulations Results and Discussions
Simulation results are carried out on DIgSILENT PowerFactory software. To verify the effectiveness of the proposed method, the proposed VIC-BESS is evaluated in two case studies: the normal parameters and the parameter uncertainties. Two case studies represent the operations of an ADN under various circumstances. The constructed studied power system model is used to validate the performances of the proposed method, in comparison with the conventional p/f droop control strategy for the BESS. The conventional p/f droop control is one of the most exceptional control strategies for the BESS application to improve the frequency stability of the islanded grid [62,63]. Figure 9 shows the conventional p/f droop control strategy for the BESS to regulate the BESS power injection/absorption with the grid, depending on the SoC constraints of the battery and the setting characteristics. The p/f droop allows the BESS to supply the power to the grid by setting the reference power of the BESS when the frequency is below and the initial SoC is greater than . On the other hand, the BESS receives the power from the active distribution grid representing the charging process when the frequency of the grid is greater than and the SoC is not more than . Thus, the p/f droop control operations for charging/discharging depend on whether the SoC constraint is within the setting ranges, where the reference power of the p/f droop BESS is . The BESS power derived from the p/f droop control relies on the droop percentage constant characteristic (). In this study, to compare the under frequency protection scheme and the frequency stability performances with the proposed VIC-BESS method, the frequency dead-band of the p/f droop control is therefore assumed to be a negligible value for achieving the seamless operation and the instantaneous action in the BESS under the contingency occurrence. For this reason, to define the dead-band of the p/f control, the upper-frequency and the lower-frequency that allow the p/f droop for the charging and the discharging modes are assumed to be zero (). In this study, the control parameters, including the time and the gain constants of the DG excitation system, the DG governor, the VF controllers, the PQ controllers, the current controllers, the p/f droop, and the proposed VIC-BESS, are designed based on the eigenvalue sensitivity and the eigenvalue tracing associated with the controllability and the participation factors as proposed in [64,65,66], which are verified by the modal analysis toolbox in DIgSILENT PowerFactory software for validating the controllers’ gains and the time constants participated with the ADN parameters, where , and s.
Figure 9.
The conventional p/f droop control schematic for the BESS.
The parameters of each case study are summarized in Table 3.
Table 3.
A summary of the parameters of the controllers and the loads for the case studies.
Table 3 shows the control parameters of the DG excitation, the DG governor, the VF controllers, the PQ controllers, and the load feeder variations. In the normal case scenario, the parameters are designed as described above to provide the stability margin of the ADN. To determine the performances of the proposed VIC-BESS under the uncertainties in the control parameters and the load feeder’s diversities, the controller’s gain constants are reduced to decrease the damping ratio of the dominated oscillation mode in the ADN. The time constants for the parameter uncertainties case study are increased to demonstrate the transient time constant of the measurements and the controllers, to reduce the stability margin of the ADN, and to express the uncertainties in the system’s inertia. Moreover, with the BESS operation under two feasible conditions, the islanding and the grid-connected scenarios are executed at 1 and 5 s, respectively.
Furthermore, to reveal the VIC-BESS performance to achieve the frequency stability and the UF protection scheme for the normal and the parameter uncertainty cases, the light-load and the heavy-load sub-scenario are carried out for presenting the load variation based on the actual load profiles that are derived from the PEA-ADN, as summarized in Table 4.
Table 4.
A summary of the load feeders for each scenario.
For representing the inertia uncertainties in the ADN due to the DG variations, the simulation results based on the various effective inertias are also carried out to verify the proposed VIC-BESS performance.
4.1. Case 1: Normal Control Parameters Scenario
In this case, the normal control parameters are carried out to reveal the proposed VIC-BESS performance, in comparison with the p/f droop-BESS and the without BESS under the light- and heavy-loads sub scenarios and the different effective inertias of the ADN, as demonstrated by the following.
- A.
- Light-load
For the light-load profile of the PEA-AND achievement, the effective inertia variations represent the number of the DGs existing in the system, which is one of the system’s uncertainties. The response of the UFLS to shed the load during the islanded condition will be different under the various effective inertias. In this paper, the PEA-ADN’s effective inertia based on the number of DGs existing is selected to provide the simulation results of the proposed method’s UF protection improvement compared to the p/f droop and without the BESS.
- -
- Light-load sub-scenario with s
To evaluate the UF protection scheme and the frequency stability improvements, the simulation results are carried out under the islanding and the grid-connected conditions, in comparison with the proposed VIC-BESS method, the p/f droop control, and without the BESS. Firstly, for the UF performance assessment, the electrical frequency of the light-load PEA-ADN with s is plotted, as illustrated in Figure 10.
Figure 10.
The frequency for the normal case with light-load and s.
In the islanding mode, it can be seen that the load feeders in the ADN without BESS are sequentially disconnected, including TP1_F1, TP2_F1, TP1_F2, TP2_F3, TP1_F3, and TP2_F4 feeders at 1.352, 1.352, 1.376, 1.376, 1.500, and 1.500 s, respectively. In the islanding condition for the case without BESS, it can be concluded that six load feeders are being disconnected from the ADN by the UFLS, causing a widespread blackout and decreasing reliability. After the load feeders are discounted from the ADN, the over-frequency phenomenon occurs in the ADN because of the UFLS failure caused by the delay time and the high RoCoF. Therefore, without the BESS, a large number of load feeders are detached from the ADN, resulting in the over-frequency. On the other hand, the ADN with the p/f droop controlled-BESS strategy contributes to better performance in reducing the load feeders’ shedding due to the UF protection scheme. There are two load feeder detachments, which are TP1_F1 and TP2_F1 at 1.352 s. Compared with the p/f droop control operation, the proposed VIC-BESS shows the best performance associated with the feeder detachment and the frequency stability enhancement. The no-load feeder being shed under the islanding condition frequency stability is improved with superior performance.
Moreover, the frequency stability performances are also discussed by the following. Without the BESS in the islanding condition, the frequency nadir is 47.52 Hz, which is less than the minimum acceptable frequency of the PEA, meaning that the DG cannot supply the load for the normal operation to satisfy the operational grid code requirement. Therefore, without the BESS, the ADN cannot achieve the PEA grid code requirement and this does not allow the ADN to connect with the EGAT utility. For the p/f droop control and the proposed VIC-BESS methods, the frequency nadirs are 48.31 and 49.46 Hz, respectively. Furthermore, the RoCoF during the islanding occurrence is also enhanced from −6.74 Hz/s (without BESS) to −4.76 and −3.28 Hz/s in the cases of the p/f droop control and the proposed VIC-BESS methods, respectively. Therefore, with the BESS, the UFLS and the frequency stability are enhanced to operate with the ADN, demonstrating superior performance, especially for the proposed VIC-BESS method. Without the BESS, the maximum frequency value during the islanded event raises to be 56.64 Hz, which is greater than the maximum acceptable frequency of the operational grid code. Therefore, without the BESS, the DG is forced to be disconnected by the protection scheme to prevent the over frequency phenomena, resulting in widespread blackouts and failures.
For the intentional grid-connected occurrence assumed at 5 s to illustrate the grid reconnection after the islanding restoration, the frequency stability performances are also obtained, as demonstrated in Figure 10. For solving the frequency transient issue, the p/f droop and the proposed VIC-BESS can reduce the frequency peak to be 51.77 and 51.15 Hz, respectively. Furthermore, the frequency deviations are decreased for the p/f droop and the proposed VIC cases. Therefore, from the simulation results during the grid-connected occurrence, the proposed VIC-BESS strategy also affords the best performance of the frequency stability improvement compared to the p/f droop control method in both the islanding and the grid-connected circumstances.
The proposed VIC-BESS control strategy for the ADN does not only improve the UF protection scheme and the frequency stability of the ADN, but also contributes to the DG oscillation performance under the islanding and the grid-connected conditions because of the virtual inertia compensation. In the islanding phenomena, the terminal voltage and the active power of the DG are plotted, as demonstrated in Figure 11.
Figure 11.
Distributed generation (DG) parameters with islanding condition for case 1 with light-load and s.: (a) Terminal voltage; (b) Active power.
The nominal voltage of the DG before the islanding condition is 1.0086 pu. It can be seen that without the BESS, the largest DG voltage sag occurs during the islanding condition, which is 0.9555 pu. The terminal voltage of the DG is improved to be 0.9800 and 0.9708 pu, by the proposed VIC-BESS and the p/f droop control strategy, respectively. For the active power of the DG associated with the islanding condition, it can be concluded that the proposed method allows a reduction in the transient of the DG active power from 3.13 MW to 3.00 MW, respectively. Moreover, the DG active power with the proposed VIC-BESS can be restored to its nominal value, which is 6.70 MW, as illustrated in Figure 11b. The result shows smoothing the DG power generation, in comparison to without the BESS and with p/f droop control. The new steady-state active powers are 4.21 and 7.20 MW, respectively.
Furthermore, considering the grid-connected incidence, the terminal voltage and the active power of the DG are illustrated in Figure 12.
Figure 12.
DG parameters with the grid-connected condition for case 1 with light-load and s.: (a) Terminal voltage; (b) Active power.
It can be seen that when the PEA-ADN is reconnected to the EGAT utility, the voltage instantly decreases from 1.0085 to 0.2100 pu for the p/f droop control. The proposed VIC-BESS strategy can improve both the transients and the deviations of the voltage and the active power of the DG during the grid-connected occurrence. The voltage and the active power of the DG return to their steady-state values, being faster than the p/f droop control and without the BESS. From the normal parameter case study under the islanding and the grid-connected modes, the proposed VIC-BESS method can improve the under frequency protection scheme and the frequency stability, satisfying the grid-code requirement of the PEA in comparison with the p/f droop control scheme and decreasing the widespread blackout due to the under frequency protection.
- -
- Light-load sub-scenario with s
Unlike the previous case that provides the UF performance enhancement with s, the simulation results with the reduced effective inertia, which depends on the number of DGs and the DG’s inertia located in the ADN, are also simulated under the islanding and the grid-connected conditions, in comparison with the proposed VIC-BESS method, the p/f droop control, and without the BESS. The electrical frequency of the ADN under the light load with the reduced effective inertia is plotted as illustrated in Figure 13. The load feeders in the ADN without BESS are sequentially detached from the grid, including TP1_F1, TP2_F1, TP1_F2, TP2_F3, TP1_F3, and TP2_F4 feeders at 1.324, 1.352, 1.348, 1.348, 1.371, and 1.371 s, respectively. Therefore, for the light load with the reduced inertia, it can be concluded that the six load feeders are disconnected, being faster than the light load with s.
Figure 13.
The frequency for the normal case with light-load and s.
From these results, the reduced effective inertia results in the RoCoF value, which becomes more negative than the high inertia, decreasing the frequency nadir, and providing the fast operation of the UFLS. On the other hand, only two load feeders are shedding for the p/f droop controlled-BESS case, consisting of the TP1_F1 and TP2_F1 load feeders at 1.366 s. For the p/f droop-controlled-BESS, it can be demonstrated that the BESS can help the UFLS operation under the reduced inertia. With the VIC-BESS performance to improve the UFLS scheme, it shows the best achievement compared to the p/f droop controlled-BESS and without BESS. There is no load shedding, which results in providing better reliability in the ADN during the islanding condition. In terms of the stability enhancement under the islanding condition, the frequency nadir without the BESS is 47.33 Hz, which is less than the minimum acceptable value of the PEA-ADN operational grid code. Thus, the DG would be disconnected from the grid due to the pole slip incidence. To increase the frequency nadir of the ADN during the islanding condition, the p/f droop and the proposed VIC-BESS can improve the nadir to be 48.17 and 49.48 Hz, respectively. The RoCoF is also improved from −7.48 Hz/s without the BESS to −4.87 and −3.45 Hz/s in the cases of the p/f droop control and the proposed VIC-BESS methods, respectively. The summarized performance corresponding with the frequency nadir, the RoCoF, and the number of the load shedding of each circumstance during the islanding condition for the normal parameter case is demonstrated in Table 5. The proposed VIC-BESS method also enhances the frequency of transient stability under the intentional grid-connected condition, as demonstrated in Figure 13. The PEA-ADN without the BESS is stable when the grid-connected is executed at 5 s. However, the frequency before the grid resynchronization represents the over-frequency occurrence; then, the DG would be detached from the grid due to the out of step protection relay, resulting in widespread blackouts and failures.
Table 5.
The comparisons of the performances for the normal case with the light-load sub-scenario.
On the other hand, the VIC-BESS also contributes to the DG voltage and power oscillation improvement during the islanding event, as demonstrated in Figure 14, due to the virtual inertia compensation. The terminal voltage of the DG before the islanding occurrence is 1.010 pu. The voltage is suddenly dropped to 0.929, 0.951, and 0.964 pu for without BESS, with the p/f droop, and with VIC-BESS, respectively. For this reason, the proposed VIC-BESS can improve the voltage drop during the islanding condition and the reduced effective inertia occurrences. The proposed method also allows smoothing power fluctuation of the DG during the islanding incidence, as demonstrated in Figure 14b. The DG’s power can be restored to its steady-state value when the proposed VIC-BESS is utilized compared to the p/f droop and without the BESS under the effective inertia uncertainty.
Figure 14.
DG parameters with islanding condition for case 1 with light-load and s.: (a) Terminal voltage; (b) Active power.
The DG’ voltage and power under the grid-connected mode are also plotted in Figure 15. It can be seen that the proposed VIC-BESS can increase the voltage drop to 0.844 pu and shows superior performance in comparison with the p/f droop and without BESS methods. The DG power fluctuation with the proposed method is also stable when the grid is resynchronized. From the simulation results of the normal case with the light-load and the effective inertia uncertainties, it can be concluded that the proposed method can achieve the UFLS and the frequency stability improvement, increasing the frequency nadirs and the RoCoF, reducing the load shedding, allowing the DG’ connection with the PEA-ADN, and satisfying the operational grid code requirement.
Figure 15.
DG parameters with the grid-connected condition for case 1 with light-load and s.: (a) Terminal voltage; (b) Active power.
- B.
- Heavy-load
In this sub-scenario, the heavy-load in the PEA-ADN with various effective inertias is presented to describe more details of the proposed VIC-BESS compared to the p/f droop and without BESS methods performance, revealing the effects of the loads and the effective inertia on the UFLS and the frequency stability improvements.
- -
- Heavy-load sub-scenario with s
For evaluating the UFLS and the frequency stability of the PEA-ADN with the heavy-load and 3 seconds of the effective inertia, therefore, the frequency during the islanding and the grid-connected are simulated as demonstrated in Figure 16, comparing the proposed VIC, the p/f droop, and without the BESS. In the islanding occurrence, the load feeders in the ADN without the BESS are sequentially detached from the main grid, including TP1_F1, TP2_F1, TP1_F2, and TP2_F3, and the rest of the loads at 1.272, 1.272, 1.278, 1.278, and 1.467 s, respectively. Thus, all load feeders are disconnected from the PEA-ADN due to the failure step of the UFLS with the PEA default relay setting and the delay times, resulting in a widespread blackout. After the load shedding by the UFLS without the BESS, over-frequency occurs due to the failure of the UFLS scheme. Moreover, the load feeders in the heavy-load sub-scenario are disconnected by the UFLS faster than the light load case with s. For the p/f droop-BESS utilization, the load feeder shedding is reduced, including the TP1_F1, TP2_F1, TP1_F2, and TP2_F3 at 1.282, 1.282, 1.293, and 1.293 s, respectively, providing the results better than without the BESS. With the proposed VIC-BESS performance, only two load feeders are disconnected by the UFLS at 1.332 s, which are the TP1_F1 and TP2_F1 load feeders, resulting in load feeder shedding reduction and UFLS improvement. The UFLS can normally operate with the default relay setting with the proposed VIC-BESS method, which provides superior performance.
Figure 16.
The frequency for the normal case with heavy-load and s.
The frequency stability performances are also evaluated in comparison among the methods. The proposed VIC-BESS method can increase the frequency nadirs of the ADN from the p/f droop and without the BESS, which are 47.38 and 45.92 Hz, respectively, to 48.33 Hz, providing the frequency transient stability improvement with effectiveness under the islanding incidence. The RoCoF without the BESS during the islanding is −11.83 Hz/s, and the absolute value is greater than the light-load case. The p/f droop and the VIC-BESS methods can improve the RoCoF during the islanding mode to be −8.99 and −4.95 Hz/s, respectively. In the grid-connected occurrence, the frequencies of the p/f droop and the VIC-BESS methods are stable, allowing the DG to be connected with the PEA-ADN. Nevertheless, as demonstrated in Figure 16, over-frequency occurs after all load feeders are disconnected from the grid. Thus, without the BESS, the DG cannot remain connected with the ADN due to the out of step relay operation associated with the generator’s pole slip. Furthermore, the failure of the UFLS during the islanding due to the unintentional fault results in shutting down the power plant.
The DG’s voltage and power under the islanding occurrence are also demonstrated in Figure 17. As the same result with the previous case, the proposed VIC-BESS shows the best performance to improve the voltage sag to 0.944 pu. The transient of DG’s power during the islanding is also reduced, as demonstrated in Figure 17b in comparison among the methods. The DG’s power without the BESS is decreased to 0.54 MW due to the load feeders’ detachment, resulting in the stakeholder’s profits issue. For solving this problem by the VIC-BESS, the DG’s power can return to its steady-state value that the DG can normally operate at during the islanding condition.
Figure 17.
DG parameters with islanding condition for case 1 with heavy-load and s.: (a) Terminal voltage; (b) Active power.
The DG’s voltage and power during the grid-connected phenomena are plotted, as demonstrated in Figure 18a,b, respectively. As a result, the ADN without the BESS cannot remain connected with the grid due to oscillations and pole slip before the grid-connected incidence. For performance comparisons between the p/f droop and the VIC-BESS, it can be seen that the transients of the voltage and the power of the VIC-BESS method are greater than the p/f droop. However, the VIC-BESS provides the stable frequency operation and it can be restored to its steady-state values after the grid-connected occurrence.
Figure 18.
DG parameters with the grid-connected for case 1 with heavy-load and s: (a) Terminal voltage; (b) Active power.
- -
- Heavy-load sub-scenario with s
The frequency of the PEA-ADN for the normal control case with the heavy-load and the reduced effective inertia is demonstrated in Figure 19 under the islanding and the grid-connected conditions. All load feeders are disconnected from the ADN system without the BESS, including TP1_F1, TP2_F1, TP1_F2, and TP2_F3, and the rest of the loads at 1.262, 1.262, 1.268, 1.268, and 1.457 s, respectively, which are detached being faster than the previous case because of the reduced effective inertia and the UFLS scheme failure, resulting in the over-frequency occurrence. For solving this problem with the BESS, there are four load feeder sheddings, which are less than without the BESS, for the p/f droop-controlled BESS utilization, including TP1_F1, TP2_F1, TP1_F2, and TP2_F3 at 1.303, 1.303, 1.313, and 1.313 s, respectively. On the other hand, the proposed VIC-BESS shows the best performance to improve the UFLS scheme, reducing the load shedding and the frequency nadir under the islanding mode. Moreover, the proposed VIC-BESS also provides superior performance under the grid-connected mode, in comparison with the p/f droop and without the BESS.
Figure 19.
The frequency for the normal case with heavy-load and s.
As illustrated in Figure 20, the DG voltage sag is reduced when the proposed method is applied to the PEA-ADN from 0.844 pu to 0.908 pu during the islanding mode. The proposed method also allows the DG to supply the full capacity in the islanding condition, which is demonstrated in Figure 20b. The DG cannot remain connected to the grid without the BESS after the load shedding phenomena because of the out-of-step protection relay even in the grid-connected mode, as demonstrated in Figure 21. Therefore, from the simulation results for this sub-scenario, it can be concluded that the proposed method shows the best way to improve the UFLS scheme and the frequency stability of both the islanding and the grid-connected incidences. The frequency nadirs, the RoCoFs, and the load feeder shedding are summarized in Table 6, comparing the methods with the various effective inertias.
Figure 20.
DG parameters with islanding condition for case 1 with heavy-load and s: (a) Terminal voltage; (b) Active power.
Figure 21.
DG parameters with the grid-connected for case 1 with heavy-load and s: (a) Terminal voltage; (b) Active power.
Table 6.
The comparisons of the performances for case 1 with the heavy-load sub-scenario.
4.2. Case 2: Parameter Uncertainties
In this case, the parameter uncertainties are carried out to reveal the proposed VIC-BESS performance due to the control parameters’ uncertainties, as described in the earlier session, in comparison with the p/f droop-BESS and the without BESS under the light- and heavy-loads sub scenarios and the different effective inertias of the ADN, as demonstrated by the following.
- A.
- Light-load
This case provides the light-load scenarios with the different effective inertias in the PEA-ADN system, including the s and s.
- -
- Light-load sub-scenario with s
This case demonstrates the uncertainties of the controllers’ parameters comprising the DG and the BESS controls to emulate the low-damping of the grid due to the variations in the parameters and to verify the proposed VIC-BESS robustness and effectiveness. As described in Section 4, the controller’s gain constants of the DG and the BESS are decreased to reduce the system’s inertia. Furthermore, to characterize the measurements and the delay of the controllers, the time constants of the DG and the BESS are increased, resulting in the lag time of the controllers’ transient responses. The controllers’ parameters in this case study are carried out by the eigenvalue sensitivity and the trade-off between the controllability and the participation factor methods. After that, the simulation results with the parameter uncertainties are performed under the islanding and the PEA-ADN’s grid-connected modes.
The result of the UFLS scheme improvement is obtained as illustrated in Figure 22, including the with VIC-BESS, with p/f droop control, and without BESS strategies. For the unintentional islanding occurrence at 1.0 s, it can be seen that the frequency of the grid is rapidly decreased for the case without BESS. All load feeders are disconnected by the UFLS scheme, resulting in the over-frequency phenomena after the load shedding during the islanding mode. The TP1_F1 and TP2_F1 and the rest of the load feeders are tripped at 1.332, 1.332, and 1.518 s, respectively, causing the boundless blackout. In comparison with the normal case with the light-load at s, therefore, it can be concluded that the parameter uncertainties that occurred in the PEA-ADN system can affect the UFLS scheme and the setting. For the p/f droop control scenario, the TP1_F1 and the TP2_F1 are detached during the islanding mode at 1.362 s, resulting in a reduction in the load feeder’s blackout compared to the case without BESS. On the other hand, with the proposed VIC-BESS strategy, the UFLS protection is enhanced with superior performance because of no-load feeder shedding due to the islanding, improving the frequency stability associated with the frequency nadir and its rate of change. Therefore, it can be concluded that the proposed VIC-BESS can improve the UFLS by far the best effectiveness in comparison with the p/f droop control and the without BESS strategies for the parameter uncertainties case.
Figure 22.
The frequency for parameter uncertainties case with light-load and s.
In terms of the frequency stability improvement performance, the frequency nadirs of the case without BESS, with the p/f droop, and with the proposed VIC-BESS strategies, are 47.14, 48.29, and 49.38 Hz, respectively. Without the BESS, the widespread blackout associated unreliability does not only cause an issue in the ADN but also encompasses the frequency grid code satisfaction. From the simulation results in the case without BESS, the frequency nadir is less than the minimum acceptable value of the operational grid code requirement. For solving this issue, the VIC-BESS is applied to increase the frequency nadir, as illustrated in Figure 22. Although the p/f droop control strategy offers the no-load shedding from the ADN, the frequency nadir is still less than the proposed method utilization. Therefore, the proposed VIC-BESS has the best result in the frequency stability enhancement of the active distribution grid, increasing the frequency nadir, resulting in the RoCoF increment, and satisfying the PEA grid code necessity. Furthermore, to investigate the proposed method under the grid resynchronization mode, the grid-connected mode scenario at 5.0 s is executed. The simulation results are verified in comparison with the p/f droop control and the without BESS methods. There is a crucial dilemma for the ADN when the grid is resynchronized so that the frequency in the case without the BESS largely oscillates, resulting in the pole slip of the generator incidence. This frequency is greater than the maximum acceptable frequency of the normal operational code, leading to the DG tripping. For this reason, the DG can be disconnected from the ADN by the over-frequency relay to shelter the DG. Therefore, without the BESS for the parameter uncertainties case, it can be demonstrated that the blackout of all load feeders occurs in this event. For dealing with this issue, the p/f droop and the proposed VIC-BESS schemes afford the grid-connected operation of the DG. The DG remains connected with the ADN, decreasing the frequency deviations under the grid-connected mode, and improving the transient stability.
For considering the DG’s voltage and power with the islanding condition, they are also demonstrated in Figure 23. It can be investigated that the terminal voltage of the DG in the ADN without the BESS suddenly decreases from 1.0086 pu to 0.9531 pu, respectively. The terminal voltages of the DG are enhanced to 0.9680 and 0.9780 pu for the p/f droop control and the proposed VIC-BESS strategies, respectively. Therefore, the proposed VIC-BESS is able to smooth the DG terminal voltage and reduce the voltage sag during the islanding incidence. The active power of the DG with the islanding condition is illustrated in Figure 24b. From the simulation results, the active power of the DG with the proposed VIC-BESS can achieve its steady-state value (6.35 MW) after the islanding condition. Meanwhile, the steady-state active powers of the DG with the p/f droop control and without the BESS are changed to be 7.02 and 1.43 MW, respectively, which represent the steady-state errors in the response of the active powers.
Figure 23.
DG parameters with islanding condition for case 2 with light-load and s: (a) Terminal voltage; (b) Active power.
Figure 24.
DG parameters with the grid-connected for case 2 with light-load and s: (a) Terminal voltage; (b) Active power.
With the grid-connected circumstance considering the DG terminal voltage and the active power, the results of the proposed method are illustrated in Figure 24, in comparison with the p/f droop control and without the BESS. The terminal voltage and the active power deviations of the case without BESS in the ADN are greater than the p/f droop control and the proposed VIC-BESS scenarios, as demonstrated in Figure 24a,b, respectively. The ADN parameter uncertainties contribute to decreasing the frequency nadir, leading to the total blackout occurrence. On the other hand, the p/f droop and the proposed VIC-BESS schemes provide stability in the voltage and the active power of the DG during the intentional grid-connected phenomena. For this reason, the proposed VIC-BESS method can improve the UFLS protection scheme and the frequency stability in the ADN under both the islanding and the grid-connected conditions. Moreover, the proposed VIC-BESS method reduces the frequency nadir and the RoCoF and allows connection with the ADN of load feeders.
- -
- Light-load sub-scenario with s
This sub-scenario provides the results of the PEA-ADN with the light-load and the reduced effective inertia, which include the islanding and the grid-connected modes. With the reduced inertia of the DG, the results are completely different in comparison with the previous sub-scenario, as demonstrated in Figure 25. Without the BESS under the islanding mode at 1 s, the TP1_F1 and TP2_F1, and the rest of the loads are disconnected by the UFLS at 1.314, 1.314, and 1.502 s, which is faster than the previous case. Therefore, the reduction in the effective inertia affects the UFLS operation. After the load shedding without BESS, the simulation result demonstrates the over-frequency occurrence. Thus, the UFLS relay setting and scheme from the PEA standard cannot achieve frequency stability improvement. There are only two loads that are detached from the PEA-ADN using the p/f droop control method, consisting of the TP1_F1 and TP2_F1 at 1.354 s. The p/f droop-controlled BESS can help to reduce the load shedding and improve the UFLS scheme. Nevertheless, there is no load shedding for the proposed VIC-BESS control under the islanding condition. The frequency of the ADN with the proposed method can be restored to the steady-state value.
Figure 25.
The frequency for parameter uncertainties case with light-load and s.
Moreover, the frequency nadirs of the proposed VIC-BESS, the p/f droop, and without the BESS are 49.42, 48.24, and 46.84, respectively. The PEA-ADN without the BESS cannot achieve the operational grid code requirement and reliability. The frequency nadirs without the BESS are less than the acceptable value associated with the PEA grid code. For the grid-connected mode at 5 s, the frequency of PEA-ADN without the BESS oscillates with a high-frequency, resulting in the pole slip of the DG. With the p/f droop-controlled BESS, the PEA-ADN is unstable so that the DG should be disconnected by the out of step protection relay. For solving this issue, therefore, the proposed VIC-BESS method can improve the frequency stability of the PEA-ADN under the grid-connected occurrence with improved performance.
In the reduced inertia case of the light-load, the proposed VIC-BESS also improves the DG terminal voltage and the power during the islanding condition, as demonstrated in Figure 26. The DG voltage decreases to 0.930 pu without the BESS utilization under the islanding condition. The p/f droop and the proposed VIC-BESS methods can improve the voltage sag to be 0.948 and 0.960 pu, respectively. The proposed VIC-BESS also provides a smoothing power oscillation during the islanding mode, as demonstrated in Figure 26b. As the DG powers from the simulation results, it can be concluded that the proposed method can achieve the power transient and a steady-state restoration, in comparison with the p/f droop and without the BESS.
Figure 26.
DG parameters with islanding condition for case 2 with light-load and s: (a) Terminal voltage; (b) Active power.
The grid-connected mode results of this sub-scenario show the difference with the normal effective inertia, as demonstrated in Figure 27. The DG’s voltage and the power for the p/f droop and the without BESS cases provide unstable conditions. Therefore, the parameter uncertainties of the light-load and the reduced inertia affect the DG’s voltage and the power. For solving this problem, the proposed VIC-BESS method can improve the DG’s voltage and power during the grid-connected mode. It provides superior performance in comparison with the p/f droop and the without BESS schemes. The performance comparison among the methods with different effective inertias associated with the frequency nadirs, RoCoF, and the load shedding is summarized in Table 7.
Figure 27.
DG parameters with the grid-connected for case 2 with light-load and s: (a) Terminal voltage; (b) Active power.
Table 7.
The comparisons of the performances for case 2 with the light-load sub-scenario.
- B.
- Heavy-load
The parameter uncertainties with the heavy-load sub-scenarios contain the PEA-ADN with the normal effective inertia and the reduced effective inertia as same as the light-load case to evaluate the proposed VIC-BESS to improve the UFLS scheme and the frequency stability as the following.
- -
- Heavy-load sub-scenario with s
This sub-scenario demonstrates the normal effective inertia under the heavy-load and the parameter uncertainties conditions. To evaluate the frequency stability and the UFLS enhancement of the ADN, the frequency is plotted as shown in Figure 28 with the islanding and the grid-connected modes at 1 and 5 s, respectively, in comparison with the VIC-BESS, the p/f droop and without the BESS. For without the BESS utilization, the frequency suddenly decreases, then the UFLS operates to shedding the loads, including the TP1_F1, TP2_F1, TP1_F2, TP2_F3, and the rest of the loads at 1.272, 1.272, 1.278, 1.278, and 1.467 s, respectively, resulting in a widespread blackout. It can be concluded that the relay operation is a failure because the UFLS cannot trip the load with the precise schedule. For solving this problem, the BESS with the p/f droop control can achieve associated with the number of the load shedding and the UFLS improvement. The TP1_F1, TP2_F1, TP1_F2, and TP2_F3 are detached from the PEA-ADN grid at 1.277, 1.277, 1.298, and 1.298 s, respectively. On the other hand, the proposed VIC-BESS method provides the best performance associated with the load shedding and the UFLS enhancement because there are only two load feeders shedding, which consists of the TP1_F1 and TP2_F1 at 1.322 s. Therefore, the proposed method can compensate the virtual inertia to the system, increasing the RoCoF to −5.13 Hz/s with the best effectiveness, in comparison with the p/f droop (−8.92 Hz/s) and without the BESS (−11.59 Hz/s). Furthermore, the frequency nadir is also improved under the islanding condition. As the simulation results, the frequency nadir of the PEA-ADN without the BESS is 46.01, which is less than the acceptable value of the operational grid code requirement. On the other hand, the frequency nadir of the p/f droop-controlled BESS is 47.41 Hz and it cannot restore to the steady-state value during the islanding condition. To deal with this problem, the proposed VIC-BESS method can achieve both the frequency nadir and the stability improvements.
Figure 28.
The frequency for parameter uncertainties case with heavy-load and s.
To evaluate the frequency stability during the grid resynchronization, the grid-connected mode is executed at 5 s and the frequency of the PEA-ADN is obtained. As the simulation results without the BESS, the over-frequency phenomenon occurs after all load feeders shedding. Therefore, the out of step protection relay is executed to protect the DG. From the simulation results, the frequency results between the p/f droop-controller BESS and the proposed VIC-BESS methods are available to compare the frequency stability improvement under the grid-connected condition. The proposed VIC-BESS method provides the best performance to improve frequency stability during the grid-connected mode.
On the other hand, the proposed VIC-BESS method can improve the DG’s voltage and the power, as demonstrated in Figure 29. The DG voltage instantly decreases to 0.898 pu without the BESS. The p/f droop-controlled BESS and the proposed VIC-BESS can enhance the DG voltage to 0.923 and 0.940 pu. Moreover, the proposed VIC-BESS also improves the power of the DG, and it can return to its steady-state value during the islanding condition, as demonstrated in Figure 29b. The DG voltage and the power during the grid-connected mode with the heavy-load and the normal effective inertia are demonstrated in Figure 30. From the simulation results, it can be concluded that the proposed method can achieve smoothing the voltage and the power fluctuations in comparison with the p/f droop-controlled BESS and the without BESS methods. For this reason, the proposed VIC-BESS does not only improve the UFLS scheme and the frequency stability of the PEA-ADN, but it also obtains the superior effectiveness associated with the DG’s stability and the operation.
Figure 29.
DG parameters with islanding condition for case 2 with heavy-load and s: (a) Terminal voltage; (b) Active power.
Figure 30.
DG parameters with the grid-connected for case 2 with heavy-load and s: (a) Terminal voltage; (b) Active power.
- -
- Heavy-load sub-scenario with s
The previous case demonstrated the performance comparison among the methods with the normal effective inertia. To evaluate the proposed method for the most uncertain system and the parameters, this case illustrates the heavy-load with the reduced effective inertia sub-scenario. The frequencies of the PEA-ADN under the islanding and the grid-connected modes are compared among the methods, as demonstrated in Figure 31. As the simulation result, the frequency of the grid decreases, and it triggers the UF relay to shedding the load. The without the BESS result, the TP1_F1, TP2_F1, TP1_F2, TP2_F3, and the rest of the loads are disconnected at 1.262, 1.262, 1.268, 1.268, and 1.467 s, respectively, which trip faster than the normal effective inertia sub-scenario, illustrating the widespread blackout and the over-frequency phenomena. For the p/f droop-controlled BESS, there are four load feeder sheddings from the PEA-ADN system, including the TP1_F1, TP2_F1, TP1_F2, and TP2_F3 at 1.272, 1.272, 1.288, and 1.288, respectively. For solving the UFLS scheme, the proposed VIC-BESS method is utilized to reduce the load shedding and increase the time delay of the load shedding. The TP1_F1 and TP2_F1 are disconnected from the grid at 1.342 s, so the first step tripping is slower than the p/f droop and the without BESS methods. Therefore, the result with the proposed VIC-BESS method shows the UFLS improvement with the best effectiveness in comparison with the p/f droop-controlled BESS and without the BESS. The frequency nadirs of the proposed VIC-BESS, the p/f droop-controlled BESS, and without the BESS are 48.43, 47.46, and 45.92 Hz, respectively. The frequency stability during the islanding condition is also enhanced with the best performance using the proposed VIC-BESS method, so that the frequency can be restored to its steady-state value. For evaluating the frequency stability during the grid-connected mode, the p/f droop-controlled and the proposed VIC-BESS methods are compared in this incidence because the over-frequency occurs in the PEA-ADN without the BESS after the load shedding in the islanding mode, and the DG is also disconnected from the grid due to the out of step protection relay. In the grid-connected mode, it can be concluded from the results that the proposed method can achieve frequency stability performance and maintain the connection between the DG and the PEA-ADN system.
Figure 31.
The frequency for parameter uncertainties case with heavy-load and s.
Figure 32 and Figure 33 illustrate the DG’s voltage and the power during the islanding and the grid-connected modes, respectively. From the simulation results of the DG parameters, the proposed method is able to maintain the DG operation due to the voltage and the power stabilities, in comparison with the p/f droop-controlled BESS and without the BESS. The performance comparisons among the methods under the heavy-load with the different effective inertias are summarized in Table 8.
Figure 32.
DG parameters with islanding condition for case 2 with heavy-load and s: (a) Terminal voltage; (b) Active power.
Figure 33.
DG parameters with the grid-connected for case 2 with heavy-load and s: (a) Terminal voltage; (b) Active power.
Table 8.
The comparisons of the performances for case 2 with the heavy-load sub-scenario.
5. Conclusions
This research applies the VIC-controlled BESS to compensate for the system’s inertia and applies UFLS with RoCoF function to improve the load shedding scheme under the islanding condition. Efforts have been made to simulate the system with various system conditions to demonstrate the effects of the virtual inertia on the UF relay. The significant findings are given as follows:
- (1)
- The UF relay settings for the UFLS scheme are critical when introducing more independent DGs in the distribution system. Analytical formulas for determining the UF relay performance show that the UF relay suffers a time delay from protection relays and inertia variation from independent DGs controlled by separate power producers. However, by applying sufficiently large inertia to VIC-controlled BESS, the UFLS is activated to avoid undesired frequency nadir and allow the integration of more independent DG groups. The UFLS scheme successfully formed and stabilized the PEA-ADN at the acceptable frequency with the least load shedding under minimum and maximum power exchange with the main grid.
- (2)
- An increase in the virtual inertia increases the net system inertia. Consequently, the RoCoF at the very beginning of the dynamic process is decreased.
As the crucial finding of this paper, the simulation results are carried out by two case studies: the normal control condition and the parameter uncertainties with the light-load and the heavy-load sub-scenario, to investigate the performance of the proposed method in comparison with the p/f droop control scheme. From the simulation results under the islanded ADN, it can be seen that the proposed VIC-BESS can improve the UFLS scheme, increasing the grid’s reliability, in comparison with the p/f droop control for both the normal parameter and the parameter uncertainties cases. Furthermore, for the frequency stability aspect during the islanding condition, the proposed method offers superior performance to increase the frequency nadir and reduce the absolute value of the RoCoF, satisfying the EGAT and the PEA grid codes requirement in Thailand, as well as smoothing the power and the voltage fluctuations. With the intentional grid-connected mode to resynchronize to the grid utility, the proposed method allows frequency stability improvement, smoothing the voltage and the active power of the DG fluctuations and providing the steady-state operation of the load feeders and the DG with reliability. For upcoming research associated with the virtual inertia-controlled-BESS based on the dq-reference frame, the controller design technique under various strategies should be focused on the grid-connected mode to reduce the frequency, the DG active power, and the DG terminal voltage deviations during the parameter uncertainties. Moreover, the advanced coordinated VIC-BESS with the inter-ADN and the UFLS will be investigated to determine the control technique to prepare the plan for high penetrations of RESs/DGs in the ADN.
Author Contributions
Conceptualization, K.H. and S.R.; methodology, K.H. and S.R.; software, K.H. and S.R.; validation, K.H., S.P. and S.R.; formal analysis, K.H. and S.R.; investigation, K.H., S.P. and S.R.; resources, K.H., S.P. and S.R.; data curation, S.R.; writing—original draft preparation, K.H. and S.R.; writing—review and editing, K.H.; visualization, S.R.; supervision, K.H. and S.R.; project administration, K.H.; funding acquisition, K.H. All authors have read and agreed to the published version of the manuscript.
Funding
This research was funded by the Doctoral Research Grant Scheme from the Department of Electrical Engineering, Faculty of Engineering, Kasetsart University with grant number 61/02/EE/D.ENG.
Institutional Review Board Statement
Not applicable.
Informed Consent Statement
Not applicable.
Data Availability Statement
Not applicable.
Acknowledgments
The authors would like to gratefully acknowledge the financial support by the Department of Electrical Engineering, Faculty of Engineering, Kasetsart University (Doctoral Research Grant Scheme-61/02/EE/D.ENG).
Conflicts of Interest
The authors declare no conflict of interest.
Nomenclature
| ADN | Active Distribution Network |
| BESS | Battery Energy Storage System |
| DG | Distributed Generator |
| EGAT | Electricity Generating Authority of Thailand |
| HV | High Voltage |
| LV | Low Voltage |
| PEA | Provincial Electricity Authority |
| PQ Controller | Active and Reactive Power Controller |
| PWM | Pulse Width Modulation |
| RES | Renewable Energy Source |
| RoCoF | Rate of Change of Frequency |
| SoC | State of Charge |
| VF Controller | Voltage-Frequency Controller |
| VIC | Virtual Inertia Control |
| VSC | Voltage Source Converter |
| , | d-axis and q-axis stator fluxes linkage (pu) |
| , | Excitation and 1d-damper windings fluxes linkage (pu) |
| , | 1q-damper and 2q-damper windings fluxes linkage (pu) |
| , | d-axis and q-axis mutual reactances (pu) |
| Coupling reactance between field and damper winding (pu) | |
| Coupling reactance between q-axis damper windings (pu) | |
| , | d–axis resistance and reactance of excitation winding (pu) |
| , | Resistance and reactance of 1q-damper winding (pu) |
| , | Resistance and reactance of 2q-damper winding (pu) |
| , | Mechanical and electrical torques of the synchronous generator (pu) |
| Regulator, exciter field, rate feedback, and measurement time constants (s) | |
| Regulator, exciter field, and rate feedback, gains of the excitation | |
| Regulator, exciter field, rate feedback, and measurement time constants (s) | |
| High pressure fractions for the governor system | |
| Low pressure fractions for the governor system | |
| Lead–lag compensation time constants for the governor system (s) | |
| Valve position time constants for the governor system (s) | |
| Inlet steam, second boiler, third boiler, and fourth boiler time constants (s) | |
| Nominal and phase–lock loop frequency (Hz) | |
| Proportional and integral gain of the phase–lock loop | |
| Internal and cell voltages of the DC battery (V) | |
| Maximum and minimum DC battery voltages (V) | |
| Internal, charging, and discharging resistances of the dc battery | |
| Battery capacity (Ah) | |
| Compensated current output signal of the VIC (pu) | |
| d-and q-axis reference current signals for the BESS (pu) | |
| Active and reactive powers of the BESS (pu) | |
| PQ and VF controller gain for adjusting | |
| PQ and VF controller gain for adjusting | |
| Active and reactive power measurement time constants (s) | |
| VF controller time constants (s) | |
| d- and q-axis modulation indices of the PMW | |
| d- and q-axis current controller gains | |
| d- and q-axis current controller time constants (s) | |
| Inertia power of the BESS (pu) | |
| Inertia constant of the VIC | |
| Time constant of the VIC (s) |
Appendix A
Table A1.
The line parameters in the ADN.
Table A1.
The line parameters in the ADN.
| Parameters | Descriptions | Transmission Line (L1) | Distribution Line (L2–L5) |
|---|---|---|---|
| Line resistance | |||
| Zero-sequence line resistance | |||
| Line reactance | |||
| Zero-sequence line reactance | |||
| Line susceptance | |||
| Zero-sequence line susceptance |
Table A2.
The transformers’ parameters in the ADN.
Table A2.
The transformers’ parameters in the ADN.
| Parameters | Descriptions | TP1 and TP2 Transformers | BESS’ Transformer |
|---|---|---|---|
| Short-circuit voltage | 10.21% | 3.00% | |
| The real part of short-circuit voltage | 0.32% | 0% | |
| Zero sequence short-circuit voltage | 10.21% | 3% | |
| Zero sequence of the real part of short-circuit voltage | 0.3% | 0% | |
| HV-side rated voltage | 115 kV | 115 kV | |
| LV-side rated voltage | 22 kV | 0.4 kV |
Table A3.
The DG parameters in the ADN.
Table A3.
The DG parameters in the ADN.
| Parameters | Descriptions | Values |
|---|---|---|
| Nominal apparent power | 9.5 MVA | |
| Nominal voltage | 6.9 kV | |
| Inertia time constant | 4.351858 s | |
| Stator resistance | 0.0021 pu | |
| Leakage reactance | 0.1 pu | |
| d-axis synchronous reactance | 2.54 pu | |
| q-axis synchronous reactance | 2.31 pu | |
| d-axis transient reactance | 0.237 pu | |
| q-axis transient reactance | 0.392 pu | |
| d-axis subtransient reactance | 0.183 pu | |
| q-axis subtransient reactance | 0.191 pu |
References
- Lasseter, R.H. MicroGrids. In Proceedings of the 2002 IEEE Power Engineering Society Winter Meeting. Conference Proceedings (Cat. No.02CH37309), New York, NY, USA, 27–31 January 2002; Volume 301, pp. 305–308. [Google Scholar]
- Lasseter, R.H.; Paigi, P. Microgrid: A conceptual solution. In Proceedings of the 2004 IEEE 35th Annual Power Electronics Specialists Conference (IEEE Cat. No.04CH37551), Aachen, Germany, 20–25 June 2004; Volume 4286, pp. 4285–4290. [Google Scholar]
- Dimeas, A.L.; Hatziargyriou, N.D. Operation of a multiagent system for microgrid control. IEEE Trans. Power Syst. 2005, 20, 1447–1455. [Google Scholar] [CrossRef]
- Hatziargyriou, N.; Asano, H.; Iravani, R.; Marnay, C. Microgrids. IEEE Power Energy Mag. 2007, 5, 78–94. [Google Scholar] [CrossRef]
- Lee, E.-K.; Shi, W.; Gadh, R.; Kim, W. Design and Implementation of a Microgrid Energy Management System. Sustainability 2016, 8, 1143. [Google Scholar] [CrossRef]
- Ali, A.; Li, W.; Hussain, R.; He, X.; Williams, B.W.; Memon, A.H. Overview of Current Microgrid Policies, Incentives and Barriers in the European Union, United States and China. Sustainability 2017, 9, 1146. [Google Scholar] [CrossRef]
- Long, Y.; Wang, Y.; Pan, C. Incentive Mechanism of Micro–grid Project Development. Sustainability 2018, 10, 163. [Google Scholar] [CrossRef]
- McDonald, J. Adaptive intelligent power systems: Active distribution networks. Energy Policy 2008, 36, 4346–4351. [Google Scholar] [CrossRef]
- Liu, W.; Xu, H.; Niu, S.; Xie, J. Optimal Distributed Generator Allocation Method Considering Voltage Control Cost. Sustainability 2016, 8, 193. [Google Scholar] [CrossRef]
- Manganelli, M.; Nicodemo, M.; D’Orazio, L.; Pimpinella, L.; Falvo, M.C. Restoration of an Active MV Distribution Grid with a Battery ESS: A Real Case Study. Sustainability 2018, 10, 2058. [Google Scholar] [CrossRef]
- Hidalgo, R.; Abbey, C.; Joós, G. A review of active distribution networks enabling technologies. In Proceedings of the IEEE PES General Meeting, Providence, RI, USA, 25–29 July 2010; pp. 1–9. [Google Scholar]
- Lin, J.; Wan, C.; Song, Y.; Huang, R.; Chen, X.; Guo, W.; Zong, Y.; Shi, Y. Situation awareness of active distribution network: Roadmap, technologies, and bottlenecks. CSEE J. Power Energy Syst. 2016, 2, 35–42. [Google Scholar] [CrossRef]
- Nguyen, T.T.; Dinh, B.H.; Pham, T.D.; Nguyen, T.T. Active Power Loss Reduction for Radial Distribution Systems by Placing Capacitors and PV Systems with Geography Location Constraints. Sustainability 2020, 12, 7806. [Google Scholar] [CrossRef]
- Wang, Y.; Zhang, N.; Li, H.; Yang, J.; Kang, C. Linear three–phase power flow for unbalanced active distribution networks with PV nodes. CSEE J. Power Energy Syst. 2017, 3, 321–324. [Google Scholar] [CrossRef]
- Li, R.; Wang, W.; Xia, M. Cooperative Planning of Active Distribution System With Renewable Energy Sources and Energy Storage Systems. IEEE Access 2018, 6, 5916–5926. [Google Scholar] [CrossRef]
- Ma, W.; Wang, W.; Wu, X.; Hu, R.; Tang, F.; Zhang, W. Control Strategy of a Hybrid Energy Storage System to Smooth Photovoltaic Power Fluctuations Considering Photovoltaic Output Power Curtailment. Sustainability 2019, 11, 1324. [Google Scholar] [CrossRef]
- Katiraei, F.; Iravani, M.R. Power Management Strategies for a Microgrid With Multiple Distributed Generation Units. IEEE Trans. Power Syst. 2006, 21, 1821–1831. [Google Scholar] [CrossRef]
- Lopes, J.A.P.; Moreira, C.L.; Madureira, A.G. Defining control strategies for MicroGrids islanded operation. IEEE Trans. Power Syst. 2006, 21, 916–924. [Google Scholar] [CrossRef]
- Katiraei, F.; Iravani, R.; Hatziargyriou, N.; Dimeas, A. Microgrids management. IEEE Power Energy Mag. 2008, 6, 54–65. [Google Scholar] [CrossRef]
- Luan, W.P.; Irving, M.R.; Daniel, J.S. Genetic algorithm for supply restoration and optimal load shedding in power system distribution networks. IEE Proc. –Gener. Transm. Distrib. 2002, 149, 145–151. [Google Scholar] [CrossRef]
- Faranda, R.; Pievatolo, A.; Tironi, E. Load Shedding: A New Proposal. IEEE Trans. Power Syst. 2007, 22, 2086–2093. [Google Scholar] [CrossRef]
- Gu, W.; Liu, W.; Zhu, J.; Zhao, B.; Wu, Z.; Luo, Z.; Yu, J. Adaptive Decentralized Under–Frequency Load Shedding for Islanded Smart Distribution Networks. IEEE Trans. Sustain. Energy 2014, 5, 886–895. [Google Scholar] [CrossRef]
- Khamis, A.; Shareef, H.; Mohamed, A. Islanding detection and load shedding scheme for radial distribution systems integrated with dispersed generations. IET Gener. Transm. Distrib. 2015, 9, 2261–2275. [Google Scholar] [CrossRef]
- Zhang, M.; Chen, J. Islanding and Scheduling of Power Distribution Systems With Distributed Generation. IEEE Trans. Power Syst. 2015, 30, 3120–3129. [Google Scholar] [CrossRef]
- Issicaba, D.; Rosa, M.A.d.; Resende, F.O.; Santos, B.; Lopes, J.A.P. Long–Term Impact Evaluation of Advanced Under Frequency Load Shedding Schemes on Distribution Systems With DG Islanded Operation. IEEE Trans. Smart Grid 2019, 10, 238–247. [Google Scholar] [CrossRef]
- Małkowski, R.; Nieznański, J. Underfrequency Load Shedding: An Innovative Algorithm Based on Fuzzy Logic. Energies 2020, 13, 1456. [Google Scholar] [CrossRef]
- Sarwar, S.; Mokhlis, H.; Othman, M.; Muhammad, M.A.; Laghari, J.A.; Mansor, N.N.; Mohamad, H.; Pourdaryaei, A. A Mixed Integer Linear Programming Based Load Shedding Technique for Improving the Sustainability of Islanded Distribution Systems. Sustainability 2020, 12, 6234. [Google Scholar] [CrossRef]
- Qian, H.; Zhang, J.; Lai, J.; Yu, W. A high–efficiency grid–tie battery energy storage system. IEEE Trans. Power Electron. 2011, 26, 886–896. [Google Scholar] [CrossRef]
- Grainger, B.M.; Reed, G.F.; Sparacino, A.R.; Lewis, P.T. Power Electronics for Grid–Scale Energy Storage. Proc. IEEE 2014, 102, 1000–1013. [Google Scholar] [CrossRef]
- Lawder, M.T.; Suthar, B.; Northrop, P.W.C.; De, S.; Hoff, C.M.; Leitermann, O.; Crow, M.L.; Santhanagopalan, S.; Subramanian, V.R. Battery Energy Storage System (BESS) and Battery Management System (BMS) for Grid–Scale Applications. Proc. IEEE 2014, 102, 1014–1030. [Google Scholar] [CrossRef]
- Hellman, H.; Pihkala, A.; Hyvärinen, M.; Heine, P.; Karppinen, J.; Siilin, K.; Lahtinen, P.; Laasonen, M.; Matilainen, J. Benefits of battery energy storage system for system, market, and distribution network case Helsinki. Cired–Open Access Proc. J. 2017, 2017, 1588–1592. [Google Scholar] [CrossRef]
- Li, X.; Chalvatzis, K.J.; Stephanides, P. Innovative Energy Islands: Life–Cycle Cost–Benefit Analysis for Battery Energy Storage. Sustainability 2018, 10, 3371. [Google Scholar] [CrossRef]
- Bahramipanah, M.; Torregrossa, D.; Cherkaoui, R.; Paolone, M. A Decentralized Adaptive Model–Based Real–Time Control for Active Distribution Networks Using Battery Energy Storage Systems. IEEE Trans. Smart Grid 2018, 9, 3406–3418. [Google Scholar] [CrossRef]
- Zeraati, M.; Golshan, M.E.H.; Guerrero, J.M. Distributed Control of Battery Energy Storage Systems for Voltage Regulation in Distribution Networks With High PV Penetration. IEEE Trans. Smart Grid 2018, 9, 3582–3593. [Google Scholar] [CrossRef]
- Hua, Y.; Shentu, X.; Xie, Q.; Ding, Y. Voltage/Frequency Deviations Control via Distributed Battery Energy Storage System Considering State of Charge. Appl. Sci. 2019, 9, 1148. [Google Scholar] [CrossRef]
- Soni, N.; Doolla, S.; Chandorkar, M.C. Improvement of Transient Response in Microgrids Using Virtual Inertia. IEEE Trans. Power Deliv. 2013, 28, 1830–1838. [Google Scholar] [CrossRef]
- Serban, I.; Marinescu, C. Battery energy storage system for frequency support in microgrids and with enhanced control features for uninterruptible supply of local loads. Int. J. Electr. Power Energy Syst. 2014, 54, 432–441. [Google Scholar] [CrossRef]
- Wu, D.; Tang, F.; Dragicevic, T.; Guerrero, J.M.; Vasquez, J.C. Coordinated Control Based on Bus–Signaling and Virtual Inertia for Islanded DC Microgrids. IEEE Trans. Smart Grid 2015, 6, 2627–2638. [Google Scholar] [CrossRef]
- Toma, L.; Sanduleac, M.; Baltac, S.A.; Arrigo, F.; Mazza, A.; Bompard, E.; Musa, A.; Monti, A. On the virtual inertia provision by BESS in low inertia power systems. In Proceedings of the 2018 IEEE International Energy Conference (ENERGYCON), Limassol, Cyprus, 3–7 June 2018; pp. 1–6. [Google Scholar]
- Kerdphol, T.; Rahman, F.S.; Mitani, Y.; Hongesombut, K.; Küfeoğlu, S. Virtual Inertia Control–Based Model Predictive Control for Microgrid Frequency Stabilization Considering High Renewable Energy Integration. Sustainability 2017, 9, 773. [Google Scholar] [CrossRef]
- Kerdphol, T.; Rahman, F.S.; Mitani, Y.; Watanabe, M.; Küfeoǧlu, S.K. Robust Virtual Inertia Control of an Islanded Microgrid Considering High Penetration of Renewable Energy. IEEE Access 2018, 6, 625–636. [Google Scholar] [CrossRef]
- Yuan, C.; Xie, P.; Yang, D.; Xiao, X. Transient Stability Analysis of Islanded AC Microgrids with a Significant Share of Virtual Synchronous Generators. Energies 2018, 11, 44. [Google Scholar] [CrossRef]
- Ali, H.; Magdy, G.; Li, B.; Shabib, G.; Elbaset, A.A.; Xu, D.; Mitani, Y. A New Frequency Control Strategy in an Islanded Microgrid Using Virtual Inertia Control–Based Coefficient Diagram Method. IEEE Access 2019, 7, 16979–16990. [Google Scholar] [CrossRef]
- Kerdphol, T.; Watanabe, M.; Hongesombut, K.; Mitani, Y. Self–Adaptive Virtual Inertia Control–Based Fuzzy Logic to Improve Frequency Stability of Microgrid With High Renewable Penetration. IEEE Access 2019, 7, 76071–76083. [Google Scholar] [CrossRef]
- Kerdphol, T.; Watanabe, M.; Mitani, Y.; Phunpeng, V. Applying Virtual Inertia Control Topology to SMES System for Frequency Stability Improvement of Low–Inertia Microgrids Driven by High Renewables. Energies 2019, 12, 3902. [Google Scholar] [CrossRef]
- Pinthurat, W.; Hredzak, B. Decentralized Frequency Control of Battery Energy Storage Systems Distributed in Isolated Microgrid. Energies 2020, 13, 3026. [Google Scholar] [CrossRef]
- Golpîra, H.; Atarodi, A.; Amini, S.; Messina, A.R.; Francois, B.; Bevrani, H. Optimal Energy Storage System–Based Virtual Inertia Placement: A Frequency Stability Point of View. IEEE Trans. Power Syst. 2020, 35, 4824–4835. [Google Scholar] [CrossRef]
- Saxena, P.; Singh, N.; Pandey, A.K. Enhancing the dynamic performance of microgrid using derivative controlled solar and energy storage based virtual inertia system. J. Energy Storage 2020, 31, 101613. [Google Scholar] [CrossRef]
- IEEE Guide for Synchronous Generator Modeling Practices and Parameter Verification with Applications in Power System Stability Analyses; IEEE Std 1110–2019 (Revision of IEEE Std 1110–2002); IEEE: Piscataway, NJ, USA, 2020. [CrossRef]
- Kundur, P.; Balu, N.J. Power System Stability and Control; McGraw–Hill: New York, NY, USA, 1994. [Google Scholar]
- IEEE Guide for the Application of Turbine Governing Systems for Hydroelectric Generating Units–Redline; IEEE Std 1207–2011 (Revision to IEEE Std 1207–2004)–Redline; IEEE: Piscataway, NJ, USA, 2011; pp. 1–139.
- IEEE Recommended Practice for Excitation System Models for Power System Stability Studies; IEEE Std 421.5–2016 (Revision of IEEE Std 421.5–2005); IEEE: Piscataway, NJ, USA, 2016. [CrossRef]
- Li, X.; Hui, D.; Lai, X. Battery Energy Storage Station (BESS)–Based Smoothing Control of Photovoltaic (PV) and Wind Power Generation Fluctuations. IEEE Trans. Sustain. Energy 2013, 4, 464–473. [Google Scholar] [CrossRef]
- Chowdhury, S.; Crossley, P. Microgrids and Active Distribution Networks; Institution of Engineering and Technology: London, UK, 2009. [Google Scholar]
- Zanabria, C.; Andrén, F.P.; Strasser, T.I. An Adaptable Engineering Support Framework for Multi–Functional Energy Storage System Applications. Sustainability 2018, 10, 4164. [Google Scholar] [CrossRef]
- Bevrani, H.; Raisch, J. On Virtual inertia Application in Power Grid Frequency Control. Energy Procedia 2017, 141, 681–688. [Google Scholar] [CrossRef]
- Tamrakar, U.; Shrestha, D.; Maharjan, M.; Bhattarai, B.P.; Hansen, T.M.; Tonkoski, R. Virtual Inertia: Current Trends and Future Directions. Appl. Sci. 2017, 7, 654. [Google Scholar] [CrossRef]
- Kerdphol, T.; Rahman, F.S.; Watanabe, M.; Mitani, Y.; Turschner, D.; Beck, H. Enhanced Virtual Inertia Control Based on Derivative Technique to Emulate Simultaneous Inertia and Damping Properties for Microgrid Frequency Regulation. IEEE Access 2019, 7, 14422–14433. [Google Scholar] [CrossRef]
- Zhou, B.; Meng, L.; Yang, D.; Ma, Z.; Xu, G. A Novel VSG–Based Accurate Voltage Control and Reactive Power Sharing Method for Islanded Microgrids. Sustainability 2019, 11, 6666. [Google Scholar] [CrossRef]
- Saeedian, M.; Pournazarian, B.; Seyedalipour, S.S.; Eskandari, B.; Pouresmaeil, E. Emulating Rotational Inertia of Synchronous Machines by a New Control Technique in Grid–Interactive Converters. Sustainability 2020, 12, 5346. [Google Scholar] [CrossRef]
- Yang, L.; Hu, Z. Implementation of Dynamic Virtual Inertia Control of Supercapacitors for Multi–Area PV–Based Microgrid Clusters. Sustainability 2020, 12, 3299. [Google Scholar] [CrossRef]
- Fusero, M.; Tuckey, A.; Rosini, A.; Serra, P.; Procopio, R.; Bonfiglio, A. A Comprehensive Inverter–BESS Primary Control for AC Microgrids. Energies 2019, 12, 3810. [Google Scholar] [CrossRef]
- Datta, U.; Kalam, A.; Shi, J. Battery Energy Storage System for Aggregated Inertia–Droop Control and a Novel Frequency Dependent State–of–Charge Recovery. Energies 2020, 13, 2003. [Google Scholar] [CrossRef]
- Wang, K.W.; Chung, C.Y.; Tse, C.T.; Tsang, K.M. Multimachine eigenvalue sensitivities of power system parameters. IEEE Trans. Power Syst. 2000, 15, 741–747. [Google Scholar] [CrossRef]
- Ma, J.; Dong, Z.Y.; Zhang, P. Eigenvalue Sensitivity Analysis for Dynamic Power System. In Proceedings of the 2006 International Conference on Power System Technology, Chongqing, China, 22–26 October 2006; pp. 1–7. [Google Scholar]
- Li, C.; Li, G.; Wang, C.; Du, Z. Eigenvalue Sensitivity and Eigenvalue Tracing of Power Systems With Inclusion of Time Delays. IEEE Trans. Power Syst. 2018, 33, 3711–3719. [Google Scholar] [CrossRef]
Publisher’s Note: MDPI stays neutral with regard to jurisdictional claims in published maps and institutional affiliations. |
© 2021 by the authors. Licensee MDPI, Basel, Switzerland. This article is an open access article distributed under the terms and conditions of the Creative Commons Attribution (CC BY) license (http://creativecommons.org/licenses/by/4.0/).
































