A Photovoltaic-Powered Modified Multiport Converter for an EV Charger with Bidirectional and Grid Connected Capability Assist PV2V, G2V, and V2G
Abstract
1. Introduction
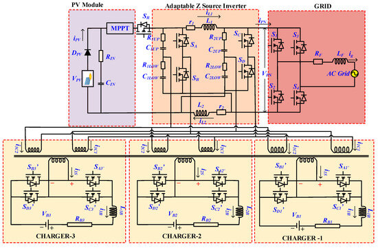
- An Adaptable Z-Source Inverter was developed for the PV-grid integration-based EV charging station.
- The capacitor used in the Z-network was split into two equal capacitors to enable the multiport charging option.
- This modified ZSI was validated in five modes: PV-grid/charger, PV-grid, PV-charger, grid–charger, and charger–grid.
- The experimental setup was developed with three charging ports for obtaining 250 W at each charger end, which cumulatively produces 750 W output across both chargers with an efficiency of 93.8%.
2. Modeling and Sizing of the Proposed Adaptable Z-Source Inverter Components
2.1. Inductor L1 and L2 Design
2.2. Capacitor C1 and C2 Design
3. Modes of Operations
3.1. Different Modes
3.1.1. Mode-I (PV to Grid and Charger)
3.1.2. Mode-II (PV to Grid)
3.1.3. Mode-III (PV to Charger)
3.1.4. Mode-IV (Grid to Charger)
3.1.5. Mode-V (Charger to Grid)
3.2. Controller
3.2.1. PV-Battery Loop
3.2.2. Grid-to-Battery Loop
3.2.3. Battery-to-Grid Loop
4. Simulation Analysis Results
- PV to grid and charger: In this mode, the PV system supplies power to the battery, and the excess power is delivered to the grid. The PV system generates a rated power of 1500 W power with a voltage of 144 V and a current of 10.32 A. The PV delivers 750 W power to the three chargers and 750 W power to the grid.
- PV to grid: In this mode, the charging stations are inactive, and the PV power generation is completely delivered to the grid. To provide power to the grid, the PV continues to operate at the rated power of 144 V and 10.42 A. The grid receives 230 V, and 63 A is provided to the grid.
- PV to charger: In this mode of operation, the PV generates half of the rated power, and the grid is operated on low demand. The PV-generated power is delivered only to the chargers. The three chargers are powered by Charger 1 at 47.9 V and 4.93 A, Charger 2 at 47.8 V and 4.86 A, and Charger 3 at 48.2 V and 4.87 A.
- Grid to charger: This mode supplies the power from the grid to the charging stations. The PV does not generate power, and the charging station is in demand. So, the grid delivers the power requirement to the charging station.
- Charger to grid: In this mode, it is considered that the PV is completely inactive, and the charging station is inactive. The grid operates at a high level of demand. The AZSI regulates the power stored in the battery to the grid to support it in supplying the maximum demand.
5. Experimental Results
- Charger 1 receives power at a voltage of 47.9 V and draws a current of 4.93 A.
- Charger 2 receives power at a voltage of 47.8 V and draws a current of 4.86 A.
- Charger 3 receives power at a voltage of 48.2 V and draws a current of 4.87 A.
6. Loss Calculation
6.1. Loss Calculation
6.2. Stress Analysis
7. Conclusions
Author Contributions
Funding
Data Availability Statement
Acknowledgments
Conflicts of Interest
References
- Nezamuddin, O.N.; Nicholas, C.L.; dos Santos, E.C. The Problem of Electric Vehicle Charging: State-of-the-Art and an Innovative Solution. IEEE Trans. Intell. Transp. Syst. 2022, 23, 4663–4673. [Google Scholar] [CrossRef]
- Khan, S.A.; Md Islam, R.; Guo, Y.; Zhu, J. A New Isolated Multiport Converter with Multi-Directional Power Flow Capabilities for Smart Electric Vehicle Charging Stations. IEEE Trans. Appl. Supercond. 2019, 29, 0602504. [Google Scholar] [CrossRef]
- Verma, A.; Singh, B.; Chandra, A.; Al-Haddad, K. An Implementation of Solar PV Array Based Multifunctional EV Charger. In Proceedings of the 2018 IEEE Transportation Electrification Conference and Expo (ITEC), Long Beach, CA, USA, 13–15 June 2018. [Google Scholar] [CrossRef]
- Zhu, H.; Zhang, D.; Zhang, B.; Zhou, Z. A Nonisolated Three-Port DC–DC Converter and Three-Domain Control Method for PV-Battery Power Systems. IEEE Trans. Ind. Electron. 2015, 62, 4937–4947. [Google Scholar] [CrossRef]
- Wu, S.-T.; Yang, B.-Y. Design and Implementation of an Isolated Bidirectional Phase-Shift Full-Bridge Converter with High Transformation Ratio. IEEE Access 2023, 11, 17945–17955. [Google Scholar] [CrossRef]
- Li, T.; Cheng, Q. A comparative study of Z-source inverter and enhanced topologies. CES Trans. Electr. Mach. Syst. 2018, 2, 284–288. [Google Scholar] [CrossRef]
- Rajakaruna, S.; Jayawickrama, L. Steady-State Analysis and Designing Impedance Network of Z-Source Inverters. IEEE Trans. Ind. Electron. 2010, 57, 2483–2491. [Google Scholar] [CrossRef]
- Dong, S.; Zhang, Q.; Cheng, S. Analysis of Critical Inductance and Capacitor Voltage Ripple for a Bidirectional Z -Source Inverter. IEEE Trans. Power Electron. 2015, 30, 4009–4015. [Google Scholar] [CrossRef]
- Nasr Esfahani, F.; Darwish, A.; Williams, B.W. Power Converter Topologies for Grid-Tied Solar Photovoltaic (PV) Powered Electric Vehicles (EVs)—A Comprehensive Review. Energies 2022, 15, 4648. [Google Scholar] [CrossRef]
- Varesi, K.; Hossein Hosseini, S.; Sabahi, M.; Babaei, E.; Saeidabadi, S.; Vosoughi, N. Design and Analysis of a Developed Multiport High Step-Up DC–DC Converter with Reduced Device Count and Normalized Peak Inverse Voltage on the Switches/Diodes. IEEE Trans. Power Electron. 2019, 34, 5464–5475. [Google Scholar] [CrossRef]
- Shreya, K.; Srivastava, H.; Kumar, P.; Ramanathan, G.; Madhavan, P.; Bharatiraja, C. CUK converter fed resonant LLC converter based electric bike fast charger for efficient CC/CV charging solution. J. Appl. Sci. Eng. 2021, 24, 331–338. [Google Scholar] [CrossRef]
- Bharatiraja, C.; Lakshmikhandan, K.; Kamalesh, M.S.; Rajasekaran, D.; Twala, B. A Non-Isolated High-Gain DC to DC Converter Connected Multi-Level Inverter for Photovoltaic Energy Sources. J. Appl. Sci. Eng. 2021, 24, 415–422. [Google Scholar] [CrossRef]
- Rathore, V.; Reddy, S.R.P.; Rajashekara, K. An Isolated Multilevel DC–DC Converter Topology with Hybrid Resonant Switching for EV Fast Charging Application. IEEE Trans. Ind. Appl. 2022, 58, 5546–5557. [Google Scholar] [CrossRef]
- Jang, Y.; Sun, Z.; Ji, S.; Lee, C.; Jeong, D.; Choung, S.; Bae, S. Grid-Connected Inverter for a PV-Powered Electric Vehicle Charging Station to Enhance the Stability of a Microgrid. Sustainability 2021, 13, 14022. [Google Scholar] [CrossRef]
- Elmorshedy, M.F.; Essawy, I.J.A.; Rashad, E.M.; Islam, M.R.; Dabour, S.M. A Grid-Connected PV System Based on Quasi-Z-Source Inverter With Maximum Power Extraction. IEEE Trans. Ind. Appl. 2023, 59, 6445–6456. [Google Scholar] [CrossRef]
- Siwakoti, Y.P.; Peng, F.Z.; Blaabjerg, F.; Loh, P.C.; Town, G.E. Impedance-Source Networks for Electric Power Conversion Part I: A Topological Review. IEEE Trans. Power Electron. 2015, 30, 699–716. [Google Scholar] [CrossRef]
- Kumar, K.V.; Reddivari, R.; Jena, D. A Comparative Study of Different Capacitor Voltage Control Design Strategies for Z-Source Inverter. IETE J. Res. 2019, 68, 1443–1453. [Google Scholar] [CrossRef]
- Abbasi Bolaghi, J.; Taheri, A.; Babaei, M.H.; Gholami, M.; Harajchi, S. A Quasi-Z-Source Inverter with a Network Capacitor-Inductor. IETE J. Res. 2023, 1–16. [Google Scholar] [CrossRef]
- Sampath, S.; Rahiman, Z.; Chenniappan, S.; Sundaram, E.; Subramaniam, U.; Padmanaban, S. Efficient Multi-Phase Converter for E-Mobility. World Electr. Veh. J. 2022, 13, 67. [Google Scholar] [CrossRef]
- Fakhrooeian, P.; Pitz, V. A New Control Strategy for Energy Management of Bidirectional Chargers for Electric Vehicles to Minimize Peak Load in Low-Voltage Grids with PV Generation. World Electr. Veh. J. 2022, 13, 218. [Google Scholar] [CrossRef]
- Sun, Q.; Xie, H.; Liu, X.; Niu, F.; Gan, C. Multiport PV-Assisted Electric-Drive-Reconstructed Bidirectional Charger With G2V and V2G/V2L Functions for SRM Drive-Based EV Application. IEEE J. Emerg. Sel. Top. Power Electron. 2023, 11, 3398–3408. [Google Scholar] [CrossRef]
- Assadi, S.A.; Gong, Z.; Coelho, N.; Zaman, M.S.; Trescases, O. Modular Multiport Electric-Vehicle DC Fast-Charge Station Assisted by a Dynamically Reconfigurable Stationary Battery. IEEE Trans. Power Electron. 2023, 38, 6212–6223. [Google Scholar] [CrossRef]
- Tran, V.T.; Islam, M.R.; Muttaqi, K.M.; Farrok, O.; Kiran, M.R.; Sutanto, D. A Novel Universal Magnetic Power Plug to Facilitate V2V/V2G/G2V/V2H Connectivity for Future Grid Infrastructure. IEEE Trans. Ind. Appl. 2022, 58, 951–961. [Google Scholar] [CrossRef]
- Tashakor, N.; Farjah, E.; Ghanbari, T. A Bidirectional Battery Charger with Modular Integrated Charge Equalization Circuit. IEEE Trans. Power Electron. 2017, 32, 2133–2145. [Google Scholar] [CrossRef]
- Ravindran, M.A.; Nallathambi, K.; Vishnuram, P.; Rathore, R.S.; Bajaj, M.; Rida, I.; Alkhayyat, A. A Novel Technological Review on Fast Charging Infrastructure for Electrical Vehicles: Challenges, Solutions, and Future Research Directions. Alex. Eng. J. 2023, 82, 260–290. [Google Scholar] [CrossRef]
- Sandoval, M.; Cardenas, V.; Barrios, M.A.; Garcia, M.G.; Alcala, J. Multiport Isolated link with Current-Fed Z-Source Converters to Manage Power Imbalance in PV Applications. Electronics 2020, 9, 280. [Google Scholar] [CrossRef]
- Say, G.; Hosseini, S.H.; Esmaili, P. Hybrid Source Multi-Port Quasi-Z-Source Converter with Fuzzy Logic-Based Energy Management. Energies 2023, 16, 4801. [Google Scholar] [CrossRef]
- Rostami, S.; Abbasi, V.; Parastesh, M. Design and Implementation of a Multiport Converter Using Z-Source Converter. IEEE Trans. Ind. Electron. 2021, 68, 9731–9741. [Google Scholar] [CrossRef]
- Madasamy, P.; Kumar, V.S.; Sanjeevikumar, P.; Holm-Nielsen, J.B.; Hosain, E.; Bharatiraja, C. A three-phase transformerless T-Type- NPC-MLI for grid connected PV systems with common-mode leakage current mitigation. Energies 2019, 12, 2434. [Google Scholar] [CrossRef]
- Prakash, G.; Subramani, C.; Bharatiraja, C.; Shabin, M. A low cost single phase grid connected reduced switch PV inverter based on Time Frame Switching Scheme. Inter. J. Electr. Power Energy Syst. 2016, 77, 100–111. [Google Scholar] [CrossRef]
















| S.No | Parameters | Value |
|---|---|---|
| 1. | Inductor value, L1 | 950 μH |
| 2. | Inductor value, L2 | 950 μH |
| 3. | Input capacitor, Cin | 220 µF |
| 4. | Filter Inductance, Lf | 7.6 mH |
| 5. | Switching frequency (AZSI), FSW | 25 kHz |
| 6. | Switching frequency (HBC), fs | 50 kHz |
| S.No | Parameters | Value |
|---|---|---|
| 1. | PV voltage, VPV | 144 V |
| 2. | Grid voltage Vg | 230 V |
| 3. | Output voltage, VCH1 | 48 V |
| 4. | Output voltage, VCH2 | 48 V |
| 5. | Inductor value, L1 = L2 | 950 mH |
| 6. | Input capacitor, Cin | 220 µF |
| 7. | Filter Inductance, Lf | 7.6 mH |
| 8. | Switching frequency (AZSI), FSW | 25 kHz |
| 9. | Switching frequency (HBC), fs | 50 kHz |
| 10. | PV power output, PPV | 1.5 kW |
| 11. | Battery rating, PB | 250 W |
Disclaimer/Publisher’s Note: The statements, opinions and data contained in all publications are solely those of the individual author(s) and contributor(s) and not of MDPI and/or the editor(s). MDPI and/or the editor(s) disclaim responsibility for any injury to people or property resulting from any ideas, methods, instructions or products referred to in the content. |
© 2024 by the authors. Licensee MDPI, Basel, Switzerland. This article is an open access article distributed under the terms and conditions of the Creative Commons Attribution (CC BY) license (https://creativecommons.org/licenses/by/4.0/).
Share and Cite
Gopalasami, R.; Chokkalingam, B. A Photovoltaic-Powered Modified Multiport Converter for an EV Charger with Bidirectional and Grid Connected Capability Assist PV2V, G2V, and V2G. World Electr. Veh. J. 2024, 15, 31. https://doi.org/10.3390/wevj15010031
Gopalasami R, Chokkalingam B. A Photovoltaic-Powered Modified Multiport Converter for an EV Charger with Bidirectional and Grid Connected Capability Assist PV2V, G2V, and V2G. World Electric Vehicle Journal. 2024; 15(1):31. https://doi.org/10.3390/wevj15010031
Chicago/Turabian StyleGopalasami, Ramanathan, and Bharatiraja Chokkalingam. 2024. "A Photovoltaic-Powered Modified Multiport Converter for an EV Charger with Bidirectional and Grid Connected Capability Assist PV2V, G2V, and V2G" World Electric Vehicle Journal 15, no. 1: 31. https://doi.org/10.3390/wevj15010031
APA StyleGopalasami, R., & Chokkalingam, B. (2024). A Photovoltaic-Powered Modified Multiport Converter for an EV Charger with Bidirectional and Grid Connected Capability Assist PV2V, G2V, and V2G. World Electric Vehicle Journal, 15(1), 31. https://doi.org/10.3390/wevj15010031

