Mechanical Properties of Furniture Joints Using Loose Tenons and Connectors
Abstract
1. Introduction
2. Materials and Methods
2.1. Materials and Samples Preparation
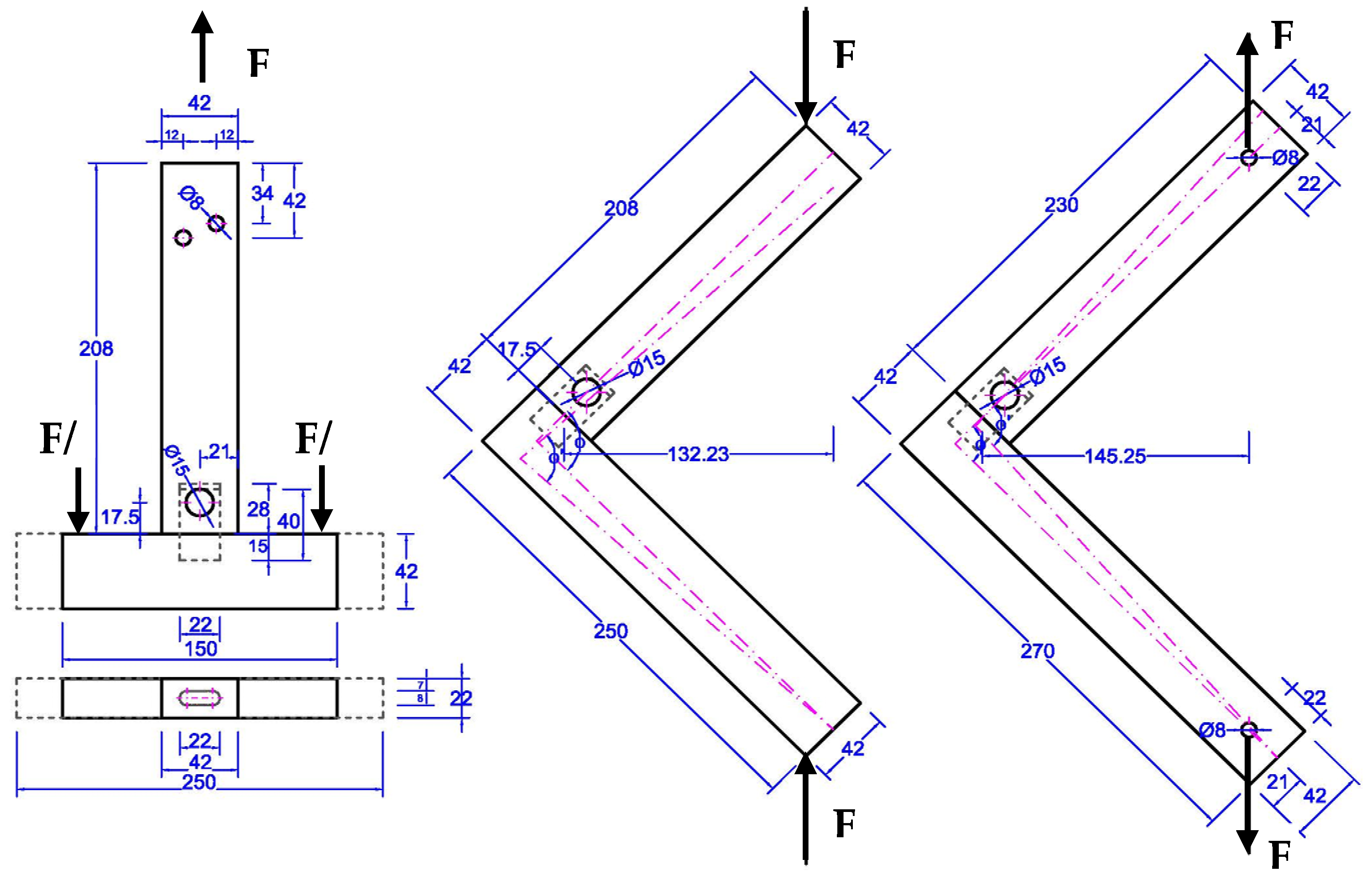
2.2. T-Joints Withdrawal Test
2.3. Corner Joints Compression and Tension Tests
2.4. Statistical Analysis
3. Results and Discussion
3.1. Withdrawal Strength of T-Joints
3.2. Bending Moment Capacity of Corner Joints in Compression and Tension
4. Conclusions
- The withdrawal strength of the T-joints made of beech wood and using a D3-grade PVAc adhesive performs as well as the joints connected using conventional beech dowels and loose tenons. The load-bearing capacity of the glued Domino dowel joints is twice that of Domino connectors.
- The adhesive’s presence or absence on the rail shoulder does not significantly influence the withdrawal strength. The withdrawal strength of the joints is of the same order of magnitude as the tensile strength perpendicular to the wood grain; therefore, special attention must be given to the wooden structure’s dimensioning.
- The bending moment capacities of the corner joints showed high dispersion; however, the statistical tests revealed the importance of shoulder gluing in compression tests. In tension tests the presence of glue on the stiles’ shoulders is negligible.
- In the case of Domino dowel connections, the corner joints’ load-bearing capacity is higher by about 20% in compression than in tension. This joint type provided the stiffest connection also.
- The bending moment capacity of the connector is approximately half of the capacity of dowel connections; however, this value is large enough to use the connectors not only as a connecting element but also as a supporting element as well.
- The lower bending moment capacities of the connector joints occur due to the vulnerability of the anchor’s ridge and to the steady outslipping of the anchor. Special attention must be paid to joint dimensioning to avoid the shear failure of the joints.
Author Contributions
Funding
Data Availability Statement
Acknowledgments
Conflicts of Interest
References
- Eckelman, C.A. Textbook of Product Engineering and Strength Design of Furniture; Purdue University: West Lafayette, IN, USA, 2003; pp. 65–67. [Google Scholar]
- Altun, S.; Burdurlu, E.; Kılıç, M. Effect of adhesive type on the bending moment capacity of miter frame corner joints. BioResources 2010, 5, 1473–1483. [Google Scholar] [CrossRef]
- Tankut, A.N.; Tankut, N. The effects of joint forms (shape) and dimensions on the strengths of mortise and tenon joints. Turk. J. Agric. For. 2005, 29, 493–498. [Google Scholar]
- Eckelman, C.A. Bending strength and moment rotation characteristics of two-pin moment resisting dowel joints. For. Prod. J. 1971, 21, 35–39. [Google Scholar]
- Smardzewski, J.; Lewandowski, W. Elasticity modulus of cabinet furniture joints. Mater. Des. 2014, 60, 260–266. [Google Scholar] [CrossRef]
- Bomba, J.; Šedivka, P.; Hýsek, Š.; Fáber, J.; Oberhofnerová, E. Influence of Glue Line Thickness on the Strength of Joints Bonded with PVAc Adhesives. For. Prod. J. 2017, 68, 120–126. [Google Scholar] [CrossRef]
- Chen, M.; Li, X.; Lyu, J. Influence of Dowel Diameter and Curing Time on Strength of Double Dowel Joint. Wood Res. 2018, 63, 591–598. [Google Scholar]
- Eckelman, C.A.; Haviarova, E. Withdrawal Capacity of Joints Constructed with 9.5-mm and 15.9-mm Through-Bolts and Diameter Nominal 15-mm and 25-mm Pipe-Nut Connectors. For. Prod. J. 2011, 61, 257–264. [Google Scholar] [CrossRef]
- Erdil, Y.Z.; Eckelman, C.A. Withdrawal Strength of Dowels in Plywood and Oriented Strand Board. Turk. J. Agric. For. 2001, 25, 319–327. [Google Scholar]
- Erdil, Y.Z.; Kasal, A.; Eckelman, C.A. Bending moment capacity of rectangular mortise and tenon furniture joints. For. Prod. J. 2005, 55, 209. [Google Scholar]
- Milham, R.M. A Comparison of Strength Characteristic of the Mortise and Tenon Joint and Dowel Joint. Master’s Thesis, University of Michigan, Ann Arbor, MI, USA, 1949; pp. 25–30. [Google Scholar]
- Duppont, W. Rationalization of Glue Joints in the Woodworking Industry; Department of Forestry, Forest Products Laboratory: Madison, Wisconsin, 1963; pp. 1–8. [Google Scholar]
- Tankut, N. The effect of adhesive type and bond line thickness on the strength of mortise and tenon joints. Int. J. Adhes. Adhes. 2007, 27, 493–498. [Google Scholar] [CrossRef]
- Oktaee, J.; Ebrahimi, G.; Layeghi, M.; Ghofrani, M.; Eckelman, C.A. Bending moment capacity of simple and haunched mortise and tenon furniture joints under tension and compression loads. Turk. J. Agric. For. 2014, 38, 291–297. [Google Scholar] [CrossRef]
- Aman, R.; West, H.; Cormier, D. An evaluation of loose tenon joint strength. For. Prod. J. 2008, 58, 61–64. [Google Scholar]
- Wilczyński, A.; Warmbier, K. Effect of joint dimensions on strength and stiffness of tenon joints. Folia For. Pol. 2003, 34, 53–66. [Google Scholar]
- Zhang, T.; Hu, W. Numerical study on effects of tenon sizes on withdrawal load capacity of mortise and tenon joint. Wood Res. 2021, 66, 321–330. [Google Scholar] [CrossRef]
- Hu, W.; Liu, N. Numerical and Optimal Study on Bending Moment Capacity and Stiffness of Mortise-and-Tenon Joint for Wood Products. Forests 2020, 11, 501. [Google Scholar] [CrossRef]
- Hu, W.; Chen, B. A Methodology for Optimizing Tenon Geometry Dimensions of Mortise-and-Tenon Joint Wood Products. Forests 2021, 12, 478. [Google Scholar] [CrossRef]
- Kasal, A.; Eckelman, C.A.; Haviarova, E.; Erdil, Y.Z.; Yalcin, I. Bending Moment Capacities of L-Shaped Mortise and Tenon Joints under Compression and Tension Loadings. Bioresources 2015, 10, 7009–7020. [Google Scholar] [CrossRef]
- Hajdarević, S.; Martinović, S. Effect of Tenon Length on Flexibility of Mortise and Tenon Joint. Procedia Eng. 2014, 69, 678–685. [Google Scholar] [CrossRef][Green Version]
- Derikvand, M.; Ebrahimi, G.; Eckelman, C.A. Bending Moment Capacity of Mortise and Loose-Tenon Joints. Wood Fiber Sci. 2014, 46, 1–8. [Google Scholar]
- Sparkes, A.J. The Strength of Mortise-and-Tenon Joints, Furniture Industry Research Association; FIRA Technical report (Issue 33); Furniture Industry Research Association: Stevenage, UK, 1968; pp. 48–52. [Google Scholar]
- Hill, M.D.; Eckelman, C.A. Flexibility and bending strength of mortise and tenon joints. Purdue Univ. J. 1973, 4758, 25–33. [Google Scholar]
- Hao, J.; Xu, L.; Wu, X.; Li, X. Analysis and modeling of the dowel connection in wood T type joint for optimal performance. Compos. Struct. 2020, 253, 112754. [Google Scholar] [CrossRef]
- Wang, Y.; Lee, S.-H. Design and Analysis on Interference Fit in the Hardwood Dowel-glued Joint by Finite Element Method. Procedia Eng. 2014, 79, 166–172. [Google Scholar] [CrossRef][Green Version]
- Uysal, B. Withdrawal Strength of Various Laminated Veneer Dowels from Composite Materials. Wood Fiber Sci. 2005, 37, 213–219. [Google Scholar]
- Tannert, T. Improved performance of reinforced rounded dovetail joints. Constr. Build. Mater. 2016, 118, 262–267. [Google Scholar] [CrossRef]
- Hu, W.-G.; Luo, M.; Hao, M.; Tang, B.; Wan, C. Study on the Effects of Selected Factors on the Diagonal Tensile Strength of Oblique Corner Furniture Joints Constructed by Wood Dowel. Forests 2023, 14, 1149. [Google Scholar] [CrossRef]
- Hu, W.; Luo, M.; Liu, Y.; Xu, W.; Konukcu, A.C. Experimental and numerical studies on the mechanical properties and behaviors of a novel wood dowel reinforced dovetail joint. Eng. Fail. Anal. 2023, 152, 107440. [Google Scholar] [CrossRef]
- Vassiliou, V.; Barboutis, I. Strength of furniture joints constructed with biscuits. In Proceedings of the International Conference of Nabytok, Bratislava, Slovakia, 13–15 May 2008; pp. 1–6. [Google Scholar]
- Atar, M.; Ozcifci, A.; Altinok, M.; Celikel, U. Determination of diagonal compression and tension performances for case furniture corner joints constructed with wood biscuits. Mater. Des. 2009, 30, 665–670. [Google Scholar] [CrossRef]
- Hu, W.G.; Guan, H.Y. A finite element model of semi-rigid mortise-and-tenon joint considering glue line and friction coefficient. J. Wood Sci. 2019, 65, 14. [Google Scholar] [CrossRef]
- Kasal, A.; Haviarova, E.; Efe, H.; Eckelman, C.A.; Erdil, Y.Z. Effect of Adhesive Type and Tenon Size on Bending Mo-ment Capacity and Rigidity of T-Shaped Furniture Joints Constructed of Turkish Beech and Scots Pine. Wood Fiber Sci. 2013, 45, 287–293. [Google Scholar]
- Záborský, V.; Kamboj, G.; Sikora, A.; Borůvka, V. Effects of selected factors on spruce dowel joint stiffness. BioResources 2018, 14, 1127–1140. [Google Scholar] [CrossRef]
- Kasal, A.; Kuşkun, T.; Efe, H.; Erdil, Y.Z. Relationship Between Static Front to Back Loading Capacity of Whole Chair and The Strength of Individual Joints. In Proceedings of the 27th International Conference Research for Furniture Industry, Ankara, Turkey, 17 September 2015. [Google Scholar]
- Záborský, V.; Borůvka, V.; Kašičková, V.; Gaff, M. The Effect of Selected Factors on Domino Joint Stiffness. BioResources 2018, 13, 2424–2439. [Google Scholar] [CrossRef]
- Podlena, M.; Böhm, M.; Hýsek, S.; Procházka, J.; Černý, R. Evaluation of parameters influencing the withdrawal strength of oak and beech dowels. BioResources 2020, 15, 1665–1677. [Google Scholar] [CrossRef]
- Derikvand, M.; Smardzewski, J.; Ebrahimi, G.; Dalvand, M.; Maleki, S. Withdrawal force capacity of mortise and loose tenon T-type furniture joints. Turk. J. Agric. For. 2013, 37, 377–384. [Google Scholar] [CrossRef]








| Code | Joint Type and Load Direction |
|---|---|
| DTW | Domino T-joint for withdrawal |
| DTW_AB | Domino T-joint for withdrawal masked using adhesive band |
| DTW_L | Domino T-joint for withdrawal with longer stile |
| CTW | Connector T-joint for withdrawal |
| DCC | Domino corner joint for compression |
| DCC_AB | Domino corner joint for compression masked using adhesive band |
| CCC | Connector corner joint for compression |
| DCT | Domino corner joint for tension |
| DCT_AB | Domino corner joint for tension masked using adhesive band |
| CCT | Connector corner joint for tension |
| Spec. | DTW, N | DTW_L, N | DTW_AB, N | CTW, N |
|---|---|---|---|---|
| 1 | 6535.0 | 7946.5 | 7828.1 | 3135.4 |
| 2 | 7103.0 | 8375.6 | 7092.6 | 3380.1 |
| 3 | 7213.0 | 7371.1 | 5379.0 | 2362.1 |
| 4 | 6060.1 | 7437.9 | 6002.1 | 3451.0 |
| 5 | 6184.8 | 7518.8 | 7950.1 | 2671.7 |
| 6 | 7165.0 | 7582.7 | 7379.4 | 3144.5 |
| 7 | 8087.6 | 7881.6 | 6760.5 | 2041.1 |
| 8 | 5779.0 | 7738.3 | 7757.8 | 2820.6 |
| 9 | 8157.8 | 8220.5 | 8026.6 | 3618.8 |
| 10 | 6098.5 | 7306.0 | 6788.8 | 3188.2 |
| mean | 6838.4 | 7737.9 | 7096.5 | 2981.4 |
| CV | 0.12 | 0.05 | 0.12 | 0.17 |
| min. | 5779.0 | 7306.0 | 5379.0 | 2041.1 |
| max. | 8157.8 | 8375.6 | 8026.6 | 3618.8 |
| Spec | DCC, Nm | DCC_AB, Nm | CCC, Nm | DCT, Nm | DCT_AB, Nm | CCT, Nm |
|---|---|---|---|---|---|---|
| 1 | 121.3 | 98.1 | 52.9 | 92.9 | 81.1 | 41.9 |
| 2 | 108.2 | 103.2 | 52.1 | 73.0 | 75.2 | 50.6 |
| 3 | 104.7 | 57.4 | 54.8 | 88.8 | 75.5 | 49.5 |
| 4 | 118.3 | 69.7 | 58.6 | 65.7 | 64.8 | 40.1 |
| 5 | 94.9 | 95.7 | 57.9 | 87.2 | 85.5 | 53.5 |
| 6 | 89.1 | 82.8 | 55.1 | 91.0 | 120.4 | 47.4 |
| 7 | 107.5 | 90.3 | 42.5 | 94.0 | 98.6 | 33.3 |
| 8 | 127.7 | 102.3 | 54.4 | 96.5 | 104.6 | 45.8 |
| 9 | 103.7 | 90.1 | 47.5 | 80.1 | 100.2 | 49.8 |
| 10 | 103.7 | 89.9 | 53.3 | 82.9 | 103.5 | 42.3 |
| mean | 107.9 | 88.0 | 52.9 | 85.2 | 90.9 | 45.4 |
| CV | 0.11 | 0.17 | 0.09 | 0.12 | 0.19 | 0.13 |
| min. | 89.1 | 57.4 | 42.5 | 65.7 | 64.8 | 33.3 |
| max | 127.7 | 103.2 | 58.6 | 96.5 | 120.4 | 53.5 |
Disclaimer/Publisher’s Note: The statements, opinions and data contained in all publications are solely those of the individual author(s) and contributor(s) and not of MDPI and/or the editor(s). MDPI and/or the editor(s) disclaim responsibility for any injury to people or property resulting from any ideas, methods, instructions or products referred to in the content. |
© 2024 by the authors. Licensee MDPI, Basel, Switzerland. This article is an open access article distributed under the terms and conditions of the Creative Commons Attribution (CC BY) license (https://creativecommons.org/licenses/by/4.0/).
Share and Cite
Bas, S.; Denes, L.; Csiha, C. Mechanical Properties of Furniture Joints Using Loose Tenons and Connectors. Forests 2024, 15, 343. https://doi.org/10.3390/f15020343
Bas S, Denes L, Csiha C. Mechanical Properties of Furniture Joints Using Loose Tenons and Connectors. Forests. 2024; 15(2):343. https://doi.org/10.3390/f15020343
Chicago/Turabian StyleBas, Seda, Levente Denes, and Csilla Csiha. 2024. "Mechanical Properties of Furniture Joints Using Loose Tenons and Connectors" Forests 15, no. 2: 343. https://doi.org/10.3390/f15020343
APA StyleBas, S., Denes, L., & Csiha, C. (2024). Mechanical Properties of Furniture Joints Using Loose Tenons and Connectors. Forests, 15(2), 343. https://doi.org/10.3390/f15020343

