High Strength Concrete Columns under Axial Compression Load: Hybrid Confinement Efficiency of High Strength Transverse Reinforcement and Steel Fibers
Abstract
:1. Introduction
2. Research Significance
3. Proposed Analytical Model for Toughness Ratio of HSC Columns
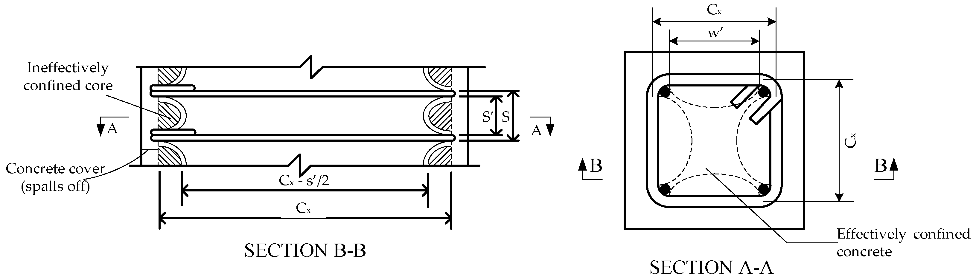
3.1. TR Prediction Model for HSC Confined by High Strength Transverse Reinforcement
3.2. HSC Columns with Hybrid Confinement of Transverse Reinforcement and Steel Fibers
3.2.1. Confinement Index of Steel Fibers in HSC
3.2.2. Effective Confinement Index from Hybrid of Transverse Reinforcement and Steel Fibers
3.2.3. TR Prediction Model for HSC Column Hybrids of Transverse Reinforcement and Steel Fibers
4. Experimental Program
4.1. Material and Mixing Procedure
4.2. Nominal Axial Strength Design of the Column Specimen
4.3. Testing Procedure
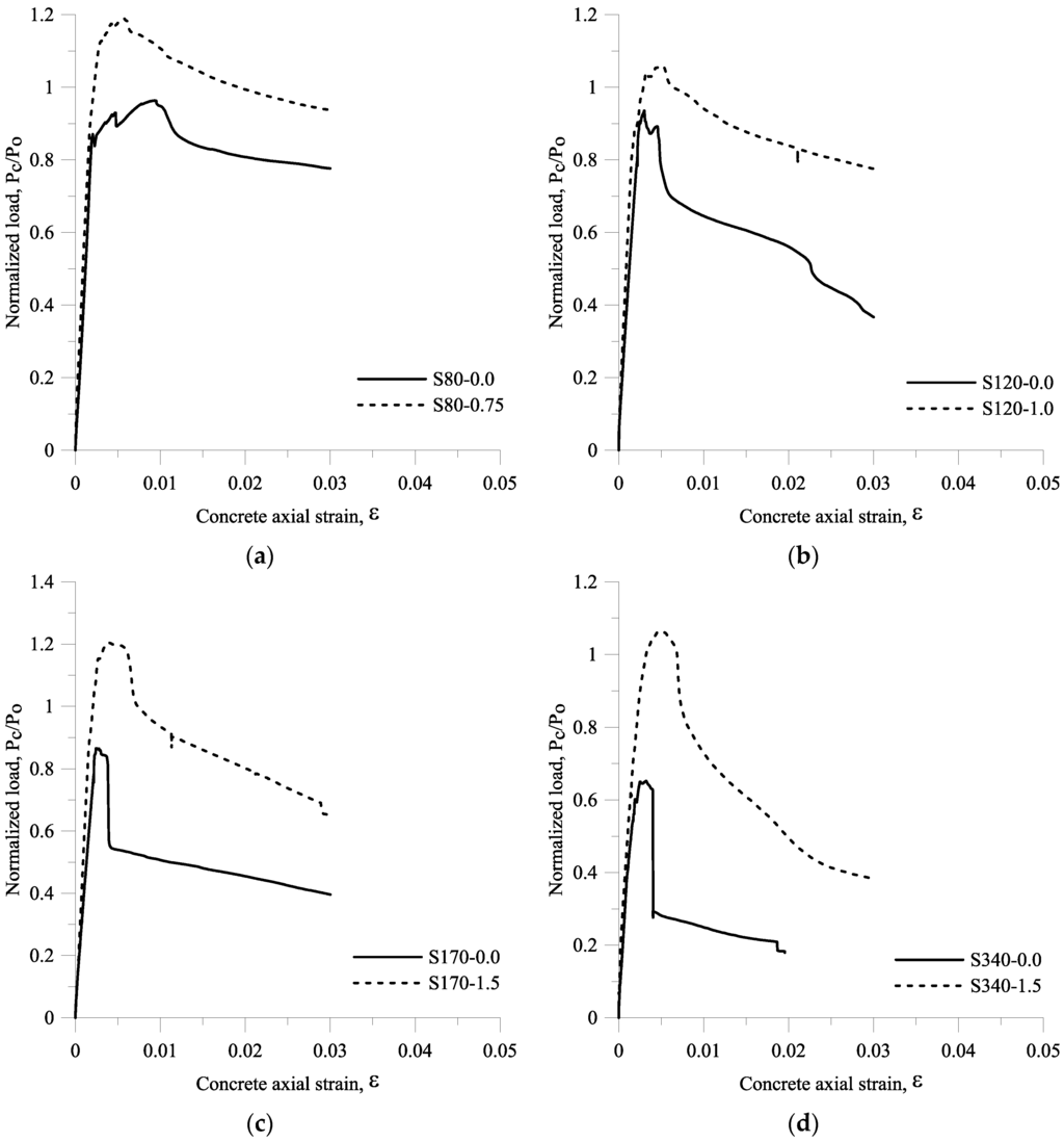
4.4. Experimental Results and Discussion
4.4.1. Compression Strength Test and Fiber Pullout Test
4.4.2. Compression Tests of Small Scale Columns
4.4.3. Compression Tests of Large Scale Columns
4.5. The Transverse Reinforcement Spacing in Column Hybrids of Transverse Reinforcement and Steel Fibers
4.6. Verification of TR Prediction Model for HSC Column Hybrid of Transverse Reinforcement and Steel Fibers
5. Cross Comparison Study of the Numerical Model and Experimental Results
6. Conclusions
- Adding steel fibers to HSC columns can improve their post peak behavior. This is because steel fibers provide a bridge effect due to the presence of the bond strength between the steel fibers and the matrix (equivalent bond strength).
- In this study, not only the fiber volume fraction and aspect ratios, but also the equivalent bond strength τeq should be considered in accounting for fiber characteristics. The test results obtained from fiber pullout tests were verified using a progressive micromechanical model proposed by Xu et al. The average pullout energy in this experimental study was only 9.8% difference from that calculated by using the micromechanical model proposed by Xu et al. in 2011, where the equivalent bond strength τeq can be computed by using the equation proposed by Kim et al. in 2007. Accordingly, τeq can be calculated based on the progressive micromechanical model if no fiber pullout test results are provided.
- From the test results of small-scale columns, it can be observed that a TR of a specimen with high strength steel rebars may be similar to that of a specimen with normal strength rebars. This is because TR is not only influenced by the grade of rebars but also by the transverse reinforcement spacing and the fiber volume fractions.
- A TR equation for HSC confined by transverse reinforcement is proposed based on the regression analysis on 69 TRs for HSC columns confined by transverse reinforcement.
- The TR for HSC confined by transverse reinforcement (TRHSC,prediction) was modified by involving fiber factor . TRs of the columns hybrid confinement of transverse reinforcement and steel fibers from the test results are substituted into TRHSC,prediction equation to obtain the effective confinement index equivalent , and the fiber factor is the ratio to , . By employing regression analysis on 27 TRs of column hybrid of transverse reinforcement and steel fibers, the fiber factor can be expressed in term of the ratio of the effective confinement index of the transverse reinforcement to the confinement index of steel fibers, . The proposed TR can be applied for HSC columns with a concrete compressive strength and fiber volume fraction ranging from 65 MPa to 200 MPa and 0% to 1.5%, respectively.
- The efficiency of steel fibers in concrete depends on the spacing of the transverse reinforcement, in which the steel fibers are more effective if the spacing transverse reinforcement becomes larger. The relationship of fiber factor and shows that the fiber factor becomes larger when increases. It should be noted that this is only for the transverse reinforcement spacing ranging from d/4 to d.
- The column specimen with no transverse reinforcement is still brittle even though the fiber volume fraction is 1.5%, as observed on specimen N00-1.5.
- The errors between from experimental tests and prediction are less than or equal to 20%.
- Employing toughness ratio TR in term of transverse reinforcement and steel fiber parameters is feasible to compute the confinement efficiency of HSC column hybrids of transverse reinforcement and steel fibers. This is because TR expresses the energy absorbing capability, in which the energy absorbing capability is associated with post-peak behavior.
- Based on the transverse reinforcement equivalent, the confinement model proposed by Paultre et al. in 2010 was adopted to develop the stress-strain model for concrete confined in OpenSees. The results obtained from OpenSees well-match the results obtained from compression tests.
- The proposed TR in this study should be further verified through HSC column hybrids of transverse reinforcement and steel fibers subjected to high axial compression load and reversed cyclic loading.
Acknowledgments
Author Contributions
Conflicts of Interest
Appendix A: Example calculation
Solution:
References
- Liao, W.C.; Perceka, W.; Liu, E.J. Compressive Stress-Strain Relationship of High Strength Steel Fiber Reinforced Concrete. J. Adv. Concr. Technol. 2015, 13, 378–392. [Google Scholar] [CrossRef]
- Paultre, P.; Eid, R.; Langlois, Y.; Lévesque, Y. Behavior of Steel Fiber-Reinforced High Strength Concrete Columns under Uniaxial Compression. J. Struct. Eng. 2010, 136, 1225–1235. [Google Scholar] [CrossRef]
- Cusson, D.; Paultre, P. High Strength Concrete Column Confined by High Strength Ties. J. Struct. Eng. 1994, 120, 783–804. [Google Scholar] [CrossRef]
- ACI Committee 318. Building Code Requirements for Structural Concrete (ACI 318–14) and Commentary; American Concrete Institute: Farmington Hills, MI, USA, 2014. [Google Scholar]
- Liao, W.C.; Kuo, Y.J. An Alternative to Improve Compressive Ductility of High Strength Concrete by Adding High Strength Hooked Steel Fibers. In Proceedings of the 6th Civil Engineering Conference in Asia Region, Jakarta, Indonesia, 20–22 August 2013.
- Ezeldin, A.S.; Balaguru, P.N. Normal and High Strength Fiber Reinforced Concrete under Compression. J. Mater. Civil Eng. 1992, 4, 415–429. [Google Scholar] [CrossRef]
- Hsu, L.S.; Thomas Hsu, C.T. Stress-Strain Behavior of Steel-Fiber High-Strength Concrete under Compression. Struct. J. 1994, 91, 448–457. [Google Scholar]
- Bencardino, F.; Rizzuti, L.; Spadea, G.; Swamy, R.N. Experimental Evaluation of Fiber Reinforced Concrete Fracture Properties. Compos. Part B Eng. 2010, 41, 17–24. [Google Scholar] [CrossRef]
- Bencardino, F.; Rizzuti, L.; Spadea, G.; Swamy, R.N. Implications of Test Methodology on Post-cracking and Fracture Behaviour of Steel Fibre Reinforced Concrete. Compos. Part B Eng. 2013, 46, 31–38. [Google Scholar] [CrossRef]
- Germano, F.; Tiberti, G.; Plizzari, G. Experimental Behavior of SFRC Columns under Uniaxial and Cyclic Loads. Compos. Part B Eng. 2016, 85, 76–92. [Google Scholar] [CrossRef]
- Yoo, D.Y.; Yoon, Y.S.; Banthia, N. Predicting the Post-cracking Behavior of Normal and High-Strength Steel-Fiber-Reinforced Concrete Beams. Constr. Build. Mater. 2015, 93, 477–485. [Google Scholar] [CrossRef]
- Mansur, M.A.; Chin, M.S.; Wee, T.H. Stress-Strain Relationship of High Strength Fiber Concrete in Compression. J. Mater. Civil Eng. 1999, 11, 21–29. [Google Scholar] [CrossRef]
- Ou, Y.C.; Tsai, M.S.; Liu, K.Y.; Chang, K.C. Compressive Behavior of Steel Fiber Reinforced Concrete with a High Reinforcing Index. J. Mater. Civil Eng. 2012, 24, 207–215. [Google Scholar] [CrossRef]
- Foster, S.J.; Attard, M.M. Strength and Ductility of Fiber-Reinforced High-Strength Concrete Columns. J. Struct. Eng. 2001, 127, 28–34. [Google Scholar] [CrossRef]
- Shin, H.O.; Yoon, Y.S.; Lee, S.H.; Cook, W.D.; Mitchell, D. Effect of steel fibers on the performance of ultra high-strength concrete columns. J. Mater. Civil Eng. 2014, 27. [Google Scholar]
- Lima Júnior, H.C.; Giongo, J.S. Steel-fibre high-strength concrete prisms confined by rectangular ties under concentric compression. Mater. Struct. 2004, 37, 689–697. [Google Scholar] [CrossRef]
- Xu, B.W.; Ju, J.W.; Shi, H.S. Progressive Micromechanical Modeling for Pullout Energy of Hooked-end Steel Fiber in Cement-based Composites. Int. J. Damage Mech. 2011, 922–938. [Google Scholar] [CrossRef]
- OpenSees. The Open System for Earthquake Engineering Simulation. Copyright at the Regent of the University of California. Available online: http://opensees.berkeley.edu/ (accessed on September 2014).
- Fanella, D.A.; Naaman, A.E. Stress-Strain Properties of Fiber Reinforced Mortar in Compression. J. Tech. Pap. 1985, 82, 475–483. [Google Scholar]
- Cusson, D.; Paultre, P. Stress-Strain Model for Confined High-Strength Concrete. J. Struct. Eng. 1995, 121, 468–477. [Google Scholar] [CrossRef]
- Mander, J.B.; Priestley, M.J.N.; Park, R. Theoretical stress-strain model for confined concrete. ASCE J. Struct. Eng. 1988, 114, 1804–1826. [Google Scholar] [CrossRef]
- Saatcioglu, M.; Razvi, S.R. High-Strength Concrete Columns with Square Sections under Concentric Compression. J. Struct. Eng. 1998, 124, 1438–1447. [Google Scholar] [CrossRef]
- Lee, H.J.; Wang, R.J.; Chen, C.C.; Tao, C.C.; Chen, C.W. Axial Load Behavior of Large-Scale High-strength Concrete Tied Columns. In Proceedings of the 2008 KCI-JCI-TCI Symposium, Seoul, Korea, 6–8 November 2008; pp. 80–89.
- Liao, W.C.; Chao, S.H.; Park, S.Y.; Naaman, A.E. Self-Consolidating High Performance Fiber Reinforced Concrete (SCHPFRC)—Preliminary Investigation. Research Report UMCEE 06-02; Department of Civil and Environmental Engineering, College of Engineering, The University of Michigan: Ann Arbor, MI, USA, 2006. [Google Scholar]
- ACI Innovation Task Group 4. Report on Structural Design and Detailing for High-Strength Concrete in Moderate to High Seismic Applications (ITG-4.3R-07); American Concrete Institute: Farmington Hill, MI, USA, 2007. [Google Scholar]
- Kim, D.J.; El-Tawil, S.; Naaman, A.E. Correlation between Single Fiber Pullout and Tensile Response of FRC Composites with High Strength Steel Fibers. In Proceedings of the RILEM International Workshop on High-Performance Fiber-Reinforced Cement Composites-HPFRCC5, Mainz, Germany, 10–13 July 2007; Reinhardt, H.W., Naaman, A.E., Eds.; Cachan, France; pp. 67–76.





















| Specimens | Vf (%) | Cement | GGBS Slag | Silica fume | Water | Course aggregate | Sand | Steel fiber | SP | |
|---|---|---|---|---|---|---|---|---|---|---|
| Type | ID | |||||||||
| Small-scale column (200 mm × 200 mm × 900 mm) | N40-0.0 | 0.00 | 365 | 285 | 50 | 164 | 866 | 647 | 0 | 4.5 |
| H60-0.0 | ||||||||||
| N40-0.75 | 0.75 | 362 | 283 | 50 | 163 | 860 | 642 | 59 | 4.5 | |
| H60-0.75 | ||||||||||
| N60-1.0 | 1.00 | 361 | 282 | 50 | 162 | 857 | 640 | 79 | 4.5 | |
| H90-1.0 | ||||||||||
| N00-1.5 N90-1.5 | 1.50 | 360 | 281 | 49 | 161 | 853 | 637 | 118 | 4.5 | |
| H120-1.5 | ||||||||||
| Large-scale column (400 mm × 400 mm × 1200 mm[clear height]) | S80-0.0 | 0.00 | 400 | 170 | 50 | 165 | 844 | 719 | 0 | 14.9 |
| S120-0.0 | ||||||||||
| S170-0.0 | ||||||||||
| S340-0.0 | ||||||||||
| S80-0.75 | 0.75 | 382 | 262 | 51 | 220 | 410 | 1026 | 59 | 8.8 | |
| S120-1.0 | 1.00 | 378 | 260 | 51 | 218 | 407 | 1017 | 79 | 8.9 | |
| S170-1.5 | 1.50 | 372 | 255 | 50 | 215 | 400 | 1000 | 118 | 9.3 | |
| S340-1.5 | ||||||||||
| ID | bc = hc (mm) | Longitudinal Reinforcement | Transverse Bars | Steel Fiber | ||||||||||||
|---|---|---|---|---|---|---|---|---|---|---|---|---|---|---|---|---|
| Bar Size (No.) | fy (MPa) | fy,test (MPa) | n | ρcc (%) | w′ (mm) | Bar Size (No.) | fyt (MPa) | fyt,test (MPa) | s (mm) | ρh (%) | Cx = Cy (mm) | ke | Vf(%) | Lf/Df | ||
| N40-0.0 | 200 | 4 | 280 | 335 | 4 | 2.34 | 109.20 | 4 | 420 | 478 | 40 | 7.92 | 147.30 | 0.53 | 0.00 | − |
| N40-0.75 | 200 | 4 | 280 | 335 | 4 | 2.34 | 109.20 | 4 | 420 | 478 | 40 | 7.92 | 147.30 | 0.53 | 0.75 | 79 |
| N60-1.0 | 200 | 4 | 280 | 335 | 4 | 2.34 | 109.20 | 4 | 420 | 478 | 60 | 5.28 | 147.30 | 0.46 | 1.00 | 79 |
| N90-1.5 | 200 | 4 | 280 | 335 | 4 | 2.34 | 109.20 | 4 | 420 | 478 | 90 | 3.52 | 147.30 | 0.35 | 1.50 | 79 |
| H60-0.0 | 200 | 4 | 785 | 774 | 4 | 2.34 | 109.20 | 4 | 785 | 774 | 60 | 5.28 | 147.30 | 0.46 | 0.00 | − |
| H60-0.75 | 200 | 4 | 785 | 774 | 4 | 2.34 | 109.20 | 4 | 785 | 774 | 60 | 5.28 | 147.30 | 0.46 | 0.75 | 79 |
| H90-1.0 | 200 | 4 | 785 | 774 | 4 | 2.34 | 109.20 | 4 | 785 | 774 | 90 | 3.52 | 147.30 | 0.35 | 1.00 | 79 |
| H120-1.5 | 200 | 4 | 785 | 774 | 4 | 2.34 | 109.20 | 4 | 785 | 774 | 120 | 2.64 | 147.30 | 0.26 | 1.50 | 79 |
| N00-1.5 | 200 | 4 | 280 | 335 | 4 | − | 134.60 | − | − | − | − | − | − | − | 1.50 | 79 |
| S80-0.0 | 400 | 8 | 685 | 703 | 8 | 4.29 | 109.20 | 4 | 785 | 886 | 80 | 2.97 | 307.30 | 0.76 | 0.00 | − |
| S80-0.75 | 400 | 8 | 685 | 703 | 8 | 4.29 | 109.20 | 4 | 785 | 886 | 80 | 2.97 | 307.30 | 0.76 | 0.75 | 79 |
| S120-0.0 | 400 | 8 | 685 | 703 | 8 | 4.29 | 109.20 | 4 | 785 | 886 | 120 | 1.98 | 307.30 | 0.65 | 0.00 | − |
| S120-1.0 | 400 | 8 | 685 | 703 | 8 | 4.29 | 109.20 | 4 | 785 | 886 | 120 | 1.98 | 307.30 | 0.65 | 1.00 | 79 |
| S170-0.0 | 400 | 8 | 685 | 703 | 8 | 4.29 | 109.20 | 4 | 785 | 886 | 170 | 1.40 | 307.30 | 0.53 | 0.00 | − |
| S170-1.5 | 400 | 8 | 685 | 703 | 8 | 4.29 | 109.20 | 4 | 785 | 886 | 170 | 1.40 | 307.30 | 0.53 | 1.50 | 79 |
| S340-0.0 | 400 | 8 | 685 | 703 | 8 | 4.29 | 109.20 | 4 | 785 | 886 | 340 | 0.70 | 307.30 | 0.21 | 0.00 | − |
| S340-1.5 | 400 | 8 | 685 | 703 | 8 | 4.29 | 109.20 | 4 | 785 | 886 | 340 | 0.70 | 307.30 | 0.21 | 1.50 | 79 |
| ID | Vf (%) | f′co (MPa) | x1 | Po (kN) | Pc,max,exp (kN) | εc,max,exp (mm/mm) | Pc,max,exp/Po | TRexp |
|---|---|---|---|---|---|---|---|---|
| N40-0.0 | 0.00 | 86.80 | 0.79 | 2837.67 | 2602.50 | 6.25E-03 | 0.92 | 0.80 |
| H60-0.0 | 88.20 | 0.78 | 2871.40 | 2701.00 | 5.36E-03 | 0.94 | 0.76 | |
| S80-0.0 | 72.50 | 0.82 | 11991.24 | 11551.58 | 9.00E-03 | 0.96 | 0.87 | |
| S120-0.0 | 70.50 | 0.82 | 11781.02 | 11018.70 | 3.02E-03 | 0.94 | 0.71 | |
| S170-0.0 | 70.50 | 0.82 | 11781.02 | 10201.90 | 2.50E-03 | 0.87 | 0.62 | |
| S340-0.0 | 70.80 | 0.82 | 11812.71 | 7703.78 | 3.20E-03 | 0.65 | 0.49 | |
| N40-0.75 | 0.75 | 90.70 | 0.78 | 2930.86 | 3151.18 | 8.17E-03 | 1.08 | 0.77 |
| H60-0.75 | 89.00 | 0.78 | 3146.42 | 3569.10 | 5.17E-03 | 1.13 | 0.82 | |
| S80-0.75 | 67.60 | 0.82 | 11471.78 | 13634.90 | 5.76E-03 | 1.19 | 0.86 | |
| N60-1.0 | 1.00 | 90.70 | 0.78 | 2930.86 | 3168.30 | 2.91E-03 | 1.08 | 0.67 |
| H90-1.0 | 87.80 | 0.78 | 3117.68 | 3283.25 | 2.61E-03 | 1.05 | 0.65 | |
| S120-1.0 | 75.00 | 0.81 | 12250.50 | 12969.30 | 4.95E-03 | 1.06 | 0.86 | |
| N00-1.5 | 1.50 | 92.00 | 0.78 | 3217.27 | 2334.00 | 1.56E-03 | 0.73 | 0.38 |
| N90-1.5 | 92.00 | 0.78 | 2961.38 | 3111.40 | 5.62E-03 | 1.05 | 0.71 | |
| H120-1.5 | 89.45 | 0.78 | 3157.14 | 3512.20 | 2.44E-03 | 1.11 | 0.63 | |
| S170-1.5 | 65.40 | 0.83 | 11233.68 | 13529.50 | 3.84E-03 | 1.20 | 0.79 | |
| S340-1.5 | 65.10 | 0.83 | 11200.98 | 11914.70 | 4.91E-03 | 1.06 | 0.73 |
| Authors | b = h (mm) | f’c (MPa) | Transverse Reinforcement Parameters | Steel Fiber Parameters | TRhybrid | ||||||||
|---|---|---|---|---|---|---|---|---|---|---|---|---|---|
| fyt (MPa) | ρh(%) | ke | kn | TIt [Equation (3)] | Vf.lf/df | τeq (MPa) | TIf [Equation (5)] | pre (1) | Exp (2) | e (%) (3) | |||
| Lima and Giongo (2004) [16] | 150 | 68.00 | 656.00 | 0.61 | 0.11 | 2.00 | 0.33 | 40.00 | 5.80 | 3.41 | 0.56 | 0.57 | −1.91 |
| 150 | 68.00 | 656.00 | 1.82 | 0.44 | 2.00 | 3.87 | 80.00 | 5.80 | 6.82 | 0.70 | 0.78 | −10.40 | |
| 150 | 91.00 | 656.00 | 1.82 | 0.44 | 2.00 | 2.89 | 80.00 | 6.67 | 5.87 | 0.67 | 0.71 | −5.70 | |
| 150 | 91.00 | 656.00 | 1.82 | 0.44 | 2.00 | 2.89 | 80.00 | 6.67 | 5.87 | 0.67 | 0.70 | −4.40 | |
| Paultre et al. (2010) [2] | 235 | 91.30 | 428.00 | 3.29 | 0.78 | 1.33 | 9.01 | 50.00 | 9.80 | 5.37 | 0.75 | 0.66 | 13.50 |
| 235 | 101.40 | 745.00 | 3.29 | 0.78 | 1.33 | 14.12 | 12.50 | 9.80 | 1.21 | 0.78 | 0.74 | 5.50 | |
| 235 | 99.50 | 410.00 | 3.15 | 0.67 | 1.33 | 6.51 | 50.00 | 9.80 | 4.92 | 0.72 | 0.70 | 3.47 | |
| Authors | 200 | 90.70 | 478.00 | 7.92 | 0.53 | 2.00 | 11.15 | 59.25 | 9.05 | 5.91 | 0.78 | 0.77 | 1.33 |
| 200 | 90.70 | 478.00 | 5.28 | 0.46 | 2.00 | 6.36 | 79.00 | 9.05 | 7.88 | 0.74 | 0.67 | 10.67 | |
| 200 | 92.00 | 478.00 | 3.52 | 0.35 | 2.00 | 3.23 | 118.50 | 9.05 | 11.66 | 0.73 | 0.71 | 2.70 | |
| 200 | 89.00 | 774.00 | 5.28 | 0.46 | 2.00 | 10.50 | 59.25 | 9.05 | 6.02 | 0.77 | 0.82 | −5.71 | |
| 200 | 87.80 | 774.00 | 3.52 | 0.35 | 2.00 | 5.48 | 79.00 | 9.05 | 8.14 | 0.73 | 0.65 | 12.49 | |
| 200 | 89.45 | 774.00 | 2.64 | 0.26 | 2.00 | 3.00 | 118.50 | 9.05 | 11.99 | 0.73 | 0.63 | 15.71 | |
| 400 | 67.60 | 886.00 | 2.97 | 0.76 | 1.33 | 22.15 | 59.25 | 8.30 | 7.27 | 0.87 | 0.86 | 1.17 | |
| 400 | 75.00 | 886.00 | 1.98 | 0.65 | 1.33 | 11.43 | 79.00 | 8.30 | 8.74 | 0.80 | 0.86 | −6.93 | |
| 400 | 65.40 | 886.00 | 1.40 | 0.53 | 1.33 | 7.52 | 118.50 | 8.30 | 15.04 | 0.80 | 0.79 | 0.94 | |
| 400 | 65.10 | 886.00 | 0.70 | 0.21 | 1.33 | 1.49 | 118.50 | 8.30 | 15.11 | 0.73 | 0.73 | 0.32 | |
| ID | Curve | Pc,max/Po | εmax | TR | TR Error (%) |
|---|---|---|---|---|---|
| S120-1.0 | Experimental | 1.06 | 4.95E-03 | 0.86 | 6.17 |
| Analytical | 1.14 | 4.60E-03 | 0.81 | ||
| S170-1.5 | Experimental | 1.20 | 3.84E-03 | 0.79 | 5.95 |
| Analytical | 1.05 | 5.44E-03 | 0.84 |
© 2016 by the authors; licensee MDPI, Basel, Switzerland. This article is an open access article distributed under the terms and conditions of the Creative Commons by Attribution (CC-BY) license (http://creativecommons.org/licenses/by/4.0/).
Share and Cite
Perceka, W.; Liao, W.-C.; Wang, Y.-d. High Strength Concrete Columns under Axial Compression Load: Hybrid Confinement Efficiency of High Strength Transverse Reinforcement and Steel Fibers. Materials 2016, 9, 264. https://doi.org/10.3390/ma9040264
Perceka W, Liao W-C, Wang Y-d. High Strength Concrete Columns under Axial Compression Load: Hybrid Confinement Efficiency of High Strength Transverse Reinforcement and Steel Fibers. Materials. 2016; 9(4):264. https://doi.org/10.3390/ma9040264
Chicago/Turabian StylePerceka, Wisena, Wen-Cheng Liao, and Yo-de Wang. 2016. "High Strength Concrete Columns under Axial Compression Load: Hybrid Confinement Efficiency of High Strength Transverse Reinforcement and Steel Fibers" Materials 9, no. 4: 264. https://doi.org/10.3390/ma9040264
APA StylePerceka, W., Liao, W.-C., & Wang, Y.-d. (2016). High Strength Concrete Columns under Axial Compression Load: Hybrid Confinement Efficiency of High Strength Transverse Reinforcement and Steel Fibers. Materials, 9(4), 264. https://doi.org/10.3390/ma9040264
