A Crystal Plasticity Phase-Field Study on the Effects of Grain Boundary Degradation on the Fatigue Behavior of a Nickel-Based Superalloy
Abstract
1. Introduction
2. Material and Experiments
2.1. Materials and Aging Treatments
2.2. Fatigue Crack Growth Experiments
3. Modeling and Numerical Computation
3.1. Crystal Plasticity Phase-Field Model
3.1.1. Crystal Plasticity Intrinsic Framework
3.1.2. Phase Field Method
3.2. Polycrystalline Models
3.3. Energy Determination for Failure
3.4. Numerical Realization
4. Fatigue Crack Growth Simulation
4.1. Numerical Modelling and Results
4.2. Non-Oxidized Grain Boundary Analysis
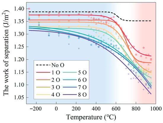
4.3. Grain Boundary Oxidation Models Analysis
4.3.1. Room Temperature Cases
4.3.2. Elevated Temperature Cases
4.4. Model Limitations and Future Improvements
5. Conclusions
- Both elevated temperature and increased grain boundary oxidation contribute to a reduction in fatigue life. The simulation results successfully reproduced the experimentally observed variations in fatigue life and crack propagation morphology under different thermal and aging conditions, demonstrating the model’s sensitivity to changes in temperature and grain boundary oxidation levels.
- In the absence of grain boundary oxidation, fatigue crack growth at both room and elevated temperatures is governed by continuous dislocation slip. Cracks predominantly follow the direction of the most highly activated slip system. Variations in grain orientation, particularly the presence of grains with low Schmid factors, act as barriers to crack propagation.
- At room temperature, oxidation-induced reduction in grain boundary work of separation leads to shorter crack arrest durations at grain boundaries and a moderate decrease in fatigue life. However, the dominant crack propagation mode remains transgranular.
- At elevated temperatures, oxidation significantly degrades grain boundary toughness, thereby reducing the resistance to crack propagation and promoting intergranular fracture. This results in a more pronounced decrease in fatigue life. Furthermore, the accumulation of damage near the crack tip is intensified, with observable signs of secondary intergranular crack initiation.
Author Contributions
Funding
Institutional Review Board Statement
Informed Consent Statement
Data Availability Statement
Conflicts of Interest
Appendix A

References
- Pinz, M.; Weber, G.; Stinville, J.C.; Pollock, T.; Ghosh, S. Data-driven Bayesian model-based prediction of fatigue crack nucleation in Ni-based superalloys. NPJ Comput. Mater. 2022, 8, 39. [Google Scholar] [CrossRef]
- Moverare, J.; Lancaster, R.J.; Jones, J.; Stekovic, S.; Whittaker, M.T. A Review of Recent Advances in the Understanding of Thermomechanical Fatigue Durability and Failure Mechanisms in Nickel-Based Superalloys. Metall. Mater. Trans. A 2025, 56, 1115–1134. [Google Scholar] [CrossRef]
- Fan, M.; Qu, M.; Chen, C.; Xuan, H.; Qin, H.; Shi, S.; Bi, Z.; Hong, W. Effect of initial overload on the low cycle fatigue life of GH4169 alloy at different temperatures. Int. J. Fatigue 2024, 186, 108424. [Google Scholar] [CrossRef]
- Pineau, A.; McDowell, D.L.; Busso, E.P.; Antolovich, S.D. Failure of metals II: Fatigue. Acta Mater. 2016, 107, 484–507. [Google Scholar] [CrossRef]
- Yi, S.; Zhang, S.; Wang, D.; Mao, J.; Zhang, Z.; Hu, D. Study of Fatigue Crack Initiation and the Propagation Mechanism Induced by Pores in a Powder Metallurgy Nickel-Based FGH96 Superalloy. Materials 2024, 17, 1356. [Google Scholar] [CrossRef] [PubMed]
- Farukh, F.; Zhao, L.; Jiang, R.; Reed, P.; Proprentner, D.; Shollock, B. Fatigue crack growth in a nickel-based superalloy at elevated temperature—Experimental studies, viscoplasticity modelling and XFEM predictions. Mech. Adv. Mater. Mod. Process. 2015, 1, 2. [Google Scholar] [CrossRef]
- Liang, J.; Wang, Z.; Xie, H.; Shi, H.; Li, X. In situ scanning electron microscopy analysis of effect of temperature on small fatigue crack growth behavior of nickel-based single-crystal superalloy. Int. J. Fatigue 2019, 128, 105195. [Google Scholar] [CrossRef]
- Kontis, P.; Kostka, A.; Raabe, D.; Gault, B. Influence of composition and precipitation evolution on damage at grain boundaries in a crept polycrystalline Ni-based superalloy. Acta Mater. 2019, 166, 158–167. [Google Scholar] [CrossRef]
- Cao, L.; Chen, Y.; Sun, Y.; Cheng, F.; Deng, H.; Zhang, Y.; Cheng, X.; Li, Z.; Li, J. Regional high temperature fatigue crack growth behavior of a microstructure-gradient nickel-based superalloy. Mater. Sci. Eng. A 2024, 890, 145871. [Google Scholar] [CrossRef]
- Mukherjee, S.; Kumar Kar, S.; Sivaprasad, S.; Tarafder, S.; Viswanathan, G.B.; Fraser, H.L. Creep-Fatigue Response, failure mode and deformation mechanism of HAYNES 282 Ni based superalloy: Effect of dwell position and time. Int. J. Fatigue 2022, 159, 106820. [Google Scholar] [CrossRef]
- Wang, J.; Yang, L.; Lian, Y.; Wen, Z.; Lu, H.; Ma, Z.; Yue, Z. The low-cycle fatigue behavior and an entropy-based life prediction model for Nickel-based single crystal superalloy across an extensive temperature range. Eng. Fract. Mech. 2024, 301, 110022. [Google Scholar] [CrossRef]
- Li, X.; Zhang, Y.; Li, W.; Zhou, S.; Sun, R.; Li, C.; Wang, P.; Sakai, T. Very high cycle fatigue of a nickel-based superalloy at room and elevated temperatures: Interior failure behavior and life prediction. Int. J. Fatigue 2021, 151, 106349. [Google Scholar] [CrossRef]
- He, Z.; Zhang, Y.; Qiu, W.; Shi, H.-J.; Gu, J. Temperature effect on the low cycle fatigue behavior of a directionally solidified nickel-base superalloy. Mater. Sci. Eng. A 2016, 676, 246–252. [Google Scholar] [CrossRef]
- Xu, C.; Yao, Z.H.; Dong, J.X. The sharp drop in fatigue crack growth life at a critical elevated temperature for a PM Ni-based superalloy FGH97. Mater. Sci. Eng. A 2019, 761, 138038. [Google Scholar] [CrossRef]
- Xu, C.; Yao, Z.-H.; Dong, J.-X.; Jiang, Y.-K. Mechanism of high-temperature oxidation effects in fatigue crack propagation and fracture mode for FGH97 superalloy. Rare Met. 2018, 38, 642–652. [Google Scholar] [CrossRef]
- Jiang, H.; Nai, Q.L.; Xu, C.; Zhao, X.; Yao, Z.H.; Dong, J.X. Sensitive Temperature and Reason of Rapid Fatigue Crack Propagation in Nickel-Based Superalloy. Acta Metall. Sin. 2023, 59, 1190–1200. [Google Scholar] [CrossRef]
- Xu, C.; Nai, Q.L.; Yao, Z.H.; Jiang, H.; Dong, J.X. Grain Boundary Oxidation Effect of GH4738 Superalloy on Fatigue Crack Growth. Acta Metall. Sin. 2017, 53, 1453–1460. [Google Scholar] [CrossRef]
- Guo, G.; Jiang, W.; Liu, X.; Chen, J.; Li, L.; Wang, J.; Zhang, Y.; Zhang, Z. In-situ SEM-EBSD investigation of the low-cycle fatigue deformation behavior of Inconel 718 at grain-scale. J. Mater. Res. Technol. 2023, 24, 5007–5023. [Google Scholar] [CrossRef]
- Yang, Y.-F.; Hu, H.-Y.; Min, L.; Sun, Q.-T.; Song, M.; Zhu, M.-L.; Wen, J.-F.; Tu, S.-T. Failure mechanism and life correlation of Inconel 718 in high and very high cycle fatigue regimes. Int. J. Fatigue 2023, 175, 107764. [Google Scholar] [CrossRef]
- Knight, S.; Diak, B.J.; Daymond, M.R. Crystal plasticity modeling of damage accumulation in dissimilar Mg alloy bi-crystals under high-cycle fatigue. Int. J. Fatigue 2016, 90, 99–108. [Google Scholar] [CrossRef]
- Li, D.-F.; Barrett, R.A.; O’Donoghue, P.E.; Hyde, C.J.; O’Dowd, N.P.; Leen, S.B. Micromechanical finite element modelling of thermo-mechanical fatigue for P91 steels. Int. J. Fatigue 2016, 87, 192–202. [Google Scholar] [CrossRef]
- Zhang, W.T.; Jiang, R.; Zhao, Y.; Zhang, L.C.; Zhang, L.; Zhao, L.G.; Song, Y.D. Effects of temperature and microstructure on low cycle fatigue behaviour of a PM Ni-based superalloy: EBSD assessment and crystal plasticity simulation. Int. J. Fatigue 2022, 159, 106818. [Google Scholar] [CrossRef]
- Zhou, D.; Wang, X.; Zhang, C.; Zhang, T.; Li, H.; Chen, Y.; Zhang, X.; Gong, J.; Tu, S. An insight into the creep-fatigue damage localization in welded joints based on crystal plasticity finite element method. Int. J. Fatigue 2023, 175, 107802. [Google Scholar] [CrossRef]
- Shen, J.; Fan, H.; Wang, J.; Zhang, G.; Pan, R.; Huang, Z. Stored energy density research on the fatigue crack initiation at twin boundary and life prediction of Inconel718 superalloy. Int. J. Fatigue 2023, 171, 107590. [Google Scholar] [CrossRef]
- Zheng, Z.; Zhao, P.; Zhan, M.; Li, H.; Lei, Y.; Fu, M.W. Understanding of the fatigue crack nucleation in metallic sealing rings by explicitly incorporating the deformation history from manufacturing to service. Int. J. Fatigue 2022, 164, 107174. [Google Scholar] [CrossRef]
- Muth, A.; John, R.; Pilchak, A.; Kalidindi, S.R.; McDowell, D.L. Analysis of Fatigue Indicator Parameters for Ti-6Al-4V microstructures using extreme value statistics in the transition fatigue regime. Int. J. Fatigue 2021, 153, 106441. [Google Scholar] [CrossRef]
- Han, X.; Li, S.; Sun, C.; Lu, S. Modelling micropit formation in rolling contact fatigue of bearings with a crystal plasticity damage theory coupled with cohesive finite elements. Eng. Fract. Mech. 2024, 297, 109873. [Google Scholar] [CrossRef]
- Long, D.J.; Wan, W.; Dunne, F.P.E. The influence of microstructure on short fatigue crack growth rates in Zircaloy-4: Crystal plasticity modelling and experiment. Int. J. Fatigue 2023, 167, 107385. [Google Scholar] [CrossRef]
- Long, D.J.; Liu, Y.; Wan, W.; Dunne, F.P.E. A microstructure-sensitive analytical solution for short fatigue crack growth rate in metallic materials. Int. J. Mech. Sci. 2023, 253, 108365. [Google Scholar] [CrossRef]
- Cheng, Z.; Zhang, C.; Meng, Z.; Wang, K.; Chen, L.; Ji, Z.; Zhao, G. Coupled crystal plasticity and micromechanics damage model based on viscoplastic self-consistent theory and X-Ray computed tomography. Int. J. Plast. 2023, 160, 103511. [Google Scholar] [CrossRef]
- Liu, P.; Chen, Z.; Xu, C.; Dong, J.; Jiang, H. A crystal plasticity phase-field model for microstructure sensitive fatigue crack growth in a superalloy. Eng. Fract. Mech. 2024, 311, 110526. [Google Scholar] [CrossRef]
- Suzuki, S.; Sakaguchi, M.; Domen, M.; Karato, T.; Suzuki, K. Temperature and ΔK dependence of grain boundary effect on fatigue crack propagation in a two-dimensional polycrystalline Ni-base superalloy. Acta Mater. 2022, 240, 118288. [Google Scholar] [CrossRef]
- Evangelou, A.; Soady, K.A.; Lockyer, S.; Gao, N.; Reed, P.A.S. On the mechanism of oxidation-fatigue damage at intermediate temperatures in a single crystal Ni-based superalloy. Mater. Sci. Eng. A 2019, 742, 648–661. [Google Scholar] [CrossRef]
- Jiang, R.; Gao, N.; Reed, P.A.S. Influence of orientation-dependent grain boundary oxidation on fatigue cracking behaviour in an advanced Ni-based superalloy. J. Mater. Sci. 2015, 50, 4379–4386. [Google Scholar] [CrossRef]
- Tucker, A.M.; Henderson, M.B.; Wilkinson, A.J.; Hide, N.J.; Reed, P.A.S. High temperature fatigue crack growth in powder processed nickel based superalloy U720Li. Mater. Sci. Technol. 2013, 18, 349–353. [Google Scholar] [CrossRef]
- Gonzalez, D.; Simonovski, I.; Withers, P.J.; Quinta da Fonseca, J. Modelling the effect of elastic and plastic anisotropies on stresses at grain boundaries. Int. J. Plast. 2014, 61, 49–63. [Google Scholar] [CrossRef]
- Cai, W.; Sun, C.; Wang, C.; Qian, L.; Li, Y.; Fu, M.W. Modelling of the Intergranular Fracture of TWIP Steels Working at High Temperature by Using CZM–CPFE Method. Int. J. Plast. 2022, 156, 103366. [Google Scholar] [CrossRef]
- Salvini, M.; Grilli, N.; Demir, E.; He, S.; Martin, T.; Flewitt, P.; Mostafavi, M.; Truman, C.; Knowles, D. Effect of grain boundary misorientation and carbide precipitation on damage initiation: A coupled crystal plasticity and phase field damage study. Int. J. Plast. 2024, 172, 103854. [Google Scholar] [CrossRef]
- Zhao, L.; Nikbin, K.M. Characterizing high temperature crack growth behaviour under mixed environmental, creep and fatigue conditions. Mater. Sci. Eng. A 2018, 728, 102–114. [Google Scholar] [CrossRef]
- Li, P.; Li, W.; Li, B.; Yang, S.; Shen, Y.; Wang, Q.; Zhou, K. A review on phase field models for fracture and fatigue. Eng. Fract. Mech. 2023, 289, 109419. [Google Scholar] [CrossRef]
- Kalina, M.; Schneider, T.; Brummund, J.; Kästner, M. Overview of phase-field models for fatigue fracture in a unified framework. Eng. Fract. Mech. 2023, 288, 109318. [Google Scholar] [CrossRef]
- Mesgarnejad, A.; Imanian, A.; Karma, A. Phase-field models for fatigue crack growth. Theor. Appl. Fract. Mech. 2019, 103, 102282. [Google Scholar] [CrossRef]
- Wang, J.; Ma, H.; Hua, W.; Hu, Q.; Chen, R.; Xue, H. Very high cycle fatigue crack initiation mechanisms in nickel-based superalloy at elevated temperatures: Competitive and transition roles of twins vs. Inclusions. Int. J. Fatigue 2025, 197, 108959. [Google Scholar] [CrossRef]
- Zhao, X.; Zhang, L.; Song, Y.; Niu, X.; Sun, Z.; Zhao, H.; Ni, H.; Yuan, S. Creep deformation and damage characteristics of nickel-based superalloy GH4169. Mater. Sci. Eng. A 2023, 885, 145589. [Google Scholar] [CrossRef]
- Chen, M.S.; Cai, H.W.; Lin, Y.C.; Wang, G.Q.; Li, H.B.; Liu, A.; Li, Z.H.; Peng, S. Investigation on Mechanism of Microstructure Evolution during Multi-Process Hot Forming of GH4169 Superalloy Forging. Materials 2024, 17, 1697. [Google Scholar] [CrossRef]
- Kalidindi, S.R.; Bronkhorst, C.A.; Anand, L. Crystallographic texture evolution in bulk deformation processing of FCC metals. J. Mech. Phys. Solids 1992, 40, 537–569. [Google Scholar] [CrossRef]
- Rohoman, M.M.; Zhou, C. Crystal Plasticity Modeling of Dislocation Density Evolution in Cellular Dislocation Structures. Metals 2025, 15, 419. [Google Scholar] [CrossRef]
- Pan, Y.B.; Dunne, F.P.E.; MacLachlan, D.W. A mechanistic and stochastic approach to fatigue crack nucleation in coarse grain RR1000 using local stored energy. Fatigue Fract. Eng. Mater. Struct. 2020, 44, 505–520. [Google Scholar] [CrossRef]
- Wan, C.; Wang, B. Crystal Plasticity Modeling of Strain Hardening Induced by Coherent Precipitates in Inconel 718 Superalloy. Materials 2025, 18, 2436. [Google Scholar] [CrossRef]
- Fang, J.; Wu, C.; Rabczuk, T.; Wu, C.; Ma, C.; Sun, G.; Li, Q. Phase field fracture in elasto-plastic solids: Abaqus implementation and case studies. Theor. Appl. Fract. Mech. 2019, 103, 102252. [Google Scholar] [CrossRef]
- Carrara, P.; Ambati, M.; Alessi, R.; De Lorenzis, L. A framework to model the fatigue behavior of brittle materials based on a variational phase-field approach. Comput. Methods Appl. Mech. Eng. 2020, 361, 112731. [Google Scholar] [CrossRef]
- Chu, D.; Li, X.; Liu, Z.; Cheng, J.; Wang, T.; Li, Z.; Zhuang, Z. A unified phase field damage model for modeling the brittle-ductile dynamic failure mode transition in metals. Eng. Fract. Mech. 2019, 212, 197–209. [Google Scholar] [CrossRef]
- Yang, Z.; Liu, J.; Yi, L.; Yang, R.; Li, X. Elastoplastic damage analysis and structural optimization of soluble bridge plug based on phase field method. Mech. Mater. 2023, 189, 104899. [Google Scholar] [CrossRef]
- Zeng, G.; Huang, Z.; Deng, B.; Ge, R. Crystal Plasticity Finite Element Simulation of Tensile Fracture of 316L Stainless Steel Produced by Selective Laser Melting. Metals 2025, 15, 567. [Google Scholar] [CrossRef]
- Wang, R.-Z.; Zhu, S.-P.; Wang, J.; Zhang, X.-C.; Tu, S.-T.; Zhang, C.-C. High temperature fatigue and creep-fatigue behaviors in a Ni-based superalloy: Damage mechanisms and life assessment. Int. J. Fatigue 2019, 118, 8–21. [Google Scholar] [CrossRef]
- Yuan, G.-J.; Wang, R.-Z.; Gong, C.-Y.; Zhang, X.-C.; Tu, S.-T. Investigations of micro-notch effect on small fatigue crack initiation behaviour in nickel-based alloy GH4169: Experiments and simulations. Int. J. Fatigue 2020, 136, 105578. [Google Scholar] [CrossRef]
- Agaram, S.; Kanjarla, A.K.; Bhuvaraghan, B.; Srinivasan, S.M. Dislocation density based crystal plasticity model incorporating the effect of precipitates in IN718 under monotonic and cyclic deformation. Int. J. Plast. 2021, 141, 102990. [Google Scholar] [CrossRef]
- Yin, L.; Umezawa, O. Crystal plasticity analysis of temperature-sensitive dwell fatigue in Ti-6Al-4V titanium alloy for an aero-engine fan disc. Int. J. Fatigue 2022, 156, 106688. [Google Scholar] [CrossRef]
- Wan, V.V.C.; Jiang, J.; MacLachlan, D.W.; Dunne, F.P.E. Microstructure-sensitive fatigue crack nucleation in a polycrystalline Ni superalloy. Int. J. Fatigue 2016, 90, 181–190. [Google Scholar] [CrossRef]
- Grilli, N.; Tarleton, E.; Cocks, A.C.F. Neper2CAE and PyCiGen: Scripts to generate polycrystals and interface elements in Abaqus. SoftwareX 2021, 13, 100651. [Google Scholar] [CrossRef]
- Zheng, J.-Y.; Ran, J.Q.; Fu, M.W. Constitutive modeling of multiscale polycrystals considering grain structures and orientations. Int. J. Mech. Sci. 2022, 216, 106992. [Google Scholar] [CrossRef]
- Petkov, M.P.; Elmukashfi, E.; Tarleton, E.; Cocks, A.C.F. Evaluation of local stress state due to grain-boundary sliding during creep within a crystal plasticity finite element multi-scale framework. Int. J. Mech. Sci. 2021, 211, 106715. [Google Scholar] [CrossRef]
- Li, K.; Tang, B.; Zhang, M.; Zhao, L.; Liu, X.; Fan, J.; Li, J. A hydrogen diffusion model considering grain boundary characters based on crystal plasticity framework. Int. J. Plast. 2023, 169, 103740. [Google Scholar] [CrossRef]
- Zheng, Z.; Prastiti, N.G.; Balint, D.S.; Dunne, F.P.E. The dislocation configurational energy density in discrete dislocation plasticity. J. Mech. Phys. Solids 2019, 129, 39–60. [Google Scholar] [CrossRef]
- Liu, L.-Y.; Yang, Q.-S.; Liu, X.; Nian, X.-C. Crystal cracking of grain-gradient aluminum by a combined CPFEM-CZM method. Eng. Fract. Mech. 2021, 242, 107507. [Google Scholar] [CrossRef]
- Mishin, Y.; Farkas, D.; Mehl, M.J.; Papaconstantopoulos, D.A. Interatomic potentials for monoatomic metals from experimental data andab initiocalculations. Phys. Rev. B 1999, 59, 3393–3407. [Google Scholar] [CrossRef]
- Vitos, L.; Ruban, A.V.; Skriver, H.L.; Kollár, J. The surface energy of metals. Surf. Sci. 1998, 411, 186–202. [Google Scholar] [CrossRef]
- Kamrani Moghaddam, L.; Ramezani Paschepari, S.; Zaimy, M.A.; Abdalaian, A.; Jebali, A. The inhibition of epidermal growth factor receptor signaling by hexagonal selenium nanoparticles modified by SiRNA. Cancer Gene Ther. 2016, 23, 321–325. [Google Scholar] [CrossRef] [PubMed]
- Zhao, X.; Xu, C.; Jiang, H.; Yao, Z.H.; Dong, J.X. Effect and Characterization of Fatigue Properties and Grain Boundary Damage Caused by Oxygen Accumulation in Ni-based Superalloy GH4738. Acta Metall. Sin. 2024; in press. [Google Scholar] [CrossRef]
- Ma, W.; Luo, H.; Yang, X. The Effects of Grain Size and Twins Density on High Temperature Oxidation Behavior of Nickel-Based Superalloy GH738. Materials 2020, 13, 4166. [Google Scholar] [CrossRef]
- Prasad, K.; Sarkar, R.; Ghosal, P.; Kumar, V. Simultaneous creep–fatigue damage accumulation of forged turbine disc of IN 718 superalloy. Mater. Sci. Eng. A 2013, 572, 1–7. [Google Scholar] [CrossRef]
- Wang, R.-Z.; Cheng, L.-Y.; Zhu, S.-P.; Zhao, P.-C.; Miura, H.; Zhang, X.-C.; Tu, S.-T. Semi-quantitative creep-fatigue damage analysis based on diffraction-based misorientation mapping and the correlation to macroscopic damage evolutions. Int. J. Fatigue 2021, 149, 106227. [Google Scholar] [CrossRef]
- Yang, Q.; Zhao, Y.; Hu, X.; Yang, X.; Miao, G.; Lu, M.; Jia, J. Small crack propagation and closure behaviours and mechanisms in a powder metallurgy superalloy at high temperature in air. Int. J. Fatigue 2023, 175, 107797. [Google Scholar] [CrossRef]
- Li, L.; Zhang, Z.; Zhang, P.; Zhang, Z. A review on the fatigue cracking of twin boundaries: Crystallographic orientation and stacking fault energy. Prog. Mater. Sci. 2023, 131, 101011. [Google Scholar] [CrossRef]
- Briffod, F.; Bleuset, A.; Shiraiwa, T.; Enoki, M. Effect of crystallographic orientation and geometrical compatibility on fatigue crack initiation and propagation in rolled Ti-6Al-4V alloy. Acta Mater. 2019, 177, 56–67. [Google Scholar] [CrossRef]
- Zhang, L.; Zhao, L.G.; Roy, A.; Silberschmidt, V.V.; McColvin, G. In-situ SEM study of slip-controlled short-crack growth in single-crystal nickel superalloy. Mater. Sci. Eng. A 2019, 742, 564–572. [Google Scholar] [CrossRef]
- Lu, D.-D.; Ning, H.; Deng, S.-X.; Guo, Y.-J.; Xiang, H.; Li, J.-F.; Liu, D.-Y. Influence of microstructure on fatigue crack propagation behaviors of Al-xCu-1.5Li-X alloys. Int. J. Fatigue 2023, 167, 107363. [Google Scholar] [CrossRef]
- Zhou, S.-B.; Hu, C.-Y.; Hu, F.; Cheng, L.; Isayev, O.; Yershov, S.; Xiang, H.-J.; Wu, K.-M. Insight into the impact of microstructure on crack initiation/propagation behavior in carbide-free bainitic steel during tensile deformation. Mater. Sci. Eng. A 2022, 846, 143175. [Google Scholar] [CrossRef]
- Zhang, L.C.; Jiang, R.; Wang, Y.C.; Zhang, L.; Liu, J.T.; Zhang, Y.W.; Song, Y.D. Effects of microstructure and temperature on short fatigue crack propagation behaviour of powder metallurgy superalloy FGH4098 in vacuum. Mater. Sci. Eng. A 2022, 852, 143637. [Google Scholar] [CrossRef]
- Tao, Z.; Chang, L.; Li, J.; Lv, C.; Zhou, C. In-situ experimental investigation of the small fatigue crack behavior in CP-Ti: The influence of micronotch size. Int. J. Fatigue 2023, 175, 107755. [Google Scholar] [CrossRef]
- MacLachlan, D.W.; Karamitros, V.; Dunne, F.P.E. Mechanistic modelling of fatigue nucleation and short crack growth in polycrystalline alloys. J. Mech. Phys. Solids 2023, 177, 105314. [Google Scholar] [CrossRef]
- Jiang, R.; Bull, D.J.; Proprentner, D.; Shollock, B.; Reed, P.A.S. Effects of oxygen-related damage on dwell-fatigue crack propagation in a P/M Ni-based superalloy: From 2D to 3D assessment. Int. J. Fatigue 2017, 99, 175–186. [Google Scholar] [CrossRef]
- Wang, R.-Z.; Bo, C.; Zhang, X.-C.; Tu, S.-T.; Ji, W.; Zhang, C.-C. The effects of inhomogeneous microstructure and loading waveform on creep-fatigue behaviour in a forged and precipitation hardened nickel-based superalloy. Int. J. Fatigue 2017, 97, 190–201. [Google Scholar] [CrossRef]
- Liu, P.; Jiang, H.; Dong, J.; Chen, Z. Effect of micron-scale nonmetallic inclusions on fatigue crack nucleation in a nickel-based superalloy. Int. J. Solids Struct. 2023, 279, 112368. [Google Scholar] [CrossRef]

















| Temperature | 25 °C | 650 °C | 750 °C |
|---|---|---|---|
| 267 | 191 | 153 | |
| 114.5 | 88 | 66 | |
| 76 | 66 | 50 | |
| 75 | 67 | 50 | |
| 0.002 | 0.0014 | 0.001 | |
| 390 | 317 | 290 | |
| 82 | 74 | 56 | |
| 0.02 | 0.051 | 0.068 |
Disclaimer/Publisher’s Note: The statements, opinions and data contained in all publications are solely those of the individual author(s) and contributor(s) and not of MDPI and/or the editor(s). MDPI and/or the editor(s) disclaim responsibility for any injury to people or property resulting from any ideas, methods, instructions or products referred to in the content. |
© 2025 by the authors. Licensee MDPI, Basel, Switzerland. This article is an open access article distributed under the terms and conditions of the Creative Commons Attribution (CC BY) license (https://creativecommons.org/licenses/by/4.0/).
Share and Cite
Liu, P.; Chen, Z.; Zhao, X.; Dong, J.; Jiang, H. A Crystal Plasticity Phase-Field Study on the Effects of Grain Boundary Degradation on the Fatigue Behavior of a Nickel-Based Superalloy. Materials 2025, 18, 3309. https://doi.org/10.3390/ma18143309
Liu P, Chen Z, Zhao X, Dong J, Jiang H. A Crystal Plasticity Phase-Field Study on the Effects of Grain Boundary Degradation on the Fatigue Behavior of a Nickel-Based Superalloy. Materials. 2025; 18(14):3309. https://doi.org/10.3390/ma18143309
Chicago/Turabian StyleLiu, Pengfei, Zhanghua Chen, Xiao Zhao, Jianxin Dong, and He Jiang. 2025. "A Crystal Plasticity Phase-Field Study on the Effects of Grain Boundary Degradation on the Fatigue Behavior of a Nickel-Based Superalloy" Materials 18, no. 14: 3309. https://doi.org/10.3390/ma18143309
APA StyleLiu, P., Chen, Z., Zhao, X., Dong, J., & Jiang, H. (2025). A Crystal Plasticity Phase-Field Study on the Effects of Grain Boundary Degradation on the Fatigue Behavior of a Nickel-Based Superalloy. Materials, 18(14), 3309. https://doi.org/10.3390/ma18143309
