Obsidian as a Raw Material for Eco-Friendly Synthesis of Magnetic Zeolites
Abstract
1. Introduction
2. Materials and Methods
3. Results
3.1. Raw Materials
3.2. Starting Process of Obsidian Zeolitization
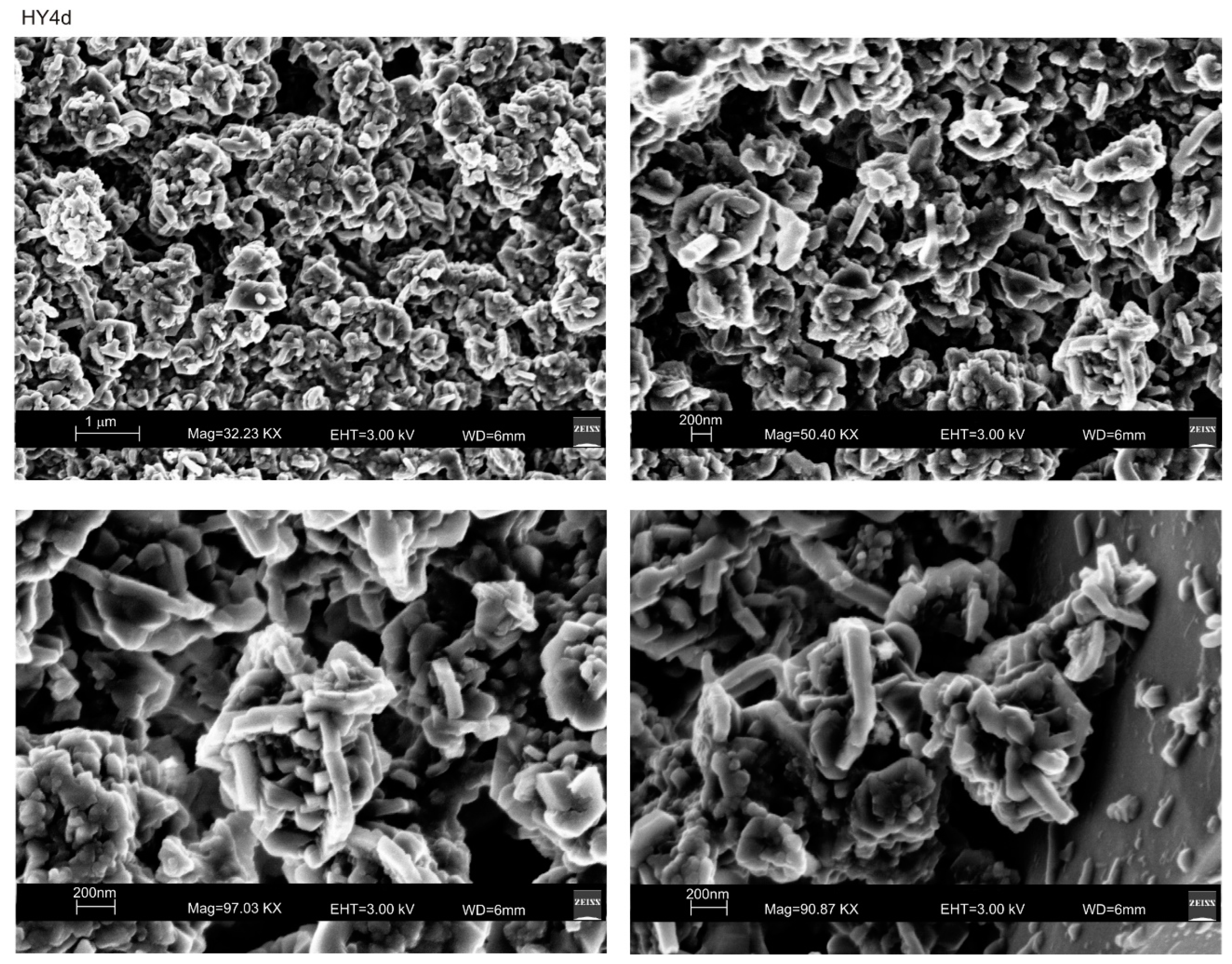
3.3. Synthetic Products over the Time
4. Discussion
5. Concluding Remarks
Author Contributions
Funding
Acknowledgments
Conflicts of Interest
References
- Belviso, C.; Cavalcante, F.; Ragone, P.; Fiore, S. Immobilization of Ni by synthesising zeolite at low temperatures in a polluted soil. Chemosphere 2010, 78, 1172–1176. [Google Scholar] [CrossRef] [PubMed]
- Imran, A.; Bramer, E.A.; Seshan, K.; Brem, G. Catalytic Flash Pyrolysis of Biomass Using Different Types of Zeolite and Online Vapor Fractionation. Energies 2016, 9, 187. [Google Scholar] [CrossRef]
- Belviso, C.; Cavalcante, F.; Di Gennaro, S.; Lettino, A.; Palma, A.; Ragone, P.; Fiore, S. Removal of Mn from aqueous solution using fly ash and its hydrothermal synthetic zeolite. J. Environ. Manag. 2014, 137, 16–22. [Google Scholar] [CrossRef] [PubMed]
- Kim, H.S.; Jeong, N.C.; Yoon, K.B. Photovoltaic Effects of CdS and PbS Quantum Dots Encapsulated in Zeolite Y. Langmuir 2011, 27, 14678–14688. [Google Scholar] [CrossRef]
- Ferreira, L.; Fonseca, A.M.; Botelho, G.; Almeida-Aguiar, C.; Neves, I. Antimicrobial activity of faujasite zeolites doped with silver. Microporous Mesoporous Mater. 2012, 160, 126–132. [Google Scholar] [CrossRef]
- Belviso, C.; Cavalcante, F.; Ragone, P.; Fiore, S. Immobilization of Zn and Pb in Polluted Soil by In Situ Crystallization Zeolites from Fly Ash. Water Air Soil Pollut. 2012, 223, 5357–5364. [Google Scholar] [CrossRef]
- Amorim, R.; Vilaça, N.; Martinho, O.; Reis, R.M.; Sardo, M.; Rocha, J.; Fonseca, A.M.; Baltazar, F.; Neves, I. Zeolite Structures Loading with an Anticancer Compound as Drug Delivery Systems. J. Phys. Chem. C 2012, 116, 25642–25650. [Google Scholar] [CrossRef]
- Tsotsalas, M.M.; Kopka, K.; Luppi, G.; Wagner, S.; Law, M.P.; Schäfers, M.; De Cola, L. Encapsulating 111In in Nanocontainers for Scintigraphic Imaging: Synthesis, Characterization, and In Vivo Biodistribution. ACS Nano 2010, 4, 2486. [Google Scholar] [CrossRef]
- Gjyli, S.; Korpa, A.; Tabanelli, T.; Trettin, R.; Cavani, F.; Belviso, C. Higher conversion rate of phenol alkylation by using synthetic fly ash-based zeolites. Microporous Mesoporous Mater. 2019, 284, 434–442. [Google Scholar] [CrossRef]
- Barquist, K.; Larsen, S.C. Chromate adsorption on bifunctional, magnetic zeolite composites. Microporous Mesoporous Mater. 2010, 130, 197–202. [Google Scholar] [CrossRef]
- Deng, Y.; Deng, C.; Qi, D.; Liu, C.; Liu, J.; Zhang, X.; Zhao, D. Synthesis of Core/Shell Colloidal Magnetic Zeolite Microspheres for the Immobilization of Trypsin. Adv. Mater. 2009, 21, 1377–1382. [Google Scholar] [CrossRef]
- Yamaura, M.; Fungaro, D.A. Synthesis and characterization of magnetic adsorbent prepared by magnetite nanoparticles and zeolite from coal fly ash. J. Mater. Sci. 2013, 48, 5093–5101. [Google Scholar] [CrossRef]
- Cao, J.; Liu, X.; Fu, R.; Tan, Z.-Y. Magnetic P zeolites: Synthesis, characterization and the behavior in potassium extraction from seawater. Sep. Purif. Technol. 2008, 63, 92–100. [Google Scholar] [CrossRef]
- Belviso, C.; Kharchenko, A.; Agostinelli, E.; Cavalcante, F.; Peddis, D.; Varvaro, G.; Yaacoub, N.; Mintova, S. Red mud as aluminium source for the synthesis of magnetic zeolite. Microporous Mesoporous Mater. 2018, 270, 24–29. [Google Scholar] [CrossRef]
- Belviso, C.; Agostinelli, E.; Belviso, S.; Cavalcante, F.; Pascucci, S.; Peddis, D.; Varvaro, G.; Fiore, S. Synthesis of magnetic zeolite at low temperature using a waste material mixture: Fly ash and red mud. Microporous Mesoporous Mater. 2015, 202, 208–216. [Google Scholar] [CrossRef]
- Fabiano, B.; Reverberi, A.P.; Varbanov, P.S. Safety opportunities for the synthesis of metal nanoparticles and short-cut approach to workplace risk evaluation. J. Clean. Prod. 2019, 209, 297–308. [Google Scholar] [CrossRef]
- Belviso, C. State-of-the-art applications of fly ash from coal and biomass: A focus on zeolite synthesis processes and issues. Prog. Energy Combust. Sci. 2018, 65, 109–135. [Google Scholar] [CrossRef]
- Zhao, Y.; Liu, Z.; Li, W.; Zhao, Y.; Pan, H.; Liu, Y.; Li, M.; Kong, L.; He, M. Synthesis, characterization, and catalytic performance of high-silica Y zeolites with different crystallite size. Microporous Mesoporous Mater. 2013, 167, 102–108. [Google Scholar] [CrossRef]
- Brent, R.; Stevens, S.M.; Terasaki, O.; Anderson, M.W. Coaxial Core Shell Overgrowth of Zeolite L—dependence on Original Crystal Growth Mechanism. Cryst. Growth Des. 2010, 10, 5182–5186. [Google Scholar] [CrossRef]
- Cheng, Y.; Wang, L.; Li, J.-S.; Yang, Y.-C.; Sun, X.-Y. Preparation and characterization of nanosized ZSM-5 zeolites in the absence of organic template. Mater. Lett. 2005, 59, 3427–3430. [Google Scholar] [CrossRef]
- Song, W.; Grassian, V.H.; Larsen, S.C. High yield method for nanocrystalline zeolite synthesis. Chem. Commun. 2005, 23, 2951–2953. [Google Scholar] [CrossRef] [PubMed]
- Ng, E.-P.; Delmotte, L.; Mintova, S. Environmentally benign synthesis of nanosized aluminophosphate enhanced by microwave heating. Green Chem. 2008, 10, 1043–1048. [Google Scholar] [CrossRef]
- Cundy, C.S.; Cox, P.A. The hydrothermal synthesis of zeolites: Precursors, intermediates and reaction mechanism. Microporous Mesoporous Mater. 2005, 82, 1–78. [Google Scholar] [CrossRef]
- Gordon, J.; Kazemian, H.; Rohani, S. Rapid and efficient crystallization of MIL-53(Fe) by ultrasound and microwave irradiation. Microporous Mesoporous Mater. 2012, 162, 36–43. [Google Scholar] [CrossRef]
- Askari, S.; Alipour, S.M.; Halladj, R.; Farahani, M.H.D.A. Effects of ultrasound on the synthesis of zeolites: A review. J. Porous Mater. 2012, 20, 285–302. [Google Scholar] [CrossRef]
- Tompsett, G.A.; Conner, W.C.; Yngvesson, K.S. Microwave Synthesis of Nanoporous Materials. ChemPhysChem 2006, 7, 296–319. [Google Scholar] [CrossRef]
- Li, Y.; Yang, W. Microwave synthesis of zeolite membranes: A review. J. Membr. Sci. 2008, 316, 3–17. [Google Scholar] [CrossRef]
- Parnham, E.R.; Morris, R.E. Ionothermal Synthesis of Zeolites, Metal–Organic Frameworks, and Inorganic–Organic Hybrids. Accounts Chem. Res. 2007, 40, 1005–1013. [Google Scholar] [CrossRef]
- Belviso, C.; Cavalcante, F.; Fiore, S. Synthesis of zeolite from Italian coal fly ash: Differences in crystallization temperature using seawater instead of distilled water. Waste Manag. 2010, 30, 839–847. [Google Scholar] [CrossRef]
- Belviso, C.; Cavalcante, F.; Huertas, F.J.; Lettino, A.; Ragone, P.; Fiore, S. The crystallisation of zeolite (X- and A-type) from fly ash at 25 °C in artificial seawater. Micropor. Mesopor. Mater. 2012, 162, 115–121. [Google Scholar] [CrossRef]
- Valtchev, V.P.; Tosheva, L.; Bozhilov, K.N. Synthesis of Zeolite Nanocrystals at Room Temperature. Langmuir 2005, 21, 10724–10729. [Google Scholar] [CrossRef] [PubMed]
- Ng, E.-P.; Chateigner, D.; Bein, T.; Valtchev, V.; Mintova, S. Capturing Ultrasmall EMT Zeolite from Template-Free Systems. Sci. 2011, 335, 70–73. [Google Scholar] [CrossRef]
- Zhu, G.; Qiu, S.; Yu, J.; Sakamoto, Y.; Xiao, F.; Xu, A.R.; Terasaki, O. Synthesis and Characterization of High-Quality Zeolite LTA and FAU Single Nanocrystals. Chem. Mater. 1998, 10, 1483–1486. [Google Scholar] [CrossRef]
- Rakoczy, R.A.; Traa, Y. Nanocrystalline zeolite A: Synthesis, ion exchange and dealumination. Microporous Mesoporous Mater. 2003, 60, 69–78. [Google Scholar] [CrossRef]
- Belviso, C. Ultrasonic vs hydrothermal method: Different approaches to convert fly ash into zeolite. How they affect the stability of synthetic products over time? Ultrason. Sonochemistry 2018, 43, 9–14. [Google Scholar] [CrossRef] [PubMed]
- Belviso, C.; Lettino, A.; Cavalcante, F. Influence of Synthesis Method on LTA Time-Dependent Stability. Molecules 2018, 23, 2122. [Google Scholar] [CrossRef]
- Ng, E.-P.; Awala, H.; Tan, K.-H.; Adam, F.; Retoux, R.; Mintova, S. EMT-type zeolite nanocrystals synthesized from rice husk. Microporous Mesoporous Mater. 2015, 204, 204–209. [Google Scholar] [CrossRef]
- Franus, W.; Wdowin, M.; Franus, M. Synthesis and characterization of zeolites prepared from industrial fly ash. Environ. Monit. Assess. 2014, 186, 5721–5729. [Google Scholar] [CrossRef]
- Petushkov, A.; Merilis, G.; Larsen, S.C. From nanoparticles to hierarchical structures: Controlling the morphology of zeolite beta. Microporous Mesoporous Mater. 2011, 143, 97–103. [Google Scholar] [CrossRef]
- Belviso, S.; Cavalcante, F.; Lettino, A.; Ragone, P.; Belviso, C. Fly ash as raw material for the synthesis of zeolite-encapsulated porphyrazine and metallo porphyrazine tetrapyrrolic macrocycles. Microporous Mesoporous Mater. 2016, 236, 228–234. [Google Scholar] [CrossRef]
- Belviso, C.; Cavalcante, F.; Lettino, A.; Fiore, S. Effects of ultrasonic treatment on zeolite synthesized from coal fly ash. Ultrason. Sonochemistry 2011, 18, 661–668. [Google Scholar] [CrossRef]
- Lee, T.P.; Saad, B.; Ng, E.-P.; Salleh, B. Zeolite Linde Type L as micro-solid phase extraction sorbent for the high performance liquid chromatography determination of ochratoxin A in coffee and cereal. J. Chromatogr. A 2012, 1237, 46–54. [Google Scholar] [CrossRef]
- Belviso, C.; Cavalcante, F.; Fiore, S. Ultrasonic waves induce rapid zeolite synthesis in a seawater solution. Ultrason. Sonochemistry 2013, 20, 32–36. [Google Scholar] [CrossRef] [PubMed]
- Holler, H.; Wirsching, G.U. Zeolite formation from fly ash. Fortschr Miner. 1985, 63, 21–43. [Google Scholar]
- Ghasemi, Z.; Younesi, H.; Kazemian, H. Synthesis of nanozeolite sodalite from rice husk ash without organic additives. Can. J. Chem. Eng. 2010, 89, 601–608. [Google Scholar] [CrossRef]
- Yang, G.C.; Yang, T.-Y. Synthesis of zeolites from municipal incinerator fly ash. J. Hazard. Mater. 1998, 62, 75–89. [Google Scholar] [CrossRef]
- Belviso, C.; Cavalcante, F.; Lettino, A.; Fiore, S. A and X-type zeolites synthesised from kaolinite at low temperature. Appl. Clay Sci. 2013, 80, 162–168. [Google Scholar] [CrossRef]
- Gualtieri, A.F. Synthesis of sodium zeolites from a natural halloysite. Phys. Chem. Miner. 2001, 28, 719–728. [Google Scholar] [CrossRef]
- Ríos, C.A.; Williams, C.D.; Fullen, M.A. Nucleation and growth history of zeolite LTA synthesized from kaolinite by two different methods. Appl. Clay Sci. 2009, 42, 446–454. [Google Scholar] [CrossRef]
- Heller-Kallai, L.; Lapides, I. Reactions of kaolinites and metakaolinites with NaOH—Comparison of different samples (Part 1). Appl. Clay Sci. 2007, 35, 99–107. [Google Scholar] [CrossRef]
- Belviso, C.; Giannossa, L.C.; Huertas, F.J.; Lettino, A.; Mangone, A.; Fiore, S. Synthesis of zeolites at low temperatures in fly ash-kaolinite mixtures. Microporous Mesoporous Mater. 2015, 212, 35–47. [Google Scholar] [CrossRef]
- Jiang, J.; Gu, X.; Feng, L.; Duanmu, C.; Jin, Y.; Hu, T.; Wu, J. Controllable synthesis of sodalite submicron crystals and microspheres from palygorskite clay using a two-step approach. Powder Technol. 2012, 217, 298–303. [Google Scholar] [CrossRef]
- Liu, H.; Shen, T.; Li, T.; Yuan, P.; Shi, G.; Bao, X. Green synthesis of zeolites from a natural aluminosilicate mineral rectorite: Effects of thermal treatment temperature. Appl. Clay Sci. 2014, 90, 53–60. [Google Scholar] [CrossRef]
- Belviso, C.; Cavalcante, F.; Niceforo, G.; Lettino, A. Sodalite, faujasite and A-type zeolite from 2:1dioctahedral and 2:1:1 trioctahedral clay minerals. A singular review of synthesis methods through laboratory trials at a low incubation temperature. Powder Technol. 2017, 320, 483–497. [Google Scholar] [CrossRef]
- Xiong, X.; Yuan, D.; Wu, Q.; Chen, F.; Meng, X.; Lv, R.; Dai, D.; Maurer, S.; McGuire, R.; Feyen, M.; et al. Efficient and rapid transformation of high silica CHA zeolite from FAU zeolite in the absence of water. J. Mater. Chem. A 2017, 5, 9076–9080. [Google Scholar] [CrossRef]
- Wu, Q.; Wang, X.; Meng, X.; Yang, C.; Liu, Y.; Jin, Y.; Yang, Q.; Xiao, F.-S. Organotemplate-free, seed-directed, and rapid synthesis of Al-rich zeolite MTT with improved catalytic performance in isomerization of m-xylene. Microporous Mesoporous Mater. 2014, 186, 106–112. [Google Scholar] [CrossRef]
- Xie, B.; Zhang, H.; Yang, C.; Liu, S.; Ren, L.; Zhang, L.; Meng, X.; Yilmaz, B.; Muller, U.; Xiao, F.-S. Seed-directed synthesis of zeolites with enhanced performance in the absence of organic templates. Chem. Commun. 2011, 47, 3945–3947. [Google Scholar] [CrossRef] [PubMed]
- Goel, S.; Zones, S.I.; Iglesia, E. Synthesis of Zeolites via Interzeolite Transformations without Organic Structure-Directing Agents. Chem. Mater. 2015, 27, 2056–2066. [Google Scholar] [CrossRef]
- Yuan, W.; Yuan, P.; Liu, N.; Deng, L.; Zhou, J.; Yu, W.; Chen, F. A hierarchically porous diatomite/silicalite-1 composite for benzene adsorption/desorption fabricated via a facile pre-modification in situ synthesis route. Chem. Eng. J. 2016, 294, 333–342. [Google Scholar] [CrossRef]
- Chaisena, A.; Rangsriwatananon, K. Synthesis of sodium zeolites from natural and modified diatomite. Mater. Lett. 2005, 59, 1474–1479. [Google Scholar] [CrossRef]
- Yao, G.; Lei, J.; Zhang, X.; Sun, Z.; Zheng, S. One-Step Hydrothermal Synthesis of Zeolite X Powder from Natural Low-Grade Diatomite. Materials 2018, 11, 906. [Google Scholar] [CrossRef]
- Belviso, C. EMT-type zeolite synthesized from obsidian. Microporous Mesoporous Mater. 2016, 226, 325–330. [Google Scholar] [CrossRef]
- Rani, N.; Shrivastava, J.P.; Bajpai, R. Obsidian: Alteration Studypunder Hydrothermal-Like Conditions for its Assessment as a Nuclear Waste Glass. Procedia Earth Planet. Sci. 2013, 7, 725–728. [Google Scholar] [CrossRef][Green Version]
- Mamedova, G.A. Hydrothermal synthesis of natrolite-type zeolite in the natural halloysite-obsidian system. Glas. Phys. Chem. 2014, 40, 380–383. [Google Scholar] [CrossRef]
- Kawano, M. Experimental Study on the Formation of Zeolites from Obsidian by Interaction with NaOH and KOH Solutions at 150 and 200 °C. Clays Clay Miner. 1997, 45, 365–377. [Google Scholar] [CrossRef]
- Ríos, C.A.; William, C.D.; Castellanos, O.M. Crystallization of low silica Na-A and Na-X zeolites from transformation of kaolin and obsdian by alkaline fusion. Ing. Compet. 2012, 14, 125–137. [Google Scholar]
- Mameli, V.; Musinu, A.; Niznansky, D.; Peddis, D.; Ennas, G.; Ardu, A.; Lugliè, C.; Cannas, C. Much More Than a Glass: The Complex Magnetic and Microstructural Properties of Obsidian. J. Phys. Chem. 2016, 120, 27635–27645. [Google Scholar] [CrossRef]
- Peddis, D.; Rinaldi, D.; Ennas, G.; Scano, A.; Agostinelli, E.; Fiorani, D. Superparamagnetic blocking and superspin-glass freezing in ultra small δ-(Fe0.67Mn0.33)OOH particles. Phys. Chem. Chem. Phys. 2012, 14, 3162–3169. [Google Scholar] [CrossRef]
- Liu, Q.; Navrotsky, A. Synthesis of nitrate sodalite: An in situ scanning calorimetric study. Geochim. Cosmochim. Acta 2007, 71, 2072–2078. [Google Scholar] [CrossRef]





| Major Constituents (wt.%) | |||||||||||
| Sample | Na2O | MgO | Al2O3 | SiO2 | P2O5 | K2O | CaO | TiO2 | MnO | Fe2O3 | SiO2/Al2O3 |
| OS | 3.47 | 0.00 | 11.75 | 75.48 | 0.02 | 5.41 | 0.81 | 0.11 | 0.10 | 2.87 | 6.42 |
| Trace elements (ppm) | |||||||||||
| Sample | Ni | Co | Sr | Zr | Cu | Zn | As | Rb | Sn | Cs | Pb |
| OS | 9.75 | 2.25 | 17.00 | 191.00 | 4.67 | 60.01 | 33.00 | 312.00 | 30.00 | 23.00 | 27.00 |
| Sample | Salinity | Si | Al | Cl | Na | Mg | Ca | K |
|---|---|---|---|---|---|---|---|---|
| Natural seawater | 35.00 | 0.0015 | 0.0011 | 19.962 | 7.727 | 1.375 | 0.538 | 0.014 |
Publisher’s Note: MDPI stays neutral with regard to jurisdictional claims in published maps and institutional affiliations. |
© 2020 by the authors. Licensee MDPI, Basel, Switzerland. This article is an open access article distributed under the terms and conditions of the Creative Commons Attribution (CC BY) license (http://creativecommons.org/licenses/by/4.0/).
Share and Cite
Belviso, C.; Peddis, D.; Varvaro, G.; Abdolrahimi, M.; Reverberi, A.P.; Cavalcante, F. Obsidian as a Raw Material for Eco-Friendly Synthesis of Magnetic Zeolites. Materials 2020, 13, 4633. https://doi.org/10.3390/ma13204633
Belviso C, Peddis D, Varvaro G, Abdolrahimi M, Reverberi AP, Cavalcante F. Obsidian as a Raw Material for Eco-Friendly Synthesis of Magnetic Zeolites. Materials. 2020; 13(20):4633. https://doi.org/10.3390/ma13204633
Chicago/Turabian StyleBelviso, Claudia, Davide Peddis, Gaspare Varvaro, Maryam Abdolrahimi, Andrea Pietro Reverberi, and Francesco Cavalcante. 2020. "Obsidian as a Raw Material for Eco-Friendly Synthesis of Magnetic Zeolites" Materials 13, no. 20: 4633. https://doi.org/10.3390/ma13204633
APA StyleBelviso, C., Peddis, D., Varvaro, G., Abdolrahimi, M., Reverberi, A. P., & Cavalcante, F. (2020). Obsidian as a Raw Material for Eco-Friendly Synthesis of Magnetic Zeolites. Materials, 13(20), 4633. https://doi.org/10.3390/ma13204633

