Sequential Production of Levulinic Acid and Porous Carbon Material from Cellulose
Abstract
1. Introduction
2. Materials and Methods
2.1. Materials
2.2. Hydrolysis for LA Production
2.3. Preparation of CMs
2.4. Sample Characteristics
2.5. Adsorption of Phenol
3. Results and Discussion
3.1. Cellulose Hydrolysis
3.2. Characterization of Solid Residue
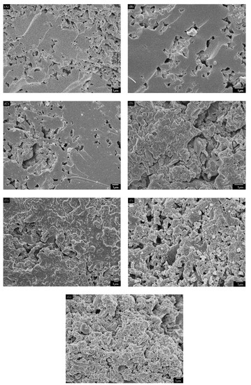
3.3. Characterization of CMs Prepared by Direct Pyrolysis
3.4. Characterization of CMs Prepared with ZnCl2 Activation
3.5. Application of CMs for Phenol Adsorption
4. Conclusions
Author Contributions
Funding
Conflicts of Interest
References
- Pileidis, F.D.; Titirici, M.M. Levulinic acid biorefineries: New challenges for efficient utilization of biomass. ChemSusChem 2016, 9, 562–582. [Google Scholar] [CrossRef] [PubMed]
- Rackemann, D.W.; Doherty, W.O. The conversion of lignocellulosics to levulinic acid. Biofuel Bioprod. Biorefin. 2011, 5, 198–214. [Google Scholar] [CrossRef]
- Tiong, Y.W.; Yap, C.L.; Gan, S.; Yap, W.S.P. Conversion of biomass and its derivatives to levulinic acid and levulinate esters via ionic liquids. Ind. Eng. Chem. Res. 2018, 57, 4749–4766. [Google Scholar] [CrossRef]
- Kang, S.; Fu, J.; Zhang, G. From lignocellulosic biomass to levulinic acid: A review on acid-catalyzed hydrolysis. Renew. Sustain. Energy Rev. 2018, 94, 340–362. [Google Scholar] [CrossRef]
- Bozell, J.J. Connecting biomass and petroleum processing with a chemical bridge. Science 2010, 329, 522–523. [Google Scholar] [CrossRef] [PubMed]
- Timokhin, B.V.; Baransky, V.A.; Eliseeva, G.D. Levulinic acid in organic synthesis. Russ. Chem. Rev. 1999, 68, 73–84. [Google Scholar] [CrossRef]
- Corma, A.; Iborra, S.; Velty, A. Chemical routes for the transformation of biomass into chemicals. Chem. Rev. 2007, 107, 2411–2502. [Google Scholar] [CrossRef] [PubMed]
- Kang, S.; Yu, J. Effect of methanol on formation of levulinates from cellulosic biomass. Ind. Eng. Chem. Res. 2015, 54, 11552–11559. [Google Scholar] [CrossRef]
- Kang, S.; Yu, J. An intensified reaction technology for high levulinic acid concentration from lignocellulosic biomass. Biomass Bioenergy 2016, 95, 214–220. [Google Scholar] [CrossRef]
- Yang, G.; Pidko, E.A.; Hensen, E.J.M. Mechanism of brosted acid-catalyzed conversion of carbohydrates. J. Catal. 2012, 295, 122–132. [Google Scholar] [CrossRef]
- Galletti, A.M.R.; Antonetti, C.; Luise, V.D.; Licursi, D.; Nassi, D. Levulinic acid production from waste biomass. BioResources 2012, 7, 1824–1835. [Google Scholar]
- Sumerskii, I.; Krutov, S.; Zarubin, M.Y. Humin-like substances formed under the conditions of industrial hydrolysis of wood. Russ. J. Appl. Chem. 2010, 83, 320–327. [Google Scholar] [CrossRef]
- Patil, S.K.; Heltzel, J.; Lund, C.R. Comparison of structural features of humins formed catalytically from glucose, fructose, and 5-hydroxymethylfurfuraldehyde. Energy Fuels 2012, 26, 5281–5293. [Google Scholar] [CrossRef]
- Van Zandvoort, I.; Wang, Y.; Rasrendra, C.B.; van Eck, E.R.; Bruijnincx, P.C.; Heeres, H.J.; Weckhuysen, B.M. Formation, molecular structure, and morphology of humins in biomass conversion: Influence of feedstock and processing conditions. ChemSusChem 2013, 6, 1745–1758. [Google Scholar] [CrossRef] [PubMed]
- Chuntanapum, A.; Matsumura, Y. Formation of tarry material from 5-HMF in subcritical and supercritical water. Ind. Eng. Chem. Res. 2009, 48, 9837–9846. [Google Scholar] [CrossRef]
- Rasrendra, C.B.; Windt, M.; Wang, Y.; Adisasmito, S.; Makertihartha, I.G.B.N.; Van Eck, E.R.H.; Meier, D.; Heeres, H.J. Experimental studies on the pyrolysis of humins from the acid-catalysed dehydration of C6-sugars. J. Anal. Appl. Pyrol. 2013, 104, 299–307. [Google Scholar] [CrossRef]
- Hoang, T.M.; Lefferts, L.; Seshan, K. Valorization of humin-based byproducts from biomass processing-a route to sustainable hydrogen. ChemSusChem 2013, 6, 1651–1658. [Google Scholar] [CrossRef] [PubMed]
- Kang, S.; Fu, J.; Deng, Z.; Jiang, S.; Zhong, G.; Xu, Y.; Guo, J.; Zhou, J. Valorization of biomass hydrolysis waste: Activated carbon from humins as exceptional sorbent for wastewater treatment. Sustainability 2018, 10, 1795. [Google Scholar] [CrossRef]
- Ioannidou, O.; Zabaniotou, A. Agricultural residue as precursors for activated carbon production—A review. Renew. Sustain Energy Rev. 2008, 11, 1966–2005. [Google Scholar] [CrossRef]
- Dural, M.U.; Cavas, L.; Papageorgiou, S.K.; Katsaros, F.K. Methylene blue adsorption on activated carbon prepared from Posidonia oceanica (L.) dead leaves: Kinetics and equilibrium studies. Chem. Eng. J. 2011, 168, 77–85. [Google Scholar] [CrossRef]
- Sayğılı, H.; Güzel, F. High surface area mesoporous activated carbon from tomato processing solid waste by zinc chloride activation: Process optimization, characterization and dyes adsorption. J. Clean. Prod. 2016, 113, 995–1004. [Google Scholar] [CrossRef]
- Ramesh, K.; Rajappa, A.; Nandhakumar, V. Adsorption of methylene blue onto microwave assisted zinc chloride activated carbon prepared from delonix regia pods-isotherm and thermodynamic studies. Res. J. Chem. Sci. 2014, 4, 36–42. [Google Scholar]
- Sluiter, A.; Hames, B.; Ruiz, R.; Scarlata, C.; Sluiter, J.; Templeton, D.; Crocker, D. Determination of Structural Carbohydrates and Lignin in Biomass; National Renewable Energy Laboratory: Golden, CO, USA, 2011.
- Kang, S.; Fu, J.; Zhang, G.; Zhang, W.; Yin, H.; Xu, Y. Synthesis of humin-phenol-formaldehyde adhesive. Polymers 2017, 9, 373. [Google Scholar] [CrossRef]
- Kang, S.; Li, X.; Fan, J.; Chang, J. Characterization of hydrochars produced by hydrothermal carbonization of lignin, cellulose, D-xylose, and wood Meal. Ind. Eng. Chem. Res. 2012, 51, 9023–9031. [Google Scholar] [CrossRef]
- Shen, J.; Wyman, C.E. Hydrochloric acid-catalyzed levulinic acid formation from cellulose: Data and kinetic model to maximize yields. AIChE J. 2012, 58, 236–246. [Google Scholar] [CrossRef]
- Dussan, K.; Girisuta, B.; Haverty, D.; Leahy, J.; Hayes, M. Kinetics of levulinic acid and furfural production from Miscanthus× giganteus. Bioresour. Technol. 2013, 149, 216–224. [Google Scholar] [CrossRef] [PubMed]
- Yan, L.; Greenwood, A.A.; Hossain, A.; Yang, B. A comprehensive mechanistic kinetic model for dilute acid hydrolysis of switchgrass cellulose to glucose, 5-HMF and levulinic acid. RSC Adv. 2014, 4, 23492–23504. [Google Scholar] [CrossRef]
- Ahlkvist, J.; Wärnå, J.; Salmi, T.; Mikkola, J.-P. Heterogeneously catalyzed conversion of nordic pulp to levulinic and formic acids. React. Kinet. Mech. Catal. 2016, 119, 415–427. [Google Scholar] [CrossRef]
- Lee, J.W.; Jeffries, T.W. Efficiencies of acid catalysts in the hydrolysis of lignocellulosic biomass over a range of combined severity factors. Bioresour. Technol. 2011, 102, 5884–5890. [Google Scholar] [CrossRef] [PubMed]
- Tsilomelekis, G.; Orella, M.J.; Lin, Z.; Cheng, Z.; Zheng, W.; Nikolakis, V.; Vlachos, D. Molecular structure, morphology and growth mechanisms and rates of 5-hydroxymethyl furfural (HMF) derived humins. Green Chem. 2015, 18, 1983–1993. [Google Scholar] [CrossRef]
- Siesler, H.W.; Ozaki, Y.; Kawata, S.; Heise, H.M. Near-Infrared Spectroscopy: Principles, Instruments, Applications; John Wiley & Sons: Hoboken, NJ, USA, 2008. [Google Scholar]
- Kang, S.; Zhang, G.; Yang, Q.; Tu, J.; Guo, X.; Qin, F.G.F.; Xu, Y. A new technology for utilization of biomass hydrolysis residual humins for acetic acid production. BioResources 2016, 11, 9496–9505. [Google Scholar] [CrossRef]
- Daud, W.R.W.; Haafiz, M.K.M.; Seeni, A. Cellulose phosphate from oil palm biomass as potential biomaterials. Bioresources 2011, 6, 1719–1740. [Google Scholar]
- Caturla, F.; Molina-Sabio, M.; Rodríguez-Reinoso, F. Preparation of activated carbon by chemical activation with ZnCl2. Carbon 1991, 29, 999–1007. [Google Scholar] [CrossRef]
- Kirubakaran, C.J.; Krishnaiah, K.; Seshadri, S. Experimental study of the production of activated carbon from coconut shells in a fluidized bed reactor. Ind. Eng. Chem. Res. 1991, 30, 2411–2416. [Google Scholar] [CrossRef]
- Yang, G.; Chen, H.; Qin, H.; Feng, Y. Amination of activated carbon for enhancing phenol adsorption: Effect of nitrogen-containing functional groups. Appl. Surf. Sci. 2014, 293, 299–305. [Google Scholar] [CrossRef]
- Zhang, J.; Jin, X.J.; Gao, J.M.; Zhang, X.D. Phenol adsorption on nitrogen-enriched activated carbon prepared from bamboo residue. BioResources 2013, 9, 969–983. [Google Scholar] [CrossRef]
- Sáenz-Alanís, C.A.; García-Reyes, R.B.; Soto-Regalado, E.; García-González, A. Phenol and methylene blue adsorption on heat-treated activated carbon: Characterization, kinetics, and equilibrium studies. Adsorpt. Sci. Technol. 2017, 35, 789–805. [Google Scholar] [CrossRef]
- Hameed, B.; Rahman, A. Removal of phenol from aqueous solutions by adsorption onto activated carbon prepared from biomass material. J. Hazard. Mater. 2008, 160, 576–581. [Google Scholar] [CrossRef] [PubMed]
- Kuśmierek, K.; Świątkowski, A.; Skrzypczyńska, K.; Błażewicz, S.; Hryniewicz, J. The effects of the thermal treatment of activated carbon on the phenols adsorption. Korean J. Chem. Eng. 2017, 34, 1081–1090. [Google Scholar] [CrossRef]










| Samples | Yield (%) | Surface Area (m2/g) | BJH Adsorption Pore Volume (cm3/g) | Total Acidic Contents (mmol/g) | Alkali (mmol/g) |
|---|---|---|---|---|---|
| Solid residue | - | 9.0 | 0.02 | - | - |
| CM400 | 61.3 | 37.7 | 0.07 | 1.4 | 0.25 |
| CM700 | 49.7 | 390.5 | 0.10 | 1.1 | 0.69 |
| CM900 | 35.7 | 488.8 | 0.12 | 0.5 | 0.74 |
| CM300(1:2) | 69.1 | 532 | 0.092 | 1.4 | 0.20 |
| CM400(1:2) | 56.1 | 2510 | 1.02 | 1.4 | 0.32 |
| CM500(1:2) | 50.5 | 1594 | 0.44 | 1.2 | 0.69 |
| CM600(1:2) | 44.7 | 1184 | 0.30 | 1.1 | 0.75 |
| CM700(1:2) | 38.5 | 1392 | 0.37 | 0.9 | 0.80 |
| CM800(1:2) | 34.7 | 1440 | 0.59 | 0.9 | 0.85 |
| CM900(1:2) | 30.6 | 1526 | 0.61 | 0.8 | 0.83 |
| CM700(2:1) | 46.1 | 625 | 0.1 | 1.2 | 0.71 |
| CM700(1:1) | 41.2 | 1130 | 0.13 | 1.1 | 0.77 |
| CM700(1:3) | 21.4 | 2202 | 1.42 | 0.9 | 0.89 |
| Phenol adsorbed CM400(1:2) | - | 1781 | 0.69 | - | - |
© 2018 by the authors. Licensee MDPI, Basel, Switzerland. This article is an open access article distributed under the terms and conditions of the Creative Commons Attribution (CC BY) license (http://creativecommons.org/licenses/by/4.0/).
Share and Cite
Kang, S.; Pan, J.; Gu, G.; Wang, C.; Wang, Z.; Tan, J.; Liu, G. Sequential Production of Levulinic Acid and Porous Carbon Material from Cellulose. Materials 2018, 11, 1408. https://doi.org/10.3390/ma11081408
Kang S, Pan J, Gu G, Wang C, Wang Z, Tan J, Liu G. Sequential Production of Levulinic Acid and Porous Carbon Material from Cellulose. Materials. 2018; 11(8):1408. https://doi.org/10.3390/ma11081408
Chicago/Turabian StyleKang, Shimin, Jiaming Pan, Guoting Gu, Chong Wang, Zepan Wang, Jionghao Tan, and Guiheng Liu. 2018. "Sequential Production of Levulinic Acid and Porous Carbon Material from Cellulose" Materials 11, no. 8: 1408. https://doi.org/10.3390/ma11081408
APA StyleKang, S., Pan, J., Gu, G., Wang, C., Wang, Z., Tan, J., & Liu, G. (2018). Sequential Production of Levulinic Acid and Porous Carbon Material from Cellulose. Materials, 11(8), 1408. https://doi.org/10.3390/ma11081408
