BubbleZERO—Design, Construction and Operation of a Transportable Research Laboratory for Low Exergy Building System Evaluation in the Tropics
Abstract
:1. Introduction
2. Objectives for the Design and Operation of the BubbleZERO
2.1. Overall Design Objectives
2.2. LowEx Systems Integration
3. Conceptual Background
3.1. Separation of Latent and Sensible Cooling
3.2. High Temperature Radiant Cooling
3.3. Decentralized Ventilation and Dehumidification
4. Methods
4.1. Structural Integration

4.2. Protective Envelope


4.3. Ventilation and Cooling Systems

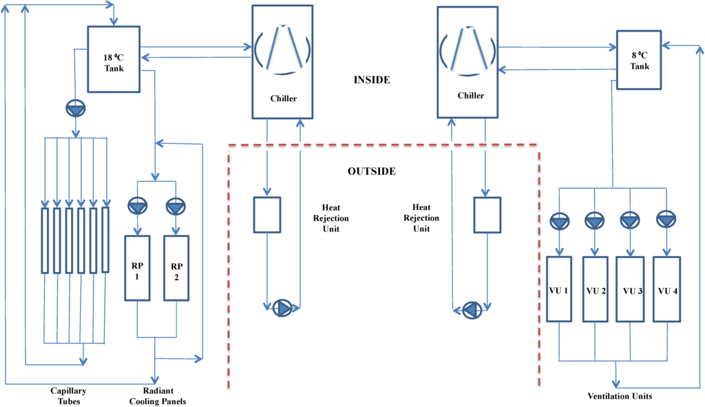
4.3.1. Chiller Setup and Hydronic Cooling System

4.3.2. Radiant Cooling Panels
4.3.3. Dedicated Outdoor Air System and CO2 Controlled Exhaust Air Extraction
4.3.4. Wireless Sensor and Control System


5. Results and Discussion
5.1. The BubbleZERO as Integrated System Laboratory
5.2. Cooling System Operation


5.3. Distributed Sensor and Control Operation

5.4. Ventilation System Operation
5.4.1. Ventilation Effectiveness
5.4.2. Heat Exchanger Arrangements

6. Conclusions and Future Work

Acknowledgements
Conflicts of Interest
References
- Rant, Z. Exergie, ein neues Wort für technische Arbeitsfähigkeit [in German]. Forsch. Ingenieurwes. 1956, 22, 36–37. [Google Scholar]
- Low Exergy Systems for High-Performance Buildings and Communities: Exergy Assessment Guidebook for the Built Environment; IEA ECBCS Annex 49 Final Report; Torio, H.; Schmidt, D. (Eds.) IEA ECBCS: Stuttgart, Germany, 2010.
- Schmidt, D. Low exergy systems for high-performance buildings and communities. Energy Build. 2009, 41, 331–336. [Google Scholar] [CrossRef]
- Meggers, F.; Leibundgut, H.; Kennedy, S.; Qin, M.; Schlaich, M.; Sobek, W.; Shukuya, M. Reduce CO2 from buildings with technology to zero emissions. Sustain. Cities Soc. 2012, 2, 29–36. [Google Scholar] [CrossRef]
- People and Societies in the Tropics—Tropical Data Hub. Available online: http://tropicaldatahub.org/research-in-focus/people-and-societies (accessed on 28 May 2013).
- United Nations Environmental Program (UNEP). 2006 Assessment Report of the Technology and Economic Assessment Panel; United Nations Environment Programme, Ozone Secretariat: Nairobi, Kenya, 2007. [Google Scholar]
- Ingels, M. Willis Haviland Carrier, Father of Air Conditioning; Arno Press: New York, NY, USA, 1972. [Google Scholar]
- Meggers, F.; Ritter, V.; Goffin, P.; Baetschmann, M.; Leibundgut, H. Low exergy building systems implementation. Energy 2012, 41, 48–55. [Google Scholar] [CrossRef]
- Jeong, J.-W. Energy conservation benefits of a dedicated outdoor air system with parallel sensible cooling by ceiling radiant panels. ASHRAE Trans. 2003, 109, 627–636. [Google Scholar]
- Wyssen, I.; Gasser, L.; Kleingries, M.; Wellig, B. High Efficient Heat Pumps for Small Temperature Lift Applications. In Proceedings of the 10th IEA Heat Pump Conference, Tokyo, Japan, 16–19 May 2011.
- Jeong, J.-W.; Mumma, S.A. Practical cooling capacity estimation model for a suspended metal ceiling radiant cooling panel. Build. Environ. 2007, 42, 3176–3185. [Google Scholar] [CrossRef]
- Causone, F.; Corgnati, S.P.; Filippi, M.; Olesen, B.W. Experimental evaluation of heat transfer coefficients between radiant ceiling and room. Energy Build. 2009, 41, 622–628. [Google Scholar] [CrossRef]
- Andrés-Chicote, M.; Tejero-González, A.; Velasco-Gómez, E.; Rey-Martínez, F.J. Experimental study on the cooling capacity of a radiant cooled ceiling system. Energy Build. 2012, 54, 207–214. [Google Scholar] [CrossRef]
- Feustel, H.E.; Stetiu, C. Hydronic radiant cooling—Preliminary assessment. Energy Build. 1995, 22, 193–205. [Google Scholar] [CrossRef]
- Tokunaga, K.; Shukuya, M. Human-body exergy balance calculation under un-steady state conditions. Build. Environ. 2011, 46, 2220–2229. [Google Scholar] [CrossRef]
- Niu, J.L.; Zhang, L.Z.; Zuo, H.G. Energy savings potential of chilled-ceiling combined with desiccant cooling in hot and humid climates. Energy Build. 2002, 34, 487–495. [Google Scholar] [CrossRef]
- Baldini, L. Advanced Building Ventilation System Based on the Paradigms of Decentralization and Exergy Minimization Using a Highly Interlaced Network Structure for the Supply and a Sensorbased Local Control Approach for the Exhaust. Ph.D. Thesis, Swiss Federal Institue of Technology (ETHZ), Zurich, Switzerland, 2010. [Google Scholar]
- Gaehler, C.; Trofimov, O. Energy-efficient Control for Decentral Air Supply in Buildings. In Proceedings of the Clima 2013: Energy Efficient, Smart and Healthy Buildings, Prague, Czech, 16–19 June 2013.
- Baldini, L.; Goffin, P.; Leibundgut, H. Control Strategies for Effective Use of Wind Loading through a Decentralized Ventilation System; Tapir Akademisk Forlag: Trondheim, Norway, 2011. [Google Scholar]
- Mahler, B.; Himmler, R. Results of the Evaluation Study DeAL Decentralized Facade Integrated Ventilation Systems. In Proceedings of the 8th International Conference for Enhanced Building Operations, Berlin, Germany, 20–22 October 2008.
- Oelhafen, P. Optimized spectral transmittance of sun protection glasses. Sol. Energy 2007, 81, 1191–1195. [Google Scholar] [CrossRef]
- Leibundgut, H. LowEx Building Design für eine ZeroEmission Architecture; Vdf Hochschulverlag AG: Zurich, Switzerland, 2012. [Google Scholar]
- Mast, M.; Meggers, F.; Baldini, L.; Leibundgut, H. LowEx—Refurbishement of an Office Building: Guaranteeing Comfort while Minimizing Exergy. In Proceedings of the CLIMA 2010—Sustainable Energy Use in Buildings, Antayala, Turkey, 9–12 May 2010.
- Harvie, G. An Investigation into the Thermal Behaviour of Spaces Enclosed By Fabric Membranes. Ph.D. Thesis, Welsh School of Architecture, University of Wales College of Cardiff, Cardiff, UK, 1996. [Google Scholar]
- Ciampi, M.; Leccese, F.; Tuoni, G. Ventilated facades energy performance in summer cooling of buildings. Sol. Energy 2003, 75, 491–502. [Google Scholar] [CrossRef]
- Thermal Insulation—Determination of Steady-State Thermal Transmission Properties—Calibrated and Guarded Hot Box; ISO 8990:1994; International Organization for Standardization: Geneva, Switzerland, 1994.
- Standard Test Method for Thermal Performance of Building Materials and Envelope Assemblies by Means of a Hot Box Apparatus; ASTM C1363-05; American Society for Testing and Materials: West Conshohocken, PA, USA, 2005.
- Asdrubali, F.; Baldinelli, G. Thermal transmittance measurements with the hot box method: Calibration, experimental procedures, and uncertainty analyses of three different approaches. Energy Build. 2011, 43, 1618–1626. [Google Scholar] [CrossRef]
- Li, C.; Meggers, F.; Li, M.; Sundaravaradan, J.; Xue, F.; Lim, H.B.; Schlueter, A. BubbleSense: Wireless Sensor Network Based Intelligent Building Monitoring. In Proceedings of the ICT4S 2013, Zurich, Switzerland, 14–16 February 2013; pp. 159–166.
- Perez, F.; Granger, B.E. IPython: A system for interactive scientific computing. Comput. Sci. Eng. 2007, 9, 21–29. [Google Scholar] [CrossRef]
- Saber, E.; Meggers, F.; Iyengar, R. The Potential of Low Exergy Building Systems in the Tropics—Prototype Evaluation From the BubbleZERO in Singapore. In Proceedings of the Clima 2013: Energy Efficient, Smart And Healthy Buildings, Prague, Czech, 16–19 June 2013.
- Maasoumy, M.; Zhu, Q.; Li, C.; Meggers, F.; Sangiovanni-Vincetelli, A. Co-Design of Control Algorithm and Embedded Platform for Building HVAC Systems. In Proceedings of the ICCPS 2013, Philadelphia, PA, USA, 8–11 April 2013.
- ASHRAE. Measuring Air-Change Effectiveness; ANSI/ASHRAE Standard 129-1997 (RA 2002); American Society of Heating, Refrigerating and Air-conditioning Engineers, Inc.: Atlanta, GA, USA, 2002. [Google Scholar]
- ASHRAE. Ventilation for Acceptable Indoor Air Quality; ANSI/ASHRAE Standard 62.1-2007; American Society of Heating, Refrigerating and Air-conditioning Engineers, Inc.: Atlanta, GA, USA, 2007. [Google Scholar]
- Iyengar, R.; Saber, E.; Meggers, F.; Leibundgut, H. The feasibility of performing high temperature radiant cooling in tropical buildings when coupled with a decentralised ventilation system. HVAC R Res. J. 2013. [Google Scholar] [CrossRef]
© 2013 by the authors; licensee MDPI, Basel, Switzerland. This article is an open access article distributed under the terms and conditions of the Creative Commons Attribution license (http://creativecommons.org/licenses/by/3.0/).
Share and Cite
Bruelisauer, M.; Chen, K.W.; Iyengar, R.; Leibundgut, H.; Li, C.; Li, M.; Mast, M.; Meggers, F.; Miller, C.; Rossi, D.; et al. BubbleZERO—Design, Construction and Operation of a Transportable Research Laboratory for Low Exergy Building System Evaluation in the Tropics. Energies 2013, 6, 4551-4571. https://doi.org/10.3390/en6094551
Bruelisauer M, Chen KW, Iyengar R, Leibundgut H, Li C, Li M, Mast M, Meggers F, Miller C, Rossi D, et al. BubbleZERO—Design, Construction and Operation of a Transportable Research Laboratory for Low Exergy Building System Evaluation in the Tropics. Energies. 2013; 6(9):4551-4571. https://doi.org/10.3390/en6094551
Chicago/Turabian StyleBruelisauer, Marcel, Kian Wee Chen, Rupesh Iyengar, Hansjürg Leibundgut, Cheng Li, Mo Li, Matthias Mast, Forrest Meggers, Clayton Miller, Dino Rossi, and et al. 2013. "BubbleZERO—Design, Construction and Operation of a Transportable Research Laboratory for Low Exergy Building System Evaluation in the Tropics" Energies 6, no. 9: 4551-4571. https://doi.org/10.3390/en6094551
APA StyleBruelisauer, M., Chen, K. W., Iyengar, R., Leibundgut, H., Li, C., Li, M., Mast, M., Meggers, F., Miller, C., Rossi, D., Saber, E. M., Tham, K. W., & Schlueter, A. (2013). BubbleZERO—Design, Construction and Operation of a Transportable Research Laboratory for Low Exergy Building System Evaluation in the Tropics. Energies, 6(9), 4551-4571. https://doi.org/10.3390/en6094551
