Next Article in Journal
Active Control of the Precession Frequency of the Vortex Core Using Rotating Jets
Previous Article in Journal
Optimization of Reserve Capacity for New Energy Participating in Primary Frequency Regulation of the Power System
Previous Article in Special Issue
Hydrogen Cost and Carbon Analysis in Hollow Glass Manufacturing
 
 
Font Type:
Arial Georgia Verdana
Font Size:
Aa Aa Aa
Line Spacing:
Column Width:
Background:
Article

Green Hydrogen Production for Decarbonizing the Steel Industry: Energy and Economic Assessment of Electrolysis and Ammonia Cracking Systems

by
Elvira Spatolisano
1,*,
Antonio Trinca
2,3,
Domenico Flagiello
4 and
Giorgio Vilardi
2
1
Department of Chemistry, Materials and Chemical Engineering «G. Natta», Politecnico di Milano, Piazza Leonardo da Vinci, 32, 20133 Milano, Italy
2
Department of Chemical Engineering Materials Environment, Sapienza University of Rome, Via Eudossiana 18, 00184 Rome, Italy
3
Italian Institute for Environmental Protection and Research (ISPRA), Department of VAL-RTEC, Via Vitaliano Brancati 48, 00144 Roma, Italy
4
Department of Chemical, Materials and Production Engineering, University of Naples Federico II, P.le V. Tecchio 80, 80125 Napoli, Italy
*
Author to whom correspondence should be addressed.
Energies 2026, 19(3), 717; https://doi.org/10.3390/en19030717
Submission received: 8 January 2026 / Revised: 26 January 2026 / Accepted: 27 January 2026 / Published: 29 January 2026
(This article belongs to the Special Issue Techno-Economic Evaluation of Hydrogen Energy)

Abstract

The global transition toward a low-carbon economy has intensified the interest in green hydrogen as a key enabler of industrial decarbonization. In particular, the steel sector, one of the most carbon-intensive industries, offers significant opportunities for emissions reduction through H2-based technologies. This study presents a techno-economic assessment of alternative green hydrogen supply pathways, namely alkaline electrolysis and ammonia cracking, and evaluates their integration into hydrogen-based direct reduction (HyDR) routes. Process simulations are performed using Aspen Plus® V14 to quantify the energy consumption, hydrogen demand, and associated CO2 emissions across multiple configurations and case studies. A comprehensive 3E (energy, economics, and environmental) evaluation framework is applied to compare system performance and assess the suitability of each pathway for large-scale deployment. The results indicate that ammonia cracking represents a technically viable and potentially competitive hydrogen supply option for steel decarbonization under the assumed operating conditions, highlighting its relevance as a transitional pathway toward low-carbon steel production.

1. Introduction

In 2023, a total of 1892 million tonnes of crude steel were manufactured worldwide [1]. Looking ahead, steel production is expected to expand at an average annual growth rate of 2.9% from 2024 to 2030, reaching 2.2 billion metric tonnes by the end of the decade [2].
Despite its growth, the steel industry imposes a significant environmental burden, primarily due to the high carbon dioxide (CO2) emissions linked to conventional production methods. With climate change posing an increasing global threat, reducing CO2 emissions from industrial sources has become a critical priority. On average, producing one tonne of steel emits around 1.891 tonnes of CO2 [3]. The iron and steel sector is one of the most energy-intensive industries worldwide, accounting for 7–9% of the global CO2 emissions and about 8% of the world’s total energy supply [4,5].
As of 2023, global crude steel production is primarily carried out using three main methods [6]. The blast furnace–basic oxygen furnace (BF–BOF) route, the most traditional approach, accounts for roughly 72% of the global output. The electric arc furnace (EAF), which uses scrap metal and electricity, contributes about 21%, while the remaining 7% of steel is produced through direct reduced iron (DRI) processes, which are often integrated with EAF operations.
The BF-BOF method relies on coke to generate the high temperatures and chemical reactions needed to convert iron ore into steel, consuming around 500 kg of coal per tonne of output and producing 1.9 to 2.2 tonnes of CO2 per tonne of liquid steel [7,8].
In the BF-BOF integrated route, most of the CO2 emissions are associated with the use of blast furnace gas (BFG), accounting for approximately 64–70% of the total emissions. A further significant share, about 25–27%, arises from coke production, while 5–7% of the emissions are attributable to the sintering process of raw materials [8].
In comparison, EAFs exhibit a significantly lower carbon footprint (their carbon emissions are approximately 0.6 tonnes of CO2 per tonne of steel), depending on factors such as raw material input (scrap or pig iron), energy efficiency, and the electricity source [9].
As a result, the demand for steel scrap is expected to rise considerably with the implementation of more ambitious climate policies. Within the EU-27, EAF steel production, which relies almost entirely on scrap as feedstock, currently accounts for around 45% of the total steel output [10] and is projected to expand further. However, securing adequate quantities of steel scrap of sufficient quality requires additional efforts. Impurities such as copper can restrict the range of products that can be manufactured from scrap and, if they accumulate over time, can render a portion of the scrap unusable [11]. A circular economy goes beyond simple recycling, encompassing the reduction of material inputs as well as the reuse and remanufacturing of products. Initiatives aimed at improving both the quality and quantity of steel recycling are also likely to influence the supply chains for scrap material.
A promising approach to boosting EAF production and addressing scrap shortages is the integration of DRI technology. DRI is a solid-state method that operates at lower temperatures than iron’s melting point, requiring less energy for the reduction reaction. The reduction is typically achieved using a gas mixture of hydrogen and carbon monoxide (CO), which is often sourced from natural gas or coal. Currently, the DRI-EAF process powered by natural gas produces only 62% of the carbon emissions of the traditional BF-BOF method. Leading companies in direct reduction technology, such as MIDREX and Hojalata Y Lámina (HYL) Energiron, are recognized for their efficiency and productivity, making them highly competitive in producing high-quality DRI for steel production. Notably, MIDREX is responsible for 65% of the global DRI production.
Achieving carbon neutrality in the steel industry requires technological and operational changes, and emerging technologies are beginning to pave the way. Among them, hydrogen-based direct reduction (HyDR) is gaining traction as a low-emission alternative to conventional steelmaking. Unlike traditional BF technology, the dominant global production route with limited potential for deep decarbonization [8], HyDR does not rely on fossil sources and significantly cuts CO2 emissions [12].
The hydrogen-based process is conceptually similar to the conventional natural gas-based process, with the main difference being the replacement of methane with hydrogen as the reducing gas (Figure 1b). Hydrogen can be supplied from external sources or produced on-site through a dedicated generation unit. In a fully hydrogen-integrated process, a reformer is no longer required; instead, a gas heating system is needed to raise the hydrogen to the desired operating temperature, which can be achieved, for example, by means of an electric heater [5]. Existing reformers can be relatively easily converted into gas heaters, enabling the retrofitting of current natural gas-based plants [13].
However, implementing HyDR at a commercial scale presents several technical and operational challenges. For every tonne of steel produced, a HyDR facility requires an estimated 50–60 kg of hydrogen [14,15,16], a demand that could strain supply chains and infrastructure as the technology scales up.
Despite these hurdles, HyDR has reached a promising stage of development, currently evaluated at a technology readiness level (TRL) of between 6 and 8 [17].
Several pilot and commercial-scale hydrogen-based steelmaking projects are currently underway worldwide, demonstrating the technical and industrial feasibility of hydrogen as a reducing agent in iron and steel production.
The HYBRIT project in Sweden represents one of the most advanced initiatives, aiming to replace coking coal with green hydrogen in direct reduction, with the objective of achieving fossil-free steel production at an industrial scale [17]. In Europe, the H2Future project focuses on large-scale green hydrogen production via electrolysis, supplying hydrogen to energy-intensive industries, including steelmaking, and supporting sectoral decarbonization [18].
In Germany, tkH2Steel, led by ThyssenKrupp, is developing hydrogen-ready blast furnace and direct reduction technologies to enable a gradual transition from coal-based to hydrogen-based steel production [18]. Similarly, SALCOS (Salzgitter Low CO2 Steelmaking) by Salzgitter AG aims to transform the conventional BF-BOF route into a hydrogen-based DRI-EAF process, significantly reducing CO2 emissions [19].
ArcelorMittal is involved in multiple hydrogen steel projects, including the Hamburg project, which investigates the use of hydrogen in direct reduction and DRI-based steelmaking [20,21], and HyDeal España, a large-scale initiative combining renewable hydrogen production with industrial off-take for low-carbon steel manufacturing in Southern Europe [22].
In the United States, MIDREX is actively developing and deploying hydrogen-based direct reduction technologies, leveraging its established shaft furnace technology to enable a transition toward low- and zero-carbon steel production.
Together, these projects highlight the growing global momentum toward hydrogen-based steelmaking as a key pathway for the deep decarbonization of the steel sector.
Another noteworthy technology is hydrogen plasma reduction (HPR). HPR represents an emerging and straightforward metallurgical approach that is gaining increasing interest. This method enables low-carbon iron production by reducing iron ore with considerably lower energy requirements and CO2 emissions, taking advantage of the highly reactive hydrogen species generated when hydrogen gas is energized. Although plasma generation systems have seen significant technological advances, widespread adoption remains limited due to equipment reliability, economic factors, and energy demands. Among the various approaches, microwave-assisted hydrogen plasma reduction (MHPR) shows particular promise, offering an extended plasma torch lifespan, rapid reduction kinetics, precise process control, and strong environmental benefits.
An intermediate solution involves the partial substitution of the natural gas used in the shaft furnace with green hydrogen. Because the reduction reaction with hydrogen absorbs heat, extra thermal energy is needed to maintain furnace temperatures and to preheat the hydrogen feed. The process meets these additional heating requirements using natural gas. It is important to highlight that hydrogen is employed only within the shaft furnace, while the rest of the process, including hot rolling, continues to rely entirely on natural gas for heating [23].
A hybrid steelmaking route combines a DRI shaft furnace with the BOF to reduce CO2 emissions while maintaining high production volumes. In this configuration, DRI is produced using natural gas, as in the traditional DRI-EAF route, but, instead of being fed into an electric arc furnace, the hot solid sponge iron is melted in a separate melter using natural gas as the heat source. The resulting liquid iron is then introduced into the BOF, where it undergoes oxygen blowing in a process similar to the conventional BF-BOF method. By integrating DRI as a partial or supplementary feedstock in place of the blast furnace hot metal, this approach reduces the reliance on coke, thereby lowering the carbon footprint of steel production without compromising the output scale.
The HyDR- BOF route using 100% green hydrogen represents a low-carbon alternative to conventional steelmaking. In this setup, hydrogen fully replaces natural gas in the shaft furnace to reduce iron ore, requiring supplemental heat input due to the endothermic nature of the hydrogen reduction reaction, as well as the preheating of the hydrogen gas. Because the resulting sponge iron contains no carbon, the oxygen-blowing step in the BOF generates less heat than in traditional processes, necessitating adjustments in thermal management. To further minimize emissions, the melter used to liquefy the sponge iron is assumed to be powered entirely by electricity rather than fossil fuels.
The proportion of DRI that can be used in the BOF process depends on several factors, including the form of DRI, plant specifications, and metallurgical requirements.
According to MIDREX Technologies, hot briquetted iron (HBI), a compressed and more stable form of DRI, can provide up to one third (approximately 33%wt) of the BOF charge without requiring significant modifications to the facility [24]. In general, DRI usage in the BOF can reach up to 30–33% of the total charge, offering both environmental and metallurgical benefits. However, careful management of the operating conditions is necessary to maintain process efficiency.
Within this framework, this study aims to assess the potential of green hydrogen for decarbonizing the steel industry by exploring different production pathways, specifically alkaline electrolysis and ammonia cracking. The focus is on their application in HyDR technology. The analysis quantifies the energy and hydrogen demands, as well as the carbon footprints, of various technological configurations. Based on process simulations in Aspen Plus® V14, the study evaluates system performance through a 3E (energy, economics, environmental) assessment, providing insights to advance the decarbonization of the steel sector.

2. Case Studies

This section outlines the case studies on which the analyses are based. As a reference case, the most common DRI plant is considered—one that is fueled by natural gas. In the MIDREX configuration (Figure 1a), the total consumption of natural gas is 171 kg per tonne of steel produced (kg/tsteel) [16]. Natural gas is used both as a source for the reducing gas and as a source of thermal energy.
More than 90% of the natural gas is fed into the reformer, where it is converted into syngas, with the latter being useful for the reduction of iron ore. The remaining portion is partly combusted directly to provide heat, and a small amount is injected into the EAF.
The carbon footprint of this plant consisted of 770 kg of CO2 per ton of steel (kgCO2/tsteel), which is more than halved compared to the traditional BF/BOF route [16]. The total energy consumption is 12.2 GJ/t.
However, to achieve a more significant reduction in CO2 emissions, it is necessary to replace natural gas, a fossil fuel, with green hydrogen produced from renewable sources.
Therefore, the case studies considered include the following:
  • A DRI plant powered with 100% hydrogen (Figure 1b);
  • A DRI plant powered with a mix of 90% hydrogen and 10% natural gas (Figure 1c);
  • A DRI plant powered with a mix of 80% hydrogen and 20% natural gas (Figure 1c).
In the three cases considered, it is assumed that both the steel and hydrogen production plants are fully powered by electricity generated from renewable sources.
The hydrogen–methane mixtures were selected to avoid the need for external methane reforming, which would become necessary at higher CH4 fractions. For this reason, the methane content was limited to 20%. The mixtures investigated can be directly injected into the shaft furnace, in line with the ENERGIRON Zero-Reformer process concept, thereby eliminating the requirement for a dedicated reformer [25].
The introduction of a small methane fraction is also beneficial from an industrial standpoint, as it helps to reduce the overall hydrogen demand and enhances the operational flexibility of the DRI process. At the same time, this configuration allows high levels of decarbonization to be maintained, representing an effective compromise between technological feasibility and emission reduction.
These cases are then analyzed under the two most widely adopted industrial configurations, namely HyL-Energiron and MIDREX, which differ mainly in the inlet conditions of the reducing gas, particularly in terms of pressure and temperature [16,26,27].
The various technological solutions are sized for a production capacity of 1 million tons of liquid steel per year, and 8000 operating hours annually are assumed.
The hydrogen-based DRI process has energy consumption of 19 GJ/ton of steel produced [5]. This figure includes the energy required for DRI production and the subsequent EAF process, as well as the thermal energy introduced with the hydrogen flow rate. Considering only the energy consumption of the plant (excluding the energy required for hydrogen production), the consumption amounts to 1.30 MWh/tsteel. The plant has higher energy consumption compared to the one powered by natural gas. This is mainly due to the electrification of the process, particularly the introduction of electric heaters to replace combustion [5]. Electric heaters are characterized by high energy consumption. For simplicity, the energy consumption (excluding the energy required for hydrogen supply) is assumed to remain constant across the different cases.
Table 1 summarizes the operating conditions and energy consumption associated with the different case studies analyzed.
With the aim of performing a preliminary feasibility assessment of green hydrogen-based steelmaking routes, this study investigates alternative hydrogen production pathways from a process design perspective. Although hydrogen production and shaft furnace are not fully integrated within an advanced process optimization framework, the two subsystems are consistently linked through well-defined hydrogen demand and system boundary assumptions. The more comprehensive integration of hydrogen production, storage, and shaft furnace, incorporating process optimization and dynamic interactions, will be part of future developments of the present work.

3. Alternatives for In Situ H2 Production

Green hydrogen can be produced via renewable-powered water electrolysis without direct CO2 emissions. Among electrolysis technologies, alkaline water electrolysis (AWE), proton exchange membrane water electrolysis (PEMWE), and solid oxide electrolysis (SOE) are the main platforms under development. AWE remains the most mature and widely deployed option, benefiting from high technology readiness (TRL 9), long operational lifetimes, and comparatively low capital costs enabled by established manufacturing routes and abundant materials [28]. State-of-the-art alkaline systems typically operate at 60–80 °C and 1–30 bar, achieving current densities of ~0.4–1.0 A cm−2, electrical efficiencies of 63–70%, and lifetimes exceeding 100,000 h [29]. However, intrinsic limitations such as gas crossover at partial load, moderate current density, bulky designs, and a limited dynamic response constrain operational flexibility under variable renewable electricity supplies.
PEMWE has emerged as a leading alternative for renewable-integrated hydrogen production, offering higher current densities, rapid start-up and ramping capabilities, wide partial load operation, and high hydrogen purity. PEM systems typically operate at higher pressures (30–80 bar) and exhibit faster electrochemical and electrical dynamics than AWE, making them well suited for coupling with intermittent renewable energy sources and grid support services [29]. Significant research efforts have focused on improving PEMWE’s performance and durability through advances in catalysts, bipolar plates, porous transport layers, and membranes, as well as refined electrochemical and thermodynamic modeling [28]. Nevertheless, PEMWE deployment remains constrained by higher capital costs, a reliance on scarce noble metals—particularly iridium—and shorter stack lifetimes relative to alkaline systems, while SOE, despite its high theoretical efficiency, remains at a lower TRL due to challenges related to thermal cycling, material durability, and renewable integration [29].
Based on these considerations, alkaline electrolysis was selected as the benchmark electrolysis technology in this study, owing to its technological maturity, proven large-scale deployment, and robust performance. Although PEM and AEM electrolyzers may achieve higher efficiencies under specific conditions, their inclusion is not expected to qualitatively alter the system-level conclusions regarding the energy demand and hydrogen supply costs.
Complementary to direct electrolysis, ammonia cracking represents an indirect hydrogen production pathway that exploits ammonia’s high hydrogen content (17.7 wt%), ease of liquefaction at moderate pressure, and existing global infrastructure for large-scale storage and transport [30]. Hydrogen is recovered through catalytic ammonia decomposition (2NH3 → N2 + 3H2), an endothermic and equilibrium-limited reaction requiring elevated temperatures and efficient catalysts. Thermodynamic analyses indicate that near-complete conversion can be achieved at temperatures above ~600–700 °C at atmospheric pressure, with lower pressures favoring higher equilibrium conversion [31]. Catalyst development is central to ammonia cracking, with Ru-based catalysts consistently exhibiting the highest intrinsic activity; however, high costs and limited availability have driven extensive research into alternative catalyst systems, including Fe-, Ni-, and Co-based catalysts, bimetallics, nitrides, carbides, and promoted formulations [31].
Overall, the state of the art positions AWE and ammonia cracking as two technologically distinct yet complementary hydrogen supply pathways, motivating their comparative assessment in this work.
Alkaline electrolysis and NH3 cracking are detailed in Section 3.1 and Section 3.2, respectively.

3.1. Alkaline Electrolysis

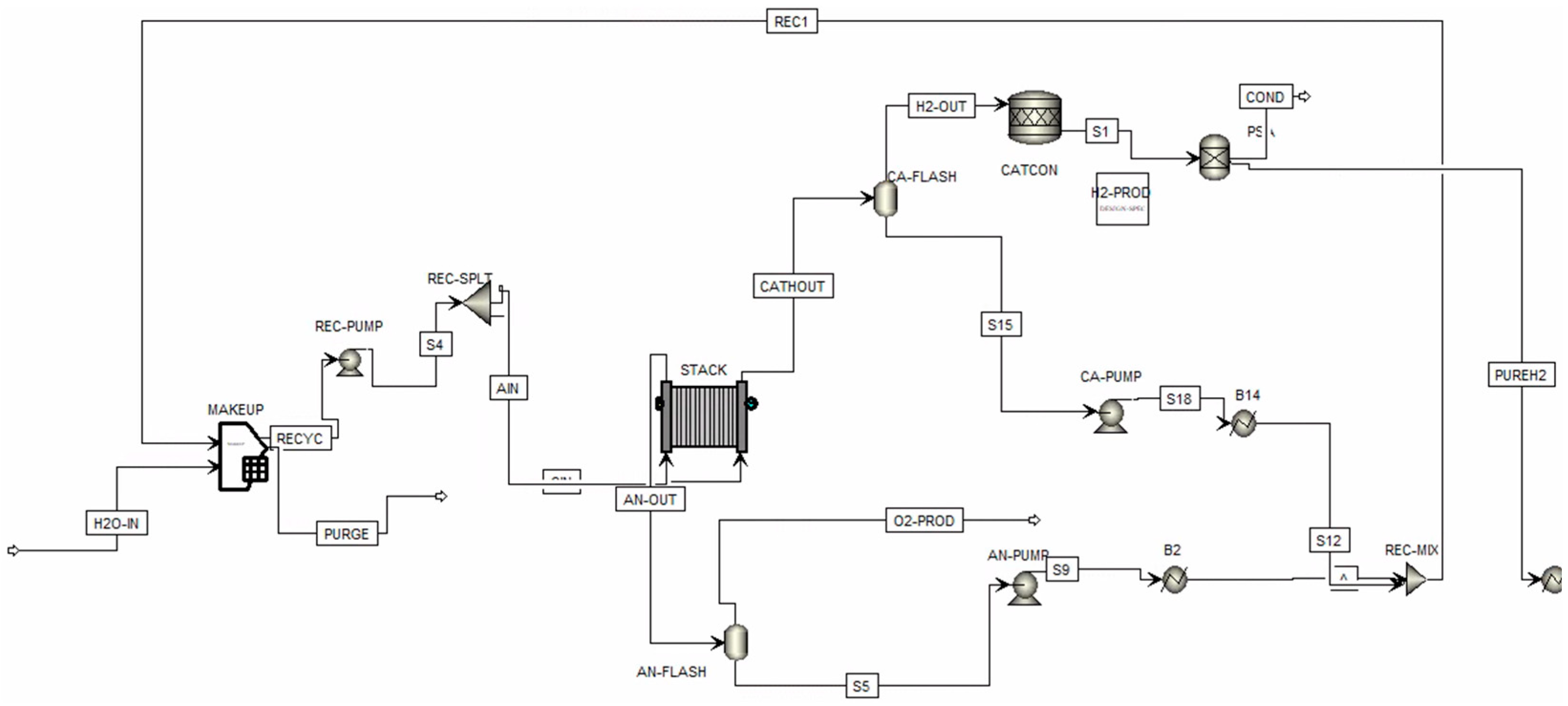
According to the first case study, green hydrogen production is carried out via alkaline water electrolysis, currently regarded as the most reliable and mature technology available. In the process, illustrated in Figure 2, seawater is used as the raw material. After appropriate pretreatment to achieve the required purity, the resulting fresh water (H2O-IN), along with the recycled stream from the separation section (REC1), enters the battery limits and is fed into the alkaline electrolyzer (STACK). Within the electrolyzer, hydrogen is produced at the cathode and oxygen at the anode. The system uses potassium hydroxide (KOH) as the electrolyte, fed in a solution at 35 wt.%, and operates at 7 bar with efficiency of 58% [32]. Each stack is rated at 30 MW capacity and, to meet the hydrogen demand of 6.88 tH2/h—required by the 100% green H2 case study in Table 1—approximately 16 stacks are needed.
Downstream of the electrolyzer, the hydrogen stream undergoes purification to remove oxygen and water. It is first routed through a catalytic deoxygenation converter (CATCON), where residual oxygen is converted into water. The deoxygenated stream is then sent to a pressure swing adsorption (PSA) unit to reduce the water content to ppm levels. The present system has been simulated in Aspen Plus® V14, with ENRTL-RK as a property method to accurately represent the electrolyte behavior in the liquid phase.
Specifications for the inlet and outlet streams are detailed in Table 2, while Table 3 summarizes the power requirements for the process shown in Figure 2. All cooling requirements, which would typically be met using cooling water as a utility, are neglected, and no external heating is required for the process.

3.2. NH3 Catalytic Decomposition

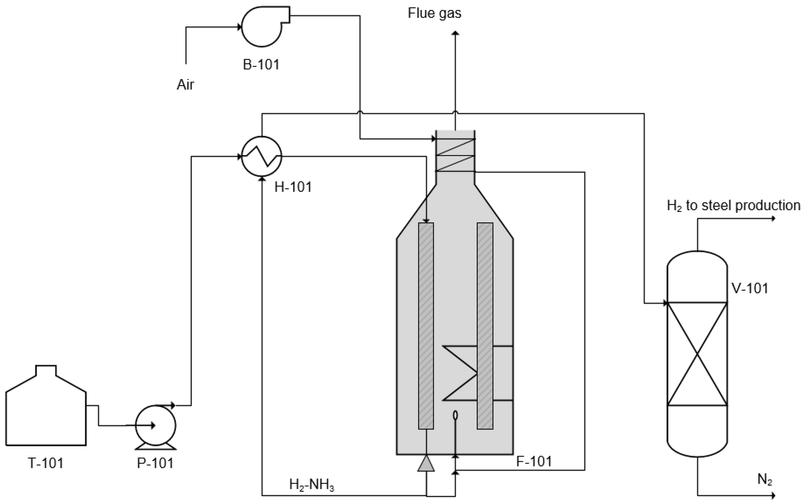
According to the second case study, an ammonia cracking plant supplied with an NH3 feed rate of 47.74 t h−1 is considered. Ammonia decomposition is assumed to take place in a fired tubular reactor operating at 40 bar, achieving the near-complete conversion of ammonia, consistent with the literature data [33]. Hydrogen separation downstream of the reactor is carried out using a pressure swing adsorption (PSA) unit.
Figure 3 illustrates the process flow diagram of the ammonia cracking furnace examined in this work. The reactor system was modeled in Aspen Plus® V14, adopting the PC-SAFT equation of state to accurately represent the high-pressure and high-temperature conditions characteristic of the cracking process. Liquid ammonia, stored at 25 °C and 15 bar, is pressurized and preheated prior to entering the furnace, which consists of vertically arranged reactor tubes. Each tube is represented as a one-dimensional pseudo-homogeneous packed-bed reactor with an internal diameter of 0.04 m and a length of 5 m. The tubes are filled with Ru-based catalyst particles, and the reaction kinetics are described using the rate expression proposed by Sayas et al. (2020) [34]. A bed void fraction of 0.4 is assumed, while pressure losses along the reactor are calculated using the Ergun equation, considering spherical catalyst particles.
The catalyst-filled tubes are located within the radiant section of the cracking furnace, where heat is supplied through a combination of radiant and convective mechanisms to sustain the strongly endothermic ammonia decomposition reaction. A fraction of the cracked product stream is recycled to the furnace burners, where it is combusted with preheated air to provide the required thermal input.
Combustion air enters the system at ambient conditions and is preheated in the convective section of the furnace by recovering heat from the flue gases. To ensure the mechanical integrity of the stainless-steel reactor tubes, the excess air ratio is controlled such that the flame temperature remains below 1400 °C.
The remaining cracked gas stream is directed through an ammonia feed preheater to recover sensible heat prior to hydrogen–nitrogen separation. This heat exchanger is designed with a minimum approach temperature difference of 10 °C to maximize thermal integration while maintaining practical heat transfer performance.
Table 4 and Table 5 detail, respectively, the inlet and outlet streams and power requirements for the NH3 cracking process. The cracked mixture is fractioned in a pressure swing adsorption unit, whose performance and consumption are retrieved from the literature [35].

4. Technical Assessment: Methodology

To compare the two green hydrogen production pathways across the different case studies, a simplified 3E (energy, economics, environmental) assessment is carried out.
Energy-wise, both green H2 production methods rely solely on electrical inputs and do not require external thermal energy. The heat required for the ammonia cracking reaction is supplied by combusting ammonia itself; therefore, no external hot utilities are needed. As a result, comparing their electricity consumption directly reflects their overall energy performance.
Table 6 reports the specific electricity demand of each process, normalized per ton of steel produced. For completeness, the equivalent total electricity consumption of the entire system (steelmaking plus green H2 production) is also provided. This value is derived from the data in Table 1 and calculated assuming the introduction of electric heaters to replace combustion, enabling all energy inputs—thermal and electric—to be expressed on a consistent electricity-equivalent basis.
Note that, for the H2O electrolysis case, seawater pretreatment energy consumption was excluded because its contribution to the overall energy balance is negligible (well below 0.1% of the total electricity consumption of water electrolysis). Therefore, this assumption does not affect the qualitative or quantitative conclusions of the present analysis.
For the NH3 cracking case, the NH3 cracker is not electrically heated but is instead powered by the combustion of ammonia. Consequently, electricity consumption is limited to auxiliary equipment, including pumping, compression, and the PSA unit for H2 purification.
From an environmental standpoint, both direct and indirect CO2 emissions are considered to assess the environmental performance of the proposed H2 production alternatives.
Across all case studies, CO2 emissions arise from the operation of the electric arc furnace (EAF), due to the combustion of coal fines and methane (if present), the oxidation of electrodes, and the calcination of CaCO3. Other by-products and environmental aspects were therefore not explicitly addressed, as they are expected to be similar across the compared hydrogen supply pathways.
In the green H2-based scenarios, electricity is assumed to be supplied entirely from renewable sources. Consequently, neither green hydrogen production nor the related electricity consumption generates direct or indirect greenhouse gas emissions. Hydrogen-based reduction reactions produce only water, and the thermal energy required to sustain the endothermic iron reduction process is delivered by electric heaters powered by renewable electricity, resulting in an emission-free heat supply.
When methane is partially introduced into the reducing gas, direct emissions occur due to reduction reactions involving CO, which forms via methane reforming within the reduction furnace. CO2 emissions are derived from the stoichiometry of the reduction reactions.
In contrast, the syngas case study includes both direct and indirect CO2 emissions. Direct emissions originate from the combustion of methane needed to sustain the reforming process for syngas production, from the reduction reactions, and from EAF operation. Indirect emissions stem from electricity consumption, to which an emission factor of 445.3 gCO2/kWh [36] is applied. The total CO2 emissions are therefore derived based on the literature model that simulates the entire process [16].
Table 7 summarizes the carbon footprints for the different case studies analyzed.
For the economic assessment, the fixed costs of electrolysis are estimated based on values reported in the literature [37], while operating expenses are calculated using the Turton methodology to ensure a consistent comparison with the NH3 cracking process. The detailed cost estimation approach is described in Restelli et al. (2025) [38].
For the NH3 cracking process, cost data are also derived from the available literature. Both capital and operating costs are scaled according to the respective plant capacities and updated to 2024 values using the Chemical Engineering Plant Cost Index (CEPCI 2024 = 800) [39]).
Table 8 summarizes the capital and operating expenses for both the alkaline electrolysis and NH3 cracking pathways across the different case studies analyzed.

5. Results and Discussion

Figure 4 illustrates the total electrical energy consumption of the integrated system, encompassing both green hydrogen production and the upstream steelmaking process, across the different case studies analyzed. From an energy perspective, the NH3 cracking route for green hydrogen production demonstrates competitive performance compared to the electrified benchmark syngas pathway. Conversely, alkaline electrolysis remains significantly more energy-intensive than the conventional carbon-based alternative, indicating that further efficiency improvements are required for its large-scale deployment in steel decarbonization.
As for the economic assessment, Figure 5 shows the levelized cost of hydrogen (LCOH) for the two H2 production systems analyzed compared to the grey hydrogen benchmark from SMR for today, across all case studies analyzed: 100% green H2, 90% green H2, and 80% green H2. Two scenarios are considered: a present one, in Figure 5a, and a future one, assumed to be ten years from the present, in 2034.
The analyses include the average “all-inclusive” cost of producing 1 kg of H2 over the entire lifetime of the plant. In addition to the OPEX and the CAPEX already reported in Table 8, it considers the costs of natural gas and CO2 emission taxes, i.e., the Emissions Trading System (ETS), a cap-and-trade system that requires industries to pay for each ton of CO2 emitted by purchasing allowances.
For the price of natural gas, a value of 0.7 EUR/kg was selected as a realistic baseline, in accordance with the average industrial consumption and SMR applications, ranging between 40 and 50 EUR/MWh [35]. For simplicity, this natural gas cost has been kept constant at 0.7 EUR/kg across all scenarios.
As regards the costs related to CO2 emissions, allowances are currently worth an average of 90 EUR/tonCO2 [40]. However, it should be noted that, currently, an average of around 70% of free allowances are allocated to the steel sector, and these concessions are expected to expire in 2034, requiring full payment for the total CO2 emissions, amounting to 150 EUR/tonCO2.
The benchmark LCOH for grey H2 was calculated based on the following assumptions:
  • Cost of H2 obtained by steam reforming, fixed at 2.8 EUR/kgH2 [35];
  • Cost of CO2 emission allowances is only 0.09 EUR/kgH2 according to ETS 2024, while a cost of 1.64 EUR/kgH2 is expected in 2034, when free allowances will end [40];
  • Other OPEX values have been set at 0.6 EUR/kgH2 in agreement with [35], taking into account the costs of electricity, water, catalysts, maintenance, personnel, and overhead;
  • CAPEX has been taken into account at 0.25 EUR/kgH2, which is the cost of a plant that has already been partially amortized according to [41].
The two figures show that the LCOH increases from 2024 to 2034, especially for the benchmark case (grey H2), because it considers the full payment of CO2 taxes. Since this system has a higher carbon footprint, it is highly affected, rising from EUR 3.74 to EUR 5.29 per kg of hydrogen produced, while the other two technologies increase the cost by only a few cents. In general, the ammonia cracking system proves to be more effective with a significantly lower LCOH than the use of electrolysis systems. This is mainly due to lower plant investment costs and to OPEX, excluding natural gas consumption and CO2 emission taxes. The difference observed in 2024 is approximately 50% when comparing fully green systems, while it drops to 45% when using only an 80% green option. However, when comparing the two systems in 2034, the LCOH between the two systems varies from 48% to 41%.
Finally, it should be noted that the LCOH decreases slightly when moving from a fully green configuration to 80% utilization. This confirms that other OPEX have a greater impact than the cost of natural gas and CO2 taxes. This is also observed in the 2034 scenario, despite the full payment of CO2 allowances.

6. Conclusions

This study presents a comparative techno-economic and environmental assessment of two green hydrogen production pathways, i.e., alkaline electrolysis and ammonia (NH3) cracking, for integration into hydrogen-based direct reduction (HyDR). Process simulations conducted in Aspen Plus® V14 enabled the detailed quantification of the mass and energy balances for the investigated configurations. The 3E (energy, economics, environmental) framework highlights the trade-offs between efficiency, cost, and emissions reduction associated with each hydrogen supply option.
Under the assumed conditions and a renewable electricity supply, both pathways can enable near-zero direct operational greenhouse gas emissions, with the electric arc furnace (EAF) remaining the primary residual source of CO2. The strong dependence on electricity input underscores the critical importance of access to low-cost, low-carbon power in achieving competitive steel decarbonization.
From an economic perspective, ammonia cracking offers advantages related to hydrogen transportability and storage flexibility. The results indicate that, under favorable assumptions regarding energy prices and system configuration, hydrogen production via NH3 cracking may approach the cost range of conventional steam methane reforming in the medium to long term. While these findings point to ammonia cracking as a promising hydrogen supply route, its competitiveness remains contingent on future developments in energy markets, technology deployment, and policy support.
It is acknowledged that green hydrogen production is currently associated with high costs and that several industrial initiatives have been postponed or reassessed in response to market uncertainties. Key barriers for commercialization by 2034, from a system and industrial perspective rather than purely a process level, are as follows:
-
The current high cost and limited availability of low-carbon hydrogen at the scale required for primary steelmaking;
-
The need for a large-scale, reliable renewable electricity supply and associated infrastructure;
-
Uncertainties related to the long-term operation, durability, and integration of hydrogen-based shaft furnaces at an industrial scale;
-
The absence or immaturity of policy frameworks capable of supporting large capital investments during the transition phase.
Future research should focus on large-scale system integration, dynamic operation under variable renewable energy supplies, and the evaluation of policy and market mechanisms required to support economic feasibility and deployment. In addition, hydrogen transport, storage, and safety considerations remain critical enablers to be accounted for. A more detailed representation of furnace operation—incorporating advanced process optimization, operational flexibility, and dynamic interactions with hydrogen production and storage systems—is thus identified as an important direction for future work.

Author Contributions

Conceptualization, E.S., D.F. and G.V.; methodology, E.S., D.F., A.T. and G.V.; software, E.S. and D.F.; validation, A.T. and D.F.; formal analysis, E.S.; investigation, A.T.; data curation, A.T. and G.V.; writing—original draft preparation, E.S., A.T. and D.F.; writing—review and editing, E.S. and G.V. All authors have read and agreed to the published version of the manuscript.

Funding

This research received no external funding.

Data Availability Statement

The data presented in this study are available on request from the corresponding author. The data are not publicly available due to privacy.

Conflicts of Interest

The authors declare no conflicts of interest.

References

  1. World Steel in Figures 2024. Available online: https://worldsteel.org/data/world-steel-in-figures-2024/ (accessed on 27 December 2025).
  2. Steel Global Industry Industry Business Analysis Report. Available online: https://www.globenewswire.com/news-release/2025/02/11/3023958/28124/en/Steel-Global-Industry-Industry-Business-Analysis-Report-2025-China-Remains-the-D (accessed on 27 December 2025).
  3. Climate Change and the Production of Iron and Steel. Available online: https://worldsteel.org/climate-action/climate-change-and-the-production-of-iron-and-steel/ (accessed on 28 December 2025).
  4. Impact of Hydrogen DRI on EAF Steelmaking. Midrex Technologies, Inc. Available online: https://www.midrex.com/tech-article/impact-of-hydrogen-dri-on-eaf-steelmaking/ (accessed on 29 December 2025).
  5. Trinca, A.; Vilardi, G.; Verdone, N. Towards carbon neutrality: The ammonia approach to green steel. Energy Convers. Manag. 2025, 326, 119482. [Google Scholar] [CrossRef]
  6. de Boer, M.; Frascati, G.; Khawsam-ang, M.; Riaz, H.; Kim, H.R.; Wagner, G. Decarbonizing Steel; Columbia Business School: New York, NY, USA, 2024. [Google Scholar]
  7. Steel-Fact-Sheet. Available online: https://ieefa.org/sites/default/files/2022-06/steel-fact-sheet.pdf (accessed on 30 December 2025).
  8. Cavaliere, P. Clean Ironmaking and Steelmaking Processes; Springer International Publishing: Berlin/Heidelberg, Germany, 2019. [Google Scholar] [CrossRef]
  9. Gawlik, L.; Mokrzycki, E. Decarbonisation determinants of the steel industry. Miner. Resour. Manag. 2024, 40, 71–90. [Google Scholar] [CrossRef]
  10. Association, W.S. World Steel in Figures 2024. 2024. Available online: https://worldsteel.org/wp-content/uploads/World-Steel-in-Figures-2024.pdf (accessed on 30 December 2025).
  11. Daehn, K.E.; Cabrera Serrenho, A.; Allwood, J.M. How will copper contamination constrain future global steel recycling? Environ. Sci. Technol. 2015, 51, 6599–6606. [Google Scholar] [CrossRef] [PubMed]
  12. Eveloy, V.; Elsheikh, H. Renewable hydrogen based direct iron ore reduction and steel making with grid assistance. Energy Convers. Manag. 2023, 297, 117544. [Google Scholar] [CrossRef]
  13. Shahabuddin, M.; Brooks, G.; Rhamdhani, M.A. Decarbonisation and hydrogen integration of steel industries: Recent development, challenges and technoeconomic analysis. J. Clean. Prod. 2023, 395, 136391. [Google Scholar] [CrossRef]
  14. Vogl, V.; Åhman, M.; Nilsson, L.J. Assessment of hydrogen direct reduction for fossil-free steelmaking. J. Clean. Prod. 2018, 203, 736–745. [Google Scholar] [CrossRef]
  15. Bhaskar, A.; Abhishek, R.; Assadi, M.; Somehesaraei, H.N. Decarbonizing primary steel production: Techno-economic assessment of a hydrogen based green steel production plant in Norway. J. Clean. Prod. 2022, 350, 131339. [Google Scholar] [CrossRef]
  16. Trinca, A.; Patrizi, D.; Verdone, N.; Bassano, C.; Vilardi, G. Toward green steel: Modeling and environmental economic analysis of iron direct reduction with different reducing gases. J. Clean. Prod. 2023, 427, 139081. [Google Scholar] [CrossRef]
  17. Pei, M.; Petäjäniemi, M.; Regnell, A.; Wijk, O. Toward a Fossil Free Future with HYBRIT: Development of Iron and Steelmaking Technology in Sweden and Finland. Metals 2020, 10, 972. [Google Scholar] [CrossRef]
  18. Graupner, Y.; Weckenborg, C.; Spengler, T.S. Designing the technological transformation toward sustainable steelmaking: A framework to provide decision support to industrial practitioners. Procedia CIRP 2022, 105, 706–711. [Google Scholar] [CrossRef]
  19. Srtil, the Salzgitter Ag Magazine. Available online: https://www.salzgitter-ag.com/fileadmin/footage/MEDIA/SZAG_microsites/salcos/STIL-02-19-SpecialPrint-Salcos-Hydrogen-en.pdf (accessed on 2 January 2026).
  20. Hydrogen-Based Steelmaking to Begin in Hamburg. 2021. Available online: https://corporate.arcelormittal.com/media/cases-studies/hydrogen-based-steelmaking-to-begin-in-hamburg (accessed on 30 December 2025).
  21. H2, H. Working Towards the Production of Zero-Carbon Emissions Steel with Hydrogen. Available online: https://corporate.arcelormittal.com/climate-action/technology-pathways-to-net-zero-steel (accessed on 30 December 2025).
  22. Hill, C. ArcelorMittal Sponsors Green Hydrogen Joint Venture; Steel Times International: Surrey, UK, 21 February 2022. [Google Scholar]
  23. Scheer, A.; Dietz, S.; Amin, A. Carbon Performance Discussion Paper. 2023. Available online: https://www.transitionpathwayinitiative.org/publications/uploads/2023-carbon-performance-assessment-of-steelmakers-discussion-paper.pdf (accessed on 30 December 2025).
  24. Uses of DRI. Midrex Technologies, Inc. Available online: https://www.midrex.com/direct-reduced-iron/uses-of-dri/ (accessed on 30 December 2025).
  25. Duarte, P. DRI UPDATE. November 2020. Available online: https://www.energiron.com/sites/default/files/documents/2020_11-Experience%20and%20Developments%20of%20the%20ENERGIRON%20DR%20Technology%20for%20H2%20Use.pdf (accessed on 30 December 2025).
  26. Canu, P.; Nogare, D.D.; Zugliano, A.; Primavera, A.; Melchiori, T. Multiphysics simulation of a DRP shaft furnace. In Proceedings of the STEELSIM 2013 International Conference on Modelling and Simulation of Metallurgical Processes in Steelmaking, Ostrava, Czech Republic, 10–12 September 2013; Available online: https://www.researchgate.net/publication/314844152 (accessed on 30 December 2025).
  27. Marc, H.; Matthias, W.; Sebastian, G. Evaluation of hydrogen-based production of DRI. Stahl Eisen 2017, 137, 53. [Google Scholar]
  28. Sezer, N.; Bayhan, S.; Fesli, U.; Sanfilippo, A. A comprehensive review of the state-of-the-art of proton exchange membrane water electrolysis. Mater. Sci. Energy Technol. 2025, 8, 44–65. [Google Scholar] [CrossRef]
  29. Tofighi-Milani, M.; Fattaheian-Dehkordi, S.; Lehtonen, M. Electrolysers: A Review on Trends, Electrical Modeling, and Their Dynamic Responses. IEEE Access 2025, 13, 39870–39885. [Google Scholar] [CrossRef]
  30. Pellegrini, L.A.; Spatolisano, E.; Restelli, F. Green H2 Transport Through LH2, NH3 and LOHC: Opportunities and Challenges; Briefs in Applied Sciences and Technology; Springer: Cham, Switzerland, 2024. [Google Scholar]
  31. Krishnan, V.; Hussain, K. Hydrogen production from ammonia cracking. In Sustainable and Green Catalytic Processes for Renewable Fuel Production with Net-Zero Emissions; Elsevier: Amsterdam, The Netherlands, 2025; pp. 261–286. [Google Scholar]
  32. Amores, E.; Sànchez, M.R.N.; Sànchez-Molina, M. 9—Renewable hydrogen production by water electrolysis. In Sustainable Fuel Technologies Handbook; Academic Press: Cambridge, MA, USA, 2021; pp. 271–313. [Google Scholar]
  33. Spatolisano, E.; Restelli, F.; De Guido, G.; Moioli, S.; Pellegrini, L.A. Catalysts for unlocking H2 production from NH3: A process design perspective. Appl. Catal. A Gen. 2026, 710, 120670. [Google Scholar] [CrossRef]
  34. Sayas, S.; Morlanés, N.; Katikaneni, S.P.; Harale, A.; Solamib, B.; Gascon, J. High pressure ammonia decomposition on Ru–K/CaO catalysts. Catal. Sci. Technol. 2020, 10, 5027–5035. [Google Scholar] [CrossRef]
  35. The Future of Hydrogen. Seizing Today’s Opportunities; International Energy Agency (IEA): Paris, France, 2019. [Google Scholar]
  36. ISPRA. Indicatori di Efficienza e Decarbonizzazione del Sistema Energetico Nazionale e del Settore Elettrico. September 2023. Available online: https://www.isprambiente.gov.it/files2022/pubblicazioni/rapporti/r363-2022.pdf (accessed on 30 December 2025).
  37. European Hydrogen Observatory. Levelised Cost of Hydrogen (LCOH) Calculatore Manual; Cleaqn Hydrogen Partership: Brussels, Belgium, 2024. [Google Scholar]
  38. Restelli, F.; Spatolisano, E.; Pellegrini, L.A. Energy and economic assessment of LH2, NH3, TOL/MCH and H0-DBT/H18-DBT for large-scale hydrogen transport. Mater. Today Sustain. 2025, 31, 101187. [Google Scholar] [CrossRef]
  39. Access Intelligence, LLC. The Chemical Engineering Plant Cost Index. 2025. Available online: https://www.chemengonline.com/pci-home (accessed on 30 December 2025).
  40. Decarbonising Steel; Carbon Market Watch: Bruxelles, Belgium, 2022.
  41. The European Hydrogen Market Landscape; European Hydrogen Observatory: Brussels, Belgium, 2024.
Figure 1. (a) MIDREX process plant, (b) fully hydrogen-based DRI plant, and (c) hybrid hydrogen and natural gas DRI plant.
Figure 1. (a) MIDREX process plant, (b) fully hydrogen-based DRI plant, and (c) hybrid hydrogen and natural gas DRI plant.
Energies 19 00717 g001aEnergies 19 00717 g001b
Figure 2. Process flow diagram of H2 production via alkaline electrolysis.
Figure 2. Process flow diagram of H2 production via alkaline electrolysis.
Energies 19 00717 g002
Figure 3. Process flow diagram of H2 production via NH3 catalytic decomposition.
Figure 3. Process flow diagram of H2 production via NH3 catalytic decomposition.
Energies 19 00717 g003
Figure 4. Electric consumption [MWh/tonsteel] for the different case-studies analyzed, compared with the benchmark fossil-based process.
Figure 4. Electric consumption [MWh/tonsteel] for the different case-studies analyzed, compared with the benchmark fossil-based process.
Energies 19 00717 g004
Figure 5. Levelized cost of hydrogen (LCOH) [EUR/kgH2] for the different case studies analyzed, compared with the benchmark fossil-based process, for (a) the present scenario and (b) a future scenario.
Figure 5. Levelized cost of hydrogen (LCOH) [EUR/kgH2] for the different case studies analyzed, compared with the benchmark fossil-based process, for (a) the present scenario and (b) a future scenario.
Energies 19 00717 g005aEnergies 19 00717 g005b
Table 1. Flow rates, energy consumption, carbon footprints, and operating conditions of the different case studies.
Table 1. Flow rates, energy consumption, carbon footprints, and operating conditions of the different case studies.
Case StudyH2 [t/h]NG
[t/h]
Inlet Gas Temperature [°C] and Pressure [bar]Electric Energy Consumption
[MWh/tsteel]
Thermal Energy Consumption
[MWh/tsteel]
MIDREXEnergiron
100% green H26.880940, 2.4950, 7.81.30 + green H2 supply0.16
90% green H24.764.20940, 2.4950, 7.81.30 + green H2 supply0.63
80% green H23.446.82940, 2.4950, 7.81.30 + green H2 supply0.92
Syngas0.0021.38930, 2.4950, 7.80.652.74
Table 2. Inlet and outlet streams for the process in Figure 2.
Table 2. Inlet and outlet streams for the process in Figure 2.
Stream NameH2O-INPUREH2O2-PRODCOND
Inlet WaterOutlet H2Outlet O2Outlet Condensate
T°C2540102.675.89
Pbara8717
Molar Fractions
O2 0097.230
H2 010.010
H2O 102.761
FTOTton/h64.406.9455.921.54
Table 3. Power requirements for the process in Figure 2.
Table 3. Power requirements for the process in Figure 2.
EquipmentPIN
[bara]
POUT
[bara]
W
[kW]
STACK--524,000
REC-PUMP77.242.54
AN-PUMP77.316.77
Table 4. Inlet and outlet streams for the process in Figure 3.
Table 4. Inlet and outlet streams for the process in Figure 3.
Stream NameNH3AirH2 to Steel ProductionFlue Gas
Inlet NH3Inlet AirOutlet H2Outlet Gas
T°C20252592.4
Pbara151.11401
Molar Fractions
NH3 10 0
H2 000.99900
N2 00.790.00100.7417
O2 00.2100.1095
H2O 0000.1487
N2O 0000
NO 0000.0001
FTOTton/h47.74129.196.88137.79
Table 5. Power requirements for the process in Figure 3.
Table 5. Power requirements for the process in Figure 3.
EquipmentPIN
[bara]
POUT
[bara]
W
[kW]
B-10114018,933.87
P-101140184.84
V-101 [35]--10,264.52
Table 6. Electric consumption of H2 production processes and total process electric consumption.
Table 6. Electric consumption of H2 production processes and total process electric consumption.
Alkaline ElectrolysisNH3 CrackingAlkaline ElectrolysisNH3 Cracking
Case StudyElectricity Consumption—H2 Production
[MWh/tsteel]
Electricity Consumption—H2 Production
[MWh/tsteel]
Total Consumption
[MWh/tsteel]
Total Consumption
[MWh/tsteel]
100% green H22.910.244.371.70
90% green H22.620.214.552.14
80% green H22.330.194.552.41
Syngas003.393.39
Table 7. Carbon footprints for the different case studies analyzed.
Table 7. Carbon footprints for the different case studies analyzed.
Case StudyCO2 Footprint [kg/tsteel]
100% green H297.00
90% green H2189.33
80% green H2247.05
Syngas [16]770.66
Table 8. Capital expenses (CAPEX) and operating expenses (OPEX) for the different case studies analyzed.
Table 8. Capital expenses (CAPEX) and operating expenses (OPEX) for the different case studies analyzed.
Alkaline ElectrolysisNH3 Cracking
Case StudyCAPEX (2024)
[M-EUR]
OPEX
[M-EUR/y]
CAPEX (2024)
[M-EUR]
OPEX
[M-EUR/y]
100% green H2605.46577.86142.07349.49
90% green H2544.91520.07131.34314.54
80% green H2484.37462.29120.30279.59
Syngas0000
Disclaimer/Publisher’s Note: The statements, opinions and data contained in all publications are solely those of the individual author(s) and contributor(s) and not of MDPI and/or the editor(s). MDPI and/or the editor(s) disclaim responsibility for any injury to people or property resulting from any ideas, methods, instructions or products referred to in the content.

Share and Cite

MDPI and ACS Style

Spatolisano, E.; Trinca, A.; Flagiello, D.; Vilardi, G. Green Hydrogen Production for Decarbonizing the Steel Industry: Energy and Economic Assessment of Electrolysis and Ammonia Cracking Systems. Energies 2026, 19, 717. https://doi.org/10.3390/en19030717

AMA Style

Spatolisano E, Trinca A, Flagiello D, Vilardi G. Green Hydrogen Production for Decarbonizing the Steel Industry: Energy and Economic Assessment of Electrolysis and Ammonia Cracking Systems. Energies. 2026; 19(3):717. https://doi.org/10.3390/en19030717

Chicago/Turabian Style

Spatolisano, Elvira, Antonio Trinca, Domenico Flagiello, and Giorgio Vilardi. 2026. "Green Hydrogen Production for Decarbonizing the Steel Industry: Energy and Economic Assessment of Electrolysis and Ammonia Cracking Systems" Energies 19, no. 3: 717. https://doi.org/10.3390/en19030717

APA Style

Spatolisano, E., Trinca, A., Flagiello, D., & Vilardi, G. (2026). Green Hydrogen Production for Decarbonizing the Steel Industry: Energy and Economic Assessment of Electrolysis and Ammonia Cracking Systems. Energies, 19(3), 717. https://doi.org/10.3390/en19030717

Note that from the first issue of 2016, this journal uses article numbers instead of page numbers. See further details here.

Article Metrics

Back to TopTop