Optimal Energy Storage Allocation for Power Systems with High-Wind-Power Penetration Against Extreme-Weather Events
Abstract
1. Introduction
2. Materials and Methods
2.1. Risk Assessment Modeling of Power Systems Under Extreme Weather
2.1.1. Identification of Extreme Wind Power Output Scenarios
2.1.2. Risk Assessment
2.2. Energy Storage Allocation Optimization Considering Extreme-Weather Risks
2.2.1. Typical-Day and Extreme-Day Wind Power Output Scenario Generation
2.2.2. Energy Storage Allocation Optimization Model
- (1)
- CInv Annualized investment cost
- (2)
- CSB,Ope typical-day operational cost
- (3)
- CCUT,Ope Extreme-day risk cost
2.2.3. Two-Stage Energy Storage Allocation Optimization Two-Stage Energy Storage Allocation Optimization
3. Results
3.1. Case Configuration
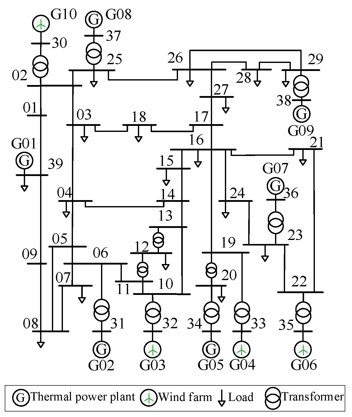
3.1.1. System Architecture
3.1.2. Wind Power Output Scenarios
3.1.3. Parameter Setting
3.2. Analysis of Energy Storage Allocation Results
3.3. Power System Operation Results Under Typical and Extreme Days
3.4. Economic Analysis
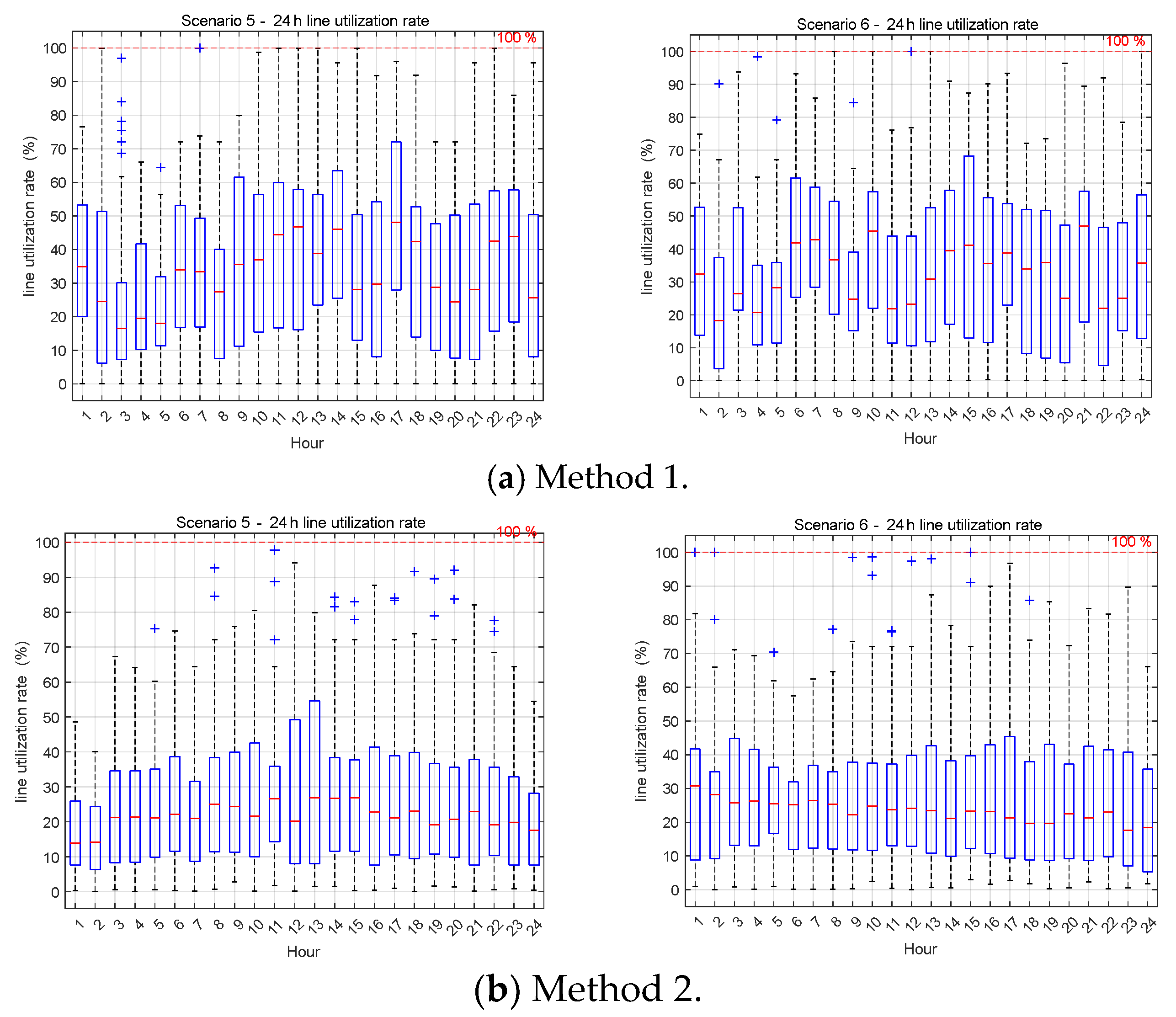
3.5. Effectiveness for Operation Security Enhancement
3.6. Sensitivity with Respect to the Extreme-Day Probability Weight γ
3.7. Comparison with Traditional RO
4. Conclusions
Author Contributions
Funding
Data Availability Statement
Conflicts of Interest
References
- DeAngelo, J.; Azevedo, I.; Bistline, J.; Clarke, L.; Luderer, G.; Byers, E.; Davis, S.J. Energy systems in scenarios at net-zero CO2 emissions. Nat. Commun. 2021, 12, 6096. [Google Scholar] [CrossRef]
- Shu, Y.; Fan, J.; Li, Q.; Hu, H.; Li, L.; Wei, X. Interpretation of the IEC white paper “Zero-carbon power system with new energy as the main body”. Autom. Electr. Power Syst. 2024, 48, 1–10. (In Chinese) [Google Scholar]
- Pan, W.; Li, Y. Improving power grid resilience under extreme weather conditions with proper regulation and management of DERs—Experiences learned from the 2021 Texas power crisis. Front. Energy Res. 2022, 10, 919651. [Google Scholar] [CrossRef]
- Xu, L.; Feng, K.; Lin, N.; Perera, A.; Poor, H.V.; Xie, L.; Ji, C.; Sun, X.A.; Guo, Q.; O’mAlley, M. Resilience of renewable power systems under climate risks. Nat. Rev. Electr. Eng. 2024, 1, 53–66. [Google Scholar] [CrossRef]
- Ye, L.; Pei, M.; Yang, J.; Song, X.; Luo, Y.; Zhang, Z.; Yu, Y.; Tang, Y. Power and energy balance framework for renewable-dominated power systems under extreme weather. Autom. Electr. Power Syst. 2025, 49, 2–18. (In Chinese) [Google Scholar] [CrossRef]
- Sioshansi, R.; Denholm, P.; Arteaga, J.; Awara, S.; Bhattacharjee, S.; Botterud, A.; Cole, W.; Cortes, A.; De Queiroz, A.R.; DeCarolis, J.; et al. Energy-storage modeling: State-of-the-art and future research directions. IEEE Trans. Power Syst. 2022, 37, 860–875. [Google Scholar] [CrossRef]
- Tang, X.; Li, W.; Shen, X. Research progress and prospect of energy storage planning methods for the new-type power system. Autom. Electr. Power Syst. 2024, 48, 178–191. (In Chinese) [Google Scholar]
- Wang, S.; Geng, G.; Jiang, Q. Robust co-planning of energy storage and transmission line with mixed integer recourse. IEEE Trans. Power Syst. 2019, 34, 4728–4738. [Google Scholar] [CrossRef]
- Xie, L.; Huang, T.; Zheng, X.; Liu, Y.; Wang, M.; Vittal, V.; Kumar, P.; Shakkottai, S.; Cui, Y. Energy system digitization in the era of AI: A three-layered approach toward carbon neutrality. Patterns 2022, 3, 100640. [Google Scholar] [CrossRef]
- Maghami, A.; Ursavas, E.; Cherukuri, A. A two-step approach to Wasserstein distributionally robust chance- and security-constrained dispatch. IEEE Trans. Power Syst. 2024, 39, 1447–1459. [Google Scholar] [CrossRef]
- Li, J.; Xu, Z.; Liu, H.; Wang, C.; Wang, L.; Gu, C. A Wasserstein distributionally robust planning model for renewable sources and energy storage systems under multiple uncertainties. IEEE Trans. Sustain. Energy 2023, 14, 1346–1356. [Google Scholar] [CrossRef]
- Wang, J.; Zeng, P.; Yin, L.; Dong, Y.; Liu, X.; Yang, R. A two-stage distributed stochastic planning method for source-grid-load-storage flexibility resources considering flexible ramp capacity. Int. J. Electr. Power Energy Syst. 2024, 160, 110134. [Google Scholar] [CrossRef]
- Alobaidi, A.H.; Khodayar, M.; Vafamehr, A.; Gangammanavar, H.; Khodayar, M.E. Stochastic expansion planning of battery energy storage for the interconnected distribution and data networks. Int. J. Electr. Power Energy Syst. 2021, 133, 107231. [Google Scholar] [CrossRef]
- Zhang, N.; Jiang, H.; Du, E.; Zhuo, Z.; Wang, P.; Wang, Z.; Zhang, Y. An efficient power system planning model considering year-round hourly operation simulation. IEEE Trans. Power Syst. 2022, 37, 4925–4935. [Google Scholar] [CrossRef]
- Zhou, Y.; Li, X.; Han, H.; Wei, Z.; Zang, H.; Sun, G.; Chen, S. Resilience-oriented planning of integrated electricity and heat systems: A stochastic distributionally robust optimization approach. Appl. Energy 2024, 353, 122053. [Google Scholar] [CrossRef]
- Xue, Y.; Zhang, K.; Wang, Z.; Guo, G.; Liu, D.; Shi, R.; Huang, S. Planning of distributed energy storage with the coordination of transmission and distribution systems considering extreme weather. Front. Energy Res. 2024, 12, 1505582. [Google Scholar] [CrossRef]
- Ghasemi, M.; Kazemi, A.; Bompard, E.; Aminifar, F. A two-stage resilience improvement planning for power distribution systems against hurricanes. Int. J. Electr. Power Energy Syst. 2021, 132, 107214. [Google Scholar] [CrossRef]
- Xia, B.; Cao, K.; Xu, Z.; Liu, C.; Liu, Y. Coordinated optimization of voltage regulation and power loss reduction for distribution network with ultra-high penetration photovoltaics. J. Electr. Eng. 2024, 19, 108–119. (In Chinese) [Google Scholar]
- Yang, X.; Liu, X.; Li, Z.; Xiao, G.; Wang, P. Resilience-oriented proactive operation strategy of coupled transportation power systems under exogenous and endogenous uncertainties. Reliab. Eng. Syst. Saf. 2025, 262, 111161.22. [Google Scholar] [CrossRef]
- Papavasiliou, A.; Oren, S.S. Multiarea stochastic unit commitment for high wind penetration in a transmission constrained network. Oper. Res. 2013, 61, 578–592. [Google Scholar] [CrossRef]
- Zhao, T.; Zhang, H.; Liu, X.; Yao, S.; Wang, P. Resilient unit commitment for day-ahead market considering probabilistic impacts of hurricanes. IEEE Trans. Power Syst. 2020, 36, 1082–1094. [Google Scholar] [CrossRef]
- Wan, Z.; Fu, L.; Pu, Z.; Du, Z.; Chen, Z.; Zhu, Y.; Ma, X. Optimization of the lightning warning model for distribution network lines based on multiple meteorological factor thresholds. Front. Energy Res. 2023, 11, 1220867. [Google Scholar] [CrossRef]
- Fei, Z.; Zou, Y.; Hua, W.; Banda, O.V.; Guerrero, J.M.; Li, Z. Weather routing-based multi-energy ship microgrid operation under diverse uncertainties: A risk-averse stochastic approach. IEEE Trans. Smart Grid 2025, 16, 4648–4659. [Google Scholar] [CrossRef]
- Chen, X.; Liu, Y.; Wu, L. Towards improving unit commitment economics: An add-on tailor for renewable energy and reserve predictions. IEEE Trans. Sustain. Energy 2024, 15, 2547–2566. [Google Scholar] [CrossRef]
- Ohlendorf, N.; Schill, W.-P. Frequency and duration of low-wind-power events in Germany. Environ. Res. Lett. 2020, 15, 084045. [Google Scholar] [CrossRef]
- Wang, X. Forecasting of Ramp Events for Wind Power and Load. Ph.D. Thesis, Shandong University, Jinan, China, 2022. (In Chinese). [Google Scholar]
- Coffrin, C.; Van Hentenryck, P. A linear-programming approximation of AC power flows. Inf. J. Comput. 2014, 26, 718–734. [Google Scholar] [CrossRef]
- Wang, C.; Dong, P.; Ke, S.; Ma, M.; Liu, M. Two-stage siting and sizing stochastic planning of grid-side energy storage for large-scale offshore wind integration. High Volt. Eng. 2025, 51, 1696–1707. (In Chinese) [Google Scholar]
- Song, M.; Lin, G.; Gao, C.; Zhang, Z.; Chen, T. Generalized shared-storage optimal allocation method considering multiple uncertainties. Trans. China Electrotech. Soc. 2025, 40, 1521–1539. (In Chinese) [Google Scholar]








| Parameter | Symbol | Value/Range |
|---|---|---|
| Energy storage capacity (mwh) | 2100 | |
| Energy storage power (MW) | 800 | |
| Charge/discharge efficiency (%) | ηch/ηdis | 0.95/0.95 |
| Annualized unit power investment cost (CNY/(MW·year)) | 1000 | |
| Annualized unit energy investment cost (CNY/(MWh·year)) | 1110 | |
| Load shedding cost (CNY/MWh) | 5000 | |
| Line security margin cost (CNY/MWh) | 1000 | |
| Wind power curtailment cost (CNY/MW) | 1500 | |
| Capacity availability (%) | / | 0.05/0.95 |
| Allocation Result | Bus | Energy Storage Capacity (MWh) | Energy Storage Power (MW) | Load Shedding (MW) |
|---|---|---|---|---|
| Method 1 | 22 | 1971.9 | 467.0 | 1844.2715(34.5%) |
| 30 | 733.8 | 157.6 | ||
| Method 2 | 3 | 1654.4 | 365.8 | 109.3119(2.04%) |
| 30 | 1210.8 | 258.8 |
| Method | Operating Cost (×104 CNY) | Wind Power Curtailment Cost (×104 CNY) | Load Shedding Cost (×104 CNY) | Investment Cost (×104 CNY) | Total Cost (×104 CNY) |
|---|---|---|---|---|---|
| Method 1 | 344.9974 | 0.00 | 20.7953 | 362.8029 | 728.5957 |
| Method 2 | 351.3231 | 0.00 | 26.8392 | 380.5035 | 758.6658 |
| Method | ΣE (MWh) | ΣP (MW) | Investment Cost (×104 CNY) | Total Cost (×104 CNY) | Load Shedding Ratio% |
|---|---|---|---|---|---|
| RO | 8617.1647 | 1430.6648 | 1099.5678 | 1613.9887 | 0.00 |
| Proposed | 2865.2202 | 624.6405 | 380.5035 | 758.6658 | 2.04 |
Disclaimer/Publisher’s Note: The statements, opinions and data contained in all publications are solely those of the individual author(s) and contributor(s) and not of MDPI and/or the editor(s). MDPI and/or the editor(s) disclaim responsibility for any injury to people or property resulting from any ideas, methods, instructions or products referred to in the content. |
© 2025 by the authors. Licensee MDPI, Basel, Switzerland. This article is an open access article distributed under the terms and conditions of the Creative Commons Attribution (CC BY) license.
Share and Cite
Zhang, J.; Zhang, Y.; Teng, J.; Wang, N.; Yuan, Z.; Sun, D.; Sun, R. Optimal Energy Storage Allocation for Power Systems with High-Wind-Power Penetration Against Extreme-Weather Events. Energies 2026, 19, 146. https://doi.org/10.3390/en19010146
Zhang J, Zhang Y, Teng J, Wang N, Yuan Z, Sun D, Sun R. Optimal Energy Storage Allocation for Power Systems with High-Wind-Power Penetration Against Extreme-Weather Events. Energies. 2026; 19(1):146. https://doi.org/10.3390/en19010146
Chicago/Turabian StyleZhang, Jie, Yuyue Zhang, Jingyi Teng, Nan Wang, Zhenhua Yuan, Donglei Sun, and Runjia Sun. 2026. "Optimal Energy Storage Allocation for Power Systems with High-Wind-Power Penetration Against Extreme-Weather Events" Energies 19, no. 1: 146. https://doi.org/10.3390/en19010146
APA StyleZhang, J., Zhang, Y., Teng, J., Wang, N., Yuan, Z., Sun, D., & Sun, R. (2026). Optimal Energy Storage Allocation for Power Systems with High-Wind-Power Penetration Against Extreme-Weather Events. Energies, 19(1), 146. https://doi.org/10.3390/en19010146

