Abstract
A significant energy release over a short time is achieved in replicable experiments involving the interaction of deuterium gas with constantan specimens. The experiments were carried out in a gas chamber where the injected deuterium interacted with heated specimens: (i) Many replicable experiments were performed at initial temperatures in the range of 666–681 °C. The temperatures of the specimens began to increase ~8 s after the beginning of deuterium injection as additional increases of 358–382 °C reached after ~30 s. The released excess power was in the range of 183–209 W, its density ranged from ~114–130 W/g, and the ratio of (output power)/(input power) was ≈ 3.76–3.91. (ii) Several replicable experiments were performed at initial temperatures of 950 °C. In all these experiments, explosive evaporation of the wires occurred immediately after the beginning of deuterium injection. The released excess momentary power was greater than 3400 W, its density was 2280 W/g, and the ratio of (output power)/(input power) was ≈ 16 and greater. The outcomes found were as follows: (a) the released excess power was not of electrical origin; (b) the released excess power of chemical origin was less than ~0.18% of the total released excess power; (c) the significant density of the released excess power; and (d) helium release, correlating with the energy release, was observed. The conclusion that the released energy is of nuclear origin was drawn.
1. Introduction
The experimental outcomes presented in this article are a continuation of the author’s experiments in [1]. It must be pointed out that the results published in [1] are experiments performed in a gas chamber, with only a minor portion of the total worldwide reported experiments in this field pertaining to the interaction of deuterium gas with certain specimens. A major portion of experiments claiming to show outcomes connected with nuclear energy release are based on the electrolysis of heavy water, as the initial experimental results published in [2,3] are. This author will not make a review of the experiments based on electrolysis, because the main goal of this paper is to focus on experiments involving the interaction of deuterium gas with solid specimens.
Experimental outcomes based on the interaction of both deuterium gas and hydrogen gas with solid-state specimens were reported in [4,5,6,7,8,9,10,11,12,13,14,15,16,17], and the reported outcomes are mainly concerned with the registration of released energy (heat) during these experiments. Also, several other journal papers [18,19,20,21,22] pertaining to deuterium/hydrogen gas interactions with solids were published. It must be noted that although initially these types of experiments were based on the electrolysis of heavy water, in later stages, the same types of experiments, including interactions of either deuterium gas, hydrogen gas or a gas mixture of both with solid matter, dominate.
Although part of the reported experimental results pertains to energy excess in experiments where deuterium gas was involved, another part of the experiments in [4,5,9,11,16,17] show energy release based on the interaction of protium hydrogen gas with solid matter.
Experimental outcomes resulting from the interaction of deuterium gas with constantan wire specimens are reported in this paper. In fact, two sets of experiments are reported. One which involved destroying the specimens (at relatively high initial temperatures) and one without destroying the specimens (at relatively low initial temperatures). The first set of experiments was carried out at an initial temperature of 950 °C, where explosive destruction of the specimens, associated with metal evaporation, was observed in all experiments. The corresponding energy release was determined. The second set of experiments were carried out with the initial temperatures of the constantan wire in the range of 666–681 °C for different experiments. The temperature excess and power excess in the interaction of deuterium gas with constantan specimens were determined.
It must be noted that the purpose of this paper is to show successfully performed experiments on the interaction of deuterium gas with constantan, resulting in significant energy release over a short time. Although the successfully performed experiments reported in this paper are based on the interaction of deuterium gas with constantan, an interaction also used by other researchers, the author introduced two new things into the experimental scheme: (i) the preliminary establishment of the specimen’s temperature, which exceeds a certain critical temperature, and (ii) the pulsing injection of deuterium gas into the chamber where the specimen was mounted and the duration of the deuterium pulses has been controlled. The experimental advantages of this scheme are provided in the text below and are also summarized in the “Conclusion” section.
2. Materials and Methods
The common features of all the experimental schemes given in the paper are as follows:
- (i)
- Each specimen consisted of a constantan wire coiled on an alumina rod.
- (ii)
- The specimens were mounted in a gas chamber where deuterium gas with 99.995% purity was the subject of injection. (It must be noted that the deuterium gas purity was guaranteed by the company producer according to the Canadian standards about chemical products. In addition, it was determined before each experiment by RGA that there were no gases in the chamber pertaining to 3, 4 and 5 mass units). The unit deuterium pressure setup in the gas chamber was Pr0 = 0.1 Bar, as the deuterium gas was subject to injection through a valve. The pressure in the gas chamber before the deuterium injection was maintained in a range ~1.3 × 10−7 Bar.
- (iii)
- The specimens were initially heated by external AC current and the electrical parameters of the electrical circuit were controlled by both voltmeter and amp meter.
- (iv)
- Two possibilities for temperature measurements of the specimens were considered—an externally mounted optical fiber pyrometer and an externally mounted optical fiber StellarNet EPP2000 spectrometer (StellarNet Inc., Tampa, FL, USA). Both measuring devices were calibrated by the manufacturer in order for systematic errors to be avoided.
The temperature measurements with the optical fiber pyrometer were based on the data acquisition of the radiated power from the specimen by the pyrometer and the subsequent processing of these data by software in order for a certain number of measurements to be considered for a certain average value to be determined and the impact of the random error to be reduced. The uncertainty in the temperature measurement in this case was ±0.5 0K.
The temperature measurements with the optical fiber spectrometer were based on the data acquisition of the radiated optical spectrum from the specimen by a CCD optical sensor and the subsequent processing of these data by software in order for a certain number of measurements to be considered for a certain average value to be determined and the impact of the random error to be reduced. The uncertainty in temperature measurement in this case was ±0.2 0K.
The energy release was determined on the basis of the temperature of the constantan wire, with an uncertainty of ±0.2%.
- (v)
- The neutron radiation measurements were performed by a Ludlum Model 15—3He counter model 42-14H (Ludlum Measurements, Inc., Sweetwater, FL, USA) —and three BD-PND bubble detectors covering the range 1.3–25 b/mrem. The devices were calibrated by the manufacturers in order for systematic errors to be avoided.
- (vi)
- The gamma radiation measurements were performed by a Ludlum Model 16—Geiger–Mueller counter model 44-7 (Ludlum Measurements, Inc., Sweetwater, FL, USA). The equipment was calibrated by the manufacturer in order for systematic errors to be avoided.
- (vii)
- No voltage was applied to the anode of the plasma source and the experiments were carried out without plasma.
- (viii)
- The chemical content and the pressures of the gases belonging to this content were measured by a residual gas analyzer (RGA) calibrated by the manufacturer.
- (ix)
- On the basis of RGA data pertaining to the 20 mass units, it was determined that possible chemical reactions may have taken place during the injection of the deuterium gas into the gas chamber. One reaction may have been the interaction of the deuterium with parasitic oxygen, giving D2O, and the other could have been a deuterium–parasitic nitrogen interaction, giving D3N, as both chemical reactions are exothermic. However, it was determined in the circumstances of the experiments that formation of D3N was almost impossible in terms of the temperatures and catalysts, and the conclusion that the formation of D2O took place during the experiments was drawn. On this basis, and in consideration of the RGA data pertaining to the 20 mass units, it was determined that the released energy of chemical origin was in the range of 0.075–7.5 J for the different experiments. The RGA apparatus could determine a minimum gas concentration corresponding to 1 × 10−10 Torr. The RGA was calibrated by the manufacturer in order for systematic errors to be avoided. The RGA measurements were performed by a vacuum device making mass-spectroscopical data acquisition followed by the subsequent processing of these data by software in order for a certain number of measurements to be considered for a certain average value to be determined and the impact of the random error to be reduced.
- (x)
- Both the heater and the thermocouple associated with the sample holder were not used in the experiments.
- (xi)
- The experiments were carried out according to the Canada Occupational Health and Safety Regulations (SOR/86-304) applied to the deuterium safety data sheet E-4585.
- (xii)
- The delivery of the deuterium gas in the chamber was performed through two independent gas regulators connected in series. Practically, there was no reason for an unexpected and uncontrolled change in the gas pressure in the chamber. Due to this reason, there were no conditions for the occurrence of dangerous circumstances during the experiments. Certain experiments could be jeopardized, but only if the initial temperature provided the opportunity for the temperature due to the energy release to destroy the constantan wire, as in this case the wire would go out of order and the experiment would stop.
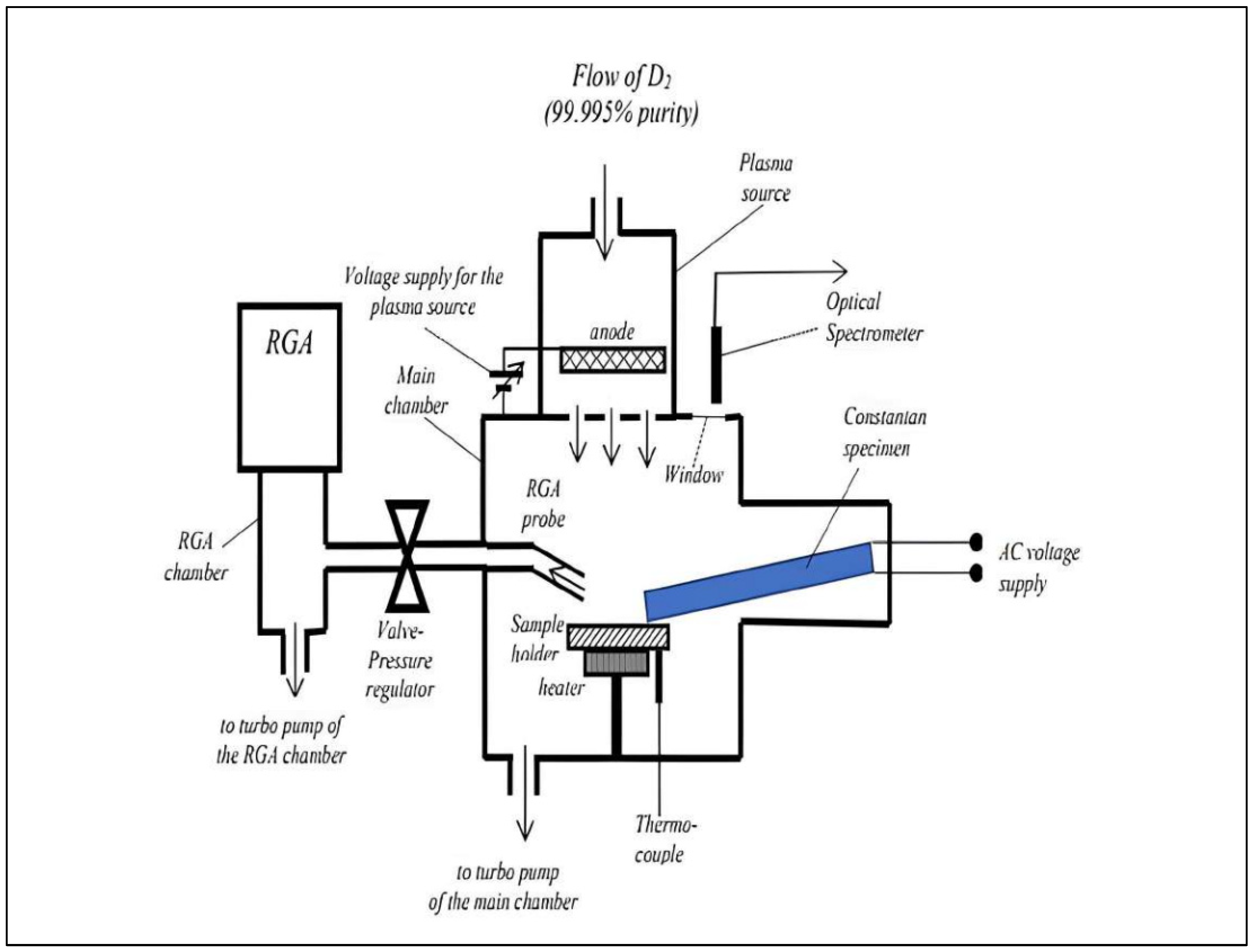
3. Experiments at Initial Temperatures Below 700 °C
The experimental scheme is provided in Figure 1. (Note that the optical fiber input of the spectrometer has the same position in the case of optical measurements like the position of the pyrometer).
Figure 1.
Experimental scheme for experiments at initial temperature below 700 °C.
3.1. Whole-Specimen Experiments at Initial Temperatures 300 °C and 400 °C
The purpose of these experiments was to determine the impact of the interaction of deuterium gas with the constantan wire, and further experiments were to be planned if there was an energy release. Only a pyrometer was used to measure the temperature of the whole specimen, including both the wire and the rod. In fact, two types of experiments were performed:
3.1.1. Experiments with Injection of Room Temperature Pure Nitrogen Gas with Specific Heat Capacity cp = 1040 J/(kg·K) (Figure 2)
- -
- The initial temperature of the whole specimen was set to 300 °C by applying AC current through the constantan wire, and the pressure of the nitrogen was changed along the pressure interval Pr0-24 Pr0 with step increments equal to Pr0. A stepped decrease in the temperature of the specimen was observed because the nitrogen cooled the specimen. The nitrogen was stopped after reaching maximum pressure.
- -
- Immediately after the above experiment, the initial temperature of the whole specimen was set to 400 °C by applying AC current through the constantan wire, and the pressure of the nitrogen was changed along the pressure interval Pr0-24 Pr0 with step increments equal to Pr0. A stepped decrease in the temperature of the specimen was observed because the nitrogen cooled the specimen. The same was observed when the above-described pressure increase was repeated, although the cooling of the specimen was not expressed in the same way as before, probably because of the already increased temperature of the metal walls within the chamber. After that, the pressure was changed along the interval 24 Pr0-Pr0 with step decrements equal to Pr0 and, as result, a stepped increase in the temperature of the specimen up to the initial temperature 400 °C was observed, because the cooling of the specimen decreased.
No temperature increase above the initially set temperatures (300 °C and 400 °C) was observed in the experiments with nitrogen.
Figure 2.
Temperature variation of specimen in its interaction with nitrogen gas.
Figure 2.
Temperature variation of specimen in its interaction with nitrogen gas.

3.1.2. Experiments with Injection of Room Temperature Pure Deuterium Gas with Specific Heat Capacity cp = 5200 J/(kg.K) (Figure 3)
- -
- The initial temperature of the whole specimen was set to 300 °C by applying AC current through the constantan wire, and the pressure of the deuterium was changed along the pressure interval Pr0-24 Pr0 with step increments equal to Pr0. A stepped decrease in the temperature of the specimen was observed because the deuterium cooled the specimen. The deuterium was stopped after reaching the maximum pressure. The cooling here was expressed better than in the case of nitrogen, due to the greater specific heat capacity.
- -
- Immediately after the above experiment, the initial temperature of the whole specimen was set to 400 °C (corresponding to a temperature of ~482 °C in the constantan wire) by applying AC current through the constantan wire, and the pressure of the deuterium was changed along the pressure interval Pr0-24 Pr0 with step increments equal to Pr0. A stepped increase in the temperature was observed, reaching ~420 °C in the beginning, and a stepped decrease after that. In conclusion, there was energy release during the interaction of the deuterium with the constantan wire, causing an increase in the temperature of the whole specimen. One assumes that with an increase in the pressure beyond a certain point the energy release decreases, and it cannot compensate for the cooling of specimen by the injected deuterium.
Figure 3.
Temperature variation of the specimen in its interaction with deuterium gas.
Figure 3.
Temperature variation of the specimen in its interaction with deuterium gas.

The conclusions from the experiments with both the nitrogen and the deuterium are as follows: (i) there is a temperature increase in the whole specimen above its initial temperature due to energy release in the specimen coming from the injected deuterium gas; (ii) there is a critical minimum temperature of the whole specimen greater than 300 °C, which must be reached in order for the energy release to be observed; and (iii) further research investigation is necessary for the energy release for temperatures of the whole specimen greater than 300 °C.
3.2. Experiments at Initial Temperatures 666–681 °C
The above experimental conclusions were considered for further investigation of energy release for temperatures of the specimen greater than 300 °C. The experimental scheme is the same as the one provided in Figure 1 and described above, as the only experimental changes pertain to the initial temperatures (i.e., before the deuterium gas flow) of the specimens for different experiments. The initial temperatures were set by applying the corresponding currents through the constantan specimens. Another specific feature of the experiments was the application of pulse injection of deuterium gas into the chamber. The views of a certain specimen before and after the establishment of gas flow of deuterium are provided in Figure 4 and Figure 5, respectively.
Figure 4.
The view of both the specimen and the camera before the establishment of deuterium gas flow.
Figure 5.
The view of both the specimen and the camera after the establishment of deuterium gas flow.
It must be noted that the following limitations of the experiments must be obeyed: (i) the initial temperature of the constantan wire must be greater than the critical temperature in order for the energy release to be observed; and (ii) the initial temperature of the constantan wire must not destroy the wire. (The results of the experiments with an initial temperature of 950 °C shown below confirm the limitations (i) and (ii)).
- Determination of the temperatures of both the constantan wire and the alumina rod.
The specimen itself consists of two materials—constantan wire and alumina rod—which makes determining their temperatures to be a challenge as the temperature measurements by thermocouples cannot give distinct temperatures and cannot detect rapid temperature changes. An approach based on the different radiations of both the constantan wire and alumina rod was used to determine these temperatures. Two modes for temperature determinations were used, as the second mode is based on the outcomes of the first one:
- (a)
- Visible radiation of the constantan wire and invisible radiation of the alumina rod. This mode was used for determining the initial temperatures of the constantan wires in the range up to ~700 °C.
Initial temperatures (less than 700 °C) of the constantan wires for different experiments were determined by optical spectral measurements applied to Plank’s law as the optical fiber spectrometer was initially mounted over the window and facing the specimen according to Figure 1. These optical measurements were accurate because they pertained to the visible optical tail of the radiation spectrum of the constantan wires only, as the radiation from the alumina rod at the initial temperatures were not in the visible spectrum. The input electrical power was in the range 66.25–71.62 W for different experiments that corresponded to the range 666–681 °C initial temperatures of the constantan wires. The choice of this temperature interval was made due to the following reasons: (i) the sensitivity of the amount of released energy in terms of the initial temperature to be determined; and (ii) the initial temperature must not create conditions for the achievement of a final temperature (i.e., the temperature after the energy release) which could destroy the specimen due to overheating in the circumstances of the experimental scheme.
- (b)
- The pyrometer in Figure 1 measured the total amount of power density of the radiation emitted by the entire specimen, including the constantan wire and the alumina rod, as the pyrometer was mounted in place of the optical spectrometer that performed the initial optical measurements. The Stefan–Boltzmann law was used for the correspondence between the temperatures of the constantan wires, the temperatures of the alumina rod and the temperatures showed by the pyrometer. The results from the optical measurements described above were used as basis. It was considered that the emissivity of the alumina rod was ~0.318 and the emissivity of the constantan wire was ~0.9. Also, it was calculated that the radiating area of the wire was ~0.1 of the total radiating area of the entire specimen, as the alumina rod accounted for ~0.9.
- Temperature excess and power excess in interaction of deuterium gas with constantan wire.
The pulsing injection of deuterium gas into the chamber was applied. The injected deuterium was room-temperature. The changes in the temperatures shown by the pyrometer are presented in Figure 6 for an initial temperature of 666 °C of the wire and in Figure 7 for an initial temperature of 681 °C of the wire. The following specific features about temperature changes in their corresponding time intervals can be summarized:
- (A)
- Time interval (t1–t2)—an initial decrease in the temperature immediately after the beginning of the gas injection. This occurred because the incoming room-temperature deuterium was cooling the specimen. The temperature decrease was significant in the beginning of the first gas injection, because there was no heat generation in the specimen. The cooling caused by the gas injection in the beginning of the second cycle and beyond caused temperature decreases but were less significant than during the first due to the fact that a release of heat already had taken place.
- (B)
- Time interval (t2–t3)—an increase in the temperature after the initial decrease. This happened in all experiments as the temperatures increased above the initial values (shown by red lines in both Figure 6 and Figure 7). The temperature increases happened due to the excess heat in the constantan wires, resulting in a certain reaction in the wire. However, the temperatures shown by the pyrometer did not exceed 600 °C during this time interval because the incoming deuterium gas cooled the specimen.
- (C)
- Time interval (t3–t4)—a rapid (shock) increase in the temperature of the specimen shown by the pyrometer. This happened after stopping the injection of deuterium gas because there was no further cooling of the specimen and, at the same time, there was heat release in the constantan wire due to the absorbed deuterium. The comparison of the graphs in both Figure 6 and Figure 7 shows that this time interval becomes longer with the increase in the initial temperature of the specimen. The same is true for other experiments whose graphs are not presented in this paper.
- (D)
- Time interval (t4–t1) (t1 is the beginning of the next injection of deuterium gas)—the temperature of the specimen slowly decreases. It can be considered that this decrease was due to the stopping of the deuterium injection in the chamber and the corresponding exhaustion of the absorbed deuterium in the wire causing the reaction in the wire to stop. Also, the temperature of the already heated alumina rod slowly decreases.
Figure 6.
Temperature variation of whole specimen for initial temperature 666 °C of the wire.
Figure 6.
Temperature variation of whole specimen for initial temperature 666 °C of the wire.

Four replicable experiments are reported in this article. The difference between them consists of the initial temperature of the specimen, which was achieved by the initially set electrical heating of the specimen. The results are summarized in Table 1. It must be noted that in fact each experiment consisted of several pulses, all of which exhibited the same qualitative behaviors in the time intervals defined by t1, t2, t3 and t4 (see Figure 6 and Figure 7). Also, the pulses belonging to the different experiments express the same behavior in terms of the time intervals (Figure 6 and Figure 7). This equivalency is one of the two features showing the reproducibility of the experiments (the other feature relates to the release of helium, which will be discussed below).
Table 1.
Experimental data for four experiments.
Figure 7.
Temperature variation of whole specimen for initial temperature 681 °C of the wire.
Figure 7.
Temperature variation of whole specimen for initial temperature 681 °C of the wire.

The meanings of the designations in Table 1 are as follows: S—sample number; Pin—initial input electrical power providing initial heating of the specimen; Pout—the output power caused by energy release; Tin;w—the initial temperature of the wire provided by the initial electrical heating (this temperature is measured by optical spectrometer and Plank’s law is applied to the optical data); Tm;s—the maximum temperature of the whole specimen measured by the pyrometer; Trod—the temperature of the rod determined as an average temperature during the time interval (t4–t1); Tmax;w—the maximum temperature of the wire within the time interval (t3–t4) (determined on the basis of Trod and in consideration of the Stefan–Boltzmann law); Pre—released average excess power per single pulse of the deuterium gas injection; Pre density—density of Pre in relation to the mass of the wire; Pout/Pin—the ratio between the output power and the initial electrical heating power; Ere—the released excess energy during the time interval (t3–t4); and Δtr—the time for which the temperature of the whole specimen is established. (It is in the beginning of the time interval (t2–t3) and it relates to the increase in the temperature of the whole specimen).
It must be noted that released energy is calculated only based on the measured temperature of the constantan wire. Other factors such as energy transfer due to convection phenomena and energy transfer due to thermal conductivity are not accounted for, due to the experimental scheme. Due to the above, the released energy is bigger. However, the purpose of the reported experiments is to demonstrate the existence of energy release in interaction of deuterium gas with constantan. The exact energy balances will be the subjects of future research.
The following conclusions can be drawn based on the data in Table 1:
- (i)
- There is a correlation between the increase in the initial input electrical power and the temperature of the constantan wire during the time interval (t3–t4) as the temperature has a sensitive increase with the increase in the initial input electrical power. The same is valid for the average temperature of the rod during the time interval (t4–t1).
- (ii)
- Another correlation is the increase in the released excess power with the increase in the temperature of the constantan wire described above (the density of the released excess power in terms of wire mass increases).
- (iii)
- There is a correlation between the increase in the released excess energy and the increase in temperature of the constantan wire, described above, with one exception pertaining to sample #4, where the increase in the energy is due to a longer time interval (t3–t4).
- (iv)
- The time required to establish the temperature of the whole specimen is ~30 s after the deuterium injection in the chamber.
- (v)
- The difference in the amounts of released excess energies depends on the duration of the time interval (t3–t4), which indicates the duration of the energy release.
- Discussion about the origin of the released energy:
- (1)
- The eventual possibility that the released energy is of electrical origin.
The released energy cannot have an electrical origin because the parameters (both the supply voltage and the supply current) of the heating electrical circuit remain unchanged during certain experiments.
- (2)
- The eventual possibility that the released energy is of chemical origin.
A major part of the released energy does not have chemical origin due to the following reasons:
- (a)
- It was determined during the experiments that the burning of deuterium in parasitic oxygen, giving deuterium oxide D2O (heavy water), releases a maximum of ~7.5 J, which is ~600 times less than the total released energy.
- (b)
- The experiments show that the increase in the deuterium pressure results in a decrease in temperature (Figure 8) and of the released energy, which contrasts with the energy release seen while burning. The red line in Figure 8 shows the initial temperature of the specimen, which is the result of heating by an electrical current through the constantan wire.
- (c)
- A pulsing injection of deuterium gas was applied during the experiments. The presented experimental results show that the temperature of the specimen decreases with an increase in each deuterium pulse during a given experiment, as can be seen in the pictures given in both Figure 6 and Figure 7, i.e., the energy release is connected with processes in the constantan wire and this energy release is not connected with processes outside of the wire such as the burning of the deuterium in the parasitic oxygen environment. This conclusion is supported by the fact that a relaxation time of ~480 s for the constantan wire was required between two sequential experiments.
No external radiation (gamma rays and neutrons) was detected during the experiments.
Figure 8.
The temperature variation of the whole specimen vs. increase in deuterium pressure.
Figure 8.
The temperature variation of the whole specimen vs. increase in deuterium pressure.

- -
- Release of 3He in the experiments (Figure 12).
In fact, 3He corresponds to 3 mass units in the RGA measurements and 4He/D2 corresponds to 4 mass units. The ratio (3 mass units)/(4 mass units) vs. the subsequent number of the deuterium pulse is provided in Figure 10 for the four experiments, as each of them consisted of seven consecutive deuterium pulses. Each experiment corresponds to a certain temperature of the whole specimen (measured by the pyrometer as the temperature of the whole specimen, including both the wire and the rod) and the specific pressures of the deuterium pulse correspond as follows to the colors in the graphs: blue (530 °C and pressure = Pr0), red (534 °C and pressure = 1.5 Pr0), yellow (540 °C and pressure = 1.25 Pr0) and gray (522 °C and pressure = 1.75 Pr0). The released energies in the constantan wire per pulse for the same sequential pulses are provided in Figure 9, with the colors in the graphs matching those in Figure 10. The following outcomes take place based on the results presented in both Figure 9 and Figure 10:
- (a)
- The ratio (3 mass units)/(4 mass units) decreases with a decrease in the released energy.
- (b)
- The increase in the initial temperature of the constantan wire leads to an increase in the ratio (3 mass units)/(4 mass units) and vice versa.
The following conclusion can be drawn based on the above outcomes: the increase/decrease in the ratio (3 mass units)/(4 mass units) leads to an increase/decrease in 3He (respectively, a decrease/increase in D2), and this increase/decrease correlates with the amount of released energy in the constantan wire, i.e., the amount of 3He is a product of some F-reaction in the constantan wire caused by its interaction of deuterium converting deuterium into 3He. (At this point, in this paper, the term F-reaction is used for the purpose of the creation of 3He in the experiments, the mechanism of which is to be determined).
(Please note: one assumes that DH may be part of the 3 mass units despite the fact that the conditions for the creation of DH in the circumstances of the experiments are not described in the literature. However, even if DH is part of the 3 mass units, its amount can be considered to be negligible because the amount of parasitic injected hydrogen is much smaller than 3 mass units, and the amount of the compound DH cannot be greater than the amount of one of its constituents (H in this case). Also, there is no reason for the existence of H3 to be assumed, because D3 (6 mass units) does not exist. This matter is discussed in detail in [1]).
Figure 9.
Energy release per deuterium pulse for 4 initial temperatures of specimen.
Figure 9.
Energy release per deuterium pulse for 4 initial temperatures of specimen.

Figure 10.
3He released per deuterium pulse for 4 initial temperatures of specimen.
Figure 10.
3He released per deuterium pulse for 4 initial temperatures of specimen.

- -
- Release of 4He in the experiments (Figure 12)
The RGA measurements cannot distinguish 4He from D2. Due to this reason, the existence of 4HeH (5 mass units) is used as an indicator of the presence of 4He in the system. The impact of the processes in the constantan wire on the amount of 4He in the system is estimated by the dependence of the ratio (5 mass units)/(4 mass units) on the energy released by the constantan wire. It must be noted that a cyclic change in the value of the 5 mass units can be observed when applying constant pressure to the deuterium. Due to this reason, a stepped increase in the pressure in the range of Pr0-8 Pr0 with steps equal to Pr0 was applied, and both the ratio (5 mass units)/(4 mass units) and the energy release were measured. (The experiment is similar to the experiment given in the graph in Figure 8). The results are presented in Figure 11. The following conclusions can be made:
- (a)
- There is a correlation between the ratio (5 mass units)/(4 mass units) and the energy release, as the decrease in energy release decreases this ratio.
- (b)
- The 5 mass units correspond to 4HeH and the energy release directly impacts the amount of 4HeH, as 4He is synthesized in the interaction of deuterium with itself in the constantan wire due to the F-reaction (in fact deuterium converts into 4He).
- (c)
- The conversion of D2 into 4He decreases as the released energy decreases.
(It must be noted that 5 mass units does not correspond to the D2H, because the existence of this molecule assumes the existence of D3 molecule (6 mass units), which was not observed in Figure 12. This matter is discussed in detail in [1]).
Figure 11.
Correlation between energy release and 4He release per deuterium pulse.
Figure 11.
Correlation between energy release and 4He release per deuterium pulse.

Figure 12.
An RGA screen showing the existence and the amounts of the gasses in the chamber.
Figure 12.
An RGA screen showing the existence and the amounts of the gasses in the chamber.

The experimental outcomes shown in Figure 8, Figure 9, Figure 10 and Figure 11 also have other implications, leading to the following conclusions and additionally confirming the above about the origin of both 3He and 4He:
- (1)
- The increase in gas saturation of the specimen leads to a decrease in the released energy, which means that the released energy comes from a reaction in the bulk part of the specimen and not from its surface.
- (2)
- The products of the reaction from (1) come from the bulk part of the specimen. Due to this reason, the gas products cannot be molecules, i.e., the gas products cannot be H3 and/or DH pertaining to 3 RGA mass units, and the gas products cannot be D2H pertaining to 5 RGA mass units.
- (3)
- The following conclusion can be made based on the above: both 3He and 4He come from the bulk part of the specimen and they are products of F-reaction in the specimen.
A common feature of all experiments is the energy release that correlates with helium release. This is an additional feature showing the reproducibility of the experiments.
The experimental outcomes shown in Figure 4, Figure 5, Figure 6 and Figure 7 can be seen also in Video S1.
Video S1 is authentic, and it is taken in real time. This video can be considered as proof for successfully performed F-reactions. In fact, the whole video pertains to one pulse shown in both Figure 6 and Figure 7. Please consider the following features coming from different time intervals, with the time-points defined as time from the beginning of the video clip: (I) Time interval 0–7 s: (a) the deuterium injection has just begun; (b) the wire is visible, and its temperature is ~650–700 °C; (c) the rod is not visible, and its temperature is below 550 °C; (d) there is no glow in the tube. (II) Time interval 8–90 s: (a) The deuterium injection has been established. The deuterium gas is subject to absorption in the constantan wire, but at the same time the gas is cooling the specimen; (b) the wire is visible, and its temperature is ~800–900 °C as the temperature increases with time; (c) the rod is visible as its temperature increases with time; (d) there is glow in the tube as its brightness increases with time. (III) Time interval 91–120 s: (a) the deuterium injection has just stopped, and the cooling of the specimen has also stopped; (b) the wire is visible, and its temperature is above 1000 °C in the beginning of this time interval, because the F-reaction in the constantan wire continues and there is no gas cooling the specimen. However, later in this time interval the temperature decreases, because the absorbed deuterium in the constantan wire has been exhausted; (c) the rod is visible, and its temperature correlates with the temperature of the constantan wire; (d) there is a glow in the tube, and its brightness correlates with the temperature of the constantan wire.
- Conclusion about the origin of the released energy
The released energy comes from F-reactions in the constantan wire caused by the absorbed deuterium. The specific features of this conclusion include both the relatively high density of the released excess energy in terms of the mass of the specimen and the helium release correlating with the energy release, as both are products of the F-reaction.
3.3. Experiments at Initial Temperatures 950 °C
The experimental scheme is provided in Figure 13. One end of the specimen rested on dielectrically insulating materials placed on the sample holder. (The insulating materials include a quartz disk and a sapphire wafer placed in the center of the disk).
Figure 13.
Experimental scheme for experiments at initial temperature 950°C.
The initial temperature of the constantan wires in all of the experiments was established by an external heating current at 950 °C. This initial temperature of the constantan wires for different experiments was determined by optical spectral measurements applied to Plank’s law and the optical fiber spectrometer was permanently installed over the window as per Figure 13. These optical measurements were accurate, because they pertain to the visible optical tail of the radiation on the spectrum of the constantan wires.
The pressure setup before the gas flow was initiated was established on the pressure gauge to be 1.5 Pr0 according to the experimental setup described above, and the pressure valve was open after that establishment, allowing the room-temperature deuterium gas to enter the gas chamber. As a result, the constantan wires in all the experiments went out of order immediately.
A view of one of the destroyed specimens is provided in Figure 14. It is evident that evaporated copper can be seen along the alumina rod.
Figure 14.
The copper released along the alumina rod.
The release of evaporated copper on the dielectric insulating quartz, where one of the ends of the specimen rested, is shown in Figure 15. (It must be noted that, in fact, a sapphire wafer filled the hole in the middle of the quartz disk shown in Figure 15 and both dielectrics were placed on the sample holder). A clear copper projection of the specimen can be seen on the quartz disk coming from momentary copper evaporation. This fact confirms the momentary evaporation of the metal. Also, there is the release of the evaporated copper on the sapphire wafer.
Figure 15.
The copper released on the quartz disk. The projection of the specimen end can be seen.
The following experimental outcomes must be considered:
- (a)
- The evaporation of the metal occurred along the entire alumina rod, which means that the evaporation affected the entire length of the constantan wire, and it cannot be considered to be localized at certain point(s) only.
- (b)
- The released energy was determined by considering that a part of the constantan wire was evaporated momentarily in all experiments and that a momentary increase in the temperature greater than 400 °C happened in order for the specimen to reach a minimum temperature of ~1350 °C. The mass of the metal released due to the momentary evaporations in the experiments was ~0.69 g, and the corresponding necessary energy for the phase transition “solid phase–vapor phase” for the constantan alloy was ~3391 J. The necessary energy for a 400 °C temperature increase in the wire was an additional ~260 J. Therefore, the total momentary energy required for evaporations of the metal was at least ~3651 J. (It must be noted that the above calculations were performed assuming the minimum required temperature (i.e., ~1350 °C) for the evaporation of the wire. In fact, it can be assumed that the actual temperature was higher because no metal droplets were found, and that the actual total released energy was greater than 3651 J).
- (c)
- The energy flowing in the constantan wire in all experiments due to the electrical heating was ~240 J per second.
- (d)
- If one assumes that the momentary evaporation of the specimens occurred for 1 s (in fact, the momentary evaporation time was less than 1 s) then the ratio <released excess energy>/<flowing in electrical heating energy> = ~15 times that and <output power>/<input power> = ~16 times that. Therefore, the density of the released energy was at least ~2280 J per gram in terms of the constantan wire.
(It must be noted that the above conclusion (d) was based on the assumption that the durations of the momentary evaporations were 1 s in all experiments. In fact, these durations were less than 1 s and due to this reason, the above ratio <released excess energy>/<flowing in electrical heating energy> is much greater than 15 times the normal energy flow).
- Discussion about the origin of the released energy
- (1)
- The eventual possibility that the released energy was of chemical origin.
The dominant part of the released energy is not of chemical origin, because the released energy due to the burning of the deuterium gas was 0.19 J, i.e., ~17,847 times smaller than this released energy. This was determined by RGA measurements of the gasses as the main chemical reaction was giving D2O.
- (2)
- The eventual possibility that the released energy was of electrical origin.
The released energy cannot have had an electrical origin, because the applied voltage remained unchanged during the wire break and, normally, the electrical break occurred at certain point of the wire. In the case of the experiments, the metal deposition was along the entire rod and also on the ceramic support. It is important that the applied electrical power was ~240 J per second, i.e., ~15 times less than the released power.
- (3)
- Whether it was metal evaporation and not metal melting.
The process was metal evaporation, not metal melting, because no metal droplets were found on the alumina rod or on the ceramic support. On the other hand, the deposition was typical for the metal deposition technology in vacuum evaporators.
- (4)
- The eventual possibility that the wire broke to be due to a thermal shock caused by the incoming deuterium gas.
The breaking of the wire cannot be a result of a thermal shock caused by the incoming deuterium gas, because in the case of a thermal shock there is no reason for metal release along the entire wire to occur.
A reasonable conclusion: The released energy comes from an F-reaction in the constantan wire caused by the absorbed deuterium. The specific feature of this conclusion includes the significant density of the released excess energy. Also, this conclusion is supported by the fact that the results correlate with the results obtained at initial temperatures of the wire less than 700°C, which are reported above.
No external radiation (gamma rays and neutrons) was detected during the experiments.
It must be noted that other authors [4,5,6,7,8,9,10,11,12,13,14,15,16,17] have also experimentally observed energy release and the corresponding heat excess. However, the one claims the following experimental achievements for the first time in the world:
- (i).
- A significant energy release giving a temperature increase of 368 °C or greater for ~30 s or less for different experiments.
- (ii).
- A density of the released power of 117 W/g or greater.
- (iii).
- A ratio between the released output power and the input power of 3.75 or greater.
- (iv).
- The release of helium correlating with the energy released.
4. Discussion About the Nature of the F-Reaction
There is a reasonable question to be asked—is the above defined F-reaction a nuclear fusion reaction at relatively low temperatures? Based on the above found experimental outcomes the answer is as follows: yes, the above defined F-reaction is a nuclear fusion reaction between deuterium nuclei in the structure of the constantan at relatively low temperatures (LENR).
Then, there is another reasonable question—why did the observed nuclear fusion reaction at relatively low temperatures not show both gamma ray release and external neutron release that are typical for thermonuclear fusion reactions?
The following must be considered regarding the lack of gamma ray emissions in the reported experiments: The low-energy nuclear reactions occur in the solid structure of the specimen where the deuterium nuclei are localized. Due to this fact, the kinetic energies of the interacting nuclei in low-energy nuclear fusion reactions are almost negligible and there are no significant negative accelerations of these initial nuclei during their nuclear fusion interactions, while the kinetic energies of the interacting nuclei in thermonuclear reactions are significant and their negative accelerations giving release of gamma rays are also significant during the interactions. Therefore, there is no reason for the emission of gamma rays to be expected. This conclusion is supported by lack of gamma ray detection above the normal background in the experiments contained in [1], in the experiments reported in this paper and by the conclusions in paper [23].
The following must be considered regarding the lack of external neutron release in the experiments reported above and in paper [1]: It is to be expected that a low-energy nuclear fusion reaction may involve localized electrons in solids providing screening of the Coulomb repulsive forces between the interacting positive nuclei of hydrogen isotopes in a solid structure, while thermonuclear reactions depend on the significant kinetic energies of the interacting nuclei in order for the Gamow potential to be overcome. This consideration must be taken into account for the theoretical explanation of the discrepancies in the LENR reactions coming from the correlating release of both energy and helium and the lack of the externally measured neutron release according to the experimental data reported in this paper and in [1]. However, when one considers that neutron emission has to be an outcome in a theoretical explanation of LENR reactions, the following must be pointed out: (i) whether there is neutron emission at all; (ii) what are the energies of the emitted neutrons if the answer to (i) is positive; and (iii) what is the rate of the neutron release in terms of neutron amount if the answer for (i) is positive.
The answers for the above (i) and (ii) questions are provided by the author in another theoretical research paper, which will be published after the publishing of the current paper, because the outcomes of the theoretical paper, which were found based on a purely theoretical quantum mechanical approach, are confirmed by the experimental research outcomes reported in this paper. The following basic features of this theoretical research can be summarized as follows:
- -
- The LENR reactions in solids are based on localized electrons that provide electrical screening, which overcomes the Coulomb repulsion between the interacting nuclei of hydrogen isotopes that are localized in certain structures of either a certain metal or an alloy, or in a nanomaterial.
- -
- The localized electrons must have a non-zone electron effective mass greater than the critical value. (It is not the electron effective mass that emanates from the electron band structure of a certain solid). It was found that the achievement of an electron non-zone effective mass greater than the critical value can be achieved by establishing a certain temperature greater than the critical temperature in certain solids.
- -
- The developed theoretical model of localized electrons correlates with the muonic hydrogen–deuterium molecule, where a cold nuclear fusion reaction was observed for the first time in the year 1956.
- -
- It was found that localized electrons may interact with the atomic cores of the hydrogen isotopes that are localized in the crystal structure of certain solids. It was found that this interaction can destroy the atomic core and either proton or neutron release can take place. The released proton or the released neutron can participate in further LENR reactions in the same solid. It was found that the released neutron has low kinetic energy and, due to this reason, it cannot leave the chamber where the specimen is mounted.
- -
- The schemes about all possible LENR reactions involving hydrogen isotopes which can take place are discussed.
- -
- The experimental outcomes of the present paper confirm the pure theoretical outcomes of the theoretical research paper to follow.
- -
- The theoretical research is based only on the existing establishment in physics, without any additional axiomatic assumptions. Also, the theoretical research does not consider any semiempirical adjustments coming from experiments.
The outcomes of the theoretical paper show that the nature of low-energy nuclear fusion reactions in solids is different from the nature of thermonuclear fusion reactions. Due to this reason, not every outcome of a thermonuclear fusion reaction can be expected to be an outcome of a low-energy nuclear fusion reaction in a solid.
Despite the lack of both gamma ray emissions and externally detected neutrons, LENR reaction must be considered as the reaction giving energy release reported in this paper, because it relates to simultaneous helium release and to the significant density of the released power in terms of the mass of the constantan specimens.
5. Conclusions
Successful experiments of LENR reactions in constantan wire are reported in this paper. The following experimental outcomes are achieved: (i) the experiments are replicable, and they are of two types—one which destroys the wire and one which does not. In the second type, the same constantan wire can be used in multiple experiments; (ii) a significant energy release for a short time (~30 s); (iii) the significant density of the released energy in terms of the mass of the constantan wire; and (iv) the release of helium gas (both isotopes 3He and 4He), which correlates with the energy release. The author considers that thanks to the experimental scheme introduced in the paper, the above experimental outcomes have been achieved for the first time in LENR research.
Supplementary Materials
The following supporting information can be downloaded at: https://www.mdpi.com/article/10.3390/en18040856/s1, Video S1. F-reaction in constantan.
Funding
This research received no external funding.
Data Availability Statement
The original contributions presented in this study are included in the article. Further inquiries can be directed to the corresponding author.
Conflicts of Interest
The Author declares no conflict of interest.
References
- Alexandrov, D. Low Energy Nuclear Fusion Reactions in Solids: Experiments. Int. J. Energy Res. 2021, 45, 12234–12246. [Google Scholar] [CrossRef]
- Fleischmann, M.; Pons, S. Electrochemically induced nuclear fusion of Deuterium. J. Electroanal. Chem. Interfacial Electrochem. 1989, 261, 301–308. [Google Scholar] [CrossRef]
- Jones, S.E.; Palmer, E.P.; Czirr, J.B.; Decker, D.L.; Jensen, G.L.; Thorne, J.M.; Taylor, S.F.; Rafelski, J. Observation of cold nuclear fusion in condensed matter. Nature 1989, 338, 737–740. [Google Scholar] [CrossRef]
- Iwamura, Y.; Itoh, T.; Kasagi, J.; Murakami, S.; Saito, M. Excess Energy Generation using a Nano-sized Multilayer Metal Composite and Hydrogen Gas. J. Condensed Matter Nucl. Sci. 2020, 33, 1–13. [Google Scholar] [CrossRef]
- Takahashi, A.; Ido, H.; Hattori, A.; Seto, R.; Kamei, A.; Hachisuka, J.; Yokose, T.; Mori, Y.; Taniike, A.; Furuyama, Y. Latest Progress in Research on AHE and Circumstantial Nuclear Evidence by Interaction of Nano-Metal and H(D)-Gas. J. Condensed Matter Nucl. Sci. 2020, 33, 14–33. [Google Scholar] [CrossRef]
- Celani, F.; Lorenzetti, C.; Vassallo, G.; Purchi, E.; Fiorilla, S.; Cupellini, S.; Nakamura, M.; Burri, R.; Boccanera, P.; Cerreoni, P.; et al. Progress Toward an Understanding of LENR–AHE Effects in Coated Constantan Wires in D2 Atmosphere: DC/AC Voltage Stimulation. J. Condensed Matter Nucl. Sci. 2020, 33, 46–74. [Google Scholar] [CrossRef]
- Celani, F.; Lorenzetti, C.; Vassallo, G.; Purchi, E.; Fiorilla, S.; Cupellini, S.; Nakamura, M.; Boccanera, P.; Spallone, A.; Ortenzi, B.; et al. First Evaluation of Coated Constantan Wires Incorporating Capuchin Knots to Increase Anomalous Heat and Reduce Input Power at High Temperatures. J. Condensed Matter Nucl. Sci. 2020, 30, 25–36. [Google Scholar] [CrossRef]
- Mizuno, T.; Rothwell, J. Excess Heat from Palladium Deposited on Nickel. J. Condensed Matter Nucl. Sci. 2019, 29, 21–34. [Google Scholar] [CrossRef]
- Beiting, E.J.; Romein, D. High-temperature Calorimetric Measurements of Heat for Ni/H2 Exothermic Reactions. J. Condensed Matter Nucl. Sci. 2019, 29, 41–52. [Google Scholar] [CrossRef]
- Celani, F.; Ortenzi, B.; Spallone, A.; Lorenzetti, C.; Purchi, E.; Fiorilla, S.; Cupellini, S.; Nakamura, M.; Boccanera, P.; Notargiacomo, L.; et al. Steps to Identify Main Parameters for AHE Generation in Sub-micrometric Materials: Measurements by Isoperibolic and Air-flow Calorimetry. J. Condensed Matter Nucl. Sci. 2019, 29, 52–75. [Google Scholar] [CrossRef]
- Iwamura, Y.; Itoh, T.; Kasagi, J.; Kitamura, A.; Takahashi, A.; Takahashi, K.; Seto, R.; Hatano, T.; Hioki, T.; Motohiro, T.; et al. Anomalous Heat Effects Induced by Metal Nano-composites and Hydrogen Gas. J. Condensed Matter Nucl. Sci. 2019, 29, 119–129. [Google Scholar] [CrossRef]
- Mizuno, T. Observation of Excess Heat by Activated Metal and Deuterium Gas. J. Condensed Matter Nucl. Sci. 2017, 25, 1–26. [Google Scholar] [CrossRef]
- Itoh, T.; Iwamura, Y.; Kasagi, J.; Shishido, H. Anomalous Excess Heat Generated by the Interaction between Nano-structured Pd/Ni Surface and D2 Gas. J. Condensed Matter Nucl. Sci. 2017, 24, 179–191. [Google Scholar] [CrossRef]
- Iwamura, Y.; Itoh, T.; Kasagi, J.; Kitamura, A.; Takahashi, A.; Takahashi, K. Replication Experiments at Tohoku University on Anomalous Heat Generation Using Nickel-based Binary Nanocomposites and Hydrogen Isotope Gas. J. Condensed Matter Nucl. Sci. 2017, 24, 191–202. [Google Scholar] [CrossRef]
- Kitamura, A.; Takahashi, A.; Takahashi, K.; Seto, R.; Matsuda, Y.; Iwamura, Y.; Itoh, T.; Kasagi, J.; Nakamura, M.; Uchimura, M.; et al. Collaborative Examination on Anomalous Heat Effect Using Nickel-based Binary Nanocomposites Supported by Zirconia. J. Condensed Matter Nucl. Sci. 2017, 24, 202–214. [Google Scholar] [CrossRef]
- Celani, F.; Spallone, A.; Ortenzi, B.; Pella, S.; Purchi, E.; Santandrea, F.; Fiorilla, S.; Nuvoli, A.; Nakamura, M.; Cirilli, P.; et al. Observation of Macroscopic Current and Thermal Anomalies, at High Temperature, by Hetero-structures in Thin and Long Constantan Wires Under H2 Gas. J. Condensed Matter Nucl. Sci. 2016, 19, 29–46. [Google Scholar] [CrossRef]
- Mastromatteo, U.; Bertelè, A.; Celani, F. Hydrogen Absorption and Excess Heat in a Constantan Wire with Nanostructured Surface. J. Condensed Matter Nucl. Sci. 2015, 15, 240–246. [Google Scholar] [CrossRef]
- Arata, Y.; Zhang, Y.C. Solid-state plasma fusion (“cold fusion”). J. High Temp. Soc. 1997, 23, 1–56. [Google Scholar] [CrossRef]
- Gimzewski, J.K.; Naranjo, B.; Putterman, S. Observation of nuclear fusion driven by a pyroelectric crystal. Nature 2005, 434, 1115–1117. [Google Scholar]
- Avino, P.; Santoro, E.; Sarto, F.; Violante, V.; Rosada, A. Neutron activation analysis for investigating purity grade of copper, nickel and palladium thin films used in cold fusion experiments. J. Radioanal. Nucl. Chem. 2011, 290, 427–436. [Google Scholar] [CrossRef]
- Arata, Y. The basics of nuclear fusion reactor using solid Pycnodeuterium as nuclear fuel. Prog. Theor. Phys Suppl. 2004, 154, 241–250. [Google Scholar] [CrossRef]
- Kasagi, J. Low energy nuclear cross sections in metals. Surf. Coat. Technol. 2007, 201, 8574–8578. [Google Scholar] [CrossRef]
- Nocente, M.; Källne, J.; Salewski, M.; Tardocchi, M.; Gorini, G. Gamma-ray emission spectrum from thermonuclear fusion reactions without intrinsic broadening. Nucl. Fusion 2015, 55, 123009. [Google Scholar] [CrossRef]
Disclaimer/Publisher’s Note: The statements, opinions and data contained in all publications are solely those of the individual author(s) and contributor(s) and not of MDPI and/or the editor(s). MDPI and/or the editor(s) disclaim responsibility for any injury to people or property resulting from any ideas, methods, instructions or products referred to in the content. |
© 2025 by the author. Licensee MDPI, Basel, Switzerland. This article is an open access article distributed under the terms and conditions of the Creative Commons Attribution (CC BY) license (https://creativecommons.org/licenses/by/4.0/).





