Abstract
Road transport significantly contributes to greenhouse gas emissions in all places where it is used and therefore also in Europe, prompting the EU to set ambitious objectives for CO2 reduction. In order to reach these objectives, the automotive industry is transitioning to electric vehicles, utilizing electric powertrains powered by battery packs. However, the longevity and reliability of these batteries are critical concerns. This review paper focuses on the advanced diagnostic techniques for effective battery State of Charge (SoC) and State of Health (SoH) monitoring. Accurate SoC/SoH estimation is crucial for optimizing battery performance, avoiding premature degradation, and ensuring driver safety. By investigating these areas, this paper aims to contribute to the development of more sustainable and durable electric vehicles, supporting the transition to cleaner transportation systems.
1. Introduction
Road transport is a significant contributor to atmospheric CO2 emissions, accounting for approximately one-quarter of all greenhouse gas emissions in Europe. According to the European Environment Agency, road transport within the European Union is responsible for slightly over 20% of these emissions. This includes cars (12.8%), vans and light-duty vehicles (2.5%), and medium–heavy trucks (5.6%). Despite efforts to improve fuel efficiency, greenhouse gas emissions from road transport continue to rise, largely due to the increasing volume of road freight traffic. To address this pressing environmental challenge, the European Commission has introduced new targets to align with EU climate and zero-pollution objectives, while reducing reliance on fossil fuels. These targets require a percentage reduction in CO2 emissions compared to the EU average from 1 July 2019 to 30 June 2020. Starting in 2025, a 15% reduction in emissions is mandated, followed by a subsequent target of 30% reduction from 2030 onwards.
In response to these regulations and the growing environmental concerns, the automotive industry is undergoing a significant transformation, shifting towards electric powertrain technologies for electric vehicles. The electric powertrain, comprising components that manage a vehicle’s traction system, has rapidly evolved due to advancements in electric motors and energy storage systems like batteries. These developments not only enhance vehicle efficiency but also significantly reduce harmful emissions. However, the transition to electric powertrains faces several technological challenges, particularly regarding the longevity, reliability, and performance of electric batteries. Addressing these challenges is crucial to prevent premature battery degradation and ensure driver safety.
In an electric vehicle, the battery pack serves as the energy storage unit, capable of storing and distributing electricity. While the battery pack supplies direct current (DC) to its terminals, the electrical motors are regulated by modifying the waveform of alternating current (AC). A key factor influencing battery performance is the depth of discharge’s impact on cycle lifetime.
A robust diagnostic framework capable of real-time monitoring of battery State of Charge (SoC) and State of Health (SoH) is essential. Such diagnostics are crucial for developing reliable and durable electric powertrain systems that can meet current challenges and foster the production of eco-friendly vehicles.
This review paper will delve into the dynamics of electric powertrains in electric vehicles and discuss advanced diagnostic techniques employed for effective SoC/SoH monitoring of batteries. By focusing on these areas, we aim to highlight innovative solutions that can support the transition to more sustainable and durable vehicular technologies.
2. Battery Energy Storage System Design Overview
The design of a Battery Energy Storage System (BESS) plays a crucial role in modern energy applications, such as consumer electronics, electrified mobility systems, and smart grid solutions.
The diagram in Figure 1 provides a visual representation of an electric vehicle (EV) powertrain, illustrating the electrical and mechanical power flow between the system components. In the context of electrified mobility, the powertrain of an EV is a complex system that integrates several key elements to convert electrical energy into mechanical power, ultimately propelling the vehicle. At the heart of the system lies the BESS, which stores electrical energy in DC power. The energy is supplied to the battery through a charger connector, and depending on the type of vehicle, different charging modes can be employed. Some vehicles are designed to connect to an AC line, where an internal or external AC/DC converter converts the alternating current into direct current to charge the storage system. Alternatively, there are direct DC charging modes, which are characterized by fast charging capabilities with high power levels. In this case, the external converters, installed in the charging stations, are electrically connected directly to the ESS and communicate with the Battery Management Systems (BMSs) to regulate the current entering the storage system.
Figure 1.
Block scheme of a pure EV powertrain.
Another important aspect of modern EV power systems is the possibility of bidirectional energy flow, as indicated by the bidirectional arrows in the diagram. This feature allows electric vehicles to not only consume power but also release stored energy back into the grid through systems known as Vehicle-to-Grid (V2G) technology. This capability enhances grid stability and opens up new possibilities for energy management and demand response strategies.
Once stored, the electrical energy needs to be converted into a usable form to drive the vehicle. This is achieved through a power converter, which takes the DC energy from the battery and transforms it into AC to power the electric motor. The motor then converts the electrical energy into mechanical energy, generating the necessary torque to move the vehicle forward. To ensure smooth and efficient power delivery to the wheels, the mechanical transmission system, which includes the differential, plays a crucial role in distributing the torque appropriately to the wheels, enabling proper handling and traction.
Controlling and monitoring these processes is the responsibility of the Electronic Control Unit (ECU), which acts as the central brain of the system. The ECU processes input from the driver, such as acceleration and braking commands, and sends corresponding control signals to the various components within the powertrain to ensure a seamless driving experience. The dashboard and other user input interfaces provide a means for the driver to interact with the system and receive real-time feedback on vehicle performance and battery status.
An effective BESS comprises two main components: the energy storage medium (Modules or Racks) and the Battery Management System. Each of these components has a distinct function but works in harmony to ensure the safe, efficient, and durable operation of the storage system. This section will explore these two components in detail, highlighting key technologies, design considerations, and advancements that contribute to the optimal design of BESSs.
2.1. Energy Storage Technologies
Electrochemical energy storage, particularly through batteries, plays a pivotal role in modern energy systems. These devices convert electrical energy into chemical energy during charging and release it back as electrical energy during discharge. Lithium-ion batteries have emerged as the dominant technology in the field of electrochemical energy storage, owing to their exceptional energy density, relatively long cycle life, and versatility. These batteries function by shuttling lithium ions between the positive and negative electrodes through a liquid electrolyte. This electrochemical process enables the storage and release of electrical energy, making lithium-ion batteries suitable for a wide range of applications [1,2]. Several Li-ion battery technologies have been developed and commercialized over the years; the most common are the following:
- Lithium cobalt oxide (LiCoO2): Introduced by Sony in 1991, this battery uses cobalt oxide as the cathode material. It offers a moderate lifespan and is known for its safety features, making it suitable for devices like cameras, laptops, and tablets.
- Lithium manganese oxide (LiMn2O4): Developed in 1994, LMO features a 3D spinel structure that reduces internal resistance and enhances charge/discharge rates. While it has about 33% lower capacity compared to cobalt-based batteries, it is currently used in production models like the Nissan Leaf.
- Lithium iron phosphate (LiFePO4): Research indicates that LiFePO4 batteries outperform LCO and LMO under high temperatures and overcharging conditions. They exhibit excellent thermal stability, functioning effectively between −30 °C and 60 °C.
- Lithium nickel manganese cobalt oxide (Li(Ni,Mn,Co)O2): Commercialized in 2004, LNMC batteries provide high power and energy density, along with improved lifespan. Increasing manganese enhances specific power, while higher nickel content increases specific energy.
- Lithium nickel cobalt aluminum oxide (Li(Ni,Co,Al)O2): Introduced in 1999, NCA batteries reduce reliance on cobalt by incorporating nickel. Tesla utilizes this technology in its electric vehicles, benefiting from its performance characteristics.
- Lithium titanate (Li4Ti5O12): Featuring a spinel structure with LMO and LNCA as cathodes, LTO batteries are known for their exceptional performance and long lifespan. They also maintain safe operation in low-temperature conditions.
The choice of materials, particularly for the positive electrode, is crucial as it significantly influences the battery’s power output, safety, cost, and longevity. To achieve a more sustainable, reliable, and low-carbon energy future, advancements in technology are expected to establish significant growth in this sector. To evaluate the suitability of different electrochemical storage technologies for specific applications, several key factors must be considered:
- Energy density: The amount of energy stored per unit of weight or volume.
- Power density: The rate at which energy can be delivered or absorbed per unit of weight or volume.
Several studies in the literature provide an in-depth analysis of the trade-off between energy density and power density for various battery technologies using Ragone plots. References [3,4] offer comprehensive insights into the use of these representations and their implications in different applications. A higher energy density allows for longer operating times, while a higher power density enables faster charging and discharging rates.
Other key factors influence the performance and lifetime of ESSs. Cycle life refers to the number of charge–discharge battery cycles before its capacity significantly degrades. The round-trip efficiency measures the effectiveness of converting electrical energy into chemical energy and vice versa. This parameter considers energy losses during the movement of charge. Initial and maintenance costs are also considered for the ESS design. Elements such as material costs, manufacturing processes, and recycling contribute to the total economic impact. Additionally, the environmental impact of battery technologies must be considered, considering aspects such as raw material extraction, manufacturing processes, energy consumption during production, and end-of-life disposal.
2.2. Battery Management System
Battery Management Systems are essential for the effective operation and longevity of batteries. This is accomplished through a variety of control techniques, including charge–discharge control, temperature control, and cell potential, current, and voltage monitoring. As discussed in [5], these systems comprise various hardware and software components that work together to manage and monitor the ESS efficiently.
- Hardware Components
- Microcontrollers: These serve as the brain of the BMS, executing algorithms for monitoring, controlling, and estimating states. They process data from sensors and manage communication with other nodes.
- Voltage and Temperature Sensors: Essential for monitoring operational processes and evaluating the battery’s health, these sensors track the voltage of individual cells and the overall battery pack, as well as the temperature, ensuring safe operation and preventing overheating.
- Current Sensors: These measure the current flowing into and out of the battery, enabling accurate calculations of the available charge and facilitating effective and safe charge and discharge management.
- Communication Interfaces: These components allow the BMS to communicate with other systems connected to the ESS.
- Cell Balancing Circuits: These circuits help maintain uniform charge levels across all cells in a battery pack, enhancing overall performance and extending battery life.
- Safety Circuit: These circuits protect the energy storage system and users from failures or dangerous events in operative conditions.
- Software Components
- State Estimation Algorithms: These algorithms calculate the state of the battery to manage using data from sensors.
- Thermal Management Software: This software regulates battery temperature by controlling cooling systems or adjusting charging rates based on thermal data, ensuring optimal operating conditions.
- Cell Balancing Algorithms: These algorithms ensure that all cells within a battery pack are charged and discharged evenly, preventing any single cell from becoming overworked.
- Data Management Systems: These systems collect, store, and analyze performance data, enabling predictive maintenance and providing users with insights into battery status and health.
- Charging Control Software: This component manages the charging process, optimizing charging rates and ensuring that the battery is charged safely and efficiently.
Figure 2 illustrates the block diagram of the BMS, which consists of hardware (orange) and software (blue) components.
Figure 2.
BMS block diagram.
Developing state estimation algorithms for BMSs requires a strategic approach that considers multiple critical factors to ensure optimal performance and reliability. Key aspects such as estimation accuracy, computational complexity, execution time, and memory usage play a fundamental role in determining the feasibility of implementing these algorithms on embedded hardware. Achieving real-time functionality within BMS constraints requires a careful balance of these factors [6]. Research has demonstrated that increasing the complexity of estimation methods can enhance accuracy [7]; however, it often comes at the cost of higher computational demands, which may exceed hardware capabilities or increase system costs. Evaluating and validating these algorithms based on practical implementation criteria is crucial for ensuring their effectiveness in dynamic operating conditions. Studies have provided comprehensive frameworks to analyze these trade-offs, helping identify the most suitable solutions based on specific application requirements. This manuscript presents the most widely used and validated algorithms for estimating the states of the ESS.
3. The Battery Model
Battery modeling plays a pivotal role in the design and optimization of battery systems, particularly in applications such as electric vehicles (EVs). A battery model serves to capture the complex chemical processes occurring within the battery, translating them into a mathematical framework with lumped parameters. The precision of this model is key to making accurate predictions of the battery’s dynamic behavior. A highly accurate model empowers better management of the battery, particularly in terms of extending its lifespan. As a result, precise models are crucial for predicting battery performance, longevity, and safety, leading to more informed design choices and enhanced system efficiency.
There are at least three different types of models that we can take into consideration, which represent substantially different approaches to predicting the dynamic behavior of the battery during its use. In particular, the model topologies can be classified into equivalent circuit models (ECMs), electrochemical models (EMs) and machine learning models (MLMs) also known as data-driven models (DDMs).
3.1. Equivalent Circuit Models
The circuit model of a battery aims to summarize the electrochemical processes within the battery through a lumped-parameter mathematical model. The accuracy of this model enables reliable predictions of the battery’s dynamic behavior. This has increasingly driven research toward the development of models capable of combining two opposing needs: compactness (for easy evaluation of parameters) and accuracy. The main ECMs developed for lithium-ion batteries are presented below, highlighting their main characteristics. Each of these ECMs aims to represent the battery as an electrical circuit consisting of resistors, capacitors, and voltage sources, with various combinations corresponding to different levels of complexity and, consequently, accuracy [8,9].
The ECM’s circuit parameters are not constant; instead, they vary depending on several battery conditions, such as the remaining charge level, overall battery condition, cell temperature, and current intensity during charging and discharging phases.
Three different types of ECMs [10] can be identified: the N-time constant model, the Randles model, and the PNGV model.
3.1.1. N-Time Constant Model
The N-time constant models [11,12,13] aim to approximate both the static and dynamic behavior of a single cell subjected to varying charge and discharge currents. In this case, the controlled voltage generator, typically identified by the acronym OCV (Open-Circuit Voltage), as shown in Figure 3, represents the cell voltage as a function of the remaining charge. The resistance R0 accounts for the total resistance, and thus the voltage drops at the battery terminals when the battery supplies current. The RC loops attempt to approximate, in successive stages, the nonlinear behavior typical of lithium-ion cells. Naturally, the number of series loops used to approximate the dynamic behavior of the battery defines the degree (N) of complexity and, therefore, the accuracy of the model.
Figure 3.
N-time constant models.
Within the N-time models, certain configurations are more complex than others, and these have become so significant that they are explicitly identified. The first ECM proposed, and the simplest, was the one consisting of the OCV and the internal resistance, known as the Rint model. This model does not account for dynamic effects and is therefore classified as a 0-time model. The first evolution of the Rint model introduced an RC loop in series with the internal resistor and the OCV, resulting in the Thevenin model, which was the first attempt to approximate the dynamic evolution of the cell through a single time constant (1-time model). However, since a single time constant cannot satisfactorily approximate the typical nonlinear behavior of the cells, a model was proposed that incorporates a composition of evolutionary phenomena through a double loop (2-time model). This model is known in the literature as the Dual Polarization model. By increasing the complexity of the model through the addition of a defined number of series loops, it is possible to capture a combination of evolutionary phenomena that, when appropriately scaled, can be effectively used to better represent the cell dynamics (N-time model).
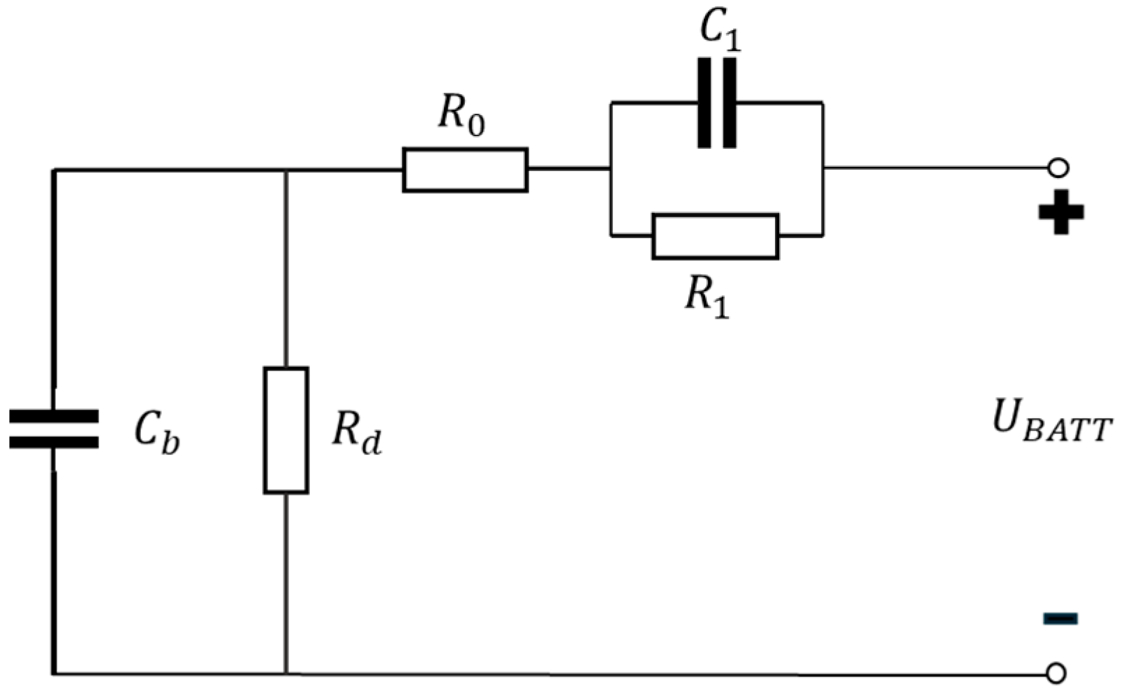
3.1.2. Randles Model
The ECMs presented in this section do not account for a phenomenon that characterizes the cell during its rest periods: the self-discharge phenomenon. Indeed, in the previous models, the cell voltage is initially derived from a controlled generator, with the OCV being solely a function of the State of Charge. The State of Charge, in turn, is also a function of time, which must consider the loss of capacity during the cell’s resting phases. For this reason, it became necessary to modify the N-time models to accommodate this secondary but observable phenomenon. The Randles circuit, as shown in Figure 4, is the first lumped-parameter circuit model that also evaluates the effects of self-discharge [14]. The approach used to incorporate this phenomenon involves a capacitor, with a very large capacitance, as it must store an amount of energy equal to that of the cell, and a resistor in parallel, which is characterized by a value that determines the self-discharge rate of the cell. Typical values for lithium-ion cells are 70 kΩ.
Figure 4.
Randles model.
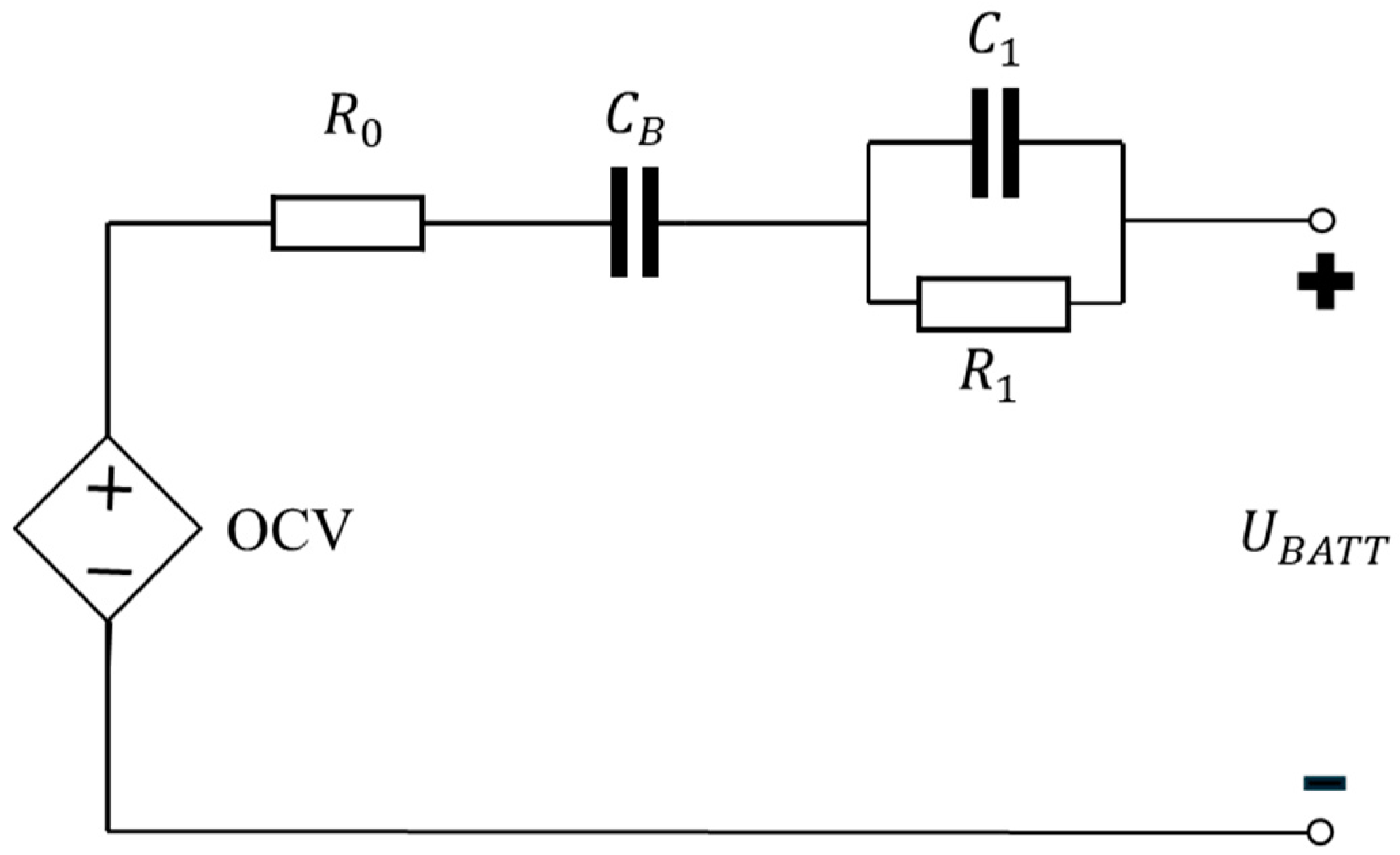
3.1.3. PNGV Model
The Partnership for a New Generation of Vehicles (PNGV) [15] is a battery model that considers the drop in external voltage during the discharge phase and that consolidates under steady-state conditions. In this model, as shown in Figure 5, there is the usual OCV, an internal resistance R0, one RC loop, and a capacitor arranged in series with the OCV and which can consider the voltage variation that is generated in the time accumulation of load current. The value of the capacitance added in series to the OCV is such as to quantify the voltage variation at the output terminals in relation to the current supplied. Typically, this capacitance takes a value equal to the voltage drop for each ampere of current supplied.
Figure 5.
Partnership for a New Generation of Vehicles (PNGV) model.
3.2. Electrochemical Models
Electrochemical models [16,17] of lithium-ion batteries aim to describe the evolution of chemical phenomena occurring within the cell. Unlike ECMs, which primarily evaluate external behavior, electrochemical models focus on the microscopic phenomena arising from various chemical reactions inside the cell. Due to the nonlinear nature of these reactions, electrochemical models are significantly more complex than ECMs. The most common electrochemical models are the Doyle–Fuller–Newman (DFN) Model, Single-Particle Model (SPM) and Extended Single-Particle Model (ESPM).
3.2.1. Doyle–Fuller–Newman Model (DFN) or P2D
The DFN model was first proposed in 1994 [8] and aims to model the behavior of the internal state of a lithium-ion cell during charge and discharge operations through a set of partial differential equations. This physics-based framework provides a detailed description of lithium-ion dynamics within the cell by integrating key phenomena such as diffusion in the electrolyte, reaction kinetics, charge conservation, and material balance. The DFN model is a pseudo-two-dimensional (P2D) model, meaning it considers concentrations and potentials in two dimensions: a radial direction (along the radius of the particle) and the x-axis (along the thickness of the electrode stack). Unlike simplified models, the P2D captures both the internal and external characteristics of lithium-ion batteries, making it ideal for microscopic studies.
The DFN model divides the cell into three regions, as shown in Figure 6, along the thickness dimension: the negative electrode, the separator, and the positive electrode. Lithium ions exist in two phases within the electrodes. In the solid phase, they are intercalated into spherical particles, while in the electrolyte phase, they remain dissolved. During charging and discharging, lithium ions shuttle between the two electrodes, governed by coupled partial differential equations (PDEs). These equations describe the concentration and potential distributions in both the solid and liquid phases, enabling a comprehensive analysis of the primary and side reactions occurring within the cell.
Figure 6.
Schematic of a DFN model.
A significant advantage of the P2D model is that its parameters have clear physical meanings, allowing researchers to investigate the internal state of the battery under dynamic conditions. This approach allows for a more detailed description of the electrochemical processes occurring within the battery but comes with higher computational demands. The need to solve numerous PDEs and identify a large number of parameters often requires global optimization techniques, which can be prone to overfitting and local minima. Moreover, the accuracy of simulations depends heavily on the availability of detailed and precise parameter data, limiting the model’s practicality in scenarios where such information is lacking.
Despite these limitations, the DFN model remains a benchmark for electrochemical modeling due to its ability to elucidate intricate battery mechanisms, serving as a foundation for the development of reduced-order models and control strategies.
3.2.2. Single-Particle Model (SPM)
To reduce computational time, a simplified version of the P2D model, known as the SPM [18], has been developed.
By introducing a series of critical assumptions, SPM dramatically reduces computational complexity while maintaining sufficient accuracy for various applications. The SPM simplifies the electrochemical processes by ignoring the properties of the electrolyte and treating the transport phenomena in a simplified manner. Specifically, the model illustrated in Figure 7 assumes that transport within the electrolyte and across the electrodes occurs in a much less detailed way than in the DFN model, which significantly reduces the computational complexity. However, despite these simplifications, the SPM still considers the effects of thermal conditions on the lithium-ion battery’s performance.
Figure 7.
Schematic of an SPM.
This simplification enables the SPM to achieve a high degree of computational efficiency, making it particularly suitable for control-oriented and real-time applications, such as monitoring lithium-ion concentration in batteries.
While the P2D model relies on solving complex PDEs and nonlinear algebra, often requiring extensive computation and parameter identification, the SPM provides a streamlined approach. Its formulation assumes uniform lithium-ion concentrations in the liquid phase and uniform electric potentials in the solid phase. These assumptions enable a reduction in the number of equations and parameters needed for simulation, addressing key limitations of the P2D model such as long computation times and parameter sensitivity.
However, the classical SPM is constrained by its reliance on small current densities (below 1C rates) and a large electrolyte conductivity.
3.2.3. Extended Single-Particle Model (ESPM)
The ESPM [19,20,21,22] refines the classical SPM by addressing its limitations, particularly under high current densities and dynamic conditions. By incorporating electrolyte dynamics and thermal effects, the ESPM enhances accuracy while retaining computational efficiency. Unlike the SPM, the ESPM accounts for spatial and temporal variations in electrolyte concentration, potential, and heat generation, capturing critical phenomena that influence battery performance under stress. Despite its increased complexity, it remains far less computationally intensive than full P2D models, offering a practical compromise for advanced modeling. However, challenges like complex parameter identification and reduced accuracy under extreme conditions highlight opportunities for further refinement.
3.3. Machine Learning Models or Data-Driven Models
Machine learning models, or data-driven models, are those cell models that utilize machine learning techniques to learn complex battery behaviors from experimental data [23,24]. These models can capture nonlinear and time-varying characteristics without the need for a detailed understanding of the physical processes underlying the observed phenomena. The growing importance of these models lies in their ability to predict battery behavior, performance, degradation, and efficiency by analyzing data collected during battery operations. A key advantage of data-driven models is their capacity to learn directly from real-world operational data, providing accurate predictions without relying on explicit physical equations.
4. Characterization and Estimation of Battery SoC and SoH: Methods and Definitions
In the realm of battery energy systems, two crucial parameters, State of Charge (SoC) and State of Health (SoH), play a pivotal role in ensuring optimal performance and longevity.
4.1. State of Charge (SoC) Definition
The SoC is a fundamental metric used to represent the energy status of a battery. It is defined as the ratio of the currently available capacity to the maximum capacity that the battery can store, expressed as a percentage. A fully charged battery corresponds to an SoC of 100%, whereas a completely discharged battery has an SoC of 0%.
Mathematically, SoC can be expressed as
where is the amount of the available charge and is the maximum charge capacity. Alternatively, for real-time estimation during operation, the SoC can be calculated as
where is the initial State of Charge, η is the Coulombic efficiency, and I(t) is the current (positive for discharging and negative for charging).
Complementary to SoC is the depth of discharge (DoD), which measures the percentage of energy used from the battery relative to its maximum capacity. DoD is directly related to SoC and can be expressed as
For example, a fully discharged battery has a DoD of 100%, while a fully charged battery has a DoD of 0%.
The SoC is essential for managing battery systems, preventing overcharging and over-discharging, and ensuring operational safety. It also serves as a basis for other indicators, such as the State of Function (SoF) and State of Safety (SoS), making accurate SoC estimation a key priority in BMSs. SoC cannot be measured directly, as it depends on internal and external battery conditions such as temperature, aging, and mechanical stress, which alter the maximum charge capacity.
Thus, SoC estimation methods are based on measurable signals like current, voltage, and temperature.
4.2. State of Health (SoH) Definition
The SoH is a key metric used to evaluate the performance and condition of a battery relative to its original, new state. It is typically expressed as a percentage, with 100% representing a brand-new battery and 0% indicating the end of the battery’s useful life. A commonly accepted threshold for the end of life (EoL) is when the battery’s maximum capacity decreases by 20% of its nominal capacity.
SoH is commonly calculated based on capacity or resistance. In the capacity-based approach, SoH is determined using the ratio of the current capacity to the nominal capacity , expressed as
In the resistance-based approach, SoH is defined using ohmic internal resistance, as follows:
Here, the values of initial resistance , current resistance , and resistance at end of life are compared to assess the battery’s condition.
SoH depends on various performance metrics, including capacity, internal resistance, voltage, and temperature. External conditions such as temperature and operational stress significantly impact battery aging. Battery aging can be categorized as cycle aging, caused by repeated charge–discharge cycles, and calendar aging, which occurs during storage over time. Degradation processes include phenomena like electrode material phase shifts, electrolyte breakdown, and the formation of Solid Electrolyte Interface (SEI) films. Operating the battery outside the optimal temperature range of 15–45 °C can accelerate aging and reduce the cycle life due to phenomena like thermal runaway.
Estimation of SoH is complex and varies by manufacturer. Experimental methods rely on historical cycling data and newly acquired operational metrics, while adaptive methods use advanced algorithms to predict performance changes.
Accurate SoH assessment requires a detailed understanding of the correlation between operational parameters and battery degradation mechanisms, enabling a comprehensive evaluation of battery performance and longevity. To provide a clear overview of different SoC and SoH estimator methodologies, the diagram in Figure 8 illustrates various techniques categorized into distinct approaches.
Figure 8.
Overview of the primary SoC/SoH estimation methodology.
4.3. Ampere-Hour Counting
Ampere-hour counting, also known as Coulomb Counting, is a widely used and straightforward technique for estimating the SoC of a battery [25]. This method involves integrating the current over time to track the amount of charge entering or leaving the battery, as described in Equation (2). The method is computationally efficient and easy to implement, making it a popular choice for applications where simplicity is paramount. As reported in Figure 9, this technique provides a continuous SoC estimation by directly measuring the battery’s current.
Figure 9.
Step-by-step illustration of the Coulomb Counting estimation method.
Despite its easy implementation, the accuracy of the estimation depends on the knowledge of the initial SoC and sensor accuracy [26]. To improve the accuracy, the algorithm needs to be periodically recalibrated to consider capacity variation (caused by aging phenomena and operating condition variation) and Peukert’s effect [27,28]. The described method is also applied to measure the maximum storable charge of the ESS. Specifically, SoH related to the capacity can be determined through full charge and discharge cycles at different current rates, until the ESS voltage reaches the cut-off limits. This approach helps to identify capacity losses over time and evaluate the remaining performance of the system. However, this method is impractical for real applications, as it requires the ESS to undergo complete charge and discharge cycles, making it unavailable for the entire measurement process. This limitation makes it challenging to implement different methods where continuous system availability is crucial to ensure operational functionality.
4.4. Lookup Table-Based Methods
In most lithium batteries, the SoC is closely related to measurable parameters such as OCV and internal impedance. These values can be used through lookup table or empirical models by a comparison process to achieve the SoC estimation with a reasonable accuracy.
4.4.1. SoC Estimation via OCV
One widely used technique involves the correlation between OCV and SoC [29,30,31]. The OCV is a thermodynamic property that reflects the battery’s equilibrium potential at a given charge state. The relationship between OCV and SoC can be characterized during calibration through experimental data or derived from electrochemical models [32]. However, the practical application of OCV for real-time SoC estimation is challenging due to the following:
- ▪
- Measurement constraints: Accurate OCV readings require the battery to be at rest for an extended period, with no current flowing. This requirement is impractical in dynamic environments, such as EVs, where batteries are in constant use.
- ▪
- Dynamic operating conditions: Voltage readings under load or during charging/discharging are influenced by factors such as internal resistance and transient responses, making them unreliable for direct SoC estimation without compensation techniques.
4.4.2. SoC Estimation via Impedance
Impedance-based methods leverage the correlation between a battery’s Electrochemical Impedance Spectroscopy (EIS) profile and the SoC [33,34,35]. This approach is particularly useful in laboratory settings where controlled conditions allow precise impedance measurements across a range of frequencies. By analyzing these frequency-domain responses, the battery’s internal state, including SoC, can be inferred. Despite its accuracy, impedance-based SoC estimation faces significant practical challenges:
- Specialized equipment: Measuring impedance requires sophisticated instruments capable of applying sinusoidal signals at various frequencies and capturing the corresponding responses.
- Limited real-world applicability: Due to the need for controlled environments and measurement durations, this method is impractical for continuous SoC estimation in operational EVs.
4.4.3. Lookup Table-Based Method Considerations
While both OCV and impedance measurements are effective tools for SoC estimation, their practical implementation in real-world systems is constrained by the need for resting periods (in the case of OCV measurement) or specialized equipment (for impedance measurements). To overcome these limitations, these methods are often integrated with other estimation techniques, enabling accurate and real-time SoC prediction under dynamic operating conditions.
4.5. Model-Based Estimation Methods
Model-based methods for SoC estimation rely on constructing and solving mathematical models to infer the internal state of batteries. These methods encompass a range of approaches categorized as ECM and EM. As illustrated in Figure 10, by expressing battery behavior through nonlinear state equations, these techniques utilize advanced state estimation algorithms and adaptive filtering methods to predict battery parameters accurately.
Figure 10.
Overview of model-based methods for SoC estimation.
A variety of algorithms underpin the model-based approach, each tailored to address specific challenges in nonlinearity, noise, and computational demands. The most common state estimator algorithms apply the Kalman filter [36], extended Kalman filter [37,38,39], unscented Kalman filter [40,41,42], Fading Kalman Filter [43,44], Particle Filter [45,46], H∞ Observer [47], and Adaptive Kalman Filter [48,49].
In recent years, the accurate estimation of the SoC and SoH of lithium-ion batteries has become a crucial element to optimize performance and ensure safety in energy storage systems, particularly in electric vehicles. Various modeling approaches and algorithms have been developed to tackle this challenge by balancing estimation accuracy with computational cost.
Model-based approaches, such as EM, offer high accuracy in SoC and SoH estimation but can be computationally demanding. To address this issue, Gao et al. (2022) [50] proposed a co-estimation strategy based on a simplified P2D model combined with an extended Kalman filter for more efficient real-time processing. Another example of an electrochemical approach is provided by Li et al. (2020) [51], who use an adaptive unscented Kalman filter (AUKF) to estimate the battery’s internal state, enabling precise monitoring of lithium-ion concentrations and preventing degradation phenomena such as lithium plating.
An alternative method for SoC/SoH estimation involves the use of the SPM, which provides a more accurate physical representation of the battery compared to traditional ECMs. However, the computational complexity of the SPM has limited its real-time application. Cen and Kubiak (2020) [52] propose a simplified version of the model, reducing the complexity from PDEs to ordinary differential equations (ODEs), thereby improving computational efficiency while maintaining high accuracy.
To enhance the effectiveness of modeling, some studies have explored hybrid approaches that combine physical models with data-driven techniques. Bavand et al. (2022) [53] propose a combined methodology that utilizes circuit models and machine learning algorithms to improve estimation accuracy under varying operating conditions. Similarly, Gu et al. (2016) [54] evaluate the feasibility of electrochemical modeling, proposing an approach that integrates hybrid model-based SoC/SoH estimation algorithms for greater robustness and adaptability.
On the other hand, for real-time applications, several studies have investigated the use of Kalman filtering algorithms, which balance accuracy and computational complexity. Hossain et al. (2022) [55] conduct a comparative analysis of Kalman filtering techniques, evaluating the performance of different algorithms such as EKF, AEKF, UKF, and AUKF under varying operating conditions, demonstrating the superiority of adaptive configurations. Another relevant study by Cacciato et al. (2017) [56] proposes an estimation strategy based on an equivalent circuit model with a PI observer, which provides accurate SoC/SoH estimates with low computational burden, making it suitable for implementation in low-cost control units.
Finally, Meng et al. (2018) [57] provide a comprehensive overview of various implementable online SoC estimation algorithms, comparing model-based methods, data-driven approaches, and hybrid techniques, highlighting the trade-offs between accuracy, computational cost, and real-world applicability. Naseri et al. (2022) [58] present an advanced equivalent circuit model with real-time parameter identification, showing improvements in estimation accuracy compared to traditional second-order ECMs.
4.6. Data-Driven Estimation Methods
Data-driven methods have emerged as a powerful approach to SoC and SoH estimation due to their ability to handle the nonlinear dynamics of battery behavior. These methods leverage advanced statistical and machine learning techniques to model complex relationships in data without requiring a detailed physical understanding of the system.
Black-box modeling is a foundational technique in data-driven states estimation. It is effective in addressing nonlinear problems, offering high prediction accuracy by focusing on input–output relationships.
As shown in Figure 11, these models are usually pre-trained on extensive datasets to capture complex relationships between battery parameters and SoC. Once trained, they are deployed to estimate the SoC in real time based solely on the acquired input data trends.
Figure 11.
General scheme of data-driven SoC estimation using pre-trained models.
Data-driven models offer powerful tools for understanding and predicting Li-ion battery behavior. These models can handle the complex, nonlinear nature of battery dynamics and provide real-time, efficient solutions for tasks such as SoC estimation, SoH prediction, battery lifetime forecasting, and fault detection. As more operational data become available, machine learning techniques will continue to improve, providing more accurate and reliable models for a wide range of battery applications. The choice of model often depends on the specific task, available data, and computational resources.
The most used types of data-driven models [59] for Li-ion batteries are summarized in Figure 12.
Figure 12.
List of common data-driven methods tested for SoC and SoH estimation.
4.7. Traditional Machine Learning
4.7.1. Linear Regression
This is one of the simplest forms of regression. It is used when the relationship between input and output variables is assumed to be linear. For example, linear regression can predict battery voltage or capacity degradation based on a set of variables like temperature, charge/discharge rates, and cycle count [60]. Although simple, linear regression is often not sufficient for capturing the complex nonlinear dynamics of a battery.
4.7.2. Polynomial Regression
For capturing more complex relationships between battery parameters, polynomial regression (or higher-order regression models) can be used. These models can fit nonlinear data by introducing higher-order terms, but they may suffer from overfitting if the degree of the polynomial is too high.
4.7.3. Decision Trees
These are simpler models that can be used for classification and regression tasks. They split the data into branches based on feature values and make predictions at the leaves. While they may not perform as well as more complex models (like neural networks), decision trees are interpretable, which is a major advantage in applications where transparency is required [61].
4.7.4. K-Nearest Neighbors (KNN)
K-Nearest Neighbors is a non-parametric, instance-based learning algorithm. It is used for both classification and regression tasks. In the case of Li-ion batteries, KNN can be applied to predict battery performance based on similar historical data points. KNN can be used for SoC and SoH [62] estimation by finding the most similar operating conditions from historical data and predicting the battery’s current state. This method is particularly useful in scenarios where battery behavior is highly dependent on previous conditions, but may not generalize well across different conditions without proper preprocessing.
4.8. Advanced Machine Learning
4.8.1. Support Vector Machines (SVMs)
SVM can be used for regression tasks (SVR), where the goal is to predict continuous values like SoC or SoH. SVMs are effective in higher-dimensional spaces and are less prone to overfitting when compared to other regression models [63,64]. They are especially useful when the relationship between inputs and outputs is complex and nonlinear.
4.8.2. Random Forest
This is an ensemble learning method that uses multiple decision trees to make predictions. It is widely used in battery modeling for tasks like SoC estimation, lifetime prediction, and fault detection. Random forests are robust against overfitting and can handle large, high-dimensional datasets [65].
4.8.3. Gaussian Process Regression (GPR)
GPR is a non-parametric, probabilistic model that can be used to predict battery behavior. GPR is useful for estimating the uncertainty in the predictions, which is important for applications like battery health monitoring. It provides a measure of uncertainty alongside predictions, which can be valuable in risk-sensitive applications like electric vehicles or energy storage systems. GPR is particularly useful for modeling complex battery behavior where data may be noisy or sparse. GPR is often used in scenarios where high-accuracy predictions are needed, such as predicting battery voltage or capacity degradation over long-term cycles [66]. It works by assuming a probabilistic distribution over the possible functions that fit the observed data.
4.8.4. Bayesian Networks
Bayesian Networks are probabilistic graphical models that represent a set of variables and their conditional dependencies. In the context of Li-ion batteries, Bayesian networks can be used to model the relationships between various operational parameters, such as temperature, current, voltage, and SoC. These models are useful in fault diagnosis and uncertainty quantification, providing insights into how different factors (e.g., temperature and charge cycles) affect the battery’s performance. Bayesian methods can be used to predict battery degradation over time by incorporating uncertainty into the model.
4.9. Deep Learning
Artificial Neural Networks (ANNs), especially deep learning models, have become prominent due to their capability to learn complex, nonlinear relationships from extensive datasets. Key architectures relevant to battery modeling are mentioned subsequently.
4.9.1. Feedforward Neural Networks (FNNs)
FNN models [67] are widely applied in tasks such as SoC estimation, capacity prediction, and fault detection. Composed of multiple interconnected layers of neurons, FNNs can model intricate dependencies between input features (e.g., voltage, current, temperature) and output variables (e.g., SoC, SoH).
4.9.2. Recurrent Neural Networks (RNNs)
Designed for time-series data, RNNs are well suited for battery-related applications, capturing temporal dependencies inherent in data such as charge/discharge cycles and voltage variations over time [68]. This makes them effective for SoC tracking and capacity forecasting.
4.9.3. Long Short-Term Memory (LSTM)
LSTMs excel in managing long-term dependencies in time-series data [69]. They are particularly advantageous for predicting battery lifetime, degradation patterns, and future states, making them a key tool in advanced battery modeling.
4.9.4. Autoencoders for Anomaly Detection
Autoencoders are a type of neural network used for unsupervised learning. They are designed to compress data into a smaller representation and then reconstruct the original input from this representation. Autoencoders can be used for detecting anomalies in battery behavior [70], such as unexpected voltage drops or temperature spikes. By training on normal operating conditions, the autoencoder learns to reconstruct typical battery performance, and any deviations from this reconstruction indicate potential faults or degradation.
4.10. Reinforcement Learning for Battery Management
Reinforcement learning (RL) is a subset of machine learning where an agent learns how to act in an environment to maximize some notion of cumulative reward. For Li-ion batteries, reinforcement learning can be applied to optimize the charging and discharging strategies, taking into account factors like temperature, SoC, and battery age. RL algorithms can learn optimal charging policies that minimize degradation, reduce charging time, and maximize battery lifespan based on continuous feedback from the battery’s performance data. By continuously adjusting charging rates and power output, RL can help adapt to varying operating conditions and extend battery life [71].
5. Comparison and Evaluation of the Effectiveness of SoC and SoH Estimation Methods
By tailoring the method selection to specific requirements (e.g., accuracy, cost, real-time capability), it is possible to achieve optimal SoC and SoH estimation performance in different BMSs.
Selecting the appropriate estimation method can greatly influence the performance, reliability, and cost-effectiveness of the BMS [72]. Ampere-hour counting calculates the SoC by integrating the current over time, starting from a known initial SoC value. This method offers high accuracy under steady-state conditions and is characterized by its low computational complexity, making it suitable for systems with limited processing power. However, it is sensitive to cumulative measurement errors and does not effectively estimate SoH. Consequently, it is best used in applications requiring simple and cost-effective solutions, where precise initial SoC calibration is feasible. The lookup table-based method uses pre-calculated tables that map battery parameters, such as voltage and temperature, to SoC and SoH values. This approach provides moderate accuracy for SoC estimation and is easy to implement due to its minimal computational requirements. Nevertheless, its static nature limits its accuracy, especially in adapting to aging or variable conditions, which results in low SoH estimation performance. This method is well suited for systems where computational simplicity is prioritized over adaptability, such as low-cost consumer electronics. Model-based estimation relies on equivalent circuit models or electrochemical models to derive SoC and SoH values, using the battery’s physical characteristics as a basis. This method offers high accuracy for SoC estimation and moderate effectiveness for SoH, as it can incorporate aging and dynamic behaviors. While it provides a good balance between precision and adaptability, it requires significant computational resources and precise parameterization and calibration. Data-driven methods employ machine learning and artificial intelligence techniques to estimate SoC and SoH based on large datasets of battery behavior. These methods are capable of capturing complex, nonlinear behaviors and aging patterns, which enhances their moderate SoH estimation capabilities. However, they require substantial computational power and copious amounts of high-quality training data. The accuracy of SoC estimation can also be compromised if the training data are insufficient or unrepresentative. These methods are ideal for cutting-edge applications where predictive capabilities and adaptability to evolving conditions are critical, such as next-generation BMSs with cloud integration.
Table 1 summarizes, in a simple and compact way, the impact of the adoption of an estimation method on the evaluation result of the SoC and SoH.
Table 1.
Comparison of different SoC and SoH estimation methods.
6. Conclusions
State of Charge (SoC) and State of Health (SoH) are critical parameters for effectively managing battery systems, ensuring safety, extending lifespan, and optimizing performance. Accurate estimation methods for SoC and SoH are essential for the efficient operation of battery-powered devices.
This review systematically categorizes and evaluates various estimation methods for SoC and SoH, providing a comprehensive comparative analysis of their effectiveness. Each method presents specific trade-offs: ampere-hour counting and lookup table-based approaches are cost-effective and simple but often fall short in terms of accuracy and adaptability. In contrast, model-based and data-driven methods deliver higher accuracy and adaptability, though they come with increased computational demands and greater implementation complexity. Achieving optimal performance requires aligning the chosen estimation method with the specific needs of the application, such as cost constraints, computational resources, and real-time operation requirements. The analysis underscores that there is no universally optimal method; rather, a balanced compromise must be struck, based on the unique demands of the system in question. Furthermore, it is evident that none of the methods examined provide high accuracy in SoH estimation, which remains a significant challenge. Ongoing research is focused on developing innovative and potentially hybrid approaches that combine the strengths of existing techniques, offering promising avenues for future improvement.
To enhance both accuracy and computational efficiency in model-based estimators, it is essential to consider a variety of operational and environmental conditions in the design of robust ECM battery models. Many studies focus on single-cell data; however, the modeling and management of multi-cell configurations (series and parallel connections) and BMSs with leader–follower architectures add significant complexity to the overall energy storage system (ESS). Reducing computational burden while maintaining high accuracy and real-time execution is therefore a key challenge. Consequently, recent research has increasingly focused on ‘simplification’ strategies to address these issues.
In this context, co-estimation methods have been proposed as a solution. These methods allow for adaptive compensation of SoC estimation errors as battery capacity changes with SoH variations. However, parallel estimation structures can be highly sensitive to significant errors if any state indicator is inaccurately estimated. Future research will focus on testing and proposing new state estimators tailored to commercial ESS applications, addressing the specific challenges and requirements of real-world systems.
This manuscript provides a concise summary of the trade-offs inherent in various estimation methods, offering valuable insights to system designers. By understanding these trade-offs, designers can make informed decisions to optimize Battery Management Systems and improve overall performance.
Author Contributions
Conceptualization and methodology were primarily developed by A.D. and M.R., who provided the foundational ideas and structured the overall approach to the study. G.B. and I.S. contributed significantly by providing the necessary resources and expertise, ensuring the availability of tools and data essential for the research. They also played a key role in reviewing and editing the manuscript, enhancing its clarity and coherence. All authors collaboratively discussed and refined the results, contributing to the final manuscript and approving it for submission. All authors have read and agreed to the published version of the manuscript.
Funding
This work was funded by bando FRA 2022 (Programma per il Finanziamento della Ricerca di Ateneo) “000010-ALTRI_DR_3429_FRA2023 lineaB_HEPEC_001_001-HEPEC-Ricerca di Ateneo FRA linea B-DR 3429-PG_2023_0129004” of the Department of Electrical Engineering and Information Technology (D.I.E.T.I.), University of Naples Federico II, Naples, Italy.
Acknowledgments
This study was carried out within the research project bando FRA 2022 (Programma per il Finanziamento della Ricerca di Ateneo) “000010-ALTRI_DR_3429_FRA2023 lineaB_HEPEC_001_001-HEPEC-Ricerca di Ateneo FRA linea B-DR 3429-PG_2023_0129004” of the Department of Electrical Engineering and Information Technology (D.I.E.T.I.), University of Naples Federico II, Naples, Italy.
Conflicts of Interest
The authors declare no conflicts of interest.
References
- Fedele, E.; Iannuzzi, D.; Del Pizzo, A. Onboard energy storage in rail transport: Review of real applications and techno-economic assessments. IET Electr. Syst. Transp. 2021, 11, 279–309. [Google Scholar] [CrossRef]
- Ciancetta, F.; Ometto, A.; Rotondale, A.; D’Ovidio, G.; Masciovecchio, C.; Dannier, A. Energy storage system comparison for mini electrical bus. In Proceedings of the 2016 International Symposium on Power Electronics, Electrical Drives, Automation and Motion (SPEEDAM), Capri, Italy, 22–24 June 2016; pp. 1115–1119. [Google Scholar] [CrossRef]
- Lee, S.C.; Jung, W.Y. Analogical Understanding of the Ragone plot and a New Categorization of Energy Devices. Energy Procedia 2016, 88, 526–530. [Google Scholar] [CrossRef]
- Beyers, I.; Bensmann, A.; Hanke-Rauschenbach, R. Ragone plots revisited: A review of methodology and application across energy storage technologies. J. Energy Storage 2023, 73, 109097. [Google Scholar] [CrossRef]
- Kumar, R.R.; Bharatiraja, C.; Udhayakumar, K.; Devakirubakaran, S.; Sekar, K.S.; Mihet-Popa, L. Advances in Batteries, Battery Modeling, Battery Management System, Battery Thermal Management, SOC, SOH, and Charge/Discharge Characteristics in EV Applications. IEEE Access 2023, 11, 105761–105809. [Google Scholar] [CrossRef]
- Barillas, J.K.; Li, J.; Günther, C.; Danzer, M.A. A comparative study and validation of state estimation algorithms for Li-ion batteries in battery management systems. Appl. Energy 2015, 155, 455–462. [Google Scholar] [CrossRef]
- Verma, M.K.S.; Basu, S.; Patil, R.S.; Hariharan, K.S.; Adiga, S.P.; Kolake, S.M. On-Board State Estimation in Electrical Vehicles: Achieving Accuracy and Computational Efficiency Through an Electrochemical Model. IEEE Trans. Veh. Technol. 2020, 69, 2563–2575. [Google Scholar] [CrossRef]
- Dannier, A.; Ferraro, L.; Miceli, R.; Piegari, L.; Rizzo, R. Numerical and experimental validation of a LiFePO4 battery model at steady state and transient operations. In Proceedings of the 2013 Eighth International Conference and Exhibition on Ecological Vehicles and Renewable Energies (EVER), Oline, 27–30 March 2013; pp. 1–6. [Google Scholar] [CrossRef]
- Brando, G.; Dannier, A.; Spina, I.; Piegari, L. Comparison of accuracy of different LiFePO4 battery circuital models. In Proceedings of the 2014 International Symposium on Power Electronics, Electrical Drives, Automation and Motion, Ischia, Italy, 18–20 June 2014; pp. 1092–1097. [Google Scholar] [CrossRef]
- Wang, Z.; Feng, G.; Zhen, D.; Gu, F.; Ball, A. A review on online state of charge and state of health estimation for lithium-ion batteries in electric vehicles. Energy Rep. 2021, 7, 5141–5161. [Google Scholar] [CrossRef]
- Mousavi, G.S.M.; Nikdel, M. Various battery models for various simulation studies and applications. Renew. Sustain. Energy Rev. 2014, 32, 477–485. [Google Scholar] [CrossRef]
- Baccouche, I.; Jemmali, S.; Manai, B.; Nikolian, A.; Omar, N.; Amara, N.E.B. Li-ion battery modeling and characterization: An experimental overview on NMC battery. Int. J. Energy Res. 2022, 46, 3843–3859. [Google Scholar] [CrossRef]
- Campagna, N.; Castiglia, V.; Miceli, R.; Mastromauro, R.A.; Spataro, C.; Trapanese, M.; Viola, F. Battery Models for Battery Powered Applications: A Comparative Study. Energies 2020, 13, 4085. [Google Scholar] [CrossRef]
- Alavi, S.M.M.; Mahdi, A.; Payne, S.J.; Howey, D.A. Identifiability of Generalized Randles Circuit Models. IEEE Trans. Control Syst. Technol. 2017, 25, 2112–2120. [Google Scholar] [CrossRef]
- Tao, Z.; Zhao, Z.; Wang, C.; Huang, L.; Jie, H.; Li, H.; Hao, Q.; Zhou, Y.; See, K.Y. State of charge estimation of lithium batteries: Review for equivalent circuit model methods. Measurement 2024, 236, 115148. [Google Scholar] [CrossRef]
- Liu, K.; Gao, Y.; Zhu, C.; Li, K.; Fei, M.; Peng, C.; Zhang, X.; Han, Q.-L. Electrochemical modeling and parameterization towards control-oriented management of lithium-ion batteries. Control Eng. Pr. 2022, 124, 105176. [Google Scholar] [CrossRef]
- Zhou, J.; Xing, B.; Wang, C. A review of lithium ion batteries electrochemical models for electric vehicles. E3S Web Conf. 2020, 185, 4001. [Google Scholar] [CrossRef]
- Khalik, Z.; Donkers, M.C.F.; Bergveld, H.J. Model simplifications and their impact on computational complexity for an electrochemistry-based battery modeling toolbox. J. Power Source 2021, 488, 229427. [Google Scholar] [CrossRef]
- He, W.; Han, T.; Song, H.; Wang, Q.; Kang, J.; Wang, J.V.; Chen, W. An extended single-particle model of lithium-ion batteries based on simplified solid-liquid diffusion process. iScience 2024, 27, 110764. [Google Scholar] [CrossRef] [PubMed]
- Rahimian, S.K.; Rayman, S.; White, R.E. Extension of physics-based single particle model for higher charge–discharge rates. J. Power Source 2013, 224, 180–194. [Google Scholar] [CrossRef]
- Kemper, P.; Kum, D. Extended Single Particle Model of Li-Ion Batteries Towards High Current Applications. In Proceedings of the 2013 IEEE Vehicle Power and Propulsion Conference (VPPC), Beijing, China, 15–18 October 2013; pp. 1–6. [Google Scholar] [CrossRef]
- Tran, N.T.; Vilathgamuwa, M.; Li, Y.; Farrell, T.; Choi, S.S.; Teague, J. State of charge estimation of lithium ion batteries using an extended single particle model and sigma-point Kalman filter. In Proceedings of the 2017 IEEE Southern Power Electronics Conference (SPEC), Puerto Varas, Chile, 4–7 December 2017; pp. 1–6. [Google Scholar] [CrossRef]
- Eleftheriadis, P.; Giazitzis, S.; Leva, S.; Ogliari, E. Data-Driven Methods for the State of Charge Estimation of Lithium-Ion Batteries: An Overview. Forecasting 2023, 5, 576–599. [Google Scholar] [CrossRef]
- Lucaferri, V.; Quercio, M.; Laudani, A.; Fulginei, F.R. A Review on Battery Model-Based and Data-Driven Methods for Battery Management Systems. Energies 2023, 16, 7807. [Google Scholar] [CrossRef]
- Baccouche, I.; Mlayah, A.; Jemmali, S.; Manai, B.; Amara, N.E.B. Implementation of a Coulomb counting algorithm for SOC estimation of Li-Ion battery for multimedia applications. In Proceedings of the 2015 IEEE 12th International Multi-Conference on Systems, Signals & Devices (SSD15), Mahdia, Tunisia, 19 March 2015; pp. 1–6. [Google Scholar] [CrossRef]
- Zhang, Y.; Song, W.; Lin, S.; Feng, Z. A novel model of the initial state of charge estimation for LiFePO4 batteries. J. Power Source 2014, 248, 1028–1033. [Google Scholar] [CrossRef]
- Lee, J.; Won, J. Enhanced Coulomb Counting Method for SoC and SoH Estimation Based on Coulombic Efficiency. IEEE Access 2023, 11, 15449–15459. [Google Scholar] [CrossRef]
- Ng, K.S.; Moo, C.-S.; Chen, Y.-P.; Hsieh, Y.-C. Enhanced coulomb counting method for estimating state-of-charge and state-of-health of lithium-ion batteries. Appl. Energy 2009, 86, 1506–1511. [Google Scholar] [CrossRef]
- Song, Y.; Park, M.; Seo, M.; Kim, S.W. Improved SOC estimation of lithium-ion batteries with novel SOC-OCV curve estimation method using equivalent circuit model. In Proceedings of the 2019 4th International Conference on Smart and Sustainable Technologies (SpliTech), Split, Croatia, 18–21 June 2019; pp. 1–6. [Google Scholar] [CrossRef]
- Baccouche, I.; Jemmali, S.; Mlayah, A.; Manai, B.; Amara, N.E.B. Implementation of an Improved Coulomb-Counting Algorithm Based on a Piecewise SOC-OCV Relationship for SOC Estimation of Li-IonBattery. arXiv 2018, arXiv:1803.10654. [Google Scholar]
- Zhang, C.; Jiang, J.; Zhang, L.; Liu, S.; Wang, L.; Loh, P.C. A Generalized SOC-OCV Model for Lithium-Ion Batteries and the SOC Estimation for LNMCO Battery. Energies 2016, 9, 900. [Google Scholar] [CrossRef]
- Lavigne, L.; Sabatier, J.; Francisco, J.M.; Guillemard, F.; Noury, A. Lithium-ion Open Circuit Voltage (OCV) curve modelling and its ageing adjustment. J. Power Source 2016, 324, 694–703. [Google Scholar] [CrossRef]
- Sihvo, J.; Roinila, T.; Messo, T.; Stroe, D.-I. Novel online fitting algorithm for impedance-based state estimation of Li-ion batteries. In Proceedings of the IECON 2019—45th Annual Conference of the IEEE Industrial Electronics Society, Lisbon, Portugal, 14–17 October 2019; pp. 4531–4536. [Google Scholar] [CrossRef]
- Becherif, M.; Ramadan, H.-S.; Benmouna, A.; Jemei, S. Initial state of charge estimation of battery using impedance measurement for electrical vehicle applications. Sustain. Energy Technol. Assess. 2022, 53, 102727. [Google Scholar] [CrossRef]
- Tröltzsch, U.; Kanoun, O.; Tränkler, H.-R. Characterizing aging effects of lithium ion batteries by impedance spectroscopy. Electrochim. Acta 2006, 51, 1664–1672. [Google Scholar] [CrossRef]
- Ting, T.O.; Man, K.L.; Lim, E.G.; Leach, M. Tuning of Kalman Filter Parameters via Genetic Algorithm for State-of-Charge Estimation in Battery Management System. Sci. World J. 2014, 2014, 176052. [Google Scholar] [CrossRef] [PubMed]
- Wassiliadis, N.; Adermann, J.; Frericks, A.; Pak, M.; Reiter, C.; Lohmann, B.; Lienkamp, M. Revisiting the dual extended Kalman filter for battery state-of-charge and state-of-health estimation: A use-case life cycle analysis. J. Energy Storage 2018, 19, 73–87. [Google Scholar] [CrossRef]
- Yang, K.; Tang, Y.; Zhang, Z. Parameter Identification and State-of-Charge Estimation for Lithium-Ion Batteries Using Separated Time Scales and Extended Kalman Filter. Energies 2021, 14, 1054. [Google Scholar] [CrossRef]
- Huang, C.; Wang, Z.; Zhao, Z.; Wang, L.; Lai, C.S.; Wang, D. Robustness Evaluation of Extended and Unscented Kalman Filter for Battery State of Charge Estimation. IEEE Access 2018, 6, 27617–27628. [Google Scholar] [CrossRef]
- Chen, L.; Xu, L.; Wang, R. State of Charge Estimation for Lithium-Ion Battery by Using Dual Square Root Cubature Kalman Filter. Math. Probl. Eng. 2017, 2017, 5489356. [Google Scholar] [CrossRef]
- Zhang, F.; Liu, G.; Fang, L. Battery state estimation using Unscented Kalman Filter. In Proceedings of the 2009 IEEE International Conference on Robotics and Automation, Kobe, Japan, 12–17 May 2009; pp. 1863–1868. [Google Scholar] [CrossRef]
- Chen, N.; Hu, X.; Gui, W.; Zou, J. Estimation of li-ion battery state of charging and state of healthy based on unsented Kalman filtering. In Proceedings of the The 26th Chinese Control and Decision Conference (2014 CCDC), Changsha, China, 31 May–2 June 2014; pp. 4725–4729. [Google Scholar] [CrossRef]
- Lim, K.; Bastawrous, H.A.; Duong, V.-H.; See, K.W.; Zhang, P.; Dou, S.X. Fading Kalman filter-based real-time state of charge estimation in LiFePO4 battery-powered electric vehicles. Appl. Energy 2016, 169, 40–48. [Google Scholar] [CrossRef]
- Zhao, W.; Kong, X.; Wang, C. Combined estimation of the state of charge of a lithium battery based on a back-propagation—Adaptive Kalman filter algorithm. Proc. Inst. Mech. Eng. Part D J. Automob. Eng. 2018, 232, 357–366. [Google Scholar] [CrossRef]
- Liu, X.; Fan, X.; Wang, L.; Wu, J. State of Charge Estimation for Power Battery Base on Improved Particle Filter. World Electr. Veh. J. 2023, 14, 8. [Google Scholar] [CrossRef]
- Sangwan, V.; Kumar, R.; Rathore, A.K. State-of-Charge estimation of Li-ion battery at different temperatures using particle filter. J. Eng. 2019, 2019, 5320–5324. [Google Scholar] [CrossRef]
- Yu, Q.; Xiong, R.; Lin, C.; Shen, W.; Deng, J. Lithium-Ion Battery Parameters and State-of-Charge Joint Estimation Based on H-Infinity and Unscented Kalman Filters. IEEE Trans. Veh. Technol. 2017, 66, 8693–8701. [Google Scholar] [CrossRef]
- Yang, J.; Xia, B.; Shang, Y.; Huang, W.; Mi, C.C. Adaptive State-of-Charge Estimation Based on a Split Battery Model for Electric Vehicle Applications. IEEE Trans. Veh. Technol. 2017, 66, 10889–10898. [Google Scholar] [CrossRef]
- Xu, Y.; Hu, M.; Zhou, A.; Li, Y.; Li, S.; Fu, C.; Gong, C. State of charge estimation for lithium-ion batteries based on adaptive dual Kalman filter. Appl. Math. Model. 2020, 77, 1255–1272. [Google Scholar] [CrossRef]
- Gao, Y.; Liu, K.; Zhu, C.; Zhang, X.; Zhang, D. Co-Estimation of State-of-Charge and State-of- Health for Lithium-Ion Batteries Using an Enhanced Electrochemical Model. IEEE Trans. Ind. Electron. 2022, 69, 2684–2696. [Google Scholar] [CrossRef]
- Li, W.; Fan, Y.; Ringbeck, F.; Jöst, D.; Han, X.; Ouyang, M.; Sauer, D.U. Electrochemical model-based state estimation for lithium-ion batteries with adaptive unscented Kalman filter. J. Power Source 2020, 476, 228534. [Google Scholar] [CrossRef]
- Cen, Z.; Kubiak, P. Lithium-ion battery SOC/SOH adaptive estimation via simplified single particle model. Int. J. Energy Res. 2020, 44, 12444–12459. [Google Scholar] [CrossRef]
- Bavand, A.; Khajehoddin, S.A.; Ardakani, M.; Tabesh, A. Online Estimations of Li-Ion Battery SOC and SOH Applicable to Partial Charge/Discharge. IEEE Trans. Transp. Electrif. 2022, 8, 3673–3685. [Google Scholar] [CrossRef]
- Gu, R.; Malysz, P.; Yang, H.; Emadi, A. On the Suitability of Electrochemical-Based Modeling for Lithium-Ion Batteries. IEEE Trans. Transp. Electrif. 2016, 2, 417–431. [Google Scholar] [CrossRef]
- Hossain, M.; Haque, M.E.; Arif, M.T. Kalman filtering techniques for the online model parameters and state of charge estimation of the Li-ion batteries: A comparative analysis. J. Energy Storage 2022, 51, 104174. [Google Scholar] [CrossRef]
- Cacciato, M.; Nobile, G.; Scarcella, G.; Scelba, G. Real-Time Model-Based Estimation of SOC and SOH for Energy Storage Systems. IEEE Trans. Power Electron. 2017, 32, 794–803. [Google Scholar] [CrossRef]
- Meng, J.; Ricco, M.; Luo, G.; Swierczynski, M.; Stroe, D.-I.; Stroe, A.-I.; Teodorescu, R. An Overview and Comparison of Online Implementable SOC Estimation Methods for Lithium-Ion Battery. IEEE Trans. Ind. Appl. 2018, 54, 1583–1591. [Google Scholar] [CrossRef]
- Naseri, F.; Schaltz, E.; Stroe, D.-I.; Gismero, A.; Farjah, E. An Enhanced Equivalent Circuit Model With Real-Time Parameter Identification for Battery State-of-Charge Estimation. IEEE Trans. Ind. Electron. 2022, 69, 3743–3751. [Google Scholar] [CrossRef]
- Zhang, D.; Zhong, C.; Xu, P.; Tian, Y. Deep Learning in the State of Charge Estimation for Li-Ion Batteries of Electric Vehicles: A Review. Machines 2022, 10, 912. [Google Scholar] [CrossRef]
- Huang, S.-C.; Tseng, K.-H.; Liang, J.-W.; Chang, C.-L.; Pecht, M.G. An Online SOC and SOH Estimation Model for Lithium-Ion Batteries. Energies 2017, 10, 512. [Google Scholar] [CrossRef]
- Qian, L.; Xuan, L.; Chen, J. Battery SOH estimation based on decision tree and improved support vector machine regression algorithm. Front. Energy Res. 2023, 11, 1218580. [Google Scholar] [CrossRef]
- Sesharanjith, M.; Dharsan, M.V.; Sundaresh, G.; Darshan, K.; Arunkumar, S. Li- Ion Battery Life Cycle Estimation by KNN Algorithm. In Proceedings of the 2024 8th International Conference on Electronics, Communication and Aerospace Technology (ICECA), Coimbatore, India, 6–8 November 2024; pp. 683–686. [Google Scholar] [CrossRef]
- Chen, Z.; Sun, M.; Shu, X.; Xiao, R.; Shen, J. Online State of Health Estimation for Lithium-Ion Batteries Based on Support Vector Machine. Appl. Sci. 2018, 8, 925. [Google Scholar] [CrossRef]
- Patil, M.A.; Tagade, P.; Hariharan, K.S.; Kolake, S.M.; Song, T.; Yeo, T.; Doo, S. A novel multistage Support Vector Machine based approach for Li ion battery remaining useful life estimation. Appl. Energy 2015, 159, 285–297. [Google Scholar] [CrossRef]
- Mawonou, K.S.R.; Eddahech, A.; Dumur, D.; Beauvois, D.; Godoy, E. State-of-health estimators coupled to a random forest approach for lithium-ion battery aging factor ranking. J. Power Source 2021, 484, 229154. [Google Scholar] [CrossRef]
- Jia, J.; Liang, J.; Shi, Y.; Wen, J.; Pang, X.; Zeng, J. SOH and RUL Prediction of Lithium-Ion Batteries Based on Gaussian Process Regression with Indirect Health Indicators. Energies 2020, 13, 375. [Google Scholar] [CrossRef]
- Narayan, N.; Saha, S. Machine Learning-driven Battery SOC Estimation for Electric Vehicle Application. In Proceedings of the 2024 IEEE International Communications Energy Conference (INTELEC), Bengaluru, India, 4–7 August 2024; pp. 1–6. [Google Scholar] [CrossRef]
- Ma, B.; Xue, M. Artificial Intelligence Based SOC Technology for Electric Vehicle Batteries. In Proceedings of the 2024 International Conference on Data Science and Network Security (ICDSNS), Tiptur, India, 26–27 July 2024; pp. 1–4. [Google Scholar] [CrossRef]
- Kaur, K.; Garg, A.; Cui, X.; Singh, S.; Panigrahi, B.K. Deep learning networks for capacity estimation for monitoring SOH of Li-ion batteries for electric vehicles. Int. J. Energy Res. 2021, 45, 3113–3128. [Google Scholar] [CrossRef]
- Obregon, J.; Han, Y.-R.; Ho, C.W.; Mouraliraman, D.; Lee, C.W.; Jung, J.-Y. Convolutional autoencoder-based SOH estimation of lithium-ion batteries using electrochemical impedance spectroscopy. J. Energy Storage 2023, 60, 106680. [Google Scholar] [CrossRef]
- Unagar, A.; Tian, Y.; Chao, M.A.; Fink, O. Learning to Calibrate Battery Models in Real-Time with Deep Reinforcement Learning. Energies 2021, 14, 1361. [Google Scholar] [CrossRef]
- Dini, P.; Colicelli, A.; Saponara, S. Review on Modeling and SOC/SOH Estimation of Batteries for Automotive Applications. Batteries 2024, 10, 34. [Google Scholar] [CrossRef]
Disclaimer/Publisher’s Note: The statements, opinions and data contained in all publications are solely those of the individual author(s) and contributor(s) and not of MDPI and/or the editor(s). MDPI and/or the editor(s) disclaim responsibility for any injury to people or property resulting from any ideas, methods, instructions or products referred to in the content. |
© 2025 by the authors. Licensee MDPI, Basel, Switzerland. This article is an open access article distributed under the terms and conditions of the Creative Commons Attribution (CC BY) license (https://creativecommons.org/licenses/by/4.0/).











