Abstract
Ensuring the physical security of electric power substations is crucial for maintaining a reliable supply of electricity. The increasing prevalence of physical threats, such as physical attacks, vandalism, sabotage, etc., on electric power substations worldwide has resulted in widespread power outages. To enhance physical security in light of these high-impact, low-probability events, this paper proposes a physical security threat assessment approach to evaluate and enhance substation security against physical attacks utilizing the Substation Criticality Index (SCI) and the Threat–Vulnerability–Consequences Index (TVCI) on risk-based security-constrained economic dispatch. The primary objective is to provide power utilities with actionable insights to proactively strengthen their defenses within budgetary constraints by considering the criticality level of each substation. By incorporating social, economic, and electrical factors, this study simulated a physical attack (specifically a bus-isolating attack), on an IEEE 39-bus test system, and evaluated the resultant consequences and load loss. Upon computation of the SCI, substations are ordered according to their criticality, and computing the TVCI gives the risk of each substation which is used to obtain an optimized physical security investment based on substation vulnerability and the consequences of attacks. Thus, based on these results, decisions for prioritizing substation physical security and investments for hardening physical security are made. Furthermore, the experimentation showed that with the physical security investment, the overall TVCI score has significantly decreased with certain budgetary constant.
1. Introduction
The physical security of an electric power substation is crucial, it being a critical infrastructure that serves as the foundation of the electric power system responsible for switching to control power flow, converting different voltage levels, routing to different destinations, and performing other essential functions [1,2]. Substations worldwide have been experiencing various types of physical attacks and cyberattacks. Diverse forms of physical attacks on substations, such as gunfire [3,4], ballistic attacks [5,6], vehicle collisions [7,8,9], terrorist attacks [4,10], and theft [11,12], etc., have occurred over time, leading to the partial or complete destruction of these facilities. Consequently, various mitigation measures, response plans and security auditing guides, etc., have been proposed to address these threats and have also been employed [13,14,15,16].
Analyzing the physical intrusion events on electrical utilities in the United States, in 2022, 163 incidents and in 2023, 185 incidents of physical attacks, vandalism, sabotage, and suspicious activity were reported in U.S. electric power utilities [17,18]. The increasing number of human-related physical attacks on U.S. electrical facilities, as illustrated in Figure 1, may be attributed to various socio-political, geopolitical, and economic factors, or terrorism.
Figure 1.
Human-caused incidents at U.S. electrical facilities [17].
It can be seen in Figure 1, that from 2020 onwards, there is a gradual increase in such attacks, which may be attributed to increased social tension and a decline in economic conditions due to the COVID-19 pandemic [19]. In 2023, the United States experienced a total of 5138 MW of demand loss attributed to physical attacks on electric utilities, which constitutes approximately 16% of the total outages caused by various disturbances [17]. In December 2022, the Moore County substation attack in North Carolina resulted in power outages for 40 k residents and highlighted the vulnerability of the electrical grid to the targeted sabotage [18]. Similarly, in November 2022, in Columbia, a substation was knocked out by a vehicle, leading to a power outage that affected approximately 4227 to 5000 customers at its peak [9]. These physical threats have caused significant power and economic losses over time, affecting thousands of consumers. It is a matter of serious concern that there has been an increase in disturbances and unusual incidents caused by human intervention in U.S. electric infrastructure. This can be considered an example of a global implication, emphasizing the necessity to enhance the physical security of electrical facilities. To mitigate these disruptions and ensure a reliable power supply, it is imperative to implement appropriate measures to enhance the resilience of the stable and dependable power grid. This may encompass investing in physical security infrastructure modernization, improving grid management and operation, strengthening physical security, enhancing cybersecurity, and building climate resilience. However, prior to implementing investments and enhancing the physical security of substations, it is imperative to identify which substations may be susceptible to physical attacks and potentially have a greater impact.
Electrical power substations are susceptible to both physical attacks, physically induced cyber-attacks, and cyber-attacks, necessitating robust and multi-layered security measures [14,20]. In contrast to a single transmission line outage caused by a physical attack, an attack on a substation, whether targeted or indiscriminate, can potentially result in a cascading effect [21,22]. This can disrupt multiple lines and cause widespread power outages. This vulnerability renders substations a primary target for malicious actors, particularly when considering their remote locations and unattended by any personnel. Moreover, although extensive research has focused on overall power grid security and cybersecurity, the physical security of substations has received comparatively less attention. This knowledge gap presents a critical opportunity for researchers to develop innovative solutions and enhance the protection of vital infrastructure assets.
A limited number of standards exist for substation physical security, such as the NERC CIP-014 [23] and IEEE Std 1402™ [24]; however, the evolving landscape of threats and vulnerabilities necessitates ongoing updates to and advancements in these guidelines and standards. These standards do not consider any operating conditions of the power grid, nor do they consider substation ranking for its hardening investment, but rather focus solely on physical security-hardening procedures. Articles [25,26] proposed an analytical bi-level optimization model and formulation to analyze the security and resilience of electrical power grids against disruptions caused by terrorist attacks. Article [27] presented methods for quantitative vulnerability analysis of electric power delivery networks, introducing new metrics for assessing power system disturbances, modeling systems as graphs for structural analysis, studying the impact of cascading failures, and exploring game theory for defense strategies against antagonistic attacks. Article [28] presented a numerical evaluation approach for ranking the vulnerability of transmission system lines to terrorist attacks. Articles [13,29] presented substation physical security monitoring (SPSM), validated through an experiment at a critical substation involving two physical intrusion scenarios. This highlights the importance of tracking intruders in a time-varying environment, proposes an improved intrusion classification method, and discusses the establishment of a database of possible intrusion paths for various types of targets at substations. Article [30] introduces a unified formalism to model cyber–physical systems and assess the potential impacts of both accidental contingencies and malicious compromises in power infrastructures. Article [31] proposes an analytical reliability assessment framework using Petri nets and Markov models to quantify the impact of cyberattacks targeting protective intelligent electronic devices (IEDs) in power substations, considering intrusion scenarios and remedial actions. Article [32] proposes a novel multi-timescale matching method in continuous space to enhance the flexibility and security of Integrated Electricity and Heating Systems (IEHS) by overcoming the limitations of discrete-time solvers and enabling the identification of global sensitivity factors for system interdependencies. Both of the articles [31,32] has implemented economic dispatch with load shedding provide a foundation for understanding the balance between system stability and resource allocation. Article [33] presents a framework for the preventive control of power systems against extreme events, considering resilience assessment, grading, and enhancement. In [34], a four-level defense–defense–attack–defense (DDAD) approach was proposed to enhance power system resilience against intentional human attacks, incorporating a planning level to prevent critical load cutoffs with reduced costs. Articles [35,36,37] presented n-k-induced contingency screening using various models. Article [38] presented a probabilistic bi-level optimization model to identify important transmission line contingencies that are connected to substations against cyber-attacks. In [39], an investment planning model for electric power systems considering transmission lines, transformers, buses, substations, and generators was proposed, optimizing defense strategies by analyzing defense/attack budgets and terrorist attack assumptions. In [40], the impact and vulnerability of targets (substations) were crucial parameters in investment planning for cybersecurity to minimize the overall risk. While the extant literature discussed above emphasizes electrical parameters for situational awareness in hardening security and investment planning in substations, it has neglected external factors such as geographical location, economic impact, and social/political considerations. To address this deficiency, this paper proposes a framework that utilizes both internal (electrical) and external parameters to quantify risk levels and situational awareness for substation physical security. This framework, designed to enhance security focus and investment, presents two key methodologies.
- (a)
- Substation Criticality Index (SCI): this index expands upon the existing methods by incorporating social, political, geographical, economic, and electrical parameters to provide a more comprehensive risk assessment for ranking substations according to their criticality.
- (b)
- Threat–Vulnerability–Consequence Index (TVCI): this index assesses the potential consequences and damage from a physical attack, enabling stakeholders to proactively plan restorative measures and prioritize security enhancements with investment for critical substations on top of the SCI under the proposed risk-based security-constrained economic dispatch.
The rest of the paper is organized as follows: Section 2 examines the analysis methods employed for physical security threat assessment, including the proposed substation criticality analysis parameters and indices and the Threat–Vulnerability–Consequence Index (TVCI) as a tool for substation criticality identification and investment decisions. The computational results of a case study of the proposed SCI and TVCI indices are presented and discussed in Section 3. Section 4 presents a framework for its practical application by utilities. Lastly, Section 5 concludes the paper.
2. Methodology
The methodology is aimed at developing an assessment method for the substation physical security and ranking them based on various factors such as social, economic and electrical. And then, perform physical security threat assessment based on three stages: analyze, enhance, and respond and revive. Before detailing all these three stages, let us discuss the parameters for defining the SCI.
2.1. Parameters for Defining Substation Criticality Index (SCI)
The operational state of a substation is affected by a multitude of factors, some of which can push it towards a critical state. This study outlines a methodological framework for determining the resilience level of each indicator parameter, enabling informed decision-making and proactive risk mitigation. The violation of the designated operational constraints for any of these parameters exposes the system to significant operational risks and potential cascading failures. Figure 2 illustrates the key parameters involved in defining the substation criticality under the influence of physical anomalies.
Figure 2.
Parameters considered for substation criticality index under physical attacks.
The parameters defined for mapping the SCI are briefly explained below.
2.1.1. Social, Political and Geographical Parameters
These parameters consider social, political, and criminal activities, geographical locations, load criticality, etc., in an area where a substation is located. All these factors can be computed based on the nature of the location, demographics, and crime rates of a particular city. The utilities may collaborate with security agencies to obtain some datasets on recent crime rates and property attacks, etc., published over time by the Federal Bureau of Investigation (https://cde.ucr.cjis.gov/LATEST/webapp/#/pages/explorer/crime/crime-trend (accessed on 7 August 2024)) in the U.S. or their local security bodies.
- Geographic location : The geographical position of a substation plays a vital role in determining its importance within the power grid and the potential consequences of an outage. Substations situated in areas such as cities or densely populated industrial zones are considered more crucial than those located in less critical regions. In addition, substations located in high-risk areas, such as coastal areas or areas prone to flooding, tides, and wind storms, would have a higher criticality index than substations located in low-risk areas. Low severity regions can be areas with low population density, fewer critical infrastructure facilities, lower risk of natural hazards and terrorism, etc., medium severity regions can be suburbs, areas with medium population density, areas with some critical infrastructure facilities, medium risk of natural hazards and terrorism, etc., high severity regions can be cities, areas with many critical infrastructure facilities, high risk of natural hazards and terrorism, etc., and each of the criticality levels is assigned a value of 0.2, 0.4, or 0.8, respectively, for computation feasibility.The vulnerability of a substation to physical attack is influenced by the complex interplay of geographical and environmental factors. These factors must be carefully considered when assessing the overall security posture of a substation. Some of the relevant parameters to consider include the following:
- a.
- Proximity to populated areas: substations located within densely populated areas face a heightened risk of physical attack owing to their increased accessibility and potential for sabotage.
- b.
- Accessibility: substations that are easily accessible via main roads or that lack physical barriers are inherently more vulnerable than those situated in remote or restricted locations.
- c.
- Visibility: substations that are readily visible from public areas or neighboring properties present a higher risk, as potential attackers can readily observe and plan their actions.
- d.
- Security measures: the effectiveness of the implemented security measures, such as fencing, surveillance, lighting, and security personnel, significantly impacts the substation’s vulnerability to physical attacks.
- e.
- Local crime rates: geographic regions with higher crime rates may expose substations to a higher risk of physical attack.
Although there is no single equation for quantifying a specific geographical location parameter for substation physical attacks, considering these factors can help assess the relative vulnerability of a substation and guide security measures to mitigate potential risks. - Criticality of connected assets : The criticality of the transmission lines, transformers, other assets, and loads connected to the substation determines its level of resilience. A substation connected to critical transmission lines, transformers, and critical loads is more critical than a substation not connected to critical assets. Critical loads include critical infrastructure, such as hospitals or emergency services, and high-risk infrastructure, which would have a higher criticality index than a substation that is connected to non-critical infrastructure. This can be indexed in the range of 0 to 1, based on its criticality. Considering the connected assets of a transformer in a substation, the impact of the failure of this transformer would be high, as it would cause a power outage. The likelihood of failure of this transformer is relatively low; however, it is not zero. Measures in place to prevent or mitigate the failure of this transformer include regular maintenance and inspection.
- Security vulnerability : Security vulnerability refers to the likelihood that a substation can be compromised due to inadequate physical security measures. It encompasses the weaknesses in the substation’s physical defenses that could be exploited by attackers. This includes factors such as the effectiveness of fencing, surveillance systems, access control, and the overall robustness of security protocols. This also can be indexed in the range of 0 to 1.
- Social vulnerability (SV): Social vulnerability pertains to the characteristics of the population and community surrounding the substation that influence its resilience to attacks. It includes factors such as demographic composition, economic conditions, crime rates, and social cohesion. A higher social vulnerability index suggests that the community may be less able to withstand or recover from an attack due to these factors. Without the data, it is difficult to calculate, thus we have indexed it in the range of 0 to 1.
2.1.2. Economic Parameters
The economic parameters consider various costs associated with a physical attack on a substation and its consequences which are discussed below.
- Cost of electrical energy not served (CEENS): The CEENS is an economic impact resulting from a lack of available or reliable energy supply to meet the demand. It is a complex metric that can be difficult to quantify, as it includes a wide range of direct and indirect costs. Some of the direct costs of CEENS include lost revenue from businesses and industries, increased costs for businesses and industries to operate using backup generators or other alternative power sources, increased costs for consumers, such as higher utility bills or the cost of purchasing generators, and the cost of repairing or replacing damaged equipment. The indirect costs of CEENS can be even more difficult to quantify; however, they can be significant. For example, CEENS can lead to lost productivity, job losses, decreased economic growth, increased public health risks, increased crime rates, etc. In general, the direct cost of energy unserved during substation downtime can be explained using Equation (1).
- 2.
- Cost of substation downtime (COD): COD can vary widely depending on several factors, including the size and complexity of the substation, duration of the outage, time of day and day of the week of the outage, location of the outage, and type of customer affected. It is crucial to consider the specific context and characteristics of the substation under assessment. To accurately assess the COD resulting from a substation physical attack, it is recommended to conduct a detailed analysis considering the relevant factors and obtain specific cost data from the affected utility or industry sources. To estimate the COD resulting from a substation physical attack, it can be expressed as in a simplified Equation (2).
- 3.
- Cost of substation equipment replacement or repair (CORR): The CORR is a parameter used to estimate the financial impact of replacing or repairing damaged equipment resulting from a substation physical attack. The specific equation for the CORR can vary depending on the equipment affected and associated costs. However, a simplified equation to estimate the CORR can be expressed as Equation (3).
2.1.3. Electrical Parameters
The electrical parameters consider various factors that have a significant impact on the grid upon substation attack, which are discussed as follows:
- Load served () and unserved (): The load served by a substation is a crucial factor in determining its vulnerability to physical attacks. Substations serving a large number of customers or a significant load are considered more critical and are therefore more likely to be targeted. This is because larger and more complex substations typically have more interconnections and serve a wider geographical area. The amount of load unserved following an attack on a substation depends on various factors, including the substation’s size and complexity, the severity of the attack, the type of equipment damaged, the time of the attack, and the location and type of customers affected. Larger and more complex substations are more likely to experience significant load losses owing to their extensive equipment and interconnectedness. Equation (4) provides the amount of load unserved by the substation with a physical attack. Although the amount of load unserved depends on multiple factors, such as equipment damage, time of attack, and location of substation, a simplified equation for the unserved load ratio is expressed as in Equation (5).
- 2.
- Voltage level (): The voltage level of the substation, which determines the size and complexity of the substation and the criticality of its services. A substation at a higher voltage level is more critical than that at a lower voltage level. This is because substations at higher voltage levels are responsible for delivering power to a larger area and more critical customers. This can be indexed in the range of 0 to 1 for different voltage levels in the network.
- 3.
- Voltage deviation severity (): Voltage deviation severity refers to the extent to which a voltage deviation affects the functioning of a power system. Usually, it is expressed as a percentage, as expressed in Equation (6), of the voltage. A voltage deviation of ±10% is typically acceptable.
- 4.
- Static voltage stability (): Static voltage stability is the ability of an electric power system to maintain its voltage levels without oscillations or collapse. This is important for substation physical security because a voltage loss can lead to a blackout, which can disrupt critical infrastructure and businesses. Equation (7) demonstrates the voltage stability reserve of the system due to physical incidents and is the voltage reserve coefficient [31].
2.2. Physical Security Threat Assessment
The physical security threat assessment (PSTA) can be defined as a crucial process for identifying, evaluating, and mitigating risks to critical electrical infrastructure such as substations. This paper proposes PSTA which comprises a combination of three stages analyze, enhance, and respond and revive. Firstly, it analyzes and ranks the substation based on the SCI values under various socioeconomic and electrical parameters. Then, the TVCI is used to make the physical security investment decision, significantly reducing vulnerability to physical attacks. Finally, a real-time risk-based security-constrained economic dispatch is conducted, enabling the economic dispatch of n-k attack scenarios. This section explains the three stages and their formulation in detail in the following sub-sections.
2.2.1. Stage 2 Analyze: Substation Criticality Index
The substation criticality index is a measure used to assess the importance of the substation in the power system. It helps in identifying vulnerable points and the most critical substation, utilities can focus on their resources to ensure the effectiveness of maintenance schedules or investment decisions for increasing reliability and security [41]. Utilities use the SCI to prioritize security hardening, investments in substation maintenance, upgrades, and security. Different methodologies have been proposed to evaluate the criticality of substations, taking into account factors such as operating states, probabilities, and consequences on the performance of the power system [42]. These methodologies use techniques such as Fault Tree Analysis, Monte Carlo Simulations, and reliability block diagrams to calculate the reliability of a system and rank the criticality of its components [43,44]. Additionally, risk assessment methods have been developed to assess the risk level and degree of importance of relay protection devices in intelligent substations, providing valuable insights for power system operation and maintenance personnel [45].
Building upon the severity risk index (SRI) enhancement [46] presented by NERC, this paper presents the SCI for evaluating substation criticality. Considering the multiple parameters discussed in Section 2.1, the SCI is formulated using the weighted averages of the normalized (values in the range 0 to 1 using min–max scaling) parameter indices, as expressed in Equation (8).
where Sso specifies the social, political, and geographical situation of the site, Sec specifies the economic loss situation incurred due to physical attacks, Sel specifies the electrical parameters due to physical attack. The Sso is computed taking the average or mean of the values discussed in Section 2.1.1. For, Sec, firstly, all the parameters discussed in Section 2.1.2 are normalized in the range of 0 and 1, then is Sec computed, taking the average or mean of those values.
The SCI specifies the degree of importance and criticality of the substation under physical attack which is the weighted combination of social, political, geographical, economic, and electrical parameters. In addition, w in Equation (8) are the weighting factors correlated to these parameters; that is, the impact coefficient of the respective parameter. The value of the SCI varies from 0 to 1, where 1 is the most critical and 0 is the least critical substation. As the SCI can also be said to be the vulnerability of the substation in the network, the computed SCI value is used in Section 2.2.2 for the TVCI computation. Also, the SCI which gives the situation of the substation physical security during the attack.
2.2.2. Stage 1 Enhance: Threat–Vulnerability–Consequence Index for Pre-Attack (TVCI)
The pursuit of absolute security for critical assets is an elusive ideal. Instead, optimizing risk mitigation without hindering system functionality becomes paramount. A risk-based approach, exemplified by the proposed Threat–Vulnerability–Consequence Index (TVCI), proves essential to achieving this delicate balance. The TVCI assigns a quantitative ranking to substations, reflecting their susceptibility to various threats and vulnerabilities along with the potential consequences of such breaches. This index serves as a valuable tool, facilitating the identification and prioritization of security risks, justifying the allocation of resources for security measures, and fostering clear communication with stakeholders. However, it is crucial to acknowledge that the TVCI offers a quantitative lens and cannot capture all the factors influencing substation security, such as human error and environmental hazards. Despite this limitation, the TVCI remains a valuable tool for enhancing substation security, as demonstrated by its calculation formula in Equation (9).
where, , and are threat, vulnerability, and consequence of substation n respectively. According to this equation, for example, if the threat of a successful attack on a substation is rated as high, the vulnerability is rated as medium, and the consequence is rated as high, the risk of a successful attack is also high.
Assessing threats to substations presents a complex challenge owing to the unpredictable nature of attackers and the diverse range of potential threats. This inherent uncertainty significantly affects an accurate threat assessment, which directly affects risk analysis and management. Developing precise threat models remains difficult because of the variety of adversaries and their motivations; focusing on vulnerabilities and consequences becomes crucial when threats are less readily identifiable.
Vulnerability is the likelihood of an adverse event impacting a substation and is characterized by inherent deficiencies in its physical systems, functional protocols, or engineering specifications. These weaknesses, combined with an attacker’s ability to exploit them, determine the effectiveness of a physical attack. Furthermore, the overall vulnerability level of a substation is directly influenced by the resources allocated to its physical defense. Targeted augmentation of security infrastructure can decrease the likelihood of adverse events affecting the substation. The effectiveness of implemented physical security measures can be modeled as a function , with the likelihood of successful attack prevention being directly proportional to the level of investment [47]. Quantifying the pre- and post-event resilience of the interconnected power system is crucial to objectively evaluating the consequences of extreme events, such as successful physical attacks. This paper adopts this strategy by measuring the impact of the attack as the degradation in the system’s resilience capacity before and after the incident.
In Figure 3, the plotted TVCI curve captures the intricate relationship between the substation’s resistance to physical disruptions and its subsequent recovery capability. At time t1, the resilience of the system undergoes a sharp decline, transitioning from its pre-attack state with a TVCI score of pre-attack to a post-attack state with a significantly lower TVCI score of post-attack. This reduction signifies heightened vulnerability and reduced capacity of the system to withstand further disruptions. Following the attack, the system operator initiates remedial actions, such as re-dispatching generators and loads, to restore the system to a new n-k secure state. This process involves reconfiguring the network topology and adjusting the power flow to ensure system stability and prevent cascading failures. As these measures were implemented, the system’s resilience gradually recovered, reaching a TVCI score of post-attack n-k secure state. This state represents a temporarily stabilized condition with improved resilience compared to the immediate post-attack state but still below the pre-attack baseline. To fully recover the system to its pre-attack resilience level, further restoration efforts are necessary. This may involve the repair or replacement of damaged equipment, network upgrades, and implementation of enhanced security measures. Once these actions are completed, the system is expected to return to its original n-k secure state, regaining its pre-attack TVCI score of pre-attack stage and achieving complete resilience.
Figure 3.
TVCI curve under physical attack of substation [48].
The TVCI scores play a pivotal role in quantifying and analyzing dynamic changes in the resilience of the system throughout this process. Calculating the TVCI scores for each state (pre-attack, post-attack and post-attack n-k) allows for a comprehensive understanding of the impact of the attack on the vulnerability of the system and its recovery trajectory. This information is crucial for informing decision-making during and after disruptive events, enabling system operators to harden security, prioritize resources, optimize restoration efforts, and ultimately ensure the long-term resilience of the power grid.
In addition, this analysis can be further enriched by incorporating detailed descriptions of the specific actions taken by the system operator during the restoration process. This includes specifying the type and amount of generation re-dispatched, the locations and magnitude of load reductions, and any network reconfiguration implemented. By providing these details, a more nuanced understanding of the strategies employed to enhance a system’s resilience can be achieved, ultimately leading to the development of more effective and efficient response protocols for future events.
The consequence is the severity of the impact of a successful attack on the substation and the destruction of the substation or its components. It can include factors such as the loss of power supply, financial losses, disruption of critical services, environmental impacts, and potential cascading effects on wide-area power systems.
The TVCI score for each stage can be calculated as in Equation (10) as the total load served () at the stage along with the maximum possible load () the system can handle and the consequence of that stage, i.e., minimal positive value for pre-attack, aI for post-attack and aII for post-attack n-k stage.
The consequence of an attack on a substation can be quantified by analyzing two distinct areas aI and aII as in Equations (11) and (12) [40].
The maximization of the overall TVCI is achieved through the model defined in Equation (13), subject to specific operational and resource limitations (constraints) (15)–(17) [47,49].
With the budgetary constraint defined in Equation (21), the optimal allocation of physical security resources (TCon) for the substation is determined by solving the optimization problem (14) subjected to constraints (15) to (17) [40].
Every substation (n) may have its own recovery time (tr) following an outage, and this time is heavily influenced by the level of physical security investment (Con) made in that particular substation. However, there is a fundamental limitation to this relationship. Even with the most extensive security measures, certain unavoidable tasks, such as repairs, network adjustments, and safety checks, are essential for restarting the system. These critical steps require a minimum time (trn) that cannot be bypassed irrespective of the security investments made. This minimum time is unique to each substation and determined by the inherent limitations of its physical infrastructure. Therefore, the assumption of a constant minimum recovery time (trn) for each substation (n) provides a realistic and practical framework. It acknowledges the individual characteristics of each substation’s infrastructure and its inherent limitations in terms of how quickly it can recover. While trn varies between substations, it represents the irreducible core of the recovery process, ensuring safe and reliable re-energization.
The total investment to be made for the physical security enhancement is made by the utility and solving the optimization problem in Equation (14), we can obtain the amount of investment for each substation. With the allocation of investment for substation physical security such as robust perimeter security, video surveillance, fast response system for restring power, making available the stock of equipment and mobile substations, etc., for fast deployment and recovery, the TVCI score of the substation can be reduced making it more resilient.
2.2.3. Stage 3 Respond and Revive: Realtime TVCI-Based Security-Constrained Economic Dispatch for Post-Attack n-k Secure State
The physical attack scenario is described in Section 3 as threat model assumptions, where the attack destroys the substation fully and all the lines and loads associated with the substation are compromised. Here, the power system is operated under an n-k contingency, where k is the outage of lines associated with the particular substations. This paper proposes a risk-based security-constrained economic dispatch problem which is presented as follows in Equations (18)–(27) as an optimization model.
Subject to the following:
where and are the generation limit and demand dispatch, respectively. and are the generation cost and load loss cost. , and are the set of generator buses, demand buses, set of transmission line, and total number of buses, respectively. is the set of attacked substation k and s being the shift factor matrix for the power system with N buses. In (19), represents the state of the substation at bus n and if is considered as substation is attacked and load and lines associated is lost, otherwise, . Constraint (25) defines the attack budget at substation k which must be determined by the transmission system operators (TSOs). The left-hand side of constraint (19) ensures that the substation is tripped and isolated. Furthermore, in constraint (25) is introduced to include the minimization of load shedding and re-dispatching of the output and load shed to meet the generation dispatch balance for secure operation of power system.
3. Case Study and Simulation
This section defines the threat model assumptions and presents a case study for the simulation and verification of the proposed model.
3.1. IEEE 39-Bus New England Test System
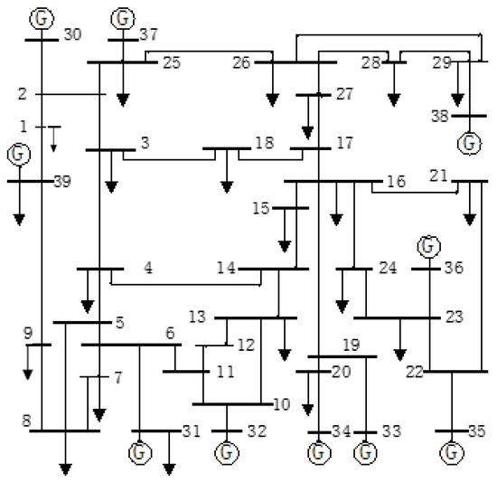
This paper uses the IEEE 39-bus test system as a test case for quantitative analysis calculations which includes the indices proposed in this paper for power systems under physical attack, and is performed in MATPOWER 7.1 [50] in a MATLAB R2023b environment. The IEEE-39 bus test system contains 39 buses, 46 branches, 10 generators, and 12 transformers, as illustrated in Figure 4. The risk-based security-constrained economic dispatch optimization problem and the optimal investment cost for physical security enforcement decisions are solved using the MILP solver Gurobi.
Figure 4.
IEEE 39-bus New England test system [51].
3.2. Threat Model and Assumptions
Drawing inspiration from real-world events, such as shooting and bombing attacks witnessed in the United States, Ukraine, Gaza, and other locations globally [5,6,52], this paper explores the various outcomes that might arise from such attacks. This paper identifies two primary types of attackers: (1) sophisticated organized groups with significant financial backing and resources, and (2) insider threats, which include individuals with legitimate access to substations who may have malicious intentions or who are coerced into assisting with external threats. The sophisticated organized groups possess advanced knowledge and skills to carry out physical attacks on substations. And insider threats include individuals with legitimate access to substations who may have malicious intentions or who are coerced into assisting with external threats. However, both types of attackers have the ability to physically access substations, potentially owing to weak physical security or insider assistance, and make the substation totally unfunctional.
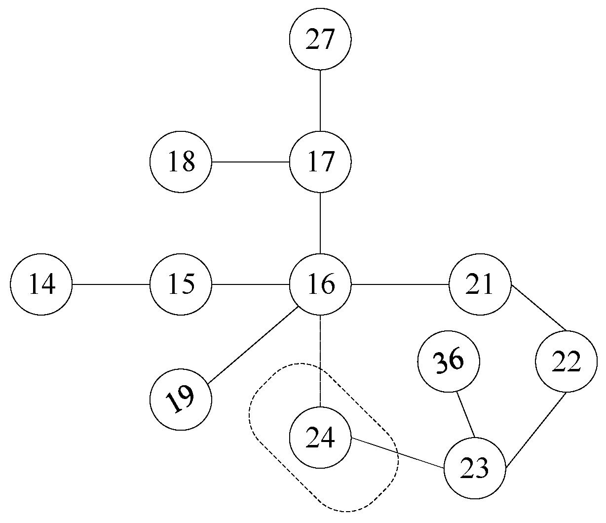
Considering the above assumptions, this paper hypothesizes that if bus n is compromised, all connected lines, generators, transformers and loads will be disrupted, as well as affecting neighboring buses. This scenario represents a realistic and significant threat to substation security, supported by historical reports on these incidents. Figure 5 illustrates this concept. For example, if an attacker compromises bus 24, they can potentially disrupt the power flow through all connected lines 24–16 and 24–23, also affecting neighboring buses 16 and 23 causing voltage fluctuations and overload of other lines also. Similarly, if bus 16 is completely attacked, lines 16–17, 16–21, 16–15, 16–19, and 16–24 will also be disconnected and affect the entire network. This can lead to cascading failures if the remedial measures are not taken, causing widespread power outages, including significant economic losses and societal impacts. By analyzing the connectivity and dependencies between buses and lines, we can identify critical vulnerabilities and prioritize security measures to mitigate the potential consequences of a successful substation attack.
Figure 5.
Example of attack topology characteristics.
Furthermore, to perform the simulation considering that the IEEE 39-bus test case is divided into four areas, as mentioned in Table 1, along with the area profile based on all the parameters described in Section 2. Based on the parameters mentioned in Table 1, we have assigned values for these in the range of 0 to 1, with 0 being the lowest criticality and 1 being the highest. Here, we have assigned 0.2 for low, 0.4 for moderate, 0.6 for high and 0.8 for highest criticality for the computation of the SCI.
Table 1.
IEEE 39-Bus test system area profile and its data (assumptions).
Moreover, this paper considers the generation substation to be a highly secured electrical infrastructure, and the risk of possible physical attacks is significantly low. Furthermore, it only considers load substations as the least-secure sites with a high risk of physical attacks. This study considered only 15 substations of the IEEE 39-Bus test system, as shown in Table 2. Table 2 also shows the buses assigned to these 15 substations falling in different area profiles, the direct load associated with the bus, and the lines associated to the substation.
Table 2.
Substations and associated buses and lines under physical attack.
3.3. Simulation and SCI Computation
Building upon the foundation established in Section 2, this study delves deeper into the concept of substation resilience by exploring a diverse range of influencing parameters and their corresponding weights, considering the area profile assumption in Table 1. Dividing the power system into four areas with distinct profiles allows for a focused analysis of how different regions might be affected by physical attacks, considering their unique characteristics. This approach simulates a variety of scenarios that can provide insights into the resilience and vulnerability of different types of substations under various conditions.
In this experiment, we analyze the status of each substation under attack based on the SCI value. The SCI for each substation in the IEEE 39-bus test system is calculated using a combination of key electrical, economic, and social–political parameters. The total system load is the sum of all substation loads in the network, which amounts to 6254.2 MW. The outage duration (H) is assumed to be 4 h, representing the time period during which a substation is non-operational due to an attack or failure. The cost of electricity (CI) is set at USD 100 per MW-hour, which is a standard rate used in many power systems, and is used to calculate the Cost of Energy Not Served (CEENS), reflecting the financial loss when a substation fails to provide power.
The economic parameters used in the calculation include the maximum cost of energy not served (CEENS_max), which is set to USD 50,000. This defines the upper limit for the financial loss due to unserved load. The maximum cost of downtime (COD_max) is assigned a value of USD 150,000, representing the maximum financial loss per hour due to a substation failure. The maximum cost of replacement and repair (CORR_max) is set to USD 50,000, which accounts for the costs involved in restoring the substation’s equipment and operation following an attack. According to many studies, the average cost of substation downtime per hour is set to USD 336,000 per hour [53,54,55], representing the financial impact of a substation being offline. In addition, the Cost of Replacement and Repair (CORR) is set to USD 56,000. These values reflect the significant expenses involved in restoring a substation’s functionality.
The weights for social, economic, and electrical are taken as 0.25, 0.35, and 0.40, respectively, considering the electrical parameter as the most important and the social parameter as the least important to demonstrate the inclusion of vulnerable substations that pose a maximum operation impact.
Now, upon conducting power flow after the physical attack on each substation as mentioned in Table 2, we computed the SCI value for each substation attack as illustrated in Table 3 and ranked the substations based on the SCI value. During this, the power flow did not converge for the attacks on substation 7, 9 and 26. The attacks on these substations led to the islanding of the system. To converge the power flow, we applied remedial action to reduce the load in step of 3%.
Table 3.
Substation order (SO) according to SCI under physical attack.
The SCI value from Table 3 highlights the vulnerabilities within the network, empowering TSOs to become strategic guardians of power. In Table 3, the substation with the highest SCI score is the most critical and vulnerable to physical attacks and requires prioritization for physical security measures and the one with the lowest score is the least vulnerable. Armed with this knowledge, they can shift from a reactive to a proactive stance, focusing on the substations that matter the most. High-risk locations can be fortified with physical barriers and enhanced physically induced cyber threats, whereas redundancy measures such as interconnections and mobile transformers can be prioritized to ensure a swift response to potential attacks. Real-time monitoring becomes a watchful eye, contingency and response plans become battle plans, and pre-designed network reconfigurations become escape routes that darkness threatens. Beyond the grid itself, collaboration with law enforcement becomes a shield, stricter cybersecurity standards become a fortress, and public awareness campaigns become a vigilant community, all working together to keep the power on. The SCI is not just a ranking; it is a call to action, a blueprint for resilience, and a testament to the power of proactive preparedness in safeguarding substations.
3.4. Simulation and TVCI Computation
Now, after analyzing the substation with the SCI value, i.e., the vulnerability of substation for computing the TVCI, this study tackles the optimization of physical security investments (Equation (14)) for these power substations, wielding the analytical might of a rigorous contingency analysis considering the total load of the system 6254.2 MW, the recovery time is 4 h and the time to redispatch n-k is 0.20 sec. Now, the TVCI score in per unit for pre-attack, post-attack, and post-attack n-k secured stage is calculated and the score along with total load dispatch is shown in Table 4. The total load shown for the post-attack n-k stage is less than that of the post-attack stage to meet the n-1 constraint as defined in security constrained economic dispatch equations. But the TVCI3 score shows improved resiliency after the post-attack n-k secure stage.
Table 4.
TVCI score and impact of physical attack on each mentioned substations of IEEE 39-bus system.
Following the computation of the TVCI score, a budgetary constraint of 1000 units is introduced for 15 key substations to enhance physical security through the implementation of additional security controls. These measures include intrusion detection systems, video surveillance cameras, and robust fencing, among others, to ensure a 99% probability of successful prevention of physical attacks. This implementation increases the difficulty for potential attackers to gain access to a substation and exploit its vulnerabilities. To deploy the investment, the optimization problem (14) was solved for all 15 substations. Table 5 presents the optimized investment resource allocation under the budgetary constraint.
Table 5.
Investment resource allocation optimization under budgetary constraint of 1000.
The implementation of optimized security hardening and investments demonstrably reduced the system’s global risk, as evidenced by the decrease from 0.47316 before investment to 3.728173 × 10−3 after investment resource allocation. Furthermore, the substation criticality ranking derived from Table 3 aligns closely with the investment resource allocation in Table 5. Additionally, upon examination of the load loss for different substations, it is evident that the larger the load loss, the more budget is allocated for physical security enhancement.
3.5. Further Discussion
Within the complex power grid network, substations are crucial chokepoints that transform and distribute energy across vast regions. Unfortunately, their concentrated power flow makes them tempting targets for malicious actors. A successful attack on a substation can trigger a domino effect of disruptions, rippling through the network with devastating consequences. Overloaded transmission lines groan under an increased load burden, equipment whimpers in protest as it strains beyond its capacity, and voltage levels fluctuate erratically, mimicking the erratic rhythm of a troubled heart. Islanding events occur in some cases and several sections of the grid. Restoring power becomes a desperate scramble against time, pinpointing the source of the outage, isolating the damaged substation, and meticulously reconfiguring the network to reroute the economic dispatch in real-time, according to the criticality indices. The loss of even a single substation casts a long shadow on the stability of the grid, a stark reminder of its vulnerability.
4. Practical Application Framework for Power Utility Evaluation
The electric power utilities can apply the method presented in this paper for physical security threat assessment based on social, political, economic, and electrical parameters, and know the order of critical substations for making resource allocations. The overall framework for power utility evaluation for physical security threat assessment and investment resource allocation is illustrated in Figure 6. This provides a systematic approach for assessing and enhancing the physical security of substations against potential physical threats or physically induced cyber threats. This commences with the collection of comprehensive data on substation parameters from each substation, including geographical location, connected assets, security vulnerabilities, and social vulnerabilities from the concerned public security bodies. Utilities need to cooperate with the local security body to obtain data for physical property crime rates and other data for computing social vulnerability using probabilistic methods. These data need to be subsequently normalized to ensure consistency and comparability across different substations, facilitating a more accurate assessment.
Figure 6.
Framework for power utility evaluation of substation physical security.
The subsequent step involves calculating the SCI, which quantifies the importance of each substation within the power grid by considering various social, political, geographical, economic, and electrical parameters. Following the SCI calculation, the TVCI is determined for each substation for pre-attack, post-attack and post-attack n-k secure stage.
Following the TVCI score, the resources are allocated for physical security enhancements, prioritizing substations with higher scores. This ensures that the most critical and vulnerable substations receive the necessary investments to bolster their physical security. This needs to be conducted in a certain time interval concerning the expert knowledge under continuous monitoring and periodic review of the indices. The security measures as required to be adjusted with the needs and requirements of changing evolving new types of threats and environment, ensuring that the power grid maintains resilience and reliability of electrical infrastructure in the face of evolving threats. This framework enables power utilities to transition from a reactive to a proactive stance, focusing on the substations of greatest significance and making informed decisions regarding resource allocation for maximum impact.
5. Conclusions
This paper highlights the increasing number of physical attacks on U.S. electrical facilities worldwide in recent years and the need for robust security measures. It also emphasizes the importance of analyzing substation physical security, as attacks on substations can have a widespread impact on the power grid. This paper proposes a comprehensive approach to evaluate and enhance the physical security of electric power substations against attacks. It uses the SCI and TVCI on risk-based security-constrained economic dispatch to assess potential attack scenarios and provide actionable insights for power utilities to strengthen their defenses within budget constraints.
The efficacy of the framework was validated by simulating physical attack on each aforesaid substations on the IEEE 39-bus test system to evaluate the consequences and rank substations based on physical risk factors. Implementation of the optimized security investments informed by the TVCI demonstrably reduces the system’s global risk from 0.47316 before investment to a reassuring 3.728173 × 10−3 afterwards. This significant decrease in risk underscores the potential of our proposed tools to safeguard the vulnerable substation of the power grid, ensuring an uninterrupted power flow, even in the face of adversity and further proving the information for making decisions regarding substation prioritization for physical security enhancement.
Future research could develop more detailed methods for incorporating social and economic factors in the threat assessment of substations. These include the following: threat detection at the complement level and its analysis upon successful attack; exploring advanced techniques for situational awareness, such as real-time monitoring and early warning systems; investigating the integration of physical security measures with cybersecurity to provide a comprehensive approach to substation security; conducting field studies and experiments to validate the proposed analysis methods; assessing their effectiveness in real-world scenarios; and collaborating with industry stakeholders and regulatory bodies to implement the findings of the study and enhance the physical security standards for electric power substations.
Author Contributions
Conceptualization, methodology, writing—original draft preparation, software, N.K.M.; writing—review and editing, resources, J.Y. (Jiaxuan Yang); writing—review and editing, validation, J.Y. (Junfeng Yang); writing—review and editing, R.Q.; resources, validation, supervision, funding acquisition, project administration, G.G.; validation, supervision, J.H. All authors have read and agreed to the published version of the manuscript.
Funding
This research work is supported by the Technology Project of Digital Grid Research Institute, China Southern Power Grid under Grant no. 2100002023030301JF00147.
Data Availability Statement
All data used are referenced in the text and also contained within the article.
Conflicts of Interest
The authors declare no conflicts of interest.
Abbreviations
The following abbreviations and symbols are used in this manuscript:
| TVCI | Threat–vulnerability–consequence index |
| SCI | Substation criticality index |
| PSTA | Physical security threat assessment |
| GL | Geographic location |
| Low severity regions | |
| Medium severity regions | |
| High severity regions | |
| Criticality of connected assets | |
| Security vulnerability | |
| SV | Social vulnerability |
| CEENS | Cost of electrical energy not served |
| CI | Cost of electricity in MW per hour (in USD) |
| ED | Expected duration of the outage (in hours) |
| EP | Energy loss per hour (in kilowatt-hours) |
| LF | Load factor |
| H | Number of hours |
| COD | Cost of substation downtime |
| D | Duration of the outage (in hours) |
| CP | Cost per hour of downtime (in USD). |
| CORR | Cost of substation equipment replacement or repair |
| Tran | Transportation cost |
| Inst | Installation cost |
| Ad | Any other additional cost |
| Load served | |
| Load unserved | |
| Tls | Total load |
| Lae | The amount of load that was connected to the affected substation or transformer of the substation. |
| Voltage level | |
| Voltage deviation severity | |
| Vi | Voltage of bus i after attack |
| Vi,nominal | Nominal voltage of bus i after attack |
| Static voltage stability | |
| Vs | Bus voltage amplitude under actual operation conditions |
| Vc | Critical voltage amplitude of the bus. |
| Sso | Social, political, and geographical situation of the site |
| Sec | The economic loss situation incurred due to physical attacks |
| Sel | The electrical parameters due to physical attack |
| w | Weighing factor |
| Threat of substation n | |
| Vulnerability of substation n | |
| Consequence of substation n | |
| aI | Area of post-attack |
| aII | Area of post-attack n-k stage. |
| Con | Physical security investment |
| TCon | The optimal allocation of physical security resources (investment) for substation |
| Attack budget | |
| Generation limit | |
| Demand dispatch | |
| Generation cost | |
| Load loss cost | |
| Set of generator buses | |
| Set of demand buses | |
| Set of transmission lines | |
| Set of attacked substations | |
| s | Shift factor |
| State of substation at bus n | |
| Load shed | |
| D | Vector of load |
References
- The National Strategy for the Physical Protection of Critical Infrastructures and Key Assets; The White House: Washington, DC, USA, 2003. Available online: https://www.dhs.gov/xlibrary/assets/Physical_Strategy.pdf (accessed on 25 December 2024).
- Atwa, O.S.E. Substations. In Practical Power System and Protective Relays Commissioning; Elsevier: Amsterdam, The Netherlands, 2019; pp. 9–21. ISBN 978-0-12-816858-5. [Google Scholar]
- Reynolds, D.; Melrose, J.; Mikkelsen, E. Randolph County Substation Damaged by Gunfire Weeks After Similar Attack in Moore County; FOX8 WGHP: Sophia, NC, USA, 2023. [Google Scholar]
- Cohen, L. Another North Carolina Power Substation Damaged by Apparent Gunfire Weeks After Grid Attacks Left Thousands without Power; CBS News: New York, NY, USA, 2023. [Google Scholar]
- Ukraine Power Substation Fire Leaves Odesa’s Grid on the Brink; Al Jazeera: Doha, Qatar, February 4, 2023. Available online: https://www.aljazeera.com/news/2023/2/4/fire-at-odesa-power-substation-leaves-port-citys-grid-on-brink (accessed on 23 June 2023).
- Gaza: Widespread Impact of Power Plant Attack; Human Rights Watch: New York, NY, USA, 2014; Available online: https://www.hrw.org/news/2014/08/10/gaza-widespread-impact-power-plant-attack (accessed on 23 June 2023).
- Somers, J. Power Restored in Edwardsville after Car Crash Triggers Widespread Outage; 5 On Your Side: Raleigh, NC, USA, 2024. [Google Scholar]
- Staff Reports, Off Road Driver Crashes into Substation, Causes Power Outage; Citizen Tribune: Morristown, TN, USA, 2023; Available online: https://www.citizentribune.com/news/business/off-road-driver-crashes-into-substation-causes-power-outage/article_7b7757a0-1b9b-11ee-89c4-9fff4d69488a.html (accessed on 14 November 2024).
- Shiner, R.; Diaz, M. Columbia Utilities: Power Outage in Southern Columbia Caused by Car Hitting Pole, Knocking out Substation; abc17news: Columbia, MO, USA, 2022. [Google Scholar]
- Lee, C. Why Do Terrorists Target the Energy Industry? A Review of Kidnapping, Violence and Attacks against Energy Infrastructure. Energy Res. Soc. Sci. 2022, 87, 102459. [Google Scholar] [CrossRef]
- Carolyn, R. Copper Theft at Substation Leads to Power Outage on P.E.I.’s North Shore; CBC News: Ottawa, ON, Canada, 2024. [Google Scholar]
- Powell, C. Power Substation Break-in Leaves More than 1,500 without Power in Milton, KY; WLKY Louisville: Floyd County, IN, USA, 2024. [Google Scholar]
- Xie, J.; Liu, C.-C.; Sforna, M.; Bilek, M.; Hamza, R. Threat Assessment and Response for Physical Security of Power Substations. In Proceedings of the IEEE PES Innovative Smart Grid Technologies, Europe, Istanbul, Turkey, 12–15 October 2014; IEEE: Piscataway, NJ, USA, 2014; pp. 1–6. [Google Scholar]
- Mahato, N.K.; Yang, J.; Sun, Y.; Yang, D.; Zhang, Y.; Gong, G.; Hao, J. Physical Security of Electric Power Substations: Threats and Mitigation Measures. In Proceedings of the 2023 3rd International Conference on Electrical Engineering and Mechatronics Technology (ICEEMT), Nanjing, China, 21 July 2023; IEEE: Piscataway, NJ, USA, 2023; pp. 434–438. [Google Scholar]
- Mahato, N.K.; Yang, J.; Sun, Y.; Zhang, S.; Gong, G.; Hao, J. Response Plan for Physical Security of Electric Power Substation. In Proceedings of the 2023 3rd International Conference on Big Data, Artificial Intelligence and Risk Management, Chengdu, China, 24 November 2023; ACM: New York, NY, USA, 2023; pp. 57–61. [Google Scholar]
- Mahato, N.K.; Yang, J.; Yang, J.; Gong, G.; Hao, J. Physical Security Auditing for Utilities: A Guide to Resilient Substation. Safety 2024, 10, 80. [Google Scholar] [CrossRef]
- Electric Disturbance Events (OE-417) Annual Summaries, Office of Cybersecurity, Energy Security, & Emergency Response, U.S. Department of Energy. Available online: https://www.nerc.com/pa/Stand/Reliability%20Standards/CIP-014-3.pdf (accessed on 15 October 2024).
- Intentional, Willful and Malicious’: 40K without Power after Substation Attacks in Moore County. The Fayetteville Observer, December 4, 2022. 2022. Available online: https://www.fayobserver.com/story/news/crime/2022/12/04/moore-county-power-outage-investigated-as-vandalism/69699328007/ (accessed on 4 December 2022).
- Sganga, N. Physical Attacks on Power Grid Rose by 71% Last Year, Compared to 2021; CBS News: New York, NY, USA, 2023. [Google Scholar]
- Liu, C.-C. Strategic Power Infrastructure Defense (SPID): A Wide Area Protection and Control System. In Proceedings of the IEEE/PES Transmission and Distribution Conference and Exhibition, Yokohama, Japan, 6–10 October 2002; IEEE: Piscataway, NJ, USA, 2002; Volume 1, pp. 500–502. [Google Scholar]
- Diao, X.; Zhao, Y.; Smidts, C.; Vaddi, P.K.; Li, R.; Lei, H.; Chakhchoukh, Y.; Johnson, B.; Blanc, K.L. Dynamic Probabilistic Risk Assessment for Electric Grid Cybersecurity. Reliab. Eng. Syst. Saf. 2024, 241, 109699. [Google Scholar] [CrossRef]
- Beyza, J.; Garcia-Paricio, E.; Ruiz, H.F.; Yusta, J.M. Geodesic Vulnerability Approach for Identification of Critical Buses in Power Systems. J. Mod. Power Syst. Clean Energy 2021, 9, 37–45. [Google Scholar] [CrossRef]
- North American Electric Reliability Corporation. Physical Security (CIP-014-3); North American Electric Reliability Corporation: Atlanta, GA, USA, 16 June 2022. [Google Scholar]
- IEEE Guide for Physical Security of Electric Power Substations; IEEE: Piscataway, NJ, USA, 2021; Available online: https://ieeexplore.ieee.org/document/9611203/ (accessed on 25 December 2024).
- Salmeron, J.; Wood, K.; Baldick, R. Analysis of Electric Grid Security Under Terrorist Threat. IEEE Trans. Power Syst. 2004, 19, 905–912. [Google Scholar] [CrossRef]
- Arroyo, J.M.; Galiana, F.D. On the Solution of the Bilevel Programming Formulation of the Terrorist Threat Problem. IEEE Trans. Power Syst. 2005, 20, 789–797. [Google Scholar] [CrossRef]
- Holmgren, A.J. Quantitative Vulnerability Analysis of Electric Power Networks; Royal Institute of Technology: Stockholm, Sweden, 2006. [Google Scholar]
- Akdeniz, E.; Bagriyanik, M. A New Approach for Terrorist Attack Vulnerability Evaluation of Power Transmission Lines. In Proceedings of the 2015 9th International Conference on Electrical and Electronics Engineering (ELECO), Bursa, Turkey, 26–28 November 2015; IEEE: Piscataway, NJ, USA, 2015; pp. 510–514. [Google Scholar]
- Xie, J.; Liu, C.-C.; Sforna, M.; Bilek, M.; Hamza, R. On-Line Physical Security Monitoring of Power Substations: Physical Security Monitoring of Power Substations. Int. Trans. Electr. Energ. Syst. 2016, 26, 1148–1170. [Google Scholar] [CrossRef]
- Zonouz, S.; Davis, C.M.; Davis, K.R.; Berthier, R.; Bobba, R.B.; Sanders, W.H. SOCCA: A Security-Oriented Cyber-Physical Contingency Analysis in Power Infrastructures. IEEE Trans. Smart Grid 2014, 5, 3–13. [Google Scholar] [CrossRef]
- Bahrami, M.; Fotuhi-Firuzabad, M.; Farzin, H. Reliability Evaluation of Power Grids Considering Integrity Attacks Against Substation Protective IEDs. IEEE Trans. Ind. Inform. 2020, 16, 1035–1044. [Google Scholar] [CrossRef]
- Zhang, S.; Pan, G.; Li, B.; Gu, W.; Fu, J.; Sun, Y. Multi-Timescale Security Evaluation and Regulation of Integrated Electricity and Heating System. IEEE Trans. Smart Grid 2024. [Google Scholar] [CrossRef]
- Xiang, Y.; Wang, T.; Wang, Z. A Framework for Preventive Control of Power Systems to Defend against Extreme Events. CSEE J. Power Energy Syst. 2023, 10, 856–870. [Google Scholar] [CrossRef]
- Faramarzi, F.; Niknam, T.; Aghaei, J.; Rashidi, M. Resiliency Enhancement of Power System against Intentional Attacks. IET Renew. Power Gen. 2022, 16, 3544–3558. [Google Scholar] [CrossRef]
- Che, L.; Liu, X.; Li, Z. Screening Hidden N-k Line Contingencies in Smart Grids Using a Multi-Stage Model. IEEE Trans. Smart Grid 2019, 10, 1280–1289. [Google Scholar] [CrossRef]
- Jia, Y.; Meng, K.; Xu, Z. N-k Induced Cascading Contingency Screening. IEEE Trans. Power Syst. 2015, 30, 2824–2825. [Google Scholar] [CrossRef]
- Zhou, K.; Dobson, I.; Wang, Z. The Most Frequent N-k Line Outages Occur in Motifs That Can Improve Contingency Selection. IEEE Trans. Power Syst. 2024, 39, 1785–1796. [Google Scholar] [CrossRef]
- Zhao, Y.; Cao, Y.; Li, Y.; Zeng, B.; Shahidehpour, M.; Cai, Y. Risk-Based Contingency Screening Method Considering Cyber-Attacks on Substations. IEEE Trans. Smart Grid 2022, 13, 4973–4976. [Google Scholar] [CrossRef]
- Romero, N.; Xu, N.; Nozick, L.K.; Dobson, I.; Jones, D. Investment Planning for Electric Power Systems Under Terrorist Threat. IEEE Trans. Power Syst. 2012, 27, 108–116. [Google Scholar] [CrossRef]
- Khanna, K.; Govindarasu, M. Resiliency-Driven Cyber–Physical Risk Assessment and Investment Planning for Power Substations. IEEE Trans. Contr. Syst. Technol. 2024, 32, 1743–1754. [Google Scholar] [CrossRef]
- Fayaz, F.; Pahuja, G.L. Reliability Modeling and Criticality Ranking of Power Substation. In Proceedings of the 2019 3rd International conference on Electronics, Communication and Aerospace Technology (ICECA), Coimbatore, India, 12–14 June 2019; IEEE: Piscataway, NJ, USA, 2019; pp. 1141–1145. [Google Scholar]
- Da Silva, A.M.L.; Violin, A.; Ferreira, C.; Machado, Z.S. Probabilistic Evaluation of Substation Criticality Based on Static and Dynamic System Performances. IEEE Trans. Power Syst. 2014, 29, 1410–1418. [Google Scholar] [CrossRef]
- Yan, Y.; Liu, Z.; Feng, J.; Yu, Z.; Xu, X. Monte-Carlo Method for Substation Seismic Risk Assessment. In Proceedings of the Second International Conference on Statistics, Applied Mathematics, and Computing Science (CSAMCS 2022), Nanjing, China, 28 March 2023; Jin, S., Dai, W., Eds.; SPIE: Bellingham, WA, USA, 2023; p. 110. [Google Scholar]
- Poudyal, A.; Lamichhane, S.; Wertz, C.; Mahmud, S.U.; Dubey, A. Hurricane and Storm Surges-Induced Power System Vulnerabilities and Their Socioeconomic Impact. In Proceedings of the 2024 IEEE Power & Energy Society General Meeting (PESGM), Seattle, WA, USA, 21–25 July 2024; pp. 1–5. [Google Scholar]
- Qi, W.; Yan, X.; Bin, Q.; Shuang, L.X.; Hui, Y. A Risk Assessment Method of Intelligent Substation Relay Protection Device Based on Severity Index. In Proceedings of the 2019 IEEE 2nd International Conference on Electronics Technology (ICET), Chengdu, China, 10–13 May 2019; IEEE: Piscataway, NJ, USA, 2019; pp. 381–386. [Google Scholar]
- Severity Risk Index Enhancements; North American Electric Reliability Corporation (NERC): Atlanta, GA, USA, 2020; Available online: https://www.nerc.com/comm/PC/Performance%20Analysis%20Subcommittee%20PAS%202013/SRI_Enhancements_October_2020.pdf (accessed on 25 December 2024).
- Holmgren, A.J.; Jenelius, E.; Westin, J. Evaluating Strategies for Defending Electric Power Networks Against Antagonistic Attacks. IEEE Trans. Power Syst. 2007, 22, 76–84. [Google Scholar] [CrossRef]
- Zang, T.; Wang, Z.; Wei, X.; Zhou, Y.; Wu, J.; Zhou, B. Current Status and Perspective of Vulnerability Assessment of Cyber-Physical Power Systems Based on Complex Network Theory. Energies 2023, 16, 6509. [Google Scholar] [CrossRef]
- Panteli, M.; Mancarella, P.; Trakas, D.N.; Kyriakides, E.; Hatziargyriou, N.D. Metrics and Quantification of Operational and Infrastructure Resilience in Power Systems. IEEE Trans. Power Syst. 2017, 32, 4732–4742. [Google Scholar] [CrossRef]
- Zimmerman, R.D.; Murillo-Sanchez, C.E. MATPOWER (Version 7.1) 2020. Available online: https://matpower.org (accessed on 23 January 2023).
- Gong, G.; Mahato, N.K.; He, H.; Wang, H.; Jin, Y.; Han, Y. Transient Stability Assessment of Electric Power System Based on Voltage Phasor and CNN-LSTM. In Proceedings of the 2020 IEEE/IAS Industrial and Commercial Power System Asia (I&CPS Asia), Weihai, China, 13–15 July 2020; pp. 443–448. [Google Scholar]
- Levenson, M. Attacks on Electrical Substations Raise Alarm. The New York Times. 4 February 2023. Available online: https://www.nytimes.com/2023/02/04/us/electrical-substation-attacks-nc-wa.html (accessed on 4 February 2023).
- Fritts, T.H. Economic Costs of Electrical System Instability and Power Outages Caused by Snakes on the Island of Guam. Int. Biodeterior. Biodegrad. 2002, 49, 93–100. [Google Scholar] [CrossRef]
- Carlsson, F.; Demeke, E.; Martinsson, P.; Tesemma, T. Cost of Power Outages for Manufacturing Firms in Ethiopia: A Stated Preference Study. Energy Econ. 2020, 88, 104753. [Google Scholar] [CrossRef]
- Hussain, A. A Day without Power: Outage Costs for Businesses; Bloomenergy: Mumbai, India, 2019; Available online: https://www.bloomenergy.com/blog/a-day-without-power-outage-costs-for-businesses/ (accessed on 10 September 2023).
Disclaimer/Publisher’s Note: The statements, opinions and data contained in all publications are solely those of the individual author(s) and contributor(s) and not of MDPI and/or the editor(s). MDPI and/or the editor(s) disclaim responsibility for any injury to people or property resulting from any ideas, methods, instructions or products referred to in the content. |
© 2025 by the authors. Licensee MDPI, Basel, Switzerland. This article is an open access article distributed under the terms and conditions of the Creative Commons Attribution (CC BY) license (https://creativecommons.org/licenses/by/4.0/).





