Topological Scheme and Analysis of Operation Characteristics for Medium-Voltage DC Wind Turbine Photovoltaic Powered Off-Grid Hydrogen Production System
Abstract
1. Introduction
2. Design of Topological Scheme of Medium Voltage DC WindPhotovoltaic-Powered Off-Grid Hydrogen Production System
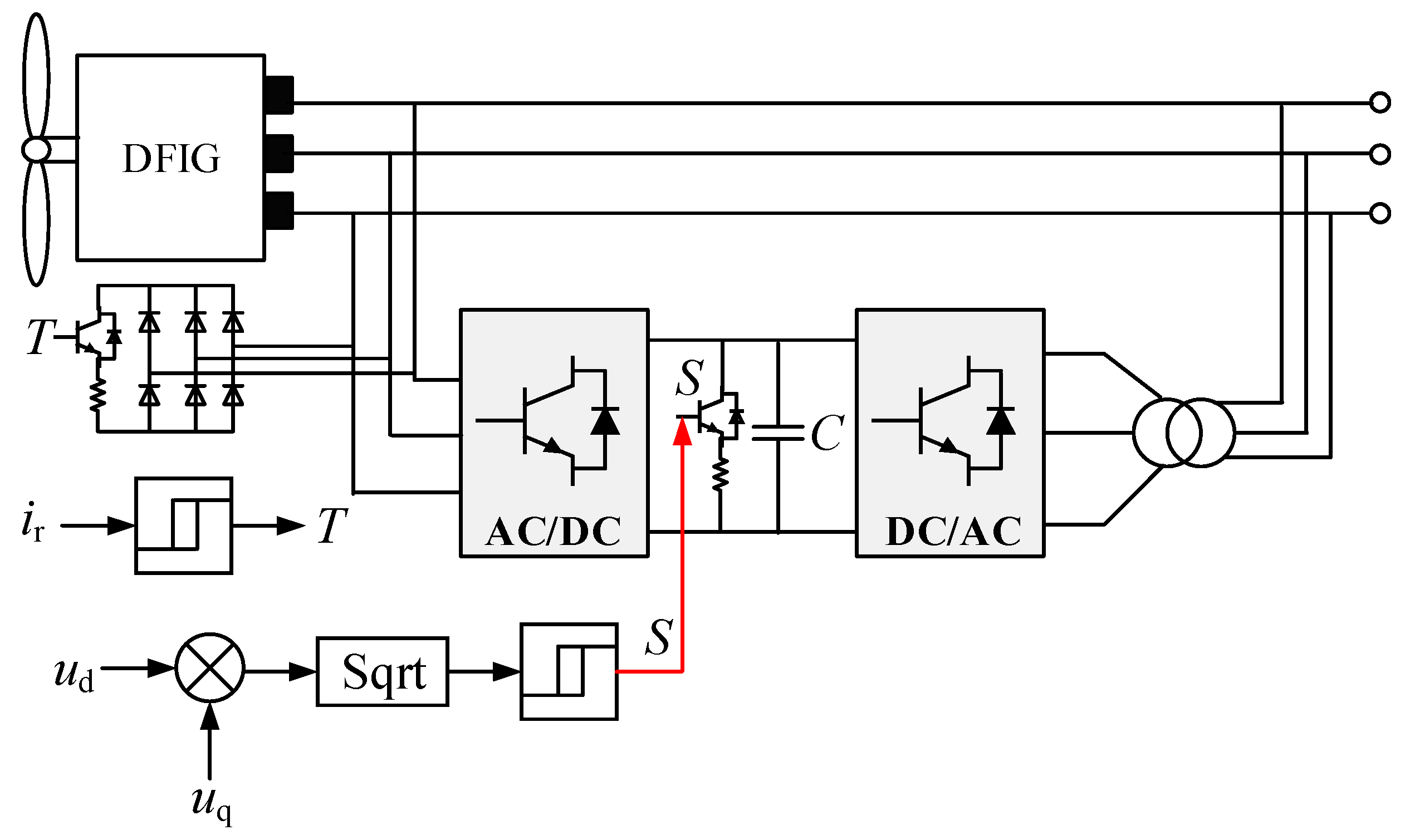
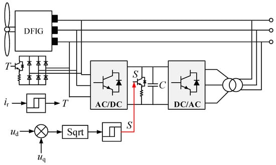
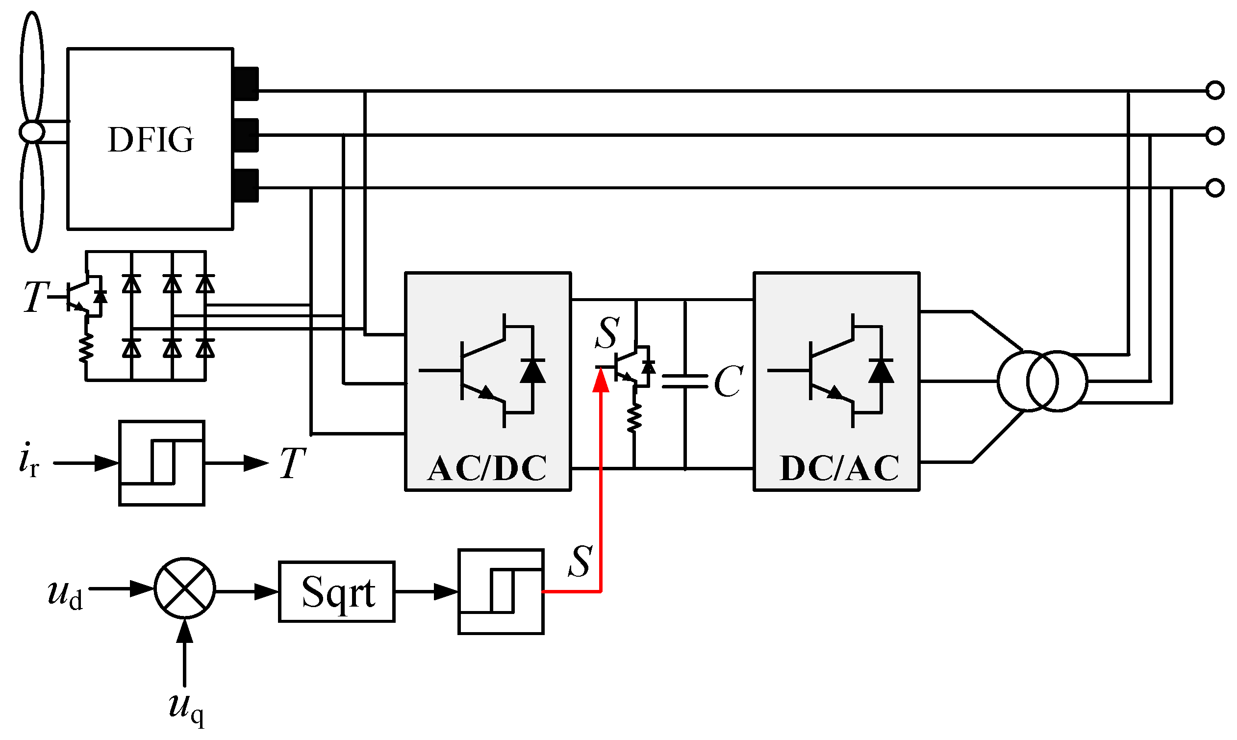
2.1. Topological Scheme of Traditional AC Off-Grid Hydrogen Production System
- (1)
- The capacity expansion of RESs and H2 sub-grids is difficult.
- (2)
- The power supply reliability of the system is poor. Once a fault occurs in the ES, the system will have the risk of breakdown.
- (3)
- Low power quality. The AC system scheme adopts SCR, which produces large harmonics and reactive power.
- (4)
- The control method is more complicated. The cooperative control needs to consider the stability of voltage and frequency, and it relies on communication to balance the power of sources and loads.

2.2. Topological Scheme of DC Off-Grid Hydrogen Production System
- (1)
- The system has better expansibility. RESs can achieve plug and play without affecting system operation.
- (2)
- High reliability of system power supply. The WT sub-grid and PV sub-grid adopt the distributed access to the DC bus, which can ensure the normal operation of the remaining system when a single RES sub-grid fails.
- (3)
- ES adopts distributed access mode, with high system efficiency. ES adopts a distributed access way, only to provide voltage support for the system. There is no reactive power demand, and the capacity requirements of the ES converter are small.

3. Cooperative Control Strategy of Off-Grid Hydrogen Production System
3.1. Cooperative Control Strategy of Traditional AC Off-Grid Hydrogen Production System
3.2. Fault Ride-Through Control Strategy of Traditional AC Off-Grid Hydrogen Production System
- (1)
- Simple to implement. SOGI-PLL can obtain accurate phase locking when the grid voltage is sinusoidal and unbalanced.
- (2)
- SOGI-PLL produces a sine wave with a phase difference of 90 degrees, independent of frequency.
- (3)
- The generated orthogonal system is filtered without delay by the same structure due to its resonance at the fundamental frequency.

3.3. Analysis of Communication Interruption in Traditional AC Off-Grid Hydrogen Production System
3.4. Cooperative Control Strategy of DC Off-Grid Hydrogen Production System
4. Simulation Analysis
4.1. Simulation Settings
4.2. Comparison and Verification of Simulation Cases
5. HIL Simulation Verification
5.1. HIL Simulation Settings
5.2. HIL Simulation Results
- (1)
- Case 1: Before 4 s, the output power of each WT is 1.6 MW, and the output power of each PV is 0.5 MW. During the 4–14 s period, the simulated wind speed increased, and the output power of each WT increased from 1.6 MW to 3.5 MW. The output power of PV is unchanged.
- (2)
- Case 2. Before 8 s, the output power of each WT is 1.6 MW, and the output power of each PV is 0.5 MW. During 8–18 s, the simulated light intensity increased, and the output power of the PV increased from 0.1 MW to 4 MW. The output power of the WT is unchanged.
- (3)
- Case 3. During the 4–14 s period, the output power of each WT is 1.7 MW, and the output power of PV is increased from 0.1 MW to 4 MW. At 25 s, the circuit breaker on the simulated PV side trips and exits from operation, and then the system gradually transitions to the new operating state.
- (4)
- Case 4. The output power of each WT is 1.6 MW, and the output power of each PV is 0.5 MW. At the time of 25 s, a short circuit between the positive and negative DC electrodes occurred at the input end of the H2 production power supply of the 1# electrolyzer. The circuit breaker quickly acted to remove the faulty branch, and then the system gradually transited to the new operating state.
6. Conclusions
- (1)
- In this paper, a model of a DC off-grid wind-solar complementary H2 production system is established. A distributed access 20 kV DC bus of the PMSG sub-grid and PV sub-grid is proposed in this paper. This scheme effectively avoids the mutual influence between different RES sub-grids. After the fault removal of one of the RES sub-grids, the remaining system can run normally, which improves the reliability of system operation.
- (2)
- A distributed access method of ES is proposed in this paper, which only provides voltage support for DC bus. This approach reduces the capacity allocation of ES. At the same time, each ES subsystem can share the DC transformer and 20 kV DC circuit breaker with the WT sub-grid and PV sub-grid. This method improves the economy of the system.
- (3)
- This paper presents a new topology scheme of an off-grid H2 production system with distributed RES access. This scheme solves the problems of high harmonics, high reactive power, and low response speed in traditional AC microgrids.
Author Contributions
Funding
Data Availability Statement
Conflicts of Interest
Abbreviations
| PV | photovoltaic |
| WT | wind turbine |
| ES | energy storage |
| SOC | state of charge |
| MVAC | medium voltage AC |
| LVAC | low voltage AC |
| MVDC | medium voltage DC |
| SCR | silicon controlled rectifier |
| RESs | renewable energy sources |
| HIL | hardware-in-the-loop |
| PEM | proton exchange membrane electrolyzer |
| ALK | alkaline electrolyzer |
| H2 | hydrogen |
| SOGI | second-order generalized integrator |
References
- Abomazid, A.M.; El-Taweel, N.A.; Farag, H.E.Z. Optimal energy management of hydrogen energy facility using integrated battery energy storage and solar photovoltaic systems. IEEE Trans. Sustain. Energy 2022, 13, 1457–1468. [Google Scholar] [CrossRef]
- Zheng, L.; Rui, Z.; Hexu, S.; Wenda, Z.; Chunxiao, M. Review on Key Technologies of Hydrogen Generation, Storage and Transportation Based on Multi-Energy Complementary Renewable Energy. Trans. China Electrotech. Soc. 2021, 36, 446–462. [Google Scholar]
- Lian, Y.; Pan, Z.; Zheng, J.; Chen, W.; Yim, S.C. Experimental investigation on mechanical behavior of damaged HMPE mooring ropes under service loads. Mar. Struct. 2025, 101, 103760. [Google Scholar] [CrossRef]
- Kyriakopoulos, G.L.; Aravossis, K.G. Literature review of hydrogen energy systems and renewable energy sources. Energies 2023, 16, 7493. [Google Scholar] [CrossRef]
- León, M.; Silva, J.; Ortíz-Soto, R.; Carrasco, S. A techno-economic study for off-grid green hydrogen production plants: The case of chile. Energies 2023, 16, 5327. [Google Scholar] [CrossRef]
- Yu, Z.; Sun, D.; Nian, H.; Liu, Y.; Ke, W. Power Quality Control of Renewable Energy System for Hydrogen Production Based on Virtual Impedance, 2021. In Proceedings of the 24th International Conference on Electrical Machines and Systems (ICEMS), Gyeongju, Republic of Korea, 31 October–3 November 2021; pp. 303–308. [Google Scholar]
- Zhang, M.; Liu, R.; Wang, K.; Sun, K.; Guo, Q.; Li, Y. Research on low voltage ride through and reactive power support of hydrogen production power supply, 2022. In Proceedings of the 4th International Conference on Smart Power & Internet Energy Systems (SPIES), Beijing, China, 9–12 December 2022; pp. 438–442. [Google Scholar]
- Koiwa, K.; Cui, L.; Zanma, T.; Liu, K.-Z.; Tamura, J. A coordinated control method for integrated system of wind farm and hydrogen production: Kinetic energy and virtual discharge controls. IEEE Access 2022, 10, 28283–28294. [Google Scholar] [CrossRef]
- Ziwei, Y.U.; Dan, S.U.; Yiming, L.I.; Hu, B.; Nian, H. Impedance Modeling and Oscillation Characteristic Analysis of Hydrogen Production System by Wind Power. High Volt. Eng. 2024, 50, 169–181. [Google Scholar]
- Meng, X.; Chen, M.; He, M.; Wang, X.; Liu, J. A novel high power hybrid rectifier with low cost and high grid current quality for improved efficiency of electrolytic hydrogen production. IEEE Trans. Power Electron. 2022, 37, 3763–3768. [Google Scholar] [CrossRef]
- Concha, D.; Renaudineau, H.; Hernández, M.S.; Llor, A.M.; Kouro, S. Evaluation of DCX converters for off-grid photovoltaic-based green hydrogen production. Int. J. Hydrog. Energy 2021, 46, 19861–19870. [Google Scholar] [CrossRef]
- Nejabatkhah, F.; Li, Y.W. Overview of power management strategies of hybrid AC/DC microgrid. IEEE Trans. Power Electron. 2015, 30, 7072–7089. [Google Scholar] [CrossRef]
- Pei, W.; Zhang, X.; Deng, W.; Tang, C.; Yao, L. Review on operation control strategy of DC microgrid with electric-hydrogen hybrid storage system. CSEE J. Power Energy Syst. 2022, 8, 329–346. [Google Scholar]
- Cheng, P.; Chen, J.; Wang, P.; Tan, M. Coordinate power control for wind-solar hydrogen production system, 2023. In Proceedings of the IEEE Energy Conversion Congress and Exposition (ECCE), Nashville, TN, USA, 29 October–2 November 2023; pp. 2008–2013. [Google Scholar]
- Song, Q.; Chen, X.; Liu, J.; Chen, J.; Loo, K.-H. Decentralized energy management of renewable hydrogen production systems without communication networks. IEEE Trans. Ind. Electron. 2024, 71, 8927–8937. [Google Scholar] [CrossRef]
- Šimunović, J.; Radica, G.; Barbir, F. The effect of components capacity loss on the performance of a hybrid PV/wind/battery/hydrogen stand-alone energy system. Energy Convers. Manag. 2023, 291, 117314. [Google Scholar] [CrossRef]
- Park, M.; Lee, D.-H.; Yu, I.-K. PSCAD/EMTDC modeling and simulation of solar-powered hydrogen production system. Renew. Energy 2006, 31, 2342–2355. [Google Scholar] [CrossRef]
- Yang, B.; Zhang, Z.; Li, J.; Wang, J.; Zhang, R.; Li, S.; Jiang, L.; Sang, Y. Efficient multi-objective rolling strategy of photovoltaic/hydrogen system via short-term photovoltaic power forecasting. Int. J. Hydrog. Energy 2024, 80, 1339–1355. [Google Scholar] [CrossRef]
- Wang, Y.; Dai, H.; Chen, Z.; He, S.; Wang, W.; Gao, M. Simulation study on a novel solid–gas coupling hydrogen storage method for photovoltaic hydrogen production systems. Energy Convers. Manag. 2024, 299, 117866. [Google Scholar] [CrossRef]
- Rion, T.; Hirotaka, K.; Toshiaki, M.; Junji, T.; Masatoshi, S.; Akiyoshi, K.; Motoo, F.; Masaya, I.; Kazumasa, I. A cooperative control method for output power smoothing and hydrogen production by using variable speed wind generator, 2008. In Proceedings of the 13th International Power Electronics and Motion Control Conference, Poznan, Poland, 1–3 September 2008; pp. 2337–2342. [Google Scholar]
- Li, Z.; Tu, Z.; Yi, Z.; Xu, Y. Coordinated control of proton exchange membrane electrolyzers and alkaline electrolyzers for a wind-to-hydrogen islanded microgrid. Energies 2024, 17, 2317. [Google Scholar] [CrossRef]
- Chen, M.; Chou, S.-F.; Blaabjerg, F.; Davari, P. Overview of power electronic converter topologies enabling large-scale hydrogen production via water electrolysis. Appl. Sci. 2022, 12, 1906. [Google Scholar] [CrossRef]
- Zhang, Y.; Wei, W. Decentralised coordination control strategy of the PV generator, storage battery and hydrogen production unit in islanded AC microgrid. IET Renew. Power Gener. 2020, 14, 1053–1062. [Google Scholar] [CrossRef]
- Wang, X.; Meng, X.; Nie, G.; Li, B.; Yang, H.; He, M. Optimization of hydrogen production in multi-electrolyzer systems: A novel control strategy for enhanced renewable energy utilization and electrolyzer lifespan. Appl. Energy 2024, 376, 124299. [Google Scholar] [CrossRef]
- Combe, Q.; Abasian, A.; Pierfederici, S.; Weber, M.; Dufour, S. Control of a three-phase current source rectifier for H2 storage applications in AC microgrids. Energies 2022, 15, 2436. [Google Scholar] [CrossRef]
- Lian, Y.; Yim, S.C.; Zheng, J.; Liu, H.; Zhang, N. Effects of Damaged Fiber Ropes on the Performance of a Hybrid Taut-Wire Mooring System. J. Offshore Mech. Arct. Eng. 2020, 142, 011607. [Google Scholar] [CrossRef]
- Lian, Y.; Liu, H.; Yim, S.C.; Zheng, J.; Xu, P. An investigation on internal damping behavior of fiber rope. Ocean Eng. 2019, 182, 512–526. [Google Scholar] [CrossRef]
- Lian, Y.; Zheng, J.; Liu, H.; Xu, P.; Gan, L. A study of the creep-rupture behavior of HMPE ropes using viscoelastic-viscoplastic-viscodamage modeling. Ocean Eng. 2018, 162, 43–54. [Google Scholar] [CrossRef]














| Equipment | Parameter | Value |
|---|---|---|
| PV | open-circuit voltage | 50.84 V |
| short-circuit current | 13.99 A | |
| rated power | 5 MW | |
| WT | rated speed | 680 r/min |
| rated voltage | 2100 V | |
| rated power | 5 MW | |
| BESS | rated power | 1.25 MW |
| rated voltage | 1500 V | |
| rated capacity | 2.5 MWh | |
| ALK | rated power | 5 MW |
| rated voltage | 700 V | |
| PEM | rated power | 1 MW |
| rated voltage | 300 V | |
| AC Loads | R | 0.08533 Ω |
| L | 2.0372 × 10−4 H |
| Parameters | AC System | DC System |
|---|---|---|
| Expandability | difficult to expand | extensibility is greater |
| Response speed | slow | fast |
| Method of control | complex | easy to implement |
Disclaimer/Publisher’s Note: The statements, opinions and data contained in all publications are solely those of the individual author(s) and contributor(s) and not of MDPI and/or the editor(s). MDPI and/or the editor(s) disclaim responsibility for any injury to people or property resulting from any ideas, methods, instructions or products referred to in the content. |
© 2025 by the authors. Licensee MDPI, Basel, Switzerland. This article is an open access article distributed under the terms and conditions of the Creative Commons Attribution (CC BY) license (https://creativecommons.org/licenses/by/4.0/).
Share and Cite
Zhang, J.; Xiao, F.; Ma, F.; Hao, X.; Xiao, R. Topological Scheme and Analysis of Operation Characteristics for Medium-Voltage DC Wind Turbine Photovoltaic Powered Off-Grid Hydrogen Production System. Energies 2025, 18, 579. https://doi.org/10.3390/en18030579
Zhang J, Xiao F, Ma F, Hao X, Xiao R. Topological Scheme and Analysis of Operation Characteristics for Medium-Voltage DC Wind Turbine Photovoltaic Powered Off-Grid Hydrogen Production System. Energies. 2025; 18(3):579. https://doi.org/10.3390/en18030579
Chicago/Turabian StyleZhang, Jie, Fei Xiao, Fan Ma, Xiaoliang Hao, and Runlong Xiao. 2025. "Topological Scheme and Analysis of Operation Characteristics for Medium-Voltage DC Wind Turbine Photovoltaic Powered Off-Grid Hydrogen Production System" Energies 18, no. 3: 579. https://doi.org/10.3390/en18030579
APA StyleZhang, J., Xiao, F., Ma, F., Hao, X., & Xiao, R. (2025). Topological Scheme and Analysis of Operation Characteristics for Medium-Voltage DC Wind Turbine Photovoltaic Powered Off-Grid Hydrogen Production System. Energies, 18(3), 579. https://doi.org/10.3390/en18030579
