Moisture Condition Assessment of Oil–Paper Insulation Based on Frequency-Domain Dielectric Spectroscopy and Relaxation Time Distribution
Abstract
1. Introduction
2. Sample Preparation and FDS Testing Analysis
2.1. Preparation of Samples with Different Moisture Contents
2.2. FDS Testing Principles and Measurements
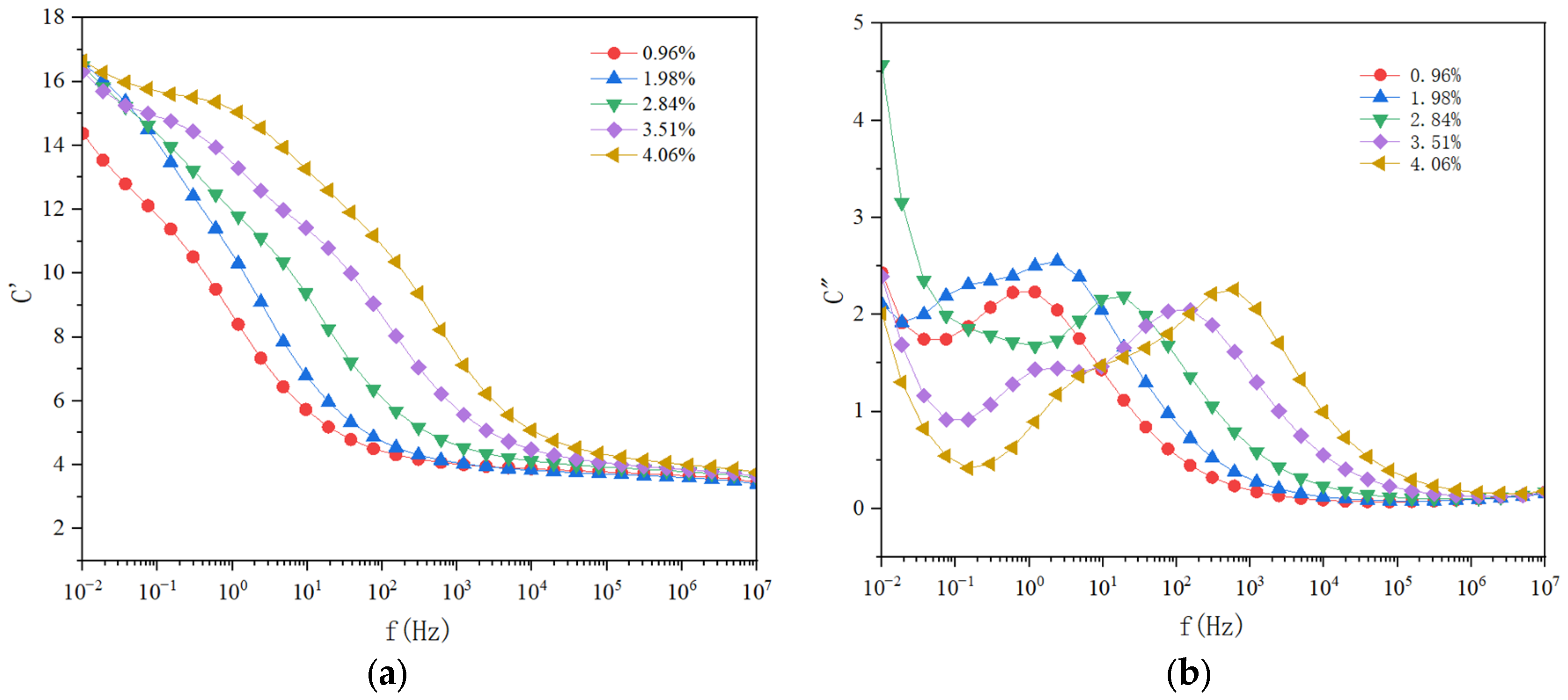
2.3. Influence of Sample Moisture Content on FDS Curve Characteristics
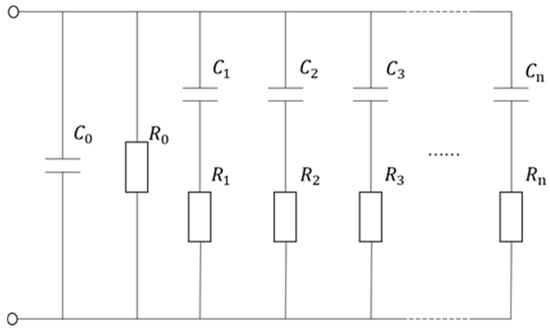
3. Principles of DRT
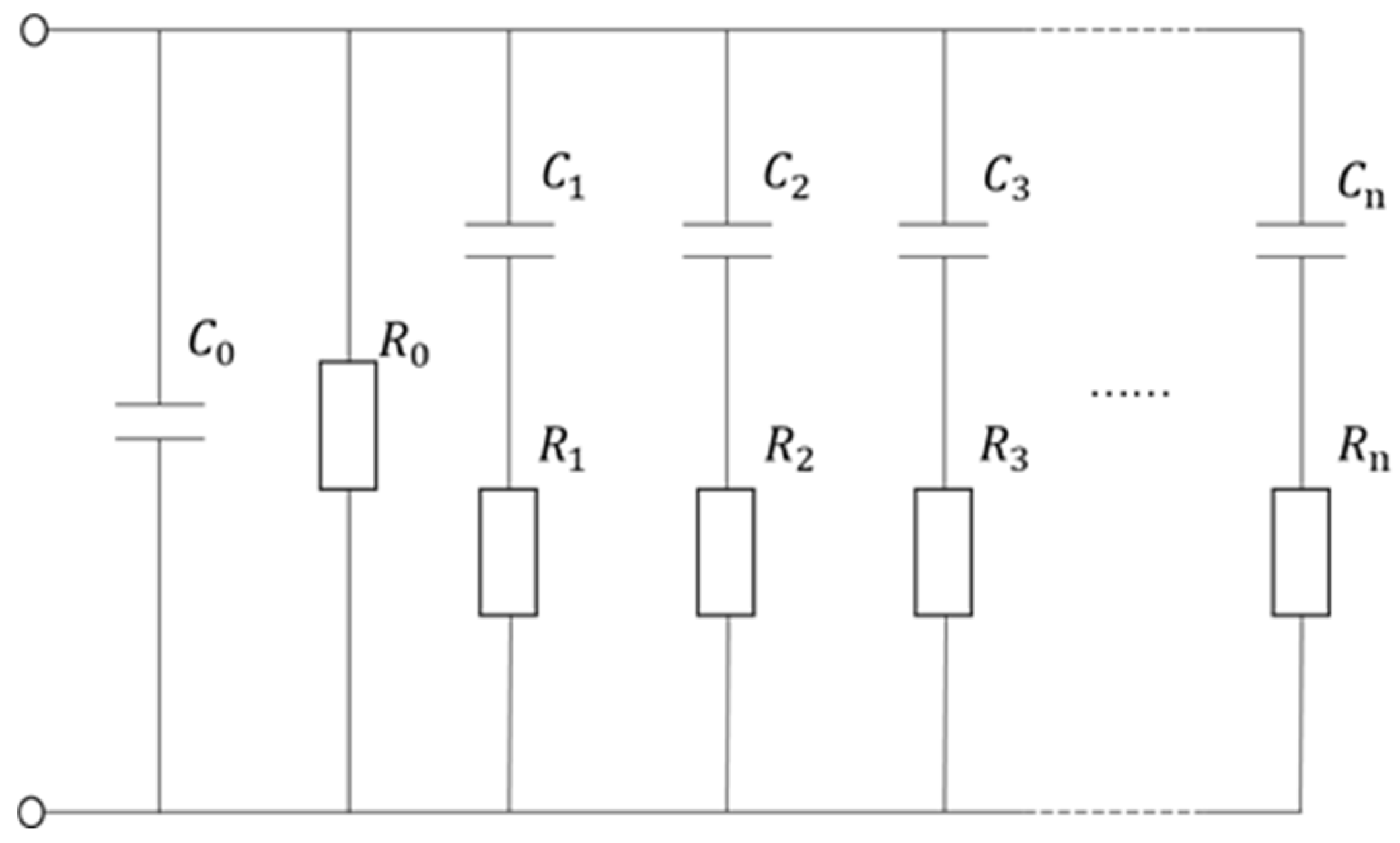
3.1. Mathematical Fundamentals of DRT
3.2. Solution Method for Relaxation Time Distribution Function
4. Moisture Condition Assessment Model
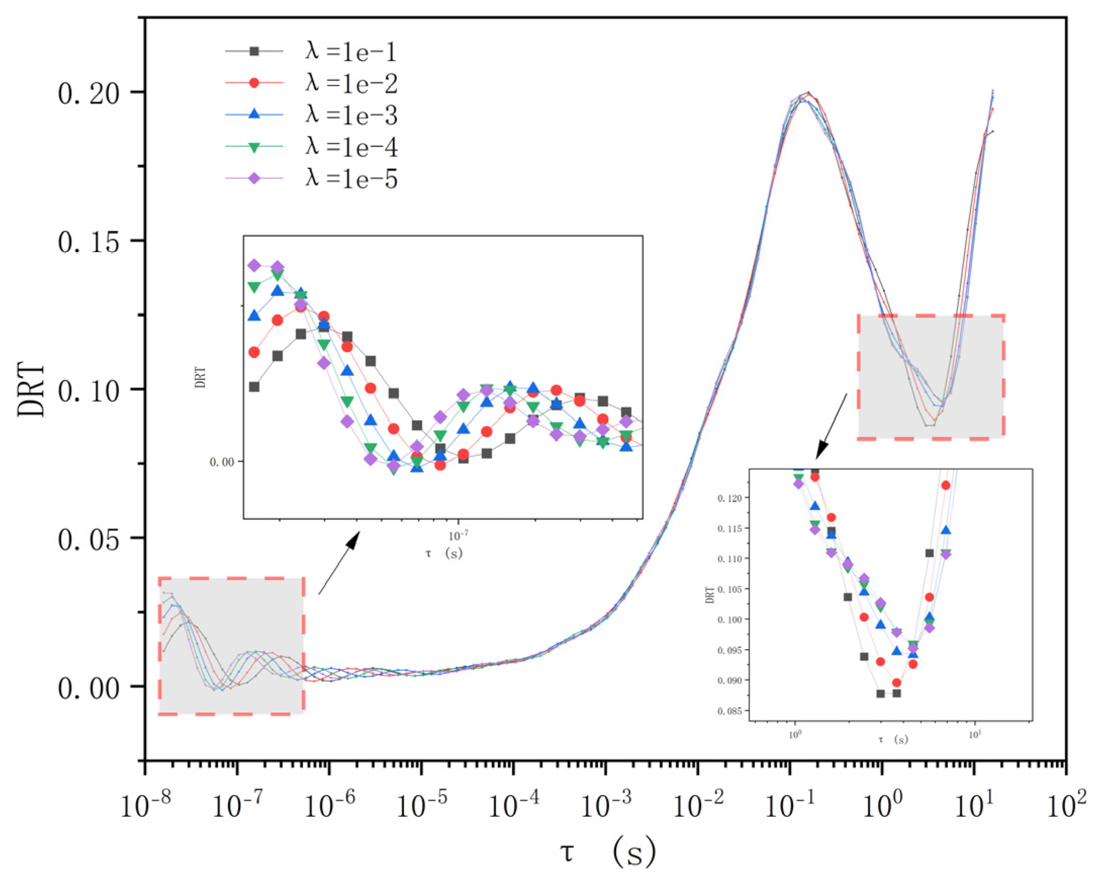
4.1. Influence of Regularization Parameter λ on DRT
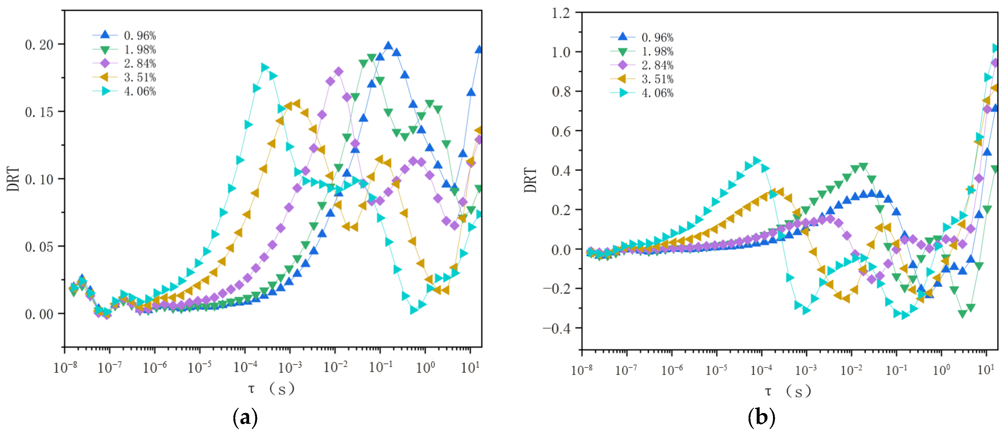
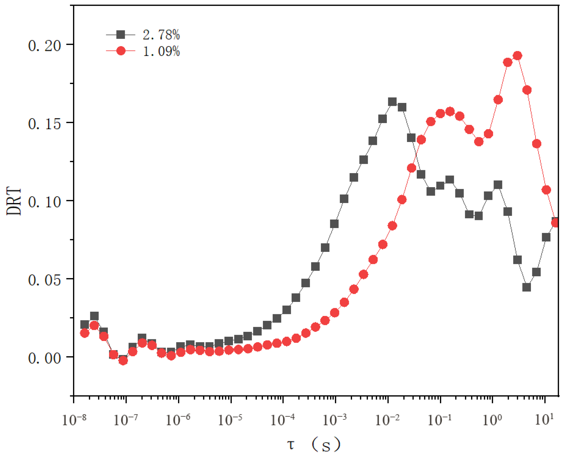
4.2. Influence of Moisture Content on DRT
4.3. Moisture Condition Assessment Model Based on DRT
5. Conclusions
Author Contributions
Funding
Data Availability Statement
Conflicts of Interest
References
- Dong, M.; Shi, C.; Li, J.; Chen, M.; Ren, Y.; Zhang, C. Explanation and analysis of oil-paper insulation based on frequen-cy-domain dielectric spectroscopy. IEEE Trans. Dielectr. Electr. Insul. 2015, 22, 2684–2693. [Google Scholar] [CrossRef]
- Liu, J.; Fan, X.; Zhang, C.; Lai, C.S.; Zhang, Y.; Zheng, H.; Lai, L.L.; Zhang, E. Moisture diagnosis of transformer oil-immersed insulation with intelligent technique and frequency-domain spectroscopy. IEEE Trans. Ind. Inform. 2021, 17, 4624–4634. [Google Scholar] [CrossRef]
- Hao, J.; Liao, R.; Chen, G.; Ma, Z.; Yang, L. Quantitative analysis ageing status of natural ester-paper insulation and mineral oil-paper insulation by polarization/depolarization current. IEEE Trans. Dielectr. Electr. Insul. 2012, 19, 188–199. [Google Scholar] [CrossRef]
- Zhang, X.; Gockenbach, E.; Wasserberg, V.; Borsi, H. Estimation of the lifetime of the electrical components in distribution networks. IEEE Trans. Power Deliv. 2007, 22, 515–522. [Google Scholar] [CrossRef]
- Zhang, X.; Gockenbach, E.; Wasserberg, V.; Borsi, H. Estimation of moisture content in transformer pressboard by the recovery voltage method. IEEE Trans. Dielectr. Electr. Insul. 2008, 15, 1582–1588. [Google Scholar]
- Baral, A.; Chakravorti, S. Prediction of moisture present in cellulosic part of power transformer insulation using transfer function of modified Debye model. IEEE Trans. Dielectr. Electr. Insul. 2014, 21, 1368–1375. [Google Scholar] [CrossRef]
- Ojha, S.K.; Purkait, P.; Chakravorti, S. Modeling of relaxation phenomena in transformer oil-paper insulation for understanding dielectric response measurements. IEEE Trans. Dielectr. Electr. Insul. 2016, 23, 3190–3198. [Google Scholar] [CrossRef]
- Kumar, S.; Chatterjee, B.; Chakravorti, S. Estimation of paper-moisture in transformer insulation employing dielectric spectroscopy data. IET Sci. Meas. Technol. 2018, 12, 607–613. [Google Scholar] [CrossRef]
- Yang, L.; Zou, T.; Deng, B.; Zhang, H.; Mo, Y.; Peng, P. Assessment of oil-paper insulation aging using frequency domain spectroscopy and moisture equilibrium curves. IEEE Access 2019, 7, 45670–45678. [Google Scholar] [CrossRef]
- Zhou, Y.; Huang, M.; Chen, W.; Lu, H.; Jin, J.; Huang, Q. Study on quantitative correlations between the ageing condition of transformer cellulose insulation and the large time constant obtained from the extended Debye model. Energies 2017, 10, 1842. [Google Scholar] [CrossRef]
- Morsalin, S.; Phung, B.T. Modeling of dielectric dissipation factor measurement for XLPE cable based on Davidson-Cole model. IEEE Trans. Dielectr. Electr. Insul. 2019, 26, 1018–1026. [Google Scholar] [CrossRef]
- Tian, F.; Ohki, Y. Electric modulus powerful tool for analyzing dielectric behavior. IEEE Trans. Dielectr. Electr. Insul. 2014, 21, 929–931. [Google Scholar] [CrossRef]
- Mudarra, M.; Sellarès, J.; Cañadas, J.C.; Diego, J.A. Sublinear dispersive conductivity in polyetherimides by the electric modulus formalism. IEEE Trans. Dielectr. Electr. Insul. 2015, 22, 3327–3333. [Google Scholar] [CrossRef]
- Zhao, X.; Liu, J.; Fan, X.; Lai, B.; Zhang, Y. Analysis of polarization information of XLPE cable insulation based on expanded logarithmic-derivative spectroscopy. High Volt. Eng. 2022, 48, 2187–2197. [Google Scholar]
- Liu, J.; Fan, X.; Zhang, Y.; Lai, B.; Jiao, J. Analysis of low-frequency polarisation behaviour for oil-paper insulation using logarithmic-derivative spectroscopy. High Volt. 2021, 6, 460–469. [Google Scholar] [CrossRef]
- Zhang, D.; Liu, X.; Zhan, J.; Li, X.; Tian, J.; Mu, H. Imaginary part analysis of frequency domain dielectric spectroscopy for transformer oil-paper insulation. Trans. China Electrotech. Soc. 2019, 34, 847–854. (In Chinese) [Google Scholar]
- Zhang, M.; Meng, F.; Liu, J.; Liu, H.; Jia, H.; Li, L. Study on nonlinear characteristics of frequency domain dielectric response of transformer oil-paper insulation. Proc. CSEE 2023, 43, 831–843. (In Chinese) [Google Scholar]
- Du, L.; Ran, L.; Wei, C.; Yang, L.; Yang, F. Research on moisture frequency domain characteristic parameters of oil-paper insulation based on extended Debye model. Trans. China Electrotech. Soc. 2018, 33, 3051–3058. (In Chinese) [Google Scholar]
- Zhang, R.; Wu, J.; Guan, Z.; Wu, K.; Wang, Q.; Guo, T. Study on aging state of oil-paper insulation based on relaxation time distribution function. Insul. Mater. 2024, 57, 82–91. (In Chinese) [Google Scholar]
- Hu, Y.; Dong, M.; Song, B.; Xia, C.; Xie, J.; Liu, Y.; Xing, Y. Parameters extraction and mechanism analysis of the moisture in oil–paper based on the spectral decomposition of dielectric response. IEEE Trans. Dielectr. Electr. Insul. 2022, 29, 1441–1449. [Google Scholar] [CrossRef]
- Hao, J.; Dai, X.; Yang, L.; Liao, R.; Gao, J.; Du, Y.; Deng, Y. Physical mechanism analysis of conductivity and relaxation polarization behavior of oil-paper insulation based on broadband frequency domain spectroscopy. IEEE Trans. Dielectr. Electr. Insul. 2022, 28, 1571–1578. [Google Scholar] [CrossRef]
- Zhang, Y.; Zhong, W.; Wei, W.; Zhou, J.; Wang, G.; Xixi, Z. Analysis of polarization information of XLPE cables based on distribution of relaxation time. IEEE Trans. Dielectr. Electr. Insul. 2023, 30, 946–954. [Google Scholar] [CrossRef]
- Macdonald, J.R. Linear relaxation: Distributions, thermal activation, structure, and ambiguity. J. Appl. Phys. 1987, 62, R51–R62. [Google Scholar] [CrossRef]
- Schönleber, M.; Klotz, D.; Ivers-Tiffée, E. A method for improving the robustness of linear Kramers-Kronig validity tests. Electrochim. Acta 2014, 131, 20–27. [Google Scholar] [CrossRef]
- Tikhonov, A.N.; Arsenin, V.Y. Solutions of Ill-Posed Problems; V. H. Winston & Sons: Washington, DC, USA, 1977. [Google Scholar]








| Sample | τ (s) | Hactual (%) | Hpredicted (%) | Relative Error (%) |
|---|---|---|---|---|
| 1 | 0.01518 | 1.09 | 1.119 | 2.66% |
| 2 | 0.01200 | 2.78 | 2.814 | 1.22% |
Disclaimer/Publisher’s Note: The statements, opinions and data contained in all publications are solely those of the individual author(s) and contributor(s) and not of MDPI and/or the editor(s). MDPI and/or the editor(s) disclaim responsibility for any injury to people or property resulting from any ideas, methods, instructions or products referred to in the content. |
© 2025 by the authors. Licensee MDPI, Basel, Switzerland. This article is an open access article distributed under the terms and conditions of the Creative Commons Attribution (CC BY) license (https://creativecommons.org/licenses/by/4.0/).
Share and Cite
Hao, Y.; Yang, Y.; Shen, Z.; Xiang, H.; Zhou, N.; Zhang, H.; Deng, J. Moisture Condition Assessment of Oil–Paper Insulation Based on Frequency-Domain Dielectric Spectroscopy and Relaxation Time Distribution. Energies 2025, 18, 6436. https://doi.org/10.3390/en18246436
Hao Y, Yang Y, Shen Z, Xiang H, Zhou N, Zhang H, Deng J. Moisture Condition Assessment of Oil–Paper Insulation Based on Frequency-Domain Dielectric Spectroscopy and Relaxation Time Distribution. Energies. 2025; 18(24):6436. https://doi.org/10.3390/en18246436
Chicago/Turabian StyleHao, Yanpeng, Yibo Yang, Zikui Shen, Hanhui Xiang, Ningfeng Zhou, Haoyi Zhang, and Jun Deng. 2025. "Moisture Condition Assessment of Oil–Paper Insulation Based on Frequency-Domain Dielectric Spectroscopy and Relaxation Time Distribution" Energies 18, no. 24: 6436. https://doi.org/10.3390/en18246436
APA StyleHao, Y., Yang, Y., Shen, Z., Xiang, H., Zhou, N., Zhang, H., & Deng, J. (2025). Moisture Condition Assessment of Oil–Paper Insulation Based on Frequency-Domain Dielectric Spectroscopy and Relaxation Time Distribution. Energies, 18(24), 6436. https://doi.org/10.3390/en18246436

