An Enhanced Second-Order Terminal Sliding Mode Control Based on the Super-Twisting Algorithm Applied to a Five-Phase Permanent Magnet Synchronous Generator for a Grid-Connected Wind Energy Conversion System
Abstract
1. Introduction
- A presentation of the hybrid control approach for a grid-connected WECS that combines the SO-TSMC and STA implemented on an FP-PMSG.
- Enhances stability and smooth control operations by integrating a TSMC with an SO-STA, which reduces chattering.
- Enhances the dynamic response of the FP-PMSG system to wind speed variations, ensuring accurate adjustments without worsening the performance.
- Increases system robustness by handling external disturbances and parametric uncertainties, ensuring a consistent performance under various conditions.
- Optimizes the energy conversion efficiency by operating at the optimal power extraction point, maximizing harvested energy from the wind.
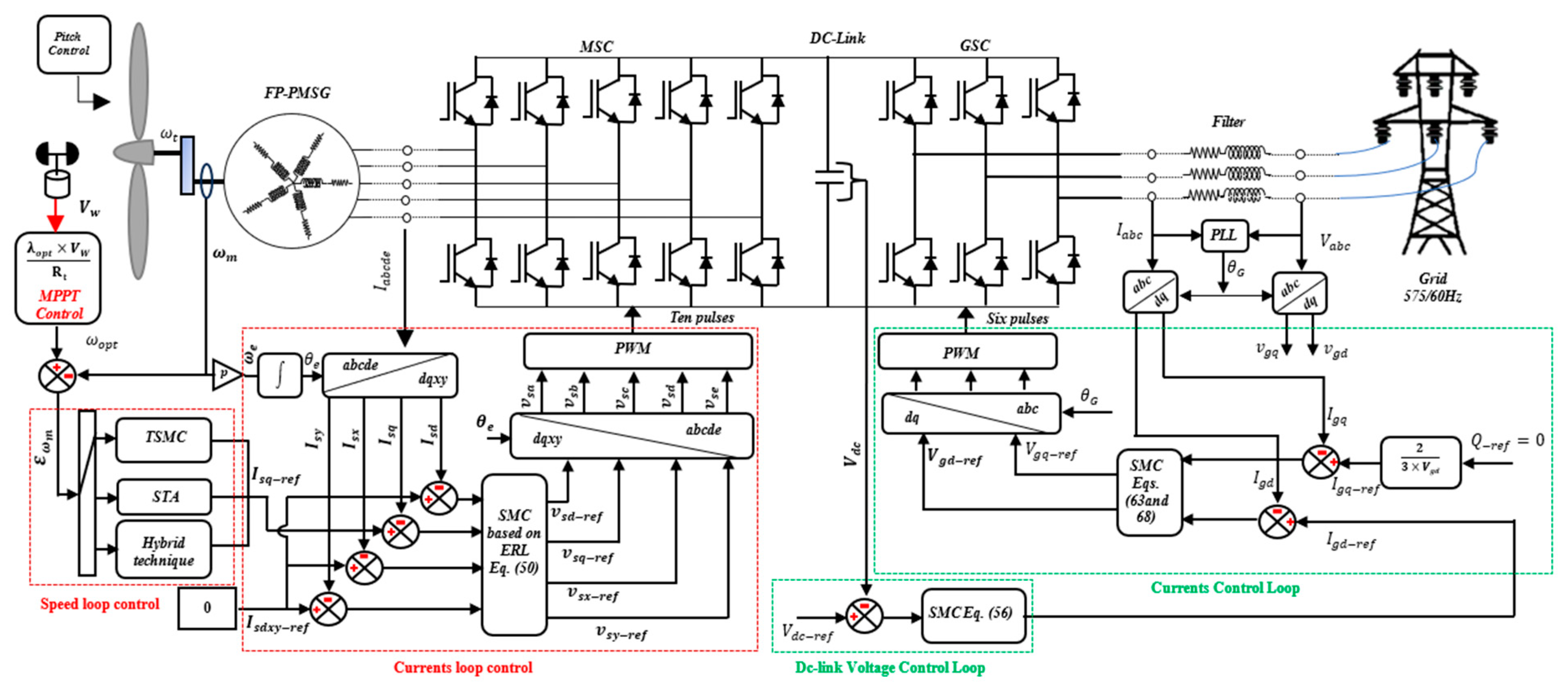
2. Modeling of the Wind Energy Conversion System (WECS)
2.1. Wind Turbine Modeling
2.2. Design of the MPPT Control
2.3. Modeling of the FP-PMSG
3. Structure of the Second-Order Sliding Mode Approaches for the FP-PMSG
- Selection of the sliding surfaces.
- Establishment of conditions for existence and convergence.
- Determination of the control law.
3.1. Design of the Speed Loop Control Based on the Hybrid Technique
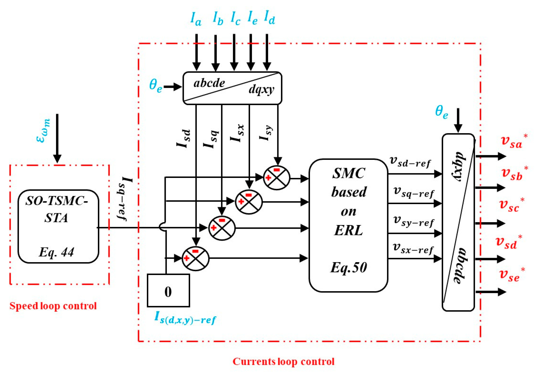
3.2. Designing Loop of Currents Based on the ERL-SMC
4. Regulation of the Grid Side with a Sliding Controller
- Voltage regulation;
- Direct and quadratic current regulation.
4.1. Voltage Regulation
4.2. Direct and Quadratic Current Regulation
4.2.1. Direct Current Regulation
4.2.2. Quadratic Current Regulation
5. Simulation Results and Discussion
- TSMC: , , , , ;
- STA-SMC: , , ;
- SO-TSMC-based STA: , , , , , .
5.1. Impact of Speed Variation
5.2. Parameter Variation
5.3. Examination of the Wind Conversion SYSTEM Using the the Proposed Hybrid Control Under District Wind Profiles
6. Conclusions
Author Contributions
Funding
Data Availability Statement
Acknowledgments
Conflicts of Interest
List of Symbols
| The electromagnetic torque | Turbine torque | ||
| The mechanical torque | J | The momentum of inertia | |
| Wind turbine rotor speed | F | The friction coefficient | |
| Mechanical speed of rotor | The rotor electric angular speed | ||
| The electrical angle | The power coefficient | ||
| β | The pitch angle | Wind speed | |
| The air density | Stator resistance | ||
| Stator inductance | p | The number of pair poles | |
| Stator flux linkage for direct axis | Stator current for quadratic axis | ||
| The d − q axes and x − y axes flux linkage | The components’ stator current following the d − q axes and x − y axes | ||
| The permanent magnet flux linkage | The stator d − q axes and x − y axes voltages | ||
| Control gains for the TSMC | DC link voltage | ||
| , | Proportional–integral (PI) regulator coefficients; | ; ; | Coefficients for the TSMC |
| Coefficients used to regulate the performance of the super-twisting controller | Coefficients used to regulate the degree of nonlinearity | ||
| ERL-SMC coefficients | The control coefficients of the (SMC) based on (E-RL) | ||
| Coefficients associated with the grid current loop | Coefficients associated with the DC link voltage control loop | ||
| Abbreviations | |||
| WECS | Wind Energy Conversion System | FP-PMSG | Five-Phase Permanent Magnet Synchronous Generator |
| TP-PMSG | Three-Phase Permanent Magnet Synchronous Generator | SO-TSMC based STA | Second-Order Terminal Sliding Mode Control Based on the Super-Twisting Algorithm Technique |
| SMC | Sliding Mode Control | STA | Super-Twisting Algorithm |
| STA-SMC | Super-Twisting Algorithm Sliding Mode Control | FOC | Field-Oriented Control |
| DTC | Direct Torque Control | TSMC | Terminal Sliding Mode Control |
| FOSMC | Fractional Order Sliding Mode Control | ERL | Exponential Reaching Law |
| C-SMC | Classical Sliding Mode Control | GSC | Grid Side Converter |
| MSC | Machine Side Converter | BTBC | Back-To-Back Converter |
| SSE | Steady-State Error | TB | Tolerance Band |
| FPS | Frequency Performance Signal | ISE | Instantaneous State Error |
| THD | Current Total Harmonic Distortion | ||
References
- Bengharbi, A.A.; Laribi, S.; Allaoui, T.; Mimouni, A. Open-Circuit Fault Diagnosis for Three-Phase Inverter in Photovoltaic Solar Pumping System Using Neural Network and Neuro-Fuzzy Techniques. Electrica 2023, 23, 505–515. [Google Scholar] [CrossRef]
- Kumari, P.; Kumar, N.; Panigrahi, B.K. A framework of reduced sensor rooftop SPV system using parabolic curve fitting MPPT technology for household consumers. IEEE Trans. Consum. Electron. 2022, 69, 29–37. [Google Scholar] [CrossRef]
- Jaiswal, K.K.; Chowdhury, C.R.; Yadav, D.; Verma, R.; Dutta, S.; Jaiswal, K.S.; Karuppasamy, K.S.K. Renewable and sustainable clean energy development and impact on social, economic, and environmental health. Energy Nexus 2022, 7, 100118. [Google Scholar] [CrossRef]
- Padmanathan, K.; Kamalakannan, N.; Sanjeevikumar, P.; Blaabjerg, F.; Holm-Nielsen, J.B.; Uma, G.; Baskaran, J. Conceptual framework of antecedents to trends on permanent magnet synchronous generators for wind energy conversion systems. Energies 2019, 12, 2616. [Google Scholar] [CrossRef]
- Benelghali, S.; Mekri, F.; Benbouzid, M.; Charpentier, J.F. Performance comparison of three and five-phase permanent magnet generators for marine current turbine applications under open-circuit faults. In Proceedings of the 2011 International Conference on Power Engineering, Energy and Electrical Drives, Malaga, Spain, 11–13 May 2011; pp. 1–6. [Google Scholar] [CrossRef]
- Mousa, H.H.; Youssef, A.R.; Mohamed, E.E. Optimal power extraction control schemes for five-phase PMSG-based wind generation systems. Eng. Sci. Technol. Int. J. 2020, 23, 144–155. [Google Scholar] [CrossRef]
- Elyasichamazkoti, F.; Khajehpoor, A. Application of machine learning for wind energy from design to energy-water nexus: A survey. Energy Nexus 2021, 2, 100011. [Google Scholar] [CrossRef]
- Liu, W.; Chen, S.; Huang, H. Adaptive nonsingular fast terminal sliding mode control for permanent magnet synchronous motor based on disturbance observer. IEEE Access 2019, 7, 153791–153798. [Google Scholar] [CrossRef]
- Hu, J.; Zou, J.; Xu, F.; Li, Y.; Fu, Y. An improved PMSM rotor position sensor based on linear Hall sensors. IEEE Trans. Magn. 2012, 48, 3591–3594. [Google Scholar] [CrossRef]
- Jung, J.W.; Leu, V.Q.; Do, T.D.; Kim, E.K.; Choi, H.H. Adaptive PID speed control design for permanent magnet synchronous motor drives. IEEE Trans. Power Electron. 2015, 30, 900–908. [Google Scholar] [CrossRef]
- Zhang, X.; Sun, L.; Zhao, K.; Sun, L. Nonlinear speed control for PMSM system using sliding-mode control and disturbance compensation techniques. IEEE Trans. Power Electron. 2013, 28, 1358–1365. [Google Scholar] [CrossRef]
- Abu-Rub, H.; Iqbal, A.; Guzinski, J. High Performance Control of AC Drives with Matlab/Simulink; John Wiley & Sons: Hoboken, NJ, USA, 2021. [Google Scholar] [CrossRef]
- Ullah, K.; Guzinski, J.; Mirza, A.F. Critical Review on Robust Speed Control Techniques for Permanent Magnet Synchronous Motor (PMSM) Speed Regulation. Energies 2022, 15, 1235. [Google Scholar] [CrossRef]
- Lin, F.J.; Chiu, S.L.; Shyu, K.K. Novel sliding mode controller for synchronous motor drive. IEEE Trans. Aerosp. Electron. Syst. 1998, 34, 532–542. [Google Scholar] [CrossRef]
- Khalil, H.K. Nonlinear Systems, 3rd ed.; Prentice Hall: Englewood Cliffs, NJ, USA, 2002; ISBN 9780130673893. [Google Scholar]
- Chiel, H.J.; Thomas, P.J. Special issue on applied neurodynamics: From neural dynamics to neural engineering. J. Neural Eng. 2011, 8, 060201. [Google Scholar] [CrossRef]
- Li, Y.; Son, J.B.; Lee, J.M. PMSM speed controller using switching algorithm of PD and sliding mode control. In Proceedings of the 2009 ICCAS-SICE, Fukuoka, Japan, 18–21 August 2009; pp. 1260–1266. [Google Scholar]
- Khalil, H.K. Nonlinear Control; Pearson: New York, NY, USA, 2015. [Google Scholar]
- Ouassaid, M.; Cherkaoui, M.; Zidani, Y. A nonlinear speed control for a PM synchronous motor using an adaptive backstepping control approach. In Proceedings of the 2004 IEEE International Conference on Industrial Technology (ICIT’04), Hammamet, Tunisia, 8–10 December 2004; pp. 1287–1292. [Google Scholar]
- Ning, B.; Cheng, S.; Qin, Y. Direct torque control of PMSM using sliding mode backstepping control with extended state observer. J. Vib. Control 2018, 24, 694–707. [Google Scholar] [CrossRef]
- Wang, S.; Zhao, J.; Liu, T.; Hua, M. Adaptive robust control system for axial flux permanent magnet synchronous motor of electric medium bus based on torque optimal distribution method. Energies 2019, 12, 4681. [Google Scholar] [CrossRef]
- Djelamda, I.; Bochareb, I. Field-oriented control based on adaptive neuro-fuzzy inference system for PMSM dedicated to electric vehicle. Bull. Electr. Eng. Inform. 2022, 11, 1892–1901. [Google Scholar] [CrossRef]
- Bao, G.Q.; Qi, W.; He, T. Direct torque control of PMSM with modified finite set model predictive control. Energies 2020, 13, 234. [Google Scholar] [CrossRef]
- Lin, C.H. Permanent-magnet synchronous motor drive system using backstepping control with three adaptive rules and revised recurring sieved Pollaczek polynomials neural network with reformed grey wolf optimization and recouped controller. Energies 2020, 13, 5870. [Google Scholar] [CrossRef]
- Wang, M.S.; Tsai, T.M. Sliding mode and neural network control of sensorless PMSM controlled system for power consumption and performance improvement. Energies 2017, 10, 1780. [Google Scholar] [CrossRef]
- Chang, Y.C.; Tsai, C.T.; Lu, Y.L. Current control of the permanent-magnet synchronous generator using interval type-2 T-S fuzzy systems. Energies 2019, 12, 2953. [Google Scholar] [CrossRef]
- Xie, C.; Wu, J.; Guo, Z.; Wang, Y.; Liu, J. Sensorless control of vehicle-mounted PMSM based on improved sliding mode observer. J. Phys. Conf. Ser. 2021, 2030, 012004. [Google Scholar] [CrossRef]
- Shtessel, Y.; Taleb, M.; Plestan, F. A novel adaptive-gain super-twisting sliding mode controller: Methodology and application. Automatica 2012, 48, 759–769. [Google Scholar] [CrossRef]
- Mei, K.; Ding, S. Second-order sliding mode controller design subject to an upper-triangular structure. IEEE Trans. Syst. Man Cybern. Syst. 2021, 51, 497–507. [Google Scholar] [CrossRef]
- Zhou, Z.; Zhang, B.; Mao, D. Robust sliding mode control of PMSM based on rapid nonlinear tracking differentiator and disturbance observer. Sensors 2018, 18, 1031. [Google Scholar] [CrossRef]
- Karboua, D.; Toual, B.; Kouzou, A.; Douara, B.; Mebkhouta, T.; Bendenidina, A.N. High-order super-twisting based terminal sliding mode control applied on three phases permanent synchronous machine. Period. Polytech. Electr. Eng. Comput. Sci. 2023, 67, 40–50. [Google Scholar] [CrossRef]
- Liu, F.; Chen, W. Research on an improved sliding mode observer for speed estimation in permanent magnet synchronous motor. Processes 2022, 10, 1182. [Google Scholar] [CrossRef]
- Yang, H.; Tang, J.W.; Chien, Y.R. Application of new sliding mode control in vector control of PMSM. IEICE Electron. Express 2022, 19, 20220156. [Google Scholar] [CrossRef]
- Qian, J.; Ji, C.; Pan, N.; Wu, J. Improved sliding mode control for permanent magnet synchronous motor speed regulation system. Appl. Sci. 2018, 8, 2491. [Google Scholar] [CrossRef]
- Wang, Y.; Feng, Y.; Zhang, X.; Liang, J. A new reaching law for anti-disturbance sliding-mode control of PMSM speed regulation system. IEEE Trans. Power Electron. 2020, 35, 4117–4126. [Google Scholar] [CrossRef]
- Rhaili, S.E.; Abbou, A.; Marhraoui, S.; Moutchou, R. Robust Sliding Mode Control with Five Sliding Surfaces of Five-Phase PMSG Based Variable Speed Wind Energy Conversion System. Int. J. Intell. Eng. Syst. 2020, 13, 346–357. [Google Scholar] [CrossRef]
- Mo, L.; Liu, Y.; Zhang, Y. Sliding mode variable structure control for surface permanent magnet synchronous motors based on a fuzzy exponential reaching law. Math. Probl. Eng. 2019, 2019, 8340956. [Google Scholar] [CrossRef]
- Kuppusamy, S.; Joo, Y.H. Memory-based integral sliding-mode control for T-S fuzzy systems with PMSM via disturbance observer. IEEE Trans. Cybern. 2021, 51, 2457–2465. [Google Scholar] [CrossRef]
- Yubo, L.; Xudong, W. Speed global integral sliding mode control with a load sliding mode observer for PMSM. IEICE Electron. Express 2018, 15, 20171270. [Google Scholar] [CrossRef]
- Mani, P.; Rajan, R.; Shanmugam, L.; Joo, Y.H. Adaptive fractional fuzzy integral sliding mode control for PMSM model. IEEE Trans. Fuzzy Syst. 2019, 27, 1674–1686. [Google Scholar] [CrossRef]
- Laabidine, N.Z.; Bossoufi, B.; El Kafazi, I.; El Bekkali, C.; El Ouanjli, N. Robust Adaptive Super Twisting Algorithm Sliding Mode Control of a Wind System Based on the PMSG Generator. Sustainability 2023, 15, 792. [Google Scholar] [CrossRef]
- Larbaoui, A.; Chaouch, D.E.; Belabbes, B.; Razkallah, M. Application of passivity-based and sliding mode control of permanent magnet synchronous motor under controlled voltage. J. Vib. Control 2022, 28, 1267–1278. [Google Scholar] [CrossRef]
- Zhu, P.; Chen, Y.; Li, M. Terminal sliding mode control of permanent magnet synchronous motor based on the reaching law. Proc. Inst. Mech. Eng. Part I J. Syst. Control Eng. 2020, 234, 849–859. [Google Scholar] [CrossRef]
- Xu, B.; Shen, X.; Ji, W.; Shi, G.; Xu, J.; Ding, S. Adaptive nonsingular terminal sliding mode control for permanent magnet synchronous motor based on disturbance observer. IEEE Access 2018, 6, 48913–48920. [Google Scholar] [CrossRef]
- Song, J.; Wang, Y.K.; Niu, Y.; Lam, H.K.; He, S.; Liu, H. Periodic event-triggered terminal sliding mode speed control for networked PMSM system: A GA-optimized extended state observer approach. IEEE/ASME Trans. Mechatron. 2022, 27, 4153–4164. [Google Scholar] [CrossRef]
- Aldin, N.A.N.; Abdellatif, W.S.; Elbarbary, Z.S.; Omar, A.I.; Mahmoud, M.M. Robust Speed Controller for PMSG Wind System Based on Harris Hawks Optimization via Wind Speed Estimation: A Real Case Study. IEEE Access 2023, 11, 5929–5943. [Google Scholar] [CrossRef]
- Mousa, H.H.; Youssef, A.R.; Mohamed, E.E. Model predictive speed control of five-phase permanent magnet synchronous generator-based wind generation system via wind-speed estimation. Int. Trans. Electr. Energy Syst. 2019, 29, e2826. [Google Scholar] [CrossRef]
- Rhaili, S.E.; Abbou, A.; Marhraoui, S.; El Hichami, N.; Moutchou, R. Optimal Power Generation Control of 5-Phase PMSG Based WECS by Using Enhanced Fuzzy Fractional Order SMC. Int. J. Intell. Eng. Syst. 2022, 15, 572–583. [Google Scholar] [CrossRef]
- Abu Hashish, M.N.; Daoud, A.A.; Elfar, M.H. Hybrid MPPT-based predictive speed control model for variable speed PMSG wind energy conversion systems. Int. J. Appl. Power Eng. 2022, 11, 218–228. [Google Scholar] [CrossRef]
- Kamel, T.; Abdelkader, D.; Said, B.; Iqbal, A. Sliding mode control of grid-connected wind energy system driven by two five-phase permanent magnet synchronous generators controlled by a new fifteen-switch converter. Int. Trans. Electr. Energy Syst. 2020, 30, e12480. [Google Scholar] [CrossRef]
- Rhaili, S.E.; Abbou, A.; El Hichami, N.; Marhraoui, S. Sensorless optimal power tracking through enhanced hybrid strategies for five-phase PMSG-based variable-speed wind turbine. In Power Electronics Converters and Their Control for Renewable Energy Applications; Academic Press: Cambridge, MA, USA, 2023; pp. 93–113. [Google Scholar] [CrossRef]
- Faisal, A.A.; Hassan, T.K. Maximum Power Extraction Using Twisting Sliding Mode Controller For Wind Energy Systems. J. Eng. Sustain. Dev. 2023, 27, 527–544. [Google Scholar] [CrossRef]
- Mebkhouta, T.; Golea, A.; Boumaraf, R.; Benchouia, T.M.; Karboua, D. A High Robust Optimal Nonlinear Control with MPPT Speed for Wind Energy Conversion System (WECS) Based on Doubly Fed Induction Generator (DFIG). Period. Polytech. Electr. Eng. Comput. Sci. 2023, 27, 527–544. [Google Scholar] [CrossRef]
- Yin, M.; Li, W.; Chung, C.Y.; Zhou, L.; Chen, Z.; Zou, Y. Optimal Torque Control Based on Effective Tracking Range for Maximum Power Point Tracking of Wind Turbines Under Varying Wind Conditions. IET Renew. Power Gener. 2017, 11, 501–510. [Google Scholar] [CrossRef]
- Heo, S.Y.; Kim, M.K.; Choi, J.W. Hybrid Intelligent Control Method to Improve the Frequency Support Capability of Wind Energy Conversion Systems. Energies 2015, 8, 11430–11451. [Google Scholar] [CrossRef]
- Ngo, Q.V.; Chai, Y.; Nguyen, T.T. The Fuzzy-PID Based-Pitch Angle Controller for Small-Scale Wind Turbine. Int. J. Power Electron. Drive Syst. 2020, 11, 135. [Google Scholar] [CrossRef]
- Liu, Z.; Houari, A.; Machmoum, M.F.; Benkhoris, M.; Tang, T. A Second Order Filter-Based Fault Detection Method for Five-Phase Permanent Magnet Synchronous Generators. In Proceedings of the IECON 2020: The 46th Annual Conference of the IEEE Industrial Electronics Society, Singapore, 18–21 October 2020; pp. 4827–4832. [Google Scholar] [CrossRef]
- Xu, H.; Huang, W.; Bu, F.; Liu, H.; Lin, X. Control of Five-Phase Dual Stator-Winding Induction Generator with an Open Phase. IEEE Trans. Ind. Electron. 2018, 66, 696–706. [Google Scholar] [CrossRef]
- Seck, A.; Moreau, L.; Benkhoris, M.F.; Machmoum, M. Control Strategies of Five-Phase PMSG-Rectifier Under Two Open Phase Faults for Current Turbine System. In Proceedings of the 2018 IEEE International Power Electronics and Application Conference and Exposition (PEAC), Shenzhen, China, 4–7 November 2018; pp. 1–6. [Google Scholar] [CrossRef]
- Kelkoul, B.; Boumediene, A. Stability Analysis and Study Between Classical Sliding Mode Control (SMC) and Super Twisting Algorithm (STA) for Doubly Fed Induction Generator (DFIG) Under Wind Turbine. Energy 2021, 214, 118871. [Google Scholar] [CrossRef]
- Slotine, J.-J.E.; Li, W. Applied Nonlinear Control; Prentice Hall: Englewool Cliffs, NJ, USA, 1991. [Google Scholar] [CrossRef]
- Utkin, V.; Guldner, J.; Shi, J. Sliding Mode Control in Electro-Mechanical Systems; CRC Press: Boca Raton, FL, USA, 2017; ISBN 978-1-31-521897-7. [Google Scholar] [CrossRef]
- Levant, A. Universal SISO Sliding-Mode Controllers with Finite-Time Convergence. IEEE Trans. Autom. Control 2001, 46, 1447–1451. [Google Scholar] [CrossRef]
- Utkin, V.; Poznyak, A.; Orlov, Y.; Polyakov, A. Andrey Polyakov, Conventional and high order sliding mode control. J. Frankl. Inst. 2020, 357, 10244–10261. [Google Scholar] [CrossRef]
- Shtessel, Y.; Edwards, C.; Fridman, L.; Levant, A. Sliding Mode Control and Observation; Control Engineering Series; Birkhauser: New York, NY, USA, 2014. [Google Scholar] [CrossRef]
- Vecchio, C. Sliding Mode Control: Theoretical Developments and Applications to Uncertain Mechanical Systems. 2008. Available online: https://www.tesionline.it/tesi/35561/Sliding-Mode-Control%3A-theoretical-developments-and-applications-to-uncertain-mechanical-systems (accessed on 3 December 2024).
- Zaihidee, F.M.; Mekhilef, S.; Mubin, M. Robust Speed Control of PMSM Using Sliding Mode Control (SMC)—A Review. Energies 2019, 12, 1669. [Google Scholar] [CrossRef]
- Feng, Y.; Yu, X.; Man, Z. Non-Singular Terminal Sliding Mode Control of Rigid Manipulators. Automatica 2002, 38, 2159–2167. [Google Scholar] [CrossRef]
- Yu, X.; Feng, Y.; Man, Z. Terminal Sliding Mode Control—An Overview. IEEE Open J. Ind. Electron. Soc. 2020, 2, 36–52. [Google Scholar] [CrossRef]
- Ahn, H.; Kim, S.; Park, J.; Chung, Y.; Hu, M.; You, K. Adaptive Quick Sliding Mode Reaching Law and Disturbance Observer for Robust PMSM Control Systems. Actuators 2024, 13, 136. [Google Scholar] [CrossRef]
- Mousavi, Y.; Bevan, G.; Kucukdemiral, I.B.; Fekih, A. Sliding Mode Control of Wind Energy Conversion Systems: Trends and Applications. Renew. Sustain. Energy Rev. 2022, 167, 112734. [Google Scholar] [CrossRef]
- Mousa, H.H.H.; Youssef, A.R.; Mohamed, E.E. Performance Assessment of Speed Controllers for Five-Phase PMSG with Integrated P&O MPPT Algorithms Based Wind Energy Conversion Systems. SVU-Int. J. Eng. Sci. Appl. 2022, 3, 58–67. [Google Scholar] [CrossRef]
- Errami, Y.; Ouassaid, M.; Maaroufi, M. A performance comparison of a nonlinear and a linear control for grid connected PMSG wind energy conversion system. Electr. Power Energy Syst. 2015, 68, 180–194. [Google Scholar] [CrossRef]
- Tan, J.; Zhang, K.; Li, B.; Wu, A. Event-Triggered Sliding Mode Control for Spacecraft Reorientation With Multiple Attitude Constraints. IEEE Trans. Aerosp. Electron. Syst. 2023, 59, 6031–6043. [Google Scholar] [CrossRef]
- Chen, B.; Hu, J.; Zhao, Y.; Ghosh, B.K. Finite-time observer based tracking control of uncertain heterogeneous underwater vehicles using adaptive sliding mode approach. Neurocomputing 2022, 481, 322–332. [Google Scholar] [CrossRef]
- Hu, K.; Ma, Z.; Zou, S.; Li, J.; Ding, H. Impedance Sliding-Mode Control Based on Stiffness Scheduling for Rehabilitation Robot Systems. Cyborg Bionic Syst. 2024, 5, 0099. [Google Scholar] [CrossRef]
- Chen, C.; Wu, X.; Yuan, X.; Zheng, X. Prediction of Magnetic Field for PM Machines With Irregular Rotor Cores Based on an Enhanced Conformal Mapping Model Considering Magnetic-Saturation Effect. IEEE Trans. Transp. Electrif. 2024. [Google Scholar] [CrossRef]
- Wang, C.; Liu, J.; Han, J.; Zhang, Z.; Jiang, M. Analysis of Bidirectional Magnetic Field Modulation on Concentrated Winding Spoke-Type PM Machines. IEEE Trans. Transp. Electrif. 2024, 10, 6076–6086. [Google Scholar] [CrossRef]
- Chen, C.; Wu, X.; Yuan, X.; Zheng, X. A New Technique for the Subdomain Method in Predicting Electromagnetic Performance of Surface-Mounted Permanent Magnet Motors With Shaped Magnets and a Quasi-Regular Polygon Rotor Core. IEEE Trans. Energy Convers. 2022, 38, 1396–1409. [Google Scholar] [CrossRef]
- Rong, Q.; Hu, P.; Yu, Y.; Wang, D.; Cao, Y.; Xin, H. Virtual External Perturbance-Based Impedance Measurement of Grid-Connected Converter. IEEE Trans. Ind. Electron. 2024, 1–11. [Google Scholar] [CrossRef]
- Rong, Q.; Hu, P.; Wang, L.; Li, Y.; Yu, Y.; Wang, D.; Cao, Y. Asymmetric Sampling Disturbance-Based Universal Impedance Measurement Method for Converters. IEEE Trans. Power Electron. 2024, 39, 15457–15461. [Google Scholar] [CrossRef]
- Yang, M.; Li, X.; Fan, F.; Wang, B.; Su, X.; Ma, C. Two-stage day-ahead multi-step prediction of wind power considering time-series information interaction. Energy 2024, 312, 133580. [Google Scholar] [CrossRef]
- Mohammadzadeh, A.; Taghavifar, H.; Zhang, C.; Alattas, K.A.; Liu, J.; Vu, M.T. A non-linear fractional-order type-3 fuzzy control for enhanced path-tracking performance of autonomous cars. IET Control Theory Appl. 2024, 18, 40–54. [Google Scholar] [CrossRef]
- Lv, J.; Ju, X.; Wang, C. Neural network prescribed-time observer-based output-feedback control for uncertain pure-feedback nonlinear systems. Expert Syst. Appl. 2025, 264, 125813. [Google Scholar] [CrossRef]
- Wang, J.; Wu, Y.; Chen, C.L.P.; Liu, Z.; Wu, W. Adaptive PI event-triggered control for MIMO nonlinear systems with input delay. Inf. Sci. 2024, 677, 120817. [Google Scholar] [CrossRef]























| Characteristics of Wind Turbines | FP-PMSG Parameters | DC Bus and Gird Parameters | |||
|---|---|---|---|---|---|
| Blade radius | Rt = 35.25 m | Rated power | P = 1.5 MW | DC link voltage | Vdc = 1650 V |
| Air density | ρ = 1.225 kg/m3 | Pole pair number | p = 40 | Grid voltage | Vg = 575 V |
| Stator resistance | Rs = 3.17 mΩ | Capacitor of the DC link | C = 0.023 F | ||
| Optimal TSR | λopt = 8.1 | Stator inductance | Ls = 3.07 mH | Grid frequency | Fg = 60 Hz |
| Optimal power coefficient | Cp_opt = 0.48 | Permanent magnet flux linkage | = 7.0172 wb | Grid resistance | Rgrid = 0.5 Ω |
| Grid inductance | Lgrid = 17.5 mh | ||||
| Controls | Response Time Tr (ms) | SSE (%) | Performance Effects | |
|---|---|---|---|---|
| ZONE (01) | Hybrid control | 14 | 0.0004 | Tiny effect |
| STA | 61 | 0.12 | Little effect | |
| TSMC | 138 | 0.0005 | Some effect | |
| ZONE (02) | Hybrid control | 08 | 0.0007 | Tiny effect |
| STA | 45 | 0.14 | Little effect | |
| TSMC | 105 | 0.0008 | Some effect | |
| ZONE (03) | Hybrid control | 06 | 1.6 × 10−8 | Tiny effect |
| STA | 50 | 0.16 | Little effect | |
| TSMC | 103 | 0.0002 | Some effect |
| a’ | b’ | c’ | d’ | e’ | |
|---|---|---|---|---|---|
| Average SSE (%) | 0.0616 | 0.0634 | 0.0636 | 0.0634 | 0.0693 |
Disclaimer/Publisher’s Note: The statements, opinions and data contained in all publications are solely those of the individual author(s) and contributor(s) and not of MDPI and/or the editor(s). MDPI and/or the editor(s) disclaim responsibility for any injury to people or property resulting from any ideas, methods, instructions or products referred to in the content. |
© 2025 by the authors. Licensee MDPI, Basel, Switzerland. This article is an open access article distributed under the terms and conditions of the Creative Commons Attribution (CC BY) license (https://creativecommons.org/licenses/by/4.0/).
Share and Cite
Douara, B.o.; Kouzou, A.; Hafaifa, A.; Rodriguez, J.; Abdelrahem, M. An Enhanced Second-Order Terminal Sliding Mode Control Based on the Super-Twisting Algorithm Applied to a Five-Phase Permanent Magnet Synchronous Generator for a Grid-Connected Wind Energy Conversion System. Energies 2025, 18, 355. https://doi.org/10.3390/en18020355
Douara Bo, Kouzou A, Hafaifa A, Rodriguez J, Abdelrahem M. An Enhanced Second-Order Terminal Sliding Mode Control Based on the Super-Twisting Algorithm Applied to a Five-Phase Permanent Magnet Synchronous Generator for a Grid-Connected Wind Energy Conversion System. Energies. 2025; 18(2):355. https://doi.org/10.3390/en18020355
Chicago/Turabian StyleDouara, Ben ouadeh, Abdellah Kouzou, Ahmed Hafaifa, Jose Rodriguez, and Mohamed Abdelrahem. 2025. "An Enhanced Second-Order Terminal Sliding Mode Control Based on the Super-Twisting Algorithm Applied to a Five-Phase Permanent Magnet Synchronous Generator for a Grid-Connected Wind Energy Conversion System" Energies 18, no. 2: 355. https://doi.org/10.3390/en18020355
APA StyleDouara, B. o., Kouzou, A., Hafaifa, A., Rodriguez, J., & Abdelrahem, M. (2025). An Enhanced Second-Order Terminal Sliding Mode Control Based on the Super-Twisting Algorithm Applied to a Five-Phase Permanent Magnet Synchronous Generator for a Grid-Connected Wind Energy Conversion System. Energies, 18(2), 355. https://doi.org/10.3390/en18020355

