Abstract
This paper presents the application of a proposed hybrid control strategy that is designed to enhance the performance and robustness of a grid-connected wind energy conversion system (WECS) using a Five-Phase Permanent Magnet Synchronous Generator (FP-PMSG). The proposed approach combines the second-order terminal sliding mode control technique (SO-STA) with the super-twisting algorithm (STA), with the main goal of benefitting from both their advantages while addressing their limitations. Indeed, the sole application of the SO-STA ensures rapid convergence and robust performances in nonlinear systems, but it leads to chattering and reduces the whole system’s efficiency. Therefore, by incorporating the STA, the obtained hybrid control can mitigate this issue by ensuring smoother control actions and a superior dynamic response. This designed hybrid control strategy improves the adaptability of the control system to wind fluctuations and enhances the system’s robustness against external disturbances and uncertainties, leading to higher reliability and efficiency in the wind energy conversion system. Furthermore, the proposed hybrid control allows optimizing the power extraction and boosting the WECS’s efficiency. It is worth clarifying that, besides this proposed control, a sliding mode controller is used for the grid side converter (GSC) and DC link voltage to ensure stable power transfer to the grid. The obtained simulation results demonstrate the effectiveness of the proposed strategy in improving the stability, robustness, and efficiency of the studied WECS under dynamic conditions, creating a promising solution for control in renewable energy systems operating under severe conditions.
1. Introduction
The increasing need for energy, the depletion of fossil fuel stocks, and their irrational use are causing negative effects on the environment worldwide, including global warming. Consequently, researchers are seeking solutions to mitigate these effects [1,2]. In this context, renewable energy has emerged as a potential solution, garnering significant attention from researchers worldwide in recent years, due to its clean, environmentally friendly nature and inexhaustible availability, where it has become an important source of electricity generation [3]. Among the available renewable energy sources, wind energy source is considered as one of the most renewable energy sources, attracting the interest of scientists and researchers to explore it optimally for the production of electricity [4].
In harnessing wind energy, there are several powerful electrical generators used in this field, with Permanent Magnet Synchronous Generators (PMSGs) being among the most important machine types for converting wind energy into electrical energy. Specifically, the research presented in this paper focuses on the Five-Phase Permanent Magnet Synchronous Generator (FP-PMSG) due to its high efficiency and better reliability in converting mechanical energy into electrical energy. Additionally, this generator provides flexibility in speed and power control, allowing us to deal with the load distribution precisely and efficiently compared to the Three-Phase Permanent Magnet Synchronous Generator (TP-PMSG) [5].
In general, the five-phase generator is preferred due to its high efficiency, improved power quality, enhanced control flexibility, fault-tolerance capability, and grid compatibility [6]. However, due to the random nature of wind speed, which can cause disturbances in the conversion system, affecting the quality of the produced electricity, the researchers are seeking solutions to optimize wind energy utilization in electricity production that can deal with the random nature of wind energy. This requires the implementation of a control system to overcome or minimize these issues and improve the quality of the generated electricity. Indeed, in the last year, many control strategies have been proposed that can be applied to these systems [7].
The vector control based on classical techniques, such as field-oriented control (FOC) and direct torque control (DTC), has been applied, but they are sensitive to uncertainties, external disturbances, and other control issues because they are designed for linear models and principally depend on the use of a PI regulator [8,9,10,11].
To overcome and mitigate these challenges, researchers have focused on implementing the vector control strategy using advanced, developed control techniques, such as nonlinear control, optimal control, adaptive control, and intelligent control [12,13].
The first one is the most popular technique, which has been applied widely in several applications, especially in systems with nonlinear models, due to its ability to easily deal with all behaviors of the parameters and characteristics resulting from the system’s nonlinearity, as well as its relative reliability. It includes a set of techniques, such as backstepping control (BSC), sliding mode control (SMC), feedback linearization control (FBLC), and passivity-based control (PBC) [14,15,16,17].
The second one aims to ensure an optimal performance to maintain the reliability and effectiveness of the controlled system operation under the influence of eventual external disturbances. The most known optimal control techniques are the Linear Quadratic Regulator (LQR), the Linear Quadratic Integrator (LQI), the Linear Quadratic Gaussian (LQG), and the predictive control [18,19].
The third one is the adaptive control technique, which is considered one of the current advanced techniques. It is designed to ensure the resilient and robust performance of the controlled system under changing conditions based on the adjustment of the control law. Indeed, this technique deals with eventual changes in all key system variables, such as inputs, outputs, state variables, and system parameters, by adapting dynamically the control law, where the main goal is to maintain the controlled system’s performance. The most well-known control methods that are based on adaptive control principles include observation-based control, extended adaptive techniques, model reference adaptive control (MRAC), and parameter estimation approaches. It is worth clarifying that all these techniques are applied to enable the adaptive control of the systems under study to ensure adequate and effective control with acceptable precision and flexibility in uncertain or time-varying environments.
For the adaptive control, which has been widely applied in modern control technique, is designed to ensure the system’s robustness and maintain consistent performance despite the changes in the variables. Indeed, it considers all system variables such as the inputs, outputs, state variables, and parameters, to formulate a control law that can dynamically adjust itself to these changes, hence ensuring system stability and optimal functionality regardless of fluctuations in operating conditions. The last one is the latest applied technique, which is used to develop the above-mentioned controls and to calculate the control gains for which the applied control law provides a better performance. Most techniques of this type require system data, which are fixed by a code instead of the control code built into other vector control techniques [20,21,22,23,24,25,26]. Among the aforementioned advanced techniques, the sliding mode control (SMC) is considered by the researcher as the most common technique used for the application of electrical machines. Although the classical sliding mode control (C-SMC) is characterized by its fast dynamic response, easy implementation, and relative robustness under high-performance conditions, such as disturbances and uncertainties, it suffers from the problem of chattering because of the time delay and space lag of the switch, the error of state detection, and other factors when applied to the actual system [27,28,29,30,31]. Several studies have addressed the problems mentioned above by proposing several solutions based on SMC methods, such as improved sliding mode control using the exponential switching law and chattering minimization based on the continuous approximation method [32,33,34,35,36]. Although it effectively contributes to the suppression of chattering in the slipping position and provides a better performance against sliding mode chattering, switching performance, and robustness due to the sigmoid function and the exponential reaching law, it suffers from the convergence stability of the system, which is reduced to a certain extent.
In reviewing some of the existing literature, several limitations have been identified in the referenced studies. Reference [6] exhibits notable shortcomings, including sensitivity to disturbances, performance constraints at high wind speeds, and a propensity for overshoot. Similarly, reference [35] demonstrates significant drawbacks, such as speed oscillations, the chattering phenomenon, and high computational demand. Furthermore, reference [36] demonstrates sufferings from the chattering phenomenon, sensitivity to parameter variations, restricted performance under extreme conditions, and the potential for over-actuation. These limitations highlight the need for more robust and adaptive control strategies to enhance the efficiency and reliability of wind energy systems.
Other studies have applied the integration of state variables into the conventional sliding mode surface using an integral sliding mode surface in order to provide a fast response time for the PMSG, reduce steady-state errors (SSEs), and achieve the required durability under external disturbances [37,38,39,40,41]. However, the application of the integral on the surface affects the quality of the controller because it produces the integral saturation of the integral sliding mode surface, resulting in the emergence of some large overshoots.
Some researchers have suggested improving the sliding surface using the terminal strategy, which presents remarkable characteristics as well as fast and finite-time convergence [42,43,44,45]. Unfortunately, the convergence time is relatively long and the dynamic properties are worse when the state of the system is far from the equilibrium point.
In order to solve the problems mentioned above, hybrid control is considered as one of the best solutions based on combining the advantages of the proposed control methods and mitigates their drawbacks. Some studies have proposed a hybrid technique between the sliding mode control and other advanced techniques, like adaptive, intelligent, or optimal controls. Furthermore, the application of hybrid control strategies can ensure that the system is controlled more effectively and the quality of the generated power is improved.
In this context, hybrid controls have been applied in some studies. In [46], to overcome the drawbacks of the conventional proportional–integral controller (CPIC) using the Harris Hawks algorithm (HHA), it was combined with an adaptive fuzzy logic controller (AFLC) as a speed controller. While [47] built a hybridization between a conventional proportional–integral controller (CPIC) and model predictive controller (MPC), the authors of [48] used a novel design combining two techniques based on a C-SMC, where the reaching law is based on fuzzy logic control and the equivalent law is based on fractional-order sliding mode control (FOSMC), and the surface was designed through the fractional order method.
However, there is an ongoing challenge of optimizing the performance characteristics in a larger form for the WECS based on the FP-PMSG and designing a robust control technique to obtain a high performance, which can deal with uncertainties and external disturbances.
Therefore, this paper proposes a novel control design for the FP-PMSG system used in a WECS, where a hybrid technique combining the second order of the terminal concept and the super-twisting algorithm has been applied to the speed loop, and the exponential reaching law-based sliding mode control has been applied to the current loop.
It is worth clarifying that the main contribution brought within the present paper can be summarized as follows:
- A presentation of the hybrid control approach for a grid-connected WECS that combines the SO-TSMC and STA implemented on an FP-PMSG.
- Enhances stability and smooth control operations by integrating a TSMC with an SO-STA, which reduces chattering.
- Enhances the dynamic response of the FP-PMSG system to wind speed variations, ensuring accurate adjustments without worsening the performance.
- Increases system robustness by handling external disturbances and parametric uncertainties, ensuring a consistent performance under various conditions.
- Optimizes the energy conversion efficiency by operating at the optimal power extraction point, maximizing harvested energy from the wind.
The contribution of this paper is the design of control strategies to ensure the robustness and improved speed performance of the WECS based on the FP-PMSG studied in this paper under severe wind speed scenarios.
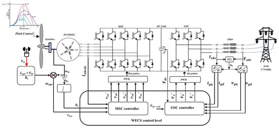
The remainder of the paper is organized as follows: Section 2 is dedicated to modeling the system, which consisted of a wind turbine, a mechanical transmission system, a generator (FP-PMSG), and a DC bus linkage for injecting generated power into the grid. Section 3 delves into the explanation of the proposed hybrid control design. Section 4 focusses on the control of the grid side converter (GSC), and Section 5 presents the Simulation Results and Discussion.
2. Modeling of the Wind Energy Conversion System (WECS)
The WECS was built through the integration of several complementary subsystems with a serial connection with each other. The wind turbine (WT) captures mechanical energy as the system’s input and transforms it into electric energy using an FP-PMSG. In this topology, the stator connection to the grid is indirectly ensured by rectifying the five-phase current with a machine side converter (MSC) to a DC bus with a capacitor, then injecting the produced power via a grid side converter (GSC), also known as a five-to-three-phase back-to-back converter (BTBC), as shown in Figure 1 [6].
Figure 1.
General configuration of the WECS-based FP-PMSG connected grid.
2.1. Wind Turbine Modeling
Wind turbines are considered among the primary renewable energy systems for harnessing wind energy, which play a crucial role in the electricity generation system. They are mechanical devices that capture and convert wind energy from mechanical energy to electrical energy. The kinetic power offered by the wind to the wind turbine can be obtained based on the following expression [47,49]:
where is the air density (1.225 kg/m3), A is the area swept by the wind turbine rotor blades (m2) that is defined as , is the radius of the wind turbine rotor (m), and is the wind speed (m/s).
Indeed, the wind turbine harnesses and captures only a portion of the wind power, which is the captured power, and is defined as follows [47,50]:
where Pt is the power captured by the wind turbine, λ is the tip speed ratio (TSR) that presents the ratio between the rotating speed and the tip tangential speed of the turbine, and β is the pitch angle.
Cp is the power coefficient that presents the ratio between the input wind power and the captured output mechanical power. Following Betz’s law, the maximum value of this coefficient is 59% [6]. Indeed, there are many expressions that are used for the calculation of this coefficient. In this paper, the used model of Cp is expressed as follows:
where the coefficients C1, C2, C3, C4, C5, and C6 are presented as 0.5176, 116, 0.4, 5, 21, and 0.0068 respectively [6], and is the wind turbine rotor speed.
Generally, the operation mode of a WT is related to the wind speed, and it can be defined as four operation modes that are related to four regions defined by the wind speed levels, as shown in Figure 2. The first region (I) is related to the wind speed (Vw), which is below the startup speed (Vstartup). In this mode, the system is in the shutdown state, and no power is generated. When the wind speed surpasses the startup speed, the WT operates in the second mode, according to region (II). In this mode, the WT begins to generate power that is a function of wind speed. This operation mode ends when the rated wind speed (Vrated) is achieved. It is worth clarifying that in, this region (II), the WT requires the tracking of the maximum power point (MPPT) to ensure the optimal wind power available is captured. When the wind speed reaches (Vrated), the WT operates in the third mode, which is related to region (III), where the generated power should be constant and kept equal to the rated power of the WT. This result can be ensured by adjusting the pitch angle, β, of the turbine blades. However, the pitch angle has a limited adjusting range; hence, for the safety of the WT, when the wind speed surpasses what is called the cutout wind speed (Vcutout), the WT enters the fourth operation mode, corresponding to region (IV), where the WT is stopped and power is now generated as shown in Figure 2.
Figure 2.
The four operating regions of the wind turbine [46].
2.2. Design of the MPPT Control
The MPPT control allows for the determination of the optimal operation point to ensure the extraction of maximal power at variable speeds within the region (II), where the pitch angle is kept equal to zero, whereas the wind turbine rotor speed is continuously adjusted in accordance with the available wind velocity to attain the optimal rotational speed, corresponding to the optimal power produced. Indeed, the MPPT technique is based on the determination of the optimized values, such as λopt = 8.1 and Cp_opt = 0.48, to ensure maximum power extraction [6,51,52]. Figure 3 illustrates the block diagram of the MPPT system with the speed control and pitch angle control.
Figure 3.
Block diagram of MPPT speed with pitch angle control [36,53].
This block diagram is divided into five main blocks. The first block represents the wind turbine model, where the inputs are the wind speed, Vw; the pitch angle, β; and the rotation speed of the turbine, , used in Equation (5) to obtain TSR , whereas the output is the turbine torque, Tt:
The second block is the gearbox, which is characterized by the multiplication ratio, G. Its inputs are the turbine torque (output of the previous block) and generator speed, ωg, whereas its outputs are the mechanical torque, Tm, and the mechanical speed, ωm.
The third block represents the shaft dynamics related to the momentum inertia, J, and F is the friction coefficient, where its inputs are the mechanical torque and the electromagnetic reference torque, , and its output is the generator speed. The following equation explains what is inside this block:
The fourth block presents the MPPT controller responsible for tracking the maximum power point MPPT by identifying the reference mechanical speed from the current wind speed, Vw, and the generator reference speed as follows:
The main role of this block is to generate the reference electromagnetic torque [54].
The last block’s main role is to ensure the control of the pitch angle based on the reference generated power and the current generated power. Indeed, it serves to control the produced power by adjusting the pitch angle to prevent overload and reduce the stress on the shaft. This task is ensured by comparing the produced power with its theoretical limit. It is considered as a crucial factor for optimizing the aerodynamic efficiency and the control of the output power, and it is based on a mechanical servo system that is responsible for ensuring the adjustment. It operates at a rate of approximately 10 degrees per second and it requires a low dynamic response to prevent fluctuations. The pitch angle is limited at 90 degrees [55,56].
where is the time constant; , ; is the maximum pitch angle and is the minimum pitch angle.
2.3. Modeling of the FP-PMSG
Figure 4 presents a simplified scheme of the FP-PMSG. The distribution of the windings in spaces where each is separated by 2π/5. The mutual inductance for the closer winding is M1 and the far winding is M2, as the figure illustrates, assuming that the loss of iron and reduction in the eddy current are negligible for modeling. Furthermore, it assumes that there is no kind of magnetic saturation in the magnetic circuit of the FP-PMSM. These assumptions are well known in the research and are usually used for the modeling of electrical machines, and help to perform the modeling of the FP-PMSM. It can be said that this consideration helps with finding the right control for the FP-PMSM with better certainty.
Figure 4.
FP-PMSG stator winding [57].
The voltage equations can be written as [57,58]:
where , , , , and are the back EMFs, and is the stator inductance.
Back EMFs can be defined by the following expressions [58]:
where is the electrical angle, is the rotor electric angular speed, is the fundamental’s amplitude and, is the third harmonic component of the permanent magnet flux linkage.
To ensure the successful transition to d − q and x − y frames based on Park’s transformation, it is essential to firstly Introduce the FP-PMSG model in the two bi-phase frames, such as and which can be carried out using the Clarke’s transformation, as follows [58,59]:
where , , and denote the FP-PMSG voltages of the , , and axes, respectively. are the voltages of the stator d − q axes, and are the voltages of the stator x − y axes.
After the two transformations, the mathematical model of the FP-PMSG can be presented in the d − q and x − y frames as follows [51]:
where:
is the stator resistance, is the stator inductance, and are the flux linkages of the d − q axes and and are the flux linkages of the x − y axes, and are the stator current components following the d − q axes and and are the stator current components following the x − y axes, and is the permanent magnet flux linkage.
The electromagnetic torque of the FP-PMSG, when taking into account the fundamental and third-harmonic components of the currents and the flux, can be expressed as follows [36,51]:
where is the electromagnetic torque and p is the number of pair poles.
If the third-harmonic currents are neglected, the following expression can be obtained:
This leads to the following equation:
Finally, the electromagnetic torque of the FP-PMSG can be presented as:
Then, the mechanical torque equation can be expressed as follows:
where J is the moment of inertia and F is the friction coefficient.
3. Structure of the Second-Order Sliding Mode Approaches for the FP-PMSG
The sliding mode control (SMC) is a variable structure control method that ensures a robust control performance in the presence of uncertainties. It achieves system stability by maintaining the system’s states on a designated sliding surface. This control technique can be addressed through three sequential and complementary steps, defined as follows:
- Selection of the sliding surfaces.
- Establishment of conditions for existence and convergence.
- Determination of the control law.
Indeed, the premise of this approach lies, firstly, in establishing a sliding surface with specific properties that guarantee stability and attractiveness [60]. In the general case, the choice of an adequate sliding surface is based on the proposal of Slotine and Li, which is expressed as follows [61]:
where is the error on the state variable, ; is a strictly positive coefficient; is the reference or the desired ; is the state variable of the system; is the relative degree or the order of the uncontrolled system. It is defined as the smallest positive integer that shows that the aforementioned function can be differentiated for (n − 1) to ensure the existence of the control.
Based on the Lyapunov theorem, if a candidate function is chosen as , the control system will converge to the origin of a surface by choosing an adequate control input so that the sliding surface attractiveness condition, , is satisfied, and hence the asymptotic stability is ensured [62].
To ensure convergence within a finite time, the aforementioned attractiveness condition, which can ensure only the asymptotic stability of the controlled system, can use a stricter criterion known as η attractivity that is expressed as follows [60]:
where is a strictly positive constant.
Since the output variable, s, is constrained to zero in the conventional SMC, it can only be applied if the control is explicitly included in the first total derivative of s. Consequently, this method guarantees output control, solely when the relative degree is 1 [63]. Indeed, the first-order sliding mode design necessitates the system’s relative degree to be one with respect to the sliding variable. This limitation can be viewed as a significant drawback of the approach, as it constrains the selection of the sliding variable [64,65]. Furthermore, it has been frequently noted that this sliding mode approach often results in high-frequency switching control actions, leading to the phenomenon known as chattering. This effect can be challenging to prevent or diminish, particularly when the SMC is employed to control systems with rapid dynamics [64]. Thus, choosing a second-order surface is recommended for the SMC to ensure a better control performance. In this context, the second-order sliding model (SOSM) controller is proposed to be applied to the FP-PMSG presented in this paper, where the main goal is to ensure greater performance control and mitigate the main drawbacks faced by the conventional sliding mode control.
where and are smooth scalar functions, and is the control.
The synthesis of sliding mode control, like any controller, typically follows a structured process to achieve the desired control behavior and is composed of two main phases: the reaching phase, where the system states are driven to the sliding surface represented by an equivalent component, and the sliding phase, where the system states move or slide along the sliding surface, represented by a switching component.These phases allow the creation of the sliding mode control law [31,62].
The equivalent component, ueq(t), is supposed to hold the system stationary on the sliding surface during this phase, depending on the two conditions shown in Equation (29). The first phase requires choosing an appropriate sliding manifold to ensure the system state remains on the sliding surface until the desired control performance is achieved [66].
In order to build a suitable control law based on the switching or reaching component, us(t), the second phase transforms the system state of the sliding surface into an invariant manifold and compels it to reach the sliding surface in a finite period of time. Equation (30) describes the two components of the control law, such as the equivalent component and the switching component, related to the reference stator quadrature current that is used to ensure the PMSG’s speed control [52]:
where is the equivalent stator quadrature reference current component, and is the switching stator quadrature reference current component.
Some researchers have suggested using a terminal SMC to solve the asymptotic tracking problem with a regular SMC and deal with nonlinear systems.
Additionally, this approach offers fast convergence and a small SSE of the system with the designed control point, which adds significantly to the stability of the closed-loop system. The primary goal of the sliding controller is to implement fractional power in the used terminal sliding surfaces in order to achieve a quick and finite-time state convergence, eliminate singularity, and deal with chattering issues during the sliding phase. The rate of convergence is accelerated by being close to the equilibrium point, which significantly improves the precision of the control performance. In this case, the sliding surface is as follows [67,68,69]:
As , the studied system behaves in an identical fashion, namely , where is the terminal attractor of the system [69]. ; , are positive odd integers, and .
The equivalent control is presented as [69]:
It should be noted that the term may cause singularity, , while as should be satisfied. As long as : is equivalent to , which is non-singular, hence singularity may occur only in the reaching phase (switching phase) when there is insufficient control to guarantee for [69].
When and , the equivalent component, denoted as ueq(t), is required to sustain the system’s stability on the sliding surface throughout the sliding phase. Meanwhile, the switching component, us(t), is formulated through the utilization of an exponential reaching law, designed as follows to ensure the satisfaction of the reaching condition (also known as the sliding condition) during the reaching phase [8]:
Finally, Equation (24) provides the law of control based on the TSMC:
Although the TSMC has contributed to solving the asymptotic tracking issue encountered by the C-SMC, it still suffers from the problem of chattering. This chattering phenomenon can degrade control accuracy and lead to undesirable transient states that may compromise the system’s performance [31].
The super-twisting algorithm emerges as an exception in the realm of the second-order sliding mode control. This algorithm was developed to address control challenges in relatively complex systems. It aims to tackle the problems associated with TSMCs and consequently reduce chattering in the system, thereby enhancing control precision and system stability [60].
The super-twisting algorithm comprises two distinct components: a discontinuous section and a continuous segment [60].
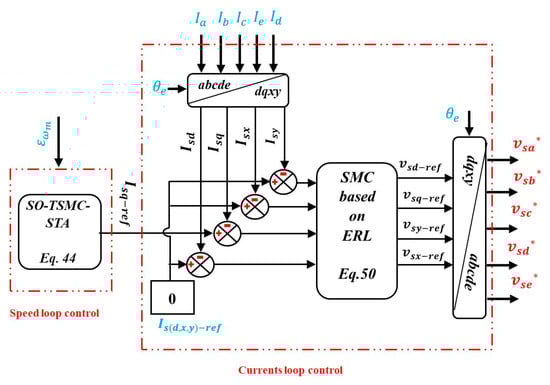
3.1. Design of the Speed Loop Control Based on the Hybrid Technique
The chattering issue of the terminal sliding mode control law in Equation (34) is overcome by using another switching law that is usually used in the super-twisting algorithm instead of the common one, where the final form can be written as Equation (36). In addition, a new hybrid control law for the switching components also contains a sliding surface of the TSMC, as shown in Equation (37) [60].
where:
Under the assumptions of and [66], and by substituting Equations (23) and (28) into Equation (38), the regulated generator speed can be obtained using Equation (40):
The equivalent component of the quadratic current reference of the TSMC can be found by substituting Equation (41) into Equation (42):
Finally, the sum of Equations (37) and (43) obtains the hybrid control law of the reference quadratic current, which can be written as follows:
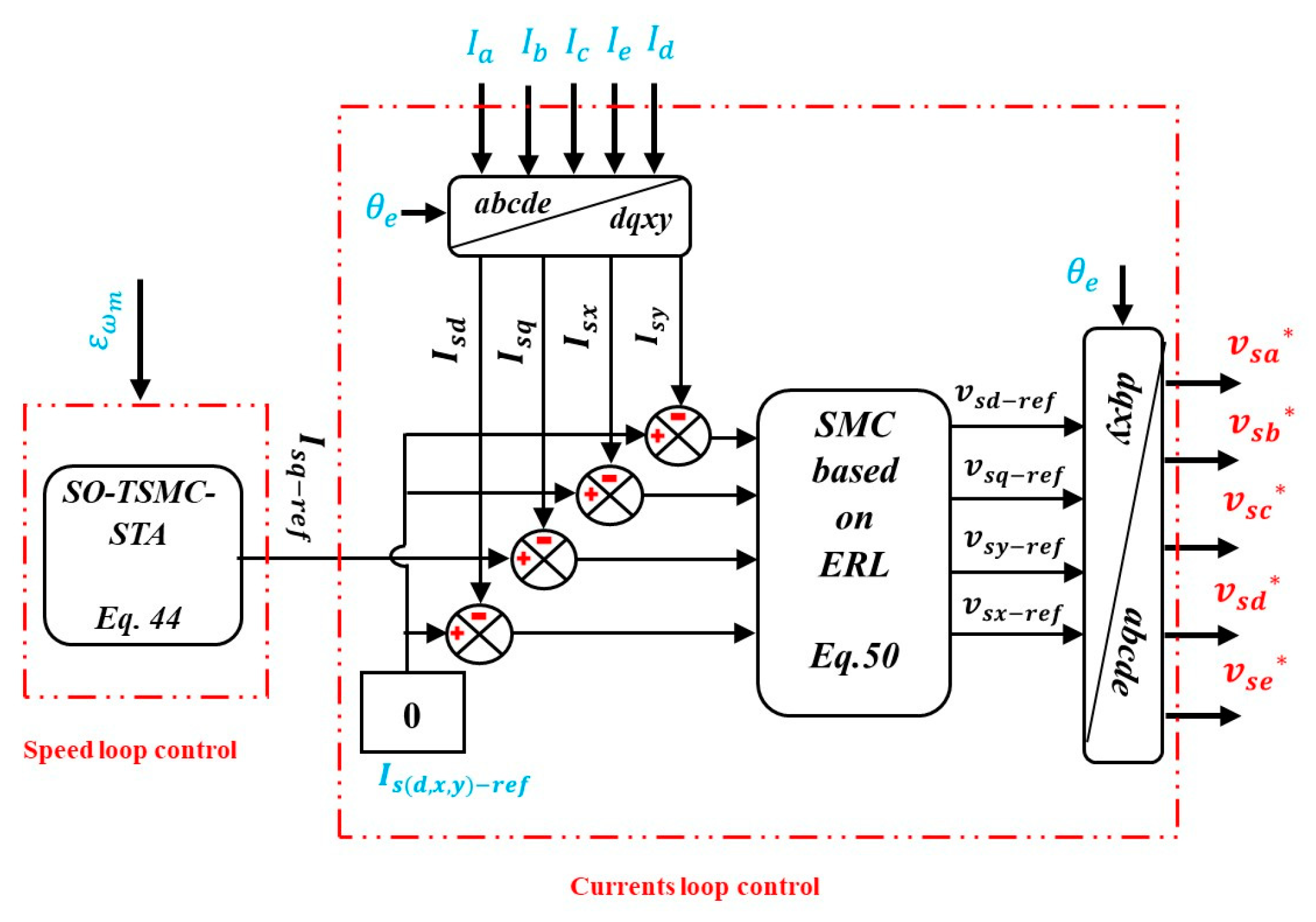
3.2. Designing Loop of Currents Based on the ERL-SMC
After the speed loop control, the next target is to control the output currents from the feedback loop of speed. In this part, a SMC is proposed to regulate the four currents, Idqxy, and the exponential reaching law (ERL) is applied to formulate the control as follows [70]:
For better accuracy and to achieve stability, the main condition, [71], must be satisfied, which led to the switching control as follows:
where and are positive control gains.
Equation (47) represent the sliding surfaces of the currents:
After using Equations (16) and (47), the following equations can be written:
where is the equivalent control and is the switching control.
As a result, the following control laws for stator voltages can be selected:
where is the equivalent control and is the switching control.
The final equation for the SMC based on the ERL control becomes:
where represents the control gains of the SMC based on the E-RL.
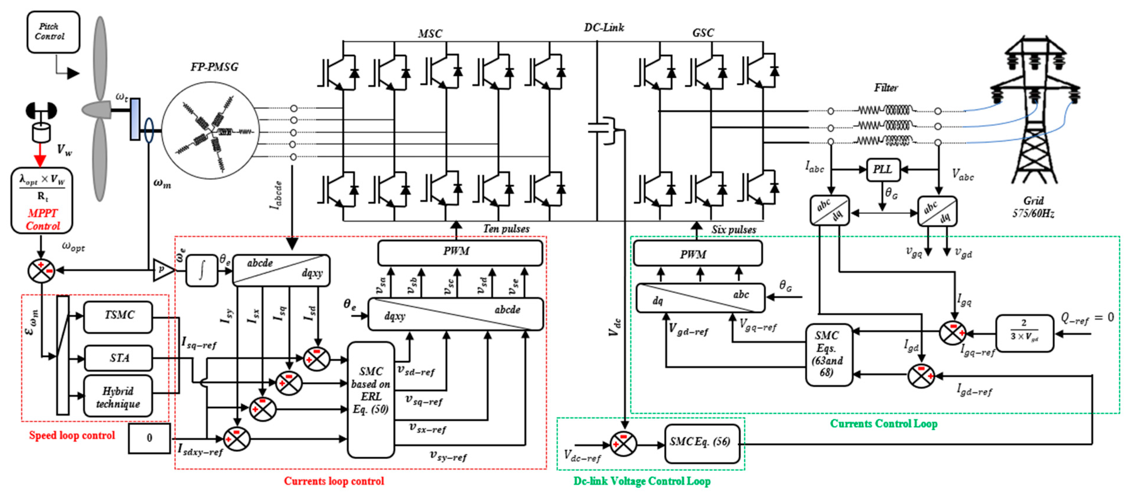
After determining the control laws of both the current loop and speed loop, Figure 5 summarizes the control part of the machine side converter (MSC) where the outputs , , , , represent the reference stator voltages.
Figure 5.
Control MSC.
4. Regulation of the Grid Side with a Sliding Controller
Primarily, the GSC serves as a bridge between the direct current side (DC link) and the grid. This intermediary role allows for the bidirectional flow of power, enhancing the control over energy conversion and transfer processes. Moreover, the GSC ensures the regulation of the voltage level of the DC link, thereby ensuring stability and the efficient utilization of energy resources. The regulation of the DC link involves a systematic two-phase approach [50,72]:
- Voltage regulation;
- Direct and quadratic current regulation.
4.1. Voltage Regulation
In order to ensure the control of the DC link voltage, , using the SMC technique, it is important to choose a sliding surface, which is defined as follows:
where [50,73]:
is the inverter DC current, and C is the capacitor of the DC link.
The derivative of the surface, , is obtained as follows:
To achieve the law of convergence, taking into account that the surface derivative equals to zero, the switching control law must satisfy the following switching control law:
Hence, the control law that ensures the regulation of the DC link voltage can be expressed as follows:
4.2. Direct and Quadratic Current Regulation
In order to inject the produced power, which should be injected by the grid side converter, the mathematical model of the grid side converter in a rotating two-coordinate system is obtained by applying the Park transformation. Equations (57) and (58) represent the mathematical equations for the inverter in the rotating two-coordinate system [50].
where denote the GSC voltage elements, express the current elements, and denote the resistor–inductor circuit grid, .
4.2.1. Direct Current Regulation
The sliding surface during current regulation is written as follows:
The derivative of the surface is:
To achieve the reaching law, the convergence condition must be satisfied:
By adding Equation (59) to Equation (60), the control law for direct current regulation is written as follows:
4.2.2. Quadratic Current Regulation
By following the same steps of the direct current control, the sliding surface and its derivative and switching laws are used to obtain a control law for the quadratic current:
Figure 6 describes the control part of the transmission of the power to the grid by regulating the DC link bus passing through the current control into the three-phase voltages references values , , for pulse width modeling.
Figure 6.
Control GSC.
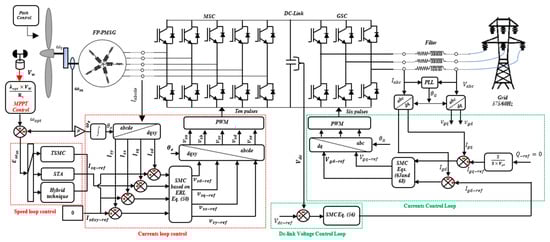
5. Simulation Results and Discussion
In order to validate the effectiveness of the proposed hybrid control technique for the studied WECS presented in Figure 7, it has been investigated under two main wind speed profile scenarios. The first profile uses a straightforward wind speed with incremental step changes to investigate the extreme sharp variation in the wind speed, as shown in Figure 8. The second profile is based on more realistic wind speed behavior, which imitates the highly volatile nature, variability, and dynamics of the wind speed. It combines a constant mean value with a certain turbulence component to investigate the fluctuating and stochastic impact of the wind speed, as shown in Figure 9. Furthermore, the present simulations also investigate the robustness of the proposed control against uncertainty, which reflects the parametric variation in the FP-PMSG within specific realistic and practical ranges.
Figure 7.
Global scheme of the FP-PMSG control based on the TSMC, STA, and SO-TSMC-based STA.
Figure 8.
Straightforward wind speed profile with incremental step changes to investigate the extreme sharp variation in wind speed.
Figure 9.
Realistic wind speed profile that imitates the highly volatile nature, variability, and dynamics of the wind.
It is obvious that, in both scenarios, the variation in the speed is considered as an external disturbance causing the direct changes in the mechanical torque and speed of the FP-PMSG. However, it is worth clarifying that the control of the GSC and the DC link voltage has been performed using the SMC strategy. The WECS has been controlled based on the MPPT approach and the FP-PMSG has been controlled based on the hybrid technique using different, modern sliding mode approaches, such as a rectifier, by the sliding mode with a capacitor. The grid side converter (GSC) is controlled using a PWM based on the sliding mode technique. Figure 7 shows the global scheme of the investigated WECS and the used control techniques.
The parameters of the WECS (wind turbine, shaft, FP-PMSG, etc.) used in this study are adopted from [6], and are represented in Table 1. Indeed, to confirm the effectiveness and accuracy of the application of the hybrid controls, such as the SO-TSMC-based STA, STA-SMC, and TSMC, to the FP-PMSM, a comparison of these control techniques has been carried out based on the simulation subjected to similar conditions and constraints. The exponential reaching law based on the sliding mode control is applied to the current loop. The different parameters used for each control technique are presented as follows:
Table 1.
Parameter of the WECS [6].
- TSMC: , , , , ;
- STA-SMC: , , ;
- SO-TSMC-based STA: , , , , , .
5.1. Impact of Speed Variation
It is well known that the stochastic fluctuation of or variation in the wind speed is a crucial factor influencing the operation and performance of the wind turbine generation system and the quality of the produced power, creating problems in the whole wind energy conversion system. Indeed, this problem can be significantly mitigated if the operation mode of the generator (FP-PMSM) can be controlled based on the accurate knowledge of dynamic wind speed fluctuations, which can be measured in real time to allow the determination of the required reference speed to be tracked by the generator. Hence, keeping the speed of the FP-PMSM in the WECS to track it’s behavior based on Equation (5), while maintaining power generation at its optimal value, is a crucial and challenging task that needs to be addressed. In this work, the proposed hybrid second-order terminal sliding mode control is based on the super-twisting algorithm control technique (SO-TSMC-based STA). The TSMC and super-twisting algorithm sliding mode control (STA-SMC) are applied to ensure the control of the FP-PMSM. Figure 10 represents the FP-PMSM generator speed when the first wind speed profile shown in Figure 8 is taken into account. It can be noted clearly that the three control approaches can fulfill the requirements of wind speed tracking, but with different response times and steady-state errors, as elucidated by the zoomed-in areas related to each step variation in the wind speed. Indeed, the proposed hybrid control SO-TSMC-based STA is found to be the best control approach based on the response time, the SSE, and the type of ripples. The STA-SMC has a lower response time and less ripples compared to the TSMC, however it possesses an important SSE compared to the TSMC and the proposed hybrid control SO-TSMC-based STA, where it was noticed that the SSE related to the STA-SMC increased with the increase in the wind speed, as shown in the three zoomed-in areas of Figure 10. Furthermore, this issue clearly proves the asymptotic convergence of this control technique, where it converges theoretically within infinite time.
Figure 10.
Generator speed under the TSMC, STA, and SO-TSMC-based STA control techniques for the first speed profile.
To accurately analyze the impact of each of the controls above, a zoomed-in image with a very-high resolution was taken at each speed step variation based on the speed profile shown in Figure 8. In this context, Figure 11 shows the first zoomed-in area related to the first identified reference speed step change (from zero to 7.854 rad/s), which presents the speed dynamics of the FP-PMSG under a constant wind speed of 10 m/s, related to the three applied control approaches during the startup within the time interval (0 s to 1 s), where the FP-PMSM speed reaches the identified reference speed (7.854 rad/s) but in different dynamics. It can be noticed that the performance indicators and the steady-state dynamics are not the same for the three control approaches, as shown in Figure 11a–c.
Figure 11.
Closer look at the generator speed for ZONE (01); (a) SSE of STA; (b) SSE of TSMC; (c) SSE of SO-TSMC-based STA.
Indeed, Table 2 represents a comparative analysis of the applied control approaches related to this stage. It can be confirmed that the proposed hybrid SO-TSMC-based STA control approach outperforms the aforementioned two other control techniques through its faster response time in converging toward the identified reference speed within a finite time of 14 ms, compared to the response time of the TSMC, which converges to the identified reference speed in 138 ms, and to the STA-SMC, which converges asymptotically toward the identified reference speed, where it reaches nearly a steady-state speed (7.864 rad/s) in approximately 61 ms, as represented in Table 2.
Table 2.
Performance and characteristics of the hybrid control compared the other two controls.
Furthermore, the achieved SSE by the proposed hybrid SO-TSMC-based STA control approach relative to the identified reference speed is 0.0004%, which is neglected compared to the other two control approaches (STA-SMC and TSMC) with the values of 0.12% and 0.0005%, respectively, as presented in Table 2. As shown in the zoomed-in images in Figure 11, it can be ascertained that the ripple magnitude, or the tolerance band (TB), related to the SO-TSMC-based STA is of the order of 10−6, which is one to tenth the ripple magnitude obtained based on the STA-SMC (10−7), where both of them are practically neglected compared to the conventional SMC, and it can be said that the chattering effect is omitted. It can also be observed that the proposed hybrid approach has a frequency of 80 kHz, which presents half of the frequency noticed in the STA-SMC (160 kHz), which can be further considered as an advantage, even if these ripples are neglected and their effect is not practical. Furthermore, the observed form of the ripples is directly related to the chosen function of the control law. It is worth clarifying that even the TSMC converges toward the identified speed reference in finite time, but its TB is important compared to the other control approaches, the SO-TSMC-based STA and STA-SMC, which are estimated to be 103 and 104 times greater, respectively, even though their frequency is 10 kHz. It can be said that the impact of the ripple magnitude and its frequency has a correlation that can affect the FP-PMSG, especially on its mechanical dynamics, where it is obvious that, in the present study, the hybrid proposed SO-TSMC-based STA approach is the best compared to the other presented approaches for converging toward the reference speed in finite time, eliminating chattering issues, neglecting the TB, and creating less mechanical constraints for the machine during the steady-state operation mode.
Figure 12 represents the second zoomed-in area related to the second reference speed step change from 7.854 rad/s to 8.639 rad/s, where it can be noted clearly that the proposed hybrid control still has the lowest response time compared to the other control techniques. On the other hand, as shown in Figure 12a–c, it is clear that the three control approaches present the same performances related to the SSE, ripple magnitude, ripple frequency, and response time, similar to the first case, as demonstrated in the first zoomed-in area. However, the TSMC loses the stability characteristic of the TB, which will adversely affect the performance of the FP-PMSG. Furthermore, it is shown in Figure 12a that the STA-SMC maintains its TB. Unfortunately, its SSE is increased compared to the previous case. However, the proposed hybrid control maintains nearly the same SSE and TB, which makes it a better control compared to the STA-SMC and TSMC.
Figure 12.
Closer look at the generator speed for ZONE (02): (a) SSE of STA; (b) SSE of TSMC; (c) SSE of SO-TSMC-based STA.
Figure 13 represents the third zoomed-in area corresponding to the third reference speed change from 8.639 rad/s to 9.425 rad/s, where it can be clearly noticed that the proposed hybrid control has the fastest response time compared to the two other studied controls. In order to verify that the proposed hybrid control has improved dynamics, Figure 13a–c represent the detailed dynamics of each control in a steady state. Indeed, the performance of the hybrid control is superior to both of the studied controls in that it has a lower TB and a lower SSE based on its average value, and it meets the identified reference speed within a finite time.
Figure 13.
Closer look at the generator speed for ZONE 03: (a) SSE of STA; (b) SSE of TSMC; (c) SSE of SO-TSMC-based STA.
Table 2 summarizes the obtained results of the three controls for the generator speed at the step wind speed.
Figure 14 represents the dynamic changes in the rotation speed of the FP-PMSG through the above-mentioned three different controls under a variable wind speed profile shown in Figure 9. It is clear that all three control methods work satisfactorily through variations in the wind velocity, although the performances of the controls are slightly different from each other, which affects the power output of the FP-PMSG.
Figure 14.
Generator speed under the TSMC, STA, and SO-TSMC-based STA control techniques for the second speed profile.
It can be observed clearly within the selected four zoomed-in areas that the STA-SMC has a neglected TB, but it has a remarkable instantaneous state error (ISE); the TSMC almost achieves less ISA with a high-frequency performance signal (FPS), allowing large ripples and a wider TB. However, the shortcomings of the related ISE, TB, and FPS are being solved by using the proposed hybrid control method that achieved better performance stability with the neglected ISE, TB, and FPS as confirmed by the four zoomed-in areas in Figure 14.
Figure 15 represents a comparative analysis of various control strategies by examining their ISE values, based on the representation of three zoomed-in areas. This figure visually evaluates the effectiveness of each technique in minimizing the ISE, emphasizing the stability and precision of the applied control methods. Among these strategies, the proposed SO-TSMC based on the STA approach exhibits neglected ISE values, highlighting its capability to improve the system’s performance and produce more precise speed tracking.
Figure 15.
ISEs for different control techniques.
Notably, the STA-SMC offers a rapid response time along with the instantaneous variation in the reference speed, but the resulting average ISE is a relatively higher SSE. In contrast, the TSMC achieves smaller average SSE values, albeit with remarkable oscillations compared to the STA-SMC. However, the hybrid proposed SO-TSMC in this study, which incorporates the STA, demonstrates a superior overall performance. It combines a faster response time in tracking the dynamic variation in the reference speed with highly accurate tracking, yielding to neglected ISEs, and hence ensuring improved output power from the FP-PMSG.
The obtained results clearly indicate that the hybrid control outperforms all other considered control techniques.
5.2. Parameter Variation
In the second simulation scenario, the robustness of the proposed hybrid control strategy was thoroughly tested against parametric uncertainties in the FP-PMSG. Specifically, this scenario introduced stator resistance increases of 0%, 10%, 20%, 30%, and 40%, and stator inductance decreases of 0%, −10%, −20%, −30%, and −40%. These parameter changes were applied to assess the controller’s ability to maintain a stable performance under changing system parameters. Additionally, this scenario was evaluated under the aforementioned wind profiles, such as a straightforward wind speed profile with incremental step changes and a realistic wind speed profile that imitates the wind’s highly volatile nature. For each case of resistance increase and inductance decrease by 10%, which are labeled a’, b’, c’, d’, and e’, the effect on the generator speed was carefully observed. Despite the increasing resistance and decreasing inductance, the hybrid control showed a remarkable ability to handle uncertainties, demonstrating only the neglected impacts on the generator’s speed performance.
In the case of the realistic wind speed profile, which imitates the wind’s highly volatile nature, as shown in Figure 16, the hybrid control shows a minimal impact on the generator’s speed performance despite the applied uncertainties. Specifically, there is a slightly faster time increase at the startup, a negligible change in the ISE, and overall good stability in the response to wind speed fluctuations. The average ISE is estimated to be 0.0616%, demonstrating the precision and effectiveness of the control scheme. Figure 16 clearly illustrates these findings and proves how the system maintains robust control under the presented variations in the resistance and inductance. Furthermore, it highlights how the hybrid control strategy effectively mitigates the influence of parameter changes, maintaining a stable generator speed and smooth power output despite the high dynamics of the wind profile. This confirms the strong adaptability of the control’s approach to uncertainties of wind speed. Table 3 presents the average ISEs for the five cases, where lower average ISE values are recorded.
Figure 16.
Robustness test at wind speed variation.
Table 3.
Average SSE values under variations in resistance and inductance parameters.
In the case of the straightforward wind speed profile with incremental step changes shown in Figure 17, the generator speed closely follows the wind profile along the changes in the three steps. By zooming into regions “a”, “c”, and “e” corresponding to each step change, the analysis reveals that the extended times of tracking the reference speed for the three speed step changes are estimated to be 37,5.10−5 s, 12,5.10−5 s, and 12,5.10−5 s. These values are observed specifically under the effect of the highest uncertainty levels related to cases (e’) and (d’). In contrast, it is obvious that, in the other uncertainty levels, the increased times for tracking the reference speed of the generator speed remained nearly unaffected.
Figure 17.
Robustness check for step wind speed.
Simultaneously, by focusing on zones “b”, “d”, and “f” in Figure 17 that present the SSEs for each speed step, the analysis shows that the largest values are 25.10−5%, 52.10−3%, and 16.10−2%, respectively. These values are specifically observed under the most significant uncertainty conditions, namely (e’) and (d’). These uncertainties involve the combined effects of increased resistance and decreased inductance, which directly impact the accuracy of the generator’s speed response. Despite these challenges, the hybrid control system is able to maintain its control effectively. For the remaining uncertainty levels, the SSE of the generator speed shows almost no deviation, indicating that the control system remains highly robust and capable of managing smaller parameter variations without having a significant impact on performance. These results demonstrate the hybrid control’s effectiveness in stabilizing the generator’s speed, even under unexpected substantial uncertainties, ensuring a consistent and reliable operation under various conditions.
5.3. Examination of the Wind Conversion SYSTEM Using the the Proposed Hybrid Control Under District Wind Profiles
In the final scenario, the performance of key parameters, such as electromagnetic torque, DC link voltage, power output, stator currents, grid currents, and current total harmonic distortion (THD), are thoroughly evaluated under the aforementioned two distinct wind profiles, such as the straightforward wind speed profile with incremental step changes and the realistic wind speed profile, which imitates the highly volatile nature illustrated in Figure 8 and Figure 9. This analysis focuses on how the hybrid control strategy adapted to the varying wind conditions to ensure stable power delivery, maintain grid current quality, and minimize the current THD. Both wind profiles are used to test the robustness of the system and to check the effectiveness of the control strategy in maintaining smooth transitions in the torque, a stable voltage regulation at the DC link, and effective current management at the stator and grid levels.
Figure 18a,b illustrate the mechanical and electromagnetic torques under the two different wind profiles. It is clear that each of the two figures contains two kinds of torque: mechanical torque, and electromagnetic torque, , which are presented in Equation (23). Indeed, it seems that the two torques are superposed, which is not clarified by the zoomed in images added to the two figures. This issue can be understood from Equation (23), where the difference is . It is clear that the first term is neglected in front of the value of the two torques, and the second term is equal to zero when the speed is constant, as shown in the case of the straightforward wind speed, except at the points of the step change. For the second profile, it is clear that there is a slight difference, except for the short and limited times, where the speed can remain unchanged (within a very limit time).
Figure 18.
Performance of mechanical and electromagnetic torques under: (a) wind speed variation; (b) step wind speed conditions.
Across both figures, the hybrid control strategy plays a critical role in minimizing torque ripples, as well as significantly reducing the overshoots and undershoots in both mechanical and electromagnetic torques. Specifically, the overshoot/undershoot values were estimated at 7.7% for the mechanical torque and 18% for the electromagnetic torque under the first case of the speed profile. This reduction highlights the control scheme’s ability to smooth out torque fluctuations, ensuring a more consistent performance. Moreover, the hybrid control contributes to stabilizing the overall torque behavior, even under dynamic wind conditions, thus improving the reliability and efficiency of the system. The control strategy’s effectiveness in reducing both the ripple and overshoot/undershoot demonstrates its strong ability to maintain an optimal torque performance under varying operational scenarios.
Figure 19a,b depict the performance of the DC link voltage under the previous different wind conditions. In both cases, the hybrid control strategy significantly improves the DC link voltage stability in terms of minimizing voltage chattering, reducing the TB to ±5 V, which represents the highest level of TB observed. It is important to note that, despite the dynamic changes in the wind speed, this controlled range ensures the system’s stable performance. In Figure 19b, which represents the straightforward wind speed profile with incremental step changes, the hybrid control further reduces voltage overshoots during transitions in the wind speed, where the largest observed overshoot is limited to 0.6%. This reduction in overshoot highlights the proposed control’s capability to maintain a nearly constant DC link voltage, even under abrupt wind changes, ensuring efficient power conversion and system stability. It can be said that the proposed hybrid control does not only minimize chattering and overshoot, but also enhances the overall performance of the DC link voltage under both wind speed profiles.
Figure 19.
Performance of the DC link voltage under: (a) wind speed variation; (b) step wind speed conditions.
Figure 20a,b illustrate the performance of active and reactive power under the two distinct wind conditions. In both cases, the proposed hybrid control strategy significantly enhances the characteristic performance of both active and reactive power under a straightforward wind speed profile with incremental step changes and a realistic wind speed profile that imitates the highly volatile nature illustrated in Figure 8 and Figure 9. The analysis focuses on how the proposed hybrid control strategy (Figure 20a) ensures smooth and stable transitions in the active and reactive power, and effectively reduces the fluctuations and maintains a consistent power output despite the dynamic changes in the wind speed. This stability in power delivery is critical for ensuring efficient energy conversion and grid integration. Similarly, under a straightforward wind speed profile with incremental step changes (Figure 20b), the proposed hybrid control contributes to minimizing the power oscillations during abrupt changes in the wind speed. Both the active and reactive power follow the step variations with minimal overshoots or delays, ensuring a fast response and stable operation. This improved power control demonstrates the hybrid system’s ability to handle rapid wind speed changes while maintaining an efficient and reliable power flow.
Figure 20.
Performance of the active and reactive power under: (a) wind speed variation; (b) step wind speed conditions.
Figure 21a,b display the FP-PMSG stator currents under a straightforward wind speed profile with incremental step changes and a realistic wind speed profile that imitates the highly volatile nature illustrated in Figure 8 and Figure 9. In both cases, the proposed hybrid control technique shows an effective limitation of the tolerance band of the stator currents and improves their overall stability across varying wind speeds. Furthermore, Figure 21c–e represent the THD values for each zone of the stator currents’ realistic wind speed profile, which imitates the highly volatile nature (Figure 21a). The results show that the proposed hybrid control significantly produces a lower THD, with values measured at 5.01%, 4.19%, and 4.05% for zones “a”, “b”, and “c” of Figure 21a, respectively. This THD reduction demonstrates the control’s ability to mitigate harmonic distortion and maintain a better current waveform under fluctuating wind conditions. On the other hand, Figure 21f–h present the THD results for the straightforward wind speed profile with incremental step changes (Figure 21b). Once again, the proposed hybrid control shows its effectiveness in reducing THD, with remarkably low values of 0.03%, 0.03%, and 0.04% for zones “a”, “b”, and “c” of Figure 21b, respectively. These results highlight the system’s high performance when minimizing harmonic distortion, even during sudden wind speed changes, ensuring the stator currents remain within stable and acceptable harmonic limits. Indeed, the obtained results demonstrate the proposed hybrid control’s capacity to maintain low THD levels across both wind profiles, which underscores its effectiveness in improving current quality and system reliability.

Figure 21.
Performance of the stator currents and its THD under the two wind speed profiles: (a) Realistic wind speed profile (where the sub-figures “a”, “b”, and “c” inside the figure represent the zooms of specific zones. (b) straightforward wind speed profile (where the sub-figures “a”, “b”, and “c” illustrate the zooms of specific zones. (c), (d), and (e) represent the THD relative to each zoon of Figure (a). (f), (g), and (h) represent the THD for each zone of Figure (b) respectively).
Figure 22a,b display the grid currents under a straightforward wind speed profile with incremental step changes and a realistic wind speed profile that imitates the highly volatile nature illustrated in Figure 8 and Figure 9, respectively. These figures prove that the proposed hybrid control technique effectively reduces the tolerance band of the grid currents under both conditions, resulting in more stable current profiles despite the varying wind conditions. Additionally, Figure 22c–e illustrate the THD in zones “a”, “b”, and “c” of Figure 22a, under a realistic wind speed profile that imitates the highly volatile nature, which demonstrates the effectiveness of the proposed hybrid control in achieving THD values of 0.78%, 1%, and 1.6%, respectively, reflecting an improved harmonic performance under dynamic wind conditions. Similarly, Figure 22f–h show the THD values for zones “a”, “b”, and “c” of Figure 22b, corresponding to the straightforward wind speed profiles with incremental step changes. In this case, the hybrid control again proves its robustness by achieving low THD levels of 1.8%, 0.64%, and 0.53% respectively. These results further emphasize the capacity of the proposed control strategy to maintain low harmonic distortion levels, contributing to better grid current quality and overall system efficiency across varying wind profiles.

Figure 22.
Performance of the grid currents and THD under the two wind speed profiles: (a) Realistic wind speed profile (where the sub-figures “a”, “b”, and “c” represent the zooms of specific zones. (b) straightforward wind speed profile (where the sub-figures “a”, “b”, and “c” illustrate the zooms of specific zones. (c), (d), and (e) represent the THD relative to each zoon of Figure (a). (f), (g), and (h) represent the THD for each zone of Figure (b) respectively).
Finally, the sliding mode controller is widely used in several applications [74,75,76]. Furthermore, other interesting research topics for PMSMs can be found at [77,78,79]. The grid connected converter [80,81] and prediction of the wind power [82] are also very interesting research topics. New control techniques are extensively presented in the literature [83,84,85].
6. Conclusions
This study presents a novel proposed hybrid second-order terminal sliding mode control based on the super-twisting algorithm technique (SO-TSMC-STA), which is designed to ensure the control of a wind conversion system (WECS) based on a Five-Phase Permanent Magnet Synchronous Generator (FP-PMSG). Indeed, the main goal of such a proposed hybrid algorithm is to maximize the energy harvesting capability from the wind based on the investigated WECS under realistic and severe wind conditions while maintaining the stability and the robustness of the whole WECS against external uncertainties, sudden disturbances of the wind, and FP-PMSG internal parameter uncertainties.
The obtained simulation results confirm the effectiveness of the proposed hybrid control, which demonstrates several enhancements in dynamic behaviors under different realistic constraints, such as high-speed response, accuracy, and chattering reduction. These improvements can be observed clearly within the overall control of the investigated WECS, such as the regulation of the DC link voltage, the accurate tracking of the speed, the improvement of the output currents under different scenarios of wind speed, and under parameter uncertainties of the generator. These findings demonstrate the efficiency of the novel proposed control design, among other techniques that have been presented in this paper, as well as the excellent performance in terms of the response time, accuracy, and the overall system’s stability. Indeed, the authors intend to extend the present study to the application of the proposed hybrid algorithm for the fault-tolerant control of the investigated systems under realistic constraints, which can offer a promising application to the multi-phase WECS aiming to improve the quality of wind energy harvesting, besides the improved quality of production energy at the end users and to the existing power system to which the WECS is connected.
Author Contributions
Conceptualization, B.o.D. and A.K.; methodology, B.o.D., A.K. and A.H.; software, B.o.D. and A.K.; validation, B.o.D. and A.K.; formal analysis, B.o.D., A.K. and M.A.; investigation, B.o.D., A.K. and A.H.; resources, B.o.D. and A.K.; data curation, B.o.D., A.K., A.H. and M.A.; writing—original draft preparation, B.o.D. and A.K.; writing—review and editing, B.o.D., A.K., A.H. and M.A.; visualization, B.o.D., A.K., M.A. and J.R.; supervision, A.K., A.H. and M.A.; project administration, A.K., M.A. and J.R.; funding acquisition, M.A. and J.R. All authors have read and agreed to the published version of the manuscript.
Funding
This research received no external funding.
Data Availability Statement
All data used in this study are provided within the paper and its referenced sources.
Acknowledgments
J. Rodriguez acknowledges the support of ANID via projects FB0008, 1210208, 970, and 1221293.
Conflicts of Interest
The authors declare no conflicts of interest.
List of Symbols
| The electromagnetic torque | Turbine torque | ||
| The mechanical torque | J | The momentum of inertia | |
| Wind turbine rotor speed | F | The friction coefficient | |
| Mechanical speed of rotor | The rotor electric angular speed | ||
| The electrical angle | The power coefficient | ||
| β | The pitch angle | Wind speed | |
| The air density | Stator resistance | ||
| Stator inductance | p | The number of pair poles | |
| Stator flux linkage for direct axis | Stator current for quadratic axis | ||
| The d − q axes and x − y axes flux linkage | The components’ stator current following the d − q axes and x − y axes | ||
| The permanent magnet flux linkage | The stator d − q axes and x − y axes voltages | ||
| Control gains for the TSMC | DC link voltage | ||
| , | Proportional–integral (PI) regulator coefficients; | ; ; | Coefficients for the TSMC |
| Coefficients used to regulate the performance of the super-twisting controller | Coefficients used to regulate the degree of nonlinearity | ||
| ERL-SMC coefficients | The control coefficients of the (SMC) based on (E-RL) | ||
| Coefficients associated with the grid current loop | Coefficients associated with the DC link voltage control loop | ||
| Abbreviations | |||
| WECS | Wind Energy Conversion System | FP-PMSG | Five-Phase Permanent Magnet Synchronous Generator |
| TP-PMSG | Three-Phase Permanent Magnet Synchronous Generator | SO-TSMC based STA | Second-Order Terminal Sliding Mode Control Based on the Super-Twisting Algorithm Technique |
| SMC | Sliding Mode Control | STA | Super-Twisting Algorithm |
| STA-SMC | Super-Twisting Algorithm Sliding Mode Control | FOC | Field-Oriented Control |
| DTC | Direct Torque Control | TSMC | Terminal Sliding Mode Control |
| FOSMC | Fractional Order Sliding Mode Control | ERL | Exponential Reaching Law |
| C-SMC | Classical Sliding Mode Control | GSC | Grid Side Converter |
| MSC | Machine Side Converter | BTBC | Back-To-Back Converter |
| SSE | Steady-State Error | TB | Tolerance Band |
| FPS | Frequency Performance Signal | ISE | Instantaneous State Error |
| THD | Current Total Harmonic Distortion | ||
References
- Bengharbi, A.A.; Laribi, S.; Allaoui, T.; Mimouni, A. Open-Circuit Fault Diagnosis for Three-Phase Inverter in Photovoltaic Solar Pumping System Using Neural Network and Neuro-Fuzzy Techniques. Electrica 2023, 23, 505–515. [Google Scholar] [CrossRef]
- Kumari, P.; Kumar, N.; Panigrahi, B.K. A framework of reduced sensor rooftop SPV system using parabolic curve fitting MPPT technology for household consumers. IEEE Trans. Consum. Electron. 2022, 69, 29–37. [Google Scholar] [CrossRef]
- Jaiswal, K.K.; Chowdhury, C.R.; Yadav, D.; Verma, R.; Dutta, S.; Jaiswal, K.S.; Karuppasamy, K.S.K. Renewable and sustainable clean energy development and impact on social, economic, and environmental health. Energy Nexus 2022, 7, 100118. [Google Scholar] [CrossRef]
- Padmanathan, K.; Kamalakannan, N.; Sanjeevikumar, P.; Blaabjerg, F.; Holm-Nielsen, J.B.; Uma, G.; Baskaran, J. Conceptual framework of antecedents to trends on permanent magnet synchronous generators for wind energy conversion systems. Energies 2019, 12, 2616. [Google Scholar] [CrossRef]
- Benelghali, S.; Mekri, F.; Benbouzid, M.; Charpentier, J.F. Performance comparison of three and five-phase permanent magnet generators for marine current turbine applications under open-circuit faults. In Proceedings of the 2011 International Conference on Power Engineering, Energy and Electrical Drives, Malaga, Spain, 11–13 May 2011; pp. 1–6. [Google Scholar] [CrossRef]
- Mousa, H.H.; Youssef, A.R.; Mohamed, E.E. Optimal power extraction control schemes for five-phase PMSG-based wind generation systems. Eng. Sci. Technol. Int. J. 2020, 23, 144–155. [Google Scholar] [CrossRef]
- Elyasichamazkoti, F.; Khajehpoor, A. Application of machine learning for wind energy from design to energy-water nexus: A survey. Energy Nexus 2021, 2, 100011. [Google Scholar] [CrossRef]
- Liu, W.; Chen, S.; Huang, H. Adaptive nonsingular fast terminal sliding mode control for permanent magnet synchronous motor based on disturbance observer. IEEE Access 2019, 7, 153791–153798. [Google Scholar] [CrossRef]
- Hu, J.; Zou, J.; Xu, F.; Li, Y.; Fu, Y. An improved PMSM rotor position sensor based on linear Hall sensors. IEEE Trans. Magn. 2012, 48, 3591–3594. [Google Scholar] [CrossRef]
- Jung, J.W.; Leu, V.Q.; Do, T.D.; Kim, E.K.; Choi, H.H. Adaptive PID speed control design for permanent magnet synchronous motor drives. IEEE Trans. Power Electron. 2015, 30, 900–908. [Google Scholar] [CrossRef]
- Zhang, X.; Sun, L.; Zhao, K.; Sun, L. Nonlinear speed control for PMSM system using sliding-mode control and disturbance compensation techniques. IEEE Trans. Power Electron. 2013, 28, 1358–1365. [Google Scholar] [CrossRef]
- Abu-Rub, H.; Iqbal, A.; Guzinski, J. High Performance Control of AC Drives with Matlab/Simulink; John Wiley & Sons: Hoboken, NJ, USA, 2021. [Google Scholar] [CrossRef]
- Ullah, K.; Guzinski, J.; Mirza, A.F. Critical Review on Robust Speed Control Techniques for Permanent Magnet Synchronous Motor (PMSM) Speed Regulation. Energies 2022, 15, 1235. [Google Scholar] [CrossRef]
- Lin, F.J.; Chiu, S.L.; Shyu, K.K. Novel sliding mode controller for synchronous motor drive. IEEE Trans. Aerosp. Electron. Syst. 1998, 34, 532–542. [Google Scholar] [CrossRef]
- Khalil, H.K. Nonlinear Systems, 3rd ed.; Prentice Hall: Englewood Cliffs, NJ, USA, 2002; ISBN 9780130673893. [Google Scholar]
- Chiel, H.J.; Thomas, P.J. Special issue on applied neurodynamics: From neural dynamics to neural engineering. J. Neural Eng. 2011, 8, 060201. [Google Scholar] [CrossRef]
- Li, Y.; Son, J.B.; Lee, J.M. PMSM speed controller using switching algorithm of PD and sliding mode control. In Proceedings of the 2009 ICCAS-SICE, Fukuoka, Japan, 18–21 August 2009; pp. 1260–1266. [Google Scholar]
- Khalil, H.K. Nonlinear Control; Pearson: New York, NY, USA, 2015. [Google Scholar]
- Ouassaid, M.; Cherkaoui, M.; Zidani, Y. A nonlinear speed control for a PM synchronous motor using an adaptive backstepping control approach. In Proceedings of the 2004 IEEE International Conference on Industrial Technology (ICIT’04), Hammamet, Tunisia, 8–10 December 2004; pp. 1287–1292. [Google Scholar]
- Ning, B.; Cheng, S.; Qin, Y. Direct torque control of PMSM using sliding mode backstepping control with extended state observer. J. Vib. Control 2018, 24, 694–707. [Google Scholar] [CrossRef]
- Wang, S.; Zhao, J.; Liu, T.; Hua, M. Adaptive robust control system for axial flux permanent magnet synchronous motor of electric medium bus based on torque optimal distribution method. Energies 2019, 12, 4681. [Google Scholar] [CrossRef]
- Djelamda, I.; Bochareb, I. Field-oriented control based on adaptive neuro-fuzzy inference system for PMSM dedicated to electric vehicle. Bull. Electr. Eng. Inform. 2022, 11, 1892–1901. [Google Scholar] [CrossRef]
- Bao, G.Q.; Qi, W.; He, T. Direct torque control of PMSM with modified finite set model predictive control. Energies 2020, 13, 234. [Google Scholar] [CrossRef]
- Lin, C.H. Permanent-magnet synchronous motor drive system using backstepping control with three adaptive rules and revised recurring sieved Pollaczek polynomials neural network with reformed grey wolf optimization and recouped controller. Energies 2020, 13, 5870. [Google Scholar] [CrossRef]
- Wang, M.S.; Tsai, T.M. Sliding mode and neural network control of sensorless PMSM controlled system for power consumption and performance improvement. Energies 2017, 10, 1780. [Google Scholar] [CrossRef]
- Chang, Y.C.; Tsai, C.T.; Lu, Y.L. Current control of the permanent-magnet synchronous generator using interval type-2 T-S fuzzy systems. Energies 2019, 12, 2953. [Google Scholar] [CrossRef]
- Xie, C.; Wu, J.; Guo, Z.; Wang, Y.; Liu, J. Sensorless control of vehicle-mounted PMSM based on improved sliding mode observer. J. Phys. Conf. Ser. 2021, 2030, 012004. [Google Scholar] [CrossRef]
- Shtessel, Y.; Taleb, M.; Plestan, F. A novel adaptive-gain super-twisting sliding mode controller: Methodology and application. Automatica 2012, 48, 759–769. [Google Scholar] [CrossRef]
- Mei, K.; Ding, S. Second-order sliding mode controller design subject to an upper-triangular structure. IEEE Trans. Syst. Man Cybern. Syst. 2021, 51, 497–507. [Google Scholar] [CrossRef]
- Zhou, Z.; Zhang, B.; Mao, D. Robust sliding mode control of PMSM based on rapid nonlinear tracking differentiator and disturbance observer. Sensors 2018, 18, 1031. [Google Scholar] [CrossRef]
- Karboua, D.; Toual, B.; Kouzou, A.; Douara, B.; Mebkhouta, T.; Bendenidina, A.N. High-order super-twisting based terminal sliding mode control applied on three phases permanent synchronous machine. Period. Polytech. Electr. Eng. Comput. Sci. 2023, 67, 40–50. [Google Scholar] [CrossRef]
- Liu, F.; Chen, W. Research on an improved sliding mode observer for speed estimation in permanent magnet synchronous motor. Processes 2022, 10, 1182. [Google Scholar] [CrossRef]
- Yang, H.; Tang, J.W.; Chien, Y.R. Application of new sliding mode control in vector control of PMSM. IEICE Electron. Express 2022, 19, 20220156. [Google Scholar] [CrossRef]
- Qian, J.; Ji, C.; Pan, N.; Wu, J. Improved sliding mode control for permanent magnet synchronous motor speed regulation system. Appl. Sci. 2018, 8, 2491. [Google Scholar] [CrossRef]
- Wang, Y.; Feng, Y.; Zhang, X.; Liang, J. A new reaching law for anti-disturbance sliding-mode control of PMSM speed regulation system. IEEE Trans. Power Electron. 2020, 35, 4117–4126. [Google Scholar] [CrossRef]
- Rhaili, S.E.; Abbou, A.; Marhraoui, S.; Moutchou, R. Robust Sliding Mode Control with Five Sliding Surfaces of Five-Phase PMSG Based Variable Speed Wind Energy Conversion System. Int. J. Intell. Eng. Syst. 2020, 13, 346–357. [Google Scholar] [CrossRef]
- Mo, L.; Liu, Y.; Zhang, Y. Sliding mode variable structure control for surface permanent magnet synchronous motors based on a fuzzy exponential reaching law. Math. Probl. Eng. 2019, 2019, 8340956. [Google Scholar] [CrossRef]
- Kuppusamy, S.; Joo, Y.H. Memory-based integral sliding-mode control for T-S fuzzy systems with PMSM via disturbance observer. IEEE Trans. Cybern. 2021, 51, 2457–2465. [Google Scholar] [CrossRef]
- Yubo, L.; Xudong, W. Speed global integral sliding mode control with a load sliding mode observer for PMSM. IEICE Electron. Express 2018, 15, 20171270. [Google Scholar] [CrossRef]
- Mani, P.; Rajan, R.; Shanmugam, L.; Joo, Y.H. Adaptive fractional fuzzy integral sliding mode control for PMSM model. IEEE Trans. Fuzzy Syst. 2019, 27, 1674–1686. [Google Scholar] [CrossRef]
- Laabidine, N.Z.; Bossoufi, B.; El Kafazi, I.; El Bekkali, C.; El Ouanjli, N. Robust Adaptive Super Twisting Algorithm Sliding Mode Control of a Wind System Based on the PMSG Generator. Sustainability 2023, 15, 792. [Google Scholar] [CrossRef]
- Larbaoui, A.; Chaouch, D.E.; Belabbes, B.; Razkallah, M. Application of passivity-based and sliding mode control of permanent magnet synchronous motor under controlled voltage. J. Vib. Control 2022, 28, 1267–1278. [Google Scholar] [CrossRef]
- Zhu, P.; Chen, Y.; Li, M. Terminal sliding mode control of permanent magnet synchronous motor based on the reaching law. Proc. Inst. Mech. Eng. Part I J. Syst. Control Eng. 2020, 234, 849–859. [Google Scholar] [CrossRef]
- Xu, B.; Shen, X.; Ji, W.; Shi, G.; Xu, J.; Ding, S. Adaptive nonsingular terminal sliding mode control for permanent magnet synchronous motor based on disturbance observer. IEEE Access 2018, 6, 48913–48920. [Google Scholar] [CrossRef]
- Song, J.; Wang, Y.K.; Niu, Y.; Lam, H.K.; He, S.; Liu, H. Periodic event-triggered terminal sliding mode speed control for networked PMSM system: A GA-optimized extended state observer approach. IEEE/ASME Trans. Mechatron. 2022, 27, 4153–4164. [Google Scholar] [CrossRef]
- Aldin, N.A.N.; Abdellatif, W.S.; Elbarbary, Z.S.; Omar, A.I.; Mahmoud, M.M. Robust Speed Controller for PMSG Wind System Based on Harris Hawks Optimization via Wind Speed Estimation: A Real Case Study. IEEE Access 2023, 11, 5929–5943. [Google Scholar] [CrossRef]
- Mousa, H.H.; Youssef, A.R.; Mohamed, E.E. Model predictive speed control of five-phase permanent magnet synchronous generator-based wind generation system via wind-speed estimation. Int. Trans. Electr. Energy Syst. 2019, 29, e2826. [Google Scholar] [CrossRef]
- Rhaili, S.E.; Abbou, A.; Marhraoui, S.; El Hichami, N.; Moutchou, R. Optimal Power Generation Control of 5-Phase PMSG Based WECS by Using Enhanced Fuzzy Fractional Order SMC. Int. J. Intell. Eng. Syst. 2022, 15, 572–583. [Google Scholar] [CrossRef]
- Abu Hashish, M.N.; Daoud, A.A.; Elfar, M.H. Hybrid MPPT-based predictive speed control model for variable speed PMSG wind energy conversion systems. Int. J. Appl. Power Eng. 2022, 11, 218–228. [Google Scholar] [CrossRef]
- Kamel, T.; Abdelkader, D.; Said, B.; Iqbal, A. Sliding mode control of grid-connected wind energy system driven by two five-phase permanent magnet synchronous generators controlled by a new fifteen-switch converter. Int. Trans. Electr. Energy Syst. 2020, 30, e12480. [Google Scholar] [CrossRef]
- Rhaili, S.E.; Abbou, A.; El Hichami, N.; Marhraoui, S. Sensorless optimal power tracking through enhanced hybrid strategies for five-phase PMSG-based variable-speed wind turbine. In Power Electronics Converters and Their Control for Renewable Energy Applications; Academic Press: Cambridge, MA, USA, 2023; pp. 93–113. [Google Scholar] [CrossRef]
- Faisal, A.A.; Hassan, T.K. Maximum Power Extraction Using Twisting Sliding Mode Controller For Wind Energy Systems. J. Eng. Sustain. Dev. 2023, 27, 527–544. [Google Scholar] [CrossRef]
- Mebkhouta, T.; Golea, A.; Boumaraf, R.; Benchouia, T.M.; Karboua, D. A High Robust Optimal Nonlinear Control with MPPT Speed for Wind Energy Conversion System (WECS) Based on Doubly Fed Induction Generator (DFIG). Period. Polytech. Electr. Eng. Comput. Sci. 2023, 27, 527–544. [Google Scholar] [CrossRef]
- Yin, M.; Li, W.; Chung, C.Y.; Zhou, L.; Chen, Z.; Zou, Y. Optimal Torque Control Based on Effective Tracking Range for Maximum Power Point Tracking of Wind Turbines Under Varying Wind Conditions. IET Renew. Power Gener. 2017, 11, 501–510. [Google Scholar] [CrossRef]
- Heo, S.Y.; Kim, M.K.; Choi, J.W. Hybrid Intelligent Control Method to Improve the Frequency Support Capability of Wind Energy Conversion Systems. Energies 2015, 8, 11430–11451. [Google Scholar] [CrossRef]
- Ngo, Q.V.; Chai, Y.; Nguyen, T.T. The Fuzzy-PID Based-Pitch Angle Controller for Small-Scale Wind Turbine. Int. J. Power Electron. Drive Syst. 2020, 11, 135. [Google Scholar] [CrossRef]
- Liu, Z.; Houari, A.; Machmoum, M.F.; Benkhoris, M.; Tang, T. A Second Order Filter-Based Fault Detection Method for Five-Phase Permanent Magnet Synchronous Generators. In Proceedings of the IECON 2020: The 46th Annual Conference of the IEEE Industrial Electronics Society, Singapore, 18–21 October 2020; pp. 4827–4832. [Google Scholar] [CrossRef]
- Xu, H.; Huang, W.; Bu, F.; Liu, H.; Lin, X. Control of Five-Phase Dual Stator-Winding Induction Generator with an Open Phase. IEEE Trans. Ind. Electron. 2018, 66, 696–706. [Google Scholar] [CrossRef]
- Seck, A.; Moreau, L.; Benkhoris, M.F.; Machmoum, M. Control Strategies of Five-Phase PMSG-Rectifier Under Two Open Phase Faults for Current Turbine System. In Proceedings of the 2018 IEEE International Power Electronics and Application Conference and Exposition (PEAC), Shenzhen, China, 4–7 November 2018; pp. 1–6. [Google Scholar] [CrossRef]
- Kelkoul, B.; Boumediene, A. Stability Analysis and Study Between Classical Sliding Mode Control (SMC) and Super Twisting Algorithm (STA) for Doubly Fed Induction Generator (DFIG) Under Wind Turbine. Energy 2021, 214, 118871. [Google Scholar] [CrossRef]
- Slotine, J.-J.E.; Li, W. Applied Nonlinear Control; Prentice Hall: Englewool Cliffs, NJ, USA, 1991. [Google Scholar] [CrossRef]
- Utkin, V.; Guldner, J.; Shi, J. Sliding Mode Control in Electro-Mechanical Systems; CRC Press: Boca Raton, FL, USA, 2017; ISBN 978-1-31-521897-7. [Google Scholar] [CrossRef]
- Levant, A. Universal SISO Sliding-Mode Controllers with Finite-Time Convergence. IEEE Trans. Autom. Control 2001, 46, 1447–1451. [Google Scholar] [CrossRef]
- Utkin, V.; Poznyak, A.; Orlov, Y.; Polyakov, A. Andrey Polyakov, Conventional and high order sliding mode control. J. Frankl. Inst. 2020, 357, 10244–10261. [Google Scholar] [CrossRef]
- Shtessel, Y.; Edwards, C.; Fridman, L.; Levant, A. Sliding Mode Control and Observation; Control Engineering Series; Birkhauser: New York, NY, USA, 2014. [Google Scholar] [CrossRef]
- Vecchio, C. Sliding Mode Control: Theoretical Developments and Applications to Uncertain Mechanical Systems. 2008. Available online: https://www.tesionline.it/tesi/35561/Sliding-Mode-Control%3A-theoretical-developments-and-applications-to-uncertain-mechanical-systems (accessed on 3 December 2024).
- Zaihidee, F.M.; Mekhilef, S.; Mubin, M. Robust Speed Control of PMSM Using Sliding Mode Control (SMC)—A Review. Energies 2019, 12, 1669. [Google Scholar] [CrossRef]
- Feng, Y.; Yu, X.; Man, Z. Non-Singular Terminal Sliding Mode Control of Rigid Manipulators. Automatica 2002, 38, 2159–2167. [Google Scholar] [CrossRef]
- Yu, X.; Feng, Y.; Man, Z. Terminal Sliding Mode Control—An Overview. IEEE Open J. Ind. Electron. Soc. 2020, 2, 36–52. [Google Scholar] [CrossRef]
- Ahn, H.; Kim, S.; Park, J.; Chung, Y.; Hu, M.; You, K. Adaptive Quick Sliding Mode Reaching Law and Disturbance Observer for Robust PMSM Control Systems. Actuators 2024, 13, 136. [Google Scholar] [CrossRef]
- Mousavi, Y.; Bevan, G.; Kucukdemiral, I.B.; Fekih, A. Sliding Mode Control of Wind Energy Conversion Systems: Trends and Applications. Renew. Sustain. Energy Rev. 2022, 167, 112734. [Google Scholar] [CrossRef]
- Mousa, H.H.H.; Youssef, A.R.; Mohamed, E.E. Performance Assessment of Speed Controllers for Five-Phase PMSG with Integrated P&O MPPT Algorithms Based Wind Energy Conversion Systems. SVU-Int. J. Eng. Sci. Appl. 2022, 3, 58–67. [Google Scholar] [CrossRef]
- Errami, Y.; Ouassaid, M.; Maaroufi, M. A performance comparison of a nonlinear and a linear control for grid connected PMSG wind energy conversion system. Electr. Power Energy Syst. 2015, 68, 180–194. [Google Scholar] [CrossRef]
- Tan, J.; Zhang, K.; Li, B.; Wu, A. Event-Triggered Sliding Mode Control for Spacecraft Reorientation With Multiple Attitude Constraints. IEEE Trans. Aerosp. Electron. Syst. 2023, 59, 6031–6043. [Google Scholar] [CrossRef]
- Chen, B.; Hu, J.; Zhao, Y.; Ghosh, B.K. Finite-time observer based tracking control of uncertain heterogeneous underwater vehicles using adaptive sliding mode approach. Neurocomputing 2022, 481, 322–332. [Google Scholar] [CrossRef]
- Hu, K.; Ma, Z.; Zou, S.; Li, J.; Ding, H. Impedance Sliding-Mode Control Based on Stiffness Scheduling for Rehabilitation Robot Systems. Cyborg Bionic Syst. 2024, 5, 0099. [Google Scholar] [CrossRef]
- Chen, C.; Wu, X.; Yuan, X.; Zheng, X. Prediction of Magnetic Field for PM Machines With Irregular Rotor Cores Based on an Enhanced Conformal Mapping Model Considering Magnetic-Saturation Effect. IEEE Trans. Transp. Electrif. 2024. [Google Scholar] [CrossRef]
- Wang, C.; Liu, J.; Han, J.; Zhang, Z.; Jiang, M. Analysis of Bidirectional Magnetic Field Modulation on Concentrated Winding Spoke-Type PM Machines. IEEE Trans. Transp. Electrif. 2024, 10, 6076–6086. [Google Scholar] [CrossRef]
- Chen, C.; Wu, X.; Yuan, X.; Zheng, X. A New Technique for the Subdomain Method in Predicting Electromagnetic Performance of Surface-Mounted Permanent Magnet Motors With Shaped Magnets and a Quasi-Regular Polygon Rotor Core. IEEE Trans. Energy Convers. 2022, 38, 1396–1409. [Google Scholar] [CrossRef]
- Rong, Q.; Hu, P.; Yu, Y.; Wang, D.; Cao, Y.; Xin, H. Virtual External Perturbance-Based Impedance Measurement of Grid-Connected Converter. IEEE Trans. Ind. Electron. 2024, 1–11. [Google Scholar] [CrossRef]
- Rong, Q.; Hu, P.; Wang, L.; Li, Y.; Yu, Y.; Wang, D.; Cao, Y. Asymmetric Sampling Disturbance-Based Universal Impedance Measurement Method for Converters. IEEE Trans. Power Electron. 2024, 39, 15457–15461. [Google Scholar] [CrossRef]
- Yang, M.; Li, X.; Fan, F.; Wang, B.; Su, X.; Ma, C. Two-stage day-ahead multi-step prediction of wind power considering time-series information interaction. Energy 2024, 312, 133580. [Google Scholar] [CrossRef]
- Mohammadzadeh, A.; Taghavifar, H.; Zhang, C.; Alattas, K.A.; Liu, J.; Vu, M.T. A non-linear fractional-order type-3 fuzzy control for enhanced path-tracking performance of autonomous cars. IET Control Theory Appl. 2024, 18, 40–54. [Google Scholar] [CrossRef]
- Lv, J.; Ju, X.; Wang, C. Neural network prescribed-time observer-based output-feedback control for uncertain pure-feedback nonlinear systems. Expert Syst. Appl. 2025, 264, 125813. [Google Scholar] [CrossRef]
- Wang, J.; Wu, Y.; Chen, C.L.P.; Liu, Z.; Wu, W. Adaptive PI event-triggered control for MIMO nonlinear systems with input delay. Inf. Sci. 2024, 677, 120817. [Google Scholar] [CrossRef]
Disclaimer/Publisher’s Note: The statements, opinions and data contained in all publications are solely those of the individual author(s) and contributor(s) and not of MDPI and/or the editor(s). MDPI and/or the editor(s) disclaim responsibility for any injury to people or property resulting from any ideas, methods, instructions or products referred to in the content. |
© 2025 by the authors. Licensee MDPI, Basel, Switzerland. This article is an open access article distributed under the terms and conditions of the Creative Commons Attribution (CC BY) license (https://creativecommons.org/licenses/by/4.0/).























