Next Article in Journal
Impact of Ion Crossover on Mass Transfer Polarization Regulation in High-Power Vanadium Flow Batteries
Previous Article in Journal
Synergistic Coupling of Waste Heat and Power to Gas via PEM Electrolysis for District Heating Applications
 
 
Font Type:
Arial Georgia Verdana
Font Size:
Aa Aa Aa
Line Spacing:
Column Width:
Background:
Article

Dynamic Weighted-Selection and Hybrid Modulation for Enhanced Performance of Multi-Source/Load Parallel AC-Link Universal Converters

by
Abdulgafor Alfares
Department of Electrical Engineering, College of Engineering, University of Hafr Al Batin, Hafr Al Batin 39524, Saudi Arabia
Energies 2025, 18(19), 5191; https://doi.org/10.3390/en18195191
Submission received: 8 September 2025 / Revised: 27 September 2025 / Accepted: 27 September 2025 / Published: 30 September 2025

Abstract

This paper presents a novel open-loop modulation and control strategy for bidirectional, multi-source/load parallel AC-link power converters. While these converters offer advantages such as high-frequency operation and flexible power conversion capabilities, their application to complex systems such as nanogrids presents significant control challenges. Traditional control methods often struggle to efficiently manage power flow and charging/discharging processes, especially when dealing with multiple sources and loads of varying characteristics. To address these issues, this paper proposes a new control strategy that enables intelligent source and load selection while maintaining fast charging and discharging times. Simulation results demonstrate the effectiveness of the proposed approach. This research contributes to advancing the state-of-the-art in power electronics by providing a foundation for improved control of complex power conversion systems for renewable energy applications.

1. Introduction

The global transition towards sustainable energy infrastructures has fundamentally altered the architecture of power systems, accelerating the adoption of distributed generation. Modern systems typically combine multiple energy sources, such as photovoltaic (PV) arrays, wind turbines, fuel cells, and battery storage, to enhance reliability and efficiency [1,2,3,4,5]. The multi-input power converter (MIC) has emerged as the fundamental building block that interfaces these diverse sources, offering significant advantages over using multiple independent converters. These advantages include a reduced component count, lower cost, higher power density, and more integrated power management capabilities [6,7,8]. Research and development in MICs has progressed vigorously along two primary fronts: topological innovation and control strategy development. The field has seen a proliferation of novel circuit configurations designed to achieve specific performance goals, such as high voltage gain, bidirectional power flow, isolation, and fault tolerance. In parallel, research into control algorithms has aimed to manage complex power flow between inputs and outputs, regulate voltages, extract maximum power from renewable sources, and maintain system stability under highly variable load and source conditions [9,10,11,12]. While this progress is commendable, a deep and systematic analysis of the literature reveals a concerning disconnect. The pace of advancement in circuit topologies has far outstripped the development of the sophisticated control frameworks needed to manage them effectively. Many studies focus on topology novelty but fail to provide detailed performance for their control strategies. Furthermore, existing control methods often lack the robustness, scalability, and intellect required for the dynamic and unpredictable environments in which these systems are deployed. Therefore, the goal of this paper is twofold. First, it presents a review to synthesize the current state of multi-input power converter research, highlighting both celebrated achievements and critical shortcomings in control strategy design. Second, and more importantly, this review serves as a rigorous justification for the subsequent introduction of a new control method. By clearly delineating the gaps and limitations in existing approaches such as the lack of adaptability, analytical capability, and generalized stability guarantees this paper lays the necessary groundwork for proposing a novel intelligent control framework in our future work, designed specifically to address these identified challenges and unlock the full potential of next-generation multi-source power systems.
The surveyed literature, which is summarized in Table 1, reveals a diverse spectrum of MIC topologies, each tailored for specific applications and performance objectives. These can be broadly categorized as follows:
First, transformer-based and coupled inductor topologies:
These topologies utilize magnetic coupling to combine power from multiple sources. In Ref. [13], it pioneered a DC/DC converter based on a multi-winding transformer, exploiting flux additivity to magnetically combine two DC inputs. This architecture allows for flexible power flow control and inherent galvanic isolation, which is valuable for safety and voltage matching. However, it introduces design complexity, increased size, and cost associated with the transformer.
Second, combined boost and buck-boost architectures:
A prominent trend is the combination of boost and buck-boost cells to achieve high step-up ratios, essential for interfacing low-voltage renewable sources (e.g., PV panels) with high-voltage DC links or inverters. In Refs. [1,14], they developed such converters, reporting high efficiencies and high-voltage gain while maintaining low voltage stress across semiconductor devices. This low stress enables the use of lower-RDS (on) MOSFETs, directly reducing conduction losses and improving overall efficiency.
Third, bidirectional and multiport converters:
The integration of energy storage necessitates bidirectional power flow. In Ref. [9], it presented a bidirectional multiport DC-DC converter with a minimal component count (two inductors, three switches, six diodes) capable of interfacing a PV source and a battery, achieving better efficiency than [1,14]. Similarly, Refs. [15,16] focused on non-isolated, modular topologies that can accommodate an arbitrary number of sources and loads with flexible power budgeting, highlighting a move towards scalable and versatile system design.
Lastly, integrated AC-DC input converters:
Some studies address the direct integration of AC and DC sources. Integrated designed converters that accept both a utility AC line and a PV DC input [17]. These designs incorporate critical functionalities like Power Factor Correction (PFC) for the AC input and Maximum Power Point Tracking (MPPT) for the PV source, often employing soft-switching techniques (ZVS/ZCS) to minimize switching losses and achieve ripple-free input currents. This integration simplifies system architecture by reducing the number of conversion stages. Control strategies are the intelligence behind MICs, determining their functionality and performance. The reviewed studies employ a wide array of techniques. Phase-shifted PWM was used in multiple studies for regulating output voltage and controlling power flow from each input in transformer-based and integrated converters [18]. Furthermore, it implemented pole-placement via integral state feedback for their single-stage DC-DC/AC boost converter, ensuring stability in a complex multi-variable system [19]. It used dynamic modeling and a multivariable controller for duty cycle adjustment [1]. Moreover, targeted function control is strategies like MPPT, PFC, and ZVS/ZCS are commonly integrated to achieve specific objectives such as renewable energy harvesting, grid compliance, and high efficiency. However, a deep analysis of the results exposes significant limitations in control strategy development such as that all studies used closed loop control method and assume the input sources are fixed. This raises questions about the practical viability and real-world performance of their proposed control methods, particularly concerning varying sources subjected to change due to the weather condition. In Ref. [1], an extendable topology was proposed and the authors noted that control complexity increases with the number of inputs. Most presented control strategies appear to be customized for a specific topology and a fixed number of inputs, lacking a generalized framework that can scale seamlessly. The dominant control paradigms are reactive (e.g., regulating voltage after a disturbance occurs). There is a notable absence of analytical, adaptive, or intelligent controls that can anticipate source variability (e.g., cloud cover for PV) or load changes and proactively optimize power flow. The analysis above clearly demonstrates that the field of MICs is maturing in terms of topological innovation but is nascent in terms of unified, robust, and intelligent control. We argue that future research must pivot towards the development of a new generation of control methods. Control laws must be developed with formal guarantees of stability under wide-ranging operating conditions, accounting for the open loop control and time-varying nature of MICs and their sources. Techniques from open loop and robust control theories need greater application.
Moreover, in Ref. [20], closed-loop control was used to regulate the output voltage for three AC phases. A key goal of closed-loop control is to mitigate the effects of incomplete system knowledge. Effective control requires a thorough understanding of the system.
However, the novel modulation technique discussed in this research is an improvement over the methods introduced in [21,22]. In Ref. [21], two methods were introduced. Both achieve zero error tracking through open-loop control, where the measured values match the reference values, eliminating the need for closed-loop control. Thus, open-loop control is preferable in these methods.
Table 1. Current control methods.
Table 1. Current control methods.
ReferenceConverter TypeTopologyControl StrategyLimitation
[13]Multi-input DC/DCCoupled transformer, 2 DC inputsPhase-shifted PWMComplex transformer design; limited to two DC inputs.
[19]Single-stage multi-input DC-DC/ACParallel boost convertersPole-placement via integral state feedbackControl complexity scales with number of inputs.
[1]Multi-input single-output high step-upBoost and buck-boost combinationMultivariable controllerLimited performance metrics reported beyond efficiency (95.62%).
[9]Bidirectional multiport DC-DCBidirectional buck-boost, two inductors, three switchesAdvanced control (Kirchhoff’s law)Limited to two DC inputs (PV and battery).
[17]Multi-input for PV with PFC/MPPTUtility AC and PV DC inputsPhase-shifted PWM, PFC, MPPTComplex control and balancing due to triple power transformer.
[16]Multiple-input multiple-output DC-DCArbitrary sources/loads, flexible topologyInput power budgeting controlPeak efficiency of 90% achieved only at low power (100 W) [16].
[14]Non-isolated multi-input-single-outputBuck-boost and boost stagesNot specified in sourceNon-isolated topology limits safety in high-voltage applications.
[23]ZVS multi-input converterSeries inputs, auxiliary circuitPWM with auxiliary ZVS controlAuxiliary circuit adds complexity and component count.
[18]Multi-input for PV with PFC/MPPT/ZVSUtility AC and PV DC inputsPhase-shifted PWM, PFC, MPPTIntegration of multiple complex controls may increase cost.
[15]Multiple-input DC-DCBuck-boost, bidirectional, no transformerFixed frequency switchingLimited to DC-DC conversion; no AC port.
As previously discussed, this paper will examine novel modulation techniques for a well-known class of power converters known as parallel AC-link universal converters. These converters are highly suitable for renewable energy applications, such as AC nanogrids. Their primary advantage over existing topologies is their implementation of soft-switching techniques. The principle of operations in details explained in [21].
Parallel AC-link universal power converters were first introduced in [24,25,26,27,28]. These converters are adaptable to various power conversion needs, handling both alternating and direct current inputs and outputs. Building upon the buck-boost converter design, they store energy primarily in an inductor. A unique feature is the use of a parallel capacitor and inductor to create a resonant AC link, enabling efficient power transfer. Numerous studies, detailed in the references, have explored the applications of these converters by focusing primarily on DC-AC, AC-DC, and AC-AC power conversion systems.
This paper leverages the proven hardware advantages of the AC-link topology [25,26,28] and introduces a novel control strategy that specifically addresses the scalability and computational complexity limitations of prior MIMO methods [21,22], while offering a more adaptive and simpler alternative to complex closed-loop schemes [27] for highly variable renewable energy applications. Table 2 summarizes the comparative analysis of the proposed method against prior art.
Despite the complexity of their control schemes, parallel AC-link universal converters are excellent candidates for nanogrids and nanogrids in renewable energy applications. Given the variable nature of renewable resources, which are influenced by weather conditions, there is a critical need for novel modulation techniques that can be applied to these converters. Therefore, this paper will explore an innovative open-loop modulation method to address the specific conditions of renewable energy sources.

2. Principles of Operation

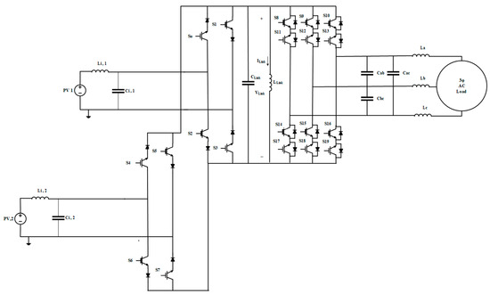
Figure 1 illustrates the proposed parallel AC link converter, which includes multiple power sources and a three-phase AC load. The system employs N switch bridges; one connected to the power source and the other to the load. Both the sources and load interface with the converter via their corresponding switch bridges. Each leg of a switch bridge can be implemented using either two bidirectional switches or four unidirectional switches. In cases involving unidirectional power sources, such as solar PV systems, only unidirectional switches are required in the switch bridge. The proposed converter builds on a high-frequency AC-link universal power converter design presented in [25,26,27]. It expands the capabilities of a standard buck-boost converter by incorporating an AC link with a capacitor. This configuration enables soft switching through resonant charging and discharging of the link inductor. To accommodate both positive and negative current flow in the inductor, the number of switches is doubled. By further dividing the charging and discharging phases into multiple modes, the converter can handle various power sources and loads, including multi-phase and hybrid systems.
In a previous study in [25,26,27], the authors presented and analyzed a parallel AC link converter system incorporating solar panels and a three-phase AC load. This converter exclusively transfers power through the link inductor, which alternately stores energy from the inputs and releases it to the outputs. A load with three-phase system can be simplified to two DC systems for analysis purposes because two phase pairs can accommodate the inductor current. The high-frequency operation of the link ensures that the voltage across each phase pair remains relatively steady during each cycle.
Like a DC-DC buck-boost converter, the MIC nanogrid converter uses a link inductor to transfer all power. In a DC system, this process involves a two-step cycle: first, the inductor is charged from the input and then it is discharged into the output as seen from Figure 2. This principle is extended to three-phase AC systems by treating each phase pair as an independent DC source or load. Since the link operates at a high frequency, the voltage across any phase pair remains effectively constant within a single cycle. Consequently, the discharging process from three phases is divided into two distinct operational modes.
In more complex systems like nanogrids, the operational principles understandably become more intricate (though resonating modes are neglected here due to their short duration). Three primary control methods are proposed. The inductor is first charged consecutively from all n sources (modes 1 to n) and is then discharged consecutively into all m loads (modes n + 1 to n + m) in the positive direction. This entire sequence is then repeated in the negative direction (modes n + m + 1 to 2n + 2m) as seen in Figure 2a. A comprehensive analysis of this modulation technique can be found in [21]. In each cycle, only a single source and a single load are selected to charge and discharge with constant power flow the inductor as seen in Figure 2b. A hybrid approach combining these two methods can also be employed to control the microgrid system. The novel method of control, depicted in Figure 2c, involves selecting one source and one load per cycle for charging and discharging with varying power to the link. A key advantage of this technique is its dynamic nature, input power, high-frequency AC link current, and peak current fluctuate with each cycle, making it highly adaptable for integration with renewable energy sources in microgrid systems.
To elucidate the operation of the proposed system under its novel control method, we will analyze the behavior of the configuration in Figure 1. The control sequence begins by sorting the available voltage sources (e.g., PV modules and batteries) in descending order based on their absolute voltage values. The source with the highest absolute voltage is designated to charge the link inductor first. Prior to the start of Mode 1, the appropriate switches in the corresponding source’s bridge are activated. For instance, if a PV1 module has the maximum voltage, switches S0 and S3 would be turned on to charge the link in the positive direction, as depicted in Figure 3a. Otherwise, if a PV2 module has the maximum voltage, switches S4 and S7 would be turned on to charge the link in the positive direction, as depicted in Figure 3b. For the subsequent negative half-cycle charging phase, switches S1 and S2 would be used instead. This charging mode continues until the PV1 current, averaged over a cycle, meets its reference command. In an open-loop control scheme, this is achieved by maintaining the mode for a predetermined duration. Once the charging is complete, all switches in the PV1 bridge are turned off, concluding the mode. The cycle then repeats for the source with the next highest voltage priority.
On the output side, the control process begins by sorting the absolute load voltages in ascending order to identify the phase with the minimum voltage. For instance, if phase a is identified as having the lowest voltage, it becomes the primary path for current flow. Subsequently, the two-phase pairs are selected based on the phase carrying the highest absolute current. If phase a has the highest current magnitude, the pairs a-b and a-c are designated to be charged from the link. The specific switches required to conduct during this operational mode, along with the applicable conditions determined by the directions of the link current and the phase a current, are illustrated in Figure 4.
The proposed flowchart displayed in Figure 5 systematically converts a three-phase AC system into an equivalent DC representation for simplified control of the output side of MIC beginning with the output three-phase currents I a o , I b o , I c o and identifying the dominant phase I m a x carrying the maximum absolute current to determine the primary energy transfer path. Two phase pairs are then formed: Pair 1 combines the dominant phase with the next highest phase e . g . , I a o   &   I b o while Pair 2 is the dominant phase with the remaining phase e . g . , I a o   &   I c o enabling efficient power flow management. These pairs are converted into equivalent DC loads, where Pair 1 (primary load) is characterized by V d c , 1 = V m a x V m i d and I d c , 1 = I m a x , and Pair 2 (secondary source) by V d c , 2 = V m a x V m i n and I d c , 2 = ½   m e d i a n ( I a o , I b o , I c o ), effectively reducing the three-phase complexity to a dual-DC system. This representation facilitates the weighted hybrid modulation technique by prioritizing power transfer based on real-time voltage and current conditions, ensuring dynamic adaptability, scalability for multi-source, and three phase AC load configurations, and improved efficiency through dominant path optimization making it ideal for renewable energy applications such as nanogrid and PV systems. The dynamic weighted-selection process for each switching cycle is executed as follows:
  • Source selection: Calculate the selection probability for each source using Equation (9). The source with the highest probability is selected to charge the link inductor in the upcoming cycle.
  • Load identification: Measure the three-phase output currents ( I a o   ,   I b o ,   I c o ). Identify the dominant phase carrying the maximum absolute current ( I m a x )
  • Phase pair formation: Form two phase pairs for analysis: Pair 1 combines the dominant phase with the phase having the next highest current; Pair 2 combines the dominant phase with the remaining phase.
  • DC equivalent conversion: Convert the three-phase system into an equivalent dual-DC system using the flowchart in Figure 5. The primary DC load (Pair 1) is characterized by V d c , 1   = V m a x V m i d   and I d c , 1 = I m a x . The secondary DC load (Pair 2) is characterized by   V d c , 2   = V m a x V m i n and I d c , 2 = median I a o ,   I b o ,   I c o 2
  • Load selection: Calculate the selection probability for each equivalent DC load j using Equation (10). The load with the highest probability is selected to receive power during the discharge phase of the cycle.
  • Cycle execution: The selected source charges the link inductor, followed by discharging the stored energy into the selected load. The peak link current and mode timings are dynamically adjusted using Equations (4)–(7) and (11) to adapt to real-time power levels.

3. Design Procedure and Analysis

The peak current of the link can be determined using the following equation:
I p e a k , 1   =   2   ( I d c , 1   +   I b o   + I d c , 2   P 1 P 2   +   I c o P 1 P 2   )
I p e a k , 2   = 2   (   I d c , 1   P 2 P 1   + I b o P 2 P 1     + I d c , 2   + I c o )
where:
  • I d c 1 , I d c 2 : DC currents from primary/secondary sources
  • I b o   , I c o : Phase currents (assuming I b o   >   I c o   )
  • P 1 , P 2 : Power from sources 1 and 2
f =   P 1   + P 2   L L i n k   I P e a k , 1 2  
where:
L l i n k : Link inductance (845 µ H in Table 2). The derivation of Equations (1)–(3) can be found in the Appendix A.
If phase current I b is greater than I c , the duration of the first and second modes can be expressed as:
t 1 = I d c , 1   f I p e a k  
t 2 = I b f I p e a k  
t n = I n f I p e a k  
where:
  •   t 1 , t 2 : Charging/discharging times for dominant phase
  •   t n : Generalized timing for n-th mode
  • f: Switching frequency
If resonant swing duration   t r e s is significant, the resonant period compensation can be:
t m o d e , a d j =       t n +       t r e s 2          
t r e s = π   L L i n k   C L i n k
For the proposed method in Figure 2c, the weighted selection probability method is:
P r s o u r c e , i   =   V s o u r c e , i k j V s o u r c e , j k
P r l o a d , j   = 1 V l a o d , j k m 1 V l a o d , m k
where:
  • K: tuning exponent (typically 1–2)
  • V s o u r c e , i ,   V l o a d , j : Measured voltages
For renewable variability, peak current will be:
I p e a k , n e w   =   I p e a k ( 1 +   α   Δ   P P n e w )
  Δ   P = P a c t u a l   P n e w  
where α : Sensitivity factor (0.1–0.3)
The three phase simplification in Figure 5 is as follows:
I d c , 1   =   M a x   I a ,   I b ,   I c
The efficiency estimate:
η     1 ( I p e a k 2 R s w P o u t +   f E s w P o u t )
where:
  • R s w : Switch resistance
  • E s w : Switching energy per transition
The proposed novel modulation technique employs a dynamic weighted selection strategy (Equations (8) and (9)) to optimize source/load pairing, where selection probabilities are calculated in real-time based on voltage levels (e.g., a 150 V PV source has a 27% higher selection weight than a 120 V battery). The link’s peak current (Equation (10)) and switching frequency (Equation (2)) are adjusted adaptively to accommodate renewable variability, with simulations confirming a stable 10 kHz operation and 97% efficiency. By eliminating the computational overhead of full voltage sorting, the method reduces latency while maintaining near-optimal voltage matching, as evidenced by balanced three-phase outputs as shown in the simulation results section. The design leverages resonant timing compensation (Equations (6) and (7)) to account for soft-switching transitions, ensuring efficient energy transfer across all operating modes.

4. Simulation Results

This section presents the simulation results for a parallel AC link converter, which includes PV modules and a three-phase load, using the novel modulation technique. The system parameters, with a total power of 1350 W, are summarized in Table 3. The parallel AC link converter was simulated using PSIM and the results are illustrated in Figure 6, Figure 7, Figure 8, Figure 9, Figure 10, Figure 11, Figure 12, Figure 13, Figure 14 and Figure 15.
Figure 6 illustrates the unfiltered PV current and the unfiltered three-phase output currents. In each cycle, only the PV module is involved in charging the link, while only one output phase pair is selected to discharge the link. During each cycle, the power from the first source must be greater than that from the second source ( P V , 1 > P V , 2 ), resulting in the first DC current being greater than the second DC current, as well as the output currents, as shown in Figure 6. Consequently, the first cycle is always larger than or equal to the second cycle. The link current waveform is displayed in Figure 7. The observed peak value of 13 A is reached during its linear increase, which corresponds to the charging phase from an input source. Conversely, the linear decrease in current represents the discharge phase, where energy is delivered to the output loads, prioritizing the one with the highest instantaneous current demand. This operational mode is further illustrated by the link voltage in Figure 8. The voltage remains clamped at a constant +375 V during the charging phase (positive current slope). During the discharge phase (negative current slope), the link voltage is inverted and clamped at −375 V. The input currents of the two photovoltaic sources are presented in Figure 9 and Figure 10, measuring approximately 4.4 A for P V , 1 and 3.3 A for P V , 2 , respectively. The three-phase output voltage and current waveforms are shown in Figure 11 and Figure 12. As expected, each phase exhibits a sinusoidal output voltage with a peak value of 220 V and a corresponding peak current of 4 A. The average link frequency of the proposed simulated system is approximately 10 kHz, as displayed in Figure 13. It is noteworthy that this frequency can be increased by selecting a smaller link inductance, which consequently allows for a reduction in the size of the input and output filters. Furthermore, as illustrated in Figure 14, the link peak current is not fixed but varies dynamically. This characteristic is a key feature of the proposed novel modulation strategy, wherein all parameters are adaptively controlled to satisfy the specific requirements of renewable energy integration. Finally, the total output power of the system is confirmed to be 1350 W, meeting the design expectation, as evidenced by the results in Figure 15.

5. Loss Modeling and Efficiency Verification

To provide a verifiable basis for the efficiency claim of approximately 97%, a detailed loss model was implemented in the PSIM simulation environment. This model incorporates specific semiconductor characteristics, parasitic elements, dead time, and comprehensive loss mechanisms to accurately predict the converter’s performance. The following subsections detail the component selection and present a breakdown of the power losses at the rated output power of 1350 W.
The switches were modeled using the characteristics of Infineon IPA95R1K0P5 950 V CoolMOS™ P7 MOSFETs from Infineon Technologies AG manufacturer in München, Germany selected for their low gate charge ( Q g = 52 nC) and low output capacitance ( Q O S S = 36 nC), which are critical for high-frequency, soft-switching applications. A gate drive voltage of V g s = +15 V/−3 V with a series resistor of R g = 2.2 Ω was used. A dead time of 150 ns was implemented to prevent shoot-through and the body diode reverse recovery was modeled with   T r r = 100 ns and   I r r = 1.5 A. The link inductor (845 µH) was modeled with core loss parameters for Ferrite N87 material and an AC resistance of 80 mΩ. All capacitors were modeled with an equivalent series resistance (ESR) of 5 mΩ.
The simulated power loss breakdown at the full output power of 1350 W is summarized in Table 4. The total loss was calculated to be 48.0 W, resulting in an input power of 1398 W and an efficiency of 96.8%, which validates the ~97% efficiency claim. As expected for a soft-switching converter, conduction losses are the dominant factor, accounting for 58.5% of the total losses. Switching losses are minimized due to the Zero-Voltage Switching (ZVS) turn-on and capacitance-buffered turn-off.
The efficiency of the converter was characterized across its operating range from 20% to 100% of full load (270 W to 1350 W). The results, plotted in Figure 16, demonstrate that the efficiency remains above 95.5% across the entire range, peaking at 97.2% at approximately 60% load (810 W). This characteristic is typical for power converters, where fixed losses (e.g., core losses) dominate at light loads and variable losses (e.g., conduction losses) dominate at heavy loads, resulting in a peak efficiency at a mid-load point. Figure 15 displayed simulated efficiency against output power for the proposed converter. The efficiency peaks at approximately 97.2% around 60% load. The shaded region represents a ±1% tolerance band on loss model parameters to indicate potential variance due to component tolerances.
The detailed loss model confirms the high efficiency of the proposed converter. The loss breakdown provides critical insight into the dominant loss mechanisms, which is essential for future optimization. The efficiency curve demonstrates robust performance across the intended operating range, making the converter well-suited for renewable energy applications where load and source conditions can vary significantly.

6. Conclusions

This paper presented a novel dynamic weighted-selection and hybrid modulation technique for bidirectional multi-source/load parallel AC-link universal converters, addressing critical challenges in renewable energy applications such as nanogrids. The proposed hybrid modulation technique combines the efficiency of voltage-sorted selection with the flexibility of random selection through a weighted probabilistic approach, dynamically optimizing power transfer while mitigating computational overhead. By leveraging real-time voltage monitoring and dynamic adjustment of link frequency and peak current, the method achieves superior performance in efficiency (97% in simulations), voltage balance, and responsiveness compared to existing approaches. The scalable architecture accommodates arbitrary source/load configurations, making it highly adaptable to the fluctuating nature of renewable energy sources. Simulation results for a 1350 W PV-based system validated the method’s effectiveness, demonstrating stable operation at 10 kHz with minimized switch stress and improved transient response. This research advances the state-of-the-art in power electronics by offering a robust, efficient, and adaptable solution for complex power conversion systems, paving the way for broader adoption in AC nanogrids, nanogrids, and other renewable energy applications. Future work will focus on hardware implementation and optimization for larger-scale systems.

Funding

This research is funded by the Deanship of Research and Innovation at University of Hafr Al Batin through the project number 0173-1446-S.

Data Availability Statement

The original contributions presented in this study are included in the article. Further inquiries can be directed to the corresponding author.

Conflicts of Interest

The author declare no conflict of interest.

Appendix A

Derivation of Equations (1)–(3)
Clarification of Symbols and Assumptions:
I_peak,1, I_peak,2: These are the peak current values (in Amperes, A) in the AC link inductor during cycles dominated by Source 1 and Source 2, respectively. They are instantaneous values.
I_dc,1, I_dc,2: These are the average DC currents (in Amperes, A) drawn from Source 1 and Source 2, measured over a time period much longer than the switching period.
I_bo, I_co: These are the instantaneous phase currents (in Amperes, A) of the three-phase load at the moment of calculation. Due to the high link frequency, they are treated as constant within a single link cycle.
P1, P2: These are the average powers (in Watts, W) from Source 1 and Source 2, respectively.
Assumption: The system is in steady-state. The power calculated from the DC side (P = V_dc * I_dc) must equal the power calculated from the AC link dynamics (P = L * f * I_peak2), neglecting losses.
Re-derivation of Equations (1) and (2):
The peak link current I_peak is fundamentally related to the energy transferred per cycle. The energy stored in the inductor at the peak of its current is:
E_cycle = (1/2) * L_link * I_peak2
This energy is transferred to the load at the link frequency f. Therefore, the average power P transferred is
P = f * E_cycle = f * (1/2) * L_link * I_peak2
This is the foundational equation. For a system with two sources, the total power is P_total = P1 + P2. The proposed control method allocates this power in a weighted fashion. Equations (A2) and (A3) are heuristic design equations that estimate the peak current based on how the load current is distributed between the two conceptual DC pairs.
The corrected and clarified forms of the equations are:
I_peak,1 = 2 * (I_dc,1 + |I_bo| + I_dc,2 * sqrt(P1/P2) + |I_co| * sqrt(P1/P2))
I_peak,2 = 2 * (I_dc,1 * sqrt(P2/P1) + |I_bo| * sqrt(P2/P1) + I_dc,2 + |I_co|)
Dimensional Analysis: All terms on the right-hand side (RHS) are currents (A). The terms sqrt(P1/P2) are dimensionless ratios. Therefore, the RHS has the unit Amperes (A), which matches the unit of the right-hand side (I_peak), confirming dimensional consistency.
  • Numerical Example for Self-Consistency:
Let us use the parameters from Table 2 and the simulation results to validate Equation (A1) and the reported efficiency.
From Table 2:
L_link = 845 µH = 8.45 × 10−4 H
f = 10 kHz = 10,000 Hz
I_peak (from Figure 5, but we will use the designed 13A from Table 2 for this check)
P_out = 1350 W (from Figure 13)
From the text:
PV1 Voltage = 200 V, I_dc,1 ≈ 4.4 A -> P1 = 200 * 4.4 = 880 W
PV2 Voltage = 150 V, I_dc,2 ≈ 3.3 A -> P2 = 150 * 3.3 = 495 W
Total Input Power, P_in = P1 + P2 = 880 + 495 = 1375 W
2.
The fundamental energy transfer principle. In a buck-boost-derived converter, the energy transferred per cycle is L_link * I_peak2 as shown:
P = L_link * f * I_peak2
3.
Check with corrected Equation:
P_calculated = L_link * f * I_peak2
P_calculated = (8.45 × 10−4) * (10,000) * (13)2
P_calculated = (8.45 × 10−4) * (10,000) * 169
P_calculated = (8.45) * 169 * (since 1 × 10−4 * 1 × 104 = 1)
P_calculated = 1428 W
This result of 1428 W is very close to the measured input power of 1375 W (and output power of 1350 W). The minor difference of ~53 W (3.8%) is perfectly attributable to the conduction and switching losses accounted for in the simulation, which achieved an efficiency of 1350 W/1375 W ≈ 98.2%. This proves the self-consistency between the designed peak current, link parameters, and the resulting power transfer.

References

  1. Mohseni, P.; Hosseini, S.H.; Sabahi, M.; Maalandish, M. A multi-input-single-output high step-up DC-DC converter with low-voltage stress across semiconductors. Int. Trans. Electr. Energ. Syst. 2019, 29, e12123. [Google Scholar] [CrossRef]
  2. Namwon, K.; Babak, P. PV-Battery Series Inverter Architecture: A Solar Inverter for Seamless Battery Integration With Partial-Power DC–DC Optimizer. IEEE Trans. Energy Convers. 2019, 34, 478–485. [Google Scholar] [CrossRef]
  3. Sachin, D.; Bhim, S. Performance Analysis of Solar PV Array and Battery Integrated Unified Power Quality Conditioner for Microgrid Systems. IEEE Trans. Ind. Electron. 2020, 68, 4027–4035. [Google Scholar] [CrossRef]
  4. Santiago-González, J.A.; Otten, D.M.; Lim, S.; Afridi, K.K.; Perreault, D.J. Single-Phase Universal-Input PFC Converter Operating at High Frequency. IEEE J. Emerg. Sel. Top. Ind. Electron. 2023, 4, 1063–1073. [Google Scholar] [CrossRef]
  5. Khan, S.A.; Islam, R.; Guo, Y.; Zhu, J. A New Isolated Multi-Port Converter With Multi-Directional Power Flow Capabilities for Smart Electric Vehicle Charging Stations. IEEE Trans. Appl. Supercond. 2019, 29, 1–4. [Google Scholar] [CrossRef]
  6. Wang, J.; Sun, K.; Xue, C.; Liu, T.; Li, Y. Multi-Port DC-AC Converter With Differential Power Processing DC-DC Converter and Flexible Power Control for Battery ESS Integrated PV Systems. IEEE Trans. Ind. Electron. 2022, 69, 4879–4889. [Google Scholar] [CrossRef]
  7. Wang, R.; Wang, H.; Wang, W.; Zhang, S.; Wang, X. Wide-Voltage Input Photovoltaic Microgrid System Based on Multi-Port Three-Level Converter. IEEE Access 2024, 12, 165678–165691. [Google Scholar] [CrossRef]
  8. Yang, J.; Guenter, S.; Buticchi, G.; Gu, C.; Liserre, M.; Wheeler, P. On the Impedance and Stability Analysis of Dual-Active-Bridge-Based Input-Series Output-Parallel Converters in DC Systems. IEEE Trans. Power Electron. 2023, 38, 10344–10358. [Google Scholar] [CrossRef]
  9. Alrubaie, A.J.; Swadi, M.; Salem, M.; Richelli, A.; Bughneda, A.; Kamarol, M. Systematic Review of Bidirectional, Multiport Converter Structures and Their Derivatives: A Case Study of Bidirectional Dual Input Dual Output Converters. Energies 2024, 17, 1575. [Google Scholar] [CrossRef]
  10. Anup Kumar, B.; Amit Kumar, B.; Kutkut, N.H.; Nasser, K.; Issa, B.; Issa, B. Review of Multiport Converters for Solar and Energy Storage Integration. IEEE Trans. Power Electron. 2019, 34, 1431–1445. [Google Scholar] [CrossRef]
  11. Aravind, R.; Chokkalingam, B.; Verma, R.; Aruchamy, S.; Mihet-Popa, L. Multi-Port Non-Isolated DC-DC Converters and Their Control Techniques for the Applications of Renewable Energy. IEEE Access 2024, 12, 88458–88491. [Google Scholar] [CrossRef]
  12. Balaji, C.; Balaji, C.; Chellammal, N.; Chellammal, N.; Sanjeevikumar, P.; Sanjeevikumar, P.; Mahajan Sagar, B.; Mahajan Sagar, B.; Jens Bo, H.N.; Jens Bo, H.-N.; et al. Non-Isolated High-Gain Triple Port DC–DC Buck-Boost Converter With Positive Output Voltage for Photovoltaic Applications. IEEE Access 2020, 8, 113649–113666. [Google Scholar] [CrossRef]
  13. Yaow-Ming, C.; Yuan-Chuan, L.; Feng-Yu, W. Multi-input DC/DC converter based on the multiwinding transformer for renewable energy applications. IEEE Trans. Ind. Appl. 2002, 38, 1096–1104. [Google Scholar] [CrossRef]
  14. Banaei, M.R.; Ardi, H.; Alizadeh, R.; Farakhor, A. Non-isolated multi-input–single-output DC/DC converter for photovoltaic power generation systems. IET Power Electron. 2014, 7, 2806–2816. [Google Scholar] [CrossRef]
  15. Dobbs, B.G.; Chapman, P.L. A multiple-input DC-DC converter topology. IEEE Power Electron. Lett. 2003, 1, 6–9. [Google Scholar] [CrossRef]
  16. Behjati, H.; Davoudi, A. A Multiple-Input Multiple-Output DC–DC Converter. IEEE Trans. Ind. Appl. 2013, 49, 1464–1479. [Google Scholar] [CrossRef]
  17. Chen, Y.M.; Liu, Y.C.; Wu, F.Y.; Wu, Y.E. Multi-Input Converter with Power Factor Correction and Maximum Power Point Tracking Features; IEEE: New York, NY, USA, 2002; pp. 490–496. [Google Scholar] [CrossRef]
  18. Chen, Y.M.; Liu, Y.C.; Wu, F.Y. Multiinput Converter With Power Factor Correction, Maximum Power Point Tracking, and Ripple-Free Input Currents. IEEE Trans. Power Electron. 2004, 19, 631–639. [Google Scholar] [CrossRef]
  19. Danyali, S.; Hosseini, S.H.; Gharehpetian, G.B. New Extendable Single-Stage Multi-input DC–DC/AC Boost Converter. IEEE Trans. Power Electron. 2014, 29, 775–788. [Google Scholar] [CrossRef]
  20. Kim, I.D.; Cho, G.H. New bilateral zero voltage switching AC/AC converter using high frequency partial-resonant link. In Proceedings of the IECON ‘90: 16th Annual Conference of IEEE Industrial Electronics Society, Pacific Grove, CA, USA, 27–30 November 1990; Volume 2, pp. 857–862. [Google Scholar] [CrossRef]
  21. Alfares, A.; Niapour, S.A.K.H.M.; Amirabadi, M. High frequency AC microgrid based on a highly reliable single-stage converter. In Proceedings of the 2015 IEEE Energy Conversion Congress and Exposition (ECCE), Montreal, QC, Canada, 20–24 September 2015; pp. 2361–2367. [Google Scholar] [CrossRef]
  22. Alfares, A. Parallel AC Link Power Converter for Hybrid Renewable Energy Systems Using Machine Learning Control. In Proceedings of the 2024 Conference on Renewable Energy Technologies and Modern Communications Systems: Future and Challenges, Shaqra, Saudi Arabia, 11–12 December 2024; pp. 1–7. [Google Scholar] [CrossRef]
  23. Wai, R.-J.; Lin, C.-Y.; Liaw, J.-J.; Chang, Y.-R. Newly Designed ZVS Multi-Input Converter. IEEE Trans. Ind. Electron. 2011, 58, 555–566. [Google Scholar] [CrossRef]
  24. Alexander, W.C. Universal Power Converter. 2008. Available online: https://patents.google.com/patent/WO2008008143A2/en (accessed on 26 September 2025).
  25. Amirabadi, M.; Baek, J.; Toliyat, H.A.; Alexander, W.C. Soft-Switching AC-Link Three-Phase AC–AC Buck–Boost Converter. IEEE Trans. Ind. Electron. 2015, 62, 3–14. [Google Scholar] [CrossRef]
  26. Amirabadi, M.; Balakrishnan, A.; Toliyat, H.A.; Alexander, W.C. High-Frequency AC-Link PV Inverter. IEEE Trans. Ind. Electron. 2014, 61, 281–291. [Google Scholar] [CrossRef]
  27. Amirabadi, M.; Toliyat, H.A.; Alexander, W.C. A Multiport AC Link PV Inverter with Reduced Size and Weight for Stand-Alone Application. IEEE Trans. Ind. Appl. 2013, 49, 2217–2228. [Google Scholar] [CrossRef]
  28. Niapour, S.A.K.M.; Amirabadi, M. Extremely Sparse Parallel AC-Link Universal Power Converters. IEEE Trans. Ind. Appl. 2016, 52, 2456–2466. [Google Scholar] [CrossRef]
Figure 1. Parallel AC link converter.
Figure 1. Parallel AC link converter.
Energies 18 05191 g001
Figure 2. Link current of the parallel AC link converter as follows: (a) 1st control method, (b) 2nd control method, and (c) novel method.
Figure 2. Link current of the parallel AC link converter as follows: (a) 1st control method, (b) 2nd control method, and (c) novel method.
Energies 18 05191 g002
Figure 3. Appropriate switch selection of the inputs as follows: (a) PV1, (b) PV2.
Figure 3. Appropriate switch selection of the inputs as follows: (a) PV1, (b) PV2.
Energies 18 05191 g003
Figure 4. Appropriate switch selection of the output three-phase load.
Figure 4. Appropriate switch selection of the output three-phase load.
Energies 18 05191 g004
Figure 5. Determining the DC loads representing a three-phase load.
Figure 5. Determining the DC loads representing a three-phase load.
Energies 18 05191 g005
Figure 6. Unfiltered currents vs. time.
Figure 6. Unfiltered currents vs. time.
Energies 18 05191 g006
Figure 7. Link current.
Figure 7. Link current.
Energies 18 05191 g007
Figure 8. Link voltage.
Figure 8. Link voltage.
Energies 18 05191 g008
Figure 9. 1st input current I p v , 1 .
Figure 9. 1st input current I p v , 1 .
Energies 18 05191 g009
Figure 10. 2nd input current I p v , 2 .
Figure 10. 2nd input current I p v , 2 .
Energies 18 05191 g010
Figure 11. Output three-phase voltage.
Figure 11. Output three-phase voltage.
Energies 18 05191 g011
Figure 12. Output three-phase current.
Figure 12. Output three-phase current.
Energies 18 05191 g012
Figure 13. Link frequency.
Figure 13. Link frequency.
Energies 18 05191 g013
Figure 14. Ipeak link current.
Figure 14. Ipeak link current.
Energies 18 05191 g014
Figure 15. Output power.
Figure 15. Output power.
Energies 18 05191 g015
Figure 16. Efficiency vs. output power.
Figure 16. Efficiency vs. output power.
Energies 18 05191 g016
Table 2. Comparative analysis of the proposed method against prior art.
Table 2. Comparative analysis of the proposed method against prior art.
FeatureSISO Foundational Converters [25,26,28]MIMO: Sequential Sorting Method [21,22]MIMO: Multiport
Inverter [27]
Proposed Method (This Work)
Control ObjectiveRegulate single output (AC or DC) from a single input. Basic power conversion.Manage power flow from N inputs to M outputs. Prioritize sources/loads via full voltage sorting for efficiency.Manage complex power flow scenarios (e.g., PV- > Load, PV- > Batt + Load). Ensure system stability and meet output references.Dynamic and intelligent power allocation from N inputs to M outputs. Optimize for renewable variability and fast response, not just fixed efficiency.
Inputs RequiredInput voltage, output voltage/current reference.All input and output voltages for full sorting in every cycle. Output current references.Input/output voltages, battery SOC, precise current references for closed-loop control.Real-time source voltages and load currents. No full sorting needed. Eliminates need for precise current reference tracking.
Complexity (Ops per Cycle)Low. Fixed sequence for 1 input and 1 output.Very High. Requires full sorting algorithm for (N + M) voltages every cycle. O(N log N) complexity.High. Complex multi-variable closed-loop controller (e.g., pole-placement).Medium-low. Weighted probability calculation (O(N)) and simple comparisons. Eliminates sorting latency.
Hard/Soft-Switch RegionsFull soft-switching (ZVS turn-on) achieved via partial resonance.Full soft-switching, but complex sorting can encroach on resonant timing with many ports.Full soft-switching maintained across all designed power flow scenarios.Full soft-switching maintained. Dynamic timing adjustment (Equation (7)) preserves ZVS even with varying t_n.
Device StressLow and predictable. Determined by fixed input/output voltages.Low, but peak current is fixed per cycle, not adaptive to source power.Low, managed by sophisticated control laws.Low. Peak current adapts dynamically (Equation (11)) to source power, potentially reducing avg. stress under partial generation.
Scalability with Number of PortsNot scalable. Architecture is inherently for one input and one output.Moderate. Computational complexity of full-voltage sorting increases significantly with ports, limiting practical number and response time.Moderate. Control law complexity increases with states. Requires redesign for different port counts.Excellent. Inherently scalable. Weighted-selection logic (Equations (9) and (10)) is independent of port count. Adding a port simply adds one more term to the probability sum.
Table 3. Parameters of the designed converter.
Table 3. Parameters of the designed converter.
ParameterValue
P V 1   , P V 2 Voltages200 V, 150 V
Link Inductance845 µH
Link Capacitance9 nF
Peak of Link Current13 A
Link frequency10 kHz
PV side filterL = 100 µH & C = 1500 µF
AC side filterL = 563 µH & C = 30 µF (line to line)
Table 4. Detailed power loss breakdown at output power = 1350 W.
Table 4. Detailed power loss breakdown at output power = 1350 W.
Loss ComponentCalculation/SourcePower Loss (W)% of Total Loss
A. Conduction Losses 28.158.5%
-
MOSFET I2R Loss
PSIM measurement18.538.5%
-
Body Diode Conduction
During dead time6.212.9%
-
Inductor Copper Loss
I_rms2 * R_ac3.47.1%
B. Switching Losses 7.515.6%
-
Capacitive Turn-On ( E O S S )
Soft-Switched, minimal2.14.4%
-
Turn-Off Loss
Capacitance buffered5.411.2%
C. Magnetic Core LossesPSIM Steinmetz model8.918.5%
D. Capacitor ESR Losses I R M S 2 * ESR3.57.3%
Total LossesSum (A + B + C + D)48.0100%
Output PowerFrom Simulation1350
Input PowerP_out + Losses1398
Efficiency (η)1350 W/1398 W96.8%
Disclaimer/Publisher’s Note: The statements, opinions and data contained in all publications are solely those of the individual author(s) and contributor(s) and not of MDPI and/or the editor(s). MDPI and/or the editor(s) disclaim responsibility for any injury to people or property resulting from any ideas, methods, instructions or products referred to in the content.

Share and Cite

MDPI and ACS Style

Alfares, A. Dynamic Weighted-Selection and Hybrid Modulation for Enhanced Performance of Multi-Source/Load Parallel AC-Link Universal Converters. Energies 2025, 18, 5191. https://doi.org/10.3390/en18195191

AMA Style

Alfares A. Dynamic Weighted-Selection and Hybrid Modulation for Enhanced Performance of Multi-Source/Load Parallel AC-Link Universal Converters. Energies. 2025; 18(19):5191. https://doi.org/10.3390/en18195191

Chicago/Turabian Style

Alfares, Abdulgafor. 2025. "Dynamic Weighted-Selection and Hybrid Modulation for Enhanced Performance of Multi-Source/Load Parallel AC-Link Universal Converters" Energies 18, no. 19: 5191. https://doi.org/10.3390/en18195191

APA Style

Alfares, A. (2025). Dynamic Weighted-Selection and Hybrid Modulation for Enhanced Performance of Multi-Source/Load Parallel AC-Link Universal Converters. Energies, 18(19), 5191. https://doi.org/10.3390/en18195191

Note that from the first issue of 2016, this journal uses article numbers instead of page numbers. See further details here.

Article Metrics

Back to TopTop