Next Article in Journal
Enhancing Fuel Cell Hybrid Electric Vehicle Energy Management with Real-Time LSTM Speed Prediction
Next Article in Special Issue
Mechanism Analysis of Wide-Band Oscillation Amplification for Long-Distance AC Transmission Lines
Previous Article in Journal
The Relationship Between the Energy Market, Economic Growth, and Stock Market Performance: A Case Study of COMESA
Previous Article in Special Issue
Research on Power Transmission Capacity of Transmission Section for Grid-Forming Renewable Energy via AC/DC Parallel Transmission System Considering Synchronization and Frequency Stability Constraints
 
 
Font Type:
Arial Georgia Verdana
Font Size:
Aa Aa Aa
Line Spacing:
Column Width:
Background:
Article

Identification of Critical Transmission Sections Considering N-K Contingencies Under Extreme Events

by
Xiongguang Zhao
1,
Xu Ling
1,
Mingyu Yan
2,
Yi Dong
2,*,
Mingtao He
2 and
Yirui Zhao
2
1
Central China Branch of State Grid Corporation of China, Wuhan 430077, China
2
State Key Laboratory of Advanced Electromagnetic Engineering and Technology, School of Electrical and Electronic Engineering, Huazhong University of Science and Technology, Wuhan 430077, China
*
Author to whom correspondence should be addressed.
Energies 2025, 18(16), 4342; https://doi.org/10.3390/en18164342
Submission received: 27 June 2025 / Revised: 3 August 2025 / Accepted: 11 August 2025 / Published: 14 August 2025

Abstract

Monitoring critical transmission sections is essential for ensuring the operational security of power grids. This paper proposes a systematic method to identify critical transmission sections using the maximum flow–minimum cut theorem. The approach begins by representing the power grid as an undirected graph and identifying its hanging nodes. The network is then partitioned into several undirected subgraphs based on identified cut points. Each subgraph is transformed into a flow network according to actual power flow data. An efficient minimum cut set search algorithm is developed to locate potential transmission sections. To assess the risk under extreme conditions, a mixed-integer optimization model is formulated to select sections that are vulnerable to overload-induced tripping during N-K line outages caused by natural disasters. Simulation results on the IEEE RTS 24-bus and IEEE 39-bus systems validate the effectiveness and applicability of the proposed method.

1. Introduction

In recent years, extreme events have occurred frequently, causing significant damage to the infrastructure of the power system. For example, in 2010, a serious earthquake struck Chile. It led to a blackout for several days and thus caused a great loss of USD 6.5 billion for the country [1]. In 2015, the well-known cyber-attack events occurred in Ukraine, where several substations were compromised, and their connected lines were subsequently tripped [2]. Typhoon Meranti caused severe damage to the power grid infrastructure in Fujian Province, China, disrupting electricity supply to millions of users and resulting in great economic losses estimated at RMB 21 billion [3]. In 2017, Hurricane Harvey caused power outages for nearly 300 thousand users or residents in the U.S.A., which consequently caused one substation to become severely damaged, while six others faulted due to flooding [4]. Hence, it is essential to identify and monitor critical transmission components to enhance power grids’ security.
Many studies have focused on how to identify vulnerable components in the event of extreme occurrences. Refs. [5,6] analyze power grids’ vulnerability by ranking contingencies according to the level of load losses or the violation of voltage limits of power systems. Also, based on complex network theory, Refs. [7,8] utilize topology indexes such as betweenness and degree to identify vulnerable components in power grids.
Except for index-based methods, multi-level mixed-integer optimization is another popular method to identify critical transmission components such as transmission lines that would cause the maximum load loss when simultaneously tripped, typically using the classical bi-level N-K model. In [9,10], a probabilistic bi-level model built on the classical attacker–defender (AD) model is proposed to identify critical transmission lines in some extreme events, particularly in the context of cyber-attacks. Extended from the classical AD model, a tri-level mixed-integer defender–attacker–defender model is utilized to identify critical transmission lines, where the defender at top level determines the critical components to be protected, while the attacker at the middle level simulates the worst components’ contingencies, and the simulated operator at the bottom level performs re-dispatching measures to accommodate contingencies that have occurred in extreme events [2]. In the case that the security planner at the top level has no idea about the exact maximum number of disrupted components in extreme events, stochastic optimization has been widely utilized to accommodate the uncertain number of contingencies, aiming to minimize the expected load loses by specifying probability distribution for all possible contingency scenarios [11,12]. References [1,13] also consider the endogenous uncertainties in line contingency analysis; i.e., the feasible contingency uncertainty set is influenced by the defensive strategies. Considering the limited historical data for extreme events, the system planner may not accurately estimate the probabilities of possible contingency scenarios. In [14,15], distributionally robust optimization is used to tackle the uncertainty of probability distribution, which can be described through moment information or Wasserstein distance.
Despite significant progress in contingency analysis, most existing studies focus on identifying independent N-K line outages that may trigger load loss, cascading failures, or operational violations. However, they often overlook a critical class of vulnerabilities: transmission sections, i.e., groups of lines whose failure may jointly lead to system separation or islanding. A critical transmission section refers to a specific group of transmission lines. When the generation output or load in a certain area change, or when a fault causes a line to trip within this group, it can lead to overloads on the remaining lines in the set and may even pose additional stability risks. The flow direction of the lines within a critical transmission section is the same, so the risk of flow overload caused by a line contingency in this section is often greater. Such structural risks are not adequately captured by models that assess individual component failures in isolation. Since the transmission network has a large number of nodes and complex operating conditions, identifying all critical transmission sections can assist grid operators in mastering the weak points of the power grid.
Some studies have attempted to identify critical transmission sections from the perspective of static security risk. These approaches are generally classified into two categories: (1) methods based on power flow transfer relationships [16,17], and (2) methods based on network partitioning strategies [18,19,20]. However, such methods face notable limitations: they often fail to detect critical lines that do not lie on predefined minimum cuts between partitions, and their results are highly sensitive to the choice and granularity of partitioning, which may result in the omission of important transmission sections. Furthermore, to the best of our knowledge, existing research rarely considers the fault coupling between line-level and node-level components (e.g., substations and their connected lines), which can significantly influence the identification and ranking of critical transmission sections.
In this paper, the power grid is modeled as a directed weighted graph, and an efficient algorithm is proposed for identifying critical transmission sections based on the max-flow and min-cut theorem. Unlike traditional partitioning-based approaches, the proposed algorithm does not require a predefined grid partitioning scheme. Instead, it performs an exhaustive search for candidate transmission sections by evaluating flow direction consistency and topological characteristics. Critical sections are then selected according to the load conditions on the lines. This method overcomes the limitations of partition-based techniques, which often overlook sections located within a partition, as well as the shortcomings of conventional cut-set methods that only identify basic minimum cuts. In addition, the algorithm preserves flow consistency across the network, facilitating accurate estimation of static transmission capacity.
Furthermore, a mixed-integer optimization model is developed to evaluate the structural vulnerability of transmission sections under extreme events involving “N-K” line outages. Importantly, the model also considers coupling relationships between failed line-level and node-level components (e.g., substations and their connected lines), which may significantly affect the formation of minimum cuts and the risk of system separation. This integrated framework enables a more comprehensive and realistic assessment of critical transmission sections that threaten grid security under complex contingency scenarios.
The remainder of this paper is organized as follows: Section 2 presents the identification method of transmission sections. Section 3 describes the proposed optimization model for identifying critical transmission sections. Section 4 presents case studies to validate the proposed methods. Section 5 draws the conclusion.

2. Identification of Transmission Section

A.
The construction of simplified network flow graph
Transmission section refers to a specific set of transmission lines in a power grid, through which electricity is transmitted from one area to another. Within a transmission section, the power flow direction of all the lines is consistent. On the other hand, the network flow graph, which is a directed graph, can be used to represent the flow of commodities between nodes. In the context of power systems, a network flow graph can represent the transmission of electricity across the power grid, where the nodes represent various parts of the electrical network (e.g., substations or generators), and the edges represent transmission lines or power pathways. Hence, transmission section can be identified based on network flow graph constructed from the power grids.
To reduce the search space for transmission sections, we simplify the undirected graph at first. This simplification includes removing hanging nodes and partitioning the graph into smaller subgraphs based on cut points.
The power grids can be abstractly described by an undirected graph Grph = (B, L, C) where B is the nodes’ set representing the substations, L is the transmission lines’ set, and C is the adjacency matrix that describes the connection relationships between nodes and lines in the graph [21].
In graph theory, a hanging node refers to the node whose degree is 1, or a node whose degree becomes 1 after deleting the nodes with degree 1 from the graph. This is because it is apparent without any search that removing the edges connected to hanging nodes will cause the power grid to become disconnected. Therefore, we can simplify the undirected graph by removing the corresponding hanging nodes, as Figure 1 illustrates.
On the other hand, according to the definition of a cut vertex, removing a cut vertex will result in disconnected subgraphs, and the edges within each subgraph will not form any cycles with edges from other subgraphs. The cut vertices of the graph can be quickly identified using Tarjan’s algorithm [22]. By removing the cut vertices, the corresponding subgraphs can be obtained, as shown in Figure 2.
In graph theory, if a weighted directed graph Grph = (B, L, C, V) satisfies the following conditions, it is defined as a network flow graph: (1) There is exactly one node oB with an in-degree 0, which is called the source node; (2) there is exactly one node dB with an out-degree 0, which is called the sink node; (3) for any edge (o,d) ∈ L, there exists R(o,d) ∈ R+, where R(o,d) is called the capacity of the edge (o,d) [23].
Figure 3 illustrates the maximum flow in a network flow graph. In a network flow graph, the edges are typically referred to as arcs. The numbers on the arcs represent both the flow and the capacity of the arc, with the flow on the left side of the slash and the capacity on the right side. A network flow is considered feasible if it satisfies the capacity constraint, i.e., f(o,d) ≤ R(o,d), and the flow conservation constraint, which states that for every node except the source node s and the sink node t, all of the flows entering the node equal the total flows exiting the node. The maximum flow problem involves determining the power flow from the source node s to the sink node t that maximizes the feasible flow.
The equivalence between the minimum cut problem and the maximum flow problem has been proven in [24], which is well known as the max-flow min-cut theorem.
In power grids, a transmission section has the following critical characteristics:
(1)
Transmission section is a cut-set of the graph that is built on the topology and power flow of power grids.
(2)
Transmission section facilitates the transfer of electricity among regions, and thus the active power flow direction is consistent for the section.
(3)
The transfer relationship of power flow among regions remains unchanged if some lines in the same transmission section are disrupted, the sensitivity of power flow for the remaining lines is relatively high.
Based on characteristics (1) and (2), the transmission section shares similarities with the minimum cut property of a network flow graph. As a channel for transferring power from the generation area to the heavy loaded area in power grids, the transmission capacity of a transmission section is primarily limited by the line’s thermal capacity. Similarly, the maximum flow is constrained by the edges with the smallest capacity, i.e., the minimum cut. The identification of transmission sections can thus be transformed into the problem of searching for the minimum cut in a graph.
Therefore, based on the power grid topology, the above-mentioned simplification method for undirected graphs can be applied to remove hanging nodes, identify cut vertices, and divide the undirected graph into subgraphs based on the cut vertices to construct the network flow graph. Each subgraph also includes the cut vertices and the edges connecting the nodes within the subgraph to the cut vertices. In the network flow graph, the direction of the arcs is determined by the power flow direction, pointing from the node where the flow originates to the node where the flow terminates. The capacity R(o,d) of the edge (o,d) can be defined according to Formula (1) [25].
R ( o , d ) = F l max ( o , d ) f N ( o , d ) F l max ( o , d )
where Flmax(o,d) is the maximum rating of line (o,d)’s power flow, and fN(o,d) is the active power flow of line (o,d) under a normal operation state. Clearly, when all transmission lines operate within their limits, the network flow graph satisfies the capacity constraints, and the greater the active power flow of a line and the smaller its current-carrying capacity, the more likely it is to become part of a minimum cut for the power grids.
By solving the minimum cut problem for the power grids, the transmission sections of the power system can be identified. However, limiting the search to only the minimum cut may result in omissions, which are illustrated in case studies. A simple transmission system, as shown in Figure 4, is used as an example to illustrate this issue.
If only one minimum cut search is performed on the system shown in Figure 4, the result would be {lAD, lAB}. However, in reality, if lAD fails and goes out of operation, the active power flows on lBC and lCD would also increase. Due to the complexity of power flow transfer relationships, {lAD, lBC} or {lAD, lCD} could also be identified as transmission sections between zone 1 and zone 2. To address this problem, an iterative search strategy for the minimum cut based on tree structure is devised.
Take the system shown in Figure 5 as an example. This figure represents the network flow graph of the IEEE 5-node system, where the direction of the arrows on the arcs indicates the flow direction. The initially identified minimum cut from s to t is labeled as cut set 1, which includes lines e1 and e2. After determining the initial cut set, the capacity of any edge in the initial cut set is set to infinity, and the maximum flow minimum cut search process is repeated. For example, by setting the capacity of edge e1 in cut set 1 to infinity, a second minimum cut search is performed, resulting in cut set 2. Then, applying the same operation to e6 in cut set 2, the capacities of edges e1 and e6 are set to infinity. Solving the maximum flow minimum cut problem for this updated network flow graph yields cut set 3. Using this iterative search strategy, the cut sets 1, 2, and 3 are obtained, as shown by the dashed lines in the figure.
Hence, the states of the network flow graph during the search process can be represented using a search tree, as follows. Figure 6 shows the search tree generated during the minimum cut search process for the system. In the figure, e1 and e2 are the cut set obtained from the first search. The third level of the left branch, e5 and e6, corresponds to the cut set obtained after the capacity of node e1 is set to infinity, and so on. Based on the results of each maximum flow calculation, the search for a branch in the search tree is terminated when the maximum flow value becomes infinite or the search tree reaches its search depth.
It should be noted that redundant edges may sometimes be identified during the search process for the minimum cut set. Therefore, it is necessary to remove minimum cut sets that contain invalid edges or redundant edges from the search results. The cut sets with redundant edges can be identified at first by checking whether the currently searched minimum cut set is a subset of the already identified cut set, i.e., by taking the intersection of the identified minimum cut sets. The cut sets with invalid edges can be determined by checking whether the network flow graph remains connected after removing the edges identified in the current search. If the power set of the currently searched minimum cut set does not contain any previously identified cut set, and removing the edges of the current minimum cut set causes the network flow graph to split into several disconnected subgraphs, then the currently searched minimum cut set can be added to the transmission section set. The devised search algorithm is illustrated in Figure 7.

3. Identification of Critical Transmission Section Considering N-K Contingencies

Conventionally, N-1 or N-2 criteria are implemented to ensure the reliability of power systems. However, extreme events such as flooding, hurricanes, and cyber-attacks have occurred frequently in recent years. In such extreme events, multiple transmission lines may be lost or disconnected due to specific or complex faults, leading to a greater transfer of power flow, which in turn increases the risk of cascading failures. This could lead to the emergence of more critical transmission sections. Hence, it is necessary to consider the identification of critical transmission sections under N-K extreme events.
In this section, we propose a mixed-integer optimization model to identify critical transmission sections.
When a line is disconnected, the power flow previously transmitted through it will be redistributed to adjacent transmission lines, potentially causing these lines to become overloaded. Generally, if the power flow of a transmission line remains at a lower level, the probability of the line tripping is very low. In this paper, we assume this very low probability is 0.001. However, as the power flow of a line approaches its thermal limit, the probability of tripping increases, which can be estimated based on the percentage of line l’s power flow to its limit, and it will become 1 if its power flow exceeds the limit.
Since the line outages could probably have an impact on their adjacent lines and consequently cause them outages, the line contingencies can be separated into outage lines and impacted lines. In this section, we propose a MILP model to identify k lines whose outages would render the maximum number of minimum cuts that are formed by the outage lines and its impacted lines identified in the corresponding transmission section. The binary variables sn, vl, and wl are used to indicate the states of bus n’s substation and line l, which are defined as follows:
sn: 1 indicates bus n’s substation is disrupted when it suffers extreme events, and 0 otherwise.
al: 1 indicates line l is in outage when it suffers extreme events, and 0 otherwise.
vl: 1 indicates line l is impacted due to the transferred power flow after N-K line contingencies caused by extreme events, and 0 otherwise.
Then, the proposed critical transmission section identification (CTSI) model can be formulated as follows:
max c a c
s . t .   n s n K 1
l v l K 2
v l = s n = o ( l ) + s n = d ( l )         l
w l + v l 1                     l Ω
a c w l Ψ ( c ) + v l Ψ ( c )             c
A b g P g 0 A b d D d = A b f f l
f l = 1 | x l | ( 1 v l ) A b f θ n           l
θ n max θ n θ n max             n
f l max 1.1 F l max w l = 1         l Ω
In the proposed model, c represents the minimum cut index of the network flow graph. ac is binary variables that indicate whether the minimum cut of each selected network flow graph has a disconnection risk. The network flow graph is generated from power grids according to the introduction in Section II. When ac = 1, the minimum cut can be applied to power grids, which indicates the system has the risk of being separated. When ac = 0, there is no disconnection risk of forming a minimum cut in power grids. Ψ(c) represents the set of transmission lines in the minimum cut c, and f(l) and t(l) are substations at the original and destination buses of transmission line l. As formulation (2) shows, the proposed model aims at the minimum cuts that are most likely to form within a transmission section when the power grid is attacked by extreme events. These minimum cuts represent the critical transmission sections. Two stages are considered here. The first stage simulates the worst K line contingencies under extreme events. Then, the power flow transfer caused by the outage of these K lines is considered, which may result in nearby lines exceeding their flow limits, thereby increasing the probability of protection devices triggering a trip. The objective function is formulated in (2), which represents the proposed model aimed at identifying all the potential minimum cuts under extreme cuts. Constraints (3) and (4) specify the budgets of disrupted substations and transmission lines. In constraint (5), when sn=o(l) = sn=d(l) = 0, then the binary variable vl that represents the status of the line is forced to 0. This implies that line l cannot be destroyed. In other words, line l remains in service only if both substations connected to it are safe. Constraint (6) ensures that line l cannot be selected if it has already been disconnected in the first stage, as no power flow can be transferred through a disconnected line. This prevents the erroneous selection of line l for power transfer when it is no longer in service. Constraint (7) states that if none of the lines in the minimum cut c experience outages, and there is no risk of tripping due to power flow exceeding their limits, then the occurrence of the minimum cut c is not possible; i.e., ac = 0. Constraints (8)–(10) represent the classical DC optimal power flow [11], where constraint (8) represents the node power balance equation, and constraint (9) represents the DC branch flow constraint for the transmission line with the consideration of line status. In constraint (9), when vl = 1, the line l is disconnected, and the power flow through on this line is 0. Constraint (10) represents the bounds of the voltage angle of node n. It should be noted that constraint (10) can be linearized as follows. Constraint (11) indicates that if the power flow through a transmission line l exceeds 1.1 times its maximum capacity limit, this line may trip.
f l 1.1 F l max M v l E                 l f l 1.1 F l max M ( 1 v l )           l
where M is a sufficiently big constant, while E is a very small constant.
By solving the proposed CTSI model, the critical transmission section can be identified. So far, the whole procedure for identifying the critical transmission section can be implemented, as Figure 8 illustrates. As Figure 8 illustrates, the process begins by transforming the power grid into an undirected graph representation. To reduce complexity, the undirected graph is simplified by removing hanging nodes and identifying cut vertices, resulting in multiple sub-undirected graphs. This simplification step is applied twice to ensure all unnecessary components are removed, focusing the analysis on meaningful structural elements. Once the simplified subgraphs are obtained, a DC power flow calculation is performed. Based on the power flow results, each sub-undirected graph is converted into a corresponding network flow graph that reflects the actual flow distribution within the system.
Following this transformation, the search algorithm developed in Section II is applied to the network flow graph to identify transmission sections that are potentially critical under contingency conditions. Finally, the proposed CSTI model is calculated to evaluate and determine the most critical transmission sections. This step outputs the substations and transmission lines that are at risk, enabling targeted reinforcement or protection measures to enhance system reliability.

4. Case Studies

The IEEE 24 and 39-bus system [26] are taken as testbeds for explaining the proposed identification method. The fundamental minimum cut can be identified by using the NetworkX package (version networkx 2.8.4).
A.
Case studies of the IEEE RTS 24-bus system
According to the method introduced in Section II, the IEEE 24-bus system can be transformed into an undirected graph based on which of its hanging nodes can be identified while no articulation point has been screened out. Specifically, there is only one hanging node, located at bus 7.
Combined with the calculation results of power flow, the undirected graph can be further converted to a network flow graph. In Figure 2, the direction of the arrows indicates the power flow direction along the transmission lines, while the thickness of the lines represents the magnitude of the power flow. Based on the out-degree and in-degree of each node, pure source nodes (with in-degree equal to 0) and pure sink nodes (with out-degree equal to 0) are identified, where the pure source nodes are {23, 22}, and the pure sink nodes are {5, 4, 6, 8, 19}.
For example, taking bus 22 as source node, and implementing the fundamental search algorithm based on the max-flow min-cut theorem and improved search method, respectively, then Table 1 presents the corresponding identified minimum cut. It can be found that the minimum cut identified by the improved search method is far less than that derived from the fundamental method. As illustrated in Figure 9, if we remove the edges corresponding to results in the first row of Table 2, only the disconnections of edges {{17, 16}, (22, 21)} would cause the network flow graph being isolated; that is to say, the identified edges of {(9, 4), (9, 8), (10, 5), (10, 6), (10, 8), (24, 3)} are redundant and should be eliminated from the identified results.
Table 2 presents all the minimum cuts identified by setting different source nodes. The node combination {23, 22} means that the buses 23 and 22 are connected to a virtual source node, by which the search algorithm is implemented based on this virtual source node.
Based on the identified transmission sections, the proposed CSTI model is applied to determine the critical ones. Firstly, the influence of the number of line faults on the identification results of critical transmission sections is studied. By relaxing the constraint on the number of substation faults of K2 to five, we vary the maximum number of line faults of K2 from one to five and calculate the results of the CSTI model based on the IEEE RTS 24-bus system accordingly. The results are shown in Table 3. It can be observed in Table 3 that after removing the hanging nodes, if at most only one line contingency occurs, then the potentially tripping lines may not be able to form any minimum cut. As the maximum number of line contingencies for K2 increases to five, the number of possible minimum cuts gradually increases. Especially, when K2 increases from four to five, the number of possible minimum cuts suddenly increases by nine. This shows that under N-K contingency scenarios where extreme events may happen, the number of minimum cuts may increase sharply. Therefore, it is necessary to carry out early monitoring and prevention for these potentially risky critical transmission sections.
Next, we investigate the impact of the number of substation faults on the identification results of critical transmission corridors. Specifically, by relaxing the line fault constraint through setting the maximum number of line contingencies to K2 = 5, we vary the maximum number of substation contingencies for K2 from one to five and solve the CSTI model. The results are shown in Table 4. From Table 4, it can be seen that since the fault status of a line is limited by the number of its adjacent substation faults, even though the line fault constraint has been relaxed to five, the number of possible minimum cuts under extreme fault scenarios remains small when K1 = 1, 2, 3. However, when K1 increases to four and five, any worst-case N-5 line contingencies’ scenario can find a corresponding substation contingencies’ combination that makes it feasible. In this case, the identification results of critical transmission corridors become identical, and they are consistent with the last row of results in Table 3.
Most existing studies focus on identifying independent critical lines that would cause the maximum load loss when simultaneously tripped, typically using the classical bi-level N-K model. This model is commonly applied in contingency screening and in tri-level optimization for defense resource allocation, which can be found in many references. In contrast, the objective of our method is to identify critical transmission sections, i.e., minimal cut sets that would cause system partitioning (islanding) under certain coupled failure scenarios.
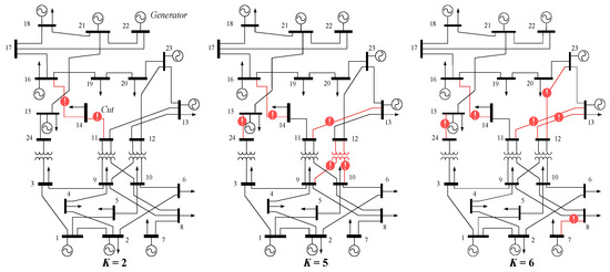
To illustrate the difference, we refer to Table 3, where cases with K2 = 1, 2, 3, 4 generate five minimal cut sets, each composed of two, five, or six failure lines. We then apply the N-K model, with K equal to the number of lines in each corresponding cut set (K = 2, 5, 6) and compute the critical lines and resulting load loss (see Figure 10 and Table 5).
Next, for each minimal cut identified by our method, we fix the corresponding lines in the N-K model and compute their associated load loss, as shown in Table 6. The comparison shows the following:
As seen in Figure 1, the N-K model tends to identify line combinations that cause higher load loss but do not lead to system separation. The grid remains connected, which allows system operators to apply load shedding and reserve dispatch to maintain stability.
In contrast, the minimal cuts identified by our method, although associated with lower load loss in some cases, always result in system separation and islanding, which are significantly more disruptive. It should be noted that islanding causes loss of centralized control, possible frequency and voltage instability, and a longer recovery process due to asynchronous system states.
Therefore, our method complements traditional N-K screening by identifying structurally vulnerable transmission sections that may not cause the highest load loss but pose greater risk to system integrity. This provides valuable additional insight for system operators to enhance grid monitoring and preventive control.
B.
Case studies of the IEEE 39-bus system
According to the method introduced in Section II, the IEEE 39 bus system can be transformed into an undirected graph at first. And according to the undirected graph, the hanging nodes and articulation points are identified. In the IEEE 39-bus system, there are 11 hanging nodes and two articulation points, located at buses 16 and 26.
Based on the identified articulation points, the network can be partitioned into three sub-networks, A, B, and C, which are illustrated in Figure 10. These sub-networks are connected only through single nodes, and the transmission lines within any two sub-networks cannot form closed loops with each other. Therefore, it can be reasonably assumed that after a line is disconnected, power flow will not transfer across sub-networks, allowing each sub-network to be analyzed independently. The following analysis focuses on sub-network A, which has the largest number of nodes and the most extensive network scale.
Sub-network A is extracted separately, as shown in Figure 11. Based on the out-degree and in-degree of each node, pure source nodes (with in-degree equal to 0) and pure sink nodes (with out-degree equal to 0) are identified. In sub-network A, the pure source nodes are {25, 16, 10}, and the pure sink nodes are {39, 4, 12, 15, 27}. Taking node 16 as the source node and connecting all pure sink nodes in the system to a virtual sink node, then the initial cut initial cut set {(26, 27), (25, 2), (18, 3), (11, 6), (11, 12)} is identified through the search process and illustrated in Figure 12 using dashed lines. By setting the capacity of any single edge in the initial cut set to infinity and repeating the max-flow min-cut search, the resulting collection of cut sets is presented in Table 7.
As shown in Figure 12, when the lines {(26, 27), (25, 2)} are disconnected, the system is already divided into two islanded subsystems, without the need to additionally disconnect lines (18, 3), (11, 6), and (11, 12). Furthermore, if the lines {(26, 27), (25, 2), (11, 6)} are selected as the cut set from the initial set, it can be observed that the disconnection of line (11, 6) does not contribute to isolating the system into unconnected subgraphs. In practical engineering scenarios, the probability of two lines failing simultaneously is also significantly higher than that of five lines failing at the same time.
Therefore, directly applying the max-flow min-cut theorem to identify cut sets for determining transmission sections may result in a large number of invalid and redundant edges. It is thus necessary to identify and eliminate these ineffective and redundant edges. The refined results by our improved identification method are also presented in Table 7.
It can be found from Table 7 that the minimum cut sets obtained using the improved search method form a subset of those identified solely through the max-flow min-cut theorem. This approach eliminates redundant cut combinations and superfluous edges. Moreover, disconnecting any of the remaining edges in the refined cut sets will result in the system being partitioned into disconnected subgraphs.
Based on different source nodes and virtual source nodes formed by combinations of these source nodes, transmission sections at risk of forming minimum cuts can be initially identified by implementing the proposed search method, and are listed in Table 8. It can be found that there are 37 transmission sections with such risk initially identified.
By taking the initial identified transmission sections as the candidate line set, the proposed CTSI model is solved to further determine which of these sections are at risk of overload tripping under any N-K line outage scenario. The corresponding minimum cut transmission sections identified with such risk are defined as critical transmission sections.
It can be verified that disconnecting any of the minimum cut sets listed in Table 8 will lead to increased power flow on the remaining lines within the corresponding transmission sections, thereby raising the risk of triggering cascading failures that will form the minimum cuts for the IEEE 39-bus system.
For illustrative purposes, the impact of the number of damaged substations was initially not considered; thus, the constraint of the substation contingency budget was relaxed by setting by K1 = 5 for all cases, while K2 varies from 1 to 5. Then, solving the proposed CTSI model can identify the critical transmission sections for the IEEE 39-bus system. The related results are presented in Table 9.
It can be found in Table 9 that the identified critical transmission sections are increased as K2 varies from 1 to 5, and increase especially sharply when K2 varies from 4 to 5. This suggests that when there are many line contingencies, which occurs frequently in extreme events, the critical transmission sections are increased sharply. Hence, it is necessary to identify and monitor the critical transmission sections in advance.
Next, the effect of the damaged substation’s numbers on identification results is investigated. To save space and facilitate explanation, the proposed CTSI model is calculated with K1 varying from 1 to 5, while K2 is fixed at 5 for all cases. The identification results of critical transmission sections are listed in Table 10. It can be found in Table 10 that the identified critical transmission sections are different from the results in Table 9 in some cases, which indicates that the impact that the number of damaged substations posed on identification results should be taken into account. For example, it can be seen in Figure 12 that when the budget of damaged substation is limited to one, the minimum cut of 34, i.e., {(21,16), (23, 24)}, which is the result in the first row of Table 9, cannot be formed by destroying only one substation. The identification results being different from those in the third and the fourth rows of Table 9 also demonstrates that the number of damaged substations should be considered in identifying the critical transmission sections.

5. Conclusions

This paper proposes an improved search method based on the maximum-flow minimum-cut theorem to preliminarily identify critical transmission sections. A mixed-integer CTSI model is then developed to further identify critical transmission sections vulnerable to N-K contingencies under extreme events. By applying the improved search algorithm, a large number of redundant cut combinations and superfluous edges are eliminated, significantly reducing the computational burden of solving the CTSI model. The model enables the identification of transmission lines that pose a risk of forming minimum cuts, which may result in system separation. Case studies on the IEEE RTS 24-bus and IEEE 39-bus systems validate the accuracy and efficiency of the proposed method. This framework offers practical guidance for system operators to proactively detect critical transmission sections in real-time operations, thereby helping to prevent cascading failures and large-scale blackouts. Future work will focus on integrating this identification framework with optimal protection planning and defense resource allocation strategies to further improve grid resilience.

Author Contributions

In this study, X.Z. was responsible for conceptualization and writing the original draft, X.L. was responsible for project administration, M.Y. was responsible for formal analysis, Y.D. was responsible for validation, literature review, and editing, M.H. was responsible for data curation, and Y.Z. was responsible for the visualization. All authors have read and agreed to the published version of the manuscript.

Funding

This project was supported by the Central China Branch of State Grid Corporation of China under Science and Technology Project (52140024000D).

Data Availability Statement

Some data have already been presented in the article. For further information, please contact the corresponding author.

Acknowledgments

The authors would like to thank all those who provided valuable comments and suggestions to improve the quality of this study.

Conflicts of Interest

Authors Xiongguang Zhao and Xu Ling were employed by the Central China Branch of the State Grid Corporation of China. The remaining authors declare that the research was conducted in the absence of any commercial or financial relationships that could be construed as a potential conflict of interest. The authors declare that this study received funding from the Central China Branch of the State Grid Corporation of China under the Science and Technology Project. The funder was not involved in the study design, collection, analysis, interpretation of data, the writing of this article, or the decision to submit it for publication.

References

  1. Alvarado, D.; Moreno, R.; Street, A.; Panteli, M.; Mancarella, P.; Strbac, G. Co-optimizing substation hardening and transmission expansion against earthquakes: A decision-dependent probability approach. IEEE Trans. Power Syst. 2022, 38, 2058–2070. [Google Scholar] [CrossRef]
  2. Zhao, Y.; Cao, Y.; Li, Y.; Li, Z.; Yao, W.; Shi, X. Robust substation enhancement strategy for allocating the defensive resource against the cyber-attacks on IEDs. IEEE Trans. Ind. Inform. 2023, 20, 3539–3550. [Google Scholar] [CrossRef]
  3. Zhang, W.; Shao, C.; Hu, B.; Zhou, J.; Cao, M.; Xie, K.; Siano, P.; Li, W. Proactive security-constrained unit commitment against typhoon disasters: An approximate dynamic programming approach. IEEE Trans. Ind. Inform. 2022, 19, 7076–7087. [Google Scholar] [CrossRef]
  4. Movahednia, M.; Mahroo, R.; Kargarian, A. Transmission-Distribution coordination for enhancing grid resiliency against flood hazards. IEEE Trans. Power Syst. 2023, 39, 5272–5282. [Google Scholar] [CrossRef]
  5. Ding, T.; Li, C.; Yan, C.; Li, F.; Bie, Z. A bilevel optimization model for risk assessment and contingency ranking in transmission system reliability evaluation. IEEE Trans. Power Syst. 2016, 32, 3803–3813. [Google Scholar] [CrossRef]
  6. Fliscounakis, S.; Panciatici, P.; Capitanescu, F.; Wehenkel, L. Contingency ranking with respect to overloads in very large power systems taking into account uncertainty, preventive, and corrective actions. IEEE Trans. Power Syst. 2013, 28, 4909–4917. [Google Scholar] [CrossRef]
  7. Street, A.; Moreira, A.; Arroyo, J.M. Energy and reserve scheduling under a joint generation and transmission security criterion: An adjustable robust optimization approach. IEEE Trans. Power Syst. 2013, 29, 3–14. [Google Scholar] [CrossRef]
  8. Yan, B.; Jiang, Z.; Yao, P.; Yang, Q.; Li, W.; Zomaya, A.Y. Game theory based optimal defensive resources allocation with incomplete information in cyber-physical power systems against false data injection attacks. Prot. Control Mod. Power Syst. 2024, 9, 115–127. [Google Scholar] [CrossRef]
  9. Zhao, Y.; Li, Y.; Cao, Y.; Yan, M. Risk-based contingency analysis for power systems considering a combination of different types of cyber-attacks. Appl. Energy 2023, 348, 121551. [Google Scholar] [CrossRef]
  10. Sundar, K.; Coffrin, C.; Nagarajan, H.; Bent, R. Probabilistic N-k failure-identification for power systems. Networks 2018, 71, 302–321. [Google Scholar] [CrossRef]
  11. Zhao, Y.; Gan, W.; Yan, M.; Wen, J.; Zhou, Y. A scalable stochastic scheme for identifying critical substations considering the epistemic uncertainty of contingency in power systems. Appl. Energy 2025, 381, 125119. [Google Scholar] [CrossRef]
  12. Du, M.; Liu, X.; Zhou, Q.; Li, Z. Hybrid robust tri-level defense model against multiperiod uncertain attacks. IEEE Trans. Smart Grid 2021, 13, 3255–3265. [Google Scholar] [CrossRef]
  13. Yang, X.; Liu, X.; Zhao, T.; Xiao, G.; Fan, B.; Liu, S. Resilient Unit Commitment for Transmission Lines Hardening Under Endogenous Uncertainties. IEEE Trans. Power Syst. 2024, 40, 204–217. [Google Scholar] [CrossRef]
  14. Liu, Z.; Wang, L. A distributionally robust scheme for critical component identification to bolster cyber-physical resilience of power systems. IEEE Trans. Smart Grid 2022, 13, 2344–2356. [Google Scholar] [CrossRef]
  15. Liu, Z.; Wang, L. A distributionally robust defender-attacker-defender model for resilience enhancement of power systems against malicious cyberattacks. IEEE Trans. Power Syst. 2022, 38, 4986–4997. [Google Scholar] [CrossRef]
  16. Rudkevich, A.; Egilmez, K.; Liu, M.; Murti, P.; Visudhiphan, P.; Tabors, R.; Overbye, T.J. Identification and congestion analysis of transmission corridors of the Eastern interconnection. In Proceedings of the 2007 40th Annual Hawaii International Conference on System Sciences (HICSS’07), Waikoloa, HI, USA, 3–6 January 2007; IEEE: New York, NY, USA, 2007; p. 124. [Google Scholar]
  17. Nappu, M.B.; Arief, A.; Bansal, R.C. Transmission management for congested power system: A review of concepts, technical challenges and development of a new methodology. Renew. Sustain. Energy Rev. 2014, 38, 572–580. [Google Scholar] [CrossRef]
  18. Nan, L.; Liu, T.; He, C. Identification of transmission sections based on power grid partitioning. Int. Trans. Electr. Energy Syst. 2019, 29, e2793. [Google Scholar] [CrossRef]
  19. Hu, Y.; Xun, P.; Kang, W.; Zhu, P.; Xiong, Y.; Shi, W. Power system zone partitioning based on transmission congestion identification using an improved spectral clustering algorithm. Electronics 2021, 10, 2126. [Google Scholar] [CrossRef]
  20. Zheng, W.; Li, C.; Bai, D.; Qin, J. Fast Detection of Hidden Dangers in Transmission Line Corridors Based on Region Partitioning and Feature Extraction. J. Phys. Conf. Ser. 2019, 1335, 012020. [Google Scholar] [CrossRef]
  21. Ishizaki, T.; Chakrabortty, A.; Imura, J.-I. Graph-theoretic analysis of power systems. Proc. IEEE 2018, 106, 931–952. [Google Scholar] [CrossRef]
  22. Dantzig, G.; Fulkerson, D.R. On the max flow min cut theorem of networks. Linear Inequalities Relat. Syst. 2003, 38, 225–231. [Google Scholar]
  23. Werho, T.; Vittal, V.; Kolluri, S.; Wong, S.M. Power system connectivity monitoring using a graph theory network flow algorithm. IEEE Trans. Power Syst. 2016, 31, 4945–4952. [Google Scholar] [CrossRef]
  24. Pearce, D.J. A space-efficient algorithm for finding strongly connected components. Inf. Process. Lett. 2016, 116, 47–52. [Google Scholar] [CrossRef]
  25. Fang, J.; Su, C.; Chen, Z.; Sun, H.; Lund, P. Power system structural vulnerability assessment based on an improved maximum flow approach. IEEE Trans. Smart Grid 2016, 9, 777–785. [Google Scholar] [CrossRef]
  26. Matpower User Manual. Available online: https://matpower.org/docs/MATPOWER-manual-7.0.pdf (accessed on 3 August 2020).
Figure 1. Removing hanging node.
Figure 1. Removing hanging node.
Energies 18 04342 g001
Figure 2. Cut vertex and separated subgraph.
Figure 2. Cut vertex and separated subgraph.
Energies 18 04342 g002
Figure 3. Diagram of network flow.
Figure 3. Diagram of network flow.
Energies 18 04342 g003
Figure 4. Diagram of transmission section.
Figure 4. Diagram of transmission section.
Energies 18 04342 g004
Figure 5. Network flow of 5-bus system.
Figure 5. Network flow of 5-bus system.
Energies 18 04342 g005
Figure 6. Diagram of search tree.
Figure 6. Diagram of search tree.
Energies 18 04342 g006
Figure 7. Search algorithm for transmission sections.
Figure 7. Search algorithm for transmission sections.
Energies 18 04342 g007
Figure 8. Improved search method for identify critical transmission sections.
Figure 8. Improved search method for identify critical transmission sections.
Energies 18 04342 g008
Figure 9. Identified minimum cut of the IEEE RTS 24-bus system.
Figure 9. Identified minimum cut of the IEEE RTS 24-bus system.
Energies 18 04342 g009
Figure 10. Identified lines in contingency by N-K model with K = 2, 5, 6.
Figure 10. Identified lines in contingency by N-K model with K = 2, 5, 6.
Energies 18 04342 g010
Figure 11. Identified minimum cut of the IEEE 39-bus system.
Figure 11. Identified minimum cut of the IEEE 39-bus system.
Energies 18 04342 g011
Figure 12. Identified minimum cuts for the IEEE 39-bus system.
Figure 12. Identified minimum cuts for the IEEE 39-bus system.
Energies 18 04342 g012
Table 1. Identified minimum cut of the IEEE RTS 24-bus system.
Table 1. Identified minimum cut of the IEEE RTS 24-bus system.
Minimum Cut Search AlgorithmThe Set of Identified Minimum Cuts
Fundamental search method based on the max-flow min-cut theorem{(9, 4), (9, 8), (10, 5), (10, 6), (10, 8), (17, 16), (22, 21), (24, 3)}
{(3, 1), (9, 4), (9, 8), (10, 5), (10, 6), (10, 8), (17, 16), (22, 21)}
{(10, 5), (10, 6), (10, 8), (11, 9), (12, 9), (17, 16), (22, 21), (24, 3)}
{(11, 9), (11, 10), (12, 9), (12, 10), (17, 16), (22, 21), (24, 3)}
{(11, 9), (11, 10), (12, 9), (12, 10), (18, 17), (22, 17), (22, 21), (24, 3)}
{(11, 9), (11, 10), (12, 9), (12, 10), (18, 17), (21, 15), (22, 17), (24, 3)}
Improved method{(17, 16), (22, 21)}
{(22, 17), (22, 21)}
{(18, 17), (21, 15), (22, 17)}
Table 2. Identified transmission sections from the proposed search method.
Table 2. Identified transmission sections from the proposed search method.
Source
Node
IndexTransmission Lines at Risk of Forming Minimum Cuts
231{(9, 4), (9, 8), (10, 5), (10, 6), (10, 8), (23, 20)}
2{(10, 5), (10, 6), (10, 8), (11, 9), (12, 9), (23, 20)}
3{(11, 9), (11, 10), (12, 9), (12, 10), (23, 20)}
4{(11, 9), (11, 10), (12, 9), (12, 10), (20, 19)}
225{(17, 16), (22, 21)}
6{(22, 17), (22, 21)}
7{(18, 17), (21, 15), (22, 17)}
(23, 22)8{(9, 4), (9, 8), (10, 5), (10, 6), (10, 8), (17, 16), (22, 21), (23, 20)}
9{(10, 5), (10, 6), (10, 8), (11, 9), (12, 9), (17, 16), (22, 21), (23, 20)}
10{(11, 9), (11, 10), (12, 9), (12, 10), (22, 17), (22, 21), (23, 20)}
11{(11, 9), (11, 10), (12, 9), (12, 10), (17, 16), (22, 21), (23, 20)}
12{(11, 9), (11, 10), (12, 9), (12, 10), (18, 17), (21, 15), (22, 17), (23, 20)}
13{(11, 9), (11, 10), (12, 9), (12, 10), (18, 17), (20, 19), (21, 15), (22, 17)}
Table 3. Identified critical transmission sections for the IEEE RTS 24-bus system with different K2.
Table 3. Identified critical transmission sections for the IEEE RTS 24-bus system with different K2.
K2The Index of Identified Critical Transmission Sections at Risk of Forming Minimum Cuts
1/
26
31, 2, 3
41, 2, 3, 4
51, 2, 3, 5, 6, 8, 9, 10, 11
“/” means there are no critical transmission sections at risk of forming minimum cuts.
Table 4. Identified critical transmission sections for the IEEE ERS 24-bus system with different K1.
Table 4. Identified critical transmission sections for the IEEE ERS 24-bus system with different K1.
K1The Index of Identified Critical Transmission Sections at Risk of Forming Minimum Cuts
11
21, 2, 3, 4
34, 5, 6, 7, 13
41, 2, 3, 5, 6, 8, 9, 10, 11
51, 2, 3, 5, 6, 8, 9, 10, 11
Table 5. Identified lines from classical N-K model for the IEEE ERS 24-bus system with different K.
Table 5. Identified lines from classical N-K model for the IEEE ERS 24-bus system with different K.
KLines in ContingencyLoad Shedding
2(11, 14), (14, 16)1.94
5(9, 12), (10, 12), (11,13), (14, 16), (15, 24)8.42
6(7-8), (11,13), (12, 13), (12, 23), (14, 16), (15, 24)10.17
Table 6. Results of N-K model with transmission lines corresponding to Identified critical transmission sections for the IEEE ERS 24-bus system.
Table 6. Results of N-K model with transmission lines corresponding to Identified critical transmission sections for the IEEE ERS 24-bus system.
Index of the Minimum CutCorresponding Lines in ContingencyLoad Shedding (p.u.)
1{(9, 4), (9, 8), (10, 5), (10, 6), (10, 8), (23, 20)}0.31
2{(10, 5), (10, 6), (10, 8), (11, 9), (12, 9), (23, 20)}2.13
3{(11, 9), (11, 10), (12, 9), (12, 10), (23, 20)}1.68
4{(11, 9), (11, 10), (12, 9), (12, 10), (20, 19)}4.08
6{(22, 17), (22, 21)}0
Table 7. Identification results of two search methods.
Table 7. Identification results of two search methods.
Minimum Cut Search AlgorithmThe Set of Identified Minimum Cuts
Fundamental search method based on the max-flow min-cut theorem{(26, 27), (25, 2), (18, 3), (11, 6), (11, 12)},
{(25, 2), (25, 26), (18, 3), (11, 6), (11, 12)},
{(18, 3), (25, 26), (2, 1), (2, 3), (11, 6), (11, 12)},
{(25, 26), (2, 1), (2, 3), (11, 6), (11, 12)},
{(25, 26), (2, 1), (2, 3)}
Improved search method{(26, 27), (25, 2)},
{(25, 2), (25, 26)},
{(2, 1), (2, 3), (25, 26)}
Table 8. Identified transmission sections for the IEEE 39-bus system.
Table 8. Identified transmission sections for the IEEE 39-bus system.
SubgraphSource
Node
IndexIdentified Transmission Sections
A251{(25, 2), (26, 27)}
2{(25, 2), (25, 26)}
3{(2, 1), (2, 3), (25, 26)}
104{(10, 13), (11, 6), (11, 12)}
5{(11, 6), (11, 12), (13, 12), (13, 14)}
6{(10, 11), (13, 12), (13, 14)}
167{(16, 15), (16, 17)}
8{(16, 15), (17, 27), (18, 3)}
9{(16, 15), (17, 18), (17, 27)}
(25, 10)10{(10, 13), (11, 6), (11, 12), (25, 2), (26, 27)}
11{(11, 6), (11, 12), (13, 12), (13, 14), (25, 2), (26, 27)}
13{(10, 11), (13, 12), (13, 14), (25, 2), (26, 27)}
14{(2, 1), (2, 3), (10, 11), (13, 12), (13, 14), (26, 27)}
15{(2, 1), (2, 3), (10, 11), (13, 12), (13, 14), (25, 26)}
(25, 16)16{(16, 15), (16, 17), (25, 2), (26, 27)}
17{(16, 15), (17, 27), (18, 3), (25, 2), (26, 27)}
18{(16, 15), (17, 18), (17, 27), (25, 2), (26, 27)}
19{(2, 1), (3, 4), (16, 15), (17, 27), (26, 27)}
20{(2, 1), (3, 4), (16, 15), (17, 27), (25, 26)}
(10, 16)21{(10, 13), (11, 6), (11, 12), (16, 15), (16, 17)}
22{(11, 6), (11, 12), (13, 12), (13, 14), (16, 15), (16, 17)}
23{(10, 11), (13, 12), (13, 14), (16, 15), (16, 17)}
24{(10, 11), (13, 12), (13, 14), (16, 15), (17, 27), (18, 3)},
25{(10, 11), (13, 12), (13, 14), (16, 15), (17, 18), (17, 27)}
(25, 10, 16)26{(10, 13), (11, 6), (11, 12), (16, 15), (16, 17), (25, 2), (26, 27)},
27{(11, 6), (11, 12), (13, 12), (13, 14), (16, 15), (16, 17), (25, 2), (26, 27)},
28{(10, 11), (13, 12), (13, 14), (16, 15), (16, 17), (25, 2), (26, 27)},
29{(10, 11), (13, 12), (13, 14), (16, 15), (17, 27), (18, 3), (25, 2), (26, 27)},
30{(10, 11), (13, 12), (13, 14), (16, 15), (17, 18), (17, 27), (25, 2), (26, 27)},
31{(2, 1), (3, 4), (10, 11), (13, 12), (13, 14), (16, 15), (17, 27), (26, 27)},
32{(2, 1), (3, 4), (10, 11), (13, 12), (13, 14), (16, 15), (17, 27), (25, 26)}
B2233{(21, 16), (24, 16)}
34{(21, 16), (23, 24)}
35{(22, 21), (23, 24)}
C2936{(28, 26), (29, 26)}
37{(29, 26), (29, 28)}
Table 9. Identified critical transmission sections for the IEEE 39-bus system with different K2.
Table 9. Identified critical transmission sections for the IEEE 39-bus system with different K2.
K2The Index of Identified Critical Transmission Sections
at Risk of Forming Minimum Cuts
134
25, 6
35, 6, 33
41, 2, 7, 9, 15, 17
51, 2, 5, 6, 7, 9, 11, 12, 15, 17, 21, 22, 24, 26, 27, 29
Table 10. Identified critical transmission sections for the IEEE 39-bus system with different K1.
Table 10. Identified critical transmission sections for the IEEE 39-bus system with different K1.
K1The Index of Identified Critical Transmission Sections
at Risk of Forming Minimum Cuts
133
25, 6
31, 2, 7, 8, 15, 16, 18, 19
41, 2, 5, 6, 7, 8, 11, 12, 15, 16, 21, 22, 23, 26, 27, 28
51, 2, 5, 6, 7, 9, 11, 12, 15, 17, 21, 22, 24, 26, 27, 29
Disclaimer/Publisher’s Note: The statements, opinions and data contained in all publications are solely those of the individual author(s) and contributor(s) and not of MDPI and/or the editor(s). MDPI and/or the editor(s) disclaim responsibility for any injury to people or property resulting from any ideas, methods, instructions or products referred to in the content.

Share and Cite

MDPI and ACS Style

Zhao, X.; Ling, X.; Yan, M.; Dong, Y.; He, M.; Zhao, Y. Identification of Critical Transmission Sections Considering N-K Contingencies Under Extreme Events. Energies 2025, 18, 4342. https://doi.org/10.3390/en18164342

AMA Style

Zhao X, Ling X, Yan M, Dong Y, He M, Zhao Y. Identification of Critical Transmission Sections Considering N-K Contingencies Under Extreme Events. Energies. 2025; 18(16):4342. https://doi.org/10.3390/en18164342

Chicago/Turabian Style

Zhao, Xiongguang, Xu Ling, Mingyu Yan, Yi Dong, Mingtao He, and Yirui Zhao. 2025. "Identification of Critical Transmission Sections Considering N-K Contingencies Under Extreme Events" Energies 18, no. 16: 4342. https://doi.org/10.3390/en18164342

APA Style

Zhao, X., Ling, X., Yan, M., Dong, Y., He, M., & Zhao, Y. (2025). Identification of Critical Transmission Sections Considering N-K Contingencies Under Extreme Events. Energies, 18(16), 4342. https://doi.org/10.3390/en18164342

Note that from the first issue of 2016, this journal uses article numbers instead of page numbers. See further details here.

Article Metrics

Back to TopTop